Разработка устройства формирования управляющих сигналов

  • Вид работы:
    Курсовая работа (т)
  • Предмет:
    Информатика, ВТ, телекоммуникации
  • Язык:
    Русский
    ,
    Формат файла:
    MS Word
    386,71 Кб
  • Опубликовано:
    2013-10-24
Вы можете узнать стоимость помощи в написании студенческой работы.
Помощь в написании работы, которую точно примут!

Разработка устройства формирования управляющих сигналов














Пояснительная записка к курсовой работе

Разработка устройства формирования управляющих сигналов


Задание

Разработка устройства формирования управляющих сигналов с «жесткой» логикой работы.

Номер варианта

Частота тактовых импульсов генератора, МГц

Номера временных диаграмм управляющих сигналов

30

3,2

3, 6, 8, 10, 15



Такты работы формирователя управляющих сигналов

Tип

Т1

Т2

Т3

Т4

Т5

Т6

Т7

Т8


















Y3



















































Y6



















































Y8



















































Y10



















































Y15






















































Введение

Курсовая работа состоит в разработке устройства формирования управляющих сигналов с «жесткой» логикой работы. В процессе выполнения курсовой работы необходимо рассмотреть особенности применения современных электронных компонентов при разработке электронных устройств, а также способы оформления технической документации.

В данной работе рассматривается выбор компонентов электронной схемы, производится расчет компонентов и построение временных диаграмм.

Устройство формирования предназначено для выработки многоразрядного циклического цифрового сигнала, который может быть использован для управления различными приборами цифровой техники.

Для выполнения поставленной задачи предлагается использовать схему на основе кольцевого распределителя, которая позволяет оптимально сформировать требуемые выходные сигналы.

В пояснительная записка к курсовой работе приводятся:

временные диаграммы тактового сигнала и управляющих сигналов, соответствующие заданному варианту;

расчет тактового генератора на заданную частоту импульсов;

расчет устройства начальной установки;

условные графические обозначения, характеристики и параметры микросхем и электронных элементов, использованных в разработанном устройстве;

описание работы устройства и принципиальная схема.


1.      Структурная схема устройства

Структурная схема устройства формирования управляющих сигналов с «жесткой» логикой работы приведена на рисунке 1.

Рисунок 1 - Структурная схема устройства

Устройство содержит генератор тактовых импульсов, рассчитанный на заданную частоту, и формирователь, вырабатывающий в цикле из восьми тактов работы генератора, пять управляющих сигналов с заданными временными диаграммами. Устройство должно работать циклически, последовательно повторяя вид сигналов в каждом цикле из восьми тактов. Необходимо также предусмотреть начальную установку устройства при запуске, чтобы после подачи питающего напряжения на микросхемы и элементы устройства, выработка управляющих сигналов начиналась с первого рабочего такта.

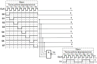
Форма выходных управляющих сигналов, требуемая по заданию приведена на рис. 2.

Генератор тактовых импульсов можно построить на отдельных инвертирующих логических элементах по известной схеме с времязадающей RC цепочкой /1, 2/.

Формирователь управляющих сигналов может быть построен на основе кольцевого распределителя, вырабатывающего опорные сигналы, с последующей их обработкой на логических элементах. Вид кольцевого распределителя при использовании счетчика, например К1533ИЕ5 и дешифратора К1533ИД7, представлен на рисунке 3.

Рисунок 2 - Временные диаграммы управляющих сигналов в цикле из восьми тактов

Рисунок 3 - Кольцевой распределитель на основе счетчика и дешифратора

Для получения нужного выходного сигнала достаточно объединить по ИЛИ соответствующие сигналы с выхода дешифратора К1533ИД7 при помощи логических элементов И-НЕ. Выходы дешифратора К1533ИД7 имеют активный низкий уровень, поэтому для выполнения функции ИЛИ нужно использовать элементы И-НЕ с количеством входов, требуемых по заданию.

На рисунке 4 представлен схемный фрагмент формирования из опорных сигналов управляющего сигнала Y6 (см. рисунок 2), с использованием логического элемента 4И-НЕ (К1533ЛА1).

Рисунок 4 - Схемный фрагмент формирования управляющего сигнала Y6

По аналогии с сигналом Y6 можно составить схемы формирования остальных сигналов. Можно записать логическую функцию для каждого выходного сигнала формирователя, например, для Y6 /2, 3/:

Y6=Q1+Q2+Q5+Q6.

Запишем логическую функцию для сигналаY3:

Y3= Q0+Q1+Q3+Q7.


Запишем логическую функцию для сигналаY8:

Y8= Q0+Q3+Q7.

Запишем логическую функцию для сигналаY10:

Y10= Q2+Q3+Q4+Q6.

Запишем логическую функцию для сигналаY15 (здесь добавляется сигнал с генератора CLK):


При построении принципиальной схемы следует учесть количество элементов в одном корпусе микросхемы и с учетом правил Де Моргана оптимально распределить логические функции (И, ИЛИ, НЕ), чтобы свести к минимуму количество корпусов интегральных схем /2, 3/.

В качестве элементной базы выберем микросхемы ТТЛ серии К1533 /5/. Она имеет полный функциональный состав типовых логических микросхем, высокое быстродействие (время задержки в вентиле 4 нс), небольшое потребление мощности (не более 1мВт на вентиль), тактовая частота до 70МГц, напряжение питания +5В. Неиспользуемые входы микросхем этой серии можно непосредственно подключать к выводу питания +5В.

2.      Разработка принципиальной схемы устройства

управляющий сигнал технический электронный

Тактовый генератор можно построить на логических элементах можно построить по схеме рис. 5 /1, 3/.

Рисунок 5 - Схема тактового генератора и временные диаграммы

Тактовый генератор строится на логических элементах по схеме мультивибратора (МВ). Схема состоит из двух логических элементов и времязадающей RC-цепи, через которую протекает ток заряда и перезаряда емкости С1. В те моменты времени, когда напряжение на входе DD1.2 достигает порогового значения UПОР, схема переходит в противоположное состояние, и на выходе DD1.2 появляется напряжение U1, соответствующее логической единице, или U0, напряжение, соответствующее логическому нулю.



Для серии К1533 /4, 5/ U1=2,4В, U0=0,4В, UПОР=(1,2ч1,6) В, RВХ>4кОм,ВЫХ=(50ч100) Ом. Для ТТЛ-инверторов R1 определяется из условия RВХ>R1>Rвых. Рекомендуется принимать R1=(200ч1000) Ом.

Период следования импульсов Тг=tи+tп. Определим его из заданной частоты генератора:

Тг=1/Fг=1/3,2∙10-6=0,3125 мкс.

Для серии К1533 можно принять R1=560 Ом. Тогда емкость конденсатора С1 определим по формуле:


Примем из стандартного ряда С1=470пФ. В качестве инверторов можно взять микросхему К1533ЛА3.

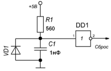
Устройство начальной установки должно выработать импульс при включении питания для установки счетчика в нулевое состояние. Это можно сделать при помощи RC цепочки, установленной на входе ТТЛ элемента (рис. 6) /2, 4/.

Рисунок 6 - Схема начального сброса

При включении питания конденсатор C1 заряжается через резистор R1. Во время заряда напряжение на ходе ТТЛ элемента остается ниже порогового, т.е. - логический ноль, следовательно на выходе DD1 будет высокий уровень логической единицы. При превышении порогового уровня ТТЛ элемент на выходе изменит свой уровень на низкий. Диод VD1 служит для защиты входа ТТЛ элемента от выбросов отрицательного напряжения при выключении схемы. Можно использовать любой маломощный кремневый диод, например КД521Г.

Длительность импульса на выходе DD1 определяется временем заряда емкости C1 через R1 по формуле:

Длительность импульса должна быть меньше периода следования тактовых сигналов, чтобы счетчик был сброшен к моменту прихода первого фронта. Тогда длительность импульса сброса можно принять равной tи=0,03 мкс. Для серии К1533 можно принять R1=560 Ом. Тогда емкость конденсатора С1 определим по формуле:


Примем из стандартного ряда С1=1000пФ.

Для создания счетчика с коэффициентом счета 8 можно использовать микросхему К1533ИЕ5 (рис. 7) /2, 5/.

Рисунок 7 - УГО двоичного счетчика К1533ИЕ5

Это асинхронный двоичный счетчик с входами сброса и делителем на 8 и 2. Будем использовать часть счетчика - делитель на 8. Для этого сигнал тактового генератора подается на вход С2. На входы сброса &R1R2 должен поступать импульс высокого уровня.

Выходы счетчика - три разряда двоичного кода, которые поступают дешифратор в десятичный код - микросхему К1533ИД7 (рис. 8) /2, 5/.

Рисунок 8 - УГО дешифратора К1533ИД7

Микросхема имеет три входа двоичных разрядов 1-2-4, восемь десятичных выходов Q0-Q7и три входа управления &E1E2E3. Так как каскадирование дешифратора не требуется, то на входы управления подаются постоянные уровни сигналов для включения микросхемы в активный режим.

Теперь можно составить принципиальную схему устройства формирования управляющих сигналов с «жесткой» логикой работы (рис. 9).

Тактовый генератор реализован на инверторах DD1.1-DD1.2, частота определяется цепочкой С1-R1. Импульс начального сброса с положительным активным уровнем вырабатывается на инверторе DD1.3 и поступает на входы сброса счетчика DD2 К1533ИЕ5. У счетчика задействован только делитель на 8, т.к. требуется последовательность с периодом повторения в 8 тактов генератора. ±

На дешифраторе DD3 К1533ИД7 происходит преобразование двоичного кода счетчика в 8 линий десятичного кода с активным низким уровнем. это позволяет сформировать требуемые выходные сигналы Y3, Y6, Y8, Y10 при помощи схем И-НЕ, которые выполняют в формирователе операцию логического ИЛИ над сигналами с выходов дешифратора. Для формирования выходного сигнала Y15 дополнительно используется прямой и инверсный сигнал с выхода генератора тактовых импульсов. Выходы Q1 и Q4 инвертируются, а комбинационная схема на элементах

DD5.2, DD5.3, DD6.2 формирует сигнал Y15 в соответствии с разработанной логической функцией.

Рисунок 9 - Схема электрическая принципиальная устройства формирования


Заключение

В ходе курсового проектирования было разработано устройство формирования сигналов заданной формы на базе элементов «жесткой» логики. Рассмотрены особенности работы электронных компонентов, проведен выбор элементной базы и приведены УГО микросхем средней степени интеграции, использованных в устройстве.

Проведен расчет генератора тактовых импульсов на логических элементах и расчет схемы начального запуска для счетчика. Составлена электрическая принципиальная схема устройства и спецификация элементов.

Требования технического задания выполнены.


Список использованных источников

1.      Браммер Ю.А. Цифровые устройства: Учеб. пособие для вузов / Ю.А. Браммер, И.Н. Пащук. - М.: Высш. шк., 2004. - 229 с.: ил.

.        Угрюмов Е.П. Цифровая схемотехника. - СПб.: БХВ-Петербург, 2004. - 528 е.: ил.

.        Титце У., Шенк К. Полупроводниковая схемотехника. 12-е изд. Том I: Пер. с нем. - М.: ДМК Пресс, 2008. - 832 с.: ил.

. Опадчий Ю.Ф. Аналоговая и цифровая электроника / Ю.Ф. Опадчий, О.П. Глудкин, А.И. Гуров. - М.: Горячая линия - Телеком, 2005. - 768 с.

. И.И. Петровский, А.В. Прибыльский, А.А. Троян, В.С. Чувелев - Логические ИС КР 1533 КР 1554. Справочник. - М.:БИНОМ, 1993.

Похожие работы на - Разработка устройства формирования управляющих сигналов

 

Не нашли материал для своей работы?
Поможем написать уникальную работу
Без плагиата!
Без нейросетей!