Разработка формирователя помеховых сигналов широкого применения
Введение
Задачей дипломного проекта является разработка формирователя помеховых
сигналов широкого применения, обладающего свойствами, которые улучшают общие
характеристики самолетной станции активных помех по сравнению с аналогами. В
качестве одного из составляющих объекта разработки является устройство
преобразования частоты СВЧ сигналов, входящее в состав блока формирователя
помеховых сигналов широкого применения самолетной станции активных помех (САП).
Важно понимать, что, как и любое другое устройство, преобразователь частоты
нельзя рассматривать отдельно от взаимосвязанной структуры станции, в состав
которой он входит. Поэтому чтобы выяснить роль разрабатываемого в дипломном
проекте устройства, предварительно опишем назначение и основные принципы работы
всей САП. В то же время отметим также и основные преимущества, которыми будет
обладать станция при использовании разрабатываемого устройства.
В воздушном бою очень важно не дать себя обнаружить средствам поражения
противника, а при обнаружении сбить с толку, заставить предпринимать
неправильные действия в обстановке, где секунды могут решить исход боя. Работу
многофункциональных радиолокационных комплексов управления оружием (РЛК УО)
подразделяют на пять этапов:
· обнаружение;
· измерение;
· захват на сопровождение;
· сопровождение объекта в режиме непрерывной пеленгации (РНП),
сопровождение на проходе (СНП);
· наведение на сопровождаемый объект ракеты;
На всех этапах работы РЛК УО, РЛС или ГСН можно рассматривать как
устройства, извлекающие из отраженного сигнала информацию об объекте.
Отличаются этапы областями априорной неопределенности, характеристиками законов
распределения и набором измеряемых параметров отраженного сигнала. Различие
характеристик вызвано существенным различием в задачах, решаемых РЛК УО на
каждом этапе. Поэтому смена этапов обычно сопровождается изменением периода и
длительности облучения объекта, параметров и вида зондирующего сигнала.
Определяя по этим изменениям этап работы РЛК УО, выбирают и оптимальный вид
помехи - маскирующая (шумовая) или имитирующая. Например, на этапе
сопровождения целесообразно применять многократную уводящую сопряженную по
дальности и скорости помеху. Отличие этой помехи от обычной уводящей состоит в
том, что ее параметры (количество и первоначальная расстановка ложных отметок
дальности и скорости, направление и скорость их перемещения) выбираются
случайным образом из диапазона возможных параметров движения реальных целей. В
результате воздействия такой помехи на измерители РЛК УО, вероятность увода
стробов дальности и скорости от отраженного сигнала увеличивается. Адаптация к
моменту начала увода, его скорости и направлению затруднена, распознавание
отраженного сигнала по информационным параметрам на фоне ложных отметок
невозможно.
Следовательно, использование алгоритмов выбора помех с учетом типа
зондирующего сигнала и этапа работы РЛК УО существенно повышает эффективность
подавления современных и перспективных РЛК УО, в том числе, оснащенных
средствами помехозащиты (ПЗ).
Маскирующие помехи вызывают значительное уменьшение отношения сигнал/шум
в приемном устройстве РЛС противника, что создаёт фон, на котором затрудняется
или полностью исключается обнаружение полезных сигналов (отметок целей и
измерение их параметров). С увеличением мощности помех их маскирующее действие
возрастает. Качество маскирующих помех радиолокационным станциям, работающим в
режиме обзора, удобно оценивать с помощью энтропии помехового сигнала.
Целесообразность такого критерия качества данного вида помехового сигнала может
быть показана следующим образом. Маскирующие помеховые сигналы должны исключать
возможность обнаружения полезного сигнала с вероятностью, превышающей заданное
значение, при некоторых ограниченных условиях. Непременным условием правильного
функционирования известных к настоящему времени систем информационного
обеспечения является априорное знание полезного сигнала. Степень этого значения
может быть различной, но, тем не менее, некоторые сведения о полезных сигналах,
о законах распределения частотных видов сигналов, принадлежащих к данному
классу, должны быть известны всегда. В противном случае не представляется
возможным обеспечить работоспособность информационной системы. Идеальные
маскирующие помеховые сигналы должны создавать такие условия, при которых после
приема полезного сигнала, априорная неопределенность в системе информационного
обеспечения сохранялась. Указанное свойство маскирующих помех должно иметь
место в течение длительного времени для различных радиоэлектронных средств
данного класса. Приведенные обстоятельства исключают возможность применения для
этих целей детерминированных сигналов, поскольку они легко распознаются
противником, а поэтому не могут увеличить неопределенности в системе.
Более того, сравнительно простыми техническими приемами детерминированные
помеховые сигналы могут быть устранены, т. е. они обладают низкими
потенциальными возможностями маскировки (за исключением, быть может, таких
случаев, когда их мощность чрезвычайна велика). Иными словами, маскирующие
помеховые сигналы должны содержать элемент неопределенности. Чем больше
неопределенность помехового сигнала при заданных ограничениях, тем меньше
потенциальных возможностей у противника для его устранения и тем при большей
неопределенности приходится принимать решение противнику.
Также эффективность систем радиоэлектронного противодействия зависит от
качества активных имитирующих помех. Имитирующие помехи - это сигналы,
излучаемые САП для внесения ложной информации в подавляемые средства. По
структуре они близки к полезным сигналам и поэтому создают в оконечном
устройстве РЛС сигналы или отметки ложных целей, подобные реальным. Эти помехи
снижают пропускную способность системы, вводят в заблуждение операторов,
приводят к потере части полезной информации, увеличивают вероятность ложной
тревоги. Воздействуя на РЛС УО, они срывают автоматическое сопровождение целей
по направлению, дальности, скорости и перенацеливают РЛС на ложные цели,
имитируемые помехой, а также вызывают ошибки сопровождения целей. Одной из
разновидностей имитирующих помех, используемых для подавления РЛС УО, являются
уводящие помехи. Они вносят в подавляемые РЛС ложную информацию и нарушают
работу систем автоматического сопровождения целей по дальности, скорости и
направлению. Например помехи, уводящие по дальности, вызывают срыв слежения за
целью в импульсных РЛС УО, которые имеют режим автоматического сопровождения
цели по дальности (АСД). Дальность до цели определяется автодальномером путем
измерения отрезка времени t, за
которое излученный РЛС сигнал проходит расстояние до цели и обратно (D = ct/2). Поскольку расстояние до цели обычно не остается
постоянным, время прихода отраженного сигнала также изменяется. Для того чтобы
исключить прием мешающих сигналов и помех, приемник РЛС в режиме сопровождения
цели отпирается селектирующим импульсом (стробом дальности) только на ожидаемое
время прихода полезного сигнала τц, отраженного целью. В результате воздействия на вход
временнóго дискриминатора строба дальности Uc и τц на его выходе образуется напряжение,
пропорциональное времени прихода отраженного целью сигнала. Так происходит
автоматическое изменение временного положения строба Uc при изменении положения входного
сигнала τц и, следовательно, автоматическое сопровождение цели
по дальности. При создании уводящих по дальности помех передатчиком,
установленным на защищаемом объекте, в ответ на каждый сигнал РЛС будет
излучаться серия ответных импульсов помех с изменяющейся задержкой во времени
по отношению к принятому сигналу.
Этим можно увести строб дальности с отметки цели (отраженного сигнала) в
том же направлении, в котором движется строб. При достаточно большой мощности
помех строб дальности за счет инерции пройдет мимо сигнала цели без захвата его
на сопровождение, система АСД потеряет цель и начнет слежение за помехой. Но, несмотря
на потерю цели по дальности, РЛС будет измерять угловое положение цели, на
которой установлена САП. Поэтому для срыва работы системы автоматического
сопровождения по направлению (АСН) передатчик помех (после излучения серии
импульсов, уводящих строб дальности от полезного сигнала) выключается. Система
перейдет в режим поиска и начнет повторный цикл определения дальности, что
также приведёт к потере информации об угловом положении цели. После повторного
захвата цели системой АСН передатчик помех вновь начнет излучать помехи,
уводящие по дальности, вызывая ошибки или перерывы в измерении РЛС дальности до
цели.
Поскольку такие помехи создаются преимущественно тогда, когда информация
о параметрах сигнала средств противника отсутствует на входе системы противодействия,
выполнить эту задачу помогают устройства, запоминающие ВЧ - сигналы средств
противника.
Современные системы радиоэлектронного противодействия (РЭП) используют
несколько типов запоминающих частоту устройств [16]. Это - рециркуляторы
радиоимпульсов, обеспечивающие запоминание непосредственно по ВЧ;
потенциалоскопы, работающие, как правило, на промежуточной частоте; устройства
на основе приборов с зарядовой связью; генераторы гармонических или шумовых
колебаний, настраиваемые по частоте принятого радиолокационного сигнала; линии
задержки, взаимодействующие между собой; пространственно разнесенные
ретрансляторы, обеспечивающие запоминание частоты благодаря задержке сигналов в
пространстве; цифровые устройства такие как устройства цифрового запоминания
частоты (Digital Radio Frequency Memory - DRFM).
В состав системы DRFM входят аналого-цифровые преобразователи,
цифро-аналоговые преобразователи, управляющие процессоры, память, библиотеки
сигналов, имитаторы сигналов, и т.д.
Для любого типа запоминающего устройства наиболее важными
характеристиками являются: частотный и динамический диапазоны;
чувствительность; длительность запоминания частоты; когерентность и
спектральная характеристика запомненного сигнала; быстродействие; способность
одновременного запоминания нескольких сигналов; информационный доступ к
запомненному сигналу и возможность его считывания без разрушения информации;
совместимость с другими устройствами системы РЭП и, наконец, стоимость,
габариты, масса и энергетические параметры.
Поскольку эффективность имитирующих и маскирующих помех импульсным РЛС во
многом зависит от точности воспроизведения фазовых, частотных и временных
характеристик радиолокационных сигналов, поэтому методы цифрового запоминания
сигналов (ЦЗС) приобрели большое значение, обеспечивая высокоточное
воспроизведение структуры радиолокационного сигнала.
В настоящее время для защиты летательных аппаратов от поражения бортовыми
и наземными ракетными комплексами используется бортовая аппаратура разных
типов. Отметим, что эта аппаратура используется как для индивидуальной, так и
для групповой защиты.
Основными требованиями к современным станциям активных
помех являются следующие:
· увеличение мощности излучаемых помех;
· определение и запоминание входного сигнала;
· цифровой анализ входного сигнала и цифровое формирование
помех;
· расширение рабочего диапазона частот;
· возможность работы по нескольким целям одновременно;
· формирование помеховых сигналов различного вида;
· выбор наиболее эффективных в данный момент помех;
· оптимизация измерения (по направлению, частоте и др.);
· увеличение защищённости от помеховых сигналов;
· совершенствование конструкции аппаратуры с целью снижения
веса и габаритов.
Все вышеперечисленные требования ведут к созданию
принципиально новых типов станций формирования активных помех, которые обладают
значительным энергопотенциалом при сравнительно небольших габаритах.
Успешное функционирование подобных станций возможно
лишь при условии высокой производительности и надежности, так как иначе
возможны существенные материальные и экономические потери, связанные с утратой
готовности станции выполнить поставленные перед ней задачи.
Формирователь помех отвечает большинству основных
требований предъявляемых к современным аналогичным устройствам, а по некоторым
даже превосходит существующие аналоги.
К основным преимуществам формирователя помех
относятся:
· увеличение быстродействия обработки информации;
· снижение габаритов и веса устройства.
· увеличение чувствительности приемного тракта
1. Энергетический расчет
Рассчитаем минимальную дальность подавления для САП.
Зададимся составляющими энергетического потенциалом станции САП:
-
мощность передатчика
- коэф.
усиления антенны САП.
Длина
электромагнитной волны:
Коэффициент
усиления принимающей антенны РЛС:
Мощность
передатчика РЛС:
Коэффициент,
учитывающий потери из-за рассогласования по поляризации:
γ=0.5
Эффективная
поверхность рассеяния ЛА, т.к. станция предназначена для самолётов МИГ-29, то
возьмем среднее значение (ЭПР очень сильно зависит от ракурса, и оснащения
самолёта):
Вначале
рассчитать плотность потока мощности помехи на входе приемника РЛС от САП ЛА на
дальности R:
(1.1)
Эффективная
площадь
антенны РЛС связана с коэффициентом усиления
и длиной волны
следующим соотношением:
(1.2)
Мощность
помехи, принимаемая антенной наземной станции:
(1.3)
Далее
рассчитаем мощность отраженного от ЛА сигнала на входе РЛС.
Плотность
потока мощности сигнала
у ЛА на расстоянии R:
(1.4)
Мощность
отраженного сигнала от ЛА:
(1.5)
Мощность
отраженного сигнала на входе РЛС
(1.6)
Для
того, САП подавило РЛС необходимо чтобы отношение мощность помехового сигнала к
мощности полезного сигнала была не менее
раз,
т.е.:
(1.7)
Подставив
формулы (3.6) и (3.3) в (3.7) получаем:
(1.8)
В
результате была рассчитана минимальная дальность подавления станцией активных
помех РЛС.
2. Описание
структурной схемы САП
2.1 Краткая
характеристика САП
Станция активных помех предназначена для индивидуальной и индивидуально -
взаимной защиты самолетов от поражения РЭС, управляющих оружием (УО), входящих
в зенитно-ракетные, зенитно-артиллерийские и авиационно-ракетные комплексы
(ЗРК, ЗАК и АРК) с импульсным, длинноимпульсным, непрерывным и квазинепрерывным
излучением путем создания преднамеренных активных помех, нарушающих нормальное
функционирование радиолокационных комплексов. Активные помехи могут создавать
или увеличивать систематические и случайные ошибки в определении угловых
координат цели, ее дальности и скорости.
Станция выполняет свои функции по защите самолета в
соответствии с заданными требованиями условий полета при его боевом применении
в сложном радиолокационном поле путем формирования имитационных и шумовых помех
РЭС УО. При этом станция должна обеспечивать формирование помех в секторе ±90° по азимуту и ±60° по
углу места в передней полусфере (ППС) и задней полусфере (ЗПС).
Особенностью станции является необходимость
обеспечения одновременного создания преднамеренных прицельных активных помех
нескольким РЭС УО, в том числе радиоголовкам самонаведения (РГСН).
Станция на основе цифровой радиочастотной памяти
формирует шумовые и имитационные помехи по дальности, скорости и угловым
координатам РЭС УО с непрерывным, квазинепрерывным, длинноимпульсным и
импульсным сигналами [10], [11]. Микропроцессорное управление станцией
обеспечивает адаптацию параметров и видов помех к сложившейся в полете ситуации
угроз. Все виды оперативных подготовок и поиск неисправностей с точностью до
конструктивно-съемной единицы (КСЕ) осуществляется с помощью встроенной системы
контроля (ВСК) или за счет использования отдельной контрольно-поверочной
аппаратуры (КПА).
Станция обеспечивает обмен информацией с оборудованием
самолета, в том числе и для электромагнитной совместимости (ЭМС).
Станция при размещении в контейнере функционирует в условиях полета
самолета МИГ-29 при его боевом применении:
- максимальной приборной скорости полета Vпр, км/ч 1500
- максимальном числе М 2,3
- маневрах с перегрузкой, g 9
- практическом потолке, м 18000
- температуре на обшивке контейнера, °С от - 60 до +155
Примечание. Продолжительность полета при М = 2,3 - не более 3 мин., при
этом температура на обшивке контейнера может достигать +155° С.
Для обеспечения выполнения станцией заданных требований, блоки и
устройства станции должны охлаждаться. Вид охлаждения - принудительное воздушное.
Система охлаждения должна обеспечивать подачу охлаждающего воздуха с общим
расходом не более 200 кг/час, температурой не выше +40° С, при относительной влажности не
более 60%, без капель жидкости и кристалликов льда.
Станция предназначена для эксплуатации в условиях воздействия:
- температуры окружающей среды от минус 60°С до плюс 60°С;
- влажности воздуха не более 98% при температуре не выше плюс
35°С;
- атмосферного давления от 5,5 кПа (41,455 мм рт.ст.) до 101,3 кПа (760 мм
рт. ст.);
- инея и росы;
- вибрационных нагрузок в диапазоне частот от (10 до 10000) Гц
с ускорением до 12 g.
Основные технические характеристики станции:
- Частотный диапазон работы в режиме "Прием" и
"Передача": (2-18) ГГц.
- Станция обеспечивает одновременное создание преднамеренных
прицельных активных помех не менее чем четырем РЭС УО, в том числе
радиоголовкам самонаведения (РГСН), при разносе их несущих частот более 100
МГц.
- Чувствительность (на входе приемника) не менее минус 50 дБВт
для все типов сигналов.
- Энергопотенциал, определяемый по формуле P´G составляет не менее 500 Вт (без
учета потерь в тракте передатчика), где Р - интегральная выходная мощность на
выходе передатчика, G - коэффициент усиления антенны по центру луча на
согласованной поляризации.
- Время готовности к работе - не более 5 минут после подачи
питающих напряжений.
- ЭПР носителя САП (МИГ-29) - 10 м2
- Коэффициент усиления рупорной антенны - 7 дБ
- Масса 160 кг
- Коэффициент перекрытия по частоте 1,45
- Энергопотребление 2,2 кВт
- Минимальное время наработки на отказ - 200 часов
На всех этапах работы (обнаружение, захват,
сопровождение, наведение) РЛС или РГСН можно рассматривать как устройства,
извлекающие из отраженного сигнала информацию об объекте.
Анализ работы РЭС УО показал, что можно выделить пять
этапов его работы: обнаружение, измерение, захват на сопровождение,
сопровождение объекта по тем или иным параметрам и наведение на него ракеты
отличаются областями априорной неопределенности, характеристиками законов
распределения и набором измеряемых параметров отраженного сигнала. Различие
характеристик вызвано существенным различием в задачах, решаемых РЭС на каждом
этапе. Следовательно, смена этапов обычно сопровождается изменением периода и
длительности облучения объекта, параметров и вида зондирующего сигнала.
Определяя по этим изменениям этап работы РЭС, выбирают и оптимальный вид
помехи.
Следовательно, использование в САП алгоритмов выбора
помех с учетом типа зондирующего сигнала и этапа работы РЛК существенно
повышает эффективность подавления современных и перспективных РЭС УО, в том
числе, оснащенных средствами защиты от помех.
.2 Структура
и назначение составных частей станции активных помех
1. В зависимости от задач, которые ставятся перед станцией активных
помех, станции имеют различные схемы построения. Во всех станциях активных
помех можно выделить общие блоки, которые являются основными при ее построении
[14 - Пояснительная записка и технический проект на разрабатываемую станцию.
«ФГУП ЦНИРТИ».
]. Типовая структурная схема станции активных помех представлена на
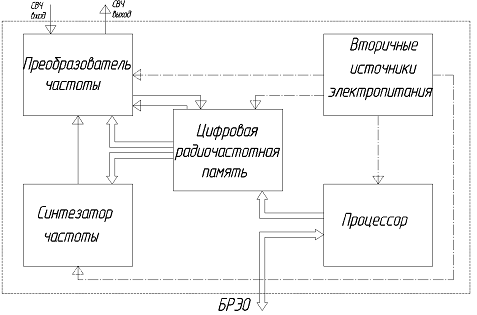
рисунке 4.
Рис.4 Общая структурная схема станции активных помех.
Описание структурной схемы САП
В состав общей схемы входят следующие блоки:
§ приемные и передающие антенны;
§ формирователь помех (блок устройства анализа и формирования сигналов )
§ выходной усилитель мощности (ВУМ)
§ переключатели
Формирователь помех предназначен для определения и длительного
воспроизведения несущей частоты, облучающих самолет РЛС с импульсным,
непрерывным, квазинепрерывным и длинноимпульсным излучением и формирования
шумовых и уводящих по дальности помех, за счет наделения воспроизведенной
несущей частоты высокочастотной шумовой, фазовой и низкочастотной амплитудной
модуляциями.
Формирователь помех на основе DRFM также предназначен для:
· цифровой записи и многократного воспроизведения точных копий сигналов,
облучающих ЛА с непрерывным, квазинепрерывным, импульсным и длинноимпульсным
излучением;
· анализа сигналов и распознавания типов обнаруженных сигналов;
· выбора оптимального вида воспроизводимых сигналов в
зависимости от этапа работы и типа РЭС УО, облучающих объект;
· формирования на основе воспроизводимых копий имитационных и
шумовых помех;
· проведения встроенного контроля (ВСК);
· включение и выключение станции;
· обеспечение прохождения информации по цепям связи станции с
БРЭО.
Блок ВУМ предназначен для усиления поступающих на вход СВЧ сигналов с
формирователя помех и наделения их низкочастотной фазовой и низкочастотной
амплитудно - импульсной модуляциями.
Антенные устройства ППС и ЗПС предназначены для:
· приема в заданном секторе по азимуту и углу места СВЧ сигналов РЭС УО,
облучающих объект;
· излучения выходных СВЧ сигналов станции, генерируемых
формирователем помех на основе DRFM и
усиленных блоком ВУМ.
Питание станции осуществляется за счет трехфазного напряжения 200В 400 Гц
и +27В (бортсеть).
Конструктивно изделие реализовано в виде отдельных устройств блочного
исполнения, размещенных внутрифюзеляжно. Также допускается контейнерная
компоновка блоков для подвесного размещения САП.
Все составляющие изделия должны в соответствии с требованиями ТЗ
сохранять работоспособность в условиях климатических и механических факторов с
учетом реальных нагрузок.
В конструкции блоков предусмотрено наличие лючков для
обеспечения доступа к низкочастотным и высокочастотным соединителям.
Конструкция блоков, а также размещение модулей в нем
обеспечивают удобный осмотр и быструю смену конструктивно-съемных единиц (КСЕ),
а так же удобство технического обслуживания изделия при его ремонте и
эксплуатации.
Управление работой канала в части выбора помеховых модуляций, включение и
выключение канала в процессе работы изделия и других функций управления
осуществляется центральным процессором станции (ЦП - модуль 306).
Рассмотрим прохождение СВЧ сигналов по СВЧ трактам изделия, используя
структурную схему (рис.4).
2.3 Принцип
работы станции активных помех
С приемных антенн (ППС и ЗПС) станции входные СВЧ сигналы через
волноводный переключатель поступают на вход формирователя помех. Потребность в
малошумящем усилителе (МШУ) отсутствует, т.к. потери в волноводном тракте
составляют 0,1 дБ и полагается, что входной СВЧ сигнал имеет достаточную
мощность. Измеренные в формирователе помех параметры входных сигналов (
и др.) передаются в центральный процессор (ЦП) станции
для оценки их степени опасности и ранжирования по очередности обслуживания.
Очередность обслуживания наиболее опасных сигналов учитывается
формирователем помех при генерировании ответных сигналов для РЭС, облучающих
объект, на котором установлена САП. Формирователь помех записывает в память
параметры входных сигналов, постоянно их обновляя.
При получении информации об очередности обслуживания входных сигналов по
степени их опасности, формирователь помех на основе ЦРЧП начинает
воспроизводить точные копии входных сигналов, наделяя их различными видами
модуляции и выбирая оптимальный, с точки зрения затруднения обнаружения РЭС УО
отраженных от ЛА сигналов.
Помеховый сигнал, сформированный формирователем помех
на основе DRFM и наделенный шумовой высокочастотной
фазовой модуляцией, поступает на вход блока ВУМ, где усиливается. С выхода
блока ВУМ помеховые СВЧ сигналы через волноводные переключатели поступают на
передающие антенны.
Волноводные переключатели обеспечивают подключение антенн передней и
задней полусфер к входу и выходу изделия, а также они позволяют подключать
самолетную станцию активных помех к контрольно - проверочной аппаратуре (КПА)
при наземной проверке.
В зависимости от направления прихода входных сигналов
(ППС или ЗПС), усиленные выходным усилителем мощности сигналы с его выхода
поступают на выходные волноводно-коаксиальные тракты и далее через волноводные
переключатели П1, П2 (выбор антенн ППС/ЗПС) на передающие антенны передней/задней
полусфер.
Переключатели П1 и П2 также обеспечивают переключение выходных СВЧ
сигналов на антенны подсвета поверхности для формирования помехи типа
«антипод».
3. Описание структурной схемы формирователя помех
Формирователь помех предназначен для определения и воспроизведения
несущей частоты зондирующих СВЧ сигналов и формирования шумовых и уводящих по
дальности помех, а также для амплитудной модуляции помеховых СВЧ сигналов [].
3.1
Технические требования
Формирователь помех, в состав, которого входит
преобразователь частоты, предназначен для приема, измерения и распознавания
входных сигналов, запоминания характеристик входных сигналов и формирования
имитационных и шумовых помех
Формирователь помех должен иметь следующие
характеристики:
1. Формирователь помех должен формировать помехи, в
диапазоне рабочих частот САП с видами излучений - непрерывными (НИ),
квази-непрерывными (КНИ), длинноимпульсными (ДИ) и импульсными (ИИ);
2. Рабочий диапазон частот: (2,0-18,0) ГГц.
. Мгновенная ширина полосы частот 500 МГц,
перестраиваемая в частотном диапазоне от 2,0 до 18 ГГц с помощью частотного
синтезатора.
. Количество физических каналов 1.
. Выходная мощность 10 мВт
. Время перестройки не более 100 нс во всем
частотном диапазоне.
. Чувствительность устройства должна быть не
менее минус 50 дБВт.
. Минимальная длительность входных СВЧ
импульсов 50 нс.
. Паразитные составляющие не должны превышать
минус 45 дБВт.
. Эквивалентная частота дискретизации - 1 ГГц.
. Доплеровская модуляция выходного сигнала от
10 до 100 кГц. Боковые гармоники должны быть ослаблены не менее чем на 20дБ
относительно основной гармоники.
. Устройство должно обеспечивать одновременное
создание преднамеренных прицельных активных помех не менее чем четырем РЭС УО,
в том числе радиоголовкам самонаведения (РГСН).
. Для управления работой приемо-передающих
каналов формирователь помех должен иметь интерфейс связи с ЦП.
. Все процессы происходящие в каналах и в
формирователе помех в целом, должны регистрироваться на флеш-карте ЦП с
дискретностью 1 с. Параметры принимаемых и формируемых ответных сигналов в
реальном масштабе времени должны передаваться в ЦП.
. Формирователь помех должен обмениваться
информацией и СВЧ сигналами с устройствами и блоками, входящими в состав САП.
. Формирователь помех должен настраиваться на
частоту принимаемого сигнала:
- самостоятельно путем согласованной перестройки приемо-передающего канала
в рабочем диапазоне частот по алгоритму, обеспечивающему минимальное время
обзора всего рабочего диапазона частот;
- по целеуказаниям (ЦУ) от системы предупреждения об облучении (СПО) при
включении соответствующего режима - (команда СПО) на пульте управления САП.
17. При работе по ЦУ по линии связи от СПО в виде кода
(в соответствии с протоколом взаимодействия) поступает информация о несущей
частоте и виду сигнала облучающей РЛС, которой необходимо противодействовать.
18. Время реакции (время от момента получения
целеуказаний из СПО до начала создания спецсигналов) на вновь обнаруженную РЛС
не должно превышать:
- для РЛС с КНИ - 2 мс;
- для РЛС с ИИ - 100 мс.
19. Модули, входящие в состав формирователя помех,
должны проводить самотестирование при включении и по внешней команде встроенной
системы контроля (ВСК) для проверки работоспособности. Сигналы тестирования в
соответствии с результатами контроля должны выдаваться в ЦП СФАС.
20. Энергопитание блока формирователя помех должно
осуществляется от источника вторичного электропитания постоянного тока
напряжением +5 В.
. Потребляемый ток формирователя помех по цепи
+5В должен быть не более 30 А.
Требования по устойчивости к внешним воздействиям
Модули устройства должны быть устойчивыми к внешним
воздействующим факторам в соответствии с требованиями ГОСТ РВ 20.39.304-98 для
группы 3.3.5.
Конструкторские требования
. Габаритные размеры формирователя - не более 420×194×124 мм.
2. Охлаждение формирователя помех воздушное,
принудительное.
3.2
Структурная схема формирователя помех
В современных САП используются устройства анализа сигналов и формирования
помех построенных на основе супергетеродинных приемников. Важной особенностью
является подстройка параметров излучаемых помеховых сигналов, поэтому обычно в
станциях помех используется рециркулятор.
Предлагается наиболее характерная структурная схема формирователя помех,
представленная на рисунке 11. В данном случае в качестве супергетеродинного
приемника выступает разрабатываемый в данном дипломном проекте преобразователь
частоты СВЧ сигналов. В паре с опорным гетеродином (синтезатор частоты) они
выполняют совместную перестройку по частоте в режиме ее точного измерения с
последующим переносом сигнала в базовую полосу рабочих частот модуля ЦРЧП.
Модули ЦРЧП и ЦП выступают в роли рециркулятора, анализируя зондирующие сигналы
от РЛС (ГСН) и формируя помеховые сигналы путем модуляции (по амплитуде, фазе
или частоте) и задержки сигналов. Тем самым модули ЦРЧП и ЦП, включенные в цепь
обратной связи, постоянно «подстраивают» САП под работу РЛС (ГСН).
Рис. 11 Структурная схема формирователя помех
Технически формирователь помех представляет собой блок, в состав канала
приема - передачи которого входят следующие модули [11]:
· Преобразователь частоты
· Синтезатор частоты (Модуль Ц303)
· ВИП (Модуль 405)
· ЦРЧП (Модуль 302)
· Процессор (Модуль 306)
Преобразователь частоты (модуль Ц301) - устройство,
предназначенное для преобразования полосы частот (∆ƒ=500 МГц) условного канала из
диапазона частот входного СВЧ сигнала 2-18 ГГц в полосу рабочих частот ЦРЧП
(1ГГц±250МГц). Модуль состоит из входного и выходного конвертеров.
Синтезатор используется для генерации опорного сигнала
на одной из 16 частот в диапазоне 8,25-12 ГГц, с шагом перестройки 250 МГц.
Модуль состоит из набора генераторов с кварцевым резонатором, охваченных петлей
фазовой автоподстройки (ФАПЧ) на гармонику опорной частоты. Выходы генераторов
выбираются в необходимой комбинации с помощью ключей и поступают на входы
конвертера диапазона. Выходной сигнал конвертера усиливается и подается на
выход модуля.
ВИП (модуль 405) - устройство вторичных источников питания. Служит для
подачи питающих напряжений +5В на все входящие в блок формирователя модули.
ЦРЧП (модуль 302) - устройство цифрового запоминания
частоты. Цифровая радиочастотная память предназначена для получения и хранения
в цифровой форме копии радиочастотного сигнала с целью ее последующей цифровой
обработки и формирования сигналов, наделенных модуляцией различного вида.
Центральное процессорное устройство (модуль 306) - устройство (ЦПУ),
настраивающее работу канала с данной частотой.
ЦПУ станции предназначено для:
· управления работой блоков и узлов станции;
· цифровой обработки сигналов, поступающих от блоков и
устройств станции, а также сигналов от других устройств, поступающих по
интерфейсам связи с БРЭО;
· выполнения рабочей программы станции;
· записи с привязкой по времени информации о состоянии
устройств станции, о параметрах входных СВЧ сигналов, а также реакции каналов
ЦРЧП на входные воздействия.
· Переключение канала прием - передача
· Переключение полусфер ППС/ЗПС
· Проведение и управление встроенного контроля
Принимаемый СВЧ сигнал из диапазона 2-18 ГГц поступает на первый вход
преобразователя частоты (модуль Ц301). На второй вход при этом с синтезатора
частоты поступает опорный сигнал с дискретной частотой из поддиапазона 8,25-12
ГГц. Полученный сигнал с преобразователя частоты на промежуточной частоте 1 ГГц
± 250 Мгц подается на устройство ЦРЧП (модуль 302). Данный модуль запоминает
сигнал с длительностью не более 163 мкс, определяет его параметры и далее
подстраивает преобразователь частоты и опорный синтезатор частот до требуемого
значения. Подстройка частоты осуществляется за счет системы ФАПЧ. Т.е.
устройство ЦРЧП является важным звеном в цепи обратной связи.
4. Выбор и
обоснование структурной схемы преобразователя частоты (конвертера)
.1 Технические
требования
Преобразователь частоты (рис. 15) предназначен для преобразования полосы
частот (∆ƒ=500 МГц) условного канала из
диапазона частот входного сигнала 2-18 ГГц в базовую полосу рабочих частот
модуля ЦРЧП (1 ГГц ± 250 МГц) для последующей обработки сигнала и формирования
помех, и обратно для переноса помехового сигнала из промежуточной полосы в
полосу частот 2-18 ГГц в режиме передачи [10], [11].
Преобразователь частоты должен иметь следующие
характеристики:
1. Рабочий диапазон частот: (2,0-18,0) ГГц.
2. Мгновенная ширина полосы частот 500 МГц,
перестраиваемая в частотном диапазоне от 2,0 до 18 ГГц с помощью частотного
синтезатора.
. Чувствительность сигнала по входу приемного
тракта не менее -50 dBm
. Выходная мощность не менее 0 dBm - 10 мВт и не более 10 dBm - 100 мВт.
. Неравномерность усиления +5 дБ в полосе 2 -
18 ГГц при температурах от -60 °С до +70 °С.
. Ослабление сигналов на фильтрах не более 4 дБ
. Энергопитание преобразователя частоты должно
осуществляется от источника вторичного электропитания постоянного тока (модуль
405) напряжением +5 В.
. Потребляемый ток модуля Ц301 по цепи +5В
должен быть не более 3 А.
Основные технические характеристики устройства для каждого канала
приведены в таблице 1.
Таблица 1
|
№ п\п
|
Наименование цепи
|
Наименование параметра
|
Величина
|
|
1
|
Вход ВЧ
|
Мощность сигнала макс, мВт
|
2 мВт
|
|
2
|
|
Входное сопротивление Ом
|
50
|
|
3
|
|
Шаг перестройки, МГц
|
500
|
|
4
|
|
Коэффициент передачи в
линейном режиме
|
50 дБ
|
|
5
|
Выход ПЧ
|
Мощность сигнала макс, мВт
|
2 мВт
|
|
6
|
|
Сопротивление нагрузки, Ом
|
50
|
|
7
|
|
Полоса частот, ГГц
|
1 + 0,25
|
|
8
|
Вход ПЧ
|
Мощность сигнала макс, мВт
|
2 мВт
|
|
9
|
|
Входное сопротивление Ом
|
50
|
|
10
|
|
Полоса частот, ГГц
|
1 + 0,25
|
|
11
|
Выход ВЧ
|
Мощность сигнала макс, мВт
|
10
|
|
12
|
|
Сопротивление нагрузки, Ом
|
50
|
|
13
|
Вход Гетеродина
|
Частота гетеродина, МГц
|
8,25…12
|
|
14
|
|
Мощность гетеродина, мВт
|
10
|
|
15
|
|
Уровень паразитных сигналов
на выходах не более дБ
|
- 40
|
Конструкторские требования
1. Габаритные размеры преобразователя частоты - не
более 152×160,3×58,9 мм.
2. Охлаждение модуля Ц301 воздушное,
принудительное.
. Масса модуля - 2 кг.
4.2
Структурная схема преобразователя частоты
Все супергетеродинные приемники состоят из основных частей: линейного
тракта, демодулятора и устройств регулировки (управления). Линейный тракт
одинаков для приемников различных типов. Он состоит из входной цепи, усилителя
радиочастоты (УРЧ), смесителя (С) и гетеродина (Г) преобразователя частоты, а
также усилителя промежуточной частоты (УПЧ). Типовая схема супергетеродинного
приемника с одинарным преобразованием частоты приведена на рисунке 13 [13].
Рис. 13 Структурная схема супергетеродина с одинарным преобразованием
частоты
Если в процессе проектирования выяснится, что требования к
чувствительности по зеркальному каналу выполняются приемником без УРЧ, то
последний можно исключить. Если же приемник, реализованный по схеме рис. 13, не
может обеспечить одновременное выполнение требований к избирательности по
зеркальному и соседнему каналам, то следует использовать супергетеродин с двойным
преобразованием частоты (рис. 14).
Рис. 14 Структурная схема супергетеродина с двойным преобразованием
частоты
На основе данной структуры в данном дипломном проекте был разработан
преобразователь частоты.
Рис. 15 Структурная схема преобразователя частоты
Модули входящие в состав преобразователя частоты и принцип их работы:
1. УА (усилитель аттенюатор)
2. КУМ2Ф-1 ( усилитель мощности с двумя фильтрами конвертера)
. К3Ф3 ( 3 фильтра и 3 ключа)
. К1Ц (конвертер 1 цифровой)
. К2Ц (конвертер 2 цифровой)
. ГЧ1 (генератор частоты 1)
. ГЧ2 (генератор частоты 2)
. ППУК-Ц (плата питания и управления конвертером)
. УЛ-Ц (усилитель логарифмический цифровой)
. Смесители М50 С (покупные изделия иностранного производства)
Модуль УА предназначен для усиления входного СВЧ сигнала в диапазоне 2 -
18 ГГц. Управляемый аттенюатор, стоящий в модуле УА, служит для выравнивания
амплитудно - частотной характеристики (АЧХ) приемного тракта преобразователя
частоты во всем диапазоне частот входных сигналов. Данный модуль имеет 3
каскада усиления с суммарным коэффициентом передачи 30дБ, но т.к.
неравномерность усиления может быть большой из - за влияния температурных
воздействий, то последний каскад усиления был сделан регулируемым. Регулировка
осуществляется за счет подачи управляющего сигнала с программируемой логической
интегральной микросхемы (ПЛИС) на пин GAIN микросхемы HMC 463.
Малошумящий усилитель (МШУ) HMC 463 с цифровым управлением ф. Hittite, США
с характеристиками: входная частота 2-20 ГГц, коэффициент шума 2,5 дБ,
коэффициент усиления 14 дБ. МШУ HMC 463 позволяет усилить входной СВЧ сигнал с
возможностью цифровой регулировки коэффициента усиления. HMC 463 выполнен в
виде микросхемы, на входе и выходе которой тракт нагружен на 50 Ом. Ближайший
отечественный функциональный аналог с аналогичными электрическими и
массогабаритными характеристиками неизвестен.
Технические характеристики модуля УА:
- Входная мощность не менее -55 dBm
- Выходная мощность не менее -28 dBm
- Неравномерность усиления
дБ в полосе 2 - 18 ГГц при
температурах от -60
до +70
- Разрядность управляемого аттенюатора 5 бит
- Управляемое ослабление сигнала на аттенюаторе не менее 20 дБ
Модуль КУМ2Ф-1 предназначен для усиления и фильтрации опорного сигнала,
приходящего с синтезатора частот (модуль Ц303), а также для умножения частоты
на два.
Технические характеристики модуля КУМ2Ф-1:
- Входная мощность не более 0 dBm
- Выходная мощность не менее 0 dBm
- Неравномерность усиления
дБ в полосе 16,5 - 24 ГГц
- Крутизна ската полосно - пропускающих фильтров (ППФ) не менее
1 ГГц
- Коэффициент затухания вне полосы не менее 35 дБ
Модуль К3Ф3 предназначен для фильтрации и усиления выходного СВЧ сигнала
в диапазоне 2 - 18 ГГц. Модуль осуществляет фильтрацию сигнала за счет трех
полосовых фильтров: 0-10 ГГц, 10-14 ГГц и 14-18 ГГц. ПЛИС, стоящий на плате
ППУК-Ц, управляет переключателями, при этом для каждого переключателя требуется
один бит.
Технические характеристики модуля К3Ф3:
- Входная мощность не более -12 dBm
- Выходная мощность не менее 0 dBm и не более +10 dBm
- Неравномерность усиления
дБ в полосе 2 - 18 ГГц
- Крутизна ската полосно - пропускающих фильтров (ППФ) не менее
1 ГГц
- Коэффициент затухания вне полосы не менее 35 дБ
Модуль К1Ц (понижающий конвертер) предназначен для фильтрации и усиления
сигнала, а также для переноса на вторую промежуточную частоту для последующей
обработки сигнала модулем ЦРЧП.
Технические характеристики модуля К1Ц:
- Входная мощность не менее -41 dBm
- Выходная мощность не менее -33 dBm
- Мощность на входе гетеродина «7,25 ГГц» 10 dBm
- Мощность на входе гетеродина «15,25 ГГц» -8 dBm
- Неравномерность усиления
дБ
- ППФ с полосами частот «6,25 + 0,25 ГГц», «14,25 + 0,25 ГГц» и
«1 + 0,25 ГГц» с крутизной ската не менее 1 ГГц
- Коэффициент затухания вне полосы не менее 35 дБ
- Ослабление сигнала на фильтрах не более 4 дБ
Модуль К2Ц (повышающий конвертер) предназначен для фильтрации и усиления
сигнала, а также для переноса на первую промежуточную частоту для последующего
излучения помехового сигнала.
Технические характеристики модуля К1Ц:
- Входная мощность не менее -5 dBm
- Выходная мощность не менее 5 dBm
- Мощность на входе гетеродина «7,25 ГГц» 10 dBm
- Мощность на входе гетеродина «15,25 ГГц» -8 dBm
- Неравномерность усиления
дБ
- ППФ с полосами частот «6,25 + 0,25 ГГц», «14,25 + 0,25 ГГц» и
«1 + 0,25 ГГц» с крутизной ската не менее 1 ГГц
- Коэффициент затухания вне полосы не менее 35 дБ
- Ослабление сигнала на фильтрах не более 4 дБ
Модуль ГЧ1 предназначен для генерации опорного СВЧ сигнала на
фиксированной частоте 7,25 ГГц для переноса сигнала с первой промежуточной
частоты на вторую и обратно.
Технические характеристики модуля ГЧ1:
- Выходная мощность не менее 10 dBm
Модуль ГЧ2 предназначен для генерации опорного СВЧ сигнала на
фиксированной частоте 15,25 ГГц для переноса сигнала с первой промежуточной
частоты на вторую и обратно.
Технические характеристики модуля ГЧ2:
- Выходная мощность не менее -8 dBm
Модуль УЛ-Ц предназначен для усиления сигнала в базовой полосе частот 1 +
0,25 ГГц. Логарифмический усилитель необходим для «раскачивания» слабых
сигналов, т.к. он усиливает сигнал пропорционально логарифму входного
напряжения.
Технические характеристики модуля УЛ-Ц:
- Коэффициент передачи 25 дБ
- Неравномерность усиления
дБ
- Входная мощность не менее -35 dBm
- Выходная мощность не менее -10 dBm
Плата ППУК-Ц (цифровая плата питания и управления конвертером)
предназначена для подачи питающих напряжений на узлы, входящие в состав модуля
Ц301 и для управления ими.
Технические характеристики ППУК-Ц:
- электропитание платы осуществляется от импульсных источников питания с
постоянным напряжением +5В±0,25В;
- потребляемая мощность не более 15 Вт;
- потребляемый ток не более 3 А;
При использовании обычного преобразователя (балансного смесителя)
необходимо на его входе иметь устройство для подавления помехи по зеркальному
каналу [11],[13]. Появление помехи по зеркальному каналу обусловлено тем, что ƒпр.=ƒс.-ƒг.=ƒг-ƒс., т.е. сигнал промежуточной частоты,
равный разности частот гетеродина и преобразуемого сигнала, выделяется на
выходе смесителя независимо от того, будет ли частота выше или ниже частоты
гетеродина. Вследствие этого по зеркальному каналу в устройство могут проникать
паразитные сигналы. Вследствие чего падает отношение сигнал/шум для основного
канала. Устройство подавления зеркального канала должно обеспечивать заданное
ослабление сигналов на частоте зеркального канала. Для этого необходимо на
входе смесителя установить переключаемый фильтр - преселектор с полосой
пропускания, соответствующей полосе пропускания условного канала. Чтобы
обеспечить избирательность по зеркальному каналу была выбрана схема
супергетеродинного приемника с двойным преобразованием частоты с возможностью
перестройки частоты первого гетеродина. В качестве первого гетеродина выступает
устройства синтеза сетки частот (модуль Ц303) в диапазоне 8,25-12 ГГц. Перенос
на вторую промежуточную частоту (ПЧ2) осуществляется за счет двух опорных
гетеродинов с фиксированными частотами: ГЧ1 - 7,25 ГГц и ГЧ2 - 15,25 ГГц.
Двойное преобразование частоты было выбрано исходя из соображений
быстродействия для самолетной САП. В противном случае если сделать
перестраиваемый гетеродин во всем диапазоне частот 2-18 ГГЦ, то требуется
больше времени на поиск и формирование нужной частоты и ухудшается
избирательность приемника. В связи с этим частотный диапазон формирователя
сетки частот (модуль Ц303) был выбран 8,25 - 12 ГГц.
При проектировании супергетеродинных приемо - передающих устройств
различного назначения предусматривают автоматические регулировки частоты [14]. Указанные
регулировки необходимы для обеспечения настройки приемника на частоты разных
источников сигналов и подстройки его, чтобы создать наилучшие условия приема
сигналов при всех возможных изменениях, как частот сигналов, так и частот
настроек приемника. Изменения частот могут быть вызваны колебаниями
температуры, влажности и давления окружающей среды, изменениями условий
распространения радиоволн, напряжений источников питания, эффектом Доплера и
рядом других факторов. Несущая частота сигнала также может также изменяться в
соответствии с заданной программой (например, при быстрой перестройке от
импульса к импульсу частоты передатчика импульсной РЛС). Если в приемном
устройстве не применять регулировок частоты, то необходимо расширять его полосу
пропускания так, чтобы принимаемые не выходили из полосы приема при всех
условиях эксплуатации. Это приводит к ухудшению чувствительности и
избирательности приемника. Однако, так как изменения частот достаточно
регулярны, то наибольшую эффективность приема можно обеспечить, применяя
автоматическую подстройку частоты (АПЧ) гетеродина. В разрабатываемом
преобразователе частоты применена система фазовой автоподстройки частоты (ФАПЧ
- PLL (phase locked loop)), стабилизирующая частоту второго гетеродина под
эталонную.
В качестве источник колебаний эталонной частоты используется генератор
управляемый напряжением (ГУН - VCO (voltage controlled oscillator)) ADF4350. ADF4350
- широкополосный синтезатор с интегрированным ГУН и низким коэффициентом
фазовых шумов (-100 дБ на уровне второй гармоники по отношению к несущей).
Диапазон выходных частот 137,5 МГц - 4400 МГц. Счетчики ADF4350 позволяют подстроить частоту
путем деления и умножения опорной частоты на m и n раз.
Также данная микросхема может по команде управления с ППУК-Ц прекратить
генерацию частоты, в том случае, когда САП переходит в режим «радиомолчания».
Время захвата частоты не более 0,4 мс. Логический порог уровня напряжения равен
1,8 В. Отечественные аналоги отсутствуют.
После составления схемы линейного тракта приемника следует перейти к
выбору остальных элементов схемы, специфических для приемников различных типов.
При проектировании целесообразно использовать метод математического
синтеза. При этом математически обосновывают оптимальный алгоритм (принцип
действия) и структуру приемника, обеспечивающие наилучшие значения основных
показателей приемника при сформулированных математических условиях его работы.
Поскольку главной проблемой радиоприема является обеспечение
помехоустойчивости, то задача сводится к отысканию наилучших способов приема
радиосигналов при наличии помех.
Первый гетеродин (синтезатор - модуль Ц303) должен генерировать одну
частоту из сетки 16 опорных частот, формируемых им. Но поскольку как было
сказано ранее, в рассматриваемой в данном дипломном проекте самолетной САП
отсутствует устройство мгновенного (грубого) измерения частоты, то измерение
частоты должно проходить путем самостоятельной согласованной перестройки
приемо-передающего канала в рабочем диапазоне частот по алгоритму,
обеспечивающему минимальное время последовательного обзора всего рабочего
диапазона частот, следовательно синтезатор работает итерационным методом,
подавая изначально произвольную опорную частоту. Поскольку ФАПЧ имеет
достаточно высокое быстродействие (порядка 0,4 мс), то настройка на нужную
частоту происходит практически мгновенно. Управление синтезатором частоты
осуществляет модуль ЦРЧП (модуль 302). Модуль 302 подает на низкочастотный вход
синтезатора кодовую последовательность, 4 бита из которых отвечают за выбор одной
из 16 возможных генерируемых опорных частот (24=16). Как видно из
структурной схемы представленной на рисунке 8 в модуле КУМ2Ф-1 происходит
умножение частоты на 2, фильтрация нужной частоты в полосовом фильтре и
усиление опорного СВЧ сигнала. При этом усилители модуля КУМ2Ф-1 должны
компенсировать потери на умножителе, фильтрах и ключах вносящие в общей
сложности ослабление сигнала порядка 20 дБ. Умножением частоты на два мы
добиваемся того, что частота первого гетеродина будет выше, чем частота принимаемого
СВЧ сигнала. Этот сделано для фильтрации помехи по зеркальному каналу. Для
устранения помех по соседнему каналу применены полосовые фильтры «16,5 - 20,25
ГГц» и «20,25 - 24 ГГц». Данные фильтры были спроектированы в соответствии с
двумя каналами передачи опорного СВЧ сигнала от синтезатора частоты «8,25-10
ГГц» и «10-12 ГГц». Путем подстройки синтезатора на выходе первого смесителя
(М50 С) мы получаем первую промежуточную частоту (ПЧ1), равную «6,25 + 0,25
ГГц» или «14,25 + 0,25 ГГц» спектр сигнала при этом «переворачивается» первый
раз (см. рис.16).
Смеситель M50C (ф. M/A-COM), США с характеристиками: диапазон входных
частот (частота гетеродина) - 2-26 ГГц, fпч=1-15 ГГц, потери преобразования -8
дБ, развязка -26 дБ, используется в модуле преобразования частоты, рабочий
диапазон температур от -54°С до +100°С. Данный сверхширокополосный по входной и
промежуточной частотам смеситель позволяет добиться заданных характеристик
аппаратуры. Аналогов среди отечественной элементной базы нет.
На входе понижающего конвертера (К1Ц) стоят ППФ, настроенные на частоты
6-6,5 ГГц и 14-14,5 ГГц, которые отфильтровывают нужный сигнал на фоне шумов.
Затем сигнал усиливается и поступает на смеситель. Одновременно с этим с одного
из опорных гетеродинов поступает СВЧ сигнал на частоте 7,25 ГГц или 15,25 ГГц
на второй вход смесителя. Так как смеситель является нелинейным устройством, то
на его выходе всегда получаются комбинационные частоты и паразитные
составляющие, в том числе и помехи по зеркальному каналу, поэтому для выделения
требуемой нами базовой полосы частот для последующей работы ЦРЧП необходимо
поставить ППФ в диапазоне 750 МГц - 1250 МГц.
Вторая промежуточная частота находится из соотношения
при этом спектр сигнала «переворачивается» второй раз (см. рис. 17), тем
самым получается, что помеха по зеркальному каналу остается вне полосы второй
промежуточной частоты.
Результаты расчета частот ПЧ1 и ПЧ2 представлены в таблице 2.
Рис. 16 Переворот спектра при первом преобразовании частоты
Рис. 17 Переворот спектра при втором преобразовании частоты
Таблица 2
|
№ п/п
|
Диапазон частот входных
выходных, ГГц
|
Частота колебаний синтезатора,
ГГц
|
Частота колебаний
гетеродина 1, ГГц
|
Частота колебаний
гетеродина 2, ГГц
|
Промежуточная частота 1,
ГГц
|
Промежуточная частота 2,
ГГц
|
|
1
|
2,0-2,5
|
8,25
|
нет сигнала
|
15,25
|
14,0-14,5
|
0,75-1,25
|
|
2
|
2,5-3,0
|
8,5
|
нет сигнала
|
15,25
|
14,0-14,5
|
0,75-1,25
|
|
3
|
3,0-3,5
|
8,75
|
нет сигнала
|
15,25
|
14,0-14,5
|
0,75-1,25
|
|
4
|
3,5-4,0
|
9
|
нет сигнала
|
15,25
|
14,0-14,5
|
0,75-1,25
|
|
5
|
4,0-4,5
|
9,25
|
нет сигнала
|
15,25
|
14,0-14,5
|
0,75-1,25
|
|
6
|
4,5-5,0
|
9,5
|
нет сигнала
|
15,25
|
14,0-14,5
|
0,75-1,25
|
|
7
|
5,0-5,5
|
9,75
|
нет сигнала
|
15,25
|
14,0-14,5
|
0,75-1,25
|
|
8
|
5,5-6,0
|
10
|
нет сигнала
|
15,25
|
14,0-14,5
|
0,75-1,25
|
|
9
|
6,0-6,5
|
10,25
|
нет сигнала
|
15,25
|
14,0-14,5
|
0,75-1,25
|
|
10
|
6,5-7,0
|
10,5
|
нет сигнала
|
15,25
|
14,0-14,5
|
0,75-1,25
|
|
11
|
7,0-7,5
|
10,75
|
нет сигнала
|
15,25
|
14,0-14,5
|
0,75-1,25
|
|
12
|
7,5-8,0
|
11
|
нет сигнала
|
15,25
|
14,0-14,5
|
0,75-1,25
|
|
13
|
8,0-8,5
|
11,25
|
нет сигнала
|
15,25
|
14,0-14,5
|
0,75-1,25
|
|
14
|
8,5-9,0
|
11,5
|
нет сигнала
|
15,25
|
14,0-14,5
|
0,75-1,25
|
|
15
|
9,0-9,5
|
11,75
|
нет сигнала
|
15,25
|
14,0-14,5
|
0,75-1,25
|
|
16
|
9,5-10,0
|
12
|
нет сигнала
|
15,25
|
14,0-14,5
|
0,75-1,25
|
|
17
|
10,0-10,5
|
8,25
|
7,25
|
нет сигнала
|
6,0-6,5
|
0,75-1,25
|
|
18
|
10,5-11,0
|
8,5
|
7,25
|
нет сигнала
|
6,0-6,5
|
0,75-1,25
|
|
19
|
11,0-11,5
|
8,75
|
7,25
|
нет сигнала
|
6,0-6,5
|
0,75-1,25
|
|
20
|
11,5-12,0
|
9
|
7,25
|
нет сигнала
|
6,0-6,5
|
0,75-1,25
|
|
21
|
12,0-12,5
|
9,25
|
7,25
|
нет сигнала
|
6,0-6,5
|
0,75-1,25
|
|
22
|
12,5-13,0
|
9,5
|
7,25
|
нет сигнала
|
6,0-6,5
|
0,75-1,25
|
|
23
|
13,0-13,5
|
9,75
|
7,25
|
нет сигнала
|
6,0-6,5
|
0,75-1,25
|
|
24
|
13,5-14,0
|
10
|
7,25
|
нет сигнала
|
6,0-6,5
|
0,75-1,25
|
|
25
|
14,0-14,5
|
10,25
|
7,25
|
нет сигнала
|
6,0-6,5
|
0,75-1,25
|
|
26
|
14,5-15,0
|
10,5
|
7,25
|
нет сигнала
|
6,0-6,5
|
0,75-1,25
|
|
27
|
15,0-15,5
|
10,75
|
7,25
|
нет сигнала
|
6,0-6,5
|
0,75-1,25
|
|
28
|
15,5-16,0
|
11
|
7,25
|
нет сигнала
|
6,0-6,5
|
0,75-1,25
|
|
29
|
16,0-16,5
|
11,25
|
7,25
|
нет сигнала
|
6,0-6,5
|
0,75-1,25
|
|
30
|
16,5-17,0
|
11,5
|
7,25
|
нет сигнала
|
6,0-6,5
|
0,75-1,25
|
|
31
|
17,0-17,5
|
11,75
|
7,25
|
нет сигнала
|
6,0-6,5
|
0,75-1,25
|
|
32
|
17,5-18,0
|
12
|
7,25
|
нет сигнала
|
6,0-6,5
|
0,75-1,25
|
Отметим что чем выше частота, тем больше диссипативные потери в тракте и
СВЧ сигнал, проходящий через разные пути тракта, имеет разные ослабления,
следовательно, существует необходимость выравнивания АЧХ на выходе приемного
тракта. Эта проблема решается за счет логарифмического усилителя, стоящего на
выходе приемного тракта в преобразователе частоты, особенностью которого
является то, что выходное напряжение пропорционально логарифму входного
напряжения. Логарифмический усилитель построен на основе операционного
усилителя и усилителя, управляемого напряжением. Операционный усилитель включен
в цепь обратной связи для подстройки управляемого усилителя. Для более точной
настройки в модуле УЛ-Ц стоит подстроечный резистор. Выходная мощность должна
быть не менее -10 dBm, что
составляет порядка 0,1 мВт.
Полученный сигнал поступает на плату ППУК-Ц. Эта плата имеет разъем,
который позволяет соединить модуль Ц301 и объединительную плату формирователя
помех. Через объединительную плату (кросс - плата) сигнал на промежуточной
частоте поступает в модуль ЦРЧП (модуль 302), где происходит обработка сигнала,
запись параметров (частота, длительность и период повторения импульсов,
мощность и т.д.). По окончанию обработки модуль 302, управляемый центральным
процессором в самолетной САП, передает сигнал наделенный помеховой составляющей
обратно на плату ППУК-Ц через кросс - плату. ЦП процессор станции помех
подстраивает работу модуля цифровой радиочастотной памяти, который в свою
очередь формирует код управления для ПЛИС EP1C3T100I7 (Altera),
стоящего на плате ППУК-Ц.
ПЛИС дешифрирует этот код и выдает управляющие сигналы на узлы входящие в
состав модуля Ц301, а именно модули УА, КУМ2Ф-1, К3Ф3, К1Ц, К2Ц, ГЧ1 и ГЧ2.
Таким образом, путем подачи кодовой информации с определенными логическими
уровнями мы видим постоянную подстройку узлов входящих в модуль Ц301. Также на
плате ППУК-Ц стоит множество стабилизаторов напряжения для выравнивания уровня
входных напряжений, которые поступают с модуля вторичных источников питания
(ВИП). Для питания модулей, входящих в состав преобразователя частоты, помимо
5В необходимы напряжения номиналами 3В, -5В, 9В, и -12В. Все указанные
напряжения мы получаем путем DC-DC (direct current - постоянный ток) преобразователей TSM0505S из
напряжения +5В.
Модульный DC-DC преобразователь 1 Вт TSM0505S ф. Traco power, Швейцария с
характеристиками: входное напряжение 5В, выходное напряжение 5 В с
гальванической развязкой, максимальный выходной ток 200 мА, рабочая частота
преобразования 300кГц. Имеют встроенные ЭМИ-фильтры, минимальные габариты и
массу. Предназначены для поверхностного монтажа на печатные платы, имеют
небольшой вертикальный размер, не требуют дополнительных внешних элементов,
радиаторов и системы охлаждения. Отечественные аналоги типа МДМ фирмы
«Александер Электрик» имеют в 2,5 раза больший объем и массу, более низкий КПД
(до 80%), более высокий уровень пульсаций выходного напряжения (до 1%) и в 2,5
раза более высокую стоимость. Больший размер по высоте увеличит толщину
модулей, что приведет к невозможности размещения нужного количества модулей в
блоке заданного размера. При значительном числе преобразователей, используемых
в аппаратуре, это приводит к невыполнению требований ТЗ к массогабаритным
характеристикам.
Поясним подробнее работу модулей ГЧ1 и ГЧ2:
В каждом модуле генератора частоты установлена одна и та же плата
генерации частоты (ПГЧ), аналогичная плате ПГЧ в модуле Ц303. ПГЧ в модуле ГЧ1
формирует СВЧ сигнал с частотой 3,625 ГГц, а ПГЧ в модуле ГЧ2 формирует сигнал
с частотой 3,8125 ГГц.
Для управления ПГЧ используется ППУК-Ц. На плату ППУК-Ц поступает код с
ЦРЧП, в котором содержится информация о номере частотного поддиапазона. Данный
код дешифрируется в программируемой логической интегральной микросхеме EP1C3T100I7 (Altera) на плате ППУК-Ц и в результате на выходе ПЛИС
получается 5-битный код, который через НЧ разъем отечественного производства
КС7Р поступает на модули ГЧ1 и ГЧ2.
Так как программа, для выбора частоты генерации заложенная в ПЛИСах
синтезатора и конвертера одинаковая, то первый бит кода отвечает за выбор
модуля. Поскольку необходимо сформировать только одну из двух частот, то
условно второй бит выбора частоты называется битом выбора нижнего и верхнего
уровня (HI/LO). Оставшиеся три бита кода отвечают за выбор одной из двух
плат ПГЧ, при этом два бита всегда имеют один логический уровень.
Каждая плата ПГЧ формирует свою выходную частоту при помощи цифрового
метода с точностью до 0,0001 ГГц. Столь точное значение частоты необходимо для
когерентности входного и выходного сигналов. Значение этой частоты определяется
с помощью цифровой микросхемы ADF4350
(Analog Devices), которая представляет собой систему фазовой
автоподстройки частоты (ФАПЧ). Помимо системы ФАПЧ плата ПГЧ имеет
микроконтроллер, который управляет этой системой. Таким образом, пятибитный
код, поступающий с ПЛИС, подается на микроконтроллер PIC18F14K50-E/SS (Microchip).
Микроконтроллер со встроенным тактовым генератором и супервизором
напряжения питания PIC18F14K50-E/SS ф. MicroChip, США с характеристиками
напряжение питания от +2,7 до 5 В, быстродействие более 1 MIPS, объем ПЗУ
команд 1 Кбайт, ОЗУ данных-72 байт, корпус SOIC-14.
Ближайший функциональный аналог 1886ВЕ2У, разработанный ЗАО «ПКК Миландр»
г. Зеленоград, АЕЯР.431200.459ТУ, имеет 64 - выводной корпус (тип корпуса
Н18.64-1В), занимающий площадь на печатной плате в 4 раза больше, чем PIC18F14K50-E/SS в корпусе SOIC-14. Основные причины, затрудняющие
использование контроллера 1886ВЕ2У - это значение напряжения питания 4,5 … 5,5
В, что не позволяет непосредственно без преобразователя уровней подключать его
к управляемым 3,3-вольтовым схемам, и отсутствие встроенного тактового
генератора, что требует дополнительных внешних элементов. Кроме того, ЗАО «ПКК
Миландр» не подтвердило возможность поставки этих микросхем в заданные сроки.
Микроконтроллер преобразует данный код в трехбитный, который в свою
очередь подается на микросхему ФАПЧ. Этот код, записывается в регистры, которые
управляет счетчиками n и m. Как было сказано ранее, система
ФАПЧ строится на основе встроенного эталонного опорного генератора управляемого
напряжением. Сигнал с ГУН поступает на счетчик n, где происходит преобразование частоты и затем приходит на
фазовый детектор (ФД), а на другой вход ФД подается сигнал с отечественного
кварцевого генератора ГК108-П-15ГР-3-10М (ОАО «Лит-Фонон») с частотой 10МГц,
который также проходит через счетчик m. Задачей ФД является выполнение условия
Путем подбора n и m модуль ЦРЧП подстраивает счетчики,
так чтобы на выходе ФД разность фаз сигналов была равна нулю. При этом ГУН
имеет собственную подстройку от ФД по цепи обратной связи. Если это условие
выполняется, то управляющее напряжение на выходе ФД подается на ГУН, который
формирует указанную частоту для дальнейшей работы. Если во время работы
происходит срыв частоты, то по цепи обратной связи на микроконтроллер
отправляется команда для перезагрузки ФАПЧ.
На выходе ПГЧ в каждом модуле стоят умножители частоты на 2 и на 4 для
модулей ГЧ1 и ГЧ2 соответственно, а затем делители мощности. Волновое
сопротивление микрополосковой линии (МПЛ) составляет 50 Ом. Поскольку чем выше
требуется частота, тем больше потери на умножителе, то в связи с этим в
понижающем и повышающем конвертере (К1Ц и К2Ц) стоят дополнительные усилители
для выравнивания АЧХ.
Таким образом, достоинством предложенной структурной схемы является то,
что с ее помощью осуществляется преобразование входного сигнала в промежуточную
частоту и обратно, из промежуточной в выходную. При этом решается задача
подавления зеркального канала. На основании функциональной схемы была
разработана схема электрическая принципиальная, представленная на рисунке 18.
Рис. 18 Схема электрическая принципиальная преобразователя частоты
Разработанное устройство полностью отвечает все электрическим
требованиям, предъявляемым к нему.
Все электрорадиоизделия, используемые в преобразователе частоты, выбраны
в соответствии с принятым на предприятии ФГУП «ЦНИРТИ им. ак. А.И. Берга»
документом - «Номенклатура ЭРИ» от 2005 года.
5. Расчет
полосно - пропускающего фильтра (ППФ) на встречных стержнях
ППФ СВЧ представляет собой цепочку каскадов включенных резонаторов
(контуров, звеньев). Связь между соседними резонаторами четвертьволновая (связь
посредством четвертьволнового отрезка регулярной линии).
Фильтры встречногребневые (на встречных стержнях с короткозамкнутыми
входным и выходным стержнями) в отличие от всех других печатных фильтров
отличаются самыми малыми габаритами, т.к. в них полезно используется вся
площадь платы.
Другим немаловажным преимуществом этого типа является то, что паразитные
полосы пропускания расположены далеко от основной полосы, а именно в области
частот
и т.д. [12], [19],[20].
В технике СВЧ наибольшее распространение получили фильтры трех типов:
· ППФ из одинаковых звеньев (контуров, резонаторов);
· ППФ с максимально плоской характеристикой
· ППФ с чебышевской характеристикой
Так как среди всех типов фильтров при одинаковом, максимально допустимом
затухании в полосе пропускания
, одинаковом числе резонаторов n, и прочих равных условиях у чебышевских фильтров крутизна
ската скатов частотной характеристики максимальная, то целесообразно применять
именно этот тип фильтров.
Также частотная характеристика затухания у чебышевских фильтров
равномерна в полосе пропускание, т.е. выбросы затухания во всей длине
пропускания одинаковы и не превышают заданной величины.
цифровой
сигнал станция помеха
5.1 Расчет электрических и геометрических характеристик фильтра
Исходные данные
- Входное и выходное волновые сопротивления
Ом;
- граничные частоты, полосы пропускания:
,
- граничные частоты полос заграждения фильтра
,
- минимально - допустимое вносимое затухание в полосах
заграждения не менее
;
- Средняя частота полосы частот
- Максимально - допустимое вносимое затухание в полосе пропускания
;
- В качестве
материала подложки (в соответствии с принятым на предприятии стандартом)
выбираем поликор со следующими характеристиками: диэлектрическая проницаемость
среды
, толщина подложки h=1мм и толщина
металлизации микрополосковой линии t=0,13мм;
Частотная характеристика ППФ с чебышевской характеристикой описывается
полиномом Чебышева I рода и приведена
на (рис. 5.1).
Рис. 5.1 Частотная характеристика фильтра Чебышева Iго рода
Рассчитываемый фильтр на встречных стержнях с короткозамкнутыми линиями
на концах имеет структуру, показанную на (рис. 5.2). Как видно из рисунка,
фильтр состоит из 7 полосковых резонаторов, расположенных между параллельными
заземленными пластинами и работающих на волне типа ТЕМ. Поскольку фильтр на
встречных стержнях получается из фильтра на параллельно связанных контурах
путем сгиба полуволнового резонатора пополам, следовательно, длина каждого
резонатора равна
на средней частоте в полосе пропускания.
Рис. 5.2 ППФ в полосе 6 - 6,5 ГГц
Связь осуществляется посредством краевых полей между соседними
элементами. Изменение толщины подложки вызывает соответствующее изменение
эффективной диэлектрической проницаемости среды МПЛ
и следовательно длины волны
в линии, скорость распространения и
волновое сопротивление. Длина волны в передающей линии определяется
соотношением
.
Коэффициент прямоугольности
. Интерполируя между кривыми (рис. 11), находим для
. Откуда при h=1 мм
значение эквивалентной ширины полоски
=0,96 мм.
Рис. 5.3 Зависимость волнового сопротивления
от относительной ширины проводника
По
известны величинам
и h определяем геометрическую ширину полоски W
[мм] СВЧ тракта по формуле
где
- эквивалентная ширина полоски [мм],
- расширение полоски [мм].
По
графику (рис. 5.4) , при известном соотношении
определим
относительное расширение полоски
Рис.
5.4. График зависимости относительного расширения полоски
от её относительной ширины
отсюда
получаем величину
мм
Окончательно
определим геометрическую ширину полоски
мм
3. По графику рис. 13, интерполируя между представленными на нем
кривыми, для
и
6 находим относительную скорость распространения волны в МПЛ
Рис. 5.5 Зависимость относительной скорости
от относительной ширины проводника
4. Определим эффективную диэлектрическую проницаемость без учета
дисперсии из соотношения
5. Вычислим вспомогательные величины
Значение
6. Находим длину волны в МПЛ
Отсюда следует что длина резонатора
. Определим погонное затухание в МПЛ с учетом потерь только в
проводниках
8. По графику (рис. 5.6) находим значение нормированной добротности
Рис. 5.6 Зависимость нормированного значения добротности от относительной
ширины проводника
9. Определим число резонаторов из формулы, выражающей зависимость
затухания от частоты и числа резонаторов,
Где
Получаем,
Вычисленное n округляется до
ближайшего большего целого числа, то есть число резонаторов получается равным n=7.
. По числу резонаторов определяется n+2 вспомогательных коэффициента g0, g1, g2 …. gn-1 по формулам
Где
,
,6,7 таким образом
,
,
,
,
,
,
Оставшиеся коэффициенты определяются по формуле

,
,
,
,
,
,
,
В результате получаем
,
,
,
,
,
Проведем проверку полученных коэффициентов по соотношению
Где
при нечетном n
Таким образом,
Определим промежуточные вспомогательные величины по формулам
. По найденным коэффициентам связи найдем из справочных данных
методических указаний (изд. ФГУП «ЦНИРТИ им. ак. А.И. Берга», 1970 г.) величины
зазоров S между резонаторами
,
,
. По номограмме из вышеуказанных методических указаний определяем
величины относительных взаимных емкостей
. По найденным значения взаимных емкостей вычислим волновые
сопротивления резонаторов
5.2
Моделирование фильтра
В данном
дипломном проекте было проведено моделирование фильтра в программе Filter Solutions (рис. 5.7). Стоит отметить, что
данная программа не учитывает диссипативные потери и проводит расчет в виде
идеальной модели. В окне Filter Type выберем тип
фильтра Chebyshev 1. Класс фильтра в окне Filter Class поставим метку на Band Pass - полосовой фильтр. Зададим порядок фильтра в окне Order. А так же зададим среднюю,
максимальную и минимальную полосы и масштаб частот.
Рис. 5.7 Расчетная программа Filter Solutions
Модель рассчитываемого полосно - пропускающего фильтра, представленная на
(рис. 5.8), представляет собой линию в сечение которой включены
четвертьволновые короткозамкнутые шлейфы. Вход и выход линии нагружены на 50
Ом.
Рис. 5.8 Модель разрабатываемого фильтра
Все рассчитываемые резонаторы имеют одинаковые геометрические, но не
электрические характеристики. В связи с этим поясним распределение токов и
напряжений на резонаторе, показанных на (рис. 5.9). Как видно из эпюр со
стороны короткого замыкания волновое сопротивление равно нулю, а со стороны
линии бесконечности. Т.к. между резонаторами имеется реактивная связь
(индуктивно - емкостная), то путем перемещения одного вдоль другого (т.е.
параллельно) при заданном зазоре мы меняем коэффициент связи между ними. Чем
меньше зазор, тем больше связь и шире полоса пропускания.
Минимально допустимый зазор определяется технологичностью выполнения
данного фильтра на заводе изготовителя.
Рис. 5.9 Эпюры тока и напряжения четвертьволнового резонатора
Как видно из расчетов электрических и геометрических параметров фильтра,
волновое сопротивление фильтра ниже, чем волновое сопротивление подводимой
линии, т.к. ширина резонатора больше чем ширина МПЛ питающей линии. Это
обусловлено реализуемостью данного фильтра при изготовлении, во избежание
больших отклонений размеров от расчетных.
Коэффициент включения трансформатора в линию определяет величину КСВ
(коэффициент стоячей волны). Путем перемещения трансформаторов вдоль первого и
последнего резонаторов мы согласуем тракт прохождения СВЧ сигнала. Типовые
реактивные связи показаны на (рис. 5.10).
Рис. 5.10 Сечение МПЛ
Результатом расчетов и моделирования является амплитудно - частотная
характеристика, показанная на (рис. 5.11). Как видно из графика АЧХ,
минимальное затухание в полосах заграждения составляет 65 дБ, что полностью
соответствует требованиям, предъявляемым к рассчитываемому фильтру. Затухание в
полосе пропускания не превышает 1 дБ.
Рис. 5.11 Амплитудно - частотная характеристика фильтра 6 - 6,5 ГГц
цифровой
сигнал станция помеха
6. Макетирование и испытание макета
.1 Макетирование
После изготовления ППФ были проведены измерения зависимости ослабления от
частоты. Измерения проводились на макете представленном на рис. 6.1. В состав
макета входят: управляющий компьютер; генератор сигналов; полосно-пропускающий
фильтр; анализатор спектра.
Рисунок 6.1
Подача сигнала на фильтр производится через высокочастотный (ВЧ) кабель.
Сигнал с выхода фильтра поступает на анализатор спектра также через ВЧ кабель.
На управляющем компьютере есть тестовая программа, которая по GPIB шине управляет генератором сигналов
и анализатором спектра.
В программе устанавливаются диапазон, в котором будет подаваться сигнал,
шаг и амплитуда. После запуска программа автоматически подает сигнал с
генератора сигналов на вход фильтра в заданном диапазоне частот и фиксирует
амплитуду сигнала на выходе фильтра на соответствующих частотах. Обмен данными
между компьютером и измерительными приборами происходит через GPIВ шину. В тестовой программе потери
высокочастотных кабелей учитываются. Результат измерений выдается в виде
таблицы зависимостей амплитуды сигнала от частоты. По данным таблицы строится АЧХ
фильтра.
.2 Испытание
макета
Испытаниям подвергается макет ППФ (6-6.5ГГц) типа «встречно гребневой с
парам: График измерения на соответствующих частотах представлен в табл.6.1 и на
рис. 6.2. Табл.6.1.
|
f [ГГц]
|
5,75
|
5,775
|
5,8
|
5,825
|
5,85
|
5,875
|
5,9
|
5,925
|
5,95
|
5,975
|
6
|
|
A [дБ/мВт]
|
30
|
26,5
|
23
|
19,5
|
16
|
12,5
|
9
|
5,5
|
2
|
1
|
0,2
|
|
f [ГГц]
|
6,025
|
6,05
|
6,075
|
6,1
|
6,125
|
6,15
|
6,175
|
6,2
|
6,225
|
6,25
|
6,275
|
|
A [дБ]
|
0,15
|
0,13
|
0,175
|
0,15
|
0,19
|
0,14
|
0,18
|
0,2
|
0,15
|
0,12
|
0,13
|
|
f [ГГц]
|
6,3
|
6,325
|
6,35
|
6,375
|
6,4
|
6,425
|
6,45
|
6,475
|
6,5
|
6,525
|
6,55
|
|
A [дБ]
|
0,17
|
0,19
|
0,18
|
0,14
|
0,15
|
0,16
|
0,13
|
0,15
|
0,2
|
1
|
3,5
|
|
f [ГГц]
|
6,575
|
6,6
|
6,625
|
6,65
|
6,675
|
6,7
|
6,725
|
6,75
|
|
|
|
|
A [дБ]
|
7
|
10,5
|
13,5
|
17
|
20,5
|
23,5
|
27
|
30
|
|
|
|
Рисунок 6.2
7.
Конструкторско - технологическая часть
.1 Разработка
ТЗ на проектирование модуля УЛ-Ц (усилитель логарифмический)
Наименование и область применения
Наименование изделия - усилитель логарифмический (модуль УЛ-Ц).
Модуль УЛ-Ц, входящий в состав модуля Ц301, предназначен для усиления
сигналов в приемном тракте пропорционально логарифму входного напряжения в
диапазоне частот 2-18 ГГц.
Основание для разработки
Основанием для разработки является задание по подготовке дипломного
проекта.
Цель и задачи разработки
Целью разработки является создание конструкторско-технологической
документации на стадии технического проектирования.
Основными задачами проектирования являются разработка конструкции модуля
УЛ-Ц с учётом минимизации себестоимости и обеспечения безопасных условий
функционирования и изготовления.
Источники разработки
При разработке использовались данные по функциональным аналогам и
посадочные места при установке модуля УЛ-Ц в модуль Ц301.
Технические (тактико-технические) требования
Состав изделия и требования к его конструкции.
- Модуль УЛ-Ц должен быть выполнен в виде отдельной функционально
законченной единицы;
- Модуль должен обеспечивать допуск к печатной плате с обеих
сторон.
- Конструкция модуля должна допускать стыковку с основанием
(пластиной) модуля Ц301.
- Размеры изделия не более 80x40x20 мм.
- Масса модуля УЛ-Ц должна быть не более 150 г.
Показатели назначения
- электропитание модуля осуществляется от источников постоянного тока
напряжением +5В±0,25В;
- потребляемая мощность не более 2 Вт;
- Диапазон частот - (2 - 18) ГГц;
- Чувствительность модуля до -20 dBm;
Требования надёжности.
Время наработки на отказ должно составлять не менее 7000 часов.
Условия эксплуатации.
Модуль УЛ-Ц предназначен для установки в модуль Ц301, который в свою
очередь устанавливается в блок внутрифюзеляжно в носовой части самолета.
К модулю предъявляются следующие условия эксплуатации:
- Температура
эксплуатации: -55…+70°С;
- влажность
воздуха не более 98% при температуре не выше +35°С;
- Атмосферное
давление: 5.5…101,08 кПа;
- Величина
вибрационной перегрузки n= 12
- Верхняя
граница частотного диапазона вибрации при механических воздействиях на модуль f0 =1000 Гц
Дополнительные требования.
Изделие должно быть разработано с применением отечественных
радиоэлементов, предназначенных для монтажа на поверхности. Допускается
применение радиоэлементов для традиционного монтажа и зарубежных аналогов.
Обеспечить защиту конструкции от воздействия внешних факторов.
7.2 Схемотехническая отработка конструкции
Принципиальная схема модуля УЛ-Ц представлена на рисунке 30.
Рис. 30 - Принципиальная схема модуля УЛ-Ц
Данное устройство относится к классу самолетной радиоаппаратуры, что
существенно усложняет требования в его разработке.
Проведенные при разработке документации исследования по выбору элементной
базы и поиску необходимой конструкции были направлены на размещение модуля УЛ-Ц
в ограниченных габаритах согласно требованиям технического задания.
Ограниченные габаритные размеры модуля УЛ-Ц наложили
жесткие требования к прочности, конфигурации, весовым характеристикам,
устанавливаемым в него электрорадиоизделиям и комплектующим.
Конструкторско-технологический анализ элементной базы.
Целью анализа является установления соответствия между показателями
элементной базы изделия и требованиями, предъявляемыми в ТЗ к изделию.
Задачами анализа является:
) Выбор радиоэлементов;
) Анализ работоспособности элементов в условиях применения изделия;
) Расчет ожидаемых массогабаритных показателей изделия на выбранных
элементах;
) Анализ конструктивной и технологической совместимости;
Выбор радиоэлементов
В изделии модуль УЛ-Ц и его составных частях электрорадиоизделия
иностранного производства применены для обеспечения тактико-технических
требований и габаритно - массовых характеристик, заданных в техническом
задании.
Для ускорения и упрощения монтажа предпочтительно было использовать РЭ
поверхностного монтажа, что было по возможности сделано.
В изделии модуль УЛ-Ц применены следующие ЭРИ:
Результаты решения задачи 1) представлены в таблице 4.
Таблица 4 - Эксплуатационные характеристики и типы монтажа РЭ
|
№
|
Тип РЭ
|
Типоразмер
|
Обозначение
|
Тип монтажа
|
Темп-й диап-н,0С
|
|
1
|
Конденсаторы керамические
|
0402
|
С
|
Поверхностный
|
-55 +125 0С
|
|
2
|
|
0603
|
|
|
|
|
3
|
|
0805
|
|
|
|
|
4
|
Фильтр
|
КРПГ
|
Z
|
Объёмный
|
-60…+155 0С
|
|
5
|
Конденсатор танталовый
|
case A
|
С
|
Поверхностный
|
-55 +85 0С
|
|
6
|
Микросхема
|
SOIC
|
DA, DD
|
Поверхностный
|
-55…+85 0С
|
|
7
|
Индуктивность
|
0603
|
L
|
Поверхностный
|
-55…+125 0С
|
|
8
|
Резисторы
|
0603
|
R
|
Поверхностный
|
-55…+155 0С
|
|
9
|
|
var-G
|
|
|
|
|
10
|
Соединитель
|
|
X
|
Объёмный
|
-60…+100 0С
|
В военной промышленности для аппаратуры СВЧ диапазона используется MIL
Standart (военный стандарт), который налагает некоторые требования на используемые
элементы. Так одно из требований - требование по диапазону температур: от - 55…
+ 80 °C. Исходя из данных таблицы, все элементы, входящие в состав устройства,
удовлетворяют этому требованию.
Анализ работоспособности элементов в условиях применения изделия
Как видно из таблицы, диапазон рабочих температур модуля УЛ-Ц согласно ТЗ
(-50 0С… +70 0С) лежит внутри температурного диапазона
эксплуатации любого радиоэлемента. Следовательно, выбранные радиоэлементы
работоспособны в условиях эксплуатации данного модуля .
Расчет ожидаемых массогабаритных показателей изделия на выбранных
элементах
Для решения третьей задачи в таблице 5 приведены массогабаритные
показатели изделия.
Таблица 5 - Массогабаритные параметры радиоэлементов
|
№
|
Тип РЭ
|
Наименование
|
Обозначение
|
Кол-во
|
m, гр (1го РЭ)
|
Sуст, мм2
(1го РЭ)
|
hуст, мм
(1го РЭ)
|
Vуст, мм3
(1го РЭ)
|
|
1
|
Конденсаторы
|
GRM1555C1H101K
|
C
|
6
|
0,0008
|
0,5
|
0,3
|
0,15
|
|
2
|
|
GRM1555C1H561J
|
|
10
|
0,0008
|
0,5
|
0,3
|
0,15
|
|
3
|
|
GRM1885C2A102K
|
|
2
|
0,002
|
1,28
|
0,8
|
1,024
|
|
4
|
|
GRM188R71H104K
|
|
10
|
0,002
|
1,28
|
0,8
|
1,024
|
|
5
|
|
GRM2165C1H472K
|
|
1
|
0,004
|
2,5
|
0,85
|
2,125
|
|
6
|
|
Е1-100 КРПГ
|
|
3
|
1,7
|
12,56
|
13
|
163,28
|
|
7
|
|
B45016A1066M178
|
|
3
|
0,8
|
5,12
|
1,6
|
8,192
|
|
8
|
Микросхемы
|
AD8003ACPZ
|
DA
|
1
|
1,5
|
16
|
1
|
16
|
|
9
|
|
AD8318ACPZ
|
|
2
|
1,5
|
16
|
1
|
16
|
|
10
|
|
ADL5330ACPZ
|
|
1
|
1,5
|
16
|
1
|
16
|
|
11
|
|
ERA3SM
|
|
1
|
3
|
28,26
|
5
|
141,3
|
|
12
|
|
GP2S1+
|
|
2
|
0,2
|
0,9
|
8,1
|
|
13
|
Индуктивность
|
LQW18AN47NJ00D
|
L
|
1
|
0,002
|
1,28
|
0,8
|
1,024
|
|
14
|
Резисторы
|
CR0603-FW-27R0 E
LF
|
R
|
2
|
0,002
|
1,28
|
0,8
|
1,024
|
|
15
|
|
CR0603-FW-33R0 E
LF
|
|
1
|
0,002
|
1,28
|
0,8
|
1,024
|
|
16
|
|
CR0603-FW-43R0 E
LF
|
|
1
|
0,002
|
1,28
|
0,8
|
1,024
|
|
17
|
|
CR0603-FX-49R9 E
LF
|
|
2
|
0,002
|
1,28
|
0,8
|
1,024
|
|
18
|
|
CR0603-FX-4320 E
LF
|
|
4
|
0,002
|
1,28
|
0,8
|
1,024
|
|
19
|
|
CR0603-FX-4302 E
LF
|
|
1
|
0,002
|
1,28
|
0,8
|
1,024
|
|
20
|
|
CR0603-FW-4990 E
LF
|
|
2
|
0,002
|
1,28
|
0,8
|
1,024
|
|
21
|
|
CR0603- JW-103 E
LF
|
|
1
|
0,002
|
1,28
|
0,8
|
1,024
|
|
22
|
|
CR0603-JW-331 E
LF
|
|
2
|
0,002
|
1,28
|
0,8
|
1,024
|
|
23
|
|
3314G-1-102E
|
|
1
|
2
|
20,25
|
2,55
|
51,637
|
|
24
|
Соединители
|
КС7Р
ЭР5.282.633-01
|
X
|
1
|
1,5
|
10
|
15
|
150
|
|
25
|
|
Переход СРГ-50-751 ФВ
|
|
2
|
1,5
|
28,26
|
6
|
370,2
|
По результатам анализа данных таблицы 5 найдём:
) Суммарную массу радиоэлементов, устанавливаемых на плате:
m∑ЭП = 18,97 г;
) Суммарную установочную площадь радиоэлементов, устанавливаемых на
плате:
S∑ЭП = 231,17 мм2;
) Суммарный установочный объём радиоэлементов:
V∑ЭП =1712,17 мм3;
) Суммарную массу радиоэлементов, устанавливаемых на корпусе:
m∑ЭК = 4,5 г;
) Суммарную массу радиоэлементов, устанавливаемых в модуле УЛ-Ц
m∑УЛ-Ц
23,47 г;
Анализируя данные таблицы 5, можно обратить внимание, что из общего
массогабаритного ряда выделяются только соединители: колодка КС7Р и СВЧ переход
СРГ-50-751 ФВ массой, установочной площадью и объемом. Остальных
радиоэлементов, выпадающих из массогабаритного ряда, не наблюдается,
следовательно, радиоэлементы конструктивно совместимы. Также можно заметить,
что применение отечественной элементной базы в ряде случаев не позволяет в
полной мере по весу, габаритам, быстродействию, электрическим параметрам
реализовать требования технического задания на разработку.
7.3 Разработка конструкции модуля УЛ-Ц
Выбор материала для изготовления печатной платы
Для организации внутренней структуры изделия должен быть выбран основной
материал для изготовления печатной платы. При выборе материалов воспользуемся
комплексной оценкой качества по группе параметров для сравниваемых материалов
[1],[2]. Комплексная оценка производится по формуле
где n - число параметров, по которым производится сравнение, φi - весовой коэффициент, αi* - нормированный дифференциальный показатель.
В качестве материала для изготовления коммутационного основания можно
взять СВЧ ламинат Rogers 4350B, стеклотекстолит FR-4 и Поликор ВК-96. Сравнение этих
материалов проведем по четырем показателям (диэлектрическая проницаемость,
тангенс угла диэлектрических потерь, плотность и удельное объемное
электрическое сопротивление), которые приведены в таблице 6.
Таблица 6 - Параметры материалов для изготовления ПП
|
Материал
|
ε
|
tgδ
|
0, г/см3
|
Rv, МОм см
|
|
Поликор ВК-96
|
9,6
|
0,004
|
3,96
|
107
|
|
Стеклотекстолит FR-4
|
4,8
|
0,018
|
2,47
|
5 9
|
|
Ламинат Rogers 4350B
|
3,48
|
0,0027
|
2,1
|
1,2 10
|
На основании метода экспертных оценок проведем выравнивание
дифференциальных параметров к тенденции повышения качества. Для повышения качества
ПП, необходимо обеспечить как можно меньшую величину указанных параметров:
диэлектрическая проницаемость, тангенс угла диэлектрических потерь и плотность,
т. к. с ростом данных параметров увеличиваются паразитные связи между
проводниками на ПП, потери в диэлектрике и масса изделия. Заменим эти параметры
обратной величиной. Удельное объемное электрическое сопротивление заменять не
нужно, т.к. при его увеличении повышается электрическая прочность ПП.
Полученные показатели приведены в таблице 7.
Таблица 7 - Параметры материалов с тенденцией на повышение качества
|
Материал
|
ε
|
tgδ
|
0, г/см3
|
Rv, МОм см
|
|
Поликор ВК-96
|
0,1
|
250
|
0,25
|
107
|
|
Стеклотекстолит FR-4
|
0,2
|
55
|
0,4
|
5 9
|
|
Ламинат Rogers 4350B
|
0,28
|
370
|
0,47
|
1,2 10
|
Введем безразмерные весовые коэффициенты исходя из условия: Σ
φi=1. Выбор произведем, основываясь на
данных условий эксплуатации в ТЗ. Первостепенное значение будут иметь
массогабаритные и прочностные характеристики. Исходя из этого, выберем
коэффициенты: ε - 0,35, tgδ - 0,15,
0 - 0,35, Rv - 0,15.
Проведем нормирование по формуле
αi*= αi/
αi max
Полученные данные занесем в таблицу 8.
Таблица 8 - Нормированные параметры материалов для изготовления ПП
|
Материал
|
ε
|
tgδ
|
0, г/см3
|
Rv, МОм см
|
|
Поликор ВК-96
|
0,35
|
0,67
|
0,53
|
0,0008
|
|
Стеклотекстолит FR-4
|
0,71
|
0,14
|
0,85
|
0,4
|
|
Ламинат Rogers 4350B
|
1
|
1
|
1
|
1
|
|
φ
|
0,35
|
0,15
|
0,35
|
0,15
|
Рассчитаем значения комплексных показателей по формуле
Q= Σ φi · αi*
Q1 = 0,35 ∙ 0,35 + 0,67 ∙
0,15 + 0,53 ∙ 0,35 + 0,0008 ∙ 0,15 = 0,4
Q2 = 0,71 ∙ 0,35 + 0,14 ∙
0,15 + 0,85 ∙ 0,35 + 0,4 ∙ 0,15 = 0,6
Q3 = 1 ∙ 0,35 + 1 ∙ 0,15 +
1 ∙ 0,35 + 1 ∙ 0,15 = 1
Т.к. Q3 > Q2 > Q1, поэтому предпочтение в выборе материала для печатной платы
целесообразно отдавать ламинату Rogers
4350B.
Определение размеров печатной платы модуля УЛ-Ц
В состав модуля входят одна функциональная ячейка (ФЯ), на которой
размещены все ЭРЭ. Площадь печатной платы, необходимую для одностороннего
размещения радиоэлементов находят по формуле
где qs = 2,5 - коэффициент дезинтеграции по
площади, S∑ЭП = 2,97 см2 - суммарная
установочная площадь элементов, размещаемых на плате модуля УЛ-Ц. Отсюда
получаем
SПП =
= 2,5 ∙ 2,31 = 5,7 см2
Выбор типоразмера платы определяется условием
где Lx, Ly - линейные размеры платы.
Исходя из значения SПП, выберем примерные значения размеров
сторон печатной платы Lx = 47 мм, Ly = 23
мм.
Проверим выполнение условия
Условие выполняется, значит, выбранные значения сторон печатной платы
подходят для нашего изделии.
Выбор материала для изготовления корпуса
В качестве материала для изготовления корпуса можно выбрать алюминий или
сталь. Сравнение этих материалов проведем по трем показателям, которые
приведены в таблице 9.
Таблица 9 - Параметры материалов для изготовления корпуса
|
Материал
|
|
0, г/см3
|
Прочность, МПа
|
|
Алюминиевый сплав Д16А ГОСТ
4784-97
|
180
|
2,76
|
480
|
|
Сталь 20 ГОСТ 1050-88
|
45
|
7,82
|
560
|
|
Алюминиевый сплав Д1 ГОСТ
4784-97
|
162
|
2,8
|
410
|
|
Алюминиевый сплав В95 ГОСТ
4784-97
|
173
|
2,85
|
450
|
На основании метода экспертных оценок проведем выравнивание
дифференциальных параметров к тенденции повышения качества.
Для повышения качества корпуса, необходимо обеспечить как можно меньшую
величину плотности, т. к. с ростом данного параметра увеличивается масса
корпуса.
Заменим этот параметр обратной величиной.
Теплопроводность и прочность заменять не надо, т.к. при их увеличении
улучшается отвод тепла и повышается механическая прочность корпуса. Полученные
показатели приведены в таблице 10.
Таблица 10 Параметры материалов для корпуса с тенденцией на повышение
качества:
|
Материал
|
|
0, г/см3
|
Прочность, МПа
|
|
Алюминиевый сплав Д16А ГОСТ
4784-97
|
180
|
0,362
|
480
|
|
Сталь 20 ГОСТ 1050-88
|
45
|
0,12
|
560
|
|
Алюминиевый сплав Д1 ГОСТ
4784-97
|
162
|
0,357
|
410
|
|
Алюминиевый сплав В95 ГОСТ
4784-97
|
173
|
0,35
|
450
|
Введем безразмерные весовые коэффициенты исходя из условия: Σ
φi=1. Выбор произведем, основываясь на
данных условий эксплуатации в ТЗ. Первостепенное значение будут иметь
массогабаритные и тепловые характеристики. Исходя из этого, выберем
коэффициенты:
- 0,6; m0
- 0,3; прочность -
0,10.
Проведем нормирование по формуле: αi*=
(αi max
-αi)/
αi max. Полученные данные занесем в таблицу
11.
Таблица 11 Нормированные параметры материалов для изготовления корпуса
|
Материал
|
|
0, г/см3
|
Прочность, МПа
|
|
Алюминиевый сплав Д16А ГОСТ
4784-97
|
1
|
1
|
0,85
|
|
Сталь 20 ГОСТ 1050-88
|
0,25
|
0,33
|
1
|
|
Алюминиевый сплав Д1 ГОСТ
4784-97
|
0,9
|
0,98
|
0,73
|
|
Алюминиевый сплав В95 ГОСТ
4784-97
|
0,96
|
0,96
|
0,8
|
|
φ
|
0,6
|
0,3
|
0,1
|
Рассчитаем значения комплексных показателей по формуле
Q= Σ φi · αi*
Q1 = 1 ∙ 0,6 + 1 ∙ 0,3 +
0,85 ∙ 0,1 = 0,985
Q2 = 0,25 ∙ 0,6 + 0,33 ∙
0,3 + 1 ∙ 0,1 = 0,349
Q3 = 0,9 ∙ 0,6 + 0,98 ∙ 0,3
+ 0,73 ∙ 0,1 = 0,907
Q4 = 0,96 ∙ 0,6 + 0,96 ∙
0,3 + 0,8 ∙ 0,1 = 0,944
Т.к. Q1 > Q4> Q3> Q2 , поэтому предпочтение в выборе
материала для корпуса отдаём алюминиевому сплаву Д16А ГОСТ 4784-97.
Расчет габаритных размеров модуля УЛ-Ц
На основании размещается печатная плата размером 47х23 мм. Возьмём расстояние
от печатной платы до стенок корпуса 1,5 мм вдоль оси Х и 1 мм вдоль оси Y, толщина корпуса 4 мм. Учтем, что
переход СРГ-50-751 ФВ впаивается в корпус и выступает на 7,59 мм за его пределы
с обеих сторон. С учётом этих параметров найдём длину корпуса:
А габаритный размер по длине всего модуля УЛ-Ц будет равен
Рассчитаем ширину корпуса
Для расчета габаритного размера по ширине необходимо учесть Вводы
ТС3.575.337 и Лепесток 2-0,8-2,5-7-Л63-07, выступающие на 4,5 мм за корпус,
тогда получаем
Высоту корпуса возьмём такой, чтобы в корпус вмещалась печатная плата и
СВЧ разъемы СРГ-50-751 ФВ на противоположных стенках. Поскольку толщина ПП
составляет 1, а высота самым высокого элемента на плате также равна 1 мм, то
целесообразней рассчитывать высоту корпуса исходя из размера СВЧ разъема.
Диаметр СРГ-50-751 равен 6 мм, следовательно, оставим запас по 3 мм над и под
СВЧ разъемом. Толщина крышки равна 1,5 мм, но при этом необходимо учесть что в
модуле УЛ-Ц предусмотрен двусторонний доступ к плате, следовательно крышки в
модуле две. Отсюда найдём высоту корпуса
Соответственно габаритный размер по высоте всего модуля УЛ-Ц будет равен
В итоге получаем размер корпуса 58х32х12 мм, а габаритный размер модуля
73,18х36,5х15. Доделаем исходный корпус для конкретного устройства. Сделаем
отверстия в корпусе для разъемов. Чертежи корпуса и крышки прилагаются.
Описание конструкции модуля Ц301, модуля УЛ-Ц и блока формирователя
Модуль Ц301 представляет собой функционально законченную сборочную
единицу, состоящую из входящих в модуль узлов. Конструкция модуля состоит из
двух пластин (оснований), закрепленных на некотором расстоянии между собой
опорными стойками. На этих пластинах закрепляются узлы, входящие в данный
модуль в частности разрабатываемый модуль УЛ-Ц.
Конструкция модуля УЛ-Ц представляет собой корпус из алюминиевого сплава
Д16, в котором жестко закреплена функциональная единица. Функциональная единица
представляет собой печатную плату (ламинат Rogers 4350B) с
расположенными на ней СВЧ элементами. Передача электромагнитной энергии между
элементами происходит за счет микрополосковых линий (МПЛ) нагруженных на
волновое сопротивление
Плата будет устанавливаться в рамку и пропаиваться по
земляной пластине подложки. В качестве материала, выбранного для изготовления рамки
под плату выбран титан, так как коэффициент теплового расширения этого металла
совпадает с материалом, из которого сделана плата - ламинат Rogers 4350B, что позволяет в одинаковой степени как плате, так и рамке
расширяться или сжиматься при смене температурного диапазона. Крепеж к корпусу
осуществляется с помощью винтов М2-6x4.32.ЛС59-1.133 ГОСТ 1491-80 и шайб
А2.32.ЛС59-1.136 ГОСТ 10450-78 на специальные ушки внутри корпуса. Соединение
модуля УЛ-Ц с другими устройствами будет осуществляться через герметичные СВЧ и
НЧ соединители. В качестве СВЧ соединителя выбран соединитель радиочастотный
герметичный (розетка) СРГ-50-71-751ФВ ВРО.364.049ТУ. Волновое сопротивление
соединителя 50 Ом, вид изоляции фторопласт, исполнение всеклиматическое,
соединение резьбовое. С одной стороны ввод соединяют с МПЛ при помощи золотой
перемычки с компенсационной петлёй для предотвращения трещин и разрывов. С
другой стороны к соединителю прикручивают кабель (вилка) ЭР3.640.332-01.
Высота функциональной ячейки обусловлена самым высоким элементом -
микросхема AD8318 и составляет 1 мм.
Изготавливается комбинированный методом по первому классу точности, ширина
краевых полей 5 мм. Радиоэлементы на печатной плате размещаются с одной стороны
поверхностным монтажом. Элементы с объёмным монтажом устанавливаются на корпусе
и соединяются с печатной платой посредством проволочной перемычки ММ-0,3 0,07
мм2, для чего предусмотрены металлизированные отверстия диаметром 6
мм.
Остальные модуль, входящие в состав модуля Ц301, а именно модули УА,
К3Ф3, КУМ2Ф-1, К1Ц, К2Ц, ГЧ1, ГЧ2 конструктивно выполнены по аналогии модулю
УЛ-Ц описанному выше. Конструкция модуля Ц301 накладывает жесткие требования на
конструкцию всего блока формирователя помех.
Выбор типа конструкции и компоновочного решения блока обуславливается
объектом установки РЭС, видом и интенсивностью воздействия внешних
дестабилизирующих факторов. В свою очередь тип конструкции в значительной
степени определяет свойства внутренней структуры блока.
Существуют три основных метода конструирования: топологический, метод
проектирования моноконструкций и базовый метод конструирования.
Анализ методов конструирования показал, что наилучшие показатели дает
базовый метод конструирования. Этот метод конструирования и его разновидности
(функционально-модульный, функционально-узловой, функционально-блочный) основан
на принципе агрегатирования, функциональной и размерной взаимозаменяемости,
схемной и конструкторской унификации. Базовый метод является основным при
конструировании современной аппаратуры, он имеет много преимуществ по сравнению
с другими методами, и в частности с методом моноконструкций.
Перечислим некоторые из этих преимуществ. На этапе разработки позволяет
вести работу над многими узлами и блоками одновременно, что сокращает сроки
проведения разработок. На этапе производства: это упрощение монтажа, сборки,
снижение требований к квалификации рабочих, снижает стоимость аппаратуры и т.д.
Поэтому этот метод будет использоваться в качестве основного метода при
разработке блока формирователя.
Для выбора типа конструкции рассмотрим основные типы применяемых типов
конструкций блоков: разъемная, кассетная (веерная) и книжная.
Особенностью разъемных конструкций блоков является использование для
организации внутриблочных электрических соединений, на которых размещаются
розетки соединителей. Разъёмная конструкция имеет малую плотность упаковки
узлов, что снижает надежность и ухудшает массогабаритные показатели блока, но
при этом данная конструкция обладает следующими достоинствами:
данная конструкция обеспечивает высокую ремонтопригодность, т.к.
позволяет быстро менять вышедшую из строя функциональную ячейку
позволяет применять объединительную плату, что сокращает объёмный монтаж
позволяет производить наладку и настройку всех функциональных узлов
параллельно, что значительно сокращает затраты времени на эти операции.
В кассетной конструкции две функциональных ячейки объединяются в кассету.
При выполнении ремонтных и профилактических работ кассеты, вращаясь вокруг оси,
проходящей через один из узлов, раскрываются и допускают проверку во включенном
состоянии. Внутриблочные электрические соединения организуются с помощью
проволочных жгутов, трудоемкость изготовления которых и определяет основной
недостаток данного вида конструкции.
В книжной конструкции блоков функциональные ячейки с помощью шарнирных
соединений объединяются в пакет, раскрывающийся в виде книги. Различают
конструкции блоков с вертикальной и горизонтальной осями раскрытия. В блоках,
выполненных на корпусных интегральных микросхемах, несущим элементом
конструкции служит каркас, на продольных осях которого закрепляется
кросс-плата. Конструкции книжного типа находят применение в аппаратуре,
размещаемой на ракетах, космических объектах и в изделиях, требующих предельной
минимизации массогабаритных характеристик изделия.
На разрабатываемом нами изделии применен новый современный метод
конструктива - «Евромеханика». Этот метод представляет собой модульный
конструктив, предназначенный для размещения стандартных плат, кассет и
конструкций, унифицированных по высоте, ширине и глубине. Для удобства
пользования в стандарте «Евромеханика» приняты несколько опорных и
рекомендуемых для повторения величин высоты, ширины и глубины. Конструктив
является международным стандартом, учитывающим тот факт, что в раму «Евромеханика»
могут встраиваться изделия различных производителей. Для обеспечения
совместимости все габариты несущих конструкций имеют необходимые допуски,
позволяющие учитывать отклонения размеров при производстве и сборке
конструктивов «Евромеханика» и печатных плат для них.
Конструктив - совокупность отдельных элементов системы, составляющих
вместе единую целостную механическую конструкцию, которая может подвергаться
изменениям и дополнениям без механической обработки отдельных конструктивных
элементов.
Определяющими параметрами при выборе конструкции устройства являются:
·
габаритные
размеры преобразователя частоты (модуль Ц301), в который устанавливается данное
устройство;
·
характер и
конструкция элементов электрической схемы, составляющих устройство;
·
обеспечение
требуемых электрических характеристик;
·
условия
эксплуатации;
Конструктивно рассматриваемый блок представляет собой прибор,
устанавливаемый в систему несущих конструкций, для работы совместно с другими
блоками.
Для разъёмной компоновки блока характерно объединение функциональных
узлов, выполненных на печатных платах со стандартными разъёмами. В этом случае
в блоке каркасного типа имеется общая трассировка через объединительную плату с
ответными частями соединителей, в которые вставлены узлы. Эти узлы крепятся за
счет винтов на клиновых замках (рис.31).
Рис.31 Клиновой замок
После установки управляющей платы, выполненной из стеклотекстолита,
полость на дне корпуса заполняется до уровня поверхности клеем - герметиком
«Эластосил 137-180 марки Б» ТУ 6-02-1214-81. После отверждения должно быть
контурное сплошное обволакивание деталей клеем - герметиком, который можно
удалить в случае ремонта или замены платы.
Компоновка
блока показана на рис.32, для которого объемы
и
будут определяться по формулам:
В
блоках РЭА, как правило, выполняются следующие условия:
L > H; L
> B; H ≥
B
,B,H
- длина, ширина и высота блока;
- часть
блока, занимаемая элементами внутриблочного соединителя (коммутации);
- объем занимаемый одной ФЯ (модуль Ц301);
- объем занимаемый коммутационными элементами.
Рис. 32 Компоновочная схема блока
Расчет массы модуля УЛ-Ц
Рассчитаем суммарный объем стенок корпуса модуля УЛ-Ц
мм3
Для расчета массы корпуса необходимо знать плотность алюминиевого сплава
г/см3, следовательно
массу самого корпуса мы найдем по нижеприведенной формуле
Также необходимо найти массу печатной платы, но для этого необходимо
знать её объем
см3
Поскольку материал пластины, т.е. печатной платы является Rogers 4350B, то плотность ρ = 2,2 г/см3. Отсюда получаем:
Масса печатной платы равна
г
Учтем также массу винтов, шайб, массу пайки, массу лака и массу эмали:
масса винта
, а масса шайбы
,
,
Рис. 35 Модуль преобразователя частоты (модуль Ц301)
.4 Выводы по конструкторско - технологической части
Была проведена разработка технического задания. В результате были
определены технические характеристики будущего модуля УЛ-Ц.
Произведена схемотехническая отработка конструкции.
Конструкторско-технологический анализ элементной базы показал, что
температурный диапазон эксплуатации модуля УЛ-Ц -55 …+70 °C лежит внутри температурного
диапазона эксплуатации всех радиоэлементов. Все элементы конструктивно и
технологически совместимы.
Были рассчитаны массогабаритные характеристики модуля УЛ-Ц. Площадь
коммутационного основания составляет SК = 18,56 см
2, объём конструкции равен VК = 40,06 см 3, масса
конструкции равна mК =113
г.
Также была произведена разработка конструкции: выбор материалов был
произведён по комплексному показателю качества. В качестве материала для
коммутационного основания был взят Rogers 4350B, а для изготовления корпуса была
взят алюминиевый сплав Д16А ГОСТ 4784-97. Габаритные размеры ПП при этом
составили 47х23х1 мм, а габаритный размер всего модуля 73,18х36,5х15 мм.
8. Экономический раздел дипломного проекта
Введение
Разработка инновационных технологий конструирования радиоэлектронных
средств (РЭС), а также способов обеспечения надежности и ремонтопригодности
являются важнейшими задачами, позволяющими создавать конкурентоспособные
изделия, обеспечивающие должный уровень обороноспособности страны и народного
хозяйства.
Особое место среди задач конструирования и обеспечения надежности РЭС
занимают задачи выбора оптимальных элементов и компонентов конструкций по
совокупности показателей качества (ПК). Сегодня разработчикам доступны тысячи
однотипных изделий одного функционального назначения и, несмотря на введение
ограничительных нормалей, выбор оптимальных компонентов часто приходится
осуществлять по десяткам характеристик, что делает проблему трудно разрешимой
без привлечения средств и методов САПР. Таким образом, задачи выбора при
конструировании РЭС особенно актуализируются. Важными являются также проблемы
обеспечения оптимальных замен при ремонтах радиоаппаратуры (выбор аналога по
прототипу) и назначения оптимальной очередности ремонтов РЭС. Их решение
требует создания теоретических основ, методов и инструментальных средств,
способных обеспечить максимальную надежность и эффективность процесса
разработки РЭС.
В дипломном проекте разработано устройство преобразования частоты, блока
цифровой обработки сигнала в составе станции активных помех. Чтобы выполнялась
избирательность по зеркальному каналу, устройство построено по схеме
супергетеродинного приемника с двойным преобразованием частоты.
1. Бизнес-план
Бизнес-план - документ, содержащий обоснование действий, которые
необходимо осуществить для реализации какого-либо коммерческого проекта или
создания нового предприятия. В данной работе используется следующая структура
бизнес-плана:
. Описание продукции;
2. Анализ рынка сбыта;
. Конкуренция
. Маркетинг
.1 Описание продукта
В дипломном проекте разработано устройство преобразования частоты блока
цифровой обработки сигнала в составе станции активных помех. Основным
назначение устройства является функция преобразования полосы частот (∆ƒ=500 МГц) условного канала из диапазона
частот входного СВЧ сигнала 2-18 ГГц в полосу рабочих частот ЦРЧП
(1ГГц±250МГц). Модуль состоит из входного и выходного конвертеров. Чтобы
обеспечить избирательность по зеркальному каналу была выбрана схема
супергетеродинного приемника с двойным преобразованием частоты с возможностью
перестройки частоты первого гетеродина. В качестве первого гетеродина выступает
устройства синтеза сетки частот (модуль Ц303) в диапазоне 8,25-12 ГГц. Перенос
на вторую промежуточную частоту (ПЧ2) осуществляется за счет двух опорных
гетеродинов с фиксированными частотами: ГЧ1 - 7,25 ГГц и ГЧ2 - 15,25 ГГц.
Двойное преобразование частоты было выбрано исходя из соображений
быстродействия для самолетной САП.
В противном случае если сделать перестраиваемый гетеродин во всем диапазоне
частот 2-18 ГГЦ, то требуется больше времени на поиск и формирование нужной
частоты и ухудшается избирательность приемника.
.2 Анализ рынка сбыта.
Рынок подобного оборудования в России при этом, в основном, является
закрытой, секретной, оборонной областью и финансируется целиком Государственным
бюджетом. Вся продукция также реализовывается только на нужды Государства.
Потребность отрасли в проектируемом модуле Ц301 определяется
ориентировочно в зависимости от того, в какой сфере (производственной,
непроизводственной), на каких объектах (наземных, ЛА) будет применяться
проектируемое РЭС, а также от численности заменяемого парка устройств,
перспектив развития потребности в новых модулях, с учетом ее
производительности, долговечности, надежности, ремонтопригодности и т.д.
.3 Анализ конкурентоспособности продукта
Устройство является частью системы, разрабатываемой по заказу
государственного заказчика, представляющим интересы военного ведомства. В связи
с этим, конкуренция отсутствует.
Создание конкурентоспособных РЭС является сложным и многогранным
процессом, требующим выполнения множества важных условий. Для достижения успеха
на рынке исключительно большое значение имеют следующие условия:
. Эффективная реализация процесса: маркетинговые исследования,
проектирование, производство и сбыт изделий.
. Использование такой организации проведения проектных процедур, при
которой основополагающие технические и экономические решения могут быть приняты
на начальных этапах проектирования во избежание серьезных ошибок
стратегического характера, трудно исправляемых или неисправляемых на
последующих этапах проектирования, связанных с большими финансовыми и
временными затратами.
.4 Маркетинг
Маркетинг
представляет собой специфическую деятельность в сфере рынка, направленную на
продвижение товаров и услуг от производителя к потребителю, систему организации
деятельности предприятия, основанную на всестороннем изучении рынка с целью
удовлетворения конкретных потребителей и, таким образом, максимизацию прибыли.
Устройство является частью системы, разрабатываемой по заказу
государственного заказчика, представляющим интересы военного ведомства. В связи
с этим, маркетинговая политика не рассматривается.
2. Организационный план
2.1 Тип работы
Выделим этапы разработки устройства преобразования частоты блока цифровой
обработки сигнала:
. Разработка и согласования технического задания;
2. Разработка структурной схемы;
. Выбор элементной базы;
. Разработка и расчет принципиальной электрической схемы;
. Расчет конструкции;
. Составление отчета по разработке
2.2 Этапы разработки
Этапы разработки, их длительность, участники и трудоемкость сведены в
таблицу 1. На выполнение проекта выделяется три месяца. Принимая в среднем по
двадцать два рабочих дня в месяце, получим итого семьдесят пять рабочих дней.
|
№ п/п
|
Наименование работы
|
Срок выполнения, дней
|
|
1
|
Техническое задание
|
25
|
|
2
|
Эскизное проектирование:
2.1 Определение основных характеристик блока 2.2 Составление протоколов 2.3
Согласование схем стыковки (соединения)
|
50 20 15 15
|
|
3
|
Разработка схем конструкций
3.1 Выбор элементной базы 3.2 Составление функциональной, электрической схемы
3.3 Составление конструкторской схемы
|
53 3 30 20
|
|
4
|
Изготовление модуля
|
60
|
|
5
|
Контрольно испытательные
работы 5.1 Испытание метеоустойчивости и вибропрочности 5.2 Проверка
функциональности блока
|
50 25 25
|
|
6
|
Оформление и корректировка
ТД
|
40
|
|
Итого:
|
278
|
Таб. 1 Этапы разработки
На основании таблицы 1 построим календарный график .
Календарный График (График Ганта) - один из наиболее распространенных методов
графического изображения разработки и производства в системе оперативного
планирования (например, при разработке и освоении новых изделий, программных
средств, технологических проектов и т.п.).
2.3 Количество работающих
В данном проекте участвует группа разработчиков из 6 человек.
Старшим при разработке назначается ведущий инженер и
вся ответственность за соблюдение сроков и качества выполнения работы лежит на
нем. Так же в разработке участвуют инженеры I и III
категорий, инженер-технолог, монтажник, техник.
Разработчики представлены в виде структурной схемы, которая приведена на
рисунке 2.
Рис.2 Структурная схема разработчиков
2.4 Расчет трудоемкости
Для определения трудоемкости отдельных работ в данном
случае был использован метод экспертных оценок, т.е. длительности работ выбраны
на основе опыта предыдущих разработок подобных по сложности и предназначению.
|
№ стадии этапа
|
Наименование работ
|
Должности исполнителей
|
Трудоемкость чел. дней
|
Численность человек
|
Длительность работы, дней
|
|
1
|
Техническое задание
|
Ведущий инженер Инженер I
кат.
|
10 15
|
1 1
|
25
|
|
2
|
Эскизное проектирование
|
Ведущий инженер Инженер I
кат. Инженер III кат.
|
20 15 15
|
1 1 1
|
50
|
|
3
|
Разработка схем конструкций
|
Ведущий инженер Инженер I
кат.
|
33 20
|
1 1
|
53
|
|
4
|
Изготовление модуля
|
Инженер-технолог Монтажник
|
30 60
|
1 2
|
60
|
|
5
|
Контрольно испытательные
работы
|
Техник Инженер III
кат.
|
50 25
|
2 1
|
50
|
|
6
|
Оформление и корректировка
ТД
|
Ведущий инженер Инженер I
кат.
|
20 20
|
1 1
|
40
|
|
Итого общая трудоемкость и
длительность проведения работ:
|
333
|
|
278
|
3 Расчет затрат
Сметная стоимость научно исследовательских и опытно
конструкторских работ рассчитывается по соответствующим статьям калькуляции и
величина сметной стоимости включается в производственные затраты и учитывается
в составе капитальных вложений завода-изготовителя. Состав статей калькуляции:
1. Материалы
2. Основная заработная плата
. Дополнительная заработная плата
. Оплата работ сторонних организаций
. Командировки
. Отчисления в фонды
. Прочие расходы
. Накладные расходы
3.1 Материалы
Стоимость покупных материалов определяется прямым счетом, результаты
сведены в таблице 2
|
Наименование материала
|
Ед. изм.
|
Кол-во
|
Цена за ед., руб.
|
Сумма, руб.
|
|
Расходные материалы для
принтера (картридж)
|
Штука
|
1
|
2700
|
2700
|
|
Бумага для печати (формат
А4)
|
Пачка
|
4
|
170
|
680
|
|
Комплект CD-RW дисков (5
шт.)
|
Упаковка
|
1
|
110
|
110
|
|
Съемный накопитель
flash-памяти (8 Гб)
|
Штука
|
2
|
600
|
1200
|
|
Канцтовары
|
-
|
-
|
-
|
500
|
|
Итого (общая сумма):
|
5190
|
Таб.2 Стоимость покупных материалов
Стоимость покупных комплектующих сведена в таблицу 3
|
Наименование покупных
комплектующих изделий
|
Кол-во
|
Цена за ед., руб
|
Сумма, руб
|
|
Диоды
|
7
|
25
|
175
|
|
Конденсаторы
|
219
|
7
|
1533
|
|
Индуктивности
|
2
|
50
|
100
|
|
Резисторы
|
119
|
3
|
357
|
|
Микросхема 1554ЛН1Н4
|
1
|
25
|
25
|
|
Микросхема ГК108-П-10,0
МГц-3,3 В
|
1
|
5450
|
5450
|
|
Микросхема AD8003ACPZ
|
1
|
625
|
625
|
|
Микросхема AD8318ACPZ
|
2
|
650
|
1300
|
|
Микросхема ADF4350BCPZ
|
2
|
512
|
1024
|
|
Микросхема ADL5330ACPZ
|
1
|
580
|
580
|
|
Микросхема AG101
|
4
|
120
|
480
|
|
Микросхема CDCV304 PW
|
1
|
85
|
85
|
|
Микросхема CSWA2-63DR+
|
2
|
210
|
420
|
|
Микросхема CDCVF2310PW
|
2
|
190
|
380
|
|
Микросхема DS1620S
|
1
|
87
|
87
|
|
Микросхема EP1C3T100I7
|
2
|
1200
|
2400
|
|
Микросхема EPCS1SI8N
|
2
|
180
|
360
|
|
Микросхема ERA3SM
|
1
|
70
|
70
|
|
Микросхема GP2S1+
|
2
|
150
|
300
|
|
Микросхема GP2X1+
|
1
|
165
|
165
|
|
Микросхема HMC141
|
3
|
495
|
1485
|
|
Микросхема HMC142
|
4
|
495
|
1980
|
|
Микросхема HMC347
|
8
|
1517
|
12136
|
|
Микросхема HMC370LP4
|
1
|
64
|
64
|
|
Микросхема HMC462
|
6
|
1270
|
7620
|
|
Микросхема HMC463
|
1
|
1300
|
1300
|
|
Микросхема HMC575LP4
|
1
|
970
|
970
|
|
Микросхема LT1175IS8
|
4
|
300
|
600
|
|
Микросхема MAX999EUK-T
|
1
|
105
|
105
|
|
Микросхема PIC18F14K50-E/SS
|
2
|
66
|
132
|
|
Микросхема SN74AHCT86D
|
25
|
15
|
375
|
|
Микросхема TES 1-0511
|
1
|
200
|
200
|
|
Микросхема TDR 3-0512
|
1
|
250
|
250
|
|
Микросхема TPS78601DCQ
|
2
|
91
|
182
|
|
Смеситель М50С
|
2
|
1500
|
3000
|
|
MAAMGM-002-DIE-SMB
|
4
|
200
|
800
|
|
QCN-12A
|
4
|
50
|
200
|
|
Транзистор ВС858С
|
8
|
15
|
120
|
|
Трансформатор NCS2-392+
|
2
|
45
|
90
|
|
Соединители
|
64
|
117
|
7448
|
|
Фильтр КРПГ.433553.001-02
ТСО.028.052 ТУ
|
40
|
320
|
12800
|
|
Алюминиевый сплав Д16А
|
1,5(кг)
|
150
|
225
|
|
Стеклотекстолит FR-4
|
2
|
160
|
320
|
|
ИТОГО (общая сумма):
|
68318
|
|
|
|
|
|
Таб.3 Стоимость покупных комплектующих
Транспортные расходы составляют 18% от стоимости
материалов, покупных изделий и составляют
Таким образом материальные затраты составляют 13231
рубль.
.2 Расчет основной заработной платы
Расчет основной заработной платы производится путем
вычисления затрат на каждого участника проекта, с учетом его заработной платы.
Для упрощения расчетов примем, что в одном месяце - 22
рабочих дня. Основная заработная плата представлена на таблице 4.
Таб. 4 Основная заработная плата
|
№ пп
|
Исполнители (по категориям)
|
Трудоемкость (чел.-дней)
|
Должностной оклад (руб.)
|
Стоимость чел. дн. (руб)
|
Затраты по зарплате (руб)
|
|
1
|
Ведущий инженер
|
83
|
45 000
|
2045
|
169735
|
|
2
|
Инженер I кат.
|
70
|
35 000
|
1590
|
111300
|
|
3
|
Инженер III кат.
|
40
|
30 000
|
1363
|
54520
|
|
4
|
Инженер-технолог
|
30
|
25 000
|
1136
|
34080
|
|
5
|
Монтажник
|
60
|
22 000
|
1000
|
60.000
|
|
6
|
Техник
|
50
|
20 000
|
909
|
45450
|
|
Итого:
|
475085
|
3.3 Дополнительная заработная плата
Дополнительная заработная плата составляют двадцать
процентов от основной заработной платы и рассчитываются по формуле
.4 Оплата работ сторонних организаций
При разработке устройства преобразования частоты
сторонние организации и предприятия не привлекались.
3.5 Командировки
На данную статью относятся расходы на командировки научного и
производственного персонала, связанные с выполнением данной темы и
непосредственным участием командированных лиц в регулировке, настройке,
испытаниях разработанных устройств.
Величина этих расходов определяется или прямым счетом, или их можно
принять равными 8-10% от суммы основной заработной платы научного и
производственного персонала.
3.6 Отчисления в фонды
С 1 января 2010 года единый социальный налог отменен,
вместо него установлены прямые страховые взносы работодателей (страхователей) в
три внебюджетных фонда:
1. пенсионный фонд РФ;
2. фонд обязательного медицинского страхования;
. фонд социального страхования РФ;
Размер ставки прямых страховых взносов составляет 34
%.
3.7 Прочие расходы
Прочие расходы отсутствуют.
.8 Накладные расходы
Накладные расходы представляют собой расходы на организацию, управление и
обслуживание производства.
Определяется процентом от суммы основной заработной платы научного и
производственного персонала который составляет 300%.
3.9 Смета расхода
Смета расхода представлена в таблице 5.
Таб.5 Смета расхода
|
№
|
Наименование статей расхода
|
Сумма, рублей
|
|
1
|
Материалы, покупные изделия
|
73508
|
|
2
|
Основная заработная плата
научного персонала
|
475085
|
|
3
|
Дополнительная зарплата
научного персонала
|
|
|
4
|
Отчисления на социальные
нужды
|
|
|
5
|
Оплата работ, выполняемых
сторонними организациями
|
|
|
6
|
Специальное оборудование
для научных (экспериментальных) работ
|
|
|
7
|
Командировочные расходы
|
|
|
8
|
Накладные расходы
|
|
|
9
|
Прочие расходы
|
|
|
10
|
Стоимость
|
|
|
11
|
Прибыль
|
|
|
12
|
Оптовая цена предприятия
|
|
|
13
|
НДС
|
|
|
14
|
Договорная цена
|
|
.10 Расчет условной (договорной) цены
Договорная цена - денежное выражение обязательства заказчика произвести
платеж за поставленную продукцию, выполненные работы или оказанные услуги. Она
включает в себя стоимость разработки и нормативной прибыли (ПР) (нормативная
прибыль составляет 30% от стоимости разработки).
Оптовая цена предприятия (ОЦП) рассчитывается по формуле
Таким образом, полученная оптовая цена составила 3 миллиона
тысячи
рубля и
копеек.
4. Оценка экономической эффективности или целесообразности проекта
В настоящее время РЭС составляют основу систем управления войсками и
оружием во всех видах вооруженных сил. В то же время РЭС являются одним из
наиболее уязвимых звеньев ПВО, так как они обнаруживаются по излучению и их
работе может быть оказано радиопротиводействие. Одним из способов оказания
противодействия является использование малогабаритной станции активных помех
(САП) с внутрифюзеляжной компоновкой в диапазоне частот (2-18ГГц).
Россия по-прежнему остается одной из ведущих стран мира в области
проектирования и изготовления подобных систем. Для изготовления станций помех
может быть использована как отечественная, так и импортная элементная база.
Изделие ориентировано на нужды военных. Целесообразность разработки нового
модуля определяется его ролью в составе комплекса постановщика активных помех.
При этом важно, чтобы это РЭС было экономически эффективно и высокого качества.
Качество же зависит от функционально - технических характеристик, а его
изменение оценивается индексом технического уровня разрабатываемого устройства.
В настоящее время существует достаточно большое количество станций
формирования помех, построенных на основе УЦРЧП и с применением понижающего
конвертора. Нужно заметить, что в основном все примеры ныне существующих
аналогов - это зарубежные разработки, а в нашей стране данное устройство
производится только в ФГУП «ЦНИРТИ им. ак. А.И. Берга». Существенным отличием
данного изделия является габаритные размеры и вес самого УЦРЧП при примерно
одинаковых характеристиках. В отличие от зарубежных разработок, наше изделие
имеет меньшие размеры и потребляемую мощность, что является большим преимуществом,
поскольку станция устанавливается на авиационную технику. Также стоит отметить
высокую надежность изделия, необходимое быстродействие, а также несомненную
возможность модернизации, которая периодически происходит в отечественных
станциях формирования помех.
Исходя из этого, можно сделать вывод, что как отечественный, так и
зарубежный рынки достаточно остро нуждаются в данном изделии, поэтому
разработка станции формирования помех в нашей стране является не только
необходимым ответом западу, но и укреплением авторитета отечественной оборонной
промышленности.
Рынок подобного оборудования в России при этом, в основном, является
закрытой, секретной, оборонной областью и финансируется целиком Государственным
бюджетом. Вся продукция также реализовывается только на нужды Государства.
5. Использование программно-аппаратурных средств:
В процессе разработки используются:
· персональный компьютер на базе процессора Intel Core 2 Duo c операционной
системой Windows XP;
· Лазерный принтер HP LaserJet
LJ P1102 CE651A.
Основанная работа по разработке всех входящих устройств и блока в целом,
а именно: составление электрических схем, составление таблиц соединений,
заполнение карт рабочих режимов, а так же написание основной документации на
блок производятся на компьютере. Для этого используются следующие программы:
· Auto CAD - для составления всех электрических схем, перечней
элементов и карт рабочих режимов;
· Microsoft Office Word - для написания основной документации на каждое
устройство и на блок в целом.
· Печать всех схем и документов формата А4 производится на
принтере.
6. Вывод
В экономической части дипломной работы, приводится описание модуля Ц301,
с точки зрения необходимости его использования в составе самолетной САП, в
частности для защиты дорогостоящей авиационной техники. Рассмотрены этапы
разработки продукта и наиболее вероятные сроки их выполнения. Проведено
обоснование целесообразности разработки и определения технической
прогрессивности, экономическое обоснование, расчёт затрат на изготовление
изделия а так же разработан календарный план по проектированию и изготовлению
опытного образца.
Принимая во внимание требования к техническим и эксплуатационным
характеристикам, можно сделать вывод, что устройство преобразования частоты
блока цифровой обработки сигнала является наиболее подходящим вариантом его
внедрения в производство. Оптовая цена устройства, составила 3 миллиона
тысячи
рубля и
копеек.
Список используемой литературы
1) Е.К.
Ткаченко Степанова Н.А. «Методические материалы по выполнению
организационно-экономической части дипломных проектов предназначены для
студентов-дипломников технических, технологических и программно-математических
специальностей МИРЭА (Технического университета)» МИРЭА, 2007
2) И.В.
Липсиц «Введение в экономику и бизнес» Вита-Пресс , 2003
) С.И. Иванов
«Основы экономической теории» Вита-Пресс, 2000
) И.В. Егоров
«Управление товарными системами» Маркетинг, 2001
)
Е.А.Саркисянц, Л.В. Щур-Труханович «Оплата и организация труда» Финпресс, 2006
9. Экологичность и безопасность дипломного проекта
В процессе дипломного проектирования ведется опытно-конструкторская
разработка устройства преобразования частоты блока цифровой обработки сигнала
входящего в состав станции активных помех. Разработка данного устройства
связанна с рядом опасных факторов, которые влияют на безопасность и здоровье
человека, таких как пайка, искусственное освещение, высокое напряжение
измерительной аппаратуры. В данной работе рассматриваются опасные и вредные
производственные факторы, имеющие место при конструировании и сборке
устройства, а также организационно-технические мероприятия, обеспечивающие безопасность
работ.
1. Производственное помещение и оборудование
Помещение по сборке устройства представляет собой комнату общей площадью
35 м2 и высотой 3,2 м. Освещение помещения естественное и
искусственное. Поскольку процесс связан с пайкой, в комнате расположена система
вентиляционных зонтов. В комнате расположено 5 рабочих мест, имеется компьютер,
паяльные станции, а так же измерительная и проверочная аппаратура.
.Опасные факторы
В процессе изготовления и сборки модуля Ц301 применяются следующие
основные технологические операции, которые заслуживают внимания с точки зрения
экологичности и безопасности проекта.
1. Проверка
работоспособности на специализированных стендах - здесь можно выделить такие
опасные факторы, как: возможность поражения электрическим током, воздействие
электромагнитных полей при использовании элементов СВЧ, возможность
возникновения пожара при коротком замыкании высоковольтных линий.
2. Изготовление печатных плат, нанесение проводящего покрытия, эмали и
маркировки - здесь также можно выделить ряд опасных факторов, но так как эти
операции осуществляются по заказу на предприятиях, ведущих массовое
промышленное изготовление печатных плат, то данный технологический процесс
рассматриваться не будет.
3. Пайка печатной платы - это процесс наиболее опасный из применяемых при
изготовлении данного устройства. Среди вредных факторов надо отметить:
выделение паров свинца, возможность поражения электрическим током, ожог.
На основании вышеперечисленного видно, что при изготовлении
функциональных блоков системы требуется применение специальных мер по защите
технического персонала, оборудования и окружающей среды.
В данной работе требуется определить нормированное значение освещенности,
а так же рассчитать систему вентиляции производственных помещений при технологическом
процессе пайки.
Расчеты выполнены по действующим нормативам СНиП, которые определяют
опасность того или иного производственного фактора.
. Определение нормированного значения освещенности на рабочем месте
Освещенность является одним из важнейших факторов для создания
благоприятных условий труда. Освещением называется распределение света в
предметном пространстве по величине, направлению и характеру светового потока.
Правильно организованное освещение позволяет создать благоприятные условия труда,
повышает работоспособность и производительность труда, уменьшает вероятность
травматизма и некоторых профессиональных заболеваний. Утомляемость органов
зрения зависти от ряда причин - недостаточность освещенности, чрезмерная
освещенность, неправильное направление света. Недостаточность освещения
приводит к напряжению зрения, ослабляет внимание, наступает преждевременная
усталость. Чрезмерная градация освещения вызывает ослепление, раздражение и
резь в глазах. Неправильное направление света на рабочее место может создавать
резкие тени, блики и дезориентировать работающего.
Все эти факторы являются наиболее значимыми в связи с повышенными
требованиями к условиям труда и исключением несчастных случаев и
профзаболеваний в процессе производства.
Выбирается нормированная минимальная освещенность Ен = 1250лм
для общего освещения СНиП II - 4 - 79
Расчет освещенности
Расчет общего равномерного освещения производится в программе Dialux а так же методом светового потока
(коэффициента использования), учитывающий световой поток, отраженный от потолка
и стен.
Световой поток одного светильника
Ф =
где Ф - световой поток группы ламп светильника, лм;
Ен - нормированная минимальная освещенность, лк (выбирается по
СНиП)
S -
площадь освещаемого помещения, м2, (S = 35 м2 в комнате работают 5 человек);
Z -
коэффициент минимальной освещенности, равный отношению Eср/Emin значение
которого для люминесцентных ламп равно 1,1;
- коэффициент запаса, (выбирается по СНиП) равен 1,5;
N-
число светильников в помещении -10;
- коэффициент использования светового потока ламп, зависящий
от КПД и кривой распределения силы света светильника, коэффициента отражения
потолка Рn и стен Рc высоты подвеса светильников и
показателя помещения i.
Показатель помещения:
= AB/Hp(A + B),
где А и В - два характерных размера помещения (длина и ширина); Hp - высота светильников над рабочей
поверхностью. Обеспечение равномерного распределения освещенности достигается,
когда отношение расстояния между центрами светильников 2а (а принимаем равной
1м) к высоте их подвеса над рабочей поверхностью Hp составит 1,4.
Нр = 2a/1,4
= 1,43 м.
Так как зрительная работа очень тонкая, высота рабочей поверхности должна
быть hp= 0.93 м, для человека ростом 175 см
(выбирается по СНиП). Тогда расстояние от пола до светильника будет
h= Hp +hp=l,43 + 0,93= 2,36 м,
Hp - расстояние над рабочей поверхностью;
hp - высота рабочей поверхности.
Значит расстояние от потолка до светильника равно
Рассчитаем i:
Для расчета имеем: А =7 м; В=5 м; Нр= 1,43м
i=AB/Hр
(A + B) = 35/1,43
;
по таблице для коэффициента отражения потолка Рп=70% и стен
Рс=50%
(так как выбрана оптимальная высота подвеса ), найден
=60, тогда световой поток одного
светильника составит
Ф= 100
1250
35
1,1
1,5/10
60= 12031 лм;
В данном случае, определяется стандартный светильник из каталога Dialux. Это LIGHTING TECHNOLOGIES LNB+RW
236 с Ф=5700 лм.
Фобщ= Фл
- световой поток всей осветительной
системы,
где Фобщ - общий световой поток, лм;
Фл - световой поток лампы, лм;
N-
число ламп, шт;
Тогда
Фобщ = 5700
10 = 57000 лм.
Освещенность для общего освещения
Е = Фобщ /S =
57000/35 = 1628 лк.
Исходя из расчетов по нормам проектирования естественного и
искусственного освещения СНиП П-4-79 общая освещенность должна быть не меньше
1250лк, чему удовлетворяет спроектированная осветительная система.
. Расчет системы вентиляции производственных помещений при
технологическом процессе пайки
Для защиты человека от вредных испарений и газов проникающих в организм,
необходимо постоянно удалять из рабочего помещения воздух насыщенный парами
вредных веществ.
Нормализация воздуха производственных помещений может быть достигнута при
помощи проточно-вытяжной вентиляции, создающей необходимый воздухообмен в
помещениях. Удаление воздуха необходимо производить из зон, где он наиболее
загрязнен парами вредных испарений, для чего необходимо использовать местные
отсосы.
Местный отсос должен:
· максимально приближен к источнику вредных испарений, но при этом не
должен мешать технологическому процессу;
· не допускать прохождение удаляемого воздуха через зону
дыхания рабочего;
· иметь приемное устройство ориентированное по линии
распространения паров вредных испарений.
При технологическом процессе пайки основную опасность представляет
свинец, входящий в состав припоев ПОС (припой оловянно-свинцовый). Часть свинца
при пайке испаряется в воздух. Пары свинца попадая в организм человека вместе с
вдыхаемым вызывают изменения нервной системе человека, в крови и дыхательных
путях. Установленная ГОСТом норма содержания паров свинца в рабочей атмосфере
не более 0,01 мг/м3.
Проведен расчет концентрации свинца в воздухе электромонтажного цеха.
Исходные данные:
· объем цеха V = 7
5
3,2 = 112 м3;
· количество рабочих мест N=5;
· расход припоя ПОС-61 одним монтажником за смену - 200г.
Так как в припое ПОС-61 содержится 39% свинца, то при расходе припоя
массой 200г. в смену одним монтажником расходуется 78г. свинца. Принимая, что
доля испарившегося свинца равна 0,01%, вычислим количество свинца испаряющегося
за 1 смену с одного рабочего места:
Мсв = 78
0,1=7,8 мг.
Концентрация свинца в воздухе к концу смены:
К=(Мсв
N) / V=(7,8
5) / 112 = 0,35 мг/м3
Величина концентрации свинца в воздухе к концу смены превышает предельно
допустимую концентрацию (ПДК).
Так как концентрация паров свинца распределена неравномерно по всему
объему цеха (монтажники находятся в местах максимальной концентрации), то
превышение предельно допустимой концентрации будет еще большей, чем полученной
при расчете для всего помещения.
Так как концентрация не должна превышать предельно допустимые нормы,
используем в расчетах 0,95К ПДК, тогда концентрация свинца в забираемом воздухе
Кнор = 0,95
0,01 = 9,5
10-3 г/м3
Необходимая (минимальная) скорость обмена воздуха для одного рабочего
места:
Lтреб = Мсв /Кнор =
7,8
10-3/ 9,5
10-3 = 821м3/ч.
Помимо испарений свинца при пайке происходят выделения паров ацетона,
этилового спирта и других веществ используемых при пайке, но так как предельно
допустимая концентрация для них выше (например ПДК ацетона составляет 200 мг/м3,
ПДК этилового спирта 1000 мг/м3), то необходимая скорость обмена
воздуха для них будет значительно меньше.
Расчет системы вентиляции электромонтажного цеха
В случае когда вредные испарения нагреты и имеет место конвективный поток
воздуха, применяются вытяжные зонты. Уклон стенок зонта рекомендуется брать
60°, при этом источник вредных испарений должен перекрываться приемным
отверстием зонта.
Объем воздуха забираемый зонтом:
L=3600
F
W,
где W - средняя скорость потока воздуха в
рабочем проеме зонта, для операции пайки составляет 0,7 м/с; F - площадь приемного отверстия.
Размеры приемного отверстия берется на 0,5 метров больше размеров
источника загрязнения, равной рабочему полю монтажника 0,3
0,4 м:
=(0,3 + 0,5)
(0,4 + 0,5)=0,72 м2 .
Тогда объем забираемый зонтом:
L=
3600
0,72
0,7 = 1814,4 м3/ч.
Объем воздуха забираемый зонтом больше требуемого, следовательно,
использование вентиляционных зонтов позволит на рабочих местах привести в
соответствие с нормами концентрацию вредных веществ в электромонтажном цехе.
Выводы
В данной части дипломного проекта перечислены все вредные и опасные
факторы, возникающие при изготовлении функциональных узлов прибора, и приведены
меры защиты, которые позволят снизить опасность вредных воздействий
производства и создать безопасные условия, способствующие высокой
производительности труда. Были проведены расчеты вентиляции помещения. Для
производственных помещений, в которых выделяются вредные вещества или резко
выраженные неприятные запахи количество уделяемого воздуха должно обеспечить
концентрацию вредных веществ в воздухе не превышающую предельно допустимую. Это
условие выполнено. Вентиляция соответствует санитарным нормам. Также были
проведены расчеты освещенности, полученные результаты говорят о том, что
спроектированная осветительная система соответствует необходимым требованиям.
Список используемой литературы
1. М.И. Краснов
Г.А. Тищенко и др. « Пособие по расчету и проектированию естественного,
искусственного и совмещенного освещения» (к СНиП II-4-79)/НИИСФ.-М.: 1985,
Стройиздат.
. Зарецкий Е.
Н., Лернер И. И., Нефедова В. С. «Пособие по производству и приемке работ при
устройстве систем вентиляции и кондиционирования воздуха» (к СНиП
3.05.01-85)/ГПИ Проектпромвентиляция. - М.: 1989, Стройиздат.
3. Т.С.Сокол
«Охрана труда» -М.: 2006, ДизайнПРО - 309с.