Расчет полосно-пропускающего фильтра
Введение
Анализ существующих решений. Выбор аналогов и
прототипов.
Целью радиотехнической разведки может быть не
только определение значения несущей частоты разведываемых радиотехнических
устройств, но и запоминание этой частоты для того, чтобы обеспечить возможность
создания активных помех.
В простейших станциях помех запоминание несущей
частоты и настройку на нее передатчика помех осуществляет оператор. В этом
случае процесс запоминания частоты и наведения (настройки) передатчика помех
требует большого времени. В настоящее время имеется возможность настройку
передатчиков помех на несущую частоту сделать автоматической.
Количественными характеристиками различных
способов и устройств запоминания частоты являются следующие:
время настройки;
время запоминания;
точность настройки;
точность удержания частоты;
диапазон запоминания;
разрешающая способность (способность
одновременной настройки на несколько частот).
Рассмотрим некоторые конкретные способы и
устройства запоминания и воспроизведения частоты.
.СВЧ-Ретрансляторы. Ретрансляторы обладают
достаточнойширокополосностью, позволяют воспроизводить на выходе несущую
частоту действующего СВЧ-сигнала. Они имеют ряд недостатков, ограничивающих
возможности их использования: ретранслятор применяется только при создании
помех РЛС с непрерывным и квазинепрерывным зондирующим сигналом. При создании
помех дальномерному координатору, импульсной РЛС, ретранслятор не применим, так
как помеха заключается в формировании сигнала с ложной дальностью, а ложная
дальность соответствует иному значению задержки импульса во времени и на этой
временной позиции отраженный сигнал уже не существует.
.Устройство кратковременного запоминания и
воспроизведения несущей частоты (УКЗЧ) запоминает и воспроизводит несущую
частоту на небольшой отрезок времени (порядка 4-5 мкс). Данное устройство
обычно выполняют по схеме рециркулятора. УКЗЧ имеет возможность обработки
импульсных потоков с большой плотностью (до 250 кГц). К недостаткам относятся
малые ошибки в дальностях при создании помех дальномерному координатору, так
как время запоминания соответствует максимальной ошибке около 600 м.
.Системы длительного запоминания несущей частоты
строятся в основном на использовании матричных приемников. Эти устройства
позволяют запоминать несущую частоту на значительное время, соизмеримое с
периодом повтора импульсов и даже больше его. При использовании нескольких
ступеней в матричном приемнике точность воспроизведения может быть достаточно
высокой. К недостаткам матричной системы относятся: многоэлементность и громоздкость
(масса более 70 кг), значительные потери мощности из-за размножения частот при
многосигнальной ситуации, когда в СВЧ-полосу станции помех попадает две или
более несущих частоты. В этом случае появляются ложные воспроизводимые частоты,
общее число которых пропорционально квадрату числа ступеней матричного
приемника.
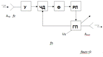
.Запоминание несущей частоты с помощью
автоподстройки генератора (метод АПЧ по отклонению). Этот способ использует
принцип автоматической подстройки частоты гетеродинов приемников. Блок-схема
одноканального устройства запоминания частоты представлена на рисунке 1.1.
Сигнал подавляемого радиоэлектронного средства через приемную антенну поступает
в усилитель У, после чего воздействует на частотный детектор ЧД, куда подается
также напряжение настраиваемого генератора помех ГП. При отклонении частоты
генератора помех fп от частоты воздействующего сигнала fc на выходе частотного
детектора ЧД возникает напряжение, которое после фильтрации воздействует на
реактивную лампу РЛ, с помощью которой осуществляется управление частотой
генератора помех. Схема построена таким образом, чтобы при возникновении
рассогласования управляющее воздействие сводило его к нулю. Таким образом,
частота генератора помех поддерживается близкой к частоте несущей подавляемого
радиоэлектронного средства.
Рисунок 1.1. Блок-схема одноканального
устройства запоминания частоты с помощью автоподстройки генератора
Описанная схема требует значительной развязки
приемной и передающей антенн. В самолетных станциях помех развязка приемной и
передающей антенн встречает существенные трудности.
Недостатками рассмотренного одноканального
устройства являются:
малая ширина диапазона запоминания,
ограничиваемая возможностями схем электронной и механической подстройки
частоты;
недостаточная разрешающая способность (схема
запоминает только одну частоту).
.Многоканальный способ запоминания частоты.
Рассматриваемый способ запоминания является развитием многоканального метода
разведки частоты (рисунок 1.2). Диапазон запоминания перекрывается системой
фильтров. Напряжение с выхода этих фильтров поступает после усиления и
детектирования на реле Р1, Р2, ..., Рn.
Рисунок 1.2. Блок-схема многоканального
устройства запоминания частоты
Если в каком-либо j-м канале обнаруживается
сигнал, то срабатывает реле Рj, и включается соответствующий генератор помех.
Точность запоминания частоты при таком способе определяется шириной полосы
пропускания входных фильтров. Основным недостатком данного устройства является
значительный объем аппаратуры, если речь идет об обеспечении запоминания с
высокой точностью в широком диапазоне частот.
.Цифровые системы запоминания и воспроизведения
несущей частоты позволяют наиболее точно воспроизводить несущую частоту. При
этом приходится отказываться от ретрансляционного принципа построения
аппаратуры помех и делать приемную часть многоканальной с преобразованием на
промежуточную частоту, на которой и осуществляется цифровая обработка.
Идея цифрового устройства воспроизведения
частоты основывается на том, что информацию о частоте сигналов в полосе работы
устройства, записанную в запоминающее устройство (ЗУ) можно затем списывать
неограниченное время, без разрушения заложенной в ЗУ информации и это время будет
определяться только продолжительностью команды списывания.
Например, в качестве устройства цифрового
запоминания частоты можно использовать процессор 1879ВМ3.
Он предназначен для использования в составе
микропроцессорных систем обработки радиосигналов и интегрируется в состав
системы как периферийное устройство, позволяющее внешнему процессору
осуществлять доступ к внутренним ресурсам устройства запоминания частоты как к
области статической памяти с произвольным доступом. Управление и контроль
работы устройства внешний процессор осуществляет путем обмена данными через
общую для внешнего процессора и встроенного управляющего контроллера УЦЗЧ
внутреннюю память. Работой всех внутренних узлов УЦЗЧ управляет встроенный RISC
- контроллер, выполняющий загружаемую в память программ (Instruction RAM)
последовательность команд.
Внутренняя память объемом 2Mбит позволяет
принимать и сохранять высокочастотные аналоговые сигналы. Большое количество
программируемых счетчиков и развитая система внутренних и внешних прерываний
обеспечивают выдачу на аналоговые выходы однократных и периодических сигналов
ПЧ, хранящихся во внутренней памяти контроллера, в реальном масштабе времени с
требуемыми задержками и длительностями. Встроенные быстродействующие
арифметические узлы обеспечивают программируемую аттенюацию входных сигналов,
их суммирование с выходными сигналами, программируемое изменение сдвига частоты
выходных сигналов. Внешняя 64-разрядная шина обеспечивает быстрый обмен
командами и данными с внешней памятью или ЦПС как в режиме прямого доступа к
памяти (ПДП), так и в режиме произвольного доступа ЦПС к внутренней памяти
контроллера.
Конфигурация устройства цифрового запоминания
частоты и имеющиеся аппаратные ресурсы позволяют одновременно производить
запись входного радиочастотного сигнала и воспроизводить несколько копий
записанных ранее сигналов, (в том числе и записываемого в данный момент),
количество которых ограничено только их суммарной длительностью, с независимой
математической обработкой каждого. Одновременно с этим, и для внешнего
процессора внутренние ресурсы УЦЗЧ всегда доступны через встроенную память.
В настоящее время за рубежом уже достаточно
широко применяются станции помех, построенные по данному принципу. В нашей
стране данная разработка является практически первым шагом в этой области, но
надо сказать, что, несмотря на это, по многим параметрам наше устройство если
не превосходит, то во всяком случае не уступает аналогичным зарубежным
разработкам.
1. Описание структурной схемы станции активных
помех (САП)
Станция активных имитационно-шумовых помех (САП)
МСП-418К создана с целью защиты самолета МИГ-29 от радиоэлектронных средств
управления оружием (РЭС УО), которые входят в состав зенитно-артиллерийских и
авиационно-ракетных комплексов ПВО вероятного противника, в том числе и от
головок самонаведения (ГСН).
Станция МСП-418К может обеспечивать
сопровождение не менее четырех РЭС УО и может создавать им преднамеренные
прицельные активные помехи в секторе ±45°
по азимуту и±30° по углу места в
передней полусфере (ППС) или (и) задней полусфере (ЗПС).
Станция МСП-418К разработана на основе
устройства цифрового запоминания частоты (ЦРЧП), с помощью ЦРЧП станция
МСП-418К формирует шумовые и имитационные помехи по дальности, скорости и
угловым координатам РЭС УО с импульсными, квазинепрерывными, длинноимпульсными
и непрерывными сигналами.
Станция МСП-418К обеспечивает формирование
следующих видов помех:
Высокочастотная шумовая помеха (ВШП):
Ложные цели (ложные отметки)
Уводящие по дальности
Уводящие по скорости
Целью данного дипломного проекта является
разработка модуля формирователя сетки частот для самолетной станции активных
помех, который должен удовлетворять заданным техническим требованиям.
1.1 Структурная схема станции активных помех
Рис. 1.1. Структурная схема станции МСП-418К
Основные технические характеристики МПС-418К
Частотный диапазон работы станции: 4-18 ГГц.
Выходная мощность: 100 Вт
Время готовности к работе после подачи питающих
напряжений: не более 5 минут
Количество одновременно сопровождаемых РЛС,
облучающих ЛА: 4
Коэффициент усиления передающих антенн: 5дБ
Чувствительность по входу приемника: не менее
минус 60 дБВт
Массогабаритные характеристики:
Длина контейнера: 3820 мм
Ширина контейнера: 225 мм
Высота контейнера: 230 мм
Масса: 150 кг
Система охлаждения: воздушное принудительное.
Энергопитание:
По постоянному току: от бортовой сети
напряжением 27 В
По переменному току: от бортовой сети
переменного трехфазного тока постоянной частоты 400 Гц номинальным напряжением
115 В.
Динамический диапазон: не менее 35 дБ
Состав станции активных помех и краткое описание
каждого блока
Станция активных помех МСП-418К представляет
собой контейнер, который устанавливается под крылом самолета. В контейнере
размещаются следующие блоки:
Устройство мгновенного измерения частоты (МИЧ)
принимаемого сигнала. МИЧ осуществляет:
поиск сигналов по частоте от вражеских РЭС УО,
которые облучают станцию и мгновенное определение частоты принимаемого сигнала.
задержку входного СВЧ сигнала на время
формирования кода управления синтезаторами и настройку канала цифровой
радиочастотной памяти на его частоту;
формирование кода управления канала цифровой
радиочастотной памяти (ЦРЧП) для его настройки на частоту входного СВЧ сигнала;
частотно-временного бланкирование станции по
входу в интересах электромагнитной совместимостью с БРЭО;
распределение входных СВЧ сигналов, поступающих
от приемных антенн ППС и ЗПС, по входам приемо-передающих устройств анализа и
формирование сигналов на основе цифровой радиочастотной памяти.
Выходные усилители мощности предназначены для:
усиления СВЧ сигналов поступающих на их входы от
устройства анализа и формирования сигналов.
Устройство анализа и формирования сигналов на
основе цифровой радиочастотной памяти. Предназначено для:
цифровой записи и многократного воспроизведения
точных копий сигналов, облучающих ЛА от РЭС УО, с непрерывным,
квазинепрерывным, импульсным и длинноимпульсным излучением;
анализа сигналов и распознавания типов
обнаруженных сигналов;
формирования спецсигналов не менее чем двум
подавляемым радиолокационным средствам;
выбора оптимального вида воспроизводимых
сигналов в зависимости от этапа работы и типа РЭС УО, облучающих объект;
формирования на основе воспроизводимых копий
имитационных и шумовых спецсигналов;
проведения встроенного контроля (ВСК);
распределения воспроизводимых копий сигналов по
входам двух выходных усилителей.
Антенные устройства станции. Предназначены для:
приема в заданном секторе по азимуту и углу
места СВЧ сигналов РЭС УО, облучающих объект;
предварительного усиления входных СВЧ сигналов
станции;
излучения выходных СВЧ сигналов станции,
сформированных устройством анализа и формирования сигналов и усиленных выходным
усилителем мощности (ВУМ).
Устройство управления и контроля состояния.
Предназначены для:
включения станции;
распределения и подачи питающих напряжений на
блоки;
защиты блоков по цепям питания;
индикации исправности плавких вставок;
связи станции с бортовым радиоэлектронным
оборудованием и системой энергоснабжения объекта.
управления работой блоков и узлов станции;
цифровой обработки сигналов, поступающих от
блоков и устройств станции, а так же сигналов от других изделий поступающих по
интерфейсам связи с БРЭО;
выработки рабочей программы станции;
записи с привязкой по времени информации о
состоянии устройств станции, о параметрах входных СВЧ сигналов, а так же
реакции каналов цифровой радиочастотной памяти на входные воздействия.
Переключающая матрица осуществляет выбор между
антеннами ППС и ЗПС для излучения сигнала.
Вторичный источник питания необходим для
формирования питающих напряжений для обеспечения питания блоков и устройств
станции.
.2 Принцип действия станции активных помех
Станция активных помех МСП-418К имеет две
приемные и две передающие антенны, которые обеспечивают прием сигналов от РЛС,
облучающих ЛА в передней и задней полусферах (ППС и ЗПС). Диаграммы
направленности приемных антенн обеспечивают прием в секторах ±45о по азимуту и
±30о по углу места.
Сигнал от РЛС поступает на приемные антенны с ППС
(Апрм1) или/и с ЗПС (Апрм2). Далее сигнал поступает на устройство мгновенного
измерения частоты (МИЧ), которое охватывает диапазон 4-18 ГГц с помощью 32
поддиапазонов по 500МГц. В нем происходит разделение сигнала на два части. Одна
часть используется для грубого измерения частоты с точностью до ±250МГц и для
формирования позиционного кода управления для УАФС, а вторая задерживается на
то время, пока идет настройка УАФС на нужный диапазон частот по полученному
позиционному коду.
Позиционный код номера частотного
канала от УМИЧ преобразовывается в параллельный код управления синтезаторами и
передается в блок УАФС для настройки канала ЦРЧП на частоту принимаемого
сигнала. Так как устройство ЦРЧП работает в диапазоне 
, то для переноса сигнала в этот
частотный диапазон используется синтезатор и входной конвертор. С помощь ЦРЧП
происходит формирование помехи, оптимальной для данного вида сигнала. Для
переноса помехового сигнала в его изначальный частотный диапазон используется
выходной конвертор.
Также сформированный позиционный код
передается в устройство управления и контроля состояния (УУКС), где происходит
оценка степени опасности и ранжирования по очередности обслуживания. На
основании полученной информации от УУКС об очередности обслуживания, УМИЧ
подает задержанный сигнал на нужный физический канал УАФС.
Также в УФАС осуществляется
формирование управляющего кода, который подается на переключающую матрицу для
выбора направления излучения сигнала либо ППС либо ЗПС.
Далее в зависимости от направления
прихода сигнала (ППС или ЗПС) переключающая матрица направляет сигнал либо на
входной усилитель мощности 1 (ВУМ1) либо на ВУМ2, где сигнал усиливается до
требуемой мощности и излучается передающей антенной Апрд1 для ППС или Апрд2 для
ЗПС.
2. Разработка функциональной схемы
синтезатора частот
.1 Основные параметры
Устройство синтеза сетки частот
входит в состав УАИФС. Устройство предназначено для формирования сигнала с
одной из дискретных частот из диапазона 8.25÷12 ГГц.
Основные технические характеристики
устройства:
Количество синтезируемых частот 16
Шаг перестройки 250 МГц
Выходная мощность 1±0.5 мВт
Напряжение питания +5В
Ток потребления не более 1.85 А
.2 Принцип работы
Генераторы опорной частоты (ГОЧ)
состоят из генератора на диэлектрическом резонаторе с буферным каскадом
усиления и делителя мощности, предназначенного для разветвления сигнала на оба
переключателя. Рабочие частоты генераторов выбираем 9,5ГГц, 9,75ГГц, 10,5ГГц,
10,75ГГц. Ток потребления 80 мА при напряжении +12 В. Переключателями управляет
ЦП. ЦП задает диапазон, в котором находится обрабатываемый сигнал - эту
информацию он получает от МИЧа. Обработав данную информацию, он даёт
управляющий сигнал на переключатели, с тем, чтобы они пропускали сигналы с
«нужных» генераторов и блокировали сигналы со всех остальных.
Далее сигналы с переключателей
поступают на преобразователь частоты, который формирует 16 частот в диапазоне
8.25-12 ГГц с шагом 250 МГц. Структурная схема устройства приведена в
приложении А.
2.3 Описание и назначение
преобразователя частоты и его составных
частей
Далее сигналы с переключателей
поступают на преобразователь частоты. Структурная схема устройства приведена в
приложении Б.
Сигнал с одного переключателя
поступает на умножитель устройства. Далее полученный сигнал фильтруется с
помощью ППФ, усиливается и поступает на смеситель, где смешивается с сигналом,
поступающим от генератора на диэлектрическом резонаторе. После смешивания
сигнал имеет частоту
. Далее
сигнал поступает с помощью переключателя на один из двух ППФ фильтров. Сигнал
со второго переключателя поступает на смеситель преобразователя частоты, где
смешивается с сигналом
и
фильтруется ППФ. Таким образом на выходной смеситель поступают два сигнала
и
. Т.е. на
выходе конвертора получаем:
Произведём расчет возможных частот,
которые можно получить с помощью данного синтезатора:
Таким образом, на выходе синтезатора
может быть сформирован сигнал с одной из дискретных частот диапазона 8.25÷12 ГГц с
шагом 250МГц.
3. Расчет схемы управления
переключателем СП4х1
Согласованный переключатель СП4х1
является быстродействующим СВЧ-устройством. Формирование управляющих сигналов
осуществляет плата управления СПДР.
Рисунок 3.1 Согласованный
переключатель СП4х1, схема электрическая принципиальная.
Принцип работы заключается в
следующем: с платы ППУС-Н на плату управления переключением через входной
разъем поступают напряжения питания и управляющий сигнал. В плате управления
переключением располагаются пять логических схемы исключающие «или» SN74AHCT86D
(TexasInstruments). Логика работы этих схем поясняется следующей таблицей 3.1.
Микросхема SN74AHCT86D
(TexasInstruments) выбрана для обеспечения согласования по быстродействию и
уровням сигналов с быстродействующими процессорами. Отечественных аналогов в
настоящее время не существует. Данный вид микросхемы рекомендован к разработке
внутренним перечнем электрорадиоизделий иностранного производства на
предприятии.
Таблица 3.1.
|
Вход
А
|
Вход
В
|
Выход
|
|
L
|
L
|
L
|
|
L
|
H
|
H
|
|
H
|
L
|
H
|
|
H
|
H
|
L
|
Здесь L - низкий логический уровень сигнала, H -
высокий логический уровень сигнала. Пороговый уровень составляет 3В.
По электрической принципиальной схеме видно, что
на микросхему DD1.1 на вход 1 подается постоянное напряжение от импульсного
источника питания +5В, то есть сигнал высокого уровня, а на вход 2 поступает
управляющий сигнал с платы ППУС-Н, который может быть как высокого, так и
низкого уровня. В микросхеме DD1.2 вход 5 заземлен, что равносильно низкому
уровню, а на вход 4 так же поступает управляющий сигнал с ППУС-Н. В микросхеме
DD1.3 на вход 9 подается постоянное напряжение от импульсного источника питания
+5В, а на вход 10 поступает второй управляющий сигнал с платы ППУС-Н, который
может быть как высокого, так и низкого уровня. В микросхеме DD1.4 вход 13 заземлен,
что равносильно низкому уровню, а на вход 12 так же поступает второй
управляющий сигнал с платы ППУС-Н.
Предположим, что поступили управляющие сигналы
низкого уровня, таким образом, согласно таблице 1 на выходе DD1.1 и DD1.3 будут
высокие уровни, за счет чего откроются транзисторы VT1 и VT3 и схема управления
подаст сигналы на микросхемы DA1, DA2 и DA3, которые откроют соответствующий
канал для приема СВЧ-сигнала от опорных генераторов ОГ2 и ОГ2-1. Если же с
ППУС-Н поступят управляющие сигналы высокого уровня, то транзисторы VT1 и VT3
будут закрыты, а VT2 и VT4 - открыты и переключатель перейдет на прием сигнала
с другого опорного генератора.
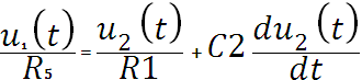
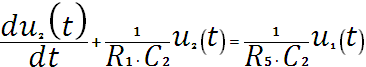
Рассмотрим цепь:
Рисунок 3.2 - Схема заряда емкости
Составим дифференциальное уравнение протекающих
процессов. Запишем первый закон Кирхгофа:
(t)= i2(t)+ i3(t).
Здесь токи определяются как
i1(t)=
(t)=
(t)=
Таким образом: 
Проведя преобразование, имеем

Данное дифференциальное уравнение
является неоднородным. Приведем его к однородному:

Анализируя это уравнение, видим что
постоянная времени цепи равна

.
таким образом время переключения
будет составлять tпер=5
5·5,28=26,4 нс.
4. Расчёт ППФ диапазона 6.5-7.75 ГГц
.1 Расчет ППФ
.1.1 Постановка задачи
Рассчитать ППФ фильтр на встречных
стержнях с короткозамкнутыми входным и выходным стержнями «встречно-стержневой»
(также называемый встречно-гребневым фильтром).
.1.2 Исходные данные
волновое сопротивление тракта
Ом;
граничные частоты, полосы
пропускания

граничные частоты полос заграждения
фильтра:
низкочастотной 
высокочастотной 
минимально-допустимое затухание в
полосах заграждения:

В качестве материала подложки (в
соответствии с принятым на предприятии стандартом) выбираем поликор со
следующими характеристиками: диэлектрическая проницаемость среды
, толщина
подложки h=1мм и толщина металлизации микрополоска t=0.13мм;
Широко распространены два вида
аппроксимирующих функций, удовлетворяющих условиям физической реализуемости:
максимально-плоская и чебышевская.
Типовые частотные характеристики
вносимого затухания фильтров с максимально-плоской и чебышевской
характеристиками представлены на рисунке 4.1 а, б.
а - максимально-плоская
характеристика б - чебышевская характеристика
Рисунок 4.1 - Типовые характеристики
фильтров
В нашем случае чебышевская
характеристика более приемлема чем максимально плоская, так как необходимый
коэффициент прямоугольности обеспечивается меньшим числом резонаторов.
Коэффициент прямоугольности
рассчитывается по формуле:
(4.1)
При этом колебательный характер
чебышевской характеристики не превышает максимально допустимый уровень
затухания в полосе пропускания
, а минимально допустимое затухание
в полосах
заграждения соответствует заданному.
.1.3 Расчёт ППФ фильтр на встречных
стержнях с короткозамкнутыми входным и выходным стержнями
. По заданным граничным частотам
определяем
необходимое число резонаторов n-фильтра с чебышевской частотной характеристикой
по формуле:
, (4.2)
где
или
; 
.
Округлив значение из формулы 5.2 до
ближайшего большего целого, получим число резонаторов n=7.
. По известному числу резонаторов n
и заданному вносимому затуханию
находим вспомогательные коэффициенты
:
коэффициенты
рассчитываются по формуле
(4.3)
. По известным коэффициентам
вычисляем
коэффициенты связи
в i-ой
секции связанных полосок по формуле
, (4.4)
где
i=1,2,3,……n+1. (4.5)
В результате расчётов получаем
.По известным величинам отношения
вычисляют
входное сопротивление
i-ой секции
связанных полосок по формуле
(4.6)
При
. По известны величинам
и h
определяем геометрическую ширину полоски W [мм] СВЧ тракта по формуле:
, (4.7)
где
- эквивалентная ширина полоски [мм],
- расширение полоски [мм].
По графику, на рисунке 5.2 для
(предполагая
некоторое отклонение от
на
графике), при волновом сопротивлении
, относительная эквивалентная ширина
полоски
, отсюда Wэ
= 0,95*h=0,95*1=0,95 мм. По графику рисунке 4.3, при известном
определим
относительное расширение полоски
, отсюда
∆W = 0,15*h=0,15*1=0,15 мм.
По формуле 5.7 определим
геометрическую ширину полоски.
= Wэ -∆W = 0,95-0,15=0,8 мм.
Рисунок 4.2 - Графики зависимости
волнового сопротивления
от
относительной ширины полоски 
Рисунок 4.3 - График зависимости
относительного расширения полоски 
от её относительной ширины 
. По вычисленному коэффициенту связи
и входному
сопротивлению связанных резонаторов
определяем ширину полосок
резонаторов
из
зависимостей, представленных на рисунке 5.4 и зазоры
из
зависимостей, представленных на рисунке 5.5. Результаты вычислений, для наглядности
сведены в таблице 5.1.
Рисунок 4.4 - Зависимость
коэффициента связи
между МПЛ от
для
различных
и
Рисунок 4.5 - Зависимость
коэффициента связи
между МПЛ от
дляразличных
и
Таблица 4.1 - Значения ширины
полосок резонаторов
и зазоров
между ними.
|
№
резонатора
|
Вычисленные
значения
|
Значения
из графиков рис 5.5, рис 5.6.
|
Результаты
вычислений при h=1мм
|
|
i
|
    [мм] [мм]
|
|
|
|
|
|
|
1
|
0.482
|
54.798
|
0.65
|
0.6
|
0.65
|
0.6
|
|
2
|
0.193
|
50.997
|
0.88
|
0.65
|
0.88
|
0.65
|
|
3
|
0.152
|
50.604
|
0.89
|
0.82
|
0.89
|
0.82
|
|
4
|
0.146
|
50.555
|
0.9
|
0.85
|
0.9
|
0.85
|
|
5
|
0.152
|
50.604
|
0.89
|
0.82
|
0.89
|
0.82
|
|
6
|
0.193
|
50.997
|
0.88
|
0.65
|
0.88
|
0.65
|
|
7
|
0.482
|
54.798
|
0.65
|
0.6
|
0.65
|
0.6
|
7. По выбранным значениям
материала и
толщины подложки h определим относительную фазовую скорость
в i-ой
секции связанных полосок шириной
и зазором
между ними.
Относительную фазовую скорость в
области связи
между
линиями определяют по формуле:
, (4.8)
где
и
-относительные фазовые скорости
четного и нечетного типов волн, соответственно, которые определяются
выражениями
(4.9а)
(4.9б)
В (4.9 а, б),
и
-
относительные диэлектрические проницаемости для волн четного и нечетного типов,
соответственно.
Подставив (4.9) в (4.8), получим:
(4.10)
Определим
и
, для
резонаторов с
,
выполненных на подложке с
. Для
упрощения расчётов целесообразно использовать графические зависимости рисунка
4.6, предварительно определив величину связи
из выражения:
(4.11)
Рисунок 4.6 - Зависимость
и
от величины
связи
для
различных
.
Результаты вычислений
по (4.11),
по (4.10),
а также значения
и
определенные
по графикам, представлены в таблице 4.2.
Таблица 4.2
|
№
резонатора
|
Вычисленные
значения
|
Значения,
полученные из графиков
|
Результаты
вычислений
|
|
i
|
  
|
|
|
|
|
1
|
6.339
|
6.3
|
5.3
|
0.416
|
|
2
|
14.289
|
6.7
|
5.5
|
0.406
|
|
3
|
16.363
|
6.8
|
5.6
|
0.403
|
|
4
|
16.713
|
6.7
|
5.7
|
0.403
|
|
5
|
16.363
|
6.8
|
5.6
|
0.3403
|
|
6
|
14.289
|
6.7
|
5.5
|
0.406
|
|
7
|
6.339
|
6.3
|
5.3
|
0.416
, (4.12)
где в ГГц, а -эффективное
удлинение разомкнутого конца микрополоскового резонатора в мм.
в (4.11) определяется по
приближенной формуле:
(4.13)
Формула (5.13) справедлива до ( ) при h=1
мм.
Результаты расчётов по формуле
(4.12), а также по (4.13),
представлены в сводной таблице 4.3.
В таблице 4.3 представлены также все
параметры рассчитанного ППФ фильтра из параллельно-связанных полуволновых
разомкнутых на конце резонаторов с четвертьволновыми электромагнитными связями.
По этим данным, можно сделать чертёж топологии ППФ и изготовить его.
Таблица 4.3
№ резонатораi длины [мм]удлинение
[мм]ширина
[мм]зазоры
|
[мм]
|
|
|
|
|
|
1
|
4.157
|
0.25
|
0.65
|
0.6
|
|
2
|
4.026
|
0.275
|
0.88
|
0.65
|
|
3
|
3.993
|
0.276
|
0.89
|
0.82
|
|
4
|
3.992
|
0.277
|
0.9
|
0.85
|
|
5
|
3.993
|
0.276
|
0.89
|
0.82
|
|
6
|
4.026
|
0.275
|
0.88
|
0.65
|
|
7
|
4.157
|
0.25
|
0.65
|
0.6
|
9. По описанной методике можно
рассчитывать фильтры, рабочий диапазон длин волн которых составляет от 2 до 20
см (в расчёте ), а
относительные полосы пропускания от 1 до 20% для фильтров с
максимально-плоской характеристикой и от 1 до 25% для фильтров с чебышевской
характеристикой (в рассчитанном фильтре
Паразитные полосы пропускания
фильтра расположены вблизи частот кратных , то есть и так
далее.
При проектировании широкополосных
фильтров следует иметь в виду, что реальная (измеренная) полоса пропускания
получается уже расчетной. Для фильтров с расхождение может составить 6-7%.
.2 Создание и анализ модели ППФ с
помощью программы MFDR
При помощи программы MFDR были
созданы и проанализированы модели двух типов ППФ:
на параллельно-связанных
полуволновых разомкнутых на конце резонаторов с четвертьволновыми
электромагнитными связями, («лесенка»);
на встречных стержнях с
короткозамкнутыми входным и выходным стержнями «встречно-стержневой» (также
называемый встречно-гребневым фильтром).
Общий вид окна программы
представлено на рисунке.4.7.
Рисунок 4.7 - Главное окно программы
MFDR
В ходе работы в данной программе был
выбран фильтр ППФ с чебышевской характеристикой и введены следующие
характеристики фильтра:
Граничные частоты, полосы
пропускания
 ,
тогда центральная частота
; (4.14)
Относительная полоса пропускания,
или 17.5%; (4.15)
Волновое сопротивление тракта ;
Допустимый коэффициент стоячей волны
или , тогда
максимально-допустимый уровеньзатухания в полосе пропускания .
(4.16)
или неравномерность затухания в
полосе пропускания ∆An=0,2 дБ для реальной характеристики.
Число элементов НЧ-прототипа,
рассчитанное в программе составило n=6, но наиболее удобно брать большее
нечётное число элементов n=7, при этом фильтр получается симметричным.
Также были введены параметры
подложки: материал подложки - поликор, диэлектрическая проницаемость среды , толщина
подложки - 1мм с медным проводящим слоем t=0.13мм.
Отмечу, что для расчета
«встречно-стержневого» фильтра и фильтра типа «лесенка» мы используем
одинаковые параметры.
В таблице 4.4 показаны результаты
вычислений топологий фильтров.
Таблица 4.4
|
«Встречно-стержневой»
|
«Лесенка»
|
|
№
|
Зазоры,
мм
|
Ширина,
мм
|
Длина,
мм
|
№
|
Зазоры,
мм
|
Ширина,
мм
|
Длина,
мм
|
|
1
|
0,5963
|
0,6462
|
4,1475
|
1
|
0,6121
|
0,6625
|
4,2258
|
|
2
|
0,6459
|
0,8755
|
4,0069
|
2
|
0,6645
|
0,8905
|
4,1256
|
|
3
|
0,8105
|
0,8819
|
3,8944
|
3
|
0,8302
|
0,8999
|
3,9985
|
|
4
|
0,8474
|
0,8993
|
3,8832
|
5
|
0,8635
|
0,9135
|
3,9825
|
|
5
|
0,8105
|
0,8819
|
3,8944
|
6
|
0,8302
|
0,8999
|
3,9985
|
|
6
|
0,6459
|
0,8755
|
4,0069
|
7
|
0,6645
|
0,8905
|
4,1256
|
|
7
|
0,5963
|
0,6462
|
4,1475
|
8
|
0,6121
|
0,6625
|
4,2258
|
Результаты вычислений S параметров исследуемых
фильтров представлены в таблице 4.5.
Таблица 4.5
|
Фильтр
«встречно-стержневой»
|
Фильтр
«Лесенка»
|
|
F
[ГГц]
|
S21
|
АЧХ
[дБ] (20logS21)
|
S21
|
АЧХ
[дБ] (20logS21)
|
|
5,9
|
0,002
|
-55
|
0,002
|
-55
|
|
6
|
0,004
|
-48
|
0,003
|
-50
|
|
6,1
|
0,01
|
-40
|
0,006
|
-45
|
|
6,2
|
0,002
|
-35
|
0,01
|
-40
|
|
6,25
|
0,018
|
-30
|
0,011
|
-39
|
|
6,3
|
0,398
|
-8
|
0,018
|
-35
|
|
6,35
|
0,316
|
-10
|
0,355
|
-9
|
|
6,4
|
0,398
|
-8
|
0,178
|
-15
|
|
6,45
|
0,562
|
-5
|
0,224
|
-13
|
|
6,5
|
0,708
|
-3
|
0,282
|
-11
|
|
6,55
|
0,75
|
-2,5
|
0,398
|
-8
|
|
6,6
|
0,767
|
-2,3
|
0,708
|
-3
|
|
6,65
|
0,813
|
-1,8
|
0,794
|
-2
|
|
6,7
|
0,813
|
-1,8
|
0,794
|
-2
|
|
6,75
|
0,794
|
-2
|
0,767
|
-2,3
|
|
6,8
|
0,832
|
-1,6
|
0,822
|
-1,7
|
|
6,85
|
0,871
|
-1,2
|
0,861
|
-1,3
|
|
6,9
|
0,861
|
-1,3
|
0,841
|
-1,5
|
|
6,95
|
0,813
|
-1,8
|
0,813
|
-1,8
|
|
7
|
0,794
|
-2
|
0,794
|
-2
|
|
7,05
|
0,741
|
-2,6
|
0,741
|
-2,6
|
|
7,1
|
0,708
|
-3
|
0,708
|
-3
|
|
7,15
|
0,75
|
-2,5
|
0,75
|
-2,5
|
|
7,2
|
0,794
|
-2
|
0,794
|
-2
|
|
7,25
|
0,804
|
-1,9
|
0,804
|
-1,9
|
|
7,3
|
0,832
|
-1,6
|
0,832
|
-1,6
|
|
7,35
|
0,822
|
-1,7
|
0,822
|
-1,7
|
|
7,4
|
0,822
|
-1,7
|
0,822
|
-1,7
|
|
7,45
|
0,813
|
-1,8
|
0,813
|
-1,8
|
|
7,5
|
0,813
|
-1,8
|
0,813
|
-1,8
|
|
7,55
|
0,813
|
-1,8
|
0,813
|
-1,8
|
|
7,6
|
0,804
|
-1,9
|
0,804
|
-1,9
|
|
7,65
|
0,794
|
-2
|
0,794
|
-2
|
|
7,7
|
0,708
|
-3
|
0,631
|
-4
|
|
7,75
|
0,501
|
-6
|
0,447
|
-7
|
|
7,8
|
0,316
|
-10
|
0,355
|
-9
|
|
7,85
|
0,224
|
-13
|
0,282
|
-11
|
|
7,9
|
0,355
|
-9
|
0,355
|
-9
|
|
7,95
|
0,178
|
-15
|
0,1
|
-20
|
|
8
|
0,1
|
-20
|
0,056
|
-25
|
|
8,05
|
0,1
|
0,032
|
-30
|
|
8,1
|
0,056
|
-25
|
0,025
|
-35
|
|
8,15
|
0,056
|
-25
|
0,01
|
-40
|
|
8,2
|
0,032
|
-30
|
0,006
|
-45
|
|
8,25
|
0,02
|
-34
|
0,003
|
-50
|
|
8,3
|
0,003
|
-50
|
0,002
|
-55
|
По данным таблицы 4.5 были построены АЧХ
исследуемых фильтров (рисунок. 4.8). Графики строились с помощью программы
MicrosoftExcel.
Рисунок 4.8 - Сравнение АЧХ смоделированных
фильтров
Полученные АЧХ должны соответствовать
требованиям, а именно:
максимальное затухание в полосе
пропускания ;
граничные частоты, полосы
пропускания

минимальное затухание в области
заграждения
.
Из графиков видно, что АЧХ
«лестничного» ППФ, хотя и обеспечивает уровень затухания 40дБ в полосе
заграждения, но на частоте f=6.5ГГц имеет затухание , что
превышает максимально допустимый уровень затухания в полосе.
АЧХ «встречно-стержневого» ППФ имеет
полосу пропускания (по уровню затухания 8дБ) чуть больше 1,25ГГц, но смещённую
в область более низких частот. Уровень затухания в 40дБ в полосе заграждения не
обеспечивается. Таким образом, топологии обоих фильтров нуждаются в
корректировке.
Такую корректировку можно было бы
осуществить непосредственно на макете. Но на предприятии ЦНИРТИ разработчики
используют современные технологии, позволяющие производить расчеты намного
точнее и в значительно короткие сроки.
4.3 Анализ рассчитанной модели ППФ и
корректировка с помощью
программы Microwave office (MWO)
Чтобы не осуществлять корректировку
непосредственно на макете, в программе Microwave office (MWO) была создана и
проанализирована модель фильтра «встречно-стержневого» типа.
Параметры топологии синтезированного
в MFDR ППФ диапазона 6.57.75ГГц «встречно-стержневого» типа используем как
исходные данные для анализа АЧХ того же фильтра с использованием MWO.
После размещения звеньев, соединения
их между собой, введении параметров, определения типа линии и свойств подложки,
определения частотного диапазона моделирования, можно посмотреть топологию
созданной модели (рисунок 4.9).
Рисунок 4.9 - Топология фильтра на
встречных стержнях с короткозамкнутыми входным и выходным стержнями
Произведя настройку фильтра, изменяя
параметры элементов (известно, что на форму АЧХ оказывают влияние как величины
зазоров Si между микрополосковыми резонаторами, так и сами размеры резонаторов
Li и Wi), получим АЧХ фильтра «встречно-стержневого» типа (рисунок 4.10),
смоделированного в данной программе.
Рисунок 4.10
Значения величин до и после
настройки представлены в таблице 4.6.
Таблица 4.6
|
№
резонатора
|
Длина
Li[мм]
|
Зазор
Si[мм]
|
Ширина
Wi[мм]
|
|
до
настройки
|
1
|
5
|
4,1475
|
0,5963
|
0,6462
|
|
2
|
6
|
4,0069
|
0,6459
|
0,8755
|
|
3
|
7
|
3,8944
|
0,8105
|
0,8819
|
|
4
|
8
|
3,8832
|
0,8474
|
0,8993
|
|
после
настройки
|
1
|
5
|
4,384
|
0,5163
|
0,726
|
|
2
|
6
|
4,241
|
0,5459
|
0,836
|
|
3
|
7
|
4,211
|
0,583
|
0,782
|
|
4
|
8
|
4,192
|
0,595
|
0,789
|
С помощью программы MicrowaveOffice был
проанализирован и настроен ПФ67(6.5-7.75ГГц) «встречно-стержневого» типа,
параметры которого соответствуют техническим требованиям.
Аналогично были рассчитаны ступенчатые фильтры
ПФ1921, ПФ1516 и ПФ1718. Топология фильтров и АЧХ приведены в приложении Д-З,
И.
5. Расчет необходимых опорных частот синтезатора
Необходимо разработать дискретный синтезатор
частот в диапазоне 8.25-12 ГГц с шагом перестройки 250 МГц, тогда
 - число дискретов равномерной сетки
частот.
Пусть N - число генераторов. Тогда,
исходя из условия оптимальности, имеем  где m=1, 2, 3... - натуральное
число.
 - требуемое число опорных
генераторов.
Полоса синтезируемых частот больше
полосы частот опорных генераторов в 3 раза =>  - полоса частот опорных
генераторов, тогда имеет место быть 
Также, учитывая крайние граничные
частоты сетки, имеем

(т.к. сетка частот равномерная)
=> 
Решая совместно (1) и (2) находим

Отсюда можно определить

Проведем проверочный расчет,
согласно формуле  :
6. Расчет схемы деления кольцевого
делителя устройств ГОЧ
Для проектирования кольцевого
делителя выберем микрополосковую линию передачи на подложке, выполненной из
материала «Поликор» с диэлектрической проницаемостью  , волновое сопротивление подводящих
линий  Ом, толщина подложки  мм . Узел ГОЧ генерирует сигналы на
частоте  ГГц, таким образом он настроен на
длину волны
 см.
Проведем технический расчет
направленного ответвителя:
Волновое сопротивление отрезков
соединительных линий кольца:
 Ом.
Из расчетных графиков [1] находим
ширину подводящих линий  мм и ширину отрезков линий кольца  мм.
Оценивается длина волны  в микрополосковой линии кольцевой
схемы при заданном  и найденном отношении  мм,
Здесь - эффективная диэлектрическая
проницаемость.
Определяется длина средней
окружности кольца:
=4.725 мм.
Ниже приводится рисунок рабочей
области направленного кольцевого делителя мощности:
Рис.6.1. Рабочая область
направленного кольцевого делителя мощности.
7. Разработка конструкции
переключателя СВЧ-сигнала СП4х1
.1 Разработка ТЗ
Наименование и область применения.
Наименование изделия - согласованный
переключатель СВЧ сигналов СП4х1. Входит в состав синтезатора частоты (модуль
Н303) блока цифрового когерентного приемника (Л281-1.3Э) малогабаритной станции
активных помех (МСП-418К).
Предназначен для сигналов с 4 входов
на 1 выход.
Основание для разработки
Основанием для разработки является
план работы ФГУП ЦНИРТИ.
Цель и задачи разработки.
Целью разработки является создание
конструкторско-технологической документации на стадии технического проектирования.
Основными задачами проектирования
являются разработка конструкции платы управления с учётом минимизации
себестоимости и обеспечения безопасных условий функционирования и изготовления.
Источники разработки.
При разработке использовались данные
по функциональным аналогам (разработка ФГУП ЦНИРТИ - П1х2ГД) и посадочные места
при установке блока в модуль синтезатора частоты (модуль Н303).
Технические (тактико-технические)
требования.
Состав изделия и требования к его
конструкции.
Согласованный переключатель выполнен
в виде герметичного моноблока, внутри установлены платы управления и СВЧ
пеерключателя .
Размеры изделия не более 56х45х17
мм.
Масса изделия не более 200г.
Показатели назначения.
электропитание узла осуществляется
от источников постоянного тока напряжением +5В±0,25В и -12В±0,25В;
потребляемая мощность не более 2 Вт;
потребляемый ток 146 мА;
диапазон переключаемых сигналов
8,25..12ГГц
Требования надёжности.
Время наработки на отказ должно
составлять не менее 10000 часов.
Требование к уровню унификации и
стандартизации.
В конструкции должны быть
использованы унифицированные и стандартизированные сборочные единицы и детали.
Уровни унификации и стандартизации, определяемые коэффициентом унификации и
стандартизации должны быть не менее 0,7.
Требование к безопасности.
При подготовке и проведении
испытаний узла необходимо соблюдать требования безопасности в соответствии с
ОСТ 11 073.062-2001. При подготовке рабочего места и блока согласованного
переключателя СП4х1 к проверке необходимо выполнять правила, установленные
«Инструкцией по электробезопасности при работе с радиоаппаратурой», действующей
на предприятии-изготовителе. К работе с узлом допускаются лица, имеющие допуск
к работе с электроустановками с напряжением до 1000 В, изучившие ТУ на модуль
Н303. Запрещается работать без надежно заземленного контрольно-измерительного
оборудования. При проверке параметров узла средства измерения должны
использоваться в соответствии с инструкциями по эксплуатации на них. По
требованиям электробезопасности согласованный переключатель СП4х1 должен
соответствовать ГОСТ 12.1.019-79.
Эстетические и эргономические
требования.
Эстетические и эргономические
требования не предъявляются
Условия эксплуатации.
Согласованный переключатель СП4х1
устанавливается в модуль Н303, установленный в блок, который размещается в
станции. Станция представляет собой контейнер, с габаритами 3820мм×225мм×230мм,
разделенный на отсеки, в которые устанавливаются блоки. Контейнер в свою
очередь может закрепляться как на крыле самолета, так и внутри фюзеляжа.
К плате предъявляются следующие
условия эксплуатации:
температура эксплуатации: -40…+70°С;
влажность воздуха не более 98% при
температуре не выше +35°С;
атмосферное давление: 5.5…100 кПа;
перегрузка 9g
верхняя граница частотного диапазона
вибрации при механических воздействиях на модуль f0 =1000 Гц
Дополнительные требования.
Дополнительные требования не
предъявляются.
Требования к транспортировке и
хранению.
Узлы, прошедшие приемку и подлежащие
хранению, помещают в герметически запаянные полиэтиленовые пакеты.В пакете
должен находиться силикогель. Узлы должны храниться на стеллажах в складском
помещении при температуре от +5 до +40 °C
и относительной влажности воздуха не более 80% при отсутствии в воздухе паров
кислот, щелочей и других примесей. Транспортирование узлов производят в таре,
защищающей от механических повреждений и попадания влаги.
Стадии разработки.
Разработка изделия должна быть
выполнена в соответствии с календарным планом, приведённом в таблице 8.1.
Таблица 7.1. Календарный план
|
Наименование
|
Срок
|
|
Выбор
элементарной базы
|
15.13.12
|
|
Разработка
конструкции изделия
|
28.03.12
|
|
Расчет
показателей качества изделия
|
06.04.12
|
|
Оформление
конструкторско-технологической документации
|
15.04.12
|
.2 Конструкторско-технологический анализ
элементной базы СП4х1
Данное устройство относится к классу самолетной
радиоаппаратуры, что существенно усложняет требования в его разработке и
предъявляет жесткие требования к прочности конструкции, конфигурации, весовым
характеристикам, устанавливаемым в него электрорадиоизделиям и комплектующим.
Целью анализа является установления соответствия
между показателями элементной базы изделия и требованиями, предъявляемыми в ТЗ
к изделию.
Задачами анализа является:
Выбор радиоэлементов;
Анализ работоспособности элементов в условиях
применения изделия;
Расчет ожидаемых массогабаритных показателей
изделия на выбранных элементах;
Анализ конструктивной и технологической
совместимости
.2.1 Выбор радиоэлементов
Ограниченные габаритные размеры модуля Н303 наложили
жесткие требования к прочности, конфигурации, весовым характеристикам,
устанавливаемым в него электрорадиоизделиям и комплектующим. Анализ показал,
что применение отечественной элементной базы в ряде случаев не позволяет в
полной мере по весу, габаритам, быстродействию, электрическим параметрам
реализовать требования технического задания на разработку.
ЭРИ, используемые в плате приведены в таблице
7.2.
Таблица 7.2. Эксплуатационные характеристики и
типы монтажа РЭ.
|
№
|
Тип
РЭ
|
Типоразмер
|
Обозначение
|
Тип
монтажа
|
Темп-й
диап-н,0С
|
|
Конденсаторы
керамические
|
0805
|
С
|
Поверхностный
|
-55
+125 0С
|
|
Микросхема
|
SN74AHCT86D
|
DD
|
Поверхностный
|
-50…+85
0С
|
|
Резисторы
|
0805
|
R
|
Поверхностный
|
-55…+1550С
|
|
Транзисторы
|
BC858C
|
VT
|
Поверхностный
|
-60…+1550С
|
|
Конденсаторы
керамические
|
К10-71
|
С
|
Поверхностный
|
-55
+125 0С
|
|
Микросхемы
|
НМС347
|
DA
|
Поверхностный
|
-50…+85
0С
|
В военной промышленности для аппаратуры СВЧ
диапазона используется MIL Standart (военный стандарт), который накладывает
определенные требования на используемые элементы. Так одно из требований -
требование по диапазону температур: от - 55… + 80 °C. Исходя из данных таблицы,
все элементы, входящие в состав устройства, удовлетворяют этому требованию.
По данным ТЗ диапазон рабочих температур
использования согласованного переключателя лежит в пределах от минус 40 0С до
+70 0С. По результатам анализа таблицы 8.2 можно сделать вывод, что все
выбранные элементы удовлетворяют требованиям и могут быть использованы при
разработке платы управления.
.2.2 Расчет ожидаемых массогабаритных
показателей
В таблице 7.3 приведены массогабаритные
показатели элементов, входящих в платы управления.
Таблица 7.3. Массогабаритные параметры
радиоэлементов.
|
№
|
Тип
РЭ
|
Наименование
|
Обозна-чение
|
Кол-во
|
m,
гр. (1го РЭ)
|
Sуст
мм2 (1го РЭ)
|
hуст
мм (1го РЭ)
|
Vуст
мм3 (1го РЭ)
|
|
1
|
Конденсаторы
керамические
|
0805-X7R
|
С
|
2
|
0,004
|
2,5
|
0,85
|
2,125
|
|
2
|
Микросхема
|
SN74AHCT86D
|
DD
|
1
|
2
|
35
|
1,75
|
61,25
|
|
3
|
Резисторы
|
CR0805-JW-200
E LF
|
R
|
17
|
0,004
|
2,5
|
0,5
|
1,25
|
|
4
|
Транзисторы
|
ВС858C
|
VT
|
2
|
2,1
|
4,4
|
1,15
|
5,06
|
.3 Выбор способа охлаждения блока СП4х1
При выборе системы охлаждения используются
следующие исходные данные: тепловой поток, рассеиваемый поверхностью
теплообмена (корпуса) конструкции Р [Вт]; площадь поверхности теплообмена
(корпуса) SK [м2]; допустимая рабочая температура наименее теплостойкого
элемента tэл min0С; максимальная температура окружающей среды tс max0С;
минимальное давление окружающей среды Hcmin мм рт. ст.
Значение теплового потока определим через
коэффициент полезного действия ŋ изделия, который мы примем равным 0,8, и
потребляемую от источника питания мощность РП, которая равна [21]:
РП = UП∙ IП = 12∙0,146 = 1,756 Вт.
Найдем значение теплового потока:
Р = РП(1- ŋ) = 1,756∙ (1 - 0,8) =
0,35 Вт
Чтобы выбрать систему охлаждения, необходимо
найти поверхностную плотность теплового потока
,
где -
поправочный коэффициент на давление
окружающей среды, Н = 760 мм рт. ст. - нормальное давление. Возьмем в качестве
значения Hc.min=200 мм рт. ст. - пониженное атмосферное давление, действующее
на модуль на высоте 30 км.
Найдем поверхностную плотность
теплового потока:
,
Где SK - площадь поверхности
теплообмена:

(взяты габаритные размеры,
задаваемые ТЗ) - равная площади блока СП4х1, который крепится к поддону модуля
Н303.
Определим допустимый перегрев в
конструкции:
Δtдоп = tэл.min- tс max = 85 -
70 = 15 0C.
Где tэлmin- допустимая рабочая
температура наименее теплостойкого элемента, tCmax - максимальная температура
окружающей среды.
Значение РOS и Δtдоп
являются координатами точки (*), положение которой на диаграмме на рис. 7.1,
определяет систему охлаждения конструкции.
Рис. 7.1. Диаграмма выбора системы
охлаждения
Рассчитанные параметры соответствуют
первому участку, а именно применению естественного воздушного охлаждения. Для
естественной системы охлаждения на стенке блока Л281-1.3 предусмотрены
воздухозаборники, которые открываются по сигналу термодатчика, находящегося в
станции. Поток воздуха поступает во все блочные отсеки. Но так как блок СП4х1
крепится к поддону модуля Н303, который может выполнять роль радиатора, и в
состав блока Л281-1.3 входят электровентиляторы типа ЭВ-1,4-3660 ОСТ 16
0.539.007-74, то охлаждение блока будет весьма эффективным.
7.4 Выбор компоновочной схемы и
несущих конструкций блока СП4х1
Выбор компоновочной схемы и несущих
конструкций начинается с тщательного изучения исходных данных, к которым
относится: краткое описание функционального назначения изделия, технические
условия и требования, комплект конструкторской документации, программа и
плановые сроки выпуска, руководящий технический, нормативный и справочный
материал. К этим данным добавляются условия, в которых предполагается
изготавливать блок: новое или действующее предприятие, его местоположение,
имеющееся на нем оборудование, обеспечения материалами и комплектующими
изделиями. Анализируя полученные исходные данные, разрабатывается план
технологической подготовке и запуску изделия в производство.
Основным направлением
совершенствования технологической подготовки монтажно-сборочного производства
является унификация ТП. Различают два вида унификации ТП: типизацию и групповые
методы сборки и монтажа.
Групповые методы сборки и монтажа
разрабатываются для определенной совокупности сборочных единиц, имеющих
одинаковые условия сборки, число точек крепления и характеризующихся общностью
применяемых средств механизации и автоматизации.
Типовым ТП называют схематичный
принципиальный процесс сборки и монтажа изделий одной классификационной группы,
включающий основные элементы конкретного процесса: способ установки и
ориентации деталей, последовательность операций, типы технологического
оснащения, режимы работы. По типовому процессу легко составляется конкретный
процесс сборки изделия.
Для производства блока используется
типовой технологический процесс изготовления ДПП (ОСТ 107.460092.004 - 86).
Разработка технологического процесса
сборки и монтажа блока начинается с расчленения его на сборочные единицы. На
практике широко применяются две схемы сборки: «веерная» и с базовой деталью.
Более наглядной является схема с
базовой деталью. За базовую деталь принимается каркас, шасси, панель, плата или
другая деталь, с которой начинается сборка.
Состав операций сборки определяют,
исходя из оптимального сочетания монтажно-сборочного производства. При не
поточном производстве, целесообразными технологическими границами дифференциации
являются:
однородность выполняемых работ;
получение в результате выполнения
операции законченной системы поверхностей деталей или законченного сборочного
элемента:
независимость сборки, хранения и
транспортирования от других сборочных единиц;
возможность использования простого
(универсального) или переналаживаемого технологического оснащения;
удобство планировки рабочих мест и
участков;
обеспечение минимального удельного
веса вспомогательного времени в операции;
установившиеся на данном
производстве типовые операции.
Оптимальная последовательность
технологических операций зависит от их содержания, используемого оборудования и
экономической эффективности. В первую очередь выполняются неподвижные
соединения, требующие значительных механических усилий или сложные
дорогостоящие операции. На заключительных этапах собираются подвижные части
изделий, разъемные соединения, устанавливаются детали, заменяемые в процессе
сборки и эксплуатации в случае выхода из строя.
Перед тем как приступить к сборке
все детали подвергаются контролю на соответствие сопроводительной документации
с отметкой ОТК.
Основными условиями конструирования
блока являются:
реализация в новой разработке
принципа преемственности конструкторско-технологических решений, освоенных в
производстве;
широкое использование
автоматизированных средств проектирования.
Обеспечение простоты и
рациональности конструкторских решений, при которых надежное выполнение
установленных для блока функций осуществляется при минимальном числе и
наибольшей простоте его составных частей.
Блок СП4х1 представляет собой
герметически запаянную монолитную конструкцию, внутри которого помещаются две
печатные платы: управления и СВЧ переключателя. Стенки блока выполнены из
алюминия, в боковой стенке имеется трубка для откачивания воздуха и заполнения
объема азотом, которая потом обжимается и запаивается. В нижней стенке блока
имеется отверстие, через которое заливается клей-герметик Эластостиль,
обеспечивающий дополнительную герметизацию.
.5 Разработка конструкции платы
управления и блока СП4х1
.5.1 Выбор материала для
изготовления печатной платы
Необходимо выбрать наилучший
материал для изготовления печатной платы управления, для этого сравним три
основных вида материалов по комплексному показателю качества и выберем наилучший.
В качестве материалов будем использовать керамику: Стеклотекстолит СФ-1-50,
22ХС и Стеклотекстолит СОНФМ-1-35-1. Комплексная оценка производится по формуле
[21]:
где - весовые коэффициенты,
определяющие значимость каждого из n дифференциальных показателей качества
варианта, -
нормированные значения показателей.
Сравнение этих материалов проведем
по параметрам, приведенным в таблице 7.4.
Таблица 7.4. Параметры материалов
для изготовления ПП
Материал Диэлектри-ческая
проница-емость, ε Тангенс
угла диэлектрических потерь, tgδ Плотность, ρ, г/см3 Удельное
объемное электрическое сопротивление,  , Мом смЦена,
|
Руб.
|
|
|
|
Стеклотекстолит
СФ-1-50
|
9,2
|
0,0004
|
3,7
|
7
|
440
|
|
22ХС
|
10,3
|
0,0006
|
3,8
|
1 9380
|
|
|
Стеклотекстолит
СОНФМ-1-35-1
|
6,3
|
0,0006
|
1,2 10510
|
|
Необходимо произвести выравнивание влияния
дифференциальных показателей к тенденции увеличения качества. Выравнивание
производится заменой дифференциальных параметров, выпадающих из общей тенденции
увеличения качества, обратными величинами. Обратными величинами следует
заменить следующие параметры: плотность, т.к. с увеличением плотности
увеличивается масса, тангенс угла диэлектрических потерь, т.к. с его
увеличением увеличиваются потери в диэлектрике, диэлектрическая проницаемость,
т.к. с ее ростом увеличивается паразитная связь между проводниками на ПП и
стоимость. Удельное объемное электрическое сопротивление заменять не нужно,
т.к. при его увеличении повышается электрическая прочность ПП.
Полученные показатели приведены в таблице 7.5
Таблица 7.5. Параметры материалов для ПП с
тенденцией на повышение качества
|
Материал
|
|
|
 , г/см3 , Мом см
|
|
|
|
Стеклотекстолит
СФ-1-50
|
0,1
|
2500
|
0,27
|
107
|
0,0022
|
|
22ХС
|
0,1
|
1666
|
0,29
|
5 90,0026
|
|
|
Стеклотекстолит
СОНФМ-1-35-1
|
0,16
|
1666
|
0,36
|
1,2 100,002
|
|
Далее необходимо произвести нормировку
дифференциальных показателей, это необходимо сделать для исключения
размерности. Для этого в каждом столбце все величины необходимо разделить на
максимальную величину. Результаты представлены в таблице 7.6.
Таблица 7.6. Нормированные параметры материалов
для изготовления ПП
|
Материал
|
|
|
 , г/см3Rv, Мом см
|
|
|
|
Стеклотекстолит
СФ-1-50
|
0,625
|
1
|
0,75
|
0,0008
|
0,85
|
|
22ХС
|
0,625
|
0,666
|
0,8
|
0,4
|
1
|
|
Стеклотекстолит
СОНФМ-1-35-1
|
1
|
0,666
|
1
|
1
|
0,77
|
Далее выбираем весовые коэффициенты. Для данного
устройства самыми главными параметрами являются плотность, так как важны
значения массогабаритных характеристик и стоимость. Чуть менее важным
параметром является диэлектрическая проницаемость.
Таким образом, используя 10-ти бальную систему,
значения весовых коэффициентов можно распределить следующим образом:
Рассчитаем значения комплексных
показателей по формуле
=2,3·0,625+1,2·1+2,8·0,75+1,2·0,0008+2,5·0,85=6,8=
2,3·0,625+1,2·0,666+2,8·0,8+1,2·0,4+2,5·1=7,5= 2,3·1+1,2·0,666+2,8·1+1,2·1+2,5·0,77=9
Т.к. Q3>Q2>Q1, то можно
сделать вывод, что наилучшим материалом для платы управления будет
Стеклотекстолит СОНФМ-1-35-1.
.5.2 Определение размеров печатной
платы
Исходя из значения SПП, выберем
примерные значения размеров сторон печатной платы Lx = 32 мм, Ly = 23 мм.
Проверим выполнение условия:
Условие выполняется, значит
выбранные значения сторон печатной платы подходят для нашей платы.
.5.3. Расчет массы платы управления
Так как станция активных помех
предназначена для закрепления на крыле истребителя, то предъявляются жесткие
требования к массе модуля и в частности в массе платы. Таким образом,
необходимо посчитать массу платы управления.
 - масса пластины, которая
определяется исходя из ее размеров и плотности материала:
- масса пайки,
 - масса лака, 
В итоге получаем суммарную массу
платы управления:
.5.4 Разработка конструкции блока
В блоке имеем две функциональные
ячейки: плата управления и плата СВЧ переключателя.
Высоту блока примем равной  17 мм, что обеспечивает установку
узла в модуль Н303.
.6 Окончательный расчет надежности
по внезапным отказам блока
СП4х1
Расчет надежности заключается в
определении показателей надежности изделия по известным характеристикам
надежности элементов и условиям эксплуатации.
Расчет надежности выполняется на
основе логической модели безотказной работы РЭС [1],[2]. При составлении модели
предполагается, что отказы элементов независимы, а элементы и в целом РЭС могут
находиться в одном из двух состояний: работоспособном или неработоспособном.
Используются две логические схемы надежности: последовательная, когда отказ
любого элемента ведет к отказу РЭС, и параллельная, когда отказ элемента не
вызывает отказа РЭС. Последовательные логические схемы надежности характерны
для не резервированных РЭС, параллельные - для РЭС с резервированием.
Основными количественными
характеристиками надежности являются вероятность безотказной работы РЭС и среднее
время наработки на отказ T = 1/lэ,
где t - время непрерывной работы изделия, lэ
- эксплуатационное значение интенсивности отказов РЭС.
Для последовательной логической
схемы надежности:
где - эксплуатационное значение
интенсивности отказов i-го элемента, учитывающее внешние воздействия, влияние
тепловых и электрических нагрузок элементов, n - число элементов.
Расчет производится
по формуле:
где - интенсивность отказов элемента в
номинальном режиме работы
- поправочный коэффициент на
температуру и электрическую нагрузку элемента [1,прил.10.2],- коэффициент,
учитывающий влияние механических воздействий - поправочный коэффициент на
воздействие климатических факторов (температура, влажность) - коэффициент,
отражающий условия работы при пониженном атмосферном давлении [1,прил.10.6].
Значения , , , , приведены в
таблице 7.7
Таблица 7.7 - Интенсивности отказа
работы элементов РЭА
|
Элемент
|
λoi
,10-6 ,1/ч
|
аi
|
n
|
К1
|
К2
|
К3
|
|
Транзисторы
|
0,5
|
1
|
4
|
1,46
|
2,5
|
1,4
|
|
Микросхема
|
0,25
|
0,5
|
4
|
|
|
|
|
Конденсаторы
|
0,15
|
2,3
|
15
|
|
|
|
|
Резисторы
|
0,43
|
1,43
|
17
|
|
|
|
|
Печатная
плата
|
0,7
|
1
|
1
|
|
|
|
|
Пайка
печатного монтажа
|
0,02
|
1
|
61
|
|
|
|
Подставляя данные таблицы 7.7 в вышеуказанную
формулу дляlэ, получаем
lэ
= 72,5 10-6,1/ч.
Вероятность безотказной работы
изделия
(t) =exp(-lэ t),
где t = 1 ч - время непрерывной
работы,(t) =0,9999
Среднее время наработки на отказ
Т=1/lэ=1/92 10-6=13793 ч
Сравнивая полученное значение
вероятности безотказной работы платы управления и среднего времени наработки на
отказ с данными значениями в ТЗ, можем убедиться в том, что поставленные перед
нами требования к надежности мы выполнили.
.7 Поверочный конструкторский расчет
теплового режима и
вибропрочности блока СП4х1
.7.1 Расчет теплового режима блока
Схематическое изображение
конструкции и тепловая схема, отображающая процесс теплообмена, приведены на
рисунке 7.2.
Платы управления и СВЧ переключателя
(нагретая зона) 2 размещены в корпусе 1 и закрепляются с помощью установочных
элементов 3. Основным источником тепла является плата управления. Для
теплоотвода тепла от платы, между платой управления и корпусом наносится
термопаста. Поверхности корпуса и нагретой зоны приняты за изотермические с
температурами tк и tз. Источники тепла в нагретой зоне распределены равномерно.
Суммарную мощность источников тепла обозначим P, Вт. Тепло с нагретой зоны
конвекцией , теплопроводностью через элементы крепления.
Так как узел залит внутри
силикатогелем, то излучения происходить не будет. Передача тепла с корпуса
окружающей среде с температурой tс осуществляется за счет конвекции и излучения
Рисунок 7.2- Тепловая модель блока.
а- упрощенное изображение конструкции, б- тепловая схема.
Воспользуемся методом
последовательных приближений, для нахождения перегрева в центре блока.
Зададим перегрев корпуса
относительно окружающей среды равным  .
Определим температуру корпуса в
первом приближении
 ,
здесь  - максимальное значение температуры
окружающей среды
Площадь теплообмена равна площади
поверхности корпуса
=2· (56·45+56·17+45·17) ·10-6=0.0085
м2
Найдем определяющий размер L эквивалентного
куба
Определяем вид теплового потока от
корпуса в среду по условию
Так как условие выполняется, то
будем расчет проводить по закону степени ¼.
Находим по номограммам коэффициенты
конвекции  и лучеиспускания  от корпуса в среду. Номограммы для
первой итерации приведены на рисунке 8.3 и 8.4.
Рис. 7.3. Номограмма для определения

Рис. 7.4. Номограмма для определения

Таким образом определили, что, .
Рассчитываем суммарную тепловую
проводимость  от корпуса в среду.
Проверяем условие
Так как условие выполняется, то
принимаем перегрев корпуса равным  , что удовлетворяет требованиям
технического задания.
.7.2 Расчёт вибропрочности
конструкции
Так как модуль Н303, в состав
которого входит согласованный переключатель 4х1 предназначен для установки в
контейнер, закрепленный на крыле самолета, то соответственно к данному модулю
предъявляются жесткие требования к вибропрочности. Конструкция считается
вибропрочной, если в ней отсутствуют механические резонансы, а допустимая
виброперегрузка на резонансной частоте превышает перегрузку, указанную в
техническом задании на изделие.
Исходя из определения вибропрочности
и анализа динамических процессов, протекающих в элементах конструкций РЭС при
вибрациях, можно определить следующие условия обеспечения вибропрочности:
Отсутствие в конструкции
механических резонансов;
Ограничение амплитуды
виброперемещения и виброскорости значениями, исключающими опасные напряжения и
усталостные явления в элементах конструкции;
Допустимые значения виброперегрузок
в диапазоне частот внешних воздействий должны превышать величины, определенные
техническим заданием на разработку конструкции.
Таким образом, расчет вибропрочности
сводится:
К определению элемента конструкции,
для которого частота свободных колебаний f0 минимальна;
К расчету частоты свободных
колебаний f0 выбранного элемента;
К расчету вибрационной перегрузки.
В качестве элемента конструкции с
минимальной резонансной частотой следует выбрать печатную плату управления,
т.к. её жесткость значительно меньше жесткости остальных элементов конструкции.
Печатная плата закреплена в четырех
точках по углам. Её расчетной моделью является прямоугольная пластина,
равномерно нагруженная радиоэлементами, со свободным опиранием всех четырёх
сторон. Размеры сторон пластины равны размерам по точкам закрепления печатной
платы. Данный способ закрепления обосновывается тем, что при изгибных
колебаниях основного тона на каждой стороне пластины укладывается полуволна,
узлы перемещения совпадают с точками крепления платы, поэтому наличие точек
закрепления не сказывается на параметрах колебаний. Схематично печатная плата и
её расчётная модель представлена на рисунке 7.5.
Рис. 7.5. Эскиз закрепления пластины
Это эквивалентно способу крепления, где
все стороны лежат на опоре
Определим частоту свободных
колебаний f0основного тона печатной платы. Соотношения для расчёта f0 получены
в результате решения дифференциального уравнения изгибных колебаний пластины при
следующих допущениях:
Прогиб пластины при изгибных
колебаниях меньше её толщины;
Пластина имеет по площади одинаковую
толщину;
Материал пластины изотропный;
Выполняется условие прямых нормалей;
При изгибе пластины существует
нейтральная ось, через которую проходит плоскость, и в пределах этой плоскости
напряжение в материале равно нулю.
Для расчёта частоты свободных
колебаний функциональных узлов, как правило, используются соотношения,
полученные в результате приближённого решения дифференциального уравнения
свободных незатухающих колебаний. Согласно методу Рэлея, частота свободных
колебаний f0 определяется в результате сопоставления выражений для кинетической
и потенциальной энергий колебаний системы. Метод позволяет учесть нагружение
платы функционального узла установленными на неё элементами и получить
соотношение для расчёта частоты свободных колебаний пластины, справедливое при
любых краевых условиях.
Найдем частоту свободных колебаний
основного тона:
где С - частотная постоянная; -
толщина пластины; h=1,2 ммбольшая сторона пластины;
Км - поправочный коэффициент на
материал пластины;
Кэ - поправочный коэффициент на
нагружение пластины равномерно размещенными на ней элементами.
Для того, что бы найти постоянную
cоставляющую С необходимо воспользоваться таблицей [2].В ней приведены значения
этой постоянной составляющей для различных соотношений сторон печатной платы.
В нашем случай длина большей стороны
а = 32 мм, длина меньшей стороны b = 23 мм. Таким образом, отношение  . И следовательно постоянная
составляющая С: С= 145
Частота свободных колебаний равна:
Для проверки отсутствия резонанса
существует условие:
р 2·f0
Полученная частота свободных
колебаний соответствует данному требованию:
> 2·1000
Так как условие выполняется, то
можно сделать вывод, что явление резонанса отсутствует.
Расчет цилиндрической жесткости
платы производится по формуле:
ε - коэффициент Пуассона.
Плата управления сделана из
материала Стеклотекстолит СОНФМ-1-35-1 по справочным данным найдем значение
модуля упругости и коэффициент Пуассона.
= 32 Па
Таким образом, жесткость платы:
Коэффициент динамичности при
резонансе определим формуле:
- логарифмический декремент
затухания. Подставляя в формулу получим:
Таким образом:ДОП = 10,8g> 9g по
техническому заданию, то изделие вибропрочно.
.8 Оценка технологичности
конструкции
Радиоэлектронное средство
технологично, если при производстве и эксплуатации его потребительские качества
обеспечиваются при оптимальном (рациональном) расходовании привлекаемых
ресурсов (материальных, трудовых, финансовых и т.д.). При единстве достигаемых
целей существуют различные методические подходы к оценке технологичности.
.8.1 Расчет конструкторских
показателей технологичности
Коэффициент повторяемости
компонентов и МСБ
где - количество типоразмеров
компонентов, ИМС и МСБ,
= 4;- общее количество дискретных
компонентов, N = 3
0,96
Коэффициент повторяемости материалов
где: - количество марок материалов;
= 5; - количество нестандартных
(оригинальных) деталей,
= 16
Коэффициент повторяемости ПП:
где: - количество типоразмеров ПП,
= 2;
- общее количество ПП;
= 2
Коэффициент использования микросхем
и МСБ:
где: - количество микросхем и МСБ в
изделии, = 4,
N - общее количество дискретных
компонентов, N = 30,
1- (4/30)
0,96
.Коэффициент стандартизации
конструкции:
где - количество оригинальных,
нестандартных ЭРЭ и конструкционных элементов, в том числе и МСБ, = 0;- общее
количество дискретных компонентов, N = 30,
1
.Коэффициент использования площади
коммутационной платы:
где - суммарная площадь платы, занятая
(тонко -толстопленочным) монтажом, а также навесными компонентами, размещенными
на свободных от печатного или пленочного монтажа участках платы, - площадь
коммутационной платы.
7.8.2 Производственные показатели
технологичности
Коэффициент ограничения числа видов
сборочно-монтажных соединений:
где - число пар механически и (или)
электрически соединяемых любым способом элементов, деталей и составных частей
блока, = 76 - число конкретных
технологических способов, используемых для образования соединений в паре
соединяемых элементов, деталей, частей, = 4; 0,95
Коэффициент использования групповых
методов:
где - общее количество операций и (или)
групп операций в структуре ТП; - количество операций или групп
операций из ; 0
Коэффициент автоматизации и
механизации установки монтажа блока
где - число соединений из выполненных
автоматизированным или механизированным способом; - общее
количество электрических и (или) механических монтажных и силовых
(закреплений) соединений.
Коэффициент применения типовых ТП:
где - число типовых операций или групп
операций из ; = 22
- общее количество операций и (или)
групп операций в структуре ТП, = 23; 22/23.
.8.3 Комплексная оценка
технологичности
Оценка частных показателей
технологичности производится по формуле:
где - нормативный уровень показателя,
действующий на данный момент на предприятии,
- коэффициент, отражающий
значимость данного коэффициента технологичности,
- расчетное значение частных
показателей технологичности.
Значения всех вышеперечисленных
показателей приведены в таблице 7.8
Таблица 7.8. Конструкторские и
производственные показатели
Частотные
показ.технологичности Нормативное
значение
Эквивалент
одного
балла
Расчетный
показатель
Расчетный
показ.в
баллах
|
|
|
|
|
|
|
Конструкторские
показатели
|
|
Коэффициент
повторяемости компонентов и МСБ
|
0,96
|
0,2
|
0,82
|
3,35
|
|
Коэффициент
повторяемости материалов
|
0,7
|
0,18
|
0,69
|
3,94
|
|
Коэффициент
стандартизации конструкции
|
0,85
|
0,21
|
1
|
4,7
|
|
Коэффициент
использования площади коммутационной платы
|
0,6
|
0,1
|
0,25
|
0,1
|
|
Производственные
показатели
|
|
Коэффициент
ограничения числа видов сборочно-монтажных соединений
|
0,9
|
0,1
|
0,95
|
4,5
|
|
Коэффициент
использования групповых методов
|
0,4
|
0,25
|
0
|
2,4
|
|
Коэффициент
автоматизации и механизации установки и монтажа блока
|
0,87
|
0,3
|
0
|
1,1
|
|
Коэффициент
применения типовых ТП
|
0,6
|
0,15
|
0,96
|
6,4
|
|
|
|
|
|
|
Комплексная оценка технологичности определяется
по среднебальному показателю:
где m - количество частных
показателей, привлекаемых для анализа технологичности,
Так как полученное значение близко к
4, то можно сделать вывод, что разрабатываемый узел СП4х1 является
технологичным.
.9 Выводы по конструкторской части
В данной части дипломного проекта
было определено техническое задание, в котором указывались характеристики,
которым должен соответствовать данный модуль. Произведенные расчеты показали,
что по массогабаритным характеристикам, по показателям вибропрочности,
надежности и технологичности разрабатываемый модуль соответствует требованиям
ТЗ.
Анализ элементной базы показал, что
температурные характеристики всех элементов соответствуют температурному
диапазону эксплуатации модуля, а именно от - 55… + 80 °C. То есть все элементы
конструктивно совместимы.
В качестве разрабатываемой
функциональной ячейки была выбрана плата управления, для которой были
рассчитаны габаритные размеры 32мм x 23 мм x 1,2мм и масса  . По методу комплексной оценки
качества был выбран наилучший материал для изготовления платы - Стеклотекстолит
СОНФМ-1-35-1. Для всего узла СП4х1, который в составе модуля Н303, была выбрана
система естественного воздушного охлаждения.
Была рассчитана стойкость платы
управления к вибрационным перегрузкам, и она составила 10,7g при условии, что
минимальное допустимое значение перегрузки по данным ТЗ должно составлять 9g.
Так же была рассчитана частота свободных колебаний, которая равна  Гц, а для обеспечения отсутствия
условия резонанса необходимо, что бы эта частота была больше 2000 Гц. То есть
можно сделать вывод, что данное изделие является виброустойчивым.
По результатам, полученным при
расчетах надежности. Получили, что среднее время наработки на отказ составляет
13793 часов, а по данным ТЗ оно должно быть больше 10000ч. Исходя из этого, так
же делаем вывод, что устройство обладает необходимым уровнем надежности.
В технологической части были
рассчитаны коэффициенты, с помощью которых можно сделать вывод, что
разрабатываемая плата управления является технологичной.
Разработка стенда проверки работы
синтезатора частот и проведение измерения рабочих параметров: частоты и
мощности выходного сигнала.
Была разработана методика по
проверке и отладке модулей. Различают проверочные работы в ручном и автоматическом
режимах. В ручном режиме проверяющий выставляет рабочие частоты гетеродина
посредством ввода кодовых комбинаций на компьютере стенда проверки, а
полученная информация считывается визуально со спектроанализатора стенда
проверки. Автоматический режим проверки характеризуется тем, что в компьютер
стенда проверки загружается программное обеспечение, проводящее проверку. Все
результаты сохраняются в памяти компьютера и возможна распечатка протоколов
проверки на подключенном принтере стенда проверки. Автоматический режим в
основном применяется при приемо-сдаточных работах с модулями, в отличии от
ручного режима, которых активно используется при проверочно-наладочных работах.
Для проведения проверки модуля
необходимо:
Подключить к свободному USB разъему
компьютера А6 кабелем К5 устройство сопряжения А3, с предварительно
запрограммированной микросхемой DD1 (типа 24LC64), как показано на рисунке 7.2.
Установить на компьютере А6
программу TestBenchApp, запустив установочную программу TestBench_Install.exe с
установочного диска.
При этом программа
TestBench_Install.exe:
установит в указанную оператором
папку программу TestBenchApp.exe автоматизированного управления по шине D0… D4
с адресом А «0» или «1» лог.ед. и контроля параметров модуля по заранее составленным
алгоритмам;
установит файл Test1.sp1 программы
автоматизированного контроля технических характеристик модуля;
поместит на рабочий стол ярлык для
запуска приложения с именем TestBenchApp.
Операция не выполняется, если
программа TestBenchApp уже установлена.
Провести измерение потерь L (дБ)
выходного кабеля К2 в диапазоне от 8000 МГц до 12000 МГц, в том числе на
частотах F1…F16 модуля. Для этого:
подключить к выходу генератора типа
Е8257С, соединитель «ХW1» кабеля К2
через переходник К6 (тип IIIB - тип
IXР), а к анализатору А5 - соединитель «XW2»,
открыть на компьютере А6 файл «Test
Калибровка выходного кабеля.sp1”, предварительно записанный с установочного
диска,
ввести обозначение кабеля К2 («W6»
1,5 м, для испытаний), заводской номер и режим измерения (НУ),
запустить программу
автоматизированного измерения потерь кабеля, нажав на клавишу «F9» клавиатуры
А9.
После запуска программа начнет
выполнение следующего алгоритма:
установит необходимые режимы
измерительных приборов (генератора и анализатора А5),
проведет расчет потерь L (дБ) кабеля
как разность установленной входной мощности кабеля Р = -20 дБм и измеренной
мощности на выходе кабеля РL (дБм),
создаст файл отчета.
Процесс измерения потерь кабеля
будет виден на экране монитора А7 в виде таблицы измеренных потерь кабеля К2
(«W6»). Протокол потерь выходного кабеля К2 автоматически переносится в
программу измерения параметров модуля по Test1.sp1.
8. Тестирование
Рисунок 8.1 - Схема соединений
измерительного стенда
Далее можно начинать тест.
Описание теста:
(Исходная программа - Test1.sp1)
Данный тест заключает в себе
проверку выходной частоты F (МГц) и мощности Р (дБм) основного сигнала,
подавление dPп (дБ) и частоты Fп (МГц) «паразитного» сигнала, тока потребления
J (А).
Используемые приборы и их исходные режимы:
Спектроанализатор - Е4440А:
образцовый уровень или уровень
диапазона (RL) - 10 dBm,
логарифмический масштаб (LG) - 10 dB
(на деление),
полоса обзора (SP) - 0,5 сек,
полоса разрешения (RB) - 100 кГц,
видеополоса (VB) - 100 кГц,
Источник питания - 6621А:
напряжение (V) - 4,80 В, 5,00 В,
5,20 В,
ток (С) - 2,5 А.
Модуль устанавливается в
приспособление ПП3М-Н, анализатор и источник подключаются к соединителям
приспособления «Вых.СЧ» и «+5В» соответственно, компьютер через устройство
сопряжения подключается к соединителю «Управ.» приспособления (рисунок 7.2).
В тесте учитываются измеренные
значения потерь L (дБ) выходного кабеля «W6», полученные при его калибровке с
помощью теста «Test Калибровка выходного кабеля.sp1».
Выполнение теста:
Производится сброс приборов в
исходное состояние (RESET).
Производится настройка
спектроанализатора и источника в соответствии с исходными параметрами.
В цикле изменяется значение частоты
F1… F16 путем изменения кода частоты KF от «000000» до «001111» с шагом 1
лог.ед. в четырех младших разрядах.
На каждой частоте осуществляются
следующие действия:
Изменяется значение адреса А и кода
KF частоты F1 следующим образом: «000000», «010000», «100000» и «110000» (с
шагом 1 лог.ед. в двух старших разрядах).
На первом шаге с кодом «000000»
устанавливается значение центральной частоты спектроанализатора, равное
значению F1ту (МГц) согласно требованиям ТУ.
Маркер устанавливается на пик
спектрограммы.
Определяется значение амплитуды
маркера, которое запоминается как первое измерение выходной мощности модуля PL1
(дБм) на выходе кабеля К2 на частоте F1.
Вычисляется и выводится в протокол
значение Р1 (дБ/мВт) выходной мощности модуля с учетом потерь L1 (дБ) кабеля.
Вычисляется и выводится в протокол
эквивалентное значение Р1 (мВт) выходной мощности модуля.
Значение Р1 (дБ/мВт) сравнивается с
требуемым значением Р1ту.
Если значение Р1 не соответствует
требованию, в протокол выводится запись «Ошибка Р1».
На втором шаге с кодом «010000»
маркер устанавливается на пик спектрограммы, определяется значение амплитуды
маркера, которое запоминается как второе измерение выходной мощности модуля PL1
(дБм) на выходе кабеля К2 на частоте F1.
Вычисляется значение Р1 (дБ/мВт)
выходной мощности модуля с учетом потерь L1 (дБ) кабеля, сравнивается с требуемым
значением и заносится в протокол вместо измеренного значения на предыдущем
шаге, если значение Р1 не соответствует требованию, а результат сравнения
возобновляется на запись «Ошибка Р1».
Вычисляется и выводится в протокол
эквивалентное значение Р1 (мВт) выходной мощности модуля, если значение Р1 не
соответствует требованию.
На третьем шаге с кодом «100000» и
четвертом - с кодом «110000» повторяются действия.
Четыре запомненных значения мощности
РL1 (дБ/мВт) сравниваются между собой. Максимальная разница между значениями не
должна превышать 2 дБ. Если разница между измеренными значениями PL1 более 2
дБ, в протокол на частоте F1 выводится запись «Ошибка Р1».
Изменения значения адреса А и кода
KF частоты F1 завершается установкой кода «000000».
Маркер устанавливается на пик
спектрограммы, определяется значение частоты маркера F1 (МГц), которое
заносится в протокол и сравнивается с требуемым значением F1ту.
Если значение F1 не соответствует
требованию, в протокол выводится запись «Ошибка F1».
В протокол выводится значение тока
потребления J (А) модуля на частоте F1. Значение J1 (А) сравнивается с
требуемым значением Jту. Если значение J1 не соответствует требованию, в
протокол выводится запись «Ошибка J1».
Производится измерение минимального
подавление dР (дБ) «пролаза» на частоте Fп при частоте выходного сигнала F1
следующим образом:
Производится изменение настройки
спектроанализатора на следующие параметры:
центральная частота (F) - 10000 МГц,
полоса обзора (SP) - 2000 МГц,
Устанавливается значение центральной
частоты спектроанализатора, равное значению частоты F1 модуля. Маркер
устанавливается на пик спектрограммы РL1 с частотой F1. Значение мощности PL1
(дБ/мВт) запоминается.
Устанавливается режим «NextPeak»
спектроанализатора. Маркер устанавливается на следующий пик спектрограммы РLп1
- наибольшее значение мощности «пролаза» с частотой Fп.
Значение частоты «пролаза» Fп (МГц)
при частоте основного сигнала F1 заносится в протокол. Значение мощности
«пролаза» PLп1 (дБ/мВт) запоминается.
Вычисляется разница запомненных
значений PL1 и PLп1, которая заносится в протокол как наименьшее значение
подавления «пролаза» dРп1 (дБ).
Значение dPп1 (дБ) сравнивается с
требуемым значением. Если значение dP1 не соответствует требованию, в протокол
выводится запись «Ошибка dP1».
Результат соответствия требованиям
ТУ всех измеренных параметров модуля на частоте F1 выводится в протокол записью
«Оk.
Измерение параметров модуля на
частоте F1 завершается. Конец цикла.
Тест завершается концом цикла при
измерении параметров модуля на частоте F16.
Результаты измерения выходной
частоты F (МГц) и мощности P (дБм) основного сигнала, подавления dPп (дБ)
частоты Fп (МГц) «паразитного» сигнала, тока потребления J (А) устройства
синтеза сетки частот приведены в таблице 8.1.
Таблица 8.1 - Результаты измерения
выходной частоты F и мощности Р, неравномерности dP и подавления рРп побочного
сигнала
|
Номер
частоты F
|
Требуемое
значение частоты F, МГц
|
Выходная
частота F, МГц
|
Выход-ная
мощ-ность Р, дБмВт
|
Неравно--мерность
мощности dР, дБ
|
Выход-ная
мощ-ность Р, мВт
|
Подавление
побочного сигнала рP, дБ
|
Частота
побочного сигнала Fп, МГц
|
Соответствие
ТУ
|
|
F1
|
8250±10
|
|
|
|
|
|
|
|
|
F2
|
8500±10
|
|
|
|
|
|
|
|
|
F3
|
8750±10
|
|
|
|
|
|
|
|
|
F4
|
9000±10
|
|
|
|
|
|
|
|
|
F5
|
9250±10
|
|
|
|
|
|
|
|
|
F6
|
9500±10
|
|
|
|
|
|
|
|
|
F7
|
9750±10
|
|
|
|
|
|
|
|
|
F8
|
10000±10
|
|
|
|
|
|
|
|
|
F9
|
10250±10
|
|
|
|
|
|
|
|
|
F10
|
10500±10
|
|
|
|
|
|
|
|
|
F11
|
10750±10
|
|
|
|
|
|
|
|
|
F12
|
11000±10
|
|
|
|
|
|
|
|
|
F13
|
11250±10
|
|
|
|
|
|
|
|
|
F14
|
11500±10
|
|
|
|
|
|
|
|
|
F15
|
11750±10
|
|
|
|
|
|
|
|
|
F16
|
12000±10
|
|
|
|
|
|
|
|
9. Экономический раздел дипломного проекта
.1 Расчет трудозатрат и составление сметы затрат
на выполнение
проекта
.1.1 Описание продукта
Станция активных помех (САП), предназначенная
для защиты самолета от поражения управляемым оружием, должна обладать
способностью обнаруживать облучение самолета РЭС УО, определять степень угрозы
облучения, ранжировать атакующие средства по степени опасности, выбирать
наиболее эффективный способ защиты в зависимости от складывающейся обстановки и
обеспечивать формирование и излучение помеховых сигналов, оптимальных для
каждой ситуации. Решение всех поставленных задач будет реализовано при условии,
что информационная и исполнительная части комплекса будут отвечать требованиям,
предъявляемым к ним с точки зрения чувствительности, динамического диапазона,
работы в условиях сравнительно насыщенного радиотехнического поля - большого
потока входных сигналов, необходимого энергетического потенциала, перекрытия
частотного диапазона угрожающих РЭС, а также числа формируемых для подавления
помеховых сигналов.
.1.2 Анализ рынка сбыта
Основным и единственным заказчиком ФГУП ЦНИРТИ
им. А.И. Берга является государство в лице Министерства Обороны РФ. В
выпускаемой продукции заказчика привлекает высокое качество, современность
технологий и специализация предприятия.
Рынок подобного оборудования в России, в
основном, является закрытой, секретной, оборонной областью и финансируется
целиком Государственным бюджетом. Вся продукция также реализовывается только на
нужды Государства.
В основном все примеры ныне существующих
аналогов - это зарубежные разработки. В нашей стране подобные устройства
производятся только в ФГУП «ЦНИРТИ им. ак. А.И. Берга».
.1.3 Конкуренция
Можно сказать, что разрабатываемый прибор не
имеет серьезных конкурентов, как на российском, так и на зарубежном рынке,
поскольку данная продукция ЦНИРТИ направлена на модернизацию конкретных моделей
боевых самолетов. То есть имеет очень узкую прикладную специализацию. К тому
же, в связи с конверсией ВПК и существенным снижением производства военной
техники, подразделения занимавшиеся разработкой и производством
радиоэлектронных устройств и систем для нужд ВПК в большинстве своем прекратили
существование, и только небольшая часть их смогла выжить и предложить
конкурентно-способную продукцию.
Зарубежные конкуренты не могут предложить
аналогичные устройства в виду ненадобности модернизировать данные модели
самолетов, из-за их отсутствия на вооружении этих стран. А в странах,
закупавших данные самолеты у РФ, зачастую отсутствует свой ВПК.
.2 Разработка бизнес - плана и составление
календарного графика
выполнения проекта
.2.1 Организационный план
. Тип работы
Процесс разработки и производства САП, как и
любой подобной радиоэлектронной аппаратуры (РЭА) включает в себя следующие
этапы:
Научно-исследовательские работы (НИР);
Опытно-конструкторские работы (ОКР);
Освоение производства РЭА;
Промышленный выпуск РЭА.
Процессы НИР и ОКР состоят из следующих этапов:
Техническое предложение (ТП);
Техническое задание (ТЗ);
Эскизный проект;
Технический проект;
Рабочий проект (разработка рабочей
документации).
Далее, часто наряду с этими работами, происходит
освоение производства, которое включает в себя следующие стадии:
Разработка и изготовление оснастки для
изготовления (оригинальных деталей, специнструмента и комплектующих);
Отладка процессов и сдача цехам;
Организация и освоение планового выпуска
продукции.
Из вышесказанного можно утверждать, что процесс
изготовления САП является весьма сложным и состоит из множества этапов. Именно
из материальных затрат на освоение производства и формируется себестоимость
выпускаемого устройства.
. Этапы разработки (календарный график)
Для эффективного планирования работ и
оперативного контроля их выполнения необходимо выполнить следующие задачи:
составить перечень работ, необходимых для
разработки проекта;
правильно установить необходимый объем работ по
проекту;
установить продолжительность работ;
построить ленточный график.
Перечень этапов и видов работ, выполняемых при
разработке системы, приведен в таблице 9.1.
Таблица 9.1- Этапы работ по проектированию и
созданию модуля.
|
Этап
работы
|
Наименование
этапа работ
|
Исполнители
|
Трудоемкость
(чел*дн)
|
Численность
|
Длительность,
дн.
|
|
1
|
Разработка
технического задания на проектирование
|
Нач.группы
Ст. инженер
|
|
2
|
4
|
|
2
|
Теоретические
изучение материала и анализ литературы
|
Старший
инженер
|
|
1
|
7
|
|
3
|
Разработка
функциональной схемы преобразователя частот
|
Старший
инженер Инженер - констр. 1кат.
|
34
|
2
|
17
|
|
4
|
Разработка
отдельных блоков структурной схемы, проектирование
|
Инженер
конструктор 3кат.
|
66
|
3
|
22
|
|
5
|
Изготовление
|
Слесарь
Монтажник Инженер-технолог
|
46
|
3
|
23
|
|
6
|
Составление
пояснительной записки
|
Нач.группы
Ст. инженер
|
40
|
2
|
20
|
|
Общая
длительность работ
|
197
|
13
|
93
|
Ленточный график загрузки исполнителей работы,
построенный по данным Таблицы 9.1, представлен на рисунке 9.1.
Рис.9.1. Ленточный график загрузки исполнителей
работы
.2.2 Расчет затрат.
Таблица 9.2. Материалы
|
№
|
Наименование
|
Марка
|
Единицы
|
Цена
един.
|
Норма
|
Сумма
|
Возвратные
отходы
|
Общие
|
|
пп
|
матер.
|
тип
|
измерен.
|
руб.
|
расхода
|
руб.
|
Вес
г
|
Цена
на ед. веса
|
Сумма
руб.
|
затраты
руб.
|
|
1
|
Сплав
|
Д16А,
Т3.0
|
кг
|
45
|
0,32
|
14,4
|
-
|
-
|
-
|
45
|
|
2
|
Лист
|
1561
М1.0
|
кг
|
40
|
0,04
|
1,6
|
3
|
45
|
135
|
39,87
|
|
3
|
Поликор
|
ВК100-1
|
м2
|
50
|
0,060´
0,048
|
0,257
|
2
|
15
|
30
|
49,97
|
|
4
|
Итого:
|
134.84
|
Таблица 9.3 - Стоимость комплектующих изделий
|
№
пп
|
Наименование
|
Кол-во
|
Цена
за 1 шт, руб
|
Цена,
руб
|
|
1
|
Конденсаторы
|
19
|
9
|
171
|
|
2
|
Индуктивности
|
1
|
10
|
10
|
|
3
|
Резисторы
|
12
|
5
|
60
|
|
4
|
Микросхема
VCO690-3100T
|
1
|
750
|
750
|
|
5
|
Микросхема
SCN-2-35
|
1
|
150
|
150
|
|
6
|
Микросхема
AMMC-5618
|
5
|
1117
|
5585
|
|
7
|
Микросхема
HMC-141
|
2
|
653
|
1306
|
|
8
|
Микросхема
HMC-347
|
1
|
1306
|
1306
|
|
9
|
Микросхема
HMC-448
|
1
|
928
|
928
|
|
10
|
Микросхема
HMC-260
|
1
|
326
|
326
|
|
11
|
Микросхема
AD589SH
|
1
|
270
|
270
|
|
12
|
Микросхема
MGA81563
|
1
|
140
|
140
|
|
ИТОГО
|
11002
|
Затраты на проектирование опытного
образца изделия (Таблица 9.4).
Таблица 9.4 - Затраты на
проектирование опытного образца изделия
|
№
п/п
|
Наименование
элементов и статей затрат
|
Затраты,
р
|
Удельный
вес, %
|
|
1
|
основные
материалы
|
134.84
|
0.13
|
|
2
|
комплектующие
изделия
|
11002
|
10.5
|
|
3
|
заработная
плата разработчиков и рабочих
|
72133.5
|
68.3
|
|
4
|
страховые
социальные расходы
|
3606.68
|
3.57
|
|
5
|
выплаты
по ЕСН
|
18754.71
|
17.75
|
|
6
|
Итого:
|
105631.73
|
100
|
Удельные затраты на разработку изделия:
(9.3)
годовой объем изделия, шт. При N=6:
Себестоимость проектируемой техники
в серийном производстве Снт определяется укрупнено - по удельному весу в
структуре себестоимости одной из статей.
Себестоимость проектируемой техники
определяется ориентировочно удельным методом
(9.4)
где dки - удельный вес стоимости
покупных комплектующих изделий в стоимости изделия (аналог), (dки =0.24%).
Годовые эксплутационные расходы
учитывают лишь те издержки, которые претерпевают изменения при их сопоставлении
со сравниваемыми изделиями.
Заработная плата персонала,
обслуживающего технику.
Далее рассчитывается заработная
плата, по формуле:
(9.5)
где - время технического обслуживания,
выполняемого j-ой категорией работников за год; -удельный вес стоимости устройства в
стоимости обслуживаемой техники; - среднечасовая ставка оплаты труда,
р; - количество
работников, занятых техническим обслуживанием; m - число категорий работников.
Примерная цена новой техники
рассчитывается с учетом коэффициента средней нормативной рентабельности ( =0.2) по
формуле:
(9.6)
Амортизационные отчисления:
(9.7)
где - цена новой техники, - срок
службы техники ( )
А=5501р/год.
Расходы на текущий ремонт техники:
(9.8)
где - норматив расхода средств на ремонт
в процентах от оптовой цены (3-7%).
Расходы на электроэнергию
(9.9)
где - потребляемая электроэнергия,
кВт*ч; - время
работы техники за 1 год; - стоимость
1 кВт*ч энергии.
Все результаты расчетов годовых
эксплуатационных расходов приведены в таблице ниже (Таблица 9.5).
Таблица 9.5 - Результаты расчетов
годовых эксплуатационных расходов
|
№
п/п
|
Наименование
статей затрат
|
Сумма
затрат, р.
|
|
|
аналог
|
«образец»
|
|
1
|
Заработная
плата персонала
|
288
|
264
|
|
2
|
Отчисления
в фонды
|
74.88
|
68.64
|
|
3
|
Амортизационные
отчисления
|
5700
|
5501
|
|
4
|
Расходы
на ремонт
|
2981.96
|
2750.5
|
|
5
|
Расходы
на электроэнергию
|
15.6
|
15.6
|
|
Итого:
|
9060.44
|
|
Таблица 9.6 - Расчет заработной платы
разработчиков изделия
|
Стадия
(этап)
|
Трудоём-кость
(чел. - ч.)
|
Исполнители
|
Дневная
Ставка, руб.
|
Средняя
дневная ставка, руб.
|
ЗП,
Р
|
З.П
+ премия, руб.
|
|
|
Должность
|
Числен-ность
|
|
|
|
|
|
Техническое
задания
|
25
|
Нач.группы
Ст.инженер
|
1
1
|
295
200
|
247.5
|
12375
|
17325
|
|
Эскизное
проектиро-вание
|
20
|
Инж.-констр.1кат
Инж.-констр.3кат
|
1
1
|
170
132.25
|
151.125
|
6045
|
7858.5
|
|
Разработка
схем конструкций
|
30
|
Ст.инженер
Инж.-констр.1кат
|
1
1
|
200
170
|
185
|
11100
|
14430
|
|
Изготовление
|
30
30
|
Слесарь
Монтажник Инженер - технолог
|
1
1
|
100
100
|
100
|
12000
|
14400
|
|
Контрольно
испытательные работы
|
10
|
Инж.-констр.3кат
Техник
|
1
1
|
132.25
126.75
|
129.5
|
2590
|
3885
|
|
Оформление
и коррект-ровка К.Д
|
22
|
Нач.группы
Ст.инженер
|
1
1
|
295
200
|
247.5
|
10910
|
14235
|
|
Итого:
|
72133.5
|
Таблица 9.7. Канцелярские товары
|
Наименование
|
Единица
измерения
|
Кол-во
|
Цена
за единицу
|
Цена
руб.
|
|
Скрепка
|
коробка
|
5
|
30
|
150
|
|
Карандаш
|
шт.
|
30
|
20
|
600
|
|
Ручка
шариковая
|
шт.
|
30
|
20
|
600
|
|
Ручка
гелевая
|
шт.
|
30
|
20
|
600
|
|
Ластик
|
шт.
|
15
|
15
|
225
|
|
Бумага
A4
|
Упаковка
(500л.)
|
4
|
150
|
600
|
|
Бумага
A3
|
шт.
|
10
|
2
|
20
|
|
Бумага
A2
|
шт.
|
10
|
5
|
50
|
|
Бумага
A1
|
шт.
|
10
|
10
|
100
|
|
Катридж
черный
|
шт.
|
5
|
1000
|
5000
|
|
Катридж
цветной
|
шт.
|
1
|
1000
|
1000
|
|
Итого:
|
8945
|
Специальное оборудование и программно-аппаратные
средства.
Используемое специальное оборудование и
программно-аппаратные средства, используемые в работе, сведены в Таблицу 9.8.
Таблица 9.8. Специальное оборудование и
программно-аппаратные средства
|
Оборудование/программное
обеспечение
|
Назначение
|
|
Компьютеры
|
Предназначены
для разработки, моделирования, ведения документации и т.п.
|
|
Принтеры
|
Предназначается
для вывода рабочей документации формата А4 на бумажные носители.
|
|
Плоттер
|
Предназначается
для вывода рабочей документации форматов А3,А2,А1 на бумажные носители
|
|
Технологическое
оборудование
|
Предназначено
для производства керамических СВЧ и многослойных плат.
|
|
Станки
с ЧПУ
|
Предназначены
для производства блоков устройств.
|
|
Монтажное
оборудование
|
Предназначено
для сборки станции
|
|
Операционная
система: Windows XP
|
Используется
как программная оболочка для удобства работы и возможности использования
прочих программ.
|
|
Microsoft
Office 2007
|
Программа
используется для составления документов, таблиц и т.п.
|
|
САПР:
AutoCAD 2009
|
Программа
для разработки чертежей и ведения документации.
|
|
САПР:
Mathcad
|
Программа
для математических расчетов и вычислений.
|
|
САПР:
Solid Works 2007
|
Система
автоматизированного проектирования, инженерного анализа и подготовки
производства изделий любой сложности и назначения.
|
|
Quartus II 10.1 Altera Complete Design Suite
|
Среда
разработки для FPGA фирмы Altera.
|
|
САПР:
P-CAD 2006
|
Предназначена
для проектирования многослойных печатных плат вычислительных и
радиоэлектронных устройств.
|
Все специальное оборудование и
программно-аппаратные средства, используемые в работе, имеется на предприятии.
Дополнительная заработная плата.
Дополнительная заработная плата (ДЗП) составляет
двадцать процентов от основной заработной платы и рассчитывается по формуле:
Прямые страховые взносы.
Установлены прямые страховые взносы (ПСВ)
работодателей (страхователей) в три внебюджетных фонда:
Пенсионный фонд;
Фонд обязательного медицинского страхования;
Фонд социального страхования РФ.
Общеустановленные тарифы страховых взносов с 1
января 2012 года в пределах установленной предельной величины (с 1 января 2012
г. предельная величина базы для начисления страховых взносов в государственные
внебюджетные фонды, составляет в отношении каждого физического лица сумму, не
превышающую 512 000 рублей нарастающим итогом, согласно Постановлению
Правительства РФ от 24.11.2011 № 974 «О предельной величине базы для начисления
страховых взносов в государственные внебюджетные фонды с 1 января 2012 г.») базы
для начисления страховых взносов составляют [1]:
Пенсионный фонд - 22 %;
Фонд обязательного медицинского страхования -
5,1 %;
Размер выплат в фонд социального страхования РФ
- 2,9 %.
В сумме ПСВ составляют 30% от заработной платы
сотрудника:
Расходы на научные и производственные
командировки.
Командировки не запланированы.
Контрагенские расходы.
Все работы производятся на территории ФГУП
«ЦНИРТИ им. ак. А.И. Берга».
Накладные расходы.
К этой статье относят расходы по управлению
научно-исследовательской организацией, выполняющей данную разработку, а также
расходы по содержанию и ремонту зданий, сооружений, оборудования, коммунальные
услуги и т.п.
Накладные расходы по отношению к основной
заработной плате научного персонала в настоящий момент составляют 360 %:
НР=3,6
.2.3 Договорная цена и смета затрат
Стоимость темы представляет собой
сумму всех статей калькуляции. Договорная цена темы включает в себя оптовую
цену (ОЦ) предприятия и налог на добавленную стоимость (НДС). Налог на
добавленную стоимость в настоящее время составляет 18% [2]. Таким образом:
ДЦ=ОЦ+НДС
Оптовая цена предприятия
складывается из стоимости разработки (СР) и прибыли (П), которая составляет 30
% от стоимости разработки. В итоге оптовая цена будет рассчитываться по
формуле:
ОЦ=СР+П= СР+0,3 СР=1,3 СР
Полученные данные сведены в Таблицу
9.9.
Таблица 9.9.
|
№
|
Статьи
расходов
|
Стоимость
(руб.)
|
|
1
|
Материальные
затраты с учетом транспортно-заготовительных расходов
|
23094,116
|
|
2
|
Основная
заработная плата
|
72133
|
|
3
|
Дополнительная
заработная плата
|
|
|
4
|
Прямые
страховые взносы
|
25967,9
|
|
5
|
Специальное
оборудование для научных (экспериментальных) работ
|
-
|
|
6
|
Расходы
на научные и производственные командировки
|
-
|
|
7
|
Контрагенские
расходы
|
-
|
|
8
|
Накладные
расходы
|
259678,8
|
|
9
|
Прочие
расходы
|
10000
|
|
10
|
Стоимость
разработки
|
405300,5
|
|
11
|
Прибыль
|
121590,2
|
|
12
|
Оптовая
цена.
|
529890,7
|
|
13
|
НДС
|
72954,1
|
|
14
|
Договорная
цена
|
602844,8
|
.3 Технико-экономическое обоснование
целесообразности
выполнения проекта
Целесообразность разработки новой техники
определяется ее ролью и значением для народного хозяйства. При этом важно,
чтобы эта техника была экономически эффективна и высокого качества. Качество же
зависит от функционально - технических характеристик, а его изменение
оценивается индексом технического уровня разрабатываемой техники.
В настоящее время существует достаточно большое
количество станций формирования помех, построенных на основе УЦРЧП и с
применением преобразователя частоты. Нужно заметить, что в основном все примеры
ныне существующих аналогов - это зарубежные разработки, а в нашей стране данное
устройство производится только в ЦНИРТИ. Существенным отличием данного изделия
является габаритные размеры и вес самого УЦРЧП при примерно одинаковых
характеристиках. В отличие от зарубежных разработок, наше изделие имеет меньшие
размеры и потребляемую мощность, что является большим преимуществом, поскольку
станция устанавливается на авиационную технику. Также стоит отметить высокую
надежность изделия, необходимое быстродействие, а также несомненную возможность
модернизации, которая периодически происходит в отечественных станциях
формирования спецсигналов.
Исходя из этого, можно сделать вывод, что как
отечественный, так и зарубежный рынки достаточно остро нуждаются в данном
изделии, поэтому разработка станции формирования помех в нашей стране является
не только необходимым ответом западу, но и укреплением авторитета отечественной
оборонной промышленности.
Индекс технического уровня проектируемого
изделия
(10)
где - уровень i-й
функционально-технической характеристики соответственно нового (проектируемого)
и базового изделий;
- значимость i-й
функционально-технической характеристики качества изделия; n-количество
рассматриваемых функционально-технических характеристик.
Значимость i-й
функционально-технической характеристики mi
определяется экспертным путем (Таблица 9.10), при этом åmi = 1.
Таблица 9.10 - Значимость i-й
функционально-технической характеристики mi
|
№
|
Характеристики
|
Значимость
функционально-технической характеристики
|
Уровень
функционально-технической характеристики
|
|
|
|
«образец»
|
аналог
|
|
1
|
Надежность
|
0.25
|
8
|
7
|
|
2
|
Эффективность
|
0.25
|
8
|
7
|
|
3
|
Безопасность
|
0.15
|
8
|
8
|
|
4
|
Возможность
модернизации
|
0.15
|
9
|
8
|
|
5
|
Быстродействие
|
0.2
|
7
|
6
|
В то же время технический уровень
новых (проектируемых) приборов и радиоэлектронных изделий должен быть увязан с
долей влияния их как комплектующих изделий на конечный результат
функционирования техники более высокого уровня иерархии через коэффициент Kв,
величина которого колеблется в пределах Kв≤1.
Тогда технический уровень
проектируемых приборов и радиоэлектронных изделий будет:
(11)
Для аппаратуры специального
назначения имеем Kв=0.25.
Окончательно имеем, что технический
уровень изделия:
Вывод
В ходе работы было дано краткое
описание проектируемого устройства, проведен общий анализ рынка сбыта, выявлены
конкурентные преимущества предлагаемого товара.
Рассчитана цена разработки в состав
которой входят: материалы, покупные изделия; основная заработная плата научного
персонала; дополнительная зарплата научного персонала; отчисления в фонды;
накладные расходы; прочие расходы; стоимость; прибыль; договорная цена.
Определили, что как отечественный,
так и зарубежный рынки достаточно остро нуждаются в данном изделии, поэтому
разработка станции формирования помех в нашей стране является не только
необходимым ответом западу, но и укреплением авторитета отечественной оборонной
промышленности.
Также были рассчитаны отчисления в
фонды, дополнительная заработная плата, накладные расходы, расходы на
электроэнергию. Повышение срока службы изделия и значительное снижение сроков
изготовления получили за счет применения САПР Microwave Office, AutoCAD и
SolidWorks, а также современной элементной базы. Наблюдается существенное
улучшение технических характеристик, благодаря этому повышаются надежность,
быстродействие, эффективность и безотказность. Данный синтезатор частоты не
требует дополнительных затрат при эксплуатации. Таким образом, решится проблема
окупаемости и рентабельности внедрения.
11. Экологичность и безопасность
проекта
.1 Общие сведения
Все цвета разделяются на
хроматические и ахроматические.
Хроматические цвета - это цвет
спектра: красный, оранжевый, желтый, голубой, фиолетовый, пурпурный, синий,
зеленый (резких цветовых градаций в спектре нет, и указанные цвета выделены
условно).
Ахроматические цвета - белый, черный
и все оттенки серого. Они характеризуются лишь светлотой или ощущением яркости,
которая определяется в процентах от яркости белого цвета.
Дополнительные цвета - цвета, при
оптическом смешении которых возникает ощущение ахроматического цвета. Например,
такими цветами являются синий и желтый, красный и голубовато-зеленый.
Цвет характеризуют три атрибута:
цветовой тон, яркость и чистота цвета.
Цветовой тон является таким
атрибутом цвета, который позволяет различать их как красный, желтый, зеленый,
синий или как промежуточный между двумя соседними парами этих цветов. Разница в
цветовых тонах в первую очередь зависит от длины волны света, попадающего в
глаз. Визуально цветовой тон можно представить в виде окружности цветового
тона, идущей от красного к зеленому, далее к синему и назад к красному.
Яркость - величина, характеризующая
плотность светового потока, отраженного окрашенным предметом в направлении
наблюдателя.
С понятием яркости тесно связано
понятие светлоты цвета. Светлота - величина, характеризующая степень отличия
данного цвета от черного, измеряемая числом порогов различения n от данного
цвета до черного. Светлота является свойством зрительного ощущения, согласно
которому предметы кажутся испускающими больше или меньше света.
Важно различать понятия яркости и
светлоты цвета. Интенсивность светового раздражения определяется величинами
яркостей, а интенсивность светового ощущения - величинами светлот. Чем больше
яркость, тем больше светлота. Поэтому можно сказать, что светлота есть мера
ощущения яркости.
Яркость - объективная величина, ее
можно измерить соответствующим прибором (яркометром). Светлота - величина
субъективная, как и все ощущения. Например, лист белой бумаги на солнечном
свету летом имеет яркость порядка 30000 нт, а при свете настольной лампы -
порядка 10 - 30 нт. Однако нельзя сказать, что один и тот же лист бумаги в
одном случае более светлый, чем в другом. В числе ряда особенностей зрительного
восприятия здесь проявляется его способность отделять характеристику освещения
от характеристики освещаемого предмета. Это явление относится к разряду
психологических, и, в частности, связано с памятью.
Чистота цвета является объективной
величиной, т.к. она выражается через объективные величины яркостей. Свойство
зрительного восприятия, позволяющее оценивать пропорцию чистого хроматического
цвета в полном цветовом ощущении, называется насыщенностью цвета. Чем ниже
насыщенность, тем более серым выглядит цвет. При нулевой насыщенности цвет
становится серым.
Таким образом, существуют три
объективные характеристики цвета: яркость, цветовой тон (выраженный длиной
волны) и чистота цвета, и три субъективные характеристики: светлоту, цветовой
тон (выражаемый словами красный, оранжевый, желтый, зеленый, голубой, синий,
фиолетовый и т.п.) и насыщенность цвета. Каждая из трех характеристик в каждой
группе независима от двух других. Вывод текста на экран компьютера производится
специальными наборами символов. Эти наборы называются шрифтами.
Различные исследования показали, что
текст, в котором использованы серифные шрифты, читается лучше. В бессерифных
шрифтах буквы имеют ровные края и не имеют засечек. Как правило, они
используются для оформления заголовков газет или книг.
Бессерифные шрифы также применяются
в текстах, набранных мелким шрифтом (5 - 8 пунктов), поскольку имеют четкую
рубленую форму (второе название бессерифных шрифтов - рубленные). Документы,
набранные такими шрифтами, выглядят «строгими». Поэтому бессерифные шрифты
хорошо подходят для оформления научной и технической документации. Однако не
следует применять такие шрифты при наборе длинных текстов, поскольку при их
чтении глаза быстро устают.
.2 Краткое описание стенда
рабочее поле, в котором отображается
текст из файла;
основное меню, позволяющее
а) открыть текстовый файл;
б) выбрать цвет фона и текста, вид и
размер шрифта;
в) инициализировать помеху в области
рабочего поля и настроить её;
поля ввода максимального времени,
отводимого на задание, проверяемого символа и номера варианта;
таймер обратного отсчёта времени;
кнопки запуска («Пуск») и остановки
(«Стоп») таймера по окончании выполнения задания.
В программу изначально заложены 20
вариантов сочетаний цвета фона и текста:
Таблица1.
|
тёмный
цвет на светлом фоне
|
светлый
текст на тёмном фоне
|
|
чёрный
на белом синий на белом бордовый на белом тёмно-зелёный на белом чёрный на
жёлтом тёмно-зелёный на жёлтом бордовый на жёлтом чёрный на голубом
тёмно-зелёный на голубом чёрный на светло-зелёном
|
белый
на чёрном белый на синем белый на бордовом белый на тёмно-зелёном жёлтый на
чёрном жёлтый на тёмно-зеленом жёлтый на бордовом голубой на чёрном голубой
на тёмно-зеленом светло-зелёный на чёрном
|
В зависимости от задания программа проверяет тот
или иной символ (букву, цифру или их сочетание) на предмет его наличия в тексте
(например, с помощью цикла построчной проверки текста) и подсчитывает их
количество. Такая проверка осуществляется 2 раза:
при нажатии на кнопку «вызов текста»; при этом
подсчитываются общее количество символов в тексте (d) и количество проверяемых
(указанных в задании) символов (а) до работы с текстом;
при обнулении таймера обратного счета; при этом
подсчитываются общее количество символов в тексте (z) и количество указанных в
задании символов (b) после работы с текстом.
При выполнении задания условия работы приближены
к условиям работы в текстовом редакторе, т.е., например, в случае ошибочного
удалёния символа допускается его введение с клавиатуры (количество введенных с
клавиатуры символов - x).
Например, пусть текст содержит d символов.
Задание испытуемого - удалить из текста все буквы «y». Тогда:
а - это первоначальное количество букв «y» в
тексте,- это количество букв «y» в тексте по истечении времени t,- это
количество неправильно удалённых букв (не «y»), т.е. разница между количеством
всех удалённых букв и количеством удалённых букв «y»; при этом справедлива
формула:
с = (d + x - z) - (a - b)(1)
Коэффициент точности выполнения задания
рассчитывается по формуле Г.М. Уиппла:
(4)
Коэффициент работоспособности
рассчитывается по формуле:
(5)
.3 Измерения
Исходный текст: " Теоретически
существование электромагнитных волн, которые должны преодолевать значительное
расстояние без специальных проводников еще в 1864 году предсказал великий английский
физик Джеймс-Клерк Максвелл.
Далее в 1887 году немецкий ученый
Генрих Герц создал реальную конструкцию с помощью которой экспериментально
доказал существование таких электромагнитных волн. Если бы Герц не умер в 1894
году, радио, скорей всего, изобрел бы именно он."
а) Удаляемый символ/символы
"а"
Общее кол-во символов(d) 444
Наличие помехи нет
Результаты измерений приведены в
таблице 2.
Таблица 2.
|
№
|
t
|
a
|
b
|
c
|
K
|
I
|
|
1
|
37
|
20
|
3
|
0
|
0,739
|
328,17
|
|
2
|
41
|
20
|
2
|
0
|
0,818
|
266,4
|
|
3
|
32
|
20
|
4
|
0
|
0,666
|
296
|
|
4
|
34
|
20
|
2
|
0
|
0,818
|
266,4
|
|
5
|
45
|
20
|
3
|
1
|
0,695
|
308,87
|
|
6
|
35
|
20
|
6
|
0
|
0,538
|
239,08
|
|
7
|
37
|
20
|
6
|
0
|
0,538
|
239,08
|
|
8
|
48
|
20
|
3
|
0
|
0,739
|
328,17
|
|
9
|
41
|
20
|
4
|
0
|
0,666
|
296
|
|
10
|
39
|
20
|
5
|
0
|
0,6
|
266,4
|
|
11
|
63
|
20
|
1
|
0
|
0,904
|
401,71
|
|
12
|
38
|
20
|
3
|
0
|
0,739
|
328,17
|
|
13
|
50
|
20
|
3
|
0
|
0,739
|
328,17
|
|
14
|
41
|
20
|
3
|
0
|
0,739
|
328,17
|
|
15
|
48
|
20
|
3
|
1
|
0,695
|
308,86
|
|
16
|
44
|
30
|
2
|
0
|
0,818
|
363,27
|
|
17
|
61
|
20
|
4
|
1
|
0,625
|
277,5
|
|
18
|
51
|
0
|
3
|
0
|
0,739
|
328,17
|
|
19
|
46
|
20
|
5
|
0
|
0,6
|
266,4
|
|
20
|
40
|
20
|
5
|
2
|
0,62
|
230,88
|
На основании полученных данных строится график
(рисунок 1).
Рисунок 1. График коэффициента точности
Из построенного графика коэффициента точности,
можно утверждать, что самым подходящим сочетанием цвета шрифта и фона является:
белый на черном; наиболее подходящим: синий на белом, темно - зеленый на белом,
желтый на темно - зеленом. И менее подходящими сочетаниями являются: темно -
зеленый на желтом, бордовый на желтом.
б) Выбраны сочетания при Kmax (11) и Kmin (6).
Удаляемый символ/символы "а"
Общее кол-во символов(d) 444
Наличие помехи есть
Размер помехи115/114
Шрифт serif
Таблица 2.
|
Размер
шрифта
|
Цвет
шрифта
|
Цвет
фона
|
t
|
a
|
b
|
c
|
K
|
I
|
|
21
|
8
|
белый
|
черный
|
51
|
20
|
3
|
0
|
0,739
|
328,17
|
|
22
|
10
|
белый
|
черный
|
44
|
20
|
0
|
0
|
1
|
444,0
|
|
23
|
12
|
белый
|
черный
|
46
|
20
|
1
|
0
|
0,904
|
401,7
|
|
24
|
8
|
т.зеленый
|
желтый
|
42
|
20
|
5
|
0
|
0,600
|
26,4
|
|
25
|
10
|
т.зеленый
|
желтый
|
47
|
20
|
2
|
0
|
0,818
|
363,27
|
|
26
|
12
|
т.зеленый
|
желтый
|
37
|
20
|
2
|
0
|
0,818
|
363,27
|
Из таблицы 2 можно сделать вывод, что при
маленьком шрифте и наличии помехи точность снижается.
в) Выбраны сочетания при Kmax (11) и Kmin (6).
Удаляемый символ/символы "а"
Общее кол-во символов(d) 444
Наличие помехи нет
Шрифт serif
Таблица 3.
|
Размер
шрифта
|
Цвет
шрифта
|
Цвет
фона
|
t
|
a
|
b
|
c
|
K
|
I
|
|
27
|
8
|
белый
|
черный
|
41
|
20
|
2
|
0
|
0,818
|
363,27
|
|
28
|
12
|
белый
|
черный
|
42
|
20
|
1
|
0
|
0,904
|
401,71
|
|
29
|
8
|
т.зеленый
|
желтый
|
50
|
20
|
4
|
2
|
0,583
|
259,0
|
|
30
|
12
|
т.зеленый
|
желтый
|
41
|
20
|
3
|
0
|
0,739
|
328,17
|
По данным испытаниям видно, что размер сильно
влияет на точность и работоспособность. Чем меньше размер, тем меньше точность.
г) Выбраны сочетания при Kmax (11) и Kmin (6).
Удаляемый символ/символы "а"
Общее кол-во символов(d) 444
Наличие помехи нет
Размер шрифта 10
Таблица 4.
|
N
|
Шрифт
|
Цвет
шрифта
|
Цвет
фона
|
t
|
a
|
b
|
c
|
K
|
I
|
|
31
|
Times
New Roman
|
белый
|
черный
|
48
|
20
|
3
|
0
|
0,739
|
328,17
|
|
32
|
Arial
|
белый
|
черный
|
50
|
20
|
1
|
0,904
|
401,71
|
|
33
|
Courier
|
белый
|
черный
|
45
|
20
|
5
|
1
|
0,560
|
248,64
|
|
34
|
Comic
Sans
|
белый
|
черный
|
43
|
20
|
5
|
0
|
0,600
|
266,4
|
|
35
|
Times
New Roman
|
т.зеленый
|
желтый
|
42
|
20
|
1
|
1
|
0,857
|
380,57
|
|
36
|
Arial
|
т.зеленый
|
желтый
|
46
|
20
|
1
|
1
|
0,857
|
380,57
|
|
37
|
Courier
|
т.зеленый
|
желтый
|
49
|
20
|
1
|
0
|
0,904
|
401,71
|
|
38
|
Comic
Sans
|
т.зеленый
|
желтый
|
37
|
20
|
2
|
0
|
0,818
|
363,27
|
По итогам этих измерений можно определить
наилучшее сочетание шрифтов и цвета (белый на черном Arial, т. зеленый на
желтом Courier) и наиболее плохое сочетание (белый на черном Courier, белый на
черном Comic Sans). Результаты измерений показаны на рисунке 2.
Рисунок 2.
Вывод: По результатам экспериментов видно, что
наиболее подходящими характеристиками для работы являются менее контрастные
сочетания шрифта и фона. Также имеет значение размер шрифта. Наиболее мелкий
шрифт дает большую нагрузку на зрение оператора и наоборот.
Не стоит забывать, что результаты тестов - это
частный случай и они могут быть неприемлемы для других операторов.
частота станция помеха переключатель
Заключение
Дипломный проект посвящен разработке синтезатора
частоты в малогабаритной станции активных помех с цифровой обработкой сигналов
для защиты летательного аппарата от РЭС с непрерывным, квазинепрерывным,
импульсным и длинноимпульсным излучением.
В дипломном проекте определена структурная схема
САП и описан принцип ее работы. В первой главе описан анализ существующих
решений и выбор аналогов и прототипа. Разработана структурная схема станции
активных помех. В третье главе разработаны функциональная схема синтезатора
частоты для самолетной станции активных помех. Подробно описан принцип его
работы.
Разработанное устройство синтеза частот
позволяет сформировать сетку из 16 частот из диапазона 8,25 ÷
12 ГГц. Хороший уровень сигнала обеспечивается за счет наличия в схеме
синтезатора модуля усилителя. Таким образом, разработанный формирователь сетки
частот отвечает всем предъявленным требованиям.
Одним из основных достоинств станции
помех, в составе которых работает разработанный синтезатор частоты является
быстродействие. Был рассчитан согласованный переключатель СП4х1, время
переключения которого составляет  .
В проекте рассчитан и
проанализирован полосно-пропускающий фильтр диапазона 6.25-7.75 ГГц на
встречных стержнях с четвертьволновыми короткозамкнутыми на одном конце
резонаторами. Проведено моделирование в программе Filter Solutions для расчета
и построения АЧХ, где, изменяя размеры резонаторов фильтра и зазоров между
ними, была достигнута требуемая АЧХ ППФ.
В конструкторско-технологической
части был проведен анализ элементной базы. Проведен расчет размеров платы
управления, после чего проведен расчет размера модуля СП4х1. После расчета
теплового режима было установлено, что достаточно естественного охлаждения. Для
естественного охлаждения предусмотрены специальные воздухозаборники, через
которые во все блочные отсеки поступает поток воздуха. На основании расчетных
данных можно утверждать что изделие является вибропрочным и надежным.
Разработана схема технологического процесса сборки модуля СП4х1.
В организационно-экономической части
дипломного проекта было произведено обоснование экономической эффективности
проектируемого изделия и разработан календарный план по проектированию и
изготовлению опытного образца.
В разделе охрана труда дипломного
проекта проведена оценка нагрузки на зрение инженера - настройщика синтезатора.
Разработанный синтезатор частоты
полностью отвечает все электрическим и конструкторско-технологическим
требованиям, предъявляемым к нему.
Графическая часть проекта выполнена
в соответствии с заданием на дипломное проектирование и составляет 10 листов.
Пояснительная записка к дипломному проекту выполнена в текстовом редакторе
Microsoft Word 2007 и представлена на диске CD-R.
Список литературы
1. Цветнов
В.В., Демин В.П., Куприянов А.И., Радиоэлектронная борьба: радиомаскировка и
помехозащита. - М.: МАИ, 1999.
. Юдин
В.Н., Основные энергетические соотношения при анализе эффективности
противорадиолокационной маскировки ЛА. - М.: МАИ, 2000.
. Максимов
М.В., Защита от радиопомех. - М.: Советское радио, 1976 г.
. Вакин
С.А., Шустов Л.Н., Основы радиопротиводействия и радиотехнической разведки, М.:
Советское радио, 1968.
. Вакин
С.А., Шустов Л.Н., Основы радиоэлектронной борьбы. - М.: ВВИА им. Н.Е.
Жуковского 1998.
. Ван
Брант Л.Б., Справочник по методам радиоэлектронного подавления и помехозащиты
систем с радиолокационным управлением / Перевод № 432 под ред. Лядкина Ю.С.,
1987.
. Палий
А.И., Радиоэлектронная борьба. - М.: Воениздат, 1989.
. Меркулов
В.И., Чернов В.С. и др., Защита радиолокационных систем от помех. Состояние и
тенденции развития / под ред. Канащенкова А.И., Меркулова В.И. - М.:
Радиотехника, 2003.
. Перунов
Ю.М., Фомичев К.И., Юдин Л.М., Радиоэлектронное подавление информационных
каналов систем управления оружием. - М.: Радиотехника, 2003.
. Добыкин
В.Д., Куприянов А.И., Пономарев В.Г., Шустов Л.Н., Радиоэлектронная борьба.
Цифровое запоминание и воспроизведение радиосигналов и электромагнитных волн -
Изд. Вузовская книга, 2003.
. Радзиевский
В.Г., Сирота А.А., Информационное обеспечение радиоэлектронных систем в
условиях конфликта - М.: ИПРЖР, 2001.
. Мельников
Ю.П., Воздушная радиотехническая разведка (методы оценки эффективности). - М. Радиотехника,
2005.
. Захарьящев
Л.И., Проектирование СВЧ устройств. - Рязань, 2004
. Конденсаторы:
Справочник / И.И. Четвертков, М.Н.Дьяконов, В.И. Присняков и др.: Под ред. И.И.
Четверткова, М.Н. Дьяконова. - М.:Радио и связь, 1993. - 392с.
. Нефедов
А.В. «Интегральные микросхемы и их зарубежные аналоги: Справочник». - М.:ИП
РадиоСофт, 2000. - 512с.
. Микропроцессоры
и микропроцессорные комплекты интегральных микросхем: Справочник. В.-Б. Б.
Абрайтис, Н.Н. Аверьянов, А.И. Белоус и др.; Под ред. В.А. Шахнова. - М.:Радио
и связь, 1988. - 368с.
. А.В.
Фомин, О.Н. Умрихин, Ю.Н. Корниенко, Ю.И. Борзаков. «Расчет надежности
интегральных РЭС и ЭВС» - М.Издательство МАИ, 1999г.
. Конструирование
и расчет БГИС, микросборок и аппаратуры на их основе: Учебное пособие для вузов
/ Г.В. Алексеев, В.Ф. Борисов, Т.Л. Воробьева и др.; Под редакцией Б.Ф.
Высоцкого. -М.: Радио и связь, 1981.
. Резисторы.
Справочник. Под редакцией И.И. Четверткова.-М.: Радио и связь, 1987.
.
С.В. Моисеев. Экономическое обоснование дипломных проектов работ) по приборо- и
радиоприборостроению. Методические указания. Издание второе. Москва
Издательство Ивако Аналитик 2003 год.
.
Яров В.Н. «Выбор и расчет элементов электрозащиты».-М.: МАИ, 1995.
.
Яров В.Н., Мальков Л.Н. «Защита от шума и вибрации».-М.: МАИ, 1993г.
.
ГОСТ 12.1.001-065 ССБТ. Сборник. Москва 1985г.
.
Экономика: Учебник.//Под редакцией д.э.н., проф. Архипова А.И., д.э.н, проф.
Нестеренко А.Н., к.э.н., доц. Большакова А.К.
.
Румянцева Е.Е. Новая экономическая энциклопедия. - М.: ИНФРА. - 2005 г.
.
И.А. Нуль, А.Е. Фатеев Методические указания по «Выполнению
организационно-экономической части дипломных проектов» .- М.: МИРЭА-2007 г.
.
Официальный сайт пенсионного фонда РФ #"564070.files/image361.gif">
Похожие работы на - Расчет полосно-пропускающего фильтра
|