Программируемый формирователь последовательности импульсов с цифровой индикацией количества импульсов
СОДЕРЖАНИЕ
ТЕХНИЧЕСКОЕ ЗАДАНИЕ
ВВЕДЕНИЕ
. РАЗРАБОТКА СТРУКТУРНОЙ СХЕМЫ
. РАЗРАБОТКА ЭЛЕКТРИЧЕСКОЙ
ПРИНЦИПИАЛЬНОЙ СХЕМЫ
.1 Блок нормирования импульса
запуска
.2 Блок настройки
.3 Цифровой программируемый ждущий
мультивибратор
.4 Блок индикации
.5 Временные диаграммы
. ТРЕБОВАНИЯ К ИСТОЧНИКУ ПИТАНИЯ
. РАЗРАБОТКА КОНСТРУКЦИИ УСТРОЙСТВА
ЗАКЛЮЧЕНИЕ
СПИСОК ИСПОЛЬЗОВАННОЙ ЛИТЕРАТУРЫ
ПРИЛОЖЕНИЕ 1. КРАТКАЯ ХАРАКТЕРИСТИКА
ИСПОЛЬЗУЕМЫХ МИКРОСХЕМ
ПРИЛОЖЕНИЕ 2. ТАБЛИЦА ЗНАЧЕНИЙ
СИГНАЛОВ ВЫХОДОВ УЗЛОВ ФОРМИРОВАТЕЛЯ
ТЕХНИЧЕСКОЕ ЗАДАНИЕ
№ варианта - 115.
Тема:
Программируемый формирователь последовательности
импульсов с цифровой индикацией количества импульсов в последовательности
Исходные данные:
Входной запускающий сигнал ТТЛ уровней
положительной полярности длительностью 6 мкс. Тактовая частота 1,5 МГц.
Количество импульсов в последовательности 4 .. 256 с шагом 4.
ВВЕДЕНИЕ
Проектируемое устройство в готовом виде
представляет собой отдельный прибор, основной функцией которого является
формирование последовательности импульсов заданной частоты.
Длительность этой последовательности варьирует в
пределах, обозначенных в техническом задании. Кроме того, задан шаг, то есть
количество элементов последовательности в любом из возможных вариантов должно
быть кратно определённому целому числу, являющемуся, по условию, минимальным
допустимым ненулевым числом импульсов в последовательности. Другими словами, мы
должны получить аппарат, при работе которого на выходе получается определенный
результат, являющийся элементом дискретного множества (конечного набора)
возможных случаев, выбор между которыми определяет пользователь.
Последовательность импульсов, согласно заданию,
прибор выдает по сигналу запуска, следовательно, подразумевается наличие
механизма подачи такого сигнала (в нашем случае - это кнопка). Помимо этого,
условие регламентирует длительность этого сигнала, то есть необходим, как
минимум, еще один, правда, более простой формирователь одиночного импульса в
составе разрабатываемого. Сигнал запуска подается пользователем в произвольный
момент времени.
Это значит, что он инициируется вне зависимости
от тактовой частоты устройства, однако должен быть синхронизирован с ней сразу
после своего появления, то есть формироваться по первому же тактовому импульсу
после нажатия кнопки и, так как его длительность определена заданием,
автоматически прекращаться по прошествии некоторого числа тактов. ( условие
сформулировано иначе - длительность импульса запуска задана в абсолютных
единицах времени - , но она кратна целому числу тактов, что нетрудно показать с
помощью несложных расчетов: тактовая частота - 1,5 МГц, следовательно, период
одного такта равен 1/f =2/3 мкс, длительность импульса запуска - 6 мкс, значит,
он существует в течении ровно 9 тактов ).
Длительность самой формируемой последовательности
и количество импульсов в ней определяется предварительной настройкой прибора ,
осуществляемой пользователем , однако количество возможных вариантов настройки,
как уже было сказано выше, конечно. Таким образом, перед запуском формирователя
пользователь должен произвести некоторое количество переключений между
дискретными значениями, работу с которыми предполагает данное устройство.
Интерфейс взаимодействия с пользователем будет выполнен в виде блока индикации,
который предназначен для отображения количества импульсов в последовательности.
Установку этого количества и осуществляет пользователь путем переключения между
дискретными настройками, причем индикация этого количества осуществляется сразу
же при выборе нужного варианта, то есть до формирования сигнала запуска и самой
последовательности.
Это и дает пользователю возможность получить
информацию о выбранном варианте и управлять поведением прибора.
Переключения между вариантами, как и подача
стартового импульса, будет осуществляться кнопкой. Количество нажатий этой
кнопки будет определять вариант последовательности. Акцентирую внимание на
следующей особенности прибора: “нулевого” варианта, то есть настройки, при
которой после нажатия кнопки на выходе устройства не появится импульсов вообще,
в прибор “вшито” не будет. Это обусловлено, во-первых, отсутствием
целесообразности ( чтобы получить “ноль” импульсов на выходе можно просто не
нажимать кнопку), во-вторых, устным пояснением преподавателя и, в-третьих,
самим заданием, где нижний предел дискретного множества вариантов определен как
натуральное число, являющееся, в то же время, шагом. Несмотря на это в наш век
цифровой техники пользователю привычно иметь полную ( универсальную ) картину
настроек, независимо от ее практической применимости, поэтому считаю уместным
сделать этот комментарий.
Все описанные ниже блоки обособлены друг от
друга на условно-логическом уровне, пространственно-физически они могут быть
как частью одной микросхемы, так и, например, состоять из нескольких готовых
стандартных микросхем; отдельные элементы одной микросхемы могут находиться в
составе различных блоков устройства и, наоборот, элементы разных готовых
микросхем могут объединяться одним блоком устройства. Эта внутренняя
структурная иерархия строится на электрических соединениях и обусловлена
рациональностью использования элементов схем и максимально возможной
компактностью прибора в целом.
Физически все детали, увязанные воедино путем
электрических соединений и представляющие своей совокупностью работоспособную
систему, располагаются в твердом корпусе, имеющей форму прямоугольного
параллелепипеда. На передней панели корпуса находятся кнопка
включения/выключения питания, кнопка подачи сигнала запуска, кнопка настройки и
цифровые светодиодные индикаторы. На задней панели выполнен разъем для
подключения источника питания (постоянное напряжение величиной 5В).
1. РАЗРАБОТКА СТРУКТУРНОЙ СХЕМЫ
Основные узлы (блоки) проектируемого устройства
и их назначение.
Блок формирования импульса запуска. Предназначен
для приема команды пользователя к формированию последовательности и генерации
стартового импульса положительной полярности длительностью 6 мкс ( по условию
). Включает в себя кнопку запуска, схему устранения вибрации механических
контактов (“дребезга”) и непосредственно формирователь импульса.*
Блок настройки. Предназначен для установки
пользователем длительности последовательности выходных импульсов (их количества
в одной сформированной последовательности). Включает в себя кнопку настройки,
схему антидребезга, счетчик числа нажатий и 2 преобразователя кода для
обеспечения логической связи с блоком индикации и цифровым программируемым
ждущим мультивибратором.
Цифровой программируемый ждущий мультивибратор.
Предназначен непосредственно для генерации выходной последовательности. Основан
на счетчиках, также включает в себя схему временной селекции (стробирования),
преобразующую сгенерированный одиночный импульс длительностью в несколько
тактов в последовательность импульсов, количество которых определяется числом
тактов в одиночном импульсе.
Блок индикации. Служит для отображения в
десятичном представлении заданного количества импульсов выходной
последовательности. Состоит из нескольких (в нашем случае - трех; количество
определяется разрядностью десятичного числа, выражающего максимальное
количество импульсов выходной последовательности ( по условию - 256))
семисегментных индикаторов.
Генератор тактовой частоты. Нужен для
синхронизации работы всех блоков устройства. Формирует тактовые импульсы
определенной частоты (по условию - 1,5 МГц).
Более подробно устройство каждого из блоков
будет рассмотрено в разделе описания принципиальной схемы.
Структурная схема устройства наглядно описывает
совокупность всех его блоков и взаимосвязи между ними. Она предназначена для
того, чтобы дать общее представление об узлах прибора и принципах их слаженного
взаимодействия.
Рисунок 1 - Обобщенная структурная схема
устройства
Элементы представленной на рис. 1 структурной
схемы накапливают информацию и обмениваются ею между собой по алгоритму,
описанному ниже.
Блок настройки после установки пользователем в
определенное со стояние несет сведения о параметрах генерируемой
последовательности импульсов ( их количестве и длительности самой
последовательности). При этом данные, засчёт работы встроенных преобразователей
кодов, представляются в двух различных видах: один - для передачи в блок
индикации, а другой - на ЦПЖМ. Для блока индикации важна информация о
количестве импульсов, которую он и отображает; мультивибратор же, адекватно его
внутреннему устройству, рассмотренному в следующих разделах, пропускает её
через себя косвенно. Для работы ЦПЖМ более важна длительность сплошного
одиночного импульса, генерируемого им, выраженная в тактах, и лишь после
формирования этого импульса он, с помощью встроенной в ЦПЖМ же схемы
стробирования, будет разделен на более короткие импульсы тактовой частоты.
Таким образом, функциями блока настройки являются получение от пользователя и
хранение информации о результирующей последовательности импульсов и её передача
в блок индикации и ЦПЖМ в соответствующих видах.
Блок индикации получает от блока настройки
данные о формируемой последовательности и отображает ее в виде десятичного
числа разрядностью от1 до 3 (согласно условию).
Блок формирования импульса запуска по команде
пользователя (по фронту сигнала положительной полярности, полученного от
кнопки) с помощью встроенного счетчика с предустановленным постоянным начальным
значением генерирует одиночный стартовый импульс определенной длительности ( по
условию - 6 мкс, или 9 тактов). Тактовая частота подается с соответствующего
узла.
ЦПЖМ, как уже было сказано, получает
преобразованные в нужный формат данные от блока настройки и, по сигналу
запуска, генерирует определяемую ими последовательность импульсов. При этом
работа ЦПМЖ синхронизируется тактовой частотой лишь с блоком формирования
импульса запуска. ЦПМЖ не хранит информацию о последовательности, а “забирает”
её из блока настройки по стартовому сигналу.
Генератор тактовой частоты осуществляет функцию
“часов”, по которым работают другие блоки. Он обеспечивает скоординированное
взаимодействие блока формирования импульса запуска и ЦПЖМ. Блок настройки и
блок индикации функционируют в асинхронном режиме, поэтому на них тактовая
частота не подается.
Примечание: В идеальном варианте блок
формирования импульса запуска должен включать в себя схему регистрации коротких
импульсов, так как если временной интервал удержания кнопки будет меньше
периода тактового импульса и фронт тактового импульса не совпадет с ним, то
устройство пропустит команду пользователя и никак на неё не отреагирует.
Однако, учитывая ничтожность длительности такта ( 2/3 мкс ) по сравнению с
практически осуществимым коротким нажатием кнопки запуска, мы позволим себе не
включать в проект дополнительные элементы, считая интервал удержания кнопки
пользователем по умолчанию большим периода тактовых импульсов.
2. РАЗРАБОТКА ЭЛЕКТРИЧЕСКОЙ ПРИНЦИПИАЛЬНОЙ СХЕМЫ
2.1 Блок формирования
импульса запуска
Блок формирования импульса запуска можно условно
разделить на 2 узла: это кнопка подачи стартового сигнала со схемой устранения
влияния вибрации механических контактов (т. н. схема “антидребезга”) и
мультивибратор, непосредственно формирующий импульс запуска определенной
длительности.
Классический вариант схемы “антидребезга”
представлен на рис..2. Она основана на асинхронном RS-триггере с инверсными
выходами. Вкратце принцип её действия можно описать так: при появлении
нескольких следующих друг за другом соприкосновений (замыканий-размыканий)
контактов, соответствующих одному из двух возможных состояний кнопки (“нажата”
или “отжата”), триггер переключается по первому из них, не реагируя на
последующие, и только если изначально он находился в противоположном состоянии.
Дальнейшее его переключение возможно только при первом же замыкании контактов,
соответствующих состоянию, противоположному текущему, и т. д. Таким образом,
случайные (несанкционированные пользователем) замыкания - размыкания контактов
отфильтровываются и на работе устройства не отражаются.
Рисунок 2 - Схема устранения влияния вибрации
контактов
В правой части рис. 2 расположены временные
диаграммы, иллюстрирующие работу схемы “антидребезга”. Поданный пользователем
стартовый сигнал передается на мультивибратор. Принципиальная схема
формирователя импульса запуска представлена на рис 3.
Рисунок 3 - Формирователь импульса заданной
длительности на основе программируемого мультивибратора
последовательность импульс частота
Программируемый мультивибратор представляет
собой двоичный счетчик, включенный по схеме, изображенной на рисунке.
Изначально счетчик находится в состоянии, соответствующем (Кмах - 1), где Кмах
- максимальный модуль счета; это значит, что на выходе данных счетчика число 15
в двоичном представлении ( 1111 ), а на выходе CR сформирован сигнал переноса,
поданный на вход загрузки данных L через элемент 2И-НЕ.
Когда на второй вход этого элемента приходит
стартовый сигнал Х от кнопки, активируется вход L и далее производится запись
данных в счетчик со входов данных (по фронту очередного тактового импульса). На
них заведомо подано число D, являющееся дополнением до (Кмах - 1) числа тактов
в итоговом импульсе. После его записи в счетчик сигнал переноса CR становится равным
нулю, тем самым деактивируя вход L и активируя через инвертор вход разрешения
счета Е. Начинается счет тактовых импульсов, который продолжается до
установления на выходах счетчика значения (Кмах - 1) и формирования сигнала
переноса CR, запрещающего счет через инвертор и вход Е. На выходе Y формируется
импульс длительностью (Кмах - 1 - D) тактов.
По условиям технического задания и расчетам,
сделанным выше (см. раздел “Введение”) длительность импульса запуска должна
равняться 9 тактам. Для этого на входах данных счетчика должно быть установлено
число D = 6 (Кмах - 1 - D = 9), которое по каждому новом импульсу запуска будет
записываться в счетчик.
Примечание: По аналогии с тем, как это сделано в
разделе “введение”, длительность сигнала запуска принимается по умолчанию
большей длительности такта. Это даёт возможность не включать в блок схему
регистрации коротких импульсов.
2.2 Блок настройки
Как уже было показано в разделе “Введение”, блок
настройки включает в себя кнопку настройки со схемой “антидребезга”, счетчик
числа нажатий и два преобразователя кода.
Устройство кнопки и схемы устранения влияния
контактов абсолютно аналогично рассмотренному в предыдущем разделе, поэтому
здесь мы его описывать не будем.
Принцип действия блока настройки нашего
формирователя таков: пользователь имеет возможность, нажимая на кнопку,
увеличивать с шагом 4 количество импульсов в итоговой последовательности, то
есть каждое новое нажатие прибавляет к 4 импульса к уже запрограммированным.
Поскольку “нулевого” варианта не предусмотрено, то минимальное количество
импульсов в последовательности равно 4. Следовательно, не нажимая кнопку вовсе,
пользователь оставляет в качестве количества импульсов число “4”. Нажав кнопку
один раз, он увеличивает размер последовательности до 8 импульсов, 2 раза - до
12, и т. д. до 256 (см. Таблицу состояний блока настройки в конце пояснительной
записки).
Чтобы получить 256 импульсов, необходимо нажать
кнопку 63 раза. После 64-го нажатия число импульсов вновь должно становиться
исходным (числом “4”). Таким образом, необходимо иметь систему с 64 состояниями
и возможностью сброса. Эту систему нетрудно реализовать, объединив в одном
блоке 2 4-разрядных счетчика с модулем счета “16”, если подать на входы
асинхронной загрузки старшего счетчика число “12”.Принципиальная схема блока
настройки изображена на рис. 4.

Выход переноса старшего счетчика следует
соединить с его же входом L для того, чтобы после состояния “16” (1111) по
следующему тактовому импульсу оно изменилось на “12”; при этом на тактовый вход
следует подавать сигнал переноса младшего счетчика. В итоге старший счетчик
будет иметь 4 возможных состояния, каждому из которых соответствуют 16
возможных состояний младшего счетчика, что и даст нам необходимую систему с
модулем счета “64” и автоматическим сбросом после прохождения по ним.
Каждому из этих состояний соответствует
определенное состояние выходов блока счетчиков, и эти состояния не повторяются
в пределах ряда из 64 значений. Но они не соответствуют тем форматам данных,
которые требуется передать на блок индикации для отображения и на ЦПМЖ для
определения количества импульсов в формируемой последовательности. Для
обеспечения этого соответствия используем 2 преобразователя кодов: один для
блока индикации, второй для ЦПМЖ.
Блок подсчета числа нажатий кнопки настройки
имеет разрядность 8.
Для индикации этого числа в десятичной системе
счисления будем использовать семисегментные индикаторы, по одному для каждого
разряда, и, если абстрагироваться от “точки”, учитывая, что максимальное число
десятичных разрядов равно “3”, получаем, что соответствующий преобразователь
должен иметь 21 выход; если же точку принимать во внимание, их должно быть 24.
Значит, при подборе устройства мы будем ориентироваться на минимальное
соотношение входов/выходов, равное 8/21. При этом их может быть и больше, в
таком случае лишние вводы подлежат заземлению.
ЦПМЖ будет содержать 3 четырехразрядных счетчика
с количеством возможных состояний, равным 16 у каждого. Минимальная разрядность
выхода соответствующего преобразователя будет равна “12”, что будет ясно из
раздела описания соответствующего блока.
В качестве преобразователей кодов будем
использовать постоянные запоминающие устройства, у каждого из которых также,
как и у блока подсчета число нажатий, будет 64 возможных состояния выходов,
обусловленных выбором соответствующей ячейки памяти. Её выбор будет зависеть от
подаваемой на вход комбинации сигналов. Её содержимое будет записано заранее с
учетом требований технического задания и будет иметь формат, адекватный узлу, в
который передаются данные, и уникальное значение, обеспечивающее необходимое
состояние этого узла.
Итак, пользователь нажимает кнопку, при этом на
блок индикации через соответствующий преобразователь поступает информация о
состоянии блока подсчета числа нажатий, обеспечивающая правильное отображение
количества импульсов в формируемой последовательности; та же информация через
второй преобразователь поступает на ЦПМЖ, определяя наличие этого и только
этого количества в вышеупомянутой последовательности.
2.3 Цифровой
программируемый ждущий мультивибратор
Несомненно, главным блоком проектируемого
устройства является ЦПМЖ, который непосредственно, и формирует
последовательность импульсов. Его принципиальную схему и алгоритм работы мы
опишем детально.
ЦПМЖ объединяет 3 двоичных счетчика с модулем
счета “16”. Для реализации блока с модулем счета “256” в общем случае
достаточно 2-х таких счетчиков, но для формирователя импульса определённой
длительности, являющегося стержнем последовательности, их недостаточно, так как
в 256-ом конечном состоянии образуется сигнал переноса старшего счетчика,
определяющий момент завершения итогового импульса. Это значит, что с помощью
2-х счетчиков мы не сможем сформировать импульс длительностью более, чем в 255
тактов, что декларирует необходимость в еще одном счетчике. Теоретически, мы
могли бы взять двоичный счетчик меньшей разрядности, чем “4”, но в одной схеме
целесообразно использовать счетчики одинаковой разрядности.
На рисунке 5 изображена принципиальная схема
ЦПМЖ. До поступления сигнала запуска выходы данных старшего счётчика находятся
в состоянии “1111”, то есть на них - число, соответствующее (Кмах-1), где Кмах
- модуль счета старшего счётчика. В связи с этим на выходе переноса CR счетчика
старших разрядов - активный сигнал. Этот выход через логический элемент И-НЕ
соединен со входом L параллельной загрузки данных всех трех счетчиков.
Рисунок 5 - Цифровой программируемый ждущий
мультивибратор
На второй вход этого элемента И-НЕ поступает
сигнал запуска. С приходом этого сигнала активируются входы L всех трех
счетчиков и по фронту первого же тактового импульса производится запись
соответствующих данных со входов D в счетчики. Если значение этих данных не
равно (Кмах-1) для всех счетчиков блока, то сигнал переноса CR3 “падает в
ноль”, тем самым “разрешая” через инвертор DD3.1 младшему счетчику работу в
режиме счета. С этого момента начинается отсчет тактов, и их количество
прибавляется к числу, загруженному в счетчики через входы D. Отсчет
продолжается до тех пор, пока значение выходов всех счетчиков не достигнет
величины (Кмах-1). Когда это произойдёт, на выходе CR третьего (старшего)
счётчика вновь сформируется сигнал переноса и его инверсия прекратит подсчет
тактовых импульсов через вход E первого счетчика.
В итоге формируется импульс длительностью (Кмах
-1-D) тактов, являющийся инверсией сигнала CR счетчика старших разрядов.
Пропуская его через схему стробирования (см. рисунок) вместе с тактовой
частотой, получаем последовательность из (Кмах -1-D) импульсов тактовой
частоты.
Число импульсов в формируемой последовательности
зависит от числа на входах D системы счетчиков. Максимальный модуль счета из
трех четырехразрядных двоичных счетчиков равен 4096; таким образом, мы можем
сформировать последовательность, длительность которой варьирует от 0 до 4095
тактовых импульсов. С учетом условий задания, она будет изменяться от 4 до 256
с шагом 4, при изменении числа, поданного на входы D системы счётчиков, от 4091
до 3839 с тем же шагом(см. таблицу).
2.4 Блок индикации
Для отображения в десятичной форме количества
импульсов в формируемой последовательности служит блок индикации.
Каждый разряд соответствующего числа отображается
с помощью отдельного семисегментного индикатора, имеющего семь светодиодных
элементов, расположенных в форме цифры “8”, которые обозначаются латинскими
буквами от A до G, и обособленный элемент “H”, предназначенный для отображения
точки (десятичного разделителя) там, где это нужно (рис. 6, а).
Свечение определенной комбинации
полупроводниковых сегментов соответствует выводу определённой десятичной цифры
от “0” до “9”. Эта комбинация обусловлена совокупностью входных сигналов. В
общем случае для преобразования двоичного кода, в котором накапливается
информация в блоке настройки, в код семисегментного индикатора используются
специальные дешифраторы.
В нашем случае дешифратор не нужен, так как в
блоке настройки уже предусмотрен специальный преобразователь кода для блока
индикации (см. описание соответствующего узла). Определенному числу нажатий
кнопки настройки, зафиксированному в двоичном коде, соответствует определённая
уникальная комбинация выходных сигналов преобразователя кода, рассчитанная с
учетом условий технического задания и особенностей индикаторов.
Эта комбинация “зашита” в ПЗУ, на котором
реализован соответствующий преобразователь кода.
Рисунок 6 - Семисегментные индикаторы
Не трудно подсчитать, что, при использовании
трех семисегментных индикаторов необходимое количество выходов соответствующего
преобразователя будет равно 21 (сегмент, отвечающий за свечение точки,
использоваться не будет и должен быть “посажен” на землю) при количестве
входов, равном 8 (разрядность модуля счета счетчика блока настройки ).
На рис. 7 изображена принципиальная схема блока
индикации.
Рисунок 7 - Принципиальная схема блока индикации
2.5 Временные диаграммы
На рисунке 8 представленные временные диаграммы,
дающие наглядное представление о работе устройства, соответствующей режиму
формирования последовательности из 8 импульсов, то есть такому, для выбора
которого пользователь нажимает кнопку настройки один раз. При этом блок
индикации показывает значение “008”, а в ЦПМЖ записывается число 4087.
При нажатии стартовой кнопки формируется импульс
запуска (диаграммы S1, Pзап).
Сигнал, разрешающий параллельный ввод данных в счетчики становится активным. По
фронту следующего же тактового импульса происходит запись в счетчики. При этом
сигнал переноса CR
становится нулевым, тем самым разрешая счет через инверсный вход Е младшего
счетчика и в то же время деактивируя сигнал параллельного ввода данных.
Рисунок 8 - Временные диаграммы, иллюстрирующие
работу основных узлов устройства
Начинается счет. Инверсия сигнала CR,
имеющая значение “1”, сочетаясь с тактовыми импульсами на схеме стробирования,
образует выходную последовательность из 8 импульсов тактовой частоты.
По фронту 9-го тактового импульса выходная
комбинация сигналов счетчика принимает значение “111111111111”, соответствующее
числу 4095 в десятичной системе счисления. При этом формируется сигнал переноса
CR, его инверсия
становится “0” и импульсы на выход больше не поступают. ЦПМЖ возвращается в
исходное состояние и продолжает находится в нем до поступления следующего импульса
запуска.
3. ТРЕБОВАНИЯ К ИСТОЧНИКУ ПИТАНИЯ
Расчет потребляемой мощности ПЗУ К596РЕ1:
145мА*5В = 725 мВт для одной ИС. Так как в устройстве их 5, то общая
потребляемая мощность равна 3,625 Вт.
Расчет потребляемой мощности счетчиков К555ИЕ10:
30 мВт*6 ИС = 180 мВт суммарно.
Расчет потребляемой мощности ИС с логическими
элементами 2 И-НЕ К155ЛА3: 12мА*5В = 60 мВт для одной микросхемы. В устройстве
их4, что дает 240 мВт совокупно.
Расчет потребляемой мощности светодиодных
индикаторов АЛС324А: 500 мВт*3 ИС = 1500 мВт.
Итого: 5545 мВт = 5,545 Вт.
Произведение общей потребляемой мощности и
коэффициента запаса 1,5 дает 8 317,5 мВт.
Вывод: рекомендуемая мощность источника питания
должна быть не менее 8,5 Вт.
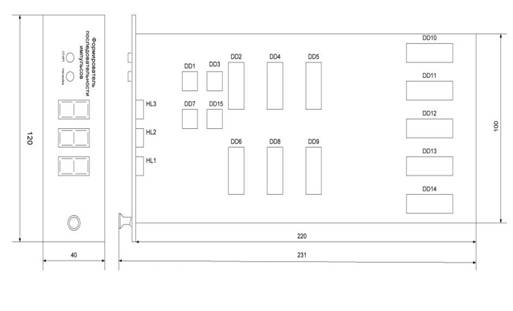
4. РАЗРАБОТКА КОНСТРУКЦИИ УСТРОЙСТВА
Формирователь последовательности импульсов
выполнен в виде печатной платы с разъемом с одной стороны и передней панелью с
другой для размещения в стойке. Общий вида устройства изображен на рис. 9.
Рисунок 9 - Общий вид формирователя
последовательности импульсов, выполненного в виде печатной платы
ЗАКЛЮЧЕНИЕ
Спроектированное устройство представляет собой
настраиваемый пользователем формирователь последовательности импульсов. Оно
выполнено в виде печатной платы с передней панелью, содержащей кнопку настройки
и кнопку запуска, а также табло индикации количества импульсов в
последовательности. Устройство устанавливается в стойку.
СПИСОК ИСПОЛЬЗОВАННОЙ ЛИТЕРАТУРЫ
1
Л.А.Алексеева, К.Ф.Гласман, М. Н. Покопцева. Цифровые устройства и микропроцессоры:
Методические указания по выполнению курсового проекта для студентов заочного
отделения специальности 210312 “Аудиовизуальная техника”. - СПб.: СПБГУКиТ,
2010.
Популярные
микросхемы ТТЛ. Шило В. Л. Москва, АРГУС, 1993.
Справочник
“Цифровые и аналоговые интегральные схемы”. С. В. Якубовский, Л. И. Ниссельсон,
В. И. Кулешова и др. Москва, “Радио и связь”, 1990.
ПРИЛОЖЕНИЕ 1
КРАТКАЯ ХАРАКТЕРИСТИКА ИСПОЛЬЗУЕМЫХ МИКРОСХЕМ
К155ЛА3. Микросхема
представляет собой четыре логических элемента 2И-НЕ. Корпус К155ЛА3 типа
201.14-1, масса не более 1 г и у КМ155ЛА3 типа 201.14-8, масса не более 2,2 г.
К555ИЕ10. Цифровая микросхема серии ТТЛ.
Микросхемы К555ИЕ10 представляют собой двоичный синхронный четырехразрядный
счетчик.
Содержит 368 интегральных элементов. Корпус типа
238.16-2, масса не более 1,2 г.
К596РЕ1. Микросхема К596РЕ1 представляет собой
матрицу-накопитель постоянного запоминающего устройства емкостью 64 кбит (8к х
8) со схемами управления (ТТЛ). Содержит 71377 интегральных элементов. Корпус
типа 4131.24-3, масса не более 3 г.
К155ЛА3. Интегральная микросхема серии ТТЛ.
Микросхемы К155ЛА3 представляют собой 4 логических элемента 2И-НЕ. Содержат 56
интегральных элементов. Корпус типа 201.14-1, масса не более 1 г.
Предельно допустимые режимы эксплуатации
К155ЛА3:
Напряжение питания .......... 4,75 - 5,25 В
Входное напряжение низкого уровня ..........
< 0,4 В
Входное напряжение высокого уровня ..........
> 2,4 В
Входной ток низкого уровня .......... < 16 мА
Выходной ток высокого уровня .......... < -0,8
мА
Емкость нагрузки .......... < 15 пФ
Длительность фронта и среза входного импульса
< 150 нс
Температура окружающей среды:
- К155 .......... -10 + 70 °С