Пассивные четырехполюсники

  • Вид работы:
    Контрольная работа
  • Предмет:
    Информатика, ВТ, телекоммуникации
  • Язык:
    Русский
    ,
    Формат файла:
    MS Word
    479,65 Кб
  • Опубликовано:
    2013-06-27
Вы можете узнать стоимость помощи в написании студенческой работы.
Помощь в написании работы, которую точно примут!

Пассивные четырехполюсники

Федеральное агентство по образованию

Государственное образовательное учреждение высшего профессионального образования

«Московский Государственный Институт Радиотехники, электроники и автоматики (технический университет)»









Контрольная работа по электротехнике

Тема: Пассивные четырехполюсники









Москва, 2012 г.

Пассивные 4-хполюсники

Рассчитаем А-форму уравнений для 4х полюсника, Определим коэффициенты А, B, C, D от режимов холостого хода и режима короткого замыкания. Рассчитаем Z1xx,Z1кз,Z2хх,Z2кз, где Z1xx - сопротивление 4х полюсника при прямом питании в режиме холостого хода, Z1кз - сопротивление 4х полюсника прия прямом питании в режиме короткого замыкания, Z2хх - сопротивление 4х полюсника при обратном питании в режиме холостого хода, Z2кз - сопротивление 4х полюсника при обратном питании в режиме короткого замыкания.

Определим коэффициенты А, B, C, D.

Определим параметры П и Т схемы замещения.

Проверка правильности нахождения коэффициентов А, B, C, D с помощью равенства AD - BC=1

Проверим расчеты с помощью EWB, применив бодеплотер.

Составим схему четырехполюсника

Дано: Электрическая схема № 1 (рис. 1), с приведенными в таблице 1 параметрами.

Таблица 1 - Параметры значений электрической схемы № 1

C1, мкФ

C3, мкФ

R1, Ом

f, Гц

L1, мГн

L2, мГн

L3, мГн

1

3,55

17

900

31,3

2,12

2,48


Рис. 1 - Электрическая схема 4хполюсника № 1

Рассчитаем сопротивления элементов цепи:

,Ом

, Ом

j

j, Ом

j, Ом

Рассчитаем параметры 4хполюсника Z1xx,Z1кз,Z2хх,Z2кз.

а) Прямое питание, холостой ход(Z1xx).

xx = - jXc2 + R1 + jXL2 + jXL1 = 17 - 177j + 177j + 12j = =17+12j = =20,8e35j

Рис. 2

б) Прямое питание, короткое замыкание (Z1кз)

кз = R+ jXL1 + ((-jXc3+jXL3)*(jXL2)/(jXL3+jXL2-jXc3)) - jXc1 =

= -177j + ((-50j + 14j)*(12j)/(-50j + 14j +12j)) + 17 + 177j =

+ (432/(-24j)) = 17 + 18j = 24.7e47j.

Рис. 3

в) Обратное питание, холостой ход(Z2xx).

xx = -jXc3 + jXL3 + jXL2 = -50j +14j + 12j = -24j = 24e-90j

Рис. 4

г) Обратное питание, короткое замыкание (Z1кз).

кз= -jXc3+ jXL3 + ((R+ jXL1- jXc1)*(jXL2)/(R+ jXL1- jXc1+ jXL2))=

= -50j + 14j + ((17+177j-177j)*12j)/(17 + 12j) = -36j + +(204j/(17+12j))= -36j + (204j/20.8ej35) = -36j + 9.8e55j =-36j + 5.6+8j=

= 5.6 -28j = 28.5e79j

Рис. 5

Определим коэффициенты А, B, C, D.

а) Определим коэффициент А


б) Определим коэффициент B

=

в) Определим коэффициент C

=

г) Определим коэффициент D

=

четырехполюсник питание холостой ход

Проверка правильности нахождения коэффициентов А, B, C, D с помощью равенства (1) AD - BC=1

Теперь, проверим полученные коэффициенты. Если равенство (AD - BC)=1, то коэффициенты найдены верно.


Вывод: Из за погрешности, связанной с округлением сопротивлений Z1xx,Z1кз,Z2хх,Z2кз равенство (1) равно не 1, а 0.9. Но тем не менее это подтверждает правильность найденных коэффициентов А, B, C, D.

Определим параметры П и Т схемы замещения. а) Рассчитаем параметры для Т - схемы: Z1, Z2, Z3.

Рис. 6 - Т-схема эквивалентного 4хполюсника


Мы получили параметры Т-схемы четырехполюсника, где:

= R1 + jXL1, где R1 =6,7 ; jXL1 =j12,6 ; = jXL2 = j24.2; = R3 - jXc3, где R3 =10,3; - jXc3 = 2j.

 

Рис. 7

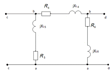
а) Рассчитаем параметры для П - схемы: Z4, Z5, Z6.


 


То есть:

= R1 + jXL1, где R1 = 30, а jXL1 = 44j.= R2 + jXL2, где R1 = 21,5, а jXL1 = 9,1j.=R3 + jXL3; где R3 = 27.8, а jXL3 = j27,8.

Рис. 9 - П-схема эквивалентного 4хполюсника в системе символических изображений

Проверим расчеты с помощью EWB, применив бодеплотер.

Рис. 10 - Схема 4хполюсника при прямом подключении, режим холостого хода. Получение Z1xx

Рис. 11 - Схема 4хполюсника при прямом питании, режим короткого замыкания (Z1кз)

Рис. 12 - Схема 4хполюсника при обратном питании, режим холостого хода(Z2xx).

Рис. 13 - Схема 4хполюсника при обратном питании, режим короткого замыкания (Z1кз)

Похожие работы на - Пассивные четырехполюсники

 

Не нашли материал для своей работы?
Поможем написать уникальную работу
Без плагиата!
Без нейросетей!