|
энергосистема
|
ЛЭП
|
трансформатор
|
КЛ
|
|
система1
|
система2
|
Л1,2
|
Л3,4
|
Т1,2
|
Т3
|
|
|
max
|
min
|
max
|
min
|
|
|
|
|
|
|
Xбi
|
0,0625
|
0,0769
|
0,0454
|
0,055
|
0,0055
|
0,0069
|
0,275
|
7,5
|
0,0002
|
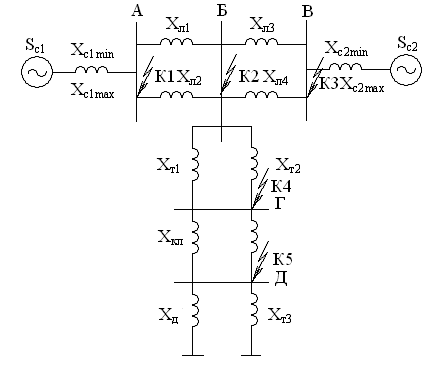
Составляется схема замещения сети и производится
расчет токов короткого замыкания во всех точках.
Рисунок 3 - Схема замещения сети
Рассчитывается точка К-1. Система Sс2
- отключена.
Сопротивление в точке К-1 рассчитывается по
формуле
,
(8)
.
.
Ток к.з. в максимальном
(минимальном) режиме рассчитывается по формуле
, (9)
где Iкimax(min) - ток к.з. i -той точки
в максимальном (минимальном) режиме, кА; Iбi - базисный
ток i-той
системы, кА.
Система Sс2 -
отключена.
,
.
Рассчитывается точка К-3. Система Sс1 -
отключена.
.
(10)
Рассчитывается точка К-2.
Сопротивление точки К-2 в
максимальном (минимальном) режиме
.
(11)
Система Sс1 - отключена.
Сопротивление точки К-2 в
максимальном (минимальном) режиме рассчитывается
. (12)
Обе системы работают.
Сопротивление точки К-2 в
максимальном (минимальном) режиме рассчитывается по формуле
. (13)
Рассчитывается точка К-4.
Система Sс2 -
отключена.
Сопротивление точки К-4 в
максимальном (минимальном) режиме рассчитывается по формуле
. (14)
Система Sс1 - отключена.
Сопротивление точки К-4 в
максимальном (минимальном) режиме рассчитывается
. (15)
Обе системы работают.
Сопротивление точки К-4 в
максимальном (минимальном) режиме рассчитывается по формуле
. (16)
Рассчитывается точка К-5.
Система Sс2 -
отключена.
Сопротивление точки К-5 в
максимальном (минимальном) режиме рассчитывается по формуле
. (17)
Система Sс1 - отключена.
Сопротивление точки К-5 в
максимальном (минимальном) режиме рассчитывается
. (18)
где zкп - общее
сопротивление кабельной линии;
, (19)
где Rкл - активное
сопротивление кабельной линии, Ом, справочные
данные, Rкл=R1=0,39;
Обе системы работают.
Сопротивление точки К-5 в
максимальном (минимальном) режиме рассчитывается по формуле
. (20)
Результаты расчетов сводятся в
таблицу 2 и 3.
Таблица 2 - Расчет токов к.з. в
точках К1 и К3
|
Iбi
|
Sc2 -отключена
|
|
|
хк.i
|
Iкi
|
|
|
max
|
min
|
max
|
min
|
|
К1
|
0,25
|
0,10745
|
0,0612
|
2,327
|
2,127
|
|
К3
|
0,25
|
0,12445
|
0,13885
|
2,009
|
1,8
|
2. Расчет защиты БСК
Максимальная токовая защита применяется от
многофазных коротких замыканиях, возникающих при пробое секции конденсаторов и
может выполняются с использованием реле мгновенного действия типа РБМ.
Ток срабатывания МТЗ
, А,
выбирается из условия отстройки от тока включения и разряда батареи.
,
(21)
где
-номинальный ток всей батареи
конденсаторов, А.
,
, (22)
.
Выбираются 36 конденсаторных батарей
типа КС-10,5-75 2У3 с параметрами
;
;
Номинальный ток конденсаторной
батареи
, А,
определяется по формуле
, (23)
.
Кроме того, осуществляет
индивидуальная защита отдельных конденсаторов (для конденсаторов 6-10 кВ при
помощи установки быстродействующих предохранителей типа ПК).
Ток плавкой вставки
, А,
предохранителя выбирается по формуле
А,
(24)
где
-номинальный ток одного
конденсатора;
Выбираются предохранители типа ПК
1-10-8/5-20 У3 с параметрами: Uн=10 кВ,
Iна=32 А, Iвс=5 А.
По номинальному току батареи
выбирается трансформатор тока из приложения.
МТЗ действует также при перегрузках.
Определяем номинальный ток
, А,
трансформатора определяется по формуле
, (25)
где Sтр -
номинальная мощность силового трансформатора Т3 кВА;
n -
количество ТТ.
.
Принимаем Iн1=150 А.
Ток срабатывания реле
, А,
определяется по формуле
, (27)
где Ксх - коэффициент
схемы, Ксх=√3;
Кт - коэффициент трансформации
трансформатора тока;
.
, (28)
где Iн1тт - первичный
номинальный ток трансформатора тока, А, выби-
рается ближайшее большее значение из
стандартного ряда;
Iн2тт - вторичный
номинальный ток трансформатора тока, А, Iн2тт=5.
Выбирается реле тока типа РТ-40/20.
Предел установок 5-20 А
Чувствительность защиты считается
достаточной при коэффициенте чувствительности большем, либо равным двум.
, (29)
где
- двух фазный ток к.з. в точке К-5,
А;
.
,
(30)
где
- трёх фазный ток к.з. в точке К-5;
.
3. Расчет защиты кабельной линии
На кабельных линиях напряжением 6 - 10 кВ должны
быть предусмотрены устройства релейной защиты от многофазных КЗ и от однофазных
замыканий на землю.
В данной схеме от междуфазных КЗ в качестве
основной и для резервирования отказов защит двигателей можно выбрать МТЗ с
независимой выдержкой времени на постоянном оперативном токе (т.к. защита будет
установлена на ГПП, где предусмотрена аккумуляторная батарея). Схема защиты
простейшая с одним реле тока РТ - 40, подключенным к трансформаторам тока на
крайних фазах А и С, соединенным в неполный треугольник.
Ток срабатывания МТЗ выбирается из условия
отстройки от наибольшего рабочего тока линии.
, ( 28 )
где kнад -
коэффициент надежности;
kс.з - коэффициент
само запуска электродвигателей;
kв - коэффициент
возврата реле;
.
При пуске последнего двигателя
коэффициент само запуска определяется по формуле,
( 29 )
ток замыкание защита
сеть
где
- коэффициент пуска двигателей;
- суммарная мощность двигателей,
кВт;
- коэффициент мощности двигателей;
- суммарная мощность трансформаторов
присоединяемых к шинам Д;
.
В установившемся режиме максимальное
значение тока,
, ( 30 )
.
По
выбирается первичный номинальный
ток трансформатора тока, а затем коэффициент трансформации трансформатора тока.
Ток срабатывания реле определяется
по формуле,
, ( 31 )
.
По
выбирается тип реле тока.
Чувствительность защиты проверяется
по 2х - фазному КЗ в конце КЛ на шинах п/ст. Д.
, ( 32)
.
Защита должна иметь
≥1,5.
4. Расчет защиты трансформатора Т2
В данной главе выбираются следующие защиты:
· упрощенная продольная
дифференциальная защита (с двумя реле типа РНТ-565 с насыщающимся трансформатором
тока (НТТ)) от междуфазных коротких замыканий;
· МТЗ по схеме неполной звезды со
стороны питания - от внешних коротких замыканий;
· газовая - от витковых замыканий и
других внутрибаковых повреждений;
· токовая в одной фазе - от перегруза.
Оперативный ток постоянный.
4.1 Продольная дифференциальная
защита
Расчет дифференциальной защиты осуществляется в
следующем порядке:
определяются средние значения первичных и
вторичных номинальных токов для всех сторон защищаемого трансформатора ;
Формулы и результаты расчетов средних значений
первичных и вторичных номинальных токов для всех сторон защищаемого
трансформатора сводятся в таблицу 5
при внешних к.з. в дифференциальной цепи
появляется ток небаланса, поэтому первым условием выбора первичного тока срабатывания
защиты является отстройка от этого тока небаланса:
, (37)
где kн -
коэффициент надежности, (для реле типа РНТ kн=1,3);
- ток небаланса, А;
Таблица 5 - Формулы для определения
средних значений первичных и вторичных токов для всех сторон защищаемого
трансформатора
|
Наименование величины
|
Численное
значение для стороны
|
|
ВН
|
НН
|
|
Первичный
номинальный ток трансформатора, А
|

|
|
|
Коэффициент
трансформации ТТ
|

|
|
|
Схема
соединения ТТ
|
Δ
|
Υ
|
|
Вторичный
ток в плечах защиты, А
|

|
|
, (38)
где
- составляющая, обусловленная
погрешностью ТТ, А;
- составляющая, обусловленная
неточностью установки на
коммутаторе реле типа РНТ расчетных
чисел витков уравни-
тельных обмоток (учитывая только при
расчете уточненного
тока срабатывания защиты), А.
, (39)
где Капер- коэффициент
учитывающий переходный режим, kапер=1;
Кодн- коэффициент
однотипности, kодн=1;- относительное значение тока намагничивания, E=0,1;
Iк.max-
периодическая составляющая (t=0) при расчетном внешнем
трехфазном кз (Iк(3)
на шинах Г в максимальном режиме), А.
Вторым условием выбора тока
срабатывания защиты
, А,
является отстройка от броска тока намагничивания при включении ненагруженного
трансформатора под напряжением
,
(40)
где Котс - коэффициент
отстройки, kотс=1,3;
Iн1 - номинальный
ток трансформатора, А.
За предельное значение Iс.з.,
принимается большее из двух условий.
Уточненный расчет тока срабатывания
защиты производится после выбора чисел витков уравнительных обмоток НТТ.
Основная сторона дифференциальной цепи выбирается вторичной так как, там
проходит наибольший ток Iв.
Для этой стороны ток срабатывания
реле
, А,
определяется по формуле
,
(41)
где Iс.з.осн - ток
выбираемый по условиям, А;
Ксх.осн - коэффициент
схемы, Ксх.осн=√3;
Ктр.осн - коэффициент
трансформации.
Число витков обмотки НТТ реле РНТ на
основной стороне
, (42)
где Fс.р. - МДС,
необходимая для срабатывания реле, (для РНТ-565
Fс.р=(100±5)А).
За ωосн,
принимается ближайшее меньшее число витков по отношению к ωосн.расч..
Число витков обмотки НТТ,
, включаемой
на не основной стороне
, (43)
За ωнеосн принимается
ближайшее целое число витков.
Определяется составляющая
, (44)
Уточненное значение тока небаланса
, А,
определяется по формуле
,
(45)
Уточненное значение тока
срабатывания защиты
, А, других
величин
,
(46)
Так как, Iс.з.ут. больше
предварительного выбранного значения Iс.з., то Iс.з.ут.
принимается за окончательное значение Iс.з. и повторяется расчет
величин: Iс.р.,
ωосн., ωосн.расч., ωнеосн., ωнеосн.расч..
Чувствительность защиты определяется
по двухфазному к.з. в зоне действия защиты на стороне 6 кВ.
,
(47)
Результаты расчетов средних значений
первичных и вторичных номинальных токов для всех сторон защищаемого
трансформатора, а также расчет параметров продольной дифференциальной защиты
трансформатора Т1 сводятся в таблицу 6 и таблицу 7.
Таблица 6 - Расчет средних значений первичных и
вторичных номинальных токов для всех сторон защищаемого трансформатора
|
Наименование величины
|
Численное
значение для стороны
|
|
220
|
10
|
|
Первичный
номинальный ток трансформатора, А
|
26,24
|
577,4
|
|
Коэффициент
трансформации трансформатора тока
|
6
|
120
|
|
Схема
соединения ТТ
|
Δ
|
Υ
|
|
Вторичный
ток в плечах защиты, А
|
7,6
|
8,3
|
Таблица 7 - Расчет параметров продольной
дифференциальной защиты
|
Параметр
защиты
|
Расчетное
значение
|
|
Iн.б.,
А
|
710
|
|
Iн.б.΄, А
|
710
|
|
Iс.з., А
|
первое
условие
|
923
|
|
второе
условие
|
34,12
|
|
Iс.р.осн., А
|
266,45
|
|
ω, витков
|
осн.расчетное
|
0,38
|
|
основное
|
0
|
|
неосн.
расчетное
|
0
626
|
|
неосновное
|
0
|
|
Уточнённые
показатели
|
|
Iн.б.ут., А
|
710
|
|
Iс.з.ут., А
|
923
|
|
Iс.р.ут,
А
|
266,45
|
|
ω, витков
|
осн.
расчетное
|
0
|
|
основное
|
0
|
|
неосн.
расчетное
|
0
|
|
неосновное
|
0
|
|
Кч
|
7,4
|
|
I(2)к imin, А
|
4482,5
|
|
тип
реле
|
РНТ-565
|
4.2 Максимальная токовая защита
Выполняется с независимой выдержкой времени на
реле типа РТ-40, включенных по схеме неполной звезды со стороны питания.
Ток срабатывания защиты
, А, по
условию отстройки от рабочего тока при возможной перегрузке трансформатора
,
(48)
где Кн - коэффициент
надежности отстройки, kн=1,3;
Кв - коэффициент возврата
реле.
,
(49)
Ток срабатывания реле
, А,
определяется по формуле
,
(50)
Коэффициент чувствительности при
двухфазном к.з. за трансформатором должен быть
,
(51)
где
- минимальный двухфазный ток к.з. в
точке К-4.
При к.з. в конце линии, отходящих от
шин низшего напряжения (в конце линии Г-Д).
Результаты расчетов сводятся в таблицу 8.
Таблица 8 - Расчет МТЗ
|
Iс.з.,
А
|
Iраб.max,
А
|
Iн1тт, А
|
Ктр
|
Iс.р., А
|
Кч
|
тип
реле
|
пред. уставок
|
|
МТЗ
|
71,64
|
36,736
|
150
|
30
|
11,94
|
62,58
|
РТ-40/20
|
5÷20
|
Выбирается реле времени типа РВ-132 с пределом
регулирования времени срабатывания 0,5÷9 секунд.
4.3 Газовая защита
Газовая защита основана на использовании явления
газообразования в баке поврежденного трансформатора. Интенсивность
газообразования зависит от характера и размеров повреждения. Это дает
возможность выполнить газовую защиту, способную различать степень повреждения,
и в зависимости от этого действовать на сигнал или отключение.
Основным элементом газовой защиты является
газовое реле KSG,
устанавливаемое в маслопроводе между баком и расширителем. Достоинства газовой
защиты: высокая чувствительность и реагирование практически на все виды
повреждения внутри бака; сравнительно небольшое время срабатывания; простота
выполнения, а также способность защищать трансформатор при недопустимом
понижении уровня масла по любым причинам. Наряду с этим защита имеет ряд
существенных недостатков, основной из которых - нереагирование ее на
повреждения, расположенные вне бака, в зоне между трансформатором и
выключателями. Защита может подействовать ложно при попадании воздуха в бак
трансформатора, что может быть, например, при доливке масла, после ремонта
системы охлаждения и др. Возможно также ложные срабатывания защиты на
трансформаторах, установленных в районах, подверженных землетрясениям. В таких
случаях допускается возможность перевода действия отключающего элемента на
сигнал. В связи с этим газовую защиту нельзя использовать в качестве
единственной защиты трансформатора от внутренних повреждений.
Газовая защита обязательна для трансформаторов
мощностью Sт>6300 кВА.
Допускается устанавливать газовую защиту и на трансформаторах меньшей мощности.
Для внутрицеховых подстанций газовую защиту следует устанавливать на понижающих
трансформаторах практически любой мощности, допускающих это по конструкции,
независимо от наличия другой быстродействующей защиты.
В качестве реагирующего органа выбираем реле с
чашкообразными элементами типа РГЧЗ-66 (уставки скоростного элемента 0,6; 0,9;
1,2 м/с).
.4 Защита от перегруза
Выполняется одним реле тока, включенным на ток
какой-либо фазы в цепь одного из трансформатора тока защиты от внешних кз.
Ток срабатывания защиты
, А,
определяется по формуле
, (52)
где Кнад- коэффициент
надежности отстройки учитывает только по-
грешность в токе срабатывания, Кнад=1,05.
Ток срабатывания реле
, А,
определяется по формуле
,
(53)
Результаты расчетов сводятся в
таблицу 9.
Таблица 9 - Расчет от перегруза
|
Iс.з., А
|
Iс.р., А
|
Кч
|
тип
реле
|
Предел
уставок
|
|
Расчетные
значения
|
34,44
|
5,74
|
130,2
|
РТ
40/6
|
1,5÷6
|
5. Выбор типов защиты для сети А-Б-В
Так как, сеть образована параллельными линиями и
имеет двухстороннее питание, выбираются следующие защиты:
) поперечная дифференциальная направленная
(основная от всех типов к.з.) защита;
) суммарная токовая направленная защита
параллельных линий, снабженная, где это необходимо по условию селективности
действия, органом направления мощности;
) токовая отсечка без выдержки времени отдельно
для каждой параллельной цепи (дополнительная к основной от междуфазных к.з.).
5.1 Поперечная дифференциальная направленная
защита
Ток срабатывания защиты выбирается по двум
условиям:
Ток срабатывания защиты
, А, должен
превышать максимально возможный ток небаланса при внешнем к.з.
, (54)
где Iн.б.max -
максимальный ток небаланса, А;
Котс - коэффициент
отстройки, Котс=1,2.
, (55)
где Iн.б.΄ - ток
небаланса, обусловленный погрешностью ТТ
, (56)
где ε =10%;
kап -
коэффициент учитывающий переходный режим, kап=2;
kодн -
коэффициент однотипности, kодн=0,5÷1.
Ток срабатывания защиты должен быть
больше максимально рабочего тока обеих линий
, (57)
Рабочий максимальный ток
, А,
находится по формуле
, (58)
где Smax -
максимальная мощность передаваемой на линии Л1,2, МВА.
Выбирается большее значение тока
срабатывания защиты. Коэффициент трансформации ТТ выбирается по току Iраб.max.
Ток срабатывания реле
, А,
определяется по формуле
, (59)
Чувствительность защиты определяется
по минимальному току кз
,
(60)
где Iк.min(2)-
двухфазный ток к.з. в точке равной чувствительности защит
, (61)
где P- коэффициент, зависимости от
вида к.з., между фазами, P(2) =
;
Eф- фазная
ЭДС;
ф=
, (62 )
z∑- результирующее
сопротивление до точки к.з., Ом.
Для определения результирующего
сопротивления изобразим схему замещения
Рисунок 4 - схема замещения линии
А-Б-В
Для определения результирующего
сопротивления изобразим схему замещения. Схема замещения приведена на рисунке
П4.
, (63)
где zс1 и zс2 -
результирующие сопротивления систем 1 и 2, Ом;
z1,2 -
результирующее сопротивление линии Л1,2, Ом;
z3,4 -
результирующее сопротивление линии Л3,4, Ом.
,
(64)
где SАБ - передаваемая
мощность сети А-Б, МВА.
,
(65)
где SБВ - передаваемая
мощность сети Б-В, МВА.
,
(66)
где l1,2 - длина линии
Л1,2, км.
,
(67)
где l3,4 - длина
линии Л3,4, км.
Результирующее сопротивление
, Ом,
определяется по формуле
,
(68)
Рассматривается к.з. в зоне
каскадного действия после отключения выключателя у места повреждения
(69)
(70)
Длина зоны каскадного действия
, ,
определяется по упрощенному выражению
,
(71)
где Iк(2) -
ток, проходящий по линии при двухфазном к.з. на границе каскадной зоны, так как
Iк(2) неизвестен, для упрощения его заменяют током к.з. в
месте установки направленной защиты, А.
Выбираем реле направленной мощности
типа РБМ-171/1 и определяем длину мертвой зоны
, м, при близких трехфазных кз по
упрощенному выражению
,
(72)
где Uс.р.min -
минимальное напряжение срабатывания реле направленной мощности, В;
КU -
коэффициент трансформации трансформатора напряжения;
xуд - удельное
реактивное сопротивление линии, xуд=0,4 Ом/км;к.min(3)
- трехфазный ток кз на шинах, вблизи которых определяется длина мертвой зоны (в
минимальном режиме), А.
Минимальное напряжение срабатывания
реле
, В,
определяется по формуле
, (73)
где Sс.р.min -
минимальная мощность срабатывания реле (РБМ-171/1), Sс.р.min=4 ВА.
Коэффициент трансформации
трансформатора напряжения
,
(74)
где Uном2 - напряжение во
вторичной обмотке ТН, Uном2=100 В.
Допускается иметь
lм.з.<0,1·l
Результаты расчетов сводятся в
таблицу 10
Таблица 10 - Расчет параметров
поперечной дифференциальной направленной защиты
|
Параметры
|
Расчетные
значения
|
|
I условие
|
Iсз, А
|
60,32
|
|
Iн1тт, А
|
400
|
|
Ктр
|
80
|
|
II условие
|
Iсз, А
|
533,065
|
|
Iн1тт, А
|
750
|
|
kтр
|
150
|
|
Кч
|
20,1
|
|
Iк.min(2), А
|
4482,5
|
|
Eф
|
127,17
|
|
zс1,
Ом
|
0,346
|
|
zс2, Ом
|
0,387
|
|
z1,2, Ом
|
1,6
|
|
z3,4, Ом
|
16,8
|
|
z5, Ом
|
4,2
|
|
z∑, Ом
|
9,15
|
|
lк.д., км
|
1,2
|
|
Uс.р.min, В
|
2,9
|
|
КU
|
2200
|
|
Iс.р, А
|
12,02
|
|
Кч
|
5,84
|
|
lм.з., км
|
3,06
|
lм.з.<0,1·84=3,06<8,4
Выбирается реле тока типа РТ-40/20 с пределами
уставок 5÷20 А.
5.2 Суммарная максимальная токовая
направленная защита
Устанавливается на приемных концах параллельных
линий. Защита отстраивается от наибольшего рабочего тока.
Ток срабатывания защиты
, А,
определяется по формуле
, (75)
Ток срабатывания реле
, А,
определяется по формуле
, (76)
Чувствительность защиты определяется
в основной зоне действия (со стороны питания)
, (77)
Результаты расчетов сводятся в таблицу 11
Таблица 11 - Расчет параметров суммарной
максимальной токовой направленной защиты
|
Параметры
|
Расчетные
значения
|
|
Iраб.max, А
|
328,44
|
|
Iс.з., А
|
533,065
|
|
Ic.р., А
|
11,5
|
|
Iн1тт, А
|
800
|
|
Ктр
|
160
|
|
Кч
|
4,87
|
Выбирается реле тока типа РТ-40/6 с пределами
установок 1,5÷6 А.
5.3 Токовая отсечка без выдержки
времени
Отсечка настраивается на ток
срабатывания отсечки
, А,
определяется по формуле
,
(78)
где Iс.з. - ток
срабатывания максимальной токовой направленной защиты, А.
Ток срабатывания реле
, А,
определяется по формуле
,
(79)
Выбранное реле тока типа РТ-40/20
включается по схеме неполной звезды. Коэффициент чувствительности достаточно
определить только при трехфазном к.з., так как основное назначение защиты -
резервировать отказ поперечной дифференциальной направленной защиты при кз в
мертвой зоне.
,
(80)
Результаты расчетов сводятся в таблицу 12
Таблица 12 - Расчет параметров токовой отсечки
без выдержки времени
|
ПараметрыРасчетные
значения
|
|
|
Iс.о., А
|
2869,152
|
|
Iс.з., А
|
717,288
|
|
Ic.р., А
|
8,27
|
|
Iн1тт, А
|
3000
|
|
Ктр
|
600
|
|
Кч
|
5,63
|
6. Выбор типа трансформатора тока и
его проверка на пригодность
В соответствии с требованием [1] следует
провести три расчетные проверки трансформатора тока:
на 10% полную погрешность при расчетном токе;
Определяется предельная кратность расчетного
тока по отношению к первичному номинальному току ТТ.
,
(80)
где Iрасч - величина
расчетного тока при котором должна обеспечиваться точная работа ТТ, выбирается
различная для различных
типов защиты в зависимости от
принципа их работы.
Расчетный ток
, А,
определяется по формуле:
А, (81)
Выбирается ТТ типа ТВТ-220 по
расчетному току из таблицы П7 [5].
Определяется по графику П8
допустимая нагрузка zн.доп.=5,2.
Сравнивается допустимая нагрузка с
фактической расчетной нагрузкой ТТ
,
где zн.расч -
определяется из таблицы 1.5 при соединении фаз звезда и при двухфазном и
трехфазном к.з.
, (82)
проверку надежности контактов
электромеханических реле при максимальном токе короткого замыкания;
При близких к.з. возможно работа ТТ
с погрешностями более 10 %, при этом не только увеличивается угловая
погрешность, но и искажается форма кривой вторичного тока, что может вызвать
вибрацию контактов реле.
При неизменной нагрузке угловая
погрешность и степень искажения формы кривой вторичного тока определяется по
токовой погрешности ТТ.
Обобщённый коэффициент
определяется
по формуле
,
(83)
, (84)
где Iк.max - максимальное
значение тока при к.з. в месте установки защиты в начале защищаемого элемента,
А.
Кmax -
максимальный коэффициент тока к.з.
Выбирается допустимая частота для
различных типов реле из таблицы 1.3, а затем сравнивается с расчетной частотой.
, (85)
где fрасч - находится по
рисунку 1.13 [5], fрасч=10Гц.
расчетное определение напряжения на
выводах вторичной обмотки трансформатора тока при максимальном токе короткого
замыкания.
Расчет производится с учетом
переходного процесса в первичной цепи, чтобы получить максимальное значение
напряжения на вторичной обмотке, которая определяется по следующему выражению.
, (86)
где Ку - ударный коэффициент
определяется по таблице 1.4 [5], у=1,65.
Полученное значение сравнивается с
допустимым напряжением на вторичной обмотке.
,
(87)
где U2доп - допустимое
напряжение на вторичной обмотке ТТ,
доп=1000 В.
Результаты сводятся в таблицу 13.
Таблица 13 - Расчет и выбор
параметров ТТ
|
Тип
проверки
|
Условия
проверки
|
Допустимый
показатель
|
Расчетный
показатель
|
|
на
10 % полную погрешность при Iрасч
|
zн.доп ≥ zн.расч
|
5,2Ом
|
1,904Ом
|
|
проверка
контактов реле при Iк.з.max
|
fдоп
≥ fрасч
|
50
Гц
|
10Гц
|
|
расчетное
определение напряжения на вторичной обмотке ТТ
|
1414,2
В987,4 В
|
|
|
Приложение
Спецификация А1- на принципиальную схему
релейной защиты понижающеего двухобмоточного трансформатора 110/6 кВ с питанием
со стороны высшего напряжения
|
Поз.
обознач.
|
Наименование
|
Кол-во
|
Примечание
|
|
Q1, Q2
|
Выключатель
|
2
|
|
|
ТА1-ТА3
|
Трансформатор
тока
|
3
|
|
|
Т1
|
Трансформатор
220/6кВ
|
1
|
ТДН-40000
|
|
КА1,КА2
|
Реле
тока
|
2
|
РТ-40/Р
|
|
КА3-КА5
|
Реле
тока
|
3
|
от
ТА2
|
|
КА6,КА9
|
Реле
тока
|
2
|
РТ-40/6
|
|
КА7,КА8
|
Реле
тока
|
2
|
РТ-40/20
|
|
КL1-КL3
|
Самоудерживание
промежуточных реле
|
3
|
РП-23
|
|
КL5-КL7
|
Реле
промежуточное
|
3
|
РП-23
|
|
КL4
|
Реле
промежуточное
|
1
|
РП-252
|
|
КАW1-КАW3
|
Реле
тока с торможением
|
3
|
ДЗТ-11
|
|
КН1-КН5
|
Реле
указательное
|
5
|
РУ-1/0,05
|
|
КН6-КН10
|
Реле
указательное
|
5
|
РУ-1
|
|
КSG1,КSG2
|
Реле
газовое
|
2
|
РГЧЗ-66
|
|
КТ1
|
Реле
времени
|
1
|
РВ-134
|
|
КТ2
|
Реле
времени
|
1
|
РВ-128
|
|
КТ3
|
Реле
времени
|
1
|
РВ-132
|
|
КТ4
|
Реле
времени
|
1
|
РВ-114
|
|
КТ5
|
Реле
времени
|
РВ-133
|
|
КV1,КV2
|
Реле
напряжения
|
2
|
РН-54/160
|
|
R1
|
Резистор
|
1
|
ПЭВ-10,100
|
|
R2
|
Резистор
|
1
|
ПЭВ-50,1500
|
|
SG5
|
Блок испытательный
|
1
|
БИ-4
|
|
SX1-SX6
|
Накладка
|
6
|
НКР-3
|
|
КQC1-KQC3
|
Контакт
реле положения "включено" выключателя
|
3
|
Соответственно
Q1,
Q2, Q3
|
|
КQТ2, KQТ3
|
Контакт
реле положения "отключено" выключателя
|
2
|
Соответственно
Q2,
Q3
|