|
Типоисполнение
устройства
|
Выполняемые
функции защит, автоматики, измерения
|
Защищаемое
присоединение
|
|
ТОР 200-Л32 2xx2
|
I>,
I>>, I>>>, I0>, ΔI, УРОВ, ЛЗШ
|
КЛ, ВЛ, линия к
ТСН
|
|
ТОР 200-Л22
2хх2 ТОР 200-Л62 2хх2
|
I>→,
I>>→, I>>>→, I0>→, ΔI, I2, АПВ,U<, 3U<, 3U0>,
3U>, ЛЗЩ, измерение P, Q, E, I, U
|
|
|
ТОР 200-Л22
3хх2
|
I>→, >>→,
>>>→, I0>→, ΔI, I2, АПВ, U<, 3U<, 3U0>,
ЛЗЩ, измерение P, Q, E, I, U
|
Линия к БСК
|
|
ТОР 200-Л28
3хх2 ТОР 200-Л68 3хх2
|
I>, I>>, I>>>,
I0>,ΔI, УРОВ, ЛЗШ, измерение P, Q, E, I, U. Для распределительных ПС
|
КЛ, ВЛ, линия к
ТСН
|
|
ТОР 200-ДЗЛ29
3882 ТОР 200-ДЗЛ69 3882
|
Продольная ДЗЛ,
I>, I>>, I>>>,
ΔI, УРОВ,
ЛЗШ, измерение P, Q, E, I, U
|
КЛ, ВЛ, шинопровод,
ошиновка
|
|
ТОР 200-ДЗШ57
3882 ТОР 200-ДЗШ77 3882
|
Центральное
устройство ДЗЛ I>, I>>, I>>>,
I0>, УРОВ, ЛЗШ
|
Секция шин 6-35
кВ
|
|
ТОР 200-С22
3хх2 ТОР 200-С62 3хх2
|
I>, I>>, I>>>,
I0>,ΔI, I2, U<, УРОВ, ЛЗШ, АВР, ВНР, измерение P, Q, E, I, U. Для ПС с мощными двигателями.
|
Секционный
выключатель резервный ввод
|
|
ТОР 200-С28
3хх2 ТОР 200-С68 3хх2
|
I>, I>>, I>>>,
I0>,ΔI, I2, U<, УРОВ, ЛЗШ, АВР, ВНР, измерение P, Q, E, I, U. Для распределительных ПС.
|
Секционный
выключатель резервный ввод
|
|
ТОР 200-С29
3хх2 ТОР 200-С69 3хх2
|
Z>,
I>, I>>, I>>>, I0>,ΔI, I2, 3U<, 3U<<, УРОВ, ЛЗШ,
АВР, ВНР,
измерение P, Q, E, I, U
|
Резервный ввод
с дистанционной защитой
|
|
ТОР 200-В22
3хх2 ТОР 200-В62 3хх2
|
ЗПП, I>→, I>>→, I>>>→,
I0>→, U<, U<<, 3U<, 3U<<, 3U>, ΔI, I2, АПВ, пуск АВР, ЛЗШ, ВНР, измерение P, Q, E, I, U. Для ПС с мощными двигателями
|
Вводной
выключатель (рабочий ввод)
|
|
ТОР 200-В28
3хх2 ТОР 200-В68 3хх2
|
ЗПП, I>, I>>, I>>>,
I0>, U<, U<<, 3U<, 3U<<, 3U>, ΔI, I2, АПВ, пуск АВР, ЛЗШ, ВНР, измерение P, Q, E, I, U. Для распределительных ПС
|
Вводной
выключатель (рабочий ввод)
|
|
ТОР 200-В29
3хх2 ТОР 200-В69 3хх2
|
Z>, I>, I>>, I>>>, I0>,ΔI, I2, 3U<, 3U<<, U>, УРОВ, ЛЗШ, пуск АВР, ЛЗШ, ВНР,
измерение P, Q, E, I, U
|
Рабочий ввод с
дистанционной защитой
|
|
ТОР 200-Н43
3хх2
|
U<, U<<, 3U<, 3U<<, U2, 3U>, 3U0>,
f<, f<<,f<<<,
f<<<<, df/dt, ЧАПВ, пуск АВР
|
Трансформатор
напряжения секции
|
|
ТОР 200-КЧР22
4хх2
|
3 очереди по 2
ст. АЧР +1 ст. ЧАПВ + до 12 цепей включения присоединений; блок по HM, частоте 2 СШ, df/dt
|
Контроллер
частотной разгрузки
|
|
ТОР 200-КЧР23
4хх2
|
14 очередей по
2 ст. АЧР +1 ст. ЧАПВ; блок по HM, частоте 2
СШ, df/dt
|
Контроллер
частотной разгрузки
|
8.2.1 Защита
КЛ - 6 кВ
Используем терминал защиты кабельной или воздушной линии,
линии к ТСН, линии к батарее статических конденсаторов "ТОР 200-Л".
Терминалы "ТОР 200-Л" предназначены для
использования в качестве защиты и автоматики выключателей присоединений 6-35
кВ: кабельной или воздушной линии, линии к ТСН. Реализована сетевая автоматика
(АВР, АПВ) для секционирующих пунктов, а также автоматика управления батареей
статических конденсаторов. Имеется встроенная диагностика ресурса выключателя и
локатор повреждения при междуфазных замыканиях на линии, показывающий,
расстояние до места повреждения.
Основные характеристики.
Управление выключателем:
· дистанционное управление
от АСУ ТП;
· местное управление от
ключей на двери релейного шкафа;
· местное управление с
кнопок на лицевой панели,
· блокировка от
многократных включений выключателя;
· контроль цепей управления
(РПО, РПВ), контроль давление элегаза;
· запрет включения при
отключенном автомате ШП и неисправности цепей включения;
· возможность действия на
вторую катушку отключения выключателя.
Защиты:
· трехступенчатая
ненаправленная МТЗ;
· трехступенчатая
направленная МТЗ;
· одноступенчатая
ненаправленная токовая защита от замыканий на землю;
· одноступенчатая
направленная токовая защита от замыканий на землю;
· одноступенчатая защита от
замыканий на землю (на высших гармониках);
· защита от несимметричных
режимов работы по току обратной последовательности (I2) и по току несимметрии
(I?);
· ускорение второй ступени
МТЗ при включении выключателя;
· УРОВ с отдельным токовым
органом;
· одноступенчатая
трехфазная защита максимального напряжения;
· однофазная или трёхфазная
одноступенчатая защита минимального напряжения;
· одноступенчатая защита по
напряжению нулевой последовательности;
· организация цепей
блокировки ЛЗШ.
Автоматика:
· одно или двухступенчатое
АПВ;
· отключение от внешних
цепей (АЧР, ЗМН и др.);
· автоматическое включение
резервного питания (для ТСН);
· автоматическое
включение/выключение БСК;
· автоматика сетевого АПВ и
АВР для секционирующих пунктов.
Дополнительные возможности:
· измерения активной,
реактивной мощности, энергии, частоты;
· дополнительный модуль
входных/выходных сигналов.
Особенности:
· селективная защита при
однофазных замыканиях на землю;
· определение места
междуфазного повреждения (в км) в распределенных сетях;
· диагностика ресурса
выключателя;
· режим тестирования.
Состав устройства:
· количество аналоговых
каналов - 8 (4 тока и 4 напряжения);
· количество дискретных
входов - 12;
· количество выходных реле
- 11.
8.2.2
Секционный выключатель 6 кВ
Используем терминал защиты "ТОР
200-С".
Терминалы "ТОР 200-С"
предназначены для использования в качестве защиты и автоматики секционного
выключателя и резервного ввода 6-35 кВ. устройства обеспечивают действия защит
и автоматики как для секций шин с мощными синхронными или асинхронными
двигателями, так и для секций шин собственных нужд электростанций, а также для
секций шин распределительных сетей.
Основные характеристики.
Управление выключателем:
· дистанционное управление
от АСУ ТП;
· местное управление от
ключей на двери релейного шкафа;
· местное управление с
кнопок на лицевой панели,
· блокировка от
многократных включений выключателя;
· контроль цепей управления
(РПО, РПВ), контроль давление элегаза;
· запрет включения при
отключенном автомате ШП и неисправности цепей включения;
· возможность действия на
вторую катушку отключения выключателя.
Защиты:
· трехступенчатая
ненаправленная МТЗ;
· трехступенчатая
направленная МТЗ;
· одноступенчатая
ненаправленная токовая защита от замыканий на землю;
· защита от несимметричных
режимов работы по току обратной последовательности (I2) и по току несимметрии
(I?);
· ускорение второй ступени
МТЗ при включении выключателя;
· УРОВ с отдельным токовым
органом;
· однофазная или трёхфазная
трехступенчатая защита минимального напряжения;
· организация цепей
блокировки ЛЗШ.
Автоматика:
· АВР секции шин с
контролем остаточного напряжения на секции;
· автоматическое
восстановление схемы исходного режима;
· отключение от внешних
цепей.
Особенности:
· дистанционная защита
резервного ввода секций собственных нужд станций;
· логическая защита шин;
· диагностика ресурса
выключателя;
· режим тестирования.
Состав устройства:
· количество аналоговых
каналов - 8 (4 тока и 4 напряжения);
· количество дискретных
входов - 18;
· количество выходных реле
- 17.
Функциональные версии:
· "ТОР 200-С 22
3хх2" - секционный выключатель, резервный ввод, рекомендуется для
использования на подстанциях с синхронными двигателями;
· "ТОР 200-С 28
3хх2" - секционный выключатель, резервный ввод секции, рекомендуется для
использования на распределительных подстанциях сетей;
· "ТОР 200-С 29
3хх2" - резервный ввод с дистанционной защитой, станционное исполнение.
8.2.3 Вводной
выключатель 6 кВ
Используем терминалы защиты и автоматики
рабочего ввода 6-35 кВ "ТОР 200-В".
Терминалы "TOP 200-В"
предназначены для использования в качестве защиты и автоматики выключателей
рабочих вводов секций шин напряжением 6-35 кВ. Устройства обеспечивают действие
защит и автоматики как для секций шин с мощными синхронными или асинхронными
двигателями, так и для секций шин собственных нужд электростанций, а также для
секций шин распределительных сетей.
Основные характеристики.
Управление выключателем:
· дистанционное управление
от АСУ ТП;
· местное управление от
ключей на двери релейного шкафа;
· местное управление с
кнопок на лицевой панели,
· блокировка от
многократных включений выключателя;
· контроль цепей управления
(РПО, РПВ), контроль давление элегаза;
· запрет включения при
отключенном автомате ШП и неисправности цепей включения;
· возможность действия на
вторую катушку отключения выключателя.
Защиты:
· трехступенчатая
ненаправленная МТЗ;
· трехступенчатая
направленная МТЗ;
· одноступенчатая
ненаправленная токовая защита от замыканий на землю;
· одноступенчатая
направленная токовая защита от замыканий на землю;
· защита от несимметричных
режимов работы по току обратной последовательности (I2) и по току несимметрии
(I?);
· ступень контроля
напряжения обратной последовательности (U2);
· ускорение второй ступени
МТЗ при включении выключателя;
· защита от потери питания
с контролем снижения частоты (в версии "ТОР 200-В 22");
· УРОВ с отдельным токовым
органом;
· одноступенчатая
трехфазная защита максимального напряжения;
· одноступенчатая
однофазная защита максимального напряжения;
· двухступенчатая
трехфазная защита минимального напряжения;
· дистанционная защита (в
версии "ТОР 200-В 29");
· организация цепей
блокировки ЛЗШ.
Автоматика:
· одноступенчатое АПВ;
· отключение от внешних
цепей;
· цепи пуска АВР ввода;
· восстановление схемы
исходного режима;
Функциональные версии:
· "ТОР 200-В 22
3хх2" - рабочий ввод секции, рекомендуется для использования на
подстанциях с синхронными двигателями;
· "ТОР 200-В 28
3хх2" - рабочий ввод секции, рекомендуется для использования на
распределительных подстанциях сетей;
· "ТОР 200-В 29
3хх2" - рабочий ввод секции с дистанционной защитой, станционное
исполнение.
Особенности:
· дистанционная защита
рабочего ввода секций собственных нужд станций;
· логическая защита шин;
· диагностика ресурса
выключателя;
· режим тестирования.
Состав устройства:
· количество аналоговых
каналов - 8 (4 тока и 4 напряжения);
· количество дискретных
входов - 18;
· количество выходных реле
- 17;
· порты связи - по заказу.
8.2.4 Шины 6
кВ
ЛЗШ и ЗДЗ
ЛЗШ реализуется с помощью токовой
питающего элемента (ввода ВВ или секционного выключателя (СВ)). При КЗ на шинах
ввод отключается без выдержки времени, при КЗ на отходящей от шин линии пуск
МТЗ этого терминала блокирует отсечку питающих элементов.
Последствия дугового КЗ в
распределительных устройствах низкого и среднего напряжения могут быть очень
тяжелыми. Дуговой разряд способен вывести из строя дорогое оборудование и
вызвать продолжительные и дорогостоящие простои. Кроме того, электрическая дуга
может нанести тяжелые травмы персоналу. Причинами дуги могут быть, например,
повреждения изоляции, неисправность оборудования, неправильные соединения шин и
кабелей, перенапряжения, коррозия, загрязнение, влага, ферромагнитный резонанс
(измерительных трансформаторов) и даже старение под действием
электростатического напряжения. Воздействие большинства этих факторов можно
предотвратить надлежащим техническим обслуживанием. Но несмотря на все меры
предосторожности, к коротким замыканиям через дугу могут даже приводить ошибки
персонала. При обнаружении и минимизации последствий дугового разряда ключевым
фактором является время. Дуговой разряд, в течении 500 мс способен значительно
повредить изоляцию. При длительности дугового разряда мене 100мс, повреждения
часто имеют меньший масштаб, а если дуга устраняется меньше чем за 35 мс,
повреждения почти незаметны.
Для реализации ЗДЗ установим на подстанции
КРУ типа СЭЩ-66 с вакуумными выключателями. Для реализации ЗДЗ в шкафу
установлены фототиристоры типа ФТ-132-25-10. Сигналы от ФТ по оптоволоконному
кабелю заводятся на оптовходы терминалов защит.
Используем контроллер частотной разгрузки
"ТОР 200-КЧР-22".
Комплектные устройства автоматики
"ТОР 200-КЧР" предназначены для выполнения функций автоматического
отключения и последующего поэтапного включения потребителей электроэнергии при
снижении частоты в сети в режиме дефицита активной мощности.
Контроллер выполняет отключение
потребителей тремя очередями АЧР при дефиците активной мощности в сети.
Включение потребителей производится как в ручном, так и в автоматическом
режиме. Предусмотрено ручное прерывание циклов ЧАПВ, а также блокирование
действия автоматики.
Основные характеристики.
Защита и автоматика:
· автоматическая частотная
разгрузка (в три очереди);
· автоматическое включение
присоединений при восстановлении частоты;
· две ступени АЧР и одна
ступень ЧАПВ для каждой очереди;
· последовательное включение
с заданным интервалом до 12 присоединений для каждой очереди;
· ЧАПВ с контролем
напряжения секции.
Дополнительные возможности:
· ручной пуск циклов ЧАПВ,
не дожидаясь восстановления частоты;
· ручное прерывание циклов
ЧАПВ;
· оперативный вывод из
работы всех выходных реле с помощью ключа.
Особенности:
· блокирование АЧР по:
· направлению мощности;
· частоте смежной секции;
· минимальному напряжению;
· скорости изменения
частоты;
· дискретному входу;
· гибкое распределение
выходных реле между очередями;
· запись огибающих частоты
и действующих значений напряжений и токов в сети с частотой выборки 200 Гц;
· режим тестирования.
Состав устройства:
· количество аналоговых
каналов - 7 (4 напряжения и 3 тока);
· количество дискретных
входов - 6;
· количество выходных реле
- 33;
8.2.5
Трансформатор напряжения 6 кВ
Используем терминал трансформатора
напряжения секции 6-35 кВ "ТОР 200-Н".
Терминалы TOP 200-Н имеют в своём составе
набор измерительных органов по напряжению, которые предназначены для выполнения
групповых защит и автоматики секции шин. Терминалы позволяют реализовать
функции АВР ввода, двух ступеней ЗМН, вольтметровой блокировки токовых защит,
органа напряжения на секции, органа напряжения обратной последовательности,
защиты от понижения и повышения частоты.
Основные характеристики.
Защиты:
· защита минимального
напряжения первой ступени (ступень U<<<);
· защита минимального
напряжения второй ступени (ступень U<<<<);
· защита от замыкания на
землю по напряжению нулевой последовательности (ступень Uo>);
· защита по напряжению
обратной последовательности (ступень U2>);
· четырёхступенчатая защита
по снижению частоты;
· двухступенчатая защита по
повышению частоты;
· защита по скорости
изменения частоты.
Автоматика:
· цепи пуска АВР ввода
(ступень U<<);
· контроль напряжения
секции шин (ступень 3U>);
· контроль остаточного
напряжения на секции шин (ступень U<<<<);
· комбинированный пуск МТЗ
присоединений секции шин (ступень U<, U2>).
Дополнительные возможности:
· цепи пуска АВР ввода с
контролем напряжения на смежной секции;
· дополнительный модуль
входных/выходных сигналов.
Особенности:
· режим тестирования.
Состав устройства:
· количество аналоговых
каналов - 4 напряжения;
· количество дискретных
входов - 12;
· количество выходных реле
- 11.
8.2.6 Защита
трансформаторов 6/0,4 кВ
Используем терминал защиты "ТОР 200-Л". Его
характеристики описаны выше.
8.2.7 Защита
трансформатора 35/6 кВ
Используем шкаф защиты трансформаторов 110-220 кВ
"Бреслер ШТ 2108".
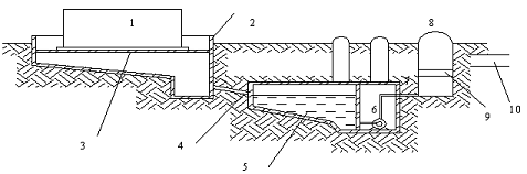
Шкаф защиты типа "Бреслер ШТ 2108" (рисунок 8.2)
содержит основную защиту трансформатора с абсолютной селективностью, а также
комплект основных и резервных защит, реализовано на базе терминала типа
"Бреслер ШТ 2108". По требованию заказчика устройство может быть
дополнено комплектом автоматики управления выключателем стороны ВН и резервных
защит и/или комплектом автоматического регулирования напряжения трансформатора.
Устройство предназначено для выполнения функций релейной защиты, автоматики,
местного/дистанционного управления, измерения, сигнализации, регистрации,
осциллографирования понижающих трансформаторов с высшим напряжением 110-220 кВ
и в том числе двухобмоточных с расщепленной обмоткой НН.
Рисунок 8.2 - Внешний вид шкафа
Комплект основных защит трансформатора.
Реализован на базе микропроцессорного терминала защиты 110 -
220 кВ типа "Бреслер ТТ 2108". Имеет входы для подключения токов с
трех сторон трансформатора (ВН, СН и НН) и напряжения от сторон СН и НН. Имеет
до 56 дискретных входов и 56 выходных реле.
Терминал содержит следующий набор защит:
· Дифференциальную защиту
трехобмоточного трансформатора;
Уставка - от 20% от номинального тока
трансформатора. Время срабатывания - 30 мс.
Дифференциальная токовая отсечка для
мгновенного отключения замыканий с большим током КЗ.
Дифференциальный орган с торможением и
отстройкой от бросков намагничивающего тока по критериям второй гармоники и
формы тока - для отключения внутренних замыканий с малым током КЗ.
Дополнительный критерий для отстройки от внешних замыканий.
Цифровая компенсация группы соединения
обмоток трансформатора и цифровое выравнивание токов плеч.
· Цепи отключения от
газовой защиты трансформатора и РПН;
Сигнальная и отключающая ступень ГЗ
трансформатора, отключающая ступень ГЗ РПН. Возможность перевода ступеней на
сигнал и отключение.
· УРОВ стороны ВН;
С контролем тока, с возможностью действия
на "свой" выключатель, с контролем положения РПВ, с возможностью
пуска от внешних устройств РЗиА.
· ТЗНП стороны ВН;
Может быть отстроена от бросков
намагничивающего тока по критерию второй гармоники.
· МТЗ сторон ВН;
Реагирует на разность фазных токов. С
комбинированным пуском по напряжению СН и НН, с отстройкой от бросков
намагничивающего тока по критерию второй гармоники.
· МТЗ сторон СН и НН;
Три ступени. С комбинированным пуском по
напряжению. Ступень с направленностью. Ступень с автоматическим ускорением (при
включении выключателя).
· Логическую защиту шин СН
и НН;
· Цепи отключения от
внешних устройств РЗиА;
Общий вход внешнего отключения. Отдельные
входы для отключения трансформатора от устройств РЗиА сторон СН и НН с
дополнительной выдержкой времени.
· Цепи сигнализации от
датчиков трансформатора;
Сигнализация при повышении и понижении
температуры масла, понижении уровня масла, неисправности системы охлаждения трансформатора.
· Защиту от перегруза;
Контроль токов с трех сторон.
· Реле тока для пуска
охлаждения;
Контроль токов с трех сторон.
· Реле тока и напряжения
для блокирования РПН.
Контроль тока стороны ВН и напряжений СН и
НН.
энергонезависимой памяти записей общей
длительностью до 128 секунд.
Комплект резервных защит трансформатора.
Реализован на базе микропроцессорного
терминала защиты и автоматики типа "ТОР 200-Л" (см. описание выше).
Имеет входы для подключения трех фазных токов и тока в нейтрали трансформатора
и трех междуфазных напряжений 3U0.
Терминал реализует следующий набор функций
защиты и автоматики:
· Автоматика управления
выключателем стороны ВН;
· Диагностика выключателя
стороны ВН;
· Цепи отключения от
газовой защиты трансформатора и РПН;
· ТНЗП стороны ВН;
· МТЗ стороны ВН с
комбинированным пуском по напряжению;
· УРОВ стороны ВН;
· Защиту от обрыва фаз;
· Контроль изоляции стороны
НН.
8.2.8 Защита
ЛЭП 35 кВ на питающей подстанции
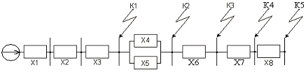
Используем шкаф защиты "Бреслер ШЛ 2606.17"
(рисунок 8.3) ступенчатых защит и автоматики управления выключателем 6-35 кВ.

Рисунок 8.3 - Внешний вид шкафа
Устройство предназначено для защиты линий электропередачи
6-35 кВ, содержит комплект ступенчатых защит и автоматику управления
выключателем. Шкаф является функциональным аналогом электромеханических панелей
ПЗ-152, ПЗ-153, ПЗ-3, ПЗ-4 и может использоваться в качестве их замены.
Защиты, входящие в состав устройства, обеспечивают
селективное отключение повреждений в защищаемой линии, а также резервирование
защит смежных участков при повреждении в зоне действия резервных ступеней
защиты.
Автоматика управления выключателем
формирует сигналы на включение и отключение выключателя по командам, приходящим
от защит и устройств телемеханики или ключа дистанционного управления.
Устройство защиты типа "Бреслер ШЛ
2606.17" соответствует требованиям технических условий ТУ
3433-009-54080722-05.
Защищаемые объекты:
§ линии электропередачи
6-35 кВ с ответвительными подстанциями и без них, оборудованные устройствами
трехфазного автоматического повторного включения (ТАПВ);
§ линии электропередачи
6-35 кВ внешнего электроснабжения тяговой нагрузки.
Функции защиты:
§ четырехступенчатая
дистанционная защита (ДЗ) с пуском по току и напряжению (три ступени выполняют
защиту от междуфазных и двойных замыканий на землю, одна ступень предназначена
для выполнений функций защиты дальнего резервирования). Для совместимости с
электромеханическими защитами характеристики срабатывания реле сопротивления
могут быть круговыми;
§ токовые пусковые органы
дистанционной защиты;
§ двухступенчатая
максимальная токовая защита (МТЗ) с возможностью выбора режима направленности;
§ модуль автоматического и
оперативного ускорения любой из ступеней МТЗ и ДЗ с контролем и без контроля
направленности;
§ ненаправленная фазная и
междуфазная токовая отсечка (ТО);
§ токовая отсечка нулевой
последовательности (ТОНП);
§ токовая блокировка при
качаниях (БК I);
§ блокировка при
неисправности цепей напряжения (БНН);
§ защита от обрыва фаз
(ЗОФ).
Функции автоматики:
§ однократное или
двукратное ТАПВ линии, однократное ТАПВ шин:
§ с контролем напряжения на
линии и шинах;
§ с контролем синхронизма;
§ трехступенчатая
автоматическая разгрузка при перегрузке по току (тепловая защита линии).
Функции управления:
§ местное/дистанционное
управление выключателем;
§ контроль исправности
измерительных цепей тока и напряжения.
Защиты выключателя:
§ устройство резервирования
при отказе выключателя;
§ защита электромагнитов выключателя
от протекания длительного тока.
Автоматика управления выключателем:
§ контроль цепей управления
выключателем;
§ узел включения
выключателя;
§ узел отключения
выключателя;
§ узел фиксации положения
выключателя;
§ узел фиксации
несоответствия положения выключателя.
Измерение, регистрация, сигнализация:
§ определение расстояния до
места повреждения;
§ календарь и часы
реального времени;
§ индикация текущих
значений токов и напряжений в виде фазных величин или их симметричных
составляющих;
§ расчет и индикация
активной и реактивной мощности линии, частоты, сопротивления;
§ осцилограффирование
токов, напряжений и дискретных сигналов;
§ индикация текущего
состояния дискретных входных и выходных сигналов;
§ непрерывная проверка
функционирования и самодиагностика.
Связь с АСУ ТП, персональным компьютером:
§ Два разъема для связи с
АСУ ТП (на задней панели терминала: тип RS 485, скорость передачи от 9 600 до
115 200 Кбит/с, максимальное расстояние передачи 1 200 м). Связь с системой АСУ
осуществляется в соответствии с международным стандартом IEC 60870-5-103
"Устройства и системы телемеханики Часть 5-103: Протокол передачи -
дополняющий стандарт для информационного обмена с устройствами защиты".
§ Разъем для связи с
персональным компьютером (на передней панели терминала: тип - RS 232, скорость
передачи - 115 200 Кбит/с, максимальное расстояние передачи - 15 м).
§ Программа мониторинга и
управления терминалами защит серии "Бреслер" - BSCADA.
Устройства выполняются по индивидуальным и типовым проектным
решениям в соответствии с картой заказа со следующей функциональностью:
§ основные защиты линии;
§ ступенчатые защиты
присоединений;
§ защиты и автоматика
управления выключателем.
8.3 Расчет
уставок защит
8.3.1
Кабельная линия 6 кВ
Определим ток срабатывания МТЗ согласно /10/, отстроенный от
наибольшего рабочего тока линии.
В установившемся режиме максимальное значение тока:
А (8.1)
Выберем трансформатор тока ТОЛ-10/200 (
)
ступень - токовая отсечка:
ТО должна быть отстроена от максимального тока КЗ в конце линии.
А (8.2)
Найдем ток срабатывания реле:
(8.3)
ступень - МТЗ с независимой выдержкой времени.
Коэффициент самозапуска нагрузки kсз = 1,3
Защита отстраивается от пускового режима, ток срабатывания защиты:
А (8.4)
где kн - коэффициент надежности несрабатывания защиты;
kсз -
коэффициент самозапуска нагрузки;
kв -
коэффициент возврата максимальных цифровых реле тока
Ток срабатывания реле:
А (8.5)
Коэффициент чувствительности:
(8.6)
Выдержка времени принимается большей на ступень селективности, чем
выдержка времени на ЦРУ. Т.к. на ЦРУ выдержка времени = 0, следовательно
(8.7)
(8.8)
Выбор выдержки времени на трансформаторе:
Рисунок 8.4 - Выдержки времени для объектов
с
с
Выбор уставок УРОВ
Функция УРОВ терминала защиты реализует принцип индивидуального
устройства, причем схема УРОВ выполнена универсальной и возможна реализация
УРОВ как по схеме с дублированным пуском от защит с контролем РПВ, так и по
схеме с автоматической проверкой исправности выключателя.
Выдержка времени УРОВ может быть принята равной (0,2 - 0,3) с, что
улучшает условия сохранения устойчивости энергосистемы и уменьшает выдержки
времени резервных защит.
с
Ток срабатывания реле тока УРОВ должен выбираться по возможности
минимальным. Рекомендованное значение тока срабатывания - от 0,05 до 0,1Iном присоединения.
А (8.9)
8.3.2
Секционный выключатель 6 кВ
Мощность присоединений 14-ти трансформаторных подстанций:
МВА (8.10)
Рабочий максимальный ток через секционный выключатель:
А (8.11)
Выбираем трансформатор тока ТЛП-10-6 с первичным номинальным током
2000А и вторичным номинальным током - 5А. Коэффициент трансформации nтр=400.
Согласно /10/.
-ая ступень - Т.О. без выдержки времени выводим из работы.
-ая ступень защиты - Т.О. с выдержкой времени выводим из работы.
-я ступень - МТЗ.
А (8.12)
Схема соединения трансформаторов тока и блоков защиты - неполная
звезда с дополнительным реле. Ток срабатывания реле:
А (8.13)
(8.14)
Используем МТЗ с независимой выдержкой времени, так как на смежных
присоединениях одинаковые выдержки времени, то берем выдержку времени на
ступень селективности 0,3с выше, чем у защиты кабельных ЛЭП.
с (8.15)
Выбор уставок АВР
Напряжение срабатывания АВР отстраивается от наименьшего
расчетного наименьшего остаточного напряжения КЗ и от наименьшего напряжения
при самозапуске электродвигателей. В большинстве случаев обоим условиям
удовлетворяет напряжение срабатывания, равное:
(8.16)
кВ
где Uном - номинальное напряжение электроустановки.
в (8.17)
Выдержка времени АВР должна быть больше максимальной выдержки
питающего присоединения на 2,5-3,5с.
(8.18),
с
Выбор уставок УРОВ
Функция УРОВ терминала защиты реализует принцип индивидуального
устройства, причем схема УРОВ выполнена универсальной и возможна реализация
УРОВ как по схеме с дублированным пуском от защит с контролем РПВ, так и по
схеме с автоматической проверкой исправности выключателя.
Выдержка времени УРОВ может быть принята равной (0,2-0,3) с, что
улучшает условия сохранения устойчивости энергосистемы и уменьшает выдержки
времени резервных защит.
с
Ток срабатывания реле тока УРОВ должен выбираться по возможности
минимальным. Рекомендованное значение тока срабатывания - от 0,05 до 0,1Iном присоединения.
А (8.19)
8.3.3
Трансформатор 6 кВ
Видами защит на трансформаторе 6кВ являются: ТО (многофазные
замыкания на обмотках и выводах); МТЗ (от внешних многофазных КЗ); От
перегрузки (однофазная); Газовая (понижение уровня масла и повреждений в баке);
Защита нулевого провода от однофазных КЗ (ТЗНП); УРОВ (с блокировкой ТО и газовой
защиты).
Согласно /10/ рассчитаем защиты трансформатора.
Токовая отсечка
Селективность токовой отсечки может быть достигнута выбором
тока срабатывания отсечки IСО большим, чем максимальное значение тока КЗ IКЗ при повреждении за
трансформатором.
А (8.20)
Выберем трансформатор тока ТОЛ-10/100 (
)
(8.21)
где коэффициент надежности kн
принимается для токовых отсечек, в соответствии с рекомендации па расчету
уставок равным kн=1,2.
А;
Найдем ток срабатывания реле:
А
Выдержка времени для токовый отсечки составляет:
МТЗ
Ток срабатывания МТЗ выбирается в первичных амперах по трем
условиям:
1) Несрабатывание защиты при сверхтоках послеаварийных
перегрузок т.е. после отключения КЗ на предыдущем элементе. По этому условию:
(8.22)
где kн =1,1 - коэффициент надежности несрабатывания защиты;
kсз = 2 -
коэффициент самозапуска нагрузки (т.к. нет сведений о нагрузке и про двигатели
ничего не сказано);
kв -
коэффициент возврата максимальных цифровых реле тока.
Ток срабатывания реле:
А (8.23)
2) Согласовании чувствительности защит последующего и
предыдущего элементов. Информация о последующих элементах после трансформатора
не известна, поэтому расчетов для зоны резервирования не предусматриваем.
3) Обеспечение достаточной чувствительности в конце
защищаемого объекта (основная зона).
Коэффициент чувствительности:
(8.24)
Выдержка времени МТЗ составляет
с, где 0,4 - выдержка времени автомата на стороне 0,4 кВ, 0,3 -
ступень селективности для цифровых реле.
Защита от перегрузки
Будем считать, что наша подстанция с обслуживающим персоналом,
т.е. защита от перегрузки выполнена одной ступенью.
А (8.25)
А (8.26)
Время срабатывании защиты от перегрузки принимаем равным
с.
ТЗНП
Из /4/ по формуле (2-18а) рассчитываем ток однофазного
металлического КЗ, за трансформатором, который вычисляется без учета
сопротивлений питающей энергосистемы до места включения трансформатора и без
учета переходного сопротивления в месте КЗ:
(8.27)
где Uф - фазное напряжение (230 В для рассматриваемой сети 0,4 -
0,23кВ);
- полное рассматриваемое сопротивление трансформатора при
рассматриваемом виде КЗ.
Значение сопротивлений
для различных трансформаторов приведены в приложении /2/ и
отнесены к напряжению 0,4кВ.
Для нашего трансформатора типа ТМ-6/04 (630кВА)
0,038 Ом, тогда ток однофазного КЗ на
землю по выражению:
А, приведем этот ток к напряжению 6кВ:
А.
Выбираем ток срабатывания по следующим условиям:
1)
;
2) Согласование чувствительности и времени с характеристиками
защитных устройств электродвигателей и линий 0,4кВ, не имеющих специальных
защит нулевой последовательности т.е. согласование с характеристиками
предохранителей, максимальных расцепителей и автоматов;
) Обеспечение достаточной чувствительности при однофазных
КЗ на землю на стороне 0,4 кВ защищаемого трансформатора (kч. осн≈2). Также следует обеспечивать резервирование
защитных устройств элементов 0,4 кВ.
А - приведенный к стороне 0,4 кВ. По условию 1):
А.
По условию 2) ток срабатывания защиты выбирается следующим
образом, чтобы при
обеспечить ступень селективности Δt≈5c с
характеристиками устройств элементов 0,4 кВ, не имеющих специальных защит
нулевой последовательности (рисунок 8.5).
Рисунок 8.5 - Согласование защит нулевой последовательности
трансформатора 0,4 кВ (кривая 2) и характеристик предохранителей и автомата 0,4
кВ (токи приведены на стороне 0,4кВ)
По рисунку 8.5 характеристики наиболее мощных элементов 0,4кВ,
защита которых может осуществляться с помощью предохранителей или автоматов. По
условию пункта 2) следует принять ток срабатывания защиты нулевой
последовательности 2 равным
А, при tсз=6с. При этом коэффициент чувствительности основной защиты
- удовлетворяет ПУЭ, но ток срабатывания большой, т.е. на
наиболее мощных элементах будет необходимость установки специальных защит
нулевой последовательности. ПУЭ допускает неселективное отключение
трансформатора 6/0,4кВ не согласовывать рассматриваемую защиту нулевой
последовательности с защитами отключающих элементов 0,4кВ при однофазном КЗ. Коэффициент
чувствительности в зоне резервирования при этом не рассчитывается.
8.3.4
Трансформатор 35 кВ
Коэффициент возврата всех максимальных измерительных органов
в расчетах рекомендуется принимать равным 0,95, а минимальных - 1,05.
Коэффициент возврата ДЗТ - не ниже 0,8.
Номинальные токи для всех сторон n трансформатора
определяются ро выражению:
(8.28)
где Sном - номинальная мощность трансформатора;
Uном,n - номинальное напряжение стороны n.
А;
А.
Выбор уставок и проверка чувствительности дифференциальной защиты
трансформатора.
Дифференциальная защита с торможением предназначена для отключения
практически всех видов замыканий внутри защищаемой зоны, в том числе с малым
током замыкания. В дифференциальной токовой защите для каждой фазы
предусмотрены орган дифференциальной токовой отсечки и дифференциальный орган с
торможением.
Формирование рабочих величин дифференциального органа с
торможением (дифференциального о тормозного токов) происходит следующим
образом.
Дифференциальный ток
рассчитывается как сумма токов плеч основной гармоники
соответствующего канала дифференциальной
токовой защиты:
(8.29)
где
- основные гармоники токов плеч
рассматриваемого канала дифференциальной защиты (канала фазы А, В или С),
приведенные к номинальному току наиболее мощной обмотки (базисному току).
Входной ток, равный току плеча с максимальным модулем, выходной и
тормозной токи определяются в соответствии со следующими выражениями:
8.30),
,
где φ - угол
между входным
и выходным
токами.
Рассмотрим принцип формирования дифференциального и тормозного
токов на примере двухобмоточного трансформатора с питанием со стороны при
внешнем и внутренним КЗ (рисунок - 8.6). В качестве положительного принято
направление к объекту защиты.
Рисунок 8.6 - Токораспределение в двухобмоточном трансформаторе
при внешнем (а) и внутреннем (б) КЗ
Рассмотрим внешнее КЗ (рисунок 8.6а). В соответствии с описанными
выше принципами дифференциальный ток равен:
Входной ток
равен максимальному из токов
т.е. току
.
Выходной ток
равен:
(8.31)
Выходной и входной токи равны, значит угол между ними φ = 0. Тогда тормозной ток определяется по
выражению:
(8.32)
При внутреннем КЗ (рисунок 8.6б). В данном примере предполагается,
что со стороны НН подпитки нет, т.е.
. При этом дифференциальный ток равен:
.
Входной ток
равен максимальному из токов
.
Выходной ток
равен:
(8.33)
Токи, необходимые для расчета уставок, и сами уставки следует
рассчитывать в относительных единицах, т.е. в долях от номинального тока
наиболее мощной обмотки (базисный ток). Для задания в терминале значений уставок,
полученных в относительных единицах, умножить на 100%.
В терминале предусмотрена защита для двух и трехобмоточных
трансформаторов с разными группами соединения обмоток. Схема и группа
соединения задается в виде отдельной программной накладки "Группа",
которая может быть задана равной одному из значений:
"0 - Yy-00",
"1 - Dd-00", "2 - Yd-11" - для двухобмоточных
трансформаторов;
"3 - Yyy-00-00",
"4 - Ddd-00-00", "5 - Yyd-00-11", "6 - Ydd-11-11" - для трехобмоточных
трансформаторов.
Компенсация 11 группы соединения силового трансформатора
производится цифровым способом, что позволяет использовать по всем сторонам ТТ,
соединенные в группу "звезда". Предусмотрена возможность
использования ДЗТ в схеме с измерительными ТТ на стороне ВН и СН, соединенными
в группу "треугольник". В этом случае требуется задать уставку группы
соединения равной Д/Д-0 или Д/Д/Д-0-0. Предусмотрена возможность использования
ДЗТ в схеме с ТТ на стороне СН и/или НН, соединенными в группу "неполная
звезда". В этом случае дифференциальная защита выполняется двух канальной.
Для этого требуется вывести канал ДЗТ фазы В с помощью программной накладки N10.
Выбор уставок дифференциального органа с торможением
Дифференциальную защиту трансформаторов необходимо отстраивать от
максимального тока небаланса, а также от броска тока намагничивания (БТН).
Отстройка от тока небаланса производится, как правило, за счет выбора уставок
тормозной характеристики (ТХ). Отстройка режимов БТН обеспечивается с помощью
торможения от блокировки по второй гармонике и блокировки по форме тока.
Тормозная характеристика состоит из двух участков (рисунок 8.7) и
характеризуется следующими уставками:
- начальный дифференциальный ток срабатывания Iдиф. нач;
- начальный тормозной ток Iторм. нач;
коэффициент торможения Kторм;
- тормозной ток блокировки Iблок.
Рисунок 8.7 - Тормозная характеристика дифференциальной
защиты трансформатора
Для торможения дифференциального органа в режимах внешнего
замыкания, сопровождающихся насыщением измерительных трансформаторов тока,
область тормозной характеристики
выводится по критерию, что входной и/или выходной токи меньше
уставки.
Также для дифференциального органа с торможением должны быть
заданы:
- уставка блокировки по второй гармонике Kгарм2;
- ток автоматической активации блокировки по второй
гармонике при обнаружении внешнего КЗ Iакт. г2.
Уставки характеристики выбираются по условию отстройки от
тока небаланса. Относительный ток небаланса в общем виде может быть определен
как сумма трех составляющих, которые обусловлены погрешностями трансформаторов
тока с учетом рабочего ответвления РПН и погрешностью выравнивания токов плеч в
терминале защиты:
(8.34)
(8.35)
(8.36)
(8.37)
где
- составляющая тока небаланса,
обусловленная погрешностью ТТ;
- коэффициент учитывающий переходный режим (наличие
апериодической составляющей тока), рекомендуется принимать 1;
- коэффициент однотипности трансформаторов тока. Для защиты
"Бреслер" рекомендуется во всех рассматриваемых режимах с запасом
принимать коэффициент однотипности равным 1,0;
- относительное значение полной погрешности трансформаторов тока.
Рекомендуется во всех случаях с запасом принимать величину
равной 0,1;
- составляющая тока небаланса, обусловленная регулированием
напряжение защищаемого трансформатора;
- погрешность, обусловленная регулированием напряжения под
нагрузкой. Принимается равной максимальному отклонению напряжения от
номинального при регулировании под нагрузкой в относительных величинах;
- составляющая тока небаланса, обусловленная погрешностью
выравнивания токов плеч в терминале защиты;
- погрешность выравнивания токов плеч в терминале защиты. Следует
принимать равной 0,03;
- относительный ток в режиме, для которого производится расчет
небаланса, рекомендуется принимать номинальному току, т.е. значению 1. В случае
недостаточной чувствительности в уточненных расчетах величина
может быть принята равной начальному
тормозному току Iторм.
Начальный дифференциальный ток срабатывания выбирается по условию
отстройки от тока небаланса в нормальном режиме работы трансформатора:
где kотс = 1,1…1,3 - коэффициент отстройки, учитывающий ошибки
расчета и необходимый запас;
Уставка в устройстве обозначается "Iдиф. н"
и задается в процентах от номинального тока наиболее мощной обмотки. Для этого
выбранное значение уставки Iдиф. н* необходимо умножить на 100%.
Начальный тормозной ток рекомендуется выбирать из диапазона:
Уставка принимается равной минимальному значению 0,6 для
пускорезервных трансформаторов и трансформаторов, на которых возможно
несинхронное АВР. В остальных случаях уставка может быть принята равной 1,0.
Принимаем значение 1.
Уставка в устройстве обозначается "Iторм"
и задается в процентах от номинального тока наиболее мощной обмотки. Для этого
выбранное значение уставки Iторм необходимо умножить на 100%.
Ток блокировки рекомендуется отстраивать от максимально возможного
сквозного тока нагрузки. Уставку рекомендуется выбирать из диапазона:
Своего наибольшего значения сквозной ток нагрузки достигает при
действии АВР секционного выключателя или АПВ питающих линий и может быть принят
равным 1,5 при Iторм=1,0 и 1,2 при Iторм=0,6. Принимаем 1,5.
Уставка в устройстве обозначается "Iблок"
и задается в процентов от номинального тока наиболее мощной обмотки. Для этого
выбранное значение уставки Iблок необходимо умножить на 100%.
Коэффициент торможения рекомендуется рассчитывать по выражению:
(8.38)
где
- относительный расчетный
дифференциальный ток срабатывания при расчетном внешнем КЗ;
где
- 1,1…1,3 - коэффициент отстройки;
где Iторм. расч - тормозной ток в расчетном режиме.
Принимается равным максимальному относительному току при внешнем (как правило,
трехфазном) КЗ.
Принимаем минимальную уставку 0,3.
Уставка в устройстве обозначается "Kторм"
и задается в процентах от номинального тока наиболее мощной обмотки. Для этого
выбранные значение уставки Kторм необходимо умножить на 100%.
Блокировка по второй гармонике предусмотрена для отстройки
дифференциального органа от БТН, а также для дополнительного торможения защиты
в режиме внешнего КЗ. Она реагирует на отношение модуля второй гармоники
дифференциального тока к модулю основной гармоники. Уставку "Кгарм2"
рекомендуется принимать равной 14%.
С помощью программной накладки N11 в устройстве защиты задается режим работы блокировки по второй
гармонике:
- "1 - постоянная" - режим непрерывной
работы;
- "2 - автоматическая" - режим
автоматической активации.
В режиме автоматической активации блокировка находится в
действии при выполнении хотя бы одного из условий:
модуль входного тока Iвх ниже 5% номинального
тока транформатора;
- модуль входного тока резко увеличился (стал больше
уставки Iактг2), в то время как дифференциальный ток Iдиф остался достаточно
малым.
Если значение программной накладки N11 принято равным "1
- постоянная", то предусмотрено продление работы блокировки при постановке
силового трансформатора под напряжением в течении заданного времени с момента
включения. Если значение программной накладки N11 принято равным "2
- автоматическая", то блокировка вводится в действие на заданное время с
момента обнаружения внешнего замыкания для дополнительного торможения
дифференциального органа в данном режиме, а также в случае возможного режима
броска намагничивающего тока, возникающего после отключения внешнего замыкания.
Уставку Iактг2 рекомендуется выбирать по условию отстройки от
максимального сквозного тока в нагрузочном режиме:
где kотс=1,2…1,5 - коэффициент отстройки;
Iнагр. макс*
- относительный максимальный нагрузочный ток, так как нагрузку по линиям 35 кВ
приняли равной номинальному току трансформатора;
где Iнагр - максимальный нагрузочный ток, приведенный к стороне ВН
защищаемого трансформатора;
Iном. ВН -
номинальный ток защищаемого трансформатора со стороны ВН.
Уставка в устройстве обозначается "Iактг2"
и задается в процентах от номинального тока наиболее мощной обмотки. Для этого
выбранное значение уставки Iактг2 необходимо умножить на 100%.
Для защиты "Бреслер ШТ 2108" проверку чувствительности
производить не обязательно, т.к. она выполняется всегда.
Выбор уставок дифференциальной токовой отсечки
Дифференциальная токовая отсечка предназначена для мгновенного
отключения больших токов повреждения в зоне действия защиты. Особенно
эффективно использование отсечки на трансформаторах средней мощности.
Так как дифференциальная токовая отсечка является грубым
измерительным органом и выполняется без торможения, то ее уставку по
дифференциальному току срабатывания необходимо отстроить от бросков тока
намагничивания и токов небаланса при внешних КЗ.
Отстройка от бросков тока намагничивания обеспечивается при выполнении
условия:
Возможно использование уточненного значения уровня
дифференциального тока в максимальном режиме БТН с учетом опыта эксплуатации
защищаемого трансформатора или рассчитанного по соответствующим методикам.
По условию отстройки от максимального тока небаланса при внешних
КЗ уставку рекомендуется рассчитывать по выражению:
(8.39)
kотс = 1,5
- коэффициент отстройки, учитывающий ошибки расчета и необходимый запас;
Iнб. расч*
- расчетный ток небаланса, определяемый ток внешнего КЗ. При этом коэффициент
переходного режима kпер рекомендуется принимать равным 3,0…4,0; величина Iрасч* принимается равной току (в относительных единицах),
проходящему через защищаемую зону при расчетном внешнем (как правило,
трехфазном) металлическом КЗ на стороне, где рассматривается повреждение. Этот
ток определяется при работе трансформатора на расчетном ответвлении,
соответствующем, как правило, минимальному значению напряжения регулируемой обмотки.
Уставка ДТО выбирается равной наибольшему значению из полученных
выше. Принимаем уставку 5,2. Уставка в устройстве обозначается "Iдто" и задается в процентах от номинального тока наиболее
мощной обмотки. Для этого выбранное значение уставки Iдто*
необходимо умножить на 100%.
8.3.5 Линия
35 кВ
По /10/ рассчитаем дистанционную защиту.
Номинальное напряжение защищаемой линии: Uном=35 кВ
Длинна защищаемой линии: L=11 км
Тип провода защищаемой линии: АС - 120/19
Расстояние между фазами защищаемой линии: Lмф=1,5 м
Максимальный ток нагрузки защищаемой линии - равен
максимальному току трансформатора на стороне ВН:
А (8.40)
Максимальный угол нагрузки защищаемой линии: φнагр=32о
Ток КЗ на шинах со стороны линии, на которой производиться расчет
ДЗ: Iк=1,53 кА
Коэффициенты трансформации трансформаторов тока и трансформаторов
напряжения: Ктт=200/5; Ктн=35/0,1
Принимаем ЭДС энергосистемы: Ec=1,1∙35=38,5 кВ
Принимаем активное сопротивление энергосистемы: Rc=0
Реактивное сопротивление энергосистемы:
Ом (8.41)
Удельное сопротивление ВЛ 35 кВ с проводом АС - 120/19 в
соответствии с /2/:
Rуд=0,244
Ом/км
Xуд=0,414
Ом/км
Активное, индуктивное и полное сопротивление защищаемой линии:
Ом (8.42)
Ом (8.43)
Ом (8.44)
Угол сопротивления защищаемой линии:
(8.45)
Принимаются напряжение при самозапуске и коэффициент самозапуска:
кВ (8.46)
Минимальное сопротивление нагрузки:
Ом (8.47)
Угол наклона характеристики PC 1 ступени ДЗ принимается примерно равным углу сопротивления
защищаемой линии (φл=59,5o): φ1 (I) =60o
Сопротивление срабатывания 1 ступени ДЗ.
Сопротивление срабатывания выбираем по условию отстройки от
металлического КЗ на шинах низшего напряжения подстанции.
Сопротивление срабатывания первой зоны z1
выбирается из условия, чтобы дистанционный орган зоны не мог сработать за
пределами защищаемой линии.
Первичное сопротивление срабатывания первой ступени:
(8.48)
где δ -
погрешность, вызванная неточностью расчета первичных электрических величин
(принимаем δ=0,1);
β - погрешности трансформаторов тока,
трансформаторов напряжения и релейной аппаратуры в сторону увеличения
защищаемой зоны (принимается β=0,05).
Ом (8.49)
Ом
Принимаем z1сз=13,12 Ом.
Уставка 1 ступени по реактивному сопротивлению:
Ом
Максимально допустимое активное сопротивления срабатывания 1
ступени ДЗ по условию отстройки от сопротивления самозапуска:
(8.50)
Ом
Падение напряжения на дуге при КЗ в конце 1 ступени ДЗ:
кВ (8.51)
Минимальный ток двухфазного металлического КЗ в конце защищаемой
зоны 1 ступени ДЗ:
кА (8.52)
Сопротивление дуги при двухфазном КЗ в конце защищаемой зоны 1
ступени ДЗ:
Ом (8.53)
Минимально допустимое активное сопротивление срабатывания 1
ступени ДЗ по условию обеспечения чувствительности к КЗ через дугу в конце
защищаемой зоны:
Ом
Принимаем уставка 1 ступени ДЗ по активному сопротивлению:
Rсз (I) =10,56 Ом
Принимается наклон нижней, левой и верхней части характеристики PC 1 ступени ДЗ:
φ2 (I) =
- 150 φ3 (I) =
1150 φ4 (I) =
00
Вторичное реактивное и активное сопротивление срабатывания 1
ступени ДЗ:
Ом (8.54)
Ом (8.55)
Ток точной работы PC 1 ступени ДЗ:
Iтр (I) =0,5
А
Коэффициент чувствительности PC 1 ступени ДЗ по току точной работы при двухфазном КЗ в конце
защищаемой зоны:
(8.56)
Вторая ступень ДЗ.
Второй ступени для данного участка сети нет по руководящим
указаниям.
Третья ступень ДЗ.
Угол наклона характеристики PC 3 ступени ДЗ принимается примерно равным углу сопротивления
защищаемой линии (φл = 59,50); φ1 (III) =600
Сопротивление срабатывания 3 ступени ДЗ при угле φл:
(8.57)
где kв=0,95 - коэффициент возврата реле сопротивления;
kн=1,2;
Ом
Уставка 3 ступени ДЗ по реактивному сопротивлению:
Ом
Максимально допустимое активное сопротивление срабатывания 3
ступени ДЗ по условию отстройки от сопротивления самозапуска:
Ом
Принимается уставка 3 ступени ДЗ по активному сопротивлению:
Ом
Принимается наклон нижней и левой части характеристики PC 3 ступени ДЗ:
φ2 (III) = - 150
φ3 (III) = 1150
Вторичное реактивное и активное сопротивление срабатывания 3
ступени ДЗ:
Ом
Ом
Минимальный ток двухфазного металлического КЗ в конце защищаемой
зоны 3 ступени ДЗ:
кА
Ток точной работы PC 3 ступени ДЗ Iтр (III) =0,1 А
Коэффициент чувствительности PC 3 ступени ДЗ по току точной работы при двухфазном КЗ в конце
защищаемой зоны:
На рисунке 8.8 показана характеристика ДЗ в комплексной плоскости
сопротивлений.
Рисунок 8.8 - Характеристика ДЗ в комплексной плоскости
сопротивлений
9. Выбор
трансформаторов тока, трансформаторов напряжения, измерительных приборов,
приборов контроля и учета электроэнергии
9.1 Поверка
ТТ кабельной линии 6 кВ
Принят трансформатор тока ТОЛ-10/200.
Погрешность ТТ не должна превышать 10% при максимальном токе
внешнего КЗ. Максимальный ток линии при внешнем КЗ:
А
Расчетная кратность тока:
(9.1)
Допустимое сопротивление нагрузки ТТ определяем по кривым
предельных кратностей (рисунок 9.1) для данного типа ТТ равно 1,1 Ом.
Рисунок 9.1 - Кривые предельной кратности
(9.2)
Где Zпер=0,05 Ом - переходное сопротивление контактов в токовых
цепях.
Zпр -
сопротивление провода от TT до места
установки реле, принимаем сечение 2,5 мм2 и расстояние 4 м, так как
терминал расположен в ячейке, тогда
Zр = 0,8 Ом
- сопротивление терминала (реле).
(9.3)
Ом.
ТТ проходит по параметрам.
9.2 Выбор
трансформаторов напряжения
Трансформатор напряжения предназначен для понижения высокого
напряжения для стандартного значения 100 или 100√3 и для отдельных цепей
измерения и релейной защиты от первичных цепей высокого напряжения.
Трансформатор напряжения также предназначен для питания катушек напряжения
измерительных приборов и для контроля изоляции в сетях с малыми токами
замыкания на землю.
Для измерения напряжения относительно земли могут применяться
три однофазных трансформатора, соединенных по схеме Y0/Y0, или трехобмоточный
трансформатор типа ЗНОЛ. У последнего обмотка, соединенная в звезду,
используется для присоединения измерительных приборов, а к обмотке, соединенной
в разомкнутый треугольник присоединяются реле защиты от замыканий на землю.
В установке на стороне низкого напряжения принимаем
трансформаторы напряжения ЗНОЛ-СЭЩ-6-0,5/3-75/100 У2 с номинальным напряжением Uном = 6кВ и номинальной
мощностью S2ном = 75 ВА в классе точности 0,5, максимальная предельная мощность Sмах=630 ВА.
Этот трансформатор имеет две вторичные обмотки, одна из
которых соединена в звезду и к ней подключаются катушки напряжения
измерительных приборов, а другая соединена в разомкнутый треугольник и
используется для контроля изоляции. На высокой стороне установим ЗНОЛ 35-65-У1
9.3 Система
АСУ ТП
Для осуществления АСУ ТП будем использовать систему
управления "UniSCADA", разработанная ООО "ИЦ Бреслер, предназначена
для решения задач комплексной автоматизации энергообъектов. Система может
применяться для построения АСУ подстанций, электрической части электростанций,
многоуровневых систем АСДУ, систем энергоснабжения предприятий. В комплексе с
технологическим сегментом на базе системы возможно построение единой АСУ
электростанции.
Структура системы:
АСУ "UniSCADA" представляет
собой многоуровневый программно-аппаратный комплекс (ПТК). Система построена по
иерархическому принципу. Нижний уровень системы образуют микропроцессорные
терминалы релейной защиты и автоматики (РЗА) и устройства сопряжения с объектом
(УСО) - контроллеры телемеханики, программируемые логические контроллеры (ПЛК)
и т.д. Верхний уровень системы образуют один или несколько компьютеров (серверов
или автоматизированных рабочих мест (АРМ) системы), объединенных локальной
сетью.
АСУ "UniSCADA" ориентирована на
применение в своем составе микропроцессорных терминалов РЗА и УСО производства
ООО "ИЦ БРЕСЛЕР" и ABB. В дополнение к этому в систему могут интегрироваться
терминалы РЗА и УСО и других производителей.
Программная часть системы построена по
клент-серверной технологии OPC (OLE For Process Control). Подключение
оборудования нижнего уровня к компьютерам системы осуществляется с
использованием различных OPC серверов (коммуникационного программного
обеспечения), реализующих специфические для устройств протоколы связи, через
локальные или выносные последовательные асинхронные порты ввода/вывода (COM
порты), либо через специализированные адаптеры.
Физическое сопряжение верхнего уровня
системы с нижним осуществляется с использованием различных типов
преобразователей. Тип преобразователей полевой шины определяется средой
передачи (оптика, витая пара и т.д.).
Базовый набор программного обеспечения
системы включает в себя следующие программные компоненты:
· SPA OPC Сервер;
· OPC сервер
МЭК60870-5-101;
· OPC сервер
МЭК60870-5-103;
· OPC сервер
МЭК60870-5-104;
· SPA Relay Tool
· "UniSCADA"
ActiveX Library
· компоненты SCADA-пакета
Genesis32.
Компоненты системы "SPA Relay
Tool" дополнительно могут использоваться для построения
программно-технического комплекса мониторинга микропроцессорных терминалов РЗА
энергообъекта (рисунок 9.2).
Рисунок 9.2 - Принцип построения АСУ ТП
Основные функции:
· сбор информации с
терминалов РЗА и УСО;
· ведение базы данных
реального времени;
· контроль состояния и
диспетчерское управление оборудованием;
· оперативные блокировки
при управлении устройствами;
· удаленный просмотр и
изменение уставок терминалов РЗА, считывание осциллограмм;
· предупредительная и
аварийная сигнализация;
· протоколирование событий,
тревог и действий оператора с фиксацией по времени;
· формирование отчетов о
событиях и тревогах с возможностью фильтрации;
· архивация и хранение
ретроспективной информации;
· построение графиков,
таблиц, ведомостей, отчетов различной формы;
· самодиагностика системы;
· разделение прав
пользователей.
Дополнительные опции системы:
· резервирование
компонентов системы;
· анализ действия защит;
· привязка к
астрономическому времени;
· сопряжение с системами
автоматизированного контроля и учета электроэнергии (АСКУЭ).
Основные преимущества системы:
1) Возможность оптимизации финансовых
вложений за счет поэтапного развития системы:
· инструментарий инженера -
релейщика;
· полноценная АСУ
энергообъекта.
На первом этапе монтируются
микропроцессорные терминалы защит и связное оборудование. Формируется
технологическая сеть контроллеров. Производится конфигурирование OPC сервера,
осуществляющего обмен данными с устройствами, и АРМа инженера-релейщика. Таким
образом, заказчик получает систему, позволяющую с удаленного компьютера
просматривать измеряемые величины терминалов, считывать и изменять уставки,
работать с осциллограммами.
В дальнейшем, на этой базе формируется
полноценная АСУ энергообъекта.
) Гарантированное сопряжение с
аппаратными средствами различных производителей на основе встроенной в систему
технологии OLE for Process Control (OPC).
Технология OPC была специально разработана
для гетерогенных (неоднородных) систем. Согласно концепции OPC оборудование
нижнего уровня (контроллеры) подключается к системе верхнего уровня
(OPC-клиент) через программный шлюз (OPC-сервер), имеющий стандартизированный
протокол обмена с клиентом.
При таком подходе задача подключения
контроллера любого производителя к системе сводится к локальной задаче
настройки шлюза OPC-клиент/OPC-сервер. В настоящее время существуют OPC сервера
практически для всех основных протоколов полевой шины.
) Возможность создания новых, а также
модификации существующих элементов управления мнемосхемы под требования
заказчика.
Библиотека ActiveX элементов
разрабатывается на основе готовых шаблонов и типовых решений, что обеспечивает
легкость ее модернизации. Разработка экранных форм выполняется с помощью
инструментов рисования, встраивания графических изображений из метафайлов и
файлов растровых изображений, а также с использованием библиотеки символов.
Библиотека мнемосимволов энергетики позволяет значительно упростить разработку
мнемосхемы и завершить проект в кратчайшие сроки. Одним из наиболее
привлекательных качеств библиотеки является возможность ее расширения.
) Малые сроки внедрения благодаря
простоте освоения и использования средств разработки.
Все компоненты системы имеют дружественный,
интуитивно-понятный интерфейс пользователя.
9.4 Выбор
приборов контроля и учета электроэнергии
Для автоматизации, контроля и учета электроэнергии и мощности
с учетом сложившейся системы и необходимостью дальнейшего его развития на ГПП
35 кВ рекомендуется замена на ответственных присоединениях счетчиков различной
модификации на интеллектуальные счетчики серии Альфа и дополнительная установка
для передачи информации мультиплексора-расширителя производства "АВВ ВЭИ
Метроника".
Назначение счетчиков серии Альфа.
Счётчик Альфа предназначен для учёта активной и реактивной
энергий в цепях переменного тока, а также для использования в составе
автоматизированных систем контроля и учёта электроэнергии (АСКУЭ) для передачи
измеренных или вычисленных параметров на диспетчерский пункт по контролю, учёту
и распределению электрической энергии.
Счетчики Альфа применяются в энергосистемах, крупными
промышленными потребителями, предприятиями транспорта, а также промышленными и
бытовыми потребителями в следующих целях:
) Энергокомпаниями:
определение выработки электроэнергии генераторами
электростанций;
учет перетоков энергии и мощности на межсистемных линиях;
учёт отпуска электроэнергии потребителям энергосистемы;
учёт расхода электроэнергии на собственные нужды предприятиями
энергосистемы;
контроль потерь электроэнергии и мощности;
управление распределением электроэнергии;
учет реактивной мощности;
организации систем АСКУЭ для оперативно - диспетчерских служб
Энергосбыта АО Энерго или предприятия.
) Потребителями:
для точного учёта потреблённой энергии и мощности в режиме
многотарифности;
оценка динамики электропотребления с учётом ограничений;
автоматизации производства;
выбор графика потребления энергии;
прогнозирование величины заявленной мощности для предприятия;
фиксация перерывов в энергоснабжении;
передача измеренных параметров энергопотребления для
службЭнергосбыта;
для современного жилищного строительства прямое включение на
ток до 150А;
управление тарификаторами и нагрузкой.
Счётчик Альфа имеет следующие функциональные возможности:
измерение активных и реактивных энергий и мощностей в двух
направлениях с классом точности - 0,2S и 0,5S;
учёт потребленной и выданной электроэнергии в режиме
многотарифности по 4 тарифным зонам;
измерение максимальной мощности нагрузки на расчётном (от 1
до 60 мин) интервале времени;
фиксация даты и времени максимальной активной и реактивной
мощности для каждой тарифной зоны;
запись и хранение в памяти счётчика данных графика нагрузки
по 4 каналам;
автоматический контроль нагрузки с возможностью ее отключения
или сигнализации;
передача результатов измерений на диспетчерский пункт по
контролю и учету электроэнергии по цифровым и импульсным каналам связи;
организация систем АСКУЭ на основе счетчиков Альфа.
Принцип измерения счётчика Альфа заключается в аналого -
цифровом преобразовании величин напряжения и тока с последующим вычислением
энергий и мощностей. Счётчик Альфа состоит из измерительных датчиков напряжения
и тока, основной электронной платы с микропроцессорной схемой измерения и быстродействующего
микроконтроллера. Измеряемые величины и другие требуемые данные отображаются на
дисплее счётчика, выполненного на жидких кристаллах. Счетчик Альфа -
микропроцессорные полностью электронные приборы, основные их преимущества -
высокая надежность, точность (классы точности 0,2; 0,5; 1;
), малая чувствительность к изменениям температуры окружающей
среды, возможность передачи информации по цифровым и импульсным каналам, учет
тарифных зон. Счетчики измеряют активную и реактивную энергию, автоматически
пересчитывают электроэнергию на первичную сторону (с учетом коэффициентов
трансформации измерительных трансформаторов тока и напряжения). Измерение тока
и напряжения силовых цепей осуществляется с помощью высоколинейных
трансформаторов тока улучшенной конструкции и резистивных схем делителя
напряжения. Активная мощность вычисляется путём умножения измеренных цифровых
значений напряжений и токов с помощью измерительной сверхбольшой интегральной
схемы (СБИС).
Общие характеристики счётчиков Альфа:
Кабель UNICOM PROBE представляет собой устройство связи между
оптическим портом счетчика и последовательным портом компьютера RS-232. UNICOM
PROBE преобразует оптические сигналы счетчика в уровень напряжений цифрового
интерфейса RS-232. Длина кабеля преобразователя 2м. Питание этого устройства
может осуществляться или от батареи 9 В или от сетевого адаптера.
На плате С имеется дополнительное пятое реле, которое
используется для подачи сигнала для управления нагрузкой. Регулирование
нагрузки может осуществляться в следующих режимах:
срабатывания реле в тарифных зонах в соответствии с заданной
уставкой мощности (для каждой тарифной зоны можно определить уставку
срабатывания реле);
срабатывания реле с наступлением заданной тарифной зоны.
Реле регулирования нагрузки может использоваться как
сигнальное в случае превышения мощности заданной уставки. Общие характерные
особенности защитных функций счётчика Альфа.
Каждый счетчик имеет свой пароль, который используется на
уровне обмена информацией между счетчиком и компьютером, с помощью которого
осуществляется доступ к данным счетчика и его перепрограммирование. Кроме
этого, программное обеспечение имеет свои входные коды, препятствующие работе с
программным пакетом несанкционированными лицам. Программный пакет EMFPLUS 2.30
(504MD) предоставляет три различных уровня доступа к счётчикам для:
потребителя;
эксплуатационных служб Энергоснабжающих организаций;
ремонтных служб Энергоснабжающих организаций, имеющих право
Госповерки.
В конструкции счетчика обеспечивается двойное пломбирование
между крышкой и основанием. Крышка счетчика запечатывается пломбой
завода-изготовителя при проведении калибровки и тестирования счётчика, а также
пломбой Госстандарта при проведении поверки счётчиков госповерителем. Крышка
клеммника может быть опечатана дополнительной пломбой при установке счётчика
службами местного Энергонадзора. Крышку счетчика нельзя снять, не сняв сначала
крышку клеммника без нарушения пломбы.
Самодиагностика электронных узлов и компонентов.
Электронные узлы счетчика под управлением его программных
средств подвергаются самодиагностике каждые 24 часа. При этом проверяется
работа всех основных узлов счётчика Альфа: встроенной батареи, микропроцессора,
памяти, внутренних интерфейсов, работа сегментов дисплея и т.д. Выявленная
неисправность вызывает появление на дисплее счётчика сообщение об ошибке.
Счетчик Альфа записывает в память количество всех отключений
питания (до 9999 отключений), а также время и дату начала и конца последнего
отключения питания.
Счетчик хранит количество сбросов мощности (до 99), которые
имели место с момента последнего перепрограммирования счетчика. В памяти
счетчика хранится также количество дней с момента последнего сброса мощности, а
в случае работы счетчика в многотарифном режиме и дата последнего сброса мощности.
Счетчик записывает общее количество обращений к нему через
оптический порт (до 99), а также последнюю дату перепрограммирования и дату,
когда какие-либо данные в самом счетчике были изменены.
Просмотр журнала связей осуществляется с помощью программного
обеспечения EMFPLUS.
Счётчики Альфа калибруются на автоматической калибровочной
станции предприятия АББ ВЭИ Метроника. Заказчик приобретает счётчики Альфа уже
поверенные Госстандартом и дополнительно эту операцию оплачивать не надо.
Межповерочный интервал счётчика - 8 лет. Следующую поверку поверку может
осуществить местное отделение Энергонадзора или специализированные сервисные
центры, создаваемые АББ ВЭИ Метроника, с привлечением специалистов
Госстандарта.
Для поверки счётчиков Альфа применяется стандартное
поверочное оборудование с образцовым счётчиком класса точности 0,05. Для
поверки счётчиков Альфа на месте установки используется образцовый счётчик
Альфа класса точности 0,1, выпускаемый на заводе АББ ВЭИ Метроника в Москве.
Технические характеристики счётчиков Альфа сведены в таблице
9.1.
Таблица 9.1 - Технические характеристики счётчиков Альфа
|
Класс точности
|
0,2S и 0,5S
|
|
Количество
тарифов
|
4 тарифные зоны
(утро, день, вечер, ночь), выходные и праздничные дни, 4 сезона,
автоматический переход на летнее и зимнее время
|
Диапазон токов счётчика - прямого включения трансформаторного
включения
= 80 А 50 мА - 150 А
= 5 А 5,0 мА - 10 А
|
= 1 А 1,0 мА - 2 А
|
|
|
Максимальный
ток в течении: 1 с 5 с
|
100 А
трансформаторного включения 800 А прямого включения
|
|
Диапазон
рабочих напряжений
|
100 (100/ ), 220, 380 (380/ ) В
|
|
Диапазон
частоты сети
|
47,5 - 52,5 Гц
|
|
Рабочий
диапазон температур
|
от - 40°С до +60°С
|
|
Влажность (не
конденсирующаяся)
|
0 - 95 %
|
|
Потребляемая
мощность счётчика
|
менее 3,6 ВА
|
|
Скорость обмена
информацией: по оптическому порту (RS-232)
по интерфейсу "токовая петля” по интерфейсу RS-485
|
1200, 9600 бод
300, 1200, 2400, 4800, 9600, 19200 бод 2400, 4800, 9600, 19200 бод
|
|
Передаточное
число
|
1000
импульс/кВт×ч
(прям. вкл.) 10000, 100000 импульс/кВт×ч (трансф. вкл.)
|
|
Сохранность
данных при перерывах питания
|
срок 2-3 года
при помощи батареи в постоянном режиме разряда
|
|
Регистрация
отключений питания
|
до 9999
отключений
|
|
Защита
коммерческой информации
|
3 уровня
паролей доступа плюс аппаратная блокировка
|
|
Сомодиагностика
счётчика
|
1 раз в сутки
|
|
Масса
|
3,0 кг
|
|
Габариты
|
262х180х180 мм
|
|
Срок службы
|
30 лет
|
|
Межповерочный
интервал
|
8 лет
|
|
Гарантия
производителя
|
3 года
|
Установка
счётчиков ЕвроАльфа
На
ГПП 35 кВ устанавливаем счётчики ЕвроАльфа на отходящих линиях. Т.к. на
подстанции невозможна передача мощности в систему, то на отходящих линиях 6 кВ
устанавливаем счётчики ЕвроАльфа, позволяющие измерять активную энергию и
максимальную мощность. Для учёта электроэнергии идущая на собственные нужды
подстанции также используем счётчики ЕвроАльфа. Счётчики устанавливаем на вводе
0,4 кВ от трансформаторов собственных нужд. Подключение всех счётчиков
осуществляем через трансформаторы тока (смотри схему подключения счётчиков
Альфа трансформаторного включения.
Схемы подключения счётчиков ЕвроАльфа представлены на рисунке
9.3,9.4.
Рисунок 9.3 - Трёхфазная четырёхпроводная сеть с подключением
через трансформаторы тока (трёхэлементные счётчики)
Рисунок 9.4 - Трёхфазная четырёхпроводная сеть с подключением
через трансформаторы тока и напряжения (трёхэлементные счётчики)
Такие схемы подключения счётчиков позволяют использовать
выбранные трансформаторы тока и напряжения не только для релейной защиты, но и
для учёта электроэнергии как высоковольтных линий 35 кВ и 6 кВ, так и для учёта
электроэнергии, идущую на собственные нужды подстанции. Счетчик ЕвроАльфа -
надёжный и точный прибор учёта для производителей и потребителей электроэнергии
и гораздо дешевле по сравнению с Альфа счетчиками и их зарубежными аналогами.
Эффективность в применении, удобство в обслуживании - лучшие решения для
информационных технологий и автоматизированных систем. ЕвроАльфа - многотарифный,
микропроцессорный трёхфазный счётчик электроэнергии. Счётчик ЕвроАльфа отвечает
или превосходит все существующие требования Госстандарта. Поэтому можно быть
уверенным, что он будет работать надёжно.
10.
Экономическая часть
Расчет
временных параметров СГ
Составление
индивидуального перечня работ и построение СГ
Построим сетевой график рисунок 10.1 и
заполним таблицу 10.1.
Рисунок 10.1 - Сетевой график
Таблица 10.1 - Перечень, параметры и вероятностные
характеристики работ СГ
|
Код
|
Наименование
работы
|
Продолжительность,
дн
|
Исполнители,
чел
|
Ср. квад.
отклонение
|
Дисперсия
|
|
|
мин.
|
макс.
|
ожид.
|
руков.
|
инж.
|
лаб.
|
|
|
|
|
|
|
|
|
|
|
|
|
|
0,1
|
Получение
задания на дипломное проектирование
|
1
|
2
|
2
|
1
|
1
|
0
|
0,2
|
0,04
|
|
1,2
|
Подбор
литературы
|
4
|
7
|
5
|
1
|
1
|
2
|
0,6
|
0,36
|
|
1,3
|
Подбор
технической документации
|
3
|
5
|
4
|
1
|
0
|
3
|
0,4
|
0,16
|
|
1,4
|
Поиск подобных
подстанций, которые уже построены или спроектированы
|
6
|
9
|
7
|
1
|
0
|
3
|
0,36
|
|
2,4
|
Анализ
литературы
|
4
|
7
|
5
|
1
|
1
|
2
|
0,6
|
0,36
|
|
3,4
|
Анализ
технической документации
|
4
|
7
|
5
|
1
|
1
|
1
|
0,6
|
0,36
|
|
4,5
|
Анализ
существующей схемы подстанции и установленного оборудования
|
2
|
5
|
3
|
1
|
1
|
1
|
0,6
|
0,36
|
|
5,8
|
Выбор числа и
мощности трансформаторов
|
3
|
5
|
4
|
1
|
1
|
1
|
0,4
|
0,16
|
|
8,10
|
Выбор схемы
электрических соединений на стороне ВН, СН и НН
|
2
|
5
|
3
|
1
|
1
|
2
|
0,6
|
0,36
|
|
4,6
|
Расчет токов
нагрузки в нормальном и утяжеленном режимах
|
3
|
5
|
4
|
1
|
1
|
1
|
0,4
|
0,16
|
|
6,7
|
Расчет токов КЗ
|
2
|
5
|
3
|
1
|
1
|
2
|
0,6
|
0,36
|
|
7,9
|
Выбор
коммутационной аппаратуры и токоведущих частей
|
1
|
2
|
2
|
1
|
1
|
2
|
0,2
|
0,04
|
|
9,10
|
Выбор
трансформаторов тока и напряжения, измерительных приборов, приборов контроля
и учета электроэнергии
|
2
|
5
|
3
|
1
|
1
|
1
|
0,6
|
0,36
|
|
10,11
|
Выбор источника
оперативного тока
|
6
|
9
|
7
|
1
|
2
|
1
|
0,6
|
0,36
|
|
11,13
|
Анализ
имеющихся средств РЗиА, систем управления, сигнализации и учета
электроэнергии
|
3
|
5
|
4
|
1
|
0
|
3
|
0,4
|
0,16
|
|
10,12
|
Выбор
структурных схем АСУ ТП, средств управления и сигнализации
|
6
|
9
|
7
|
1
|
2
|
1
|
0,6
|
0,36
|
|
12,13
|
Экономическая
часть
|
2
|
5
|
3
|
1
|
2
|
1
|
0,6
|
0,36
|
|
13,14
|
Безопасность
жизнедеятельности
|
4
|
7
|
5
|
1
|
0
|
2
|
0,6
|
0,36
|
|
14,15
|
Оформление
пояснительной записки и графической части
|
5
|
8
|
6
|
1
|
1
|
1
|
0,6
|
0,36
|
Ожидаемая продолжительность работы
в СГ рассчитывается по принятой двухоценочной методике, исходя из
минимальной
мин. и максимальной
макс. оценок продолжительности, задаваемых
ответственным исполнителем каждой работы. При этом предполагается, что
минимальная оценка соответствует наиболее благоприятным условиям работы, а
максимальная - наиболее неблагоприятным. Ожидаемая продолжительность каждой
работы определяется по формуле:
(10.1)
Среднеквадратическое отклонение
продолжительности в двухоценочной методике рассчитывается по
формуле:
(10.2)
Дисперсия определяется по формуле:
(10.3)
Расчёт
параметров событий сетевого графика
Ранний срок свершения исходного (нулевого) события СГ
принимается равным нулю. Ранний срок свершения данного промежуточного события
рассчитывается путём сравнения сумм, состоящих из раннего срока свершения
события, непосредственно предшествующего данному и длительности работы. Так как
данное событие не может свершиться, пока не закончится последняя из
непосредственно предшествующих ему работ, очевидно, что в качестве раннего
срока свершения события принимается максимальная из сравниваемых сумм.
Рассчитанный таким способом ранний срок
свержения завершающего события всего СГ принимается в качестве его же позднего
срока свершения. Это означает, что завершающее событие СГ никаким резервом
времени не располагает.
Поздний срок свершения данного
промежуточного события определяется при просмотре СГ в обратном направлении.
Для этого сопоставляются разности между поздним сроком свершения события,
непосредственно следующего заданным, и продолжительности работы, соединяющей
соответствующее событие с данным. Так как ни одна из непосредственно следующих
за данным событием работ не может начаться, пока не свершится само данное
событие, очевидно, его поздний срок свершения равен минимуму из подсчитанных
разностей.
Правильность расчета поздних сроков
свершения событий СГ подтверждается получением нулевого позднего срока
свершения исходного события.
Резерв времени образуется у тех событий,
для которых поздний срок свершенная больше раннего, и он равен их разности.
Если же эти сроки равны, событие резервом времени не располагает и,
следовательно, лежит на критическом пути.
Таблица 10.2 - Параметры событий сетевого графика
|
Номер события
|
Сроки свершения
|
Резерв времени
|
|
ранний
|
поздний
|
|
|
0
|
0
|
0
|
0
|
|
1
|
2
|
2
|
0
|
|
2
|
7
|
7
|
0
|
|
3
|
6
|
7
|
1
|
|
4
|
12
|
12
|
0
|
|
5
|
15
|
17
|
2
|
|
6
|
16
|
16
|
0
|
|
7
|
19
|
19
|
0
|
|
8
|
19
|
21
|
2
|
|
9
|
21
|
21
|
0
|
|
10
|
24
|
24
|
0
|
|
11
|
31
|
31
|
0
|
|
12
|
31
|
32
|
1
|
|
13
|
35
|
35
|
0
|
|
14
|
40
|
40
|
0
|
|
15
|
46
|
46
|
0
|
Расчёт
параметров работ сетевого графика
Ранний срок начала работы
совпадает с ранним сроком свершения её начального события.
Поздний срок начала работы
можно получить, если из позднего срока свершения её конечного
события вычесть её ожидаемую продолжительность.
Ранний срок окончания работы
образуется прибавлением её продолжительности к раннему сроку
свершения её начального события.
Поздний срок окончания работы
совпадает с поздним сроком свершения её конечного события.
Для всех работ критического пути, как не имеющих резервов времени,
ранний срок начала совпадает с поздним сроком начала, а ранний срок окончания с
поздним сроком окончания.
Работы, не лежащие на критическом пути, обладают резервами
времени.
Полный резерв времени работы
образуется вычитанием из позднего срока свершения её конечного
события раннего срока свершения её начального события и её ожидаемой
продолжительности.
Частный резерв времени первого рода
равен разности поздних сроков свершения её конечного и начального
событий за вычетом её ожидаемой продолжительности.
Частный резерв времени второго рода
равен разности ранних сроков свершения ее конечного и начального
событий за вычетом её ожидаемой продолжительности.
Свободный (независимый) резерв времени работы
образуется вычитанием из раннего срока
свершения её конечного события позднего срока свершения её начального события и
её ожидаемой продолжительности. Свободный резерв времени может быть
отрицательным.
Таблица 10.3 - Параметры работ сетевого графика в днях
|
Код работы
|
Ожидаемая
продолжительность
|
Сроки начала
|
Сроки окончания
|
Резервы времени
|
Коэффициент
напряженности
|
|
|
ранний
|
поздний
|
ранний
|
поздний
|
полный
|
Частный первого
рода
|
Частный второго
рода
|
свободный
|
|
|
0,1
|
2
|
0
|
0
|
2
|
2
|
0
|
0
|
0
|
0
|
1
|
|
1,2
|
5
|
2
|
2
|
7
|
7
|
0
|
0
|
0
|
0
|
1
|
|
1,3
|
4
|
2
|
3
|
6
|
7
|
1
|
1
|
0
|
0
|
0,9
|
|
1,4
|
7
|
2
|
5
|
9
|
12
|
3
|
3
|
3
|
3
|
0,7
|
|
2,4
|
5
|
7
|
7
|
12
|
12
|
0
|
0
|
0
|
0
|
1
|
|
3,4
|
5
|
6
|
7
|
12
|
12
|
1
|
0
|
1
|
0
|
0,9
|
|
4,5
|
3
|
12
|
14
|
17
|
17
|
2
|
2
|
0
|
0
|
0,83
|
|
4,8
|
8
|
12
|
13
|
20
|
21
|
1
|
1
|
1
|
1
|
0,83
|
|
8,10
|
3
|
19
|
21
|
22
|
2
|
0
|
2
|
0
|
0,83
|
|
4,6
|
4
|
12
|
12
|
16
|
16
|
0
|
0
|
0
|
0
|
1
|
|
6,7
|
3
|
16
|
16
|
19
|
19
|
0
|
0
|
0
|
0
|
1
|
|
7,9
|
2
|
19
|
19
|
21
|
21
|
0
|
0
|
0
|
0
|
1
|
|
9,10
|
3
|
21
|
21
|
24
|
24
|
0
|
0
|
0
|
0
|
1
|
|
10,11
|
7
|
24
|
24
|
31
|
31
|
0
|
0
|
0
|
0
|
1
|
|
11,13
|
4
|
31
|
31
|
35
|
35
|
0
|
0
|
0
|
0
|
1
|
|
10,12
|
7
|
24
|
25
|
32
|
32
|
1
|
1
|
0
|
0
|
0,91
|
|
12,13
|
3
|
31
|
32
|
34
|
35
|
1
|
0
|
1
|
0
|
0,91
|
|
13,14
|
5
|
25
|
35
|
40
|
40
|
0
|
0
|
0
|
0
|
1
|
|
14,15
|
6
|
40
|
40
|
46
|
46
|
0
|
0
|
0
|
0
|
1
|
Правильность расчётов резервов времени
работы можно проверить последующим соотношениям:
) сумма полного и свободного резерва
работы равна сумме двух частных её резервов;
) поздний и ранний сроки начала работы, а
также поздний и ранний сроки её окончания всегда отличаются на величину её
полного резерва.
Для работ, лежащих на критическом пути, никаких резервов времени
нет и, следовательно, коэффициент напряженности
таких работ равен единице. Для остальных работ
подсчитывается как отношение суммы
продолжительностей отрезков максимального пути, проходящего через данную
работу, не совпадающих с критическим путём к сумме продолжительностей отрезков
критического пути, не совпадающих с максимальным путём, проходящим через эту
работу.
Расчет
стоимостных параметров СГ
Для ИНЖ коэффициент перерасчёта
=1, для научных сотрудников он будет 1,5, а для лаборантов - 0,5
согласно таблице 10.4.
Таблица 10.4 - Должностные оклады
персонала НИИ и КБ.
|
Категория
персонала
|
Месячный
должностной оклад, руб. /мес.
|
|
Научные
сотрудники
|
15000
|
|
Инженеры
|
10000
|
|
Лаборанты
|
5000
|
Сметную стоимость работы можно упрощённо подсчитать, зная её
приведённую трудоёмкость в ИНЖ-днях и среднюю стоимость одного ИНЖ-дня,
. .
Среднедневная заработная плата одного инженера
рассчитывается, делением среднемесячной заработной платы одного инженера
(основной и дополнительной) на среднее число рабочих дней в месяце,
установленное в законодательном порядке.
Таблица 10.5 - Средне-дневная зарплата инженера
|
Наименование
|
Соотношение
затрат
|
В денежном
эквиватенте, руб
|
|
Основная з/п,
Зосн
|
Прямой расчёт
|
10000
|
|
Дополнительная
з/п, Здоп
|
(0,1…0,12)
Зосн
|
1000
|
|
Единый
социальный налог
|
0,26 (Зосн +
Здоп)
|
2860
|
|
Фонд
травматизма
|
0,002 (Зосн +
Здоп)
|
22
|
|
В год
|
13882
|
|
В месяц
|
631
|
Таблица 10.6 - Средне-дневные прочие затраты
|
Наименование
|
Соотношение
затрат
|
В денежном
эквиватенте, руб
|
|
Стоимость
материалов, покупных изделий и полуфабрикатов, См
|
(0,15…0,75) Зосн=
= 0,45Зосн
|
4500
|
|
Накладные
расходы, Нр
|
(0,45…0,85)
Зосн= = 0,65Зосн
|
6500
|
|
Командировочные
расходы, Кр
|
(0,15…0,2)
Зосн = =0,15Зосн
|
1500
|
|
Контрагентские
услуги сторонних организаций, Ку
|
(0,2…0,5) Зосн
= =0,35Зосн
|
3500
|
|
Стоимость
оборудования и приборов, Со
|
(0,4…0,6) Зосн
= =0,5Зосн
|
5000
|
|
В год
|
24000
|
|
В месяц
|
954,55
|
Таблица 10.7 - Трудоемкость и сметная стоимость работ СГ
|
Код работы
|
Ожидаемая
продолжительность, дн
|
Категория
персонала
|
Приведенная
численность, инж
|
Приведенная
трудоемкость, инж-дн
|
Средне-дневная
з/п инж, руб/дн
|
Средне-дневные
прочие затраты, руб/дн
|
Стоимость
одного инж-дня, руб/дн
|
Сметная
стоимость, руб
|
|
|
НС
|
ИНЖ
|
Лаб
|
|
|
|
|
|
|
|
0,1
|
2
|
1
|
1
|
0
|
2,5
|
5
|
631
|
954,55
|
1585,55
|
7927,75
|
|
1,2
|
5
|
1
|
1
|
2
|
3,5
|
17,5
|
|
|
|
27747,13
|
|
1,3
|
4
|
1
|
0
|
3
|
3
|
12
|
|
|
|
19026,6
|
|
1,4
|
7
|
1
|
0
|
3
|
3
|
21
|
|
|
|
33296,55
|
|
2,4
|
5
|
1
|
1
|
2
|
3,5
|
17,5
|
|
|
|
27747,13
|
|
3,4
|
5
|
1
|
1
|
1
|
3
|
15
|
|
|
|
23783,25
|
|
4,5
|
3
|
1
|
1
|
1
|
3
|
9
|
|
|
|
14269,95
|
|
4,8
|
8
|
1
|
1
|
1
|
3
|
24
|
|
|
|
38053,2
|
|
8,10
|
3
|
1
|
1
|
2
|
3,5
|
10,5
|
|
|
|
16648,28
|
|
4,6
|
4
|
1
|
1
|
1
|
3
|
12
|
|
|
|
19026,6
|
|
6,7
|
3
|
1
|
1
|
2
|
3,5
|
10,5
|
|
|
|
16648,28
|
|
7,9
|
2
|
1
|
1
|
2
|
3,5
|
7
|
|
|
|
11098,85
|
|
9,10
|
3
|
1
|
1
|
1
|
3
|
9
|
|
|
|
14269,95
|
|
10,11
|
7
|
1
|
2
|
1
|
4
|
28
|
|
|
|
44395,4
|
|
11,13
|
4
|
1
|
0
|
3
|
3
|
12
|
|
|
|
19026,6
|
|
10,12
|
7
|
1
|
2
|
1
|
4
|
28
|
|
|
|
44395,4
|
|
12,13
|
3
|
1
|
2
|
1
|
4
|
12
|
|
|
|
19026,6
|
|
13,14
|
5
|
1
|
0
|
2
|
2,5
|
12,5
|
|
|
|
19819,38
|
|
14,15
|
6
|
1
|
1
|
1
|
3
|
18
|
|
|
|
28539,9
|
|
Итого
|
444746,8
|
|
|
|
|
|
|
|
|
|
|
|
|
11. Охрана
труда на подстанции
11.1
Компоновка ОРУ 35 кВ и КРУ 6 кВ
Технико-экономическую эффективность, надежность и удобство
эксплуатации отдельных объектов подстанции определяют их конструктивные и
компоновочные решения. В соответствии с выбранной структурной схемой на
подстанции сооружаются ОРУ 35 кВ и ЗРУ 6 кВ.
Оборудование ОРУ располагается таким образом, чтобы
обеспечивались возможности выполнения монтажа и ремонта оборудования с
применением машин и механизмов, транспортировки трансформаторов, проезда
пожарных машин и передвижных лабораторий. Территория подстанции ограждается
сетчатым забором высотой 1,8 м.
Вспомогательные сооружения (масляное хозяйство, склады,
здания ОПУ и т.п.) расположены на территории ОРУ 35 кВ.
Наименьшее расстояние от токоведущих частей до различных
элементов ОРУ указаны в таблице 11.1 /9/.
Таблица 11.1 - Наименьшие расстояния от токоведущих частей до
различных элементов ОРУ
|
Наименование
расстояния
|
|
35 кВ
|
|
От токоведущих
частей или от элементов оборудования и изоляции, находящихся под напряжением,
до заземленных конструкций или постоянных внутренних ограждений высотой не
менее 2 м.
|
400
|
|
Между проводами разных фаз
|
440
|
|
От токоведущих
частей или от элементов оборудования и изоляции, находящихся под напряжением,
до постоянных внутренних ограждений высотой не менее 1,6 м, до габаритов
транспортируемого оборудования
|
1150
|
|
Между
токоведущими частями разных цепей разных плоскостях при обслуживаемой нижней
цепи и не отключенной верхней
|
1150
|
|
От не огражденных
токоведущих частей до земли или кровли зданий при наибольшем провисании
проводов
|
3100
|
|
Между
токоведущими частями разных цепей в разных плоскостях, а так же между
токоведущими частями разных цепей по горизонтали при обслуживании одной цепи
или не отключенной другой, от токоведущих частей до верхней кромки внешнего
забора, между токоведущими частями и зданиями или сооружениями
|
2400
|
|
От контакта и
ножа разъединителя в отключенном положении до ошиновки, присоединенной ко
второму контакту
|
485
|
Для обеспечения безопасности работ на ОРУ-35 кВ
устанавливаются разъединители РВЗ-1-35/630. От неверных операций с
разъединителями предусмотрена оперативная блокировка. Данная блокировка
исключает возможное включение выключателя на заземленный участок цепи. Это обеспечивается
электромагнитной блокировкой разъединителей с использованием электромагнитных
замков. Так же предусматривается механическая блокировка между основными и
заземляющими ножами разъединителя, которая не позволяет включать заземляющие
ножи при включенных главных ножах. Наличие заземляющих ножей исключает
применение переносных заземлений, что повышает безопасность работ и снижает
аварийность.
ЗРУ-6 кВ выполняется с двусторонним расположением ячеек КРУ.
Все ячейки КРУ имеют механическую блокировку, которая исключает выкат тележки
при включенном выключателе. ЗРУ располагается в отдельном здании, имеет два
выхода, расположенные с противоположных торцов здания. Двери ЗРУ имеют
самозакрывающиеся замки, открываемые без ключа со стороны РУ.
Арматура изоляторов ОРУ и шины подстанции окрашиваются в
желтый, зеленый и красный цвета (соответственно фазам А, В, и С). Все кабели
подстанции в местах присоединения имеют таблички с адресом, маркой и сечением.
Для обеспечения сохранности оборудования при авариях и пожарах,
под силовыми трансформаторами выполняются маслоприемники с бортовым
ограждением, заполненные гравием. Маслоприемники соединяются с маслосборником,
выполненным в виде подземного резервуара при помощи трубопровода. Для осмотра
высоко расположенных частей трансформаторов устанавливаются стационарные
лестницы.
11.2
Электробезопасность на ОРУ и ЗРУ
Электробезопасность - система организованных и технических
мероприятий, способов и средств, обеспечивающих защиту людей от вредного и
опасного воздействия электрического тока, электрической дуги, электромагнитного
поля, электромагнитного излучения, статического и атмосферного электричества.
11.2.1 Защита
от однофазных замыканий на землю в сети 6 кВ
На всех отходящих от шин линиях 6 кВ установлена селективная
сигнализация от замыканий на землю с действием на сигнал согласно пункту 7.3
дипломного проекта.
11.2.2
Рабочая изоляция
В качестве рабочей изоляции в трансформаторах применяют
трансформаторное масло, сборные шины 6 кВ из проводников прямоугольного профиля
крепятся на опорных фарфоровых изоляторах, кабели 6 кВ имеют бумажную
пропитанную изоляцию. На металлические опоры 35 кВ подвешены стеклянные
изоляторы, к которым прикреплены провода.
11.2.3
Контроль изоляции в сети 6 кВ
Для защиты человека от поражения электрическим током и
обеспечения нормальной работы электроустановок состояние изоляции было
проверено после монтажа, ремонта и пребывания в нерабочем состоянии, а также в
рабочем состоянии, под напряжением. В соответствии с ПУЭ в сетях 6-35 кВ
предусмотрен автоматический контроль изоляции, действующий на сигнал при
снижении сопротивления изоляции одной из фаз ниже заданного значения (рисунок
11.1), с последующим контролем асимметрии напряжения при помощи показывающего
прибора (с переключением).
Рисунок 11.1 - Контроль изоляции в сети 6 кВ
Принцип действия контроля изоляции кабельных линий, сети
переменного тока, основан на измерении напряжения нулевой последовательности,
возникающего при коротком замыкании одной из фаз на землю.
Постоянный контроль изоляции производится по показаниям
приборов, присоединенных к трансформатору напряжения ЗНОЛ. Для контроля
изоляции также служат трансформаторы тока нулевой последовательности типа ТЗЛ,
установленные в ячейках КРУ. В электрических сетях напряжением 6 кВ
используется сигнализация ОЗЗ. Простейшей является общая неселективная
сигнализация ОЗЗ, которая состоит из реле максимального напряжения KV, подключенного ко
вторичной обмотке трехфазного трансформатора напряжения, соединенной по схеме
"разомкнутого треугольника".
Нормально на зажимах обмотки II напряжение равно 0,
поскольку равна 0 геометрическая сумма фазных напряжений всех трех фаз в сети с
незаземленной нейтралью. При металлическом замыкании одной фазы в сети
первичного напряжения на землю на зажимах обмотки II появляется напряжение,
равное геометрической сумме напряжений двух неповрежденных фаз. Число витков
обмотки II подбирается так, чтобы напряжение на ее выводах при металлическом
замыкании фазы первичной сети на землю равнялось 100 В. При замыкании на землю
через переходное сопротивление напряжение на обмотке II в зависимости от
сопротивления в месте замыкания будет 0-100 В.
Реле напряжения, подключаемое к обмотке II, будет при
соответствующей настройке реагировать на повреждение изоляции первичной сети и
приводить в действие сигнальные устройства (звонок, табло).
Персонал электроустановки может проконтролировать напряжение
небаланса (вольтметром V2) и установить поврежденную фазу (вольтметром V1 и переключателем SN). Напряжение в
поврежденной фазе будет наименьшим.
11.2.4
Защитное зануление
Зануление на подстанции применяется в электроустановках 220 и
380 В, работающих с глухозаземленной нейтралью. При коротком замыкании
происходит отключение поврежденного оборудования автоматами и предохранителями.
Схема зануления приведена на рисунке 11.2.
Рисунок 11.2 - Схема зануления
Сопротивление заземляющего устройства, к которому присоединены
нейтрали трансформаторов, с учетом естественных и повторных заземлителей
нулевого провода принимаем 4 Ом соответственно при междуфазных напряжениях 380
В.
Ток плавкой вставки предохранителя определяется из условия:
(11.1)
где Iкз - ток однофазного КЗ посчитанный в пункте 5, дипломного
проекта.
Выбираем предохранитель ПКТ 101-6-2-20
11.2.5
Средства индивидуальной защиты
Согласно /9/ средство защиты - средство, применение которого предотвращает
или уменьшает воздействие на одного или более работающих опасных и (или)
вредных производственных факторов.
Электрозащитные средства - средства, служащие для защиты
людей, работающих с электроустановками, от поражения электрическим током, от воздействия
электрической дуги и электрического поля.
Основные электрозащитные средства - средства защиты, изоляция
которых длительно выдерживает рабочее напряжение электроустановок и которые
позволяют касаться токоведущих частей, находящихся под напряжением.
Дополнительные электрозащитные средства - средства защиты,
которые сами по себе не могут при данном напряжении обеспечить защиту от
поражения электрическим током, а применяются совместно с основными
электрозащитными средствами.
К основным электрозащитным средствам для работы в
электроустановках напряжением выше 1 кВ относятся:
·
изолирующие
штанги, изолирующие и электроизмерительные клещи, указатели напряжения для
фазировки;
·
изолирующие
устройства и приспособления для работы на ВЛ с непосредственным прикосновением
электромонтёра к токоведущим частям (изолирующие лестницы, площадки,
изолирующие тяги, канаты и др.).
К дополнительным электрозащитным средствам, применяемым в
электроустановках напряжением выше 1 кВ, относятся:
·
диэлектрические
перчатки;
·
диэлектрические
боты;
·
диэлектрические
ковры;
·
индивидуальные
экранирующие комплекты;
·
изолирующие
подставки и накладки;
·
диэлектрические
колпаки;
·
переносные
заземления;
·
оградительные
устройства;
·
плакаты
и знаки безопасности;
Распределительные устройства напряжением 35 и 6 кВ подстанции
комплектуются следующими средствами защиты согласно инструкции:
·
изолирующая
штанга (оперативная или универсальная) - 2 шт. на каждое напряжение;
·
указатель
напряжения - 2 шт. на каждое напряжение;
·
диэлектрические
перчатки - не менее 2 пар;
·
диэлектрические
боты (для ОРУ) - 1 пара;
·
переносные
заземления - не менее 2 на каждое напряжение;
·
временные
ограждения (щиты) - не менее 2 шт.;
·
переносные
плакаты и знаки безопасности - по местным условиям;
·
шланговый
противогаз - 2 шт.;
·
каски
- 2 шт;
·
защитные
очки - 2 пары.
Все защитные средства необходимо испытывать согласно
необходимым правилам.
11.3
Противопожарные мероприятия
Электрическая подстанция относится по пожарной опасности к
категории В, а помещение аккумуляторной батареи к категории Б взрывопожарной
опасности.
Пожары, связанные с эксплуатацией электроустановок,
происходят, главным образом, от коротких замыканий, из-за нарушения правил
эксплуатации нагревательных приборов; от перегрузки оборудования; от
образования больших местных переходных сопротивлений; от электрических искр и
дуг.
11.3.1
Трансформаторы
Источником возгорания в масляных трансформаторах может стать
короткое замыкание при перенапряжении или по причине износа изоляции, либо
пробой воздушного промежутка между вводами. Возникающая дуга, имеющая
температуру 3000-4000 С0, вызывает пиролиз трансформаторного масла.
При достаточной длительности этого процесса, давление газов от выделяющихся
продуктов разложения масла может вызвать частичную или полную разгерметизацию
бака. Масло при соприкосновении с кислородом, при высокой температуре легко
воспламеняется, благодаря продуктам пиролиза, от открытого пламени. Если не
принять меры к тушению возгорания, то расширяющееся от нагрева масло будет
активно вытекать из бака и распространится по территории.
Поэтому трансформаторы должны оборудоваться выхлопной
системой для своевременного снижения давления внутри бака, а также устройствами
газовой защиты. Под каждым трансформатором необходимо организовать бетонный
резервуар - маслоприемник, для приема вытекающего масла в маслоотвод.
Поступающая дождевая вода должна своевременно откачиваться. При этом необходимо
ограничивать доступ воздуха к маслу в яме под трансформатором, засыпав крупным
щебнем покрывающую ее сетку. Таким образом, можно отделить горючее вещество от
окислительной среды. Расстояние между трансформаторами должно соответствовать
допустимому противопожарному разрыву в 15 метров, в противном случае необходимо
сооружение огнеупорной перегородки. На рисунке 11.3 показано:
- трансформатор: ТДНС - 10000/35/6; 2 - маслоприемник; 3 -
дренажно-гравийная засыпка; 4 - маслоотвод; 5 - маслосборник; 6 - насос; 7 -
трубопровод; 8 - колодец; 9 - фильтр; 10 - ливневая канализация.
Рисунок 11.3 - Технологическая схема отвода и очистки
замасленных стоков трансформатора
11.3.2
Помещение ОПУ
ОПУ относится к категории Д по пожарной опасности. Для
помещений ОПУ предусмотрены следующие средства пожаротушения (ГОСТ -
12.4.009-91):
- 2 углекислотных огнетушителя ОУ - 8;
- 1 пенный огнетушитель ОХП - 10;
- ящик с песком объемом 1м3 и лопата;
войлок 2 метра.
В обязательном порядке все комнаты в ОПУ оборудуются системой
пожарной сигнализации.
Отопления здания ОПУ осуществляется электрическими печами.
Телемеханика и сигнализация отапливаются электрическими печами ~220В, 1кВ типа
ПЭТ-4.
11.3.3 Кабели
По территории кабели проложены в бетонных кабельных лотках,
но это не исключает проникновения в них внешнего источника замыкания. Изоляция
кабелей состоит из горючих материалов, способных самостоятельно гореть и после
исчезновения внешнего источника. Одной из возможных причин возгорания кабелей
могут стать токи утечки, появляющиеся при локальных повреждениях изоляции,
поэтому их необходимо своевременно определять. В условиях данного объекта для
локализации возгораний возможна облицовка кабелей специальными огнеупорными
составами из эластичных материалов, которые не ухудшают охлаждение кабеля. При
нагревании они вспучиваются и выдерживают от 30 до 60 минут открытого пламени.
Для заделки проходов кабелей через перегородки необходимо использовать
огнестойкую штукатурку.
11.3.4
Пожарная безопасность ЛЭП
Противопожарные мероприятия на линиях электропередач сводятся
к предотвращению недопустимого провисания проводов, защите их от разрядов
атмосферного электричества. Для этого подвеску проводов осуществляют в
соответствии с ПУЭ, на опоры линий электропередач установлены молниеотводы.
Применяют железобетонные опоры.
11.3.5 Расчет
заземляющего устройства
Заземляющее устройство является составной частью
электроустановки и предназначено для необходимого уровня электробезопасности в
зоне обслуживания электроустановки и за ее пределами, для отвода в землю
импульсов токов с молниеотводов, для создания цепи при работе защиты от
замыканий на землю и для стабилизации напряжения фаз электрической сети
относительно земли.
Все металлические части электроустановок, нормально не
находящиеся под напряжением, но могущие оказаться под напряжением из-за повреждения
изоляции, должны надежно соединятся с землей. Такое заземление называется
защитным, так как его целью является защита обслуживающего персонала от опасных
напряжений прикосновения и шага.
Заземление, предназначенное для создания нормальных условий
работы аппарата или электроустановки, называется рабочим заземлением. Без
рабочего заземления аппарат не может выполнять своих функций или нарушается
режим работы электроустановки.
Для защиты оборудования от повреждения ударом молнии
применена грозозащита с помощью нелинейных ограничителей перенапряжения,
искровых промежутков, стержневых молниеотводов, которые присоединяются к
заземлителям. Такое заземление называется грозозащитным.
На подстанции для выполнения всех трех типов заземления
используется одно заземляющее устройство.
Заземляющее устройство, которое выполняется с соблюдением
требований, предъявляемых к напряжению прикосновения, должно обеспечивать в
любое время года при отекании с него тока замыкания на землю значения
напряжений прикосновения, не превышающие нормированных. Сопротивление
заземляющего устройства при этом определяется по допустимому напряжению на
заземляющем устройстве и току замыкания на землю.
При определении значения допустимого напряжения прикосновения
в качестве расчетного времени воздействия принимается сумма времени действия
защиты и полного времени отключения выключателя. При этом определения
допустимых значений напряжений прикосновения у рабочих мест, где при
производстве оперативных переключений могут возникнуть КЗ на конструкции,
доступные для прикосновения производящему переключения персоналу, принимается
время действия резервной защиты, а для остальной территории - основной защиты.
Расчёт и выполнение контура заземления.
В целях выравнивания потенциала и обеспечения присоединения
электрооборудования к заземлителю на территории, занятой оборудованием,
осуществлена прокладка продольных и поперечных горизонтальных заземлителей
соединенных между собой в заземляющую сетку. Расстояние между продольными и
поперечными заземлителями не превышает 30м /9/.
Напряжение на заземляющем устройстве при стекании с него тока
замыкания на землю не превышает 6 кВ /9/. Для вертикальных электродов
применяется прутковая сталь круглого сечения 10…12мм и длиной до 10м. Для
горизонтальных электродов используется сталь круглого сечения диаметром не
менее 6мм.