Защита трансформаторов. Токовые защиты трансформаторов. Газовая защита трансформаторов
Лекция № 9
Защита
трансформаторов. Токовые защиты трансформаторов. Газовая защита трансформаторов
9.1 Виды повреждений и ненормальных режимов
работы трансформаторов, виды защит от них
Силовые трансформаторы являются основным видом
оборудования подстанций, от исправности которых зависит надёжность
электроснабжения потребителей и поэтому должны иметь набор защит, исключающих
(уменьшающих) развитие аварий при возникновении аварийных ситуаций.
Основными видами повреждений в трансформаторах и
автотрансформаторах являются:
короткие замыкания (КЗ) между фазами,
замыкания одной или двух фаз на землю,
витковые замыкания и замыкания между обмотками
разных напряжений,
повреждение магнитопровода, приводящие к
нагреву.
На вводах трансформаторов, ошиновке и в кабелях
также могут возникать КЗ между фазами и на землю.
К нарушениям нормальных режимов работы
трансформаторов относятся:
прохождения через трансформатор сверхтоков при
повреждении других связанных с ними элементов,
перегрузка,
выделение газов из масла,
понижение уровня масла и повышение его
температуры.
В соответствии с этим и в зависимости от
мощности трансформатора, условий их работы, категории потребителя и т.д.
применяются следующие типы защиты:
дифференциальная - для защиты при повреждениях
обмоток, вводов и ошиновки трансформаторов (будут рассмотрены в следующей
лекции);
токовая отсечка мгновенного действия или плавкий
предохранитель - для защиты трансформатора при повреждениях ошиновки, вводов и
части обмоток со стороны источника питания;
газовая - для защиты при повреждениях внутри
бака маслонаполненного трансформатора, сопровождающихся выделением газа, а
также при понижении уровня масла от сверхтоков, проходящих через трансформатор
при повреждении как самого трансформатора, так и других связанных с ним
элементов максимальная токовая или максимальная токовая направленная защита,
реагирующая на фазные токи, а также на токи нулевой и обратной
последовательностей;
максимальная токовая защита с пуском
минимального напряжения, дистанционная защита;
защита от перегрузок и др.
Согласно «Правилам устройства системы
электроснабжения железных дорог Российской Федерации (п.7.11,7.12.)» для
силового понижающего трансформатора тяговой подстанции предусматриваются
следующие виды защит:
газовая;
дифференциальная токовая;
максимальная токовая защита (МТЗ) со стороны
питающего напряжения;
от перегрузки;
от перегрева масла.
Защита трансформаторов плавкими предохранителями
В сетях напряжением 6-10кВ и даже 35кВ в
качестве основной защиты трансформаторов мощностью до 1000кВА широко
используется плавкие предохранители. Обычно они устанавливаются вместе с
выключателем нагрузки. Резервирует действия плавкого предохранителя газовая
защита.
Для предотвращения срабатывания предохранителя в
нормальном режиме и при бросках тока намагничивания трансформатора плавкую
вставку предохранителя выбирают с номинальным током
IВС.НОМ≈(1,5…2)IТР.НОМ
где IТР.НОМ - номинальный ток трансформатора.
Токовая отсечка
Если плавкий предохранитель по своей отключающей
способности и другим причинам не проходит в качестве защиты от КЗ и больших
перегрузок, то на одиночно работающих трансформаторах мощностью до 6300 кВА и
параллельно работающих трансформаторах мощностью менее 4000 кВА для этих целей
используется токовая отсечка. Однако она не является полноценной, так как,
реагируя только на большие токи повреждения, охватывает своей зоной действия
лишь часть трансформатора. Резервирует отсечку максимальная токовая и газовая
защиты. Отсечка устанавливается с питающей стороны трансформатора и выполняется
с использованием реле прямого действия РТМ, реле РТ-40 или электромагнитного
элемента реле РТ-80.
Уставка отсечки
СЗ =КОТС*IК.МАКС(3)
где КОТС - коэффициент отстройки,
КОТС=1,3…1,4 (РТ-40); КОТС=1,5…1,6 (РТ-80);
КОТС=1,8…2 (РТМ);К.МАКС(3) - максимальный ток КЗ
при повреждении на выводах трансформатора со стороны нагрузки. Кроме того,
отсечка отстраивается от броска тока намагничивания IНАМ при включении
трансформатора:СЗ>IНАМ; согласно опыту эксплуатации принимается
СЗ =(3…5)ÌIТР.НОМ
Чувствительность отсечки оценивается отношением:
, (9.1)
где IК.МИН(2) - ток двухфазного КЗ у
места установки защиты в режиме минимального питания. Отсечка в сочетании с
максимальной токовой и газовой защитами обеспечивает хорошую защиту
трансформаторов указанных выше мощностей.
Защита трансформаторов от сверхтоков
является резервной, предназначенной для отключения их от источников питания как
при повреждениях трансформаторов и отказе основных защит, так и при
повреждениях смежного оборудования и отказе его защиты или выключателей. При
отсутствии специальной защиты шин защита трансформаторов от сверхтоков
осуществляет также защиту этих шин.
Резервные защиты от междуфазных
повреждений имеют несколько вариантов исполнения:
) МТЗ без пуска по напряжению;
) МТЗ с комбинированным пуском по
напряжению;
) МТЗ обратной последовательности с
приставкой для действия при симметричных КЗ.
Резервные защиты от замыкания на
землю выполняются в виде токовой защиты нулевой последовательности.
В данной лекции рассмотрим все виды защит, кроме
дифференциальной.
К выполнению перечисленных видов защит
предъявляются следующие требования:
газовая: двухступенчатая (первая действует на
сигнал, а вторая на отключение);
МТЗ на стороне ВН: должна отключать силовой
трансформатор со стороны ВН. СН, НН с необходимой чувствительностью;
защита от перегрузки: должна отстраиваться от
номинального тока нагрузки (с учётом коэффициента надёжности, коэффициента
возврата реле) с выдержкой времени 9с.;
защита от перегрева масла: должна работать на
включение обдува вентилятора при превышении 70% номинального тока нагрузки (с
учётом коэффициента надёжности и коэффициента возврата реле) с выдержкой
времени 9с.
С учётом этих требований строятся различные виды
защит:
защита от повреждений: осуществляется такими
видами защит, как токовая отсечка, дифференциальная и газовая защита;
защита от внешних КЗ осуществляется при помощи
МТЗ (в т.ч. с блокировкой по минимальному напряжению), ДЗ, токовых защит
нулевой и обратной последовательностей;
защита от перегрузок, не являющихся такими
опасными, как, например, токи КЗ, действует или сигнал (при наличии дежурного
персонала) или (при отсутствии дежурного персонала) защита должна действовать
на включение вентилятора обдува, разгрузку или отключение при помощи релейной
защиты.
.2 Примеры токовых защит трансформаторов
.2.1Токовая отсечка (ТО)
Принцип действия ТО был рассмотрен выше.
Здесь рассматривается ТО в токовых защитах
трансформаторов.
Напомним, что токовая отсечка - это максимальная
токовая защита (МТЗ) с ограниченной зоной действия (как правило, без выдержки
времени), но может иметь в некоторых случаях выдержку времени.
В отличие от МТЗ, селективность ТО
обеспечивается не выдержкой времени, а выбором зоны её действия величиной тока
срабатывания и основан на том, что величина тока КЗ убывает при удалении места
КЗ от источника питания.
Токовая отсечка наиболее простая и
быстродействующая защита от повреждений в трансформаторе. Принцип действия ТО
основан на большом различии в токах КЗ на первичной и вторичной сторонах
трансформатора. Реагируя только на большие токи КЗ, ТО имеет ограниченную зону
действия (ошиновка, вводы, первичная обмотка трансформатора). ТО
устанавливается со стороны питания, но при КЗ воздействует на выключатели со
стороны высшего и низшего напряжения. ТО применяют для двухобмоточных
трансформаторов, не оборудованных дифференциальной защитой. Как правило, ТО
применяется совместно с МТЗ. В таких схемах ТО срабатывает без выдержки времени
(собственное время срабатывания) при больших токах КЗ , а МТЗ - при меньшем
токе . Поэтому ТО защищает от повреждений внутри трансформатора (витковые
замыкания, на землю), а МТЗ - от повреждений во вторичной обмотке или на шинах
низкого напряжения.
Достоинством отсечки является её простота и быстродействие
и в сочетании с МТЗ и газовой защитой.
.2.2 Максимальная токовая защита (МТЗ)
МТЗ применяется для защиты силовых
трансформаторов от внешних и внутренних КЗ и защищает первичную и вторичную
обмотки. Она является относительно медленнодействующей, так как имеет всегда
выдержку времени. Применяется в качестве основной для маломощных
трансформаторов. Если трансформатор снабжён отдельной быстродействующей защитой
от внутренних повреждений, то МТЗ используется для защиты от внешних КЗ и в
качестве резервной на случай выхода из строя основных защит.
а) МТЗ двухобмоточного понижающего
трансформатора с соединением ТТ в «треугольник» с двумя реле (Ксх.=√3).
Эта защита может использоваться и для защиты от
повреждений в маломощных трансформаторах. Для мощных трансформаторов при
наличии специальной защиты от внутренних поврежднений, защита от внешних КЗ
служит резервом к этой защите.
Наиболее простой защитой от внешних КЗ является
МТЗ или более чувствительные, например, МТЗ с блокировкой по напряжению (пуском
по напряжению), МТЗ направленные, ДЗ и др.
На рис.9.1. представлена схема МТЗ
двухобмоточного понижающего трансформатора с соединением ТТ в «треугольник» с
двумя реле. Данная схема МТЗ является наиболее простой защитой от внешних КЗ.
Чтобы включить в зону действия защиты сам трансформатор, МТЗ устанавливается со
стороны источника питания и должна действовать на отключение выключателя, а
сами реле защиты включаются на трансформаторы тока, установленные на
выключателе Q2. При
возникновении КЗ реле КА1, КА2 сработав, (с выдержкой времени при помощи реле
КТ1, КТ2) одновременно действуют на отключение выключателей Q1и
Q2. При этом
действие выключателя Q2
резервирует действие Q1
(рис.9.1а).
Иногда МТЗ выполняются с двумя выдержками
времени: первая (t1) на
отключение Q1, а вторая (t2=t1+∆t)
на отключение Q2 (рис.9.1,в).
Отключение Q2 в этом случае
произойдёт при повреждениях в самом трансформаторе.
В данной схеме трансформаторы тока (ТТ)
соединены в треугольник с двумя реле. Могут применятся и другие схемы
соединений:
в полную звезду с тремя реле;
неполную звезду с тремя или двумя реле;
треугольник с тремя реле.
Выбор схемы соединений ТТ зависит от вида КЗ и
схем соединений обмоток трансформаторов.
В таблице 9.1. приведены различные варианты схем
МТЗ и формулы для определения наибольшего из вторичных токов Iр.min.(2)
при двухфазном КЗ за силовым трансформатором в минимальном режиме работы
системы через ток трёхфазного КЗ Iк.min.,
приведённый к той стороне трансформатора, где установлена защита.
Рис. 9.1 Схема МТЗ двухобмоточного
понижающего трансформатора: а) схема токовых сетей; б) схема оперативных цепей;
в) структурная схема
Здесь:
КА1, КА2- токовые реле; Q1, Q2-
выключатели; КТ1, КТ2-реле времени; КL1, KL2-выходные
промежуточные реле; КН1,КН2- указательные реле.
б) МТЗ двух обмоточного понижающего
трансформатора с комбинированным пуском (блокировкой) по напряжению и фильтром
напряжений обратной последовательности с соединением ТТ в неполную звезду с
двумя реле(Ксх.=1) .
МТЗ (рис. 9.1) не всегда удовлетворяет условиям
чувствительности, поэтому данную защиту применяют для повышения
чувствительности к токам КЗ. В этом виде защит применяют т.н. пусковые органы
по напряжению на сторонах низшего напряжения (реле КV1,
KV, ZV2
на рис.9.2.). Необходимым условием срабатывания МТЗ является одновременное
замыкание контактов токового реле и пускового органа по напряжению.
Таблица 9.1
|
Схема
МТЗ
|
Ксх.
|
Ток
в реле при в месте установки МТЗ или за трансформатором Y∕ Y-12,а.
|
Ток
в реле за трансформатором Y ∕ ∆-11,а.
|
|
Полная
звезда с тремя реле
|
1
|

|
|
|
Неполная
звезда с двумя реле
|
1
|
 
|
|
|
Неполная
звезда с тремя реле
|
1
|

|
|
|
Треугольник
с тремя реле
|
√3
|

|
|
|
Треугольник
с двумя реле
|
√3
|

|
|
Рис.9.2 Схема МТЗ двухобмоточного понижающего
трансформатора с комбинированным пуском по напряжению и фильтром напряжений
обратной последовательности: а)- схема токовых цепей; б)- схема оперативных
цепей
трансформатор предохранитель отсечка токовый
Здесь:
КА1, КА2- токовые реле; KV1KV2-
реле напряжения;
ZV2- фильтр
напряжений обратной последовательности;
В данной схеме используется фильтр напряжений
обратной последовательности ZV2.
В случае двухфазного КЗ схема работает следующим
образом. При аварийном режиме на выходе ZV2
появляется напряжение обратной последовательности, реле KV2 срабатывает,
размыкая свой контакт. Это приводит к обесточиванию реле KV1
и его контакт KV1 в цепи
реле KL замыкается
и оно срабатывает (замыкается контакт KL1 в цепи реле времени КТ). Если при
этом сработали и реле тока КА1 или КА2, то реле КТ сработает и подаст сигнал на
отключение выключателей Q1 и Q2.
В случае трёхфазного КЗ напряжение обратной
последовательности отсутствует и реле KV2 не срабатывает. Но при таком виде КЗ
снижается напряжение на шинах и срабатывает реле минимального напряжения
KV1(замыкается его контакт KV1) и (если замкнулись контакты КА1.1 и КА2.2 реле
КА1и реле КА2) сработают реле KL и КТ, подавая сигнал на отключение
выключателей Q1 и Q2.
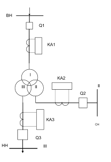
в) МТЗ трёхобмоточного понижающего
трансформатора.
При внешних КЗ МТЗ трёхобмоточных
трансформаторов должна обеспечивать селективное отключение той обмотки, которая
непосредственно питает место повреждения. На трёхобмоточных трансформаторах с
односторонним питанием устанавливаются три комплекта МТЗ, действующие на соответствующие
выключатели (рис.9.3)
Рис. 9.3 Упрощенная схема МТЗ понижающего
трёхобмоточного трансформатора
Комплект МТЗ 1(КА1) на обмотке I
предназначен для отключения трансформатора при КЗ в нём и резервирования МТЗ 2
(КА2) и МТЗ 3 (КА3) для этого выдержка времени t1
должна быть больше t2 (t1>
t2).
На трёхобмоточных трансформаторах, имеющих
многостороннее питание, и для особо ответственных трансформаторов может
применяться направленная МТЗ с реле направления мощности.
.2.3 Газовая защита трансформаторов
Газовая защита (ГЗ) реагирует на выделение из
трансформаторного масла газа в результате разложения масла и изолирующих
материалов при возникновении в трансформаторе электрической дуги. Будучи легче
масла, газы поднимаются и создают сильное давление благодаря которому масло в
кожухе трансформатора перемещается и через поплавок и систему контактов подаёт
сигнал на отключение. Газовая защита реагирует также и на понижение уровня
масла в трансформаторе.
Газовая защита получила широкое распространение
в качестве чувствительной защиты от внутренних повреждений трансформаторов.
ГЗ осуществляется с помощью специальных газовых
реле. Газовое реле представляет собой металлический кожух, врезанный в
маслопровод между баком трансформатора и расширителем. Реле заполнено маслом.
Кожух имеет смотровое стекло со шкалой, с помощью которой определяется объем
скопившегося в реле газа. На крышке газового реле имеется краник для выпуска
воздуха и взятия пробы газа для его анализа, а также расположены контакты для
подключения кабеля.
Конструкции газовых реле различаются принципом
исполнения реагирующих элементов в виде:
- поплавка;
- лопасти;
чашки.
а) Поплавковые реле.
У поплавковых реле внутри кожуха укреплены на
шарнирах два поплавка, представляющие собой полые металлические цилиндры. На
поплавках укреплены ртутные контакты, соединенные гибкими проводами с выводными
зажимами на крышке реле. Ртутный контакт представляет собой стеклянную колбочку
с впаянными в ее вертикальную часть двумя контактами. Колбочки содержат
небольшое количество ртути, которая в определенном положении колбочки замыкает
между собой контакты, чем создается цепь через реле. При скорости движении
потоков газа и масла порядка 0,5м/с нижний поплавок, находящийся на пути потока
опрокидывается и происходит замыкание его ртутных контактов в цепи отключения.
Благодаря тому, что при КЗ в трансформаторе сразу возникает бурное
газообразование, ГЗ производит отключение с небольшим временем 0,1-0,3сек.
Отключающий элемент работает также при большом понижении уровня масла в корпусе
реле.
Рис. 9.4 Поплавковое газовое реле
б) Лопастное реле.
У лопастных реле сигнальный элемент
выполнен также, как у поплавковых, а отключающий состоит из поплавка и поворотной
лопасти, механически связанных с общим ртутным контактом, действующим на
отключение.
Рис. 9.5 Лопастное газовое реле
в) Чашечные реле
У чашечных реле вместо поплавков
используется открытые металлические чашки и вместо ртутных контактов обычно
открытые контакты, работающие непосредственно в масле. Нормально, когда корпус
реле полностью заполнен маслом, при этом верхняя и нижняя чашки тоже заполнены
маслом и удерживаются в исходном состоянии пружинами.

Рис. 9.11 Чашечное газовое реле
Наиболее известно и широко распространено
газового реле типа РГЧЗ-66, выпускавшегося Запорожским трансформаторным
заводом.
В настоящее время выпускаются газовые и струйные
реле защиты трансформаторов типа РГТ50, РГТ80, РСТ25, разработанные ОРГРЭС и
ВНИИР. Данные реле имеют преимущества перед старыми конструкциями.
9.3 Методы выбора уставок токовых защит
.3.1 Выбор уставок МТЗ двухобмоточного
трансформатора
Ток срабатывания МТЗ двухобмоточного
трансформатора выбирают из условия возврата реле и отстройки от самозапуска
затормозившихся электродвигателей (на неповрежденных линиях) вследствие
снижения напряжения при КЗ
, (9.1)
где Iр.max.-
наибольший ток (Iн.тр.), Кн.- коэффициент надёжности
(1,1÷1,2),
Кс.з.-
коэффициент самозапуска (2÷3), Кв.- коэффициент возврата (0,8÷0,85).
Более упрощено можно определить:
с.з.≥ 4Iн.тр., где (9.2)
н.тр.- номинальный ток трансформатора.
Уставка срабатывания реле
определяется по выражению:
, (9.3)
где Ксх.- коэффициет схемы, Кtt-
коэффициент трансформации трансформатора тока.
Коэффициент чувствительности МТЗ:
(9.4)
Где Iк.min. -
наименьший ток двухфазного КЗ за трансформатором, приведённый к напряжению
стороны, где установлена защита.
Целесообразнее определять ток по
выражению:
, (9.5)
где Iр.min.-
наибольший из вторичных токов при двухфазном КЗ за трансформатором в
минимальном режиме системы.
Формулы для определения Iр.min. через Iк.min. даны в
таблице 9.1.