Генератор линейно возрастающего напряжения
Министерство
образования и науки Российской Федерации
Бийский
технологический институт (филиал) ФГБОУ ВПО
«Алтайский
государственный технический университет
им.
И.И. Ползунова» (БТИ АлтГТУ)
Факультет
Информационных технологий, автоматизации и управления
ПОЯСНИТЕЛЬНАЯ
ЗАПИСКА
К КУРСОВОМУ
ПРОЕКТУ (РАБОТЕ)
по
дисциплине Электроника и микропроцессорная техника
Генератор
линейно возрастающего напряжения
Проект выполнил
студент гр.ПС-11
Леонтьева А.В.
Проверил
профессор кафедры МСИА
Хмелев В.Н.
БИЙСК
2012г.
ВВЕДЕНИЕ
Электроника является универсальным и
исключительно эффективным средством при решении самых различных проблем в
области сбора и преобразования информации, автоматического и
автоматизированного управления, выработки и преобразования энергии. Знания в
области электроники становятся необходимыми все более широкому кругу
специалистов.
Электроника имеет короткую, но богатую событиями
историю, которая составляет чуть более 100 лет. За этот промежуток времени были
достигнуты колоссальные успехи. Оценивая электронные устройства в плане
быстродействия и плотности упаковки можно сделать вывод, что эти параметры
возросли во много раз . Если до появления полупроводниковых элементов
использовались лампы, размеры которых были велики, то сейчас в таком же объеме
как у лампы располагают миллионы транзисторов и других полупроводниковых
элементов.
Роль электроники в настоящее время существенно
возрастает в связи с применением микропроцессорной техники для обработки
информационных сигналов и силовых полупроводниковых приборов для преобразования
электрической энергии. Многие сферы нашей жизнедеятельности уже невозможно
представить себе без электронных приборов.
1 Общие сведения
об импульсах
.1 Виды импульсов
Электрическим импульсом
называют напряжение или ток, отличающийся от нуля или имеющий постоянное
значение лишь в течение короткого промежутка времени, меньшего или сравнимого с
длительностью установления процессов в электрической системе, в которой
действует этот ток или напряжение. В случае следующих друг за другом импульсов
обычно предполагается, что интервал между ними существенно превышает
длительность процессов установления.
В противном случае этот сигнал
называют переменным напряжением или током сложной формы.
Электрические импульсы могут
быть самой различной формы. Все импульсы принято подразделять на видеоимпульсы
- импульсы без высокочастотного заполнения (рисунок 1, а) и радиоимпульсы
(рисунок 1, б). Связь между этими двумя типами импульсов состоит в том, что
огибающая радиоимпульса представляют собой видеоимпульс. Частота синусоиды,
которой заполнен видеоимпульс, называется частотой заполнения.
Рисунок 1 - Видеоимпульс и радиоимпульс
Традиционно во всех курсах по
импульсным устройствам рассматривают только видеоимпульсы и их преобразования,
так как радиоимпульсы, с помощью которых ведут передачу информации в
радиотехнических трактах, после детектирования становятся видеоимпульсами.
Формы импульсов, используемых в импульсных
устройствах различного назначения, весьма разнообразны. Наиболее
распространенные из них приведены на рисунок 2.
Принято различать следующие
участки импульса:
- фронт (АВ);
- вершина (ВС);
- срез (CD);
- основание (AD).
а - прямоугольный; б - трапецеидальный;
в - треугольный; г - экспоненциальный;
д - колоколообразный; е - с экспоненциальный
фронтом и срезом;
Рисунок 2 - Наиболее распространенные
идеализированные импульсы
Фронт соответствует быстрому
возрастанию сигнала; вершина - медленному его изменению; срез - быстрому
убыванию сигнала. Иногда срез называют задним фронтом.
В большинстве случаев фронт,
вершина и срез выражены нечетко. Поэтому приходится вводить условные понятия
(параметры), позволяющие получить однозначную характеристику импульса
1.2 Основные
характеристики импульса
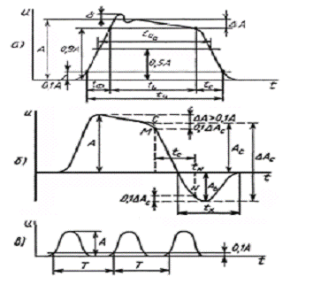
Основными параметрами импульса
являются (рисунок 3):
- высота импульса -
А;
- спад вершины
импульса ∆А - находится как разность высоты импульса в момент окончания
переходного процесса и в момент окончания вершины импульса;
- длительность импульса tи
- определяют на уровне 0,1А;
- время установления или нарастания
фронта импульса (длительность фронта импульса) tф
- интервал времени, в течение которого напряжение изменяется от уровня 0,1 до
уровня 0,9 его амплитудного значения;
- длительность среза импульса tc
-интервал времени, в течение которого напряжение уменьшается от уровня 0,9 до
уровня 0,1 его амплитудного значения;
- длительность
вершины импульса tb
-
обычно определяется на уровне 0,9А.
а - идеализированного; б - реального; в -
периодической последовательности
Рисунок 3 - Определение параметров импульса
Диапазон длительностей импульсов, с которыми
имеют дело в современной технике, весьма широк и лежит в пределах от единиц
наносекунд (1 нс=10-9 с) до миллисекунд (1мс= 10-3 с) и
более.
Выброс импульса δ
- характеризует
наибольшее превышение высоты импульса в переходном процессе над его высотой в
квазистационарном процессе.
Так как tф
и tc определяют по уровням
0,1А и 0,9А, то их иногда называют активными длительностями фронта и среза.
Анализ импульсных процессов
представляет собой довольно сложную задачу, особенно при наличии существенных
нелинейностей у цепи, преобразующей импульсы. Поэтому чаще всего эту цепь
стремятся свести к линейной и исследовать либо «классическим» методом анализа
переходных процессов, который заключается в составлении дифференциальных
уравнений, характеризующих процессы в цепи, c
последующим их решением; либо спектральным (частотным) методом; либо методом
суперпозиции (с использованием интеграла Дюамеля); либо операторным методом.
Если импульсная цепь по
условиям ее работы не может быть линеаризована, то анализ ее сводится к решению
нелинейных дифференциальных уравнений, причем вид решения зависит от характера
нелинейности цепи.
Во многих практически важных
случаях нарастание и срез импульса происходят по экспоненциальному закону или
закону, который может быть аппроксимирован экспонентой. В этом случае анализ
импульсных цепей существенно упрощается, так как мгновенные значения импульса
во время его нарастания и среза описываются уравнениями 1 и 2:
(1)
(2)
где τ - постоянная
времени экспоненты.
Зная мгновенное значение импульса,
можно найти время t в течение которого импульс достиг
этого значения (3):
(3)
Так как активную длительность фронта
(время установления) и среза определяем как промежуток времени между
значениями, равными 0,1A и 0,9A,из этого
следует его определение (4):
(4)
линеаризация пилообразный напряжение импульс
2 Генераторы
линейно изменяющегося напряжения (ГЛИН)
.1
Общие сведения
Генераторы линейно
изменяющегося (пилообразного) напряжения (ГЛИН) применяют для развертки электронного
луча в электроннолучевых трубках телевизионных, осциллографических и
радиолокационных устройств, а также в схемах сравнения для задержки импульсов
во временя и т. п.
ГЛИН могут работать в режиме самовозбуждения и в
ждущем режиме, когда период повторения пилообразного напряжения определяется
запускающими импульсами. Режим самовозбуждения применяют, например, для
получения непрерывной развертки в осциллографах, а ждущий режим - для получения
ждущей развертки.
Напряжением пилообразной формы называется
напряжение, которое в течение определенного времени нарастает или убывает
пропорционально времени (линейно), а затем быстро возвращается к исходному
уровню. Пилообразное напряжение может быть линейно нарастающим (рисунок 4) или
линейно падающим (рисунок 5).
Рисунок 4 - Линейно
изменяющееся нарастающее напряжение
Рисунок 5 - Линейно изменяющееся падающее
напряжение
Пилообразное напряжение характеризуется
длительностью прямого или рабочего хода tр.х.в течении которого
напряжение изменяется линейно; длительностью обратного хода tо.х., в
течении которого напряжение обычно изменяется по экспоненте, и амплитудой Umax.
Принцип получения пилообразного напряжения
заключается в медленном заряде (или разряде) конденсатора через большое
сопротивление во время прямого хода и в быстром его разряде (или заряде) через
малое сопротивление во время обратного хода. В упрощенном виде это показано на
рисунке 6.
Рисунок 6 - Принцип получения пилообразного
напряжения
Конденсатор С заряжается при разомкнутом ключе К
через резистор Rз, а разряжается при замкнутом ключе К через
резистор Rр.
Такая схема не позволяет получить напряжения
высокой линейности, поскольку повышение напряжения на конденсаторе уменьшает
зарядный ток. Для получения линейного напряжения конденсатор необходимо
заряжать постоянным во все время заряда током. Поэтому рассмотрим схему
(рисунок 7):
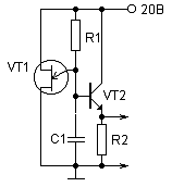
Рисунок 7 - Генератор пилообразного напряжения
на транзисторах
Электронный ключ собран на транзисторе VT1 и
управляется импульсами положительной полярности, транзистор VT2 - эмиттерный
повторитель - является следящей связью. В исходном состоянии, когда на входе
отсутствует прямоугольный импульс (рисунок 8), транзистор VT1 закрыт и
конденсатор С3 заряжается. Ток заряда все время остается постоянным, т. к.
напряжение на верхнем выводе R2 следит за напряжением на конденсаторе С3 на его
нижнем выводе. Диод VD1 закроется и в течение всего времени дальнейшего
формирования линейного нарастания напряжения будет закрыт. Формируется рабочий
ход пилообразного напряжения.
Рисунок 8 - Формирование прямого и обратного
хода
При воздействии входного импульса транзистор VT1
открывается и конденсатор С3 быстро через него разряжается. Формируется
обратный ход пилообразного напряжения. В это время конденсатор С2 подзаряжается
до своего первоначального значения.
2.2 Назначение и
область применения ГЛИН
Генераторы линейно-изменяющегося напряжения
нашли широкое применение в отклоняющих системах осциллографов, телевизоров, в
радиолокации, широтно-импульсных модуляторах и т.д.
Линейно изменяющееся напряжение широко применяют
в измерительной технике и автоматике. На базе ГЛИН и с учетом используемых в
них принципов повышения линейности сигнала проектируются схемы генераторов
импульсов сложной формы с линейно изменяющимся участком. Они находят применение
в модуляторах, различного рода преобразователях сигналов и в измерительной
технике, использующей импульсное питание датчиков.
2.3 Основные
характеристики ГЛИН
Линейно изменяющееся напряжение Uc(t)
характеризуется рядом параметров:
- длительностью прямого хода tпр
(то есть временем, в течение которого конденсатор заряжается через
сопротивление Rк до напряжения Uc);
- длительностью обратного хода to
(время восстановления) - это время, в течение которого происходит разряд
конденсатора;
- периодом повторения линейно
изменяющегося напряжения (пилообразных импульсов) T = to + tпр;
- средней скоростью рабочего хода
;
- амплитудой пилообразных импульсов Um.
Простейший генератор линейного напряжения
характеризуется также коэффициентом использования напряжения источника питания
= Um / Eп (5)
2.4 Принцип построения
ГПН (генератор пилообразного напряжения)
Генераторы пилообразного напряжения и тока
находят широкое применение в автоматике, телевидении, технике связи,
измерительной технике и в других областях прикладной радиоэлектроники.
Основными характеристиками этих генераторов являются линейность рабочего
участка выходного напряжения, длительность рабочего и обратного хода, период
повторения.
Генераторы пилообразного напряжения (ГПН) чаще
всего выполняются с внешним управлением. При этом длительность рабочего хода
определяется длительностью внешнего управляющего импульса прямоугольной формы.
При необходимости можно создать генераторы, работающие в ждущем (с запуском от
короткого импульса), автоколебательном или в режиме синхронизации.
В простейшем случае, когда не требуется высокая
линейность рабочего участка выходного напряжения, ГПН выполняется по схеме
интегрирующей RC-цепи со сбросом заряда при обратном ходе. Схема такого ГПН
приведена на рисунке 9, а. Она содержит интегрирующую RC-цепь, ключ на
транзисторе VT, генератор G импульсов сброса, осциллограф, функциональный
генератор и два ключа Z и А, управляемых одноименными клавишами и
предназначенных для реализации различных режимов моделирования. Показанные на
панели функционального генератора значения коэффициента заполнения позволяют
получить короткий импульс сброса с генератора G при формировании обратного
хода, а на выходе функционального генератора - образцовое пилообразное
напряжение (с высокой линейностью), которое будет использовано при оценке
нелинейности ГПН.
Рисунок 9 - Генератор пилообразного напряжения с
зарядным резистором и осциллограммы его выходного напряжения и сигналов сброса
При положении ключей, показанном на рисунке 9, осциллограммы
сигналов в контрольных точках схемы представлены на рисунке 9, откуда видно,
что формирование выходного сигнала (рабочий ход) происходит в паузах между
короткими сигналами сброса, поступающими с генератора G. Длительность этих
импульсов при установленных частоте следования 1 Гц и коэффициенте заполнения
2% составляет 0,02 с.
Выходной сигнал ГПН на интервале рабочего хода
изменяется по закону:
(t)=Ucc[1-exp(-t/T)] (6)
где T=RC=1 с - постоянная времени RC-цепи на
рис. 9.
Выходное напряжение в конце рабочего хода (через
0,98 с после сброса) достигает максимального значения: Uom=6,4[ l -
exp(-0,98/l)]=6,4(1-0,375)=4 В, что практически совпадает с результатами
моделирования.
Для сравнения пилообразного сигнала ГПН с
образцовым (создаваемым функциональным генератором) переведем ключ А в верхнее
положение. При этом функциональный генератор будет подключен к каналу А
осциллографа, на экране которого увидим осциллограммы, показанные на рисунке
10.
Из визуального сравнения осциллограмм сигналов
видно, что генерируемый ГПН пилообразный сигнал имеет заметную нелинейность.
Для ее оценки используется коэффициент нелинейности, определяемый выражением:
н=
(Vк-VH)/Vк (7)
где Vк, Vn
- значения скорости выходного напряжения в начале и конце рабочего хода
соответственно.
Для определения скорости нужно взять производную
по времени от выражения (6). Проделав такую операцию, получаем выражение для
скорости выходного напряжения ГПН в следующем виде:
(t)= Ucc*exp(-t/T)/T (8)
Из выражения (8) при t=0 с и t=0,98 с получаем
соответственно Vн=6,4exp(-0)/l=6,4 В/с и Vк=6,4exp(-0,98/l)/l=2,4 В/с. После
подстановки этих значений в формулу (8.19) получаем коэффициент нелинейности
Кн=(6,4-2,4)/6,4=0,625. Заметим, что используемые, например, в аналого-цифровых
преобразователях ГПН имеют нелинейность порядка 0,001 и менее.
Рисунок 10 - Осциллограммы выходного напряжения
ГПН и эталонного с функционального генератора
Рисунок 11 - Осциллограмма разностного сигнала
Оценим нелинейность выходного напряжения ГПН,
сравнивая его с образцовым напряжением, источником которого является
функциональный генератор. Для этого переключатели А и Z (рисунок 9) переведем в
верхнее положение. Результаты измерений приведены на рисунке 11, из которого
видно, что максимальное отклонение (осциллограмма В) от линейности имеет место
при выходном напряжении около 2 В. Если до этого момента, а это около 0,5 с,
напряжение нарастало с большей скоростью по сравнению с образцовым, то затем
скорость начинает падать. Объясняется это тем, что по мере заряда конденсатора
зарядный ток уменьшается.
Очевидно, что для улучшения линейности
необходимо, чтобы ток заряда конденсатора оставался неизменным. Это может
достигаться различными методами, но наиболее простым является параметрический,
при котором ток заряда поддерживается неизменным (с определенной точностью) с
помощью стабилизатора тока. Схема такого ГПН приведена на рисунке 12. Он
отличается от ранее рассмотренного наличием всего одного компонента - полевого
транзистора VT1, который и выполняет роль стабилизатора тока. Полевой
транзистор поддерживает постоянным ток в зарядном резисторе R. Если этот ток
начинает уменьшаться, то уменьшается и падение напряжения на резисторе, а это
вызывает компенсирующее увеличение тока через полевой транзистор за счет
уменьшения сопротивления его канала. Поскольку при этом напряжение на затворе
меняется в широких пределах (от нулевого до Uom), необходимо выбирать полевой
транзистор с максимально возможным напряжением отсечки нe менее Uom).
Рисунок 12 - ГПН со стабилизатором тока и
осциллограммы его выходного напряжения и функционального генератора
Из осциллограмм на рисунке 12 видно, что ГПН со
стабилизатором тока отличается от ГПН с зарядным резистором более высокой
линейностью выходного напряжения.
2.5 Методы линеаризации
пилообразного напряжения
Рисунок 13 - Простейший генератор пилообразного
напряжения
Как правило, для получения низкого сопротивления
в качестве буферного каскада применяют эмиттерный повторитель. Предположим, что
статический коэффициент передачи тока транзистора VT2 h21э=50, R2=1кОм. Тогда
Rн=(h21э+1)R2 =(50+1)*1=51кОм. Отсюда R1=(0.1...0.2)Rн=5.1...10кОм. Поскольку
напряжение Uemin=2B, a Uэб=0.6B<Uemin, "обрезания" сигнала не
происходит.
При реализации эмиттерного повторителя на p-n-p
транзисторе можно добиться некоторого улучшения рабочих характеристик, т.к.
сопротивление нагрузки включается параллельно резистору R1, следовательно
исключается опасность прекращения генерации из-за никого значения
статистического коэффициента передачи тока транзистора или сопротивления в
эмиттере. Более того, коллекторный ток утечки биполярного транзистора
вычитается из эмиттерного тока утечки ОПТ, чем достигается частичная
термостабилизация.
Рисунок 14 - Простейший способ линеаризации
пилообразного напряжения
Применение дополнительного источника повышенного
напряжения позволяет существенно увеличить номинал токозадающего резистора, что
эквивалентно заряду от генератора тока. Недостаток этого способа -
необходимость применения дополнительного источника.
Рисунок 15 - Линеаризация с помощью
конденсаторной вольтдобавки "вольтдобавки" (следящей обратной связи)
Введение резистора R1 позволяет использовать
базу 2 для синхронизации выходного напряжения.
Рисунок 16 - Возможный вариант стабилизации
зарядного тока со следящей обратной связью с помощью стабилитрона
Введение дополнительного источника
отрицательного напряжения постоянного тока также способствует линеаризации.
Рисунок 17 - Другой способ линеаризации с
помощью ГСТ
Рисунок 18 - Способ линеаризации с помощью,
которого можно получить напряжение пилы от вогнутой до выпуклой формы
3 Разработка прибора
.1 Требования к
устройству
Разработать генератор линейно возрастающего
напряжения, обеспечивающего при отключенной нагрузке следующие характеристики
выходного сигнала:
Кн = 10%, tобр
= 5мс, Um
= 1,5 В.
Время нарастания линейного напряжения должно
определяться длительностью прямоугольного импульса tн
= 10мс, подаваемого на вход генератора.
Амплитуда сигнала и внутреннее сопротивление
источника равны
Е = -5В, R
= 1кОм, диапазон рабочих температур 20…60 С.
3.2 Выбор оптимальной
методики проектирования
В настоящее время ГПН с малым значением
коэффициента нелинейности и его незначительной зависимостью от сопротивления
нагрузки создаются на основе интегральных ОУ. В ГПН на ОУ высокая линейность
пилообразного напряжения достигается действием положительной ОС в цепи зарядки
конденсатора С.
Однако преимущественным способом формирования
ЛИН был и остается сегодня способ, основанный на аналоговом интегрировании
скачка постоянного напряжения. При этом чаще всего предпочтение отдается
интегрированию в активных RC-цепях.
Повышение линейности процесса заряда (разряда) конденсатора осуществляется
введением обратных связей (ОС) различного типа, использованием цепей
независимой коррекции нелинейности (НКН), а так же компенсацией ОС и НКН.
Для основы расчета используем простейшую схему
ГЛИН рисунок 19.

Рисунок 19 - Схема ГЛИН и временная диаграмма
3.3 Расчет устройства
Поскольку заданный коэффициент нелинейности
превышает 5 %, можно воспользоваться схемой генератора, изображенной на рисунке
19. Для обеспечения минимального коэффициента нелинейности транзисторы,
используемые в таком, генераторе, должны иметь большое допустимое напряжение
коллектор - база Uк.доп.
и работать при малых токах. Выбираем транзистор типа 2N1059 для которого Uк.доп.
= 40 В. Транзистор может работать без существенного снижения коэффициента
усиления при малых значениях тока, так например его максимальное значение Jкmax=100mА
Определяем напряжение питания, обеспечивающее
заданные значения UM
и КН:
К=UM/KH=15
B
EK≤
Uк.доп
Найдем номинал резистора в коллекторной цепи: RK
= EK/JKmin
= 54 кОм. Принимаем RK
= 51 кОм.
Степень насыщения транзистора должна равняться:
S=tи/tобр+1=3
S=βRK/Rб
Rб=
βRK/S Rб=170
кОм
Средняя мощность Ркср, рассеиваемая
на транзисторе, не должна превышать допустимого для данного типа транзистора
значения Ркдоп=180 мВт.
120 мВт
Определим емкость конденсатора, обеспечивающую
заданный коэффициент нелинейности.
С=tи/RkKн=0,03
мкФ
Для обеспечения минимального периода следования
входных импульсов T=tн+tобр,
необходимо
Однако, за время действия входного импульса
напряжение на базе транзистора, которое вследствие заряда Ср с
постоянной времени τз.ср(Rr+Rб)Cp
стремиться увеличиться от значения
до значения Ek+JКБОRб,
должно остаться отрицательным во избежание преждевременного отпирания
транзистора. Поэтому необходимо выполнить условие
Отсюда: Ek>>JкбоRб,
Uпор. т=0,7
В
Для обеспечения минимального периода следования
входных импульсов необходимо Сp<=1,
поэтому удобнее принять Ср=0,5 мкФ.
ЗАКЛЮЧЕНИЕ
В разработанном устройстве положительными
качествами являются надежность и значительно малая энергоемкость, что особенно
очень важно в практическом применении. Данное устройство имеет широкий спектр
применения. Кроме того, на его основе могут быть разработаны более сложные ГЛИН
(так как рассматриваемое устройство имеет универсальную схему построения) с
более точными параметрами (применяя принципы линеаризации и увеличения
выходного напряжения).
Список используемых
источников
1. Бондарь
В. А. Генераторы линейно изменяющегося напряжения [Текст] В.А.Бондарь- М.:
Энергоатомиздат, 1988. - 160 с.
2. Изъюрова
Г. И. Расчет электронных схем. Примеры и задачи: Учебное пособие для вузов по
спец. электрон. Техники [Текст]/ Г. И. Изъюрова, Г. В. Королев - М.: Высшая
школа,1987. - 335с.
. Ицхоки
Я. С. Импульсные и цифровые устройства [Текст]/ Я. С. Ицхоки, Н. И. Овчинников
- М.: «Советское радио»,1972. - 592с.
4. Единое
окно доступа к образовательным ресурсам: портал [Электронный ресурс ]. - Режим
доступа: <#"668615.files/image031.gif">
ПРИЛОЖЕНИЕ Б
ПРИЛОЖЕНИЕ В