Аналіз ланцюгів з активними елементами
Національний технічний
університет України
“Київський
політехнічний інститут”
КАФедра
електронних приладів і пристроїв
ЗВІТ
про
виконання лабораторної роботи № 3
з
курсу: “Аналіз та розрахунок електронних схем ”
Тема
роботи:АНАЛІЗ ЛАНЦЮГІВ З АКТИВНИМИ
ЕЛЕМЕНТАМИ
Виконали:
Соверченко Д.
Бабич Є.
Гринько І.
Київ
2010
Мета роботи:
опанувати методику обчислення передаточної функції ланцюгів
та аналізу частотних характеристик на її основі.
Робоче завдання:
1. Вибрати з таблиці варіант схеми для аналізу.
2. Використовуючи сімейства характеристик транзистора,
отримані в лабораторній роботі №1, розрахувати h-параметри транзистора і накреслити схему заміщення транизистора.
. Накреслити еквівалентну схему ланцюга за змінним
струмом, використовуючи модель транзистора на основі h-параметрів.
. Скласти матричні рівняння ланцюга.
. Виходячи з матричних рівнянь обчислити передаточну
функцію ланцюга.
. Побудувати карту полюсів та нулів.
. На основі аналізу карти полюсів та нулів побудувати
ескізи АЧХ та ФЧХ.
. Побудувати графіки АЧХ та ФЧХ, обчислених за
передаточною функцією.
. Провести моделювання в MicroCap, визначити імпульсну характеристику та частотні характеристики ланцюга.
. Порівняти результати, зробити висновки.
|
№ варіанту
|
Схема
|
Параметри
|
|
4
|
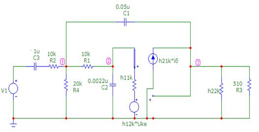
Рис1
|
C1=0.05, C2=0.0022
|
Рис
1.
Нехай задано транзистор з такими h-параметрами:
h11к= 2кОм
h12к= 0.97
h21к= 32
h22к=10-6См
Повна еквівалентна схема має вигляд:
Для аналізу будемо використовувати метод вузлових потенціалів, тому еквівалентну схему транзистора представимо через джерело напруги,
кероване напругою. Для цього встановимо залежність Uэк від Uбк. З урахуванням
емітерного опору:
Звідси маємо:
отже
Транзистор працює як повторювач вхідної напруги за рахунок від’ємного
зворотного зв’язку з коефіцієнтом рівним одиниці. Тому його можна замінити
ідеальним джерелом напруги, яке керується напругою.
Для спрощення аналізу схеми, яка має три реактивні компоненти
і має передаточну функцію третього порядку можна
врахувати той факт, що конденсатор
використовується
як роздільний конденсатор по постійному струму і впливає на частотні
характеристики схеми при дуже низьких частотах. При цьому конденсатори
, враховуючи їх величини, не впливають на
характеристики схеми (мають великий опір). І навпаки, на середніх та високих
частотах, частотні характеристики залежать тільки від конденсаторів
, і не залежать від
.
Тому, для спрощення аналізу, його можна виконати роздільно, для низьких та
високих частот.
Еквівалентна схема для низьких частот U3=U2
Передавальна характеристика:
Перехідна характеристика:
Передавальна характеристика:
>> t=0:10^(-3): 0.1;
>> g=(2/3*exp(-100/3*t)); hold on; grid on;
title('Графік передавальної характеристики'); xlabel('вісь часу,сек');
ylabel('напруга,В'); plot(t,g)
Імпульсна характеристика:
>> t=0:10^(-3): 0.1;
>> h=(-200/9*exp(-100/3*t)); hold on; grid on; title('Графік
імпульсної функції'); xlabel('вісь часу,сек'); ylabel('напруга,В'); plot(t,h)

ЧX
>> f=0:10^(-3):16; o=2*pi*f;
>>a=(o.*2./sqrt(9*o.^2+10^4));hold on; grid on; title('Графік АЧХ'); xlabel('частота, Гц'); ylabel
('Амплітуда, В');plot(o, a)
Карта нулів і полюсів
z=0
>> h=tf([2/3 0],[1 100/3]); sgrid; hold on;
pzmap(h)
Еквівалентна схема для високих частот U3=U2
Передавальна характеристика:
>>p = [1.1*10^(-8) 55.5*10^(-5) 1.5]; z = roots(p)=
.7589e+004
.8654e+003
>>A=[1 1 1; 50.4544*10^3 2.8654*10^3
4.7589*10^4; 13.6361*10^7 0 0]
>>B=[0 0 1]= -6.4069e-002 2.2360e-005 -7.8033e-009
t=0:10^(-6): 10^(-3);
>> g=(-6.4069*10^(-2)+2.2360*10^(-5)*exp(-4.7589*10^4*t)-7.8033*10^(-9)*exp(-2.8654*10^3*t)); hold on; grid on;
title('Графік передавальної характеристики'); xlabel('вісь часу,сек');
ylabel('напруга,В'); plot(t,g)
>>A=[1 1; 2.8654*10^3 4.7589*10^4]
>>B=[0 1]= -6.4069e-002 2.2360e-005
Карта нулів і полюсів
Pole
>> h=tf([0 0 1],[1.1*10^(-8)
55.5*10^(-5) 1.5]); sgrid; hold on; pzmap(h)
Імпульсна характеристика:
t=0:10^(-6): 10^(-3);
>> h=(-6.4069*10^(-2)*exp(-4.7589*10^4*t)+
2.2360*10^(-5)*exp(-2.8654*10^3*t)); hold on; grid on; title('Графік імпульсної характеристики');
xlabel('вісь часу,сек'); ylabel('напруга,В'); plot(t,h)
\
АЧХ
>> f=0:10^(-3):100; o=2*pi*f;
>>a=(1./sqrt((1.1*10^(-8)*o.^2+1.5).^2+(55.5*10^(-5)*o).^2));hold on; grid on; title('Графік АЧХ'); xlabel('частота, Гц'); ylabel
('Амплітуда, В');plot(o, a)
ланцюг частотний схема струм
Висновок
У ході роботи ми мали змогу закріпити навички аналізу кіл активних компонентів. Також ознайомились з
можливостями програми схемотехнічного моделювання Micro-Cap 7 стосовно
моделювання (аналізу) кіл активних
компонентів. Проведенні аналітичні (за допомогою системи MatLab) та експериментальні
(в середовищі MicroCap) дослідження показали схожі результати, однак присутні і
деякі розбіжності, що обумовлені похибками обчислювального процесу.