Вариант электрического отопления

  • Вид работы:
    Контрольная работа
  • Предмет:
    Физика
  • Язык:
    Русский
    ,
    Формат файла:
    MS Word
    21,7 Кб
  • Опубликовано:
    2013-09-04
Вы можете узнать стоимость помощи в написании студенческой работы.
Помощь в написании работы, которую точно примут!

Вариант электрического отопления













Вариант электрического отопления

 Электрическое отопление загородного дома самый привлекательный способ обогрева и экологически чист. Большинство загородных домов используются владельцами для жилья весенне-летний период, когда температура воздуха уже плюсовая. Потребность на нагрев не превышает 10 вт. на квадратный метр в среднем за указанный отопительный период. Стоимость проводки газа, установки оборудования, обслуживание его и оплата за потребления газа хватит на десятки лет пользоваться электричеством для отопления.

Электрическое отопление, как известно, имеет ряд преимуществ по сравнению с другими. А основное заключено в том, что могут быть созданы конструкции, не требующие для нагрева теплоносителя, так как радиаторы имеют электрические нагревательные элементы.

Рассмотрим еще один вариант. Устройство предусматривает непосредственный нагрев металла, и относиться к отопительным системам, не содержащим нагревательных элементов с локальным нагревом.

Нагревательный элемент выполнен в виде радиатора, т. е. при пропускании через него электрического тока происходит его нагрев. Такая конструкция возможно, если питания осуществить постоянным и безопасным напряжением. электрический отопление инвертор импульсный

Инверторы (преобразователи переменного напряжения в постоянное) получили широкое распространение в различных областях техники в особенности сварочной техники.

Для такого отопления необходимо радиаторы с небольшим омическим сопротивлением и вторичный источник питания. Обычно для получения на выходе низкого напряжения и с гальванической развязкой от сети, применяется импульсный источник питания инверторной системой, в которой входное напряжение сначала выпрямляется, затем преобразуются в импульсы повышенной частоты, после трансформируются в определенное напряжение, снова выпрямляется, и поступают на нагрузку.

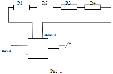
Схема такого отопления показана на рисунке 1.

 

Вход преобразователя (инвертора) соединен с переменным напряжением 220 вольт, на выходе инвертора постоянное напряжение. К выходу подсоединены радиаторы. Радиатор может быть изготовлен из листовой стали толщиной 0.4 - 0.5 мм. Один из видов показан на рисунке 2.

Инверторы имеют регуляторы тока, изменяя ток можно регулировать выделяемое количество тепла радиаторами. Расчет сопротивления радиаторов производится как расчет сопротивления проводника R.

=p×L/S

Где: p- удельное сопротивления материала проводника,длина проводника, определяется из конструкции радиатора,поперечное сечение, определяется также в зависимости от конструкции радиатора.


Здесь надо отметить, что общая поверхность должна быть подобрана такой, чтобы при максимальном токе (мощности), температура радиатора не превышала 70 градусов, при температуре в помещении 20 градусов. Для начального расчета можно ориентироваться, что рассевания 1квт требуется площадь 0.8- 1 м2 .

Регулирования тока можно связать с датчиком температуры для поддержания ее в помещении.

Преимущество таково отопления в простоте конструкции. Радиаторы могут быть выполнены из одной полосы железа согнутой в местах поворота на 900 внахлест.

Все элементы при сохранении поперечного сечения имеют низкую температуру.

Конструкция не требует теплоносителя и все недостатки, связанные с его использованием исчезают сами по себе.

К недостатку можно отнести необходимость хорошего контакта в местах соединения. Хотя такая задача имеет решение: так дополнительная петля, сварка мест соединений, установка датчика отключение питания при резком увеличении сопротивлении.

Похожие работы на - Вариант электрического отопления

 

Не нашли материал для своей работы?
Поможем написать уникальную работу
Без плагиата!
Без нейросетей!