Железобетонные конструкции
Исходные данные
. Длина здания, м - 84.
. Ширина здания, м - 15.
. Количество этажей - 4.
. Высота этажа (от пола до пола), м - 4,2.
. Район строительства по снегу,
кПа
- II 0,7.
. Ширина плит перекрытия, м - 0,75.
. Нормативные переменные длительно-действующая
нагрузка, кН/м2 - 14.
. Нормативные переменные кратковременная
нагрузка, кН/м2 - 2,0.
. Условное расчетное сопротивление грунта
,
кПа - 350.
. Вес пола, кПа - 0,7.
. Толщина полки - 0,8.
. Класс бетона -
.
. Класс арматурной стали продольных ребер,
колонн, фундаментов - S400.
. Класс арматурной стали полки плит - S240.
. Тип перекрытия - 1.
Введение
В соответствии с заданием (шифр 041)
запроектированы основные несущие конструкции 4 - этажного промышленного здания
с подвалом. Здание прямоугольное в плане с размерами в осях 15х84 м. Здание
запроектировано в неполном каркасе с наружными стенами из камней силикатных
толщиной 510 мм. Выбран вариант с поперечным расположением ригелей 6,0 м.
Высота этажа здания 4,2 м. Колонны - квадратного поперечного сечения, ригели -
прямоугольного поперечного сечения. Плиты опираются на верх ригелей. Ригели
опускаются на консоли колонн. Фундаменты - монолитные железобетонные со
стаканами для сопряжения с колоннами.
1. Компоновка элементов сборного
перекрытия
Балочные сборные перекрытия представляют собой
систему балок (ригелей), расположенных в одном (продольном или поперечном) или
в двух направления и опирающихся на них плит перекрытия.
Балки опираются на колонны. Так как
проектируется здание с неполным каркасом, то и балки в крайних пролетах одним
концом опираются на промежуточные колонны каркаса, другим - на наружные несущие
стены.
Компоновка перекрытия заключается в выборе типа
балок, их направления и пролёта назначении шага колонн, выборе типа и ширины
поит.
Для перекрытий многоэтажных производственных
зданий применяются унифицированные сетки колонн 6х6 и 6х9 м. В курсовом проекте
шаг колонн принимается равным 6м, а пролеты балок (ригелей) могут отличаться от
унифицированных, но они должны быть приняты кратными модулю 100 мм.
Ригели перекрытия проектируются неразрезными, но
изготавливаются и монтируются из однопролетных сборных элементов. Неразрывность
обеспечивается за счет сварки выпусков арматуры, закладных и накладных деталей
и омоноличивания стыков сопрягаемых элементов.
Поперечное сечение ригеля зависит от способа
опирания на него плит перекрытия. При укладке плит поверху ригелей их сечение
принимается тавровым с полкой в сжатой зоне или прямоугольным. При опирании
плит в пределах высоты ригеля сечение принимается с полкой в средней или
растянутой зоне, что позволяет уменьшить строительную высоту перекрытия.
В курсовом проекте принимается вариант
компоновки перекрытия с поперечным расположением ригелей и изображается его
схема в пояснительно записке.
Привязка колонн к разбивочным осям здания -
«осевая». Привязка наружных стен к разбивочным осям следующая: при опирании
плит перекрытия на стены 130 мм стены внутрь здания, остальная часть наружу;
при опирании ригелей - внутрь здания 250 мм стены. При раскладке плит
необходимо учитывать, что при опирании плит на прямоугольный ригель колонны
препятствует свободной раскладке, поэтому в местах их расположения
устанавливают специальные плиты, имеющие вырез или устраиваю монолитные участки
шириной, равной поперечному размеру колонны. Если между крайней плитой и стеной
образуются зазоры то их замоноличивают.
2. Сбор нагрузок на ребристую плиту
перекрытия
Требуется рассчитать ребристую железобетонную
плиту перекрытия по первой группе предельных состояний (по прочности) и сделать
арматурный чертеж.


а) б) в)
Рисунок 2.1 - Расчетная схема (а), реальное (б)
и расчетное (в) поперечные сечения ребристой плиты
2.1 Назначение опалубочных размеров
плиты
Конструктивная ширина плиты по низу вычисляется
по формуле
Вк = В - 10, (2.1)
где В - номинальная ширина плиты.
При номинальной ширине плиты B = 750 мм,
конструктивная ширина по низу равна
Вк = 750 - 10 = 740 мм.
Конструктивная ширина плиты по верху вычисляется
по формуле
’ = В - 30. (2.2)
Тогда конструктивная ширина по верху равна
’ = 750 - 30 =720 мм.
Высоту плиты назначим h = 400 мм, толщину полки
hf’ = 80 мм, ширину продольных ребер bp = 95 мм.
Рисунок 2.2 - Опалубочные размеры плиты
Рисунок 2.3 - Конструктивная схема перекрытия.
Номинальная ширина плиты В и толщина ее полки
hf' принимаются по заданию. Остальные размеры и схема армирования ребристой
плиты показаны на рисунке 2.4.
Рисунок 2.4 - Схема расположения арматуры в
поперечном сечении
Конструктивная ширина плиты Вк принимается на 10
мм меньше заданной номинальной ширины В. Конструктивная длина плиты lk
принимается на 20 мм меньше номинальной длины l.
Следует помнить, что размеры на чертежах
указываются в миллиметрах, а в расчетных формулах в метрах. Ребристая плита
(см. рисунок 2.4) армируется двумя одинаковыми плоскими каркасами Кр-1 в ребрах
и двумя сетками С-1 и С-2 в полке плиты. Каркасы и сетки, как правило, сварные.
В каркасе Кр-1 объединяются: рабочая продольная арматура 1, устанавливаемая по
расчету плиты на действие изгибающего момента, возникающего при эксплуатации;
поперечная арматура 2, устанавливаемая по расчету плиты на действие поперечной
силы, и монтажная продольная арматура 3, устанавливаемая по расчету плиты на
действие изгибающего момента, возникающего при ее подъеме и монтаже.
В сетках С-1 и С-2 объединяются арматура 4,
устанавливаемая по расчету полки плиты на местный изгиб, и распределительная
арматура 5, устанавливаемая без расчета. Для выполнения расчетов фактическое
поперечное сечение ребристой плиты заменяют расчетным, несколько упрощенным,
учитывающим предпосылки расчетов по первой и второй группам предельных
состояний.
Приведенная ширина продольных ребер вычисляется
по формуле
bw = 2bр, (2.3)
где bр - ширина продольных ребер.
Тогда приведенная ширина продольных ребер равна
= 2·95 = 190 мм = 19 см.
Площадь поперечного сечения плиты вычисляется по
формуле
A = (bf’ - bw) hf’ + bwh, (2.4)
где bf’ - конструктивная ширина плиты;-
приведенная ширина продольных ребер;’ - толщина полки;- высота плиты.
Тогда площадь поперечного сечения плиты равна
A = (72 - 19)·8 + 19·40 = 1184 см2.
Приведенная толщина бетона плиты определяется по
формуле
где А - площадь поперечного сечения плиты;
- конструктивная
ширина плиты.
Тогда приведенная толщина бетона плиты равна
2.2 Определение нагрузок и расчетных
усилий
Нагрузка от собственного веса плиты перекрытия
на 1 м2 определяется по формуле:
для плиты из тяжелого бетона, кН/ м2,
,пл = 25hпр, (2.6)
для плиты из мелкозернистого бетона, кН/ м2,
,пл = 18hпр. (2.7)
где hпр - приведенная толщина бетона плиты.
Нагрузки, кН/ м2, действующие на плиту,
целесообразно определять в табличной форме.
2.2.1 Расчетные усилия в продольных
ребрах плиты
От действия нагрузок в продольных ребрах плиты
возникают изгибающие моменты и поперечные силы. Наибольший изгибающий момент -
в середине плиты, а наибольшая поперечна сила - у опоры (рисунок 2.5).
Рисунок 2.5 - Расчетная схема ребра
плиты перекрытия и эпюры изгибающих моментов и поперечных сил
Значения изгибающих моментов, кН·м, и поперечных
сил, кН, в продольных ребрах плиты вычисляются от расчетной распределённой
нагрузки (на 1 м длины плиты) по формулам:
где B - ширина плиты, м;
- коэффициент
надежности по значению здания, принимается равным 0,95;
-
расчетный пролет продольного ребра плиты.
Расчетный пролет ребра плиты определяется,
учитывая, что ширина опирания
на полки ригелей
равна 100 мм
2.2.2 Расчетные усилия в полке плиты
Расчетный пролет полки ребристой плиты равен
расстоянию в свету между продольными ребрами
где bf’ - конструктивная ширина плиты;-
приведенная ширина продольных ребер;
Изгибающий момент в полке для расчетного сечения
шириной 1 м с учетом защемления ее в продольных ребрах равен
Расчетная схема полки плиты перекрытия и эпюры
изгибающих моментов представлена на рисунке 2.6.
Рисунок 2.6 - Расчетная схема полки плиты
перекрытия и эпюра изгибающих моментов
Нагрузку от собственного веса плиты перекрытия
из тяжелого бетона вычислим по формуле
,пл = 25·0,1644=4,11 кН/м2.
Нагрузки, действующие на плиту перекрытия в
стадии эксплуатации, вычисляем в таблице 2.1
Таблица 2.1 - Нагрузка на 1 м2 перекрытия
|
Вид
нагрузки
|
Нормативная
нагрузка, кН/м2
|
Коэффициент
безопасности по нагрузке
|
Расчетная
нагрузка, кН/м2
|
|
Постоянные
|
|
1
Вес пола и перегородок
|
gk,пп
= 0,7
|
1,35
|
gd,пп
= 0,95
|
|
2
Собственный вес плиты
|
gk,пл
= 4,11
|
1,35
|
gd,пп
= 5,55
|
|
Итого
|
gk
= 0,7 + 4,11 = 4,81 gd = 0,95+5,55 = 6,5
|
|
Переменные
|
|
3
Полезная длительно действующая
|
pk,l
= 14,0
|
1,5
|
pd,l
= 21,0
|
|
4
Полезная кратковременная
|
pk,sh
= 2,0
|
1,5
|
pd,sh
= 3,0
|
|
Итого
|
pk
= 14 + 2 = 16,0 pd = 21+ 3 = 24,0
|
|
Суммарные
|
|
Полные
|
qk
= 4,81 + 14 + 2 = 20,81
|
|
qd
= 6,5 + 21 + 3 = 30,5
|
|
В
том числе длительно действующие
|
qk,l
= 4,81 + 14 = 18,81
|
|
qd,l=6,5
+ 21 = 27,5
|
Расчетный пролет продольных ребер плиты
определяем по формуле (2.10)
По формулам (2.8) и (2.9) рассчитаем изгибающий
момент и поперечную силу, возникающие в ребре плиты от полной расчетной
нагрузки, qd = 30,5 кН/м2 (см. таблицу 2.1):
Определим по формуле (2.11) расчетный пролет
полки ребристой плиты
По формуле (2.12) найдем изгибающий момент в
полке для расчетного сечения шириной 1 м
2.3 Характеристики прочности бетона
и арматуры
Для выполнения расчетов по предельным состояниям
первой и второй групп требуются следующие расчетные сопротивления бетона и
арматуры:
- соответственно
нормативное и расчетное сопротивления бетону осевому сжатию, МПа;
- соответственно
нормативное и расчетное сопротивления бетону осевому растяжению, МПа;
- расчетное сопротивление
продольной арматуры (рабочей и монтажной), МПа (H/мм2);
- расчетное
сопротивление поперечной арматуры (хомутов), МПа (H/мм2).
Нормативные сопротивления бетона выписываются из
таблицы А.1.
Расчетные сопротивления бетона определяются
путем деления нормативных сопротивлений на коэффициент безопасности бетона
Расчетные сопротивления арматуры выписываются из
таблицы А.2.
Кроме этого надо выписать значения модуля
упругости бетона Еcm из таблицы А.3. Модуль упругости арматуры Еs = 2
105 МПа (
200 H/мм2 ).
3. Расчеты плиты по предельным
состояниям первой группы - по прочности
Расчеты по прочности выполняются для сечений,
нормальных к продольной оси элемента, на действие изгибающего момента MSd и для
сечений, наклонных к продольной оси элемента, на действие поперечной силы VSd.и
VSd принимаются от расчетной нагрузки.
Выполняя расчеты, необходимо внимательно следить
за размерностями величин, входящих в расчетные формулы.
Надо помнить, что 1 МПа = 1000 кН/м2 (1·103
кН/м2).
3.1 Расчет плиты на действие
изгибающего момента, возникающего от расчетной нагрузки
Расчетным поперечным сечением плиты является
тавровое сечение с полкой, расположенной в сжатой зоне.
Значение b’f вводимое в расчет, принимается из
условия, что ширина свеса полки в каждую сторону от ребра должна быть не более
1/6 пролета плиты l0 и не более: а) при h’f ≥ 0,1 h - 1/2 - расстояния в
свету между продольными ребрами; б) при h'f <0,l h - 6h'f.
Различают два расчетных случая элементов
таврового сечения в зависимости от положения нижней границы сжатой зоны: в
пределах полки и в ребре. Расчетный случай может быть установлен проверкой
условия
MSd ≤M'f = αfcd b'f h'f (d - h'f
/2).
Подставим наши значения для проверки условия
Это условие выполняется, граница сжатой зоны
проходит в полке, сечение рассматриваем как прямоугольное.
В приведенной формуле d - рабочая высота сечения
- расстояние от сжатой грани бетона до центра тяжести растянутой рабочей
продольной арматуры, d = h - с (предварительно можно принять с = 30... 50 мм).
Тогда d = 400 - 40 = 360 мм =0,36м.
Определение требуемой площади рабочей продольной
арматуры.
Коэффициент
определяется
по формуле
Тогда
получим
равным
Относительная высота сжатой зоны бетона определяется
по формуле
Тогда
будет
равна
Предельное значение относительной высоты сжатой
зоны бетона определяется по формуле
Где kс - коэффициент, принимаемый равным 0,85
для тяжелого бетона;- подставляется в МПа.
Тогда по формуле (3.3)
будет
равно
МПа.
Граничное значение относительной высоты сжатой
зоны бетона определяется по формуле
где
-
напряжения в арматуре, Н/мм2 (МПа), принимаемые для арматуры классов S240, S400
и S500 равными fyd;
- предельное
напряжение в арматуре сжатой зоны бетона равное 500 Н/мм2 (МПа)
Тогда по формуле (3.4)
будет
равно
Требуемая площадь растянутой рабочей арматуры
находится по формуле
Тогда
будет
равна
Принимаем 416 мм,
=
8,04 см2 с расположением арматуры в два ряда (рисунок 3.1).
Рисунок 3.1 - Поперечное сечение
плиты
Рассчитываем величину с:
Проверяем несущую способность
сечения:
Относительная высота сжатой зоны
бетона определяется по формуле
Тогда по формуле (3.6)
будет
равна
Коэффициент
найдем
по формуле
Тогда по формуле (3.7)
Несущая способность сечения определяется по
формуле
Тогда по формуле (3.8)
Условие выполняется, значит арматура подобрана
верно.
3.2 Расчет плиты на действие
поперечной силы
Прочность наклонных сечений ребристой плиты на
действие поперечной силы обеспечивается постановкой в её ребрах поперечной арматуры
(хомутов).
Задаемся диаметром поперечных стержней. По
условиям сварки поперечной арматуры к продольным стержням
=16
мм можно принять диаметр поперечной арматуры
=10
мм (
).
При двух каркасах
.
Назначаем расстояние между поперечными стержнями
вдоль ребра плиты (шаг хомутов) s, учитывая следующие конструктивные
требования:
а) приопорные участки плиты длинной l/4 пролета
Принимаем наименьшее значение
б) на остальной части пролета:
Принимаем наименьшее значение
Усилие в хомутах на единицу длины элемента
определяется по формуле
где
-
расчетное сопротивление поперечной арматуры. Для класса арматуры S400,
=
263 МПа;
- площадь
поперечного сечения двух стержней;
- расстояние между
поперечными стержнями вдоль элемента (шаг хомутов). Для приопорного участка s =
0,15 м. Для пролетного участка s = 0,3 м.
Условие для определения необходимости изменения
шага и диаметра хомутов
где
-
коэффициент, принимаемый: для тяжелого бетона - 0,6, для мелкозернистого бетона
- 0,5;
- коэффициент,
учитывающий влияние продольных сил; так как они отсутствуют, то
-
приведенная ширина продольных ребер;
- принимается как
/1,5.
= 1,3/1,5 = 0,867 МПа;
- коэффициент,
учитывающий влияние сжатых полок в тавровых и двутавровых элементах.
Коэффициент, учитывающий влияние сжатых полок в
тавровых и двутавровых элементах определяется по формуле
где
,
при этом
принимается
не более
;
расстояния в свету
между продольными ребрами.
Если условие (3.11) не выполняется, надо или
уменьшить шаг хомутов, или увеличить их диаметр. Длина проекции опасной
наклонной трещины на продельную ось элемента (проекция расчетного наклонного
сечения, имеющего наименьшую несущую способность) определяется по формуле
где
-
коэффициент, учитывающий влияния вида бетона: для тяжелого бетона - 2,0, для
мелкозернистого - 1,7.
Полученное значение
принимается
не более 2d и не более значения
, а так же не менее
d, если
>d.
Длина проекции наиболее опасного наклонного
сечения на продольную ось элемента определяется по формуле
где
-
поперечна сила от расчетной нагрузки в сечении у опоры.
Величина поперечной силы, воспринимаемой
хомутами, определяется по формуле
Величина поперечной силы воспринимаемой бетоном
определяется по формуле
Значение
,вычисленное
по формуле (3.15) принимается не менее
.
Прочность плиты по наклонной трещине проверяется
по формуле
Прочность плиты по наклонной полосе между
наклонными трещинами определяется по формуле
где
=
.
Здесь
-
коэффициент, учитывающий влияние хомутов, нормальных к продольной оси элемента;
где
.
Коэффициент
определяется
по формуле
где β - коэффициент,
равный 0,01 для тяжелого и мелкозернистого бетона;
-
принимается в мегапаскалях.
Если условия (3.16) и (3.17) не выполняются, то
следует или увеличить диаметр хомутов, или уменьшить их шаг, или увеличить
ширину плиты ребер, а затем снова выполнить расчет.
Произведем расчет для приопорного участка.
Усилие в хомутах на единицу длины элемента
рассчитаем по формуле (3.9)
Рассчитаем коэффициент учитывающий влияние
сжатых полок в тавровых элементах по формуле (3.11)
Проверим условие (3.10)
Найдем проекцию опасной наклонной трещины на
продольную ось элемента по формуле (3.12)
Длину проекции наиболее опасного наклонного
сечения на продольную ось элемента определим по формуле (3.13)
Найдем поперечную силу, воспринимаемую хомутами
по формуле (3,14)
Найдем величину поперечной силы, воспринимаемой
бетоном по формуле (3.15)
Величина данной поперечной силы должна быть не менее
0,867·
·0,19·0,3515
= 51,42 кН.
Условие выполняется.
Проверим условие прочности плиты по наклонной
трещине по формуле (3.16)
Найдем коэффициент
Вычислим
Найдем коэффициент
по
формуле (3.18)
По формуле (3.19) найдем коэффициент
Тогда
будет
равно
Следовательно, прочность обеспечена.
Произведем расчет пролетного участка.
Усилие в хомутах на единицу длины элемента
рассчитаем по формуле (3.9)
Рассчитаем коэффициент учитывающий влияние
сжатых полок в тавровых элементах по формуле (3.11)
Проверим условие (3.10)
Найдем проекцию опасной наклонной трещины на
продольную ось элемента по формуле (3.12)
Длину проекции наиболее опасного наклонного
сечения на продольную ось элемента определим по формуле (3.13)
Найдем поперечную силу, воспринимаемую хомутами
по формуле (3.14)
Найдем величину поперечной силы, воспринимаемой
бетоном по формуле (3.15)
Величина данной поперечной силы должна быть не
менее
.
Условие выполняется.
Проверим условие прочности плиты по наклонной
трещине по формуле (3.16)
Найдем коэффициент
Вычислим
Найдем коэффициент
по
формуле (3.18)
По формуле (3.19) найдем коэффициент
Тогда
будет
равно
Следовательно, прочность обеспечена.
Каркас КР-1 с принятой поперечной арматурой
представлен на рисунке(3.2).
Рисунок 3.2 - Каркас КР-1 продольных
ребер
3.3 Расчет плиты на действие
изгибающего момента, возникающего при подъеме и монтаже
Подъем и монтаж плиты осуществляется
за четыре монтажные петли, устанавливаемые в продольных ребрах
Рисунок 3.3 - Схема подъема плиты
Расчет составляет подбор монтажной
арматуры и определение диаметра монтажных петель.
Подбор монтажной арматуры.
В качестве расчетной схемы
принимается однопролетная двухконсольная балка (рисунок 3.4). Расстояние между
опорами принимается равным расстоянию между петлями для монтажа плиты -
примерно 0,6l.
Рисунок 3.4 - Расчетная схема плиты
при подъеме и монтаже; эпюра моментов
Нагрузкой является собственный вес
плиты qс.в., кН/м2 , умноженный на коэффициент динамичности k=1,4:
с.в = gd,пл b'f k, (3.20)
где gd,пл - принимается по таблице 2.1.
Расчетное сечение плиты при подборе монтажной
арматуры показано на рисунке 3.5.
Рисунок 3.5 - Расчетное сечение плиты при
подборе монтажной арматуры
Требуемая площадь поперечного сечения одной
петли определяется по формуле
где qс.в. - собственный вес плиты, кН/м2;- длина
плиты, м.
Определяем по формуле (3.20) собственный вес
плиты qс.в., кН/м при gd,пл=5,55 (таблица 2.1)
с.в = 5,55·0,72·1,4= 5,59 кН/м.
Отрицательный изгибающийся момент определяется
по формуле
где
-
расстояние от петли до конца плиты, м.
Расстояние от петли до конца плиты определяется
по формуле
=0,2 l, (3.23)
При l = 5,98 м
= 0,2· 5,98 = 1,196
м.
По формуле (3.22)
Коэффициент
определяется
по формуле
При Мо.п. =
;
=1;
=
10,67 МПа;
= 0,19 м;
=
0,36
По формуле (3.2)
По формуле (3.3)
При
=
;
=
365 МПа по формуле (3.4)
По формуле (3.5)
Принимаем
мм,
=
1,57 см2 с расположением арматуры в один ряд (рисунок 3.6).
Рисунок 3.6 - Схема поперечного сечения плиты
Рассчитываем величину с:
По формуле (3.6)
= 0,0754
=
0,626.
По формуле (3.7)
При
=
0,726;
=1;
=
10,67 МПа;
= 0,19 м;
=
0,375 по формуле (3.8)
Определим диаметр арматуры монтажных петель по
формуле (3.22)
Принимаем 4 петли 10 мм, площадь одного стержня
=
0,785 см2 .
3.4 Расчет полки плиты на местный
изгиб
Если в плите нет поперечных ребер, изгиб полки
происходит между продольными ребрами.
Полка рассчитывается как балка шириной b = 1 м.
Арматура, по результатам расчета на действие
положительного и отрицательного моментов, ставится поперек полки.
Коэффициент
определяется
по формуле
где
-
изгибающий момент.
=
-
расчетная ширина сечения полки.
= 1 м;
-
рабочая высота полки. Требуемую площадь арматуры на 1 м длины полки
определяется по формуле
Относительная высота сжатой зоны бетона
определяется по формуле
Несущая способность сечения определяется по
формуле
Арматура подобрана правильно если выполняется
условие
Рассчитаем коэффициент
по
формуле (3.25)
Относительная высота сжатой зоны бетона
определяется по формуле (3.2)
Характеристика сжатой зоны бетона определяется
по формуле (3.3)
МПа.
Предельное значение относительной высоты сжатой
зоны бетона определяем по формуле
Условие
выполняется.
Требуемую площадь арматуры рассчитаем по формуле
Назначим шаг стержней 250 мм, тогда количество
стержней на погонный метр полки n =
=
4 шт.
Принимаем на 1 п.м. 4Ø6,
что
дает принятую площадь арматуры As = 1,13 см2.
Поперечные сечения плиты в пролете и на опорах
представлены на рисунке 3.7.
Рисунок 3.7 - Поперечные сечения полки плиты: a
- в пролете; б - на опорах
c = ccov + Ø/2 = 20
+ 6/2 = 23 мм.= 80 - 23 = 57 мм = 0,057 м.
Проверяем несущую способность сечения по формуле
(3.27)
Условие
выполняется.
Вычислим коэффициент
Определим несущую способность сечения по формуле
(3.8)
Условие (3.29)
-
выполняется.
Прочность полки при принятой арматуре 4Ø6
S240 обеспечена.
Для армирования полки плиты назначим легкую сварную нижнюю сетку по ГОСТ
23279-85
В марке сварной сетке в числителе указаны
параметры в мм для продольных (конструктивных) стержней, в знаменателе - для
поперечных (рабочих) стержней. При этом размер сетки bxl=56x588 указан в
сантиметрах.
Рисунок 3.8
Для армирования верхней зоны полки назначим
сетку С2, получаемую путем резки сетки С1 на две половины с последующим
гнутьем, так, чтобы в опорных сечениях они заводились в полку на величину
4. Расчет колонны
.1 Расчетно-конструктивная схема
Колонны первого, а при наличии подвала -
подвального этажа рассматриваются как стойки с жестким защемлением в фундаменте
и шарнирно-неподвижным закреплением в уровне междуэтажного перекрытия.
Расчетная длина для такой схемы закрепления принимается от обреза фундамента до
оси ригеля с коэффициентом 0,7. Колонны остальных этажей рассчитываются как
стойки с шарнирно - неподвижным опиранием в уровнях перекрытия с расчетной
длиной
где
Н - высота этажа. Расчетная схема колонны первого этажа в здании без подвала
или колонны подвала представлена на рисунке 4.1.
Стыки колонн устраиваются в каждом этаже или
через этаж. Ригели опираются на консоли колонн. Стык ригеля с колонной
предусматривается жёстким. Ввиду того, что жёсткость ригеля больше жёсткости
колонн, влияние изгибающих моментов на несущую способность незначительно. При
расчёте сжатых элементов всегда должна приниматься во внимание эксцентриситет
от неучтённых факторов или случайный эксцентриситет
,
который суммируется с эксцентриситетом приложения продольной силы.
Величину случайного эксцентриситета
принимают
как большую из следующих значений: 1/30 высоты сечения элемента, 1/600
расчётной длины, 20мм - для сборных колонн.
Для сокращения типоразмеров сборных элементов
целесообразно назначить сечение колонн постоянным на всех этажах, за
исключением подвального варьируя классом бетона и коэффициентом армирования,
принимая его а пределах
Класс бетона
назначается не ниже С
, а для сильного
нагруженных - не ниже С
.
Рисунок 4.1 - Расчетная схема колонны
4.2 Сбор нагрузок на колонны с
покрытия и перекрытий
Нагрузки на одну колонну передаются с грузовой
площади, равной
где
шаг колонн.
Сосредоточенная нагрузка от собственного веса
ригеля при объемном весе железобетона 25кН/м3 рассчитывается по формулам:
нормативная
расчетная
где 25 кН/м3 плотность железобетона;
площадь
поперечного сечения ригеля, м2;
пролет ригеля, м;
коэффициент
надежности по нагрузке.
Нагрузка от собственного веса колонн в пределах
этажа рассчитывается по формулам:
Нормативная
расчетная
где 25 кН/м3 - плотность железобетона;
- размеры
поперечного сечения колонны, м2;
высота колонны, м.
По формуле (4.1) грузовая площадь составляет
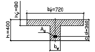
Поперечное сечение ригеля представлено на
рисунке 4.2.
Рисунок 4.2 - Поперечное сечение ригеля
Исходя из рисунка 4.2, площадь поперечного
сечения ригеля составляет
По формулам (4.2) и (4.3) вычисляем нагрузку от
собственного веса ригеля:
нормативная
расчетная
По формулам (4.4) и (4.5) предварительно
рассчитываем нагрузку от собственного веса колонны в пределах этажа:
нормативная
расчетная
Подсчет нагрузок, действующих на колонну от
покрытия и перекрытия, приведем в таблицах 4.1 и 4.2.
Таблица 4.1 - Нагрузки на колонну, передаваемые
с покрытия
|
Вид
нагрузки
|
Нормативная
нагрузка, кН
|
Коэффициент
безопасности по нагрузке
|
Расчетная
нагрузка, кН
|
|
Постоянные
|
|
1
Слой гравия на битумной мастике
|
|
1,35
|
|
|
2
Гидроизоляционный ковер
|
|
1,35
|
|
|
3
Цементно-песчаная стяжка
|
|
1,35
|
|
|
4
Утеплитель
|
|
1,35
|
|
|
5
Пароизоляция
|
|
1,35
|
|
|
6
Плита покрытия
|
|
1,35
|
|
|
7
Ригель
|
|
1,35
|
|
|
Итого
|
|
|
Временные
|
|
8
Полная снеговая
|
|
1,5
|
|
|
9
В том числе длительная
|
|
1,5
|
|
|
Постоянные
|
|
1
Пол и перегородки
|
|
1,35
|
|
|
2
Плита
|
|
1,35
|
|
|
3
Ригель
|
|
1,35
|
|
|
Итого
|
|
|
Временные
|
|
4
Длительно действующие
|
|
1,5
|
|
|
5
Кратковременная
|
|
1,5
|
|
|
Итого
|
|
|
|
|
|
|
|
|
По полученным данным вычисляем нагрузки на
колонну первого этажа по формулам:
где
число
этажей рассматриваемого здания;
коэффициент
сочетания для снеговой нагрузки.
Тогда по формулам (4.6),(4.7) и (4.8) получим:
4.3 Расчет колонны
Колонны прямоугольного поперечного сечения,
нагруженные продольной сжимающей силой, приложенной со случайным
эксцентриситетом (
), и при гибкости
и
симметричном армировании разрешается рассчитывать по условию
где
прочность
сечения при действии продольного усилия;
коэффициент,
учитывающий влияние продольного изгиба и случайных эксцентриситетов;
площадь
поперечного сечения сжатого элемента;
полная
площадь продольной арматуры в сечении.
Значение коэффициента
определим
по таблице А.4 в зависимости от гибкости колонны
и
относительной величины эксцентриситета
Введя в неравенство (4.9) коэффициент
армирования поперечного сечения
, получим
Требуемая площадь сечения колонны без учета
влияния продольного изгиба (
) и случайного
эксцентриситета определяется по формуле
Размеры сечения
определяются
по формуле
Размеры сторон сечения колонн при их величине до
500 мм принимают кратными 50 мм, при больших величинах кратными 100 мм. Не
следует принимать сечение колонн меньше 300х300 мм.
Величина случайного эксцентриситета
выбирается
как большее из трех значений
Условная расчетная длина колонны определяется по
формуле
где
предельное
значение ползучести бетона, допускается принимать равны 2,0
продольное усилие
от постоянной и длительно действующей нагрузок;
Гибкость
колонны
определяется по формуле
По гибкости
и
относительной величины случайного эксцентриситета (
),
интерополируя данные таблицы А.4, получаем коэффициент
Необходимое сечение всей продольной арматуры по
формуле
Назначаем диаметр и количество стержней
продольной арматуры из условия
Процент армирования определяется по формуле
Сечение арматуры подобрано удовлетворительно,
если значение
попадает в
интервал 1..2%
По формуле (4.11) определим требуемую площадь
сечения колонны
Принимаем квадратное сечение колонн размером
тогда
По формулам (4.13),(4.14) и (4.15) определяем значения
эксцентриситетов
По результатам выбираем значение случайного
эксцентриситета, как наибольшую величину, которая равна
.
По формуле (4.17)
равно
По формуле (4.18)
равна
Значение условной расчетной длины колонны
определим по формуле (4.16)
Гибкость колонны по формуле (4.19) равна
По значению гибкости
и
относительной величины случайного эксцентриситета (
),
проинтерполировав данные таблицы А.4, получили
По формуле (4.20)
равно
Принимаем 4-28 мм,
По формуле (4.21)
будет
равен
По формуле (4.9) определим несущую способность
арматуры
Условие выполняется, следовательно несущая
способность колонны обеспечена.
.4 Конструирование колонны
Продольные стержни в поперечном сечении колонны
размещают как можно ближе к поверхности элемента с соблюдением минимальной
толщины защитного слоя, которая по требованиям норм должна быть не менее
диаметра стержней арматуры и не менее 20мм.
Колонны сечением до 40x40 можно армировать
четырьмя продольными стержнями, что соответствует наибольшему допустимому
расстоянию между стернями рабочей арматуры. При расстоянии между рабочими
стержнями более 400мм следует предусматривать промежуточные стержни по
периметру сечения колонны.
Поперечный стержень (хомуты) в колонне ставят
без расчёта, но с соблюдением требуемых норм. Расстояние между ними должно быть
при сварных каркасах не более 20
, при вязанных - 15
,
но не более 500мм (здесь
- наименьший
диаметр продольных стержней). Расстояние между хомутами округляется до размеров
кратных 50мм. Диаметр хомутов
сварных каркасов
должен назначаться из условий сварки. Диаметр хомутов
вязанных
каркасов должен быть не менее 5мм и не менее 0,25
(
-наибольший
диаметр продольных стержней).
Плоские сварные каркасы объединяют в
пространственные с помощью поперечных стержней, привариваемых к угловым
продольным стержням плоских каркасов.
Примеры армирования колонн приведены на рисунке
4.3.

а) б)
в)
Рисунок 4.3 - Армирование колонн:
а), б) вязанный каркас; в)
сварной
каркас
5. Расчет монолитного
железобетонного фундамента
Требуется определить размеры и армирование
монолитного железобетонного фундамента под сборную центрально-нагруженную
колонну. Фундамент под центрально нагруженную колонну следует выполнять
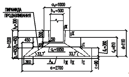
квадратным в плане (рисунок 5.1).
Рисунок 5.1
Эскиз
фундамента под колонну
плита перекрытие
фундамент арматура
Фундамент рассчитывается на действие
нагрузки, передаваемой колонной, и нагрузки от собственного веса фундамента и
грунта, находящегося на его уступах.
Нагрузка, передающаяся от колонны на
фундамент, равна продольной силе в нижнем сечении колонны, т. е. в уровне
обреза фундамента.
5.1 Определение размеров подошвы
Площадь подошвы фундамента
определяется из равенства
где
- расчетная нагрузка с
коэффициентом надежности по нагрузке
, действующая на фундамент в уровне
его обреза;
- среднее значение удельного веса
материала фундамента и грунта на его уступах, принимается равным 20 кН/м3;
- глубина заложения фундамента
(расстояние от уровня планировки до подошвы фундамента).
- условное расчетное сопротивление
грунта, кПа.
Тогда размер подошвы фундамента в
плане
и его
принимают кратным 100 мм.
5.2 Расчет тела фундамента
Расчет тела фундамента заключается в
определении его высоты, количества и размеров ступеней, подбора рабочей
арматуры подошвы фундамента.
5.2.1 Определение высоты
Высота фундамента определяется в
зависимости от способа его сопряжения с колонной. При монолитном сопряжении
(рисунок 5.2, а) минимальная рабочая высота фундамента определяется из условия
его прочности на продавливание. Предполагается, что продавливание происходит по
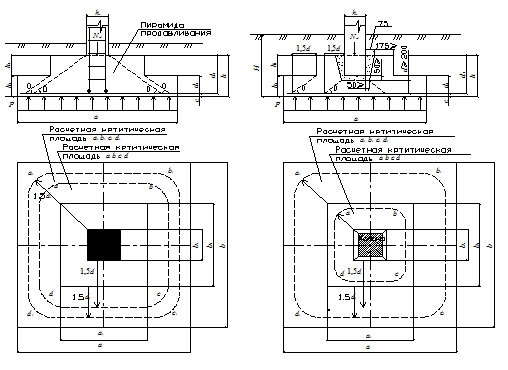
поверхности пирамиды, боковые стороны которой начинаются у колонны и наклонены
под углом 33,7° [3].
При стаканном сопряжении колонны с
фундаментом (рисунок 5.2, б) определяется минимальная толщина дна стакана из
условия прочности дна стакана на продавливание.
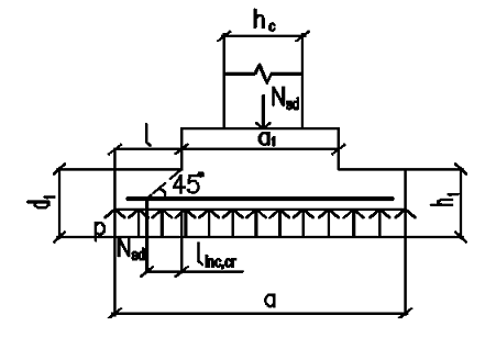
Прочность на продавливание
определяется вдоль расчетного критического периметра. Площадь приложения
местной нагрузки должна иметь периметр не более 11d, где d - рабочая высота
сечения фундамента или дна стакана. Если периметр площади приложения местной
нагрузки больше 11d, то производится расчет на срез от действия поперечных сил
при отсутствии вертикальной арматуры согласно подразд. 7.2 СНБ 5.03.01 - 02
[3].
Рисунок 5.2 - Варианты сопряжения
фундамента с колонной (
): а -
монолитное сопряжение; б - стаканное сопряжение
Условие продавливания записывается в
виде
где
- погонная поперечная сила,
вызванная нагрузкой от колонны, кН/м.
где
- коэффициент, учитывающий влияние
внецентренного приложения нагрузки. При центральном приложении нагрузки
= 1;- длина
критического периметра. При bc = hc и с учетом длины за кругленных секторов с
радиусом r = 1,5d и = 4hc + 3πd;
- результирующая поперечная сила,
действующая по длине критического периметра, за вычетом нагрузки от давления
грунта по площади, находящейся внутри критического периметра;
Здесь
- расчетная нагрузка на обрезе
фундамента;
р =
- реактивное давление грунта на
единицу площади подошвы фундамента от расчетного усилия без учета веса
фундамента и грунта на его уступах;
- площадь внутри расчетного
критического периметра. При bс = hc
;
- площадь подошвы фундамента;
- допускаемая расчетная поперечная
сила, МН/м, воспринимаемая расчетным сечением плиты без поперечного армирования
по расчетному критическому периметру пирамиды продавливания;
Здесь
(d подставляется в мм);
- расчетный коэффициент
армирования,
;
- нормативное сопротивление бетона
осевому сжатию, МПа.
Подставив (5.3) и (5.5) в (5.2),
получим квадратичное неравенство. Решив его относительно рабочей высоты
фундамента или дна стакана, получим
При монолитном сопряжении полная
высота фундамента определяется с учетом защитного слоя бетона
, который
принимается не менее 45 мм, если фундамент устанавливается на бетонную
подготовку, и не менее 80 мм, если подготовки нет.
При стаканном сопряжении, кроме
защитного слоя бетона, добавляется глубина заделки колонны в стакан, которая
принимается не менее hc, и толщина «подливки» под колонну - не менее 50 мм.
Высоту нижней ступени фундамента
принимают равной 300 или 450 мм, высоту ступеней - 300 мм. При высоте плитной
части фундамента h < 900 мм можно принять две ступени, а при h > 900 мм -
три ступени. Более трех ступеней не выполняют. Если полная высота фундамента
получается больше высоты плитной части, то устраивается подколонник.
5.2.2 Расчет на раскалывание
При стаканном сопряжении колонны с
фундаментом производится проверка прочности фундамента на раскалывание по
формуле
где
-
коэффициент трения бетона по бетону,
=
0,75;
- коэффициент
условий работы фундамента в грунте,
= 1,3;
- площадь
вертикального сечения фундамента по оси колонны за вычетом площади стакана.
5.2.3 Проверка прочности нижней
ступени
Ступени фундамента работают как консоли,
загруженные реактивным давлением грунта. Так как фундамент не имеет поперечной
арматуры, максимальный вынос нижней ступени проверяется на прочности по
наклонному сечению из условия восприятия бетоном всей поперечной силы от отпора
грунта (рисунок 5.3).
Рисунок 5.3 - Проверка прочности нижней ступени
на действие поперечной силы
Прочность обеспечена, если выполняется условие
где
-
поперечная сила от отпора грунта;
- наибольшая
поперечная сила, которую может воспринять бетон нижней степени.
Поперечная сила от отпора грунта находится по
формуле
где
- величина выноса
нижней ступени;
- длина проекции
наклонной трещины,
- длина подошвы
фундамента.
Величина выноса нижней ступени определяется по
формуле
Наибольшая поперечная сила, которую может
воспринять бетон нижней ступени, определяется по формуле

Кроме того, нижняя ступень проверяется по
прочности на продавливание вышележащей ступенью, если периметр вышележащей
ступени меньше 11
.
5.2.4 Расчет арматуры
Рабочая арматура подошвы фундамента определяется
по изгибающим моментам от реактивного давления грунта, вычисленным как для
консольной балки, заделанной в плоскости грани колонны или боковых граней
ступеней (рисунок 5.4).

Рисунок 5.4 - Схема к расчету арматуры
фундамента
Величины изгибающих моментов сечений
определяются по формулам:
Приняв плечо внутренней пары сил
требуемую
площадь арматуры определим по формулам:
Из трех значений требуемой площади к
конструированию фундамента принимается наибольшая площадь арматуры.
Для прямоугольных в плане фундаментов расчет
арматуры перпендикулярного направления производится по тем же формулам с
заменой горизонтальных размеров колонны и фундамента на размеры другого
направления.
Расчет фундамента.
Требуемую площадь фундамента определяем по
формуле (5.1)
Тогда сторона подошвы квадратного а плане
фундамента
Принимаем размеры подошвы фундамента 2,7х2,7 м,
По формула (5.7),(5.8) и (5.9) определим
коэффициенты
:
Здесь в первом приближении принято
Для назначения высоты фундамента определим толщину
дна стакана из условия прочности на продавливание по формуле (5.6)
Полная высота дна фундамента определяется суммой
толщины дна стакана, защитного слоя бетона, глубины заделки колонны в фундамент
и подливки:
Принимаем высоту
фундамента
Эскиз фундамента
приведен на рисунке 5.5
Рисунок 5.5 - Принятое поперечное сечение
фундамента
Так как фундамент - стаканного типа, проверим
его прочность на раскалывание. Площадь вертикального сечения за вычетом площади
стакана равна
Прочность фундамента на раскалывание определим
по формуле (5.10)
Прочность на раскалывание обеспечена.
Величину выноса нижней ступени определим по
формуле (5.13)
Поперечную силу от отпора грунта найдем по
формуле (5.12)
Здесь
Наибольшую поперечную силу, которую может
воспринять бетон нижней ступени, определим по формуле (5.14)
Прочность нижней ступени проверим по условию
(5.11)
Прочность нижней ступени на действие поперечной
силы обеспечена.
Определим периметр вышележащей (второй) ступени:
Так как
то
расчет нижней ступени на продавливание не производится, выполняется только
расчет на действие поперечной силы.
Принятые размеры фундамента удовлетворяют
условиям прочности.
Для расчета площади арматуры подошвы фундамента
определим изгибающие моменты в сечениях I-I…III-III по формулам (5.15), (5.16),
и (5.17):
Требуемую площадь арматуры определим по формулам
(5.18), (5.19), и (5.20)
Фундамент - квадратный в плане, поэтому в каждом
из двух направлений принимаем
мм, класс арматуры
S400,
.
Для армирования фундамента назначаем тяжелую
сварную сетку по ГОСТ 23279-85:
5.3 Конструирование фундамента
Армируют фундамент сварными сетками из стержней
периодического профиля диаметром не менее 10 мм и шагом 100 - 200 мм. Сварную
сетку устанавливают по подошве фундамента с соблюдением защитного слоя. Сборные
колонны жестко заделываются в фундамент, в котором с этой целью устраивают
специальное гнездо (стакан). Глубину заделки колонны принимают не менее
(1,0...1,5)hс - большего размера сечения колонны. Толщина нижней плиты гнезда
должна быть не менее 200 мм. Зазоры между колонной и стенками стакана должны
быть: по низу - не менее 50 мм, по верху - не менее 75 мм. Толщина стенок
стакана должна быть не менее
высоты верхней
ступени.
Список литературы
1. СНБ
5.03.01-02. Бетонные и железобетонные конструкции - Минск: Стройтех-норм, 2003.
- 139 с.
2. СНиП
2.01.07. -85. Нагрузки и воздействия. - М.: ЦИТП Госстроя СССР, 1986.
. ТКП
45-5.01-67-2007(02250). Фундаменты плитные. Правила проектирования. - Введ.
01.09.2007- Минск: Минстройархитектуры РБ,2008. - 136с.
. Железобетонные
конструкции. Основы теории, расчета и конструирования: учебное пособие для
студентов строительных специальностей; под ред. Т.М. Пенцольда и В. В. Тура -
Брест: БГТУ, 20003. -380 с.
. Байков
В.Н. Железобетонные конструкции: Общий курс / В.Н. Байков, Э.Е. Сигалов. - М.:
Стройиздат. 1991. - 767с.
. Попов
Н.Н. Проектирование и расчет железобетонных и каменных конструкций / Н.Н.
Попов, А.В. Забегаев. - М.: Высшая школа, 1989. - 400с.