|
Загружение
|
Вид усилия
|
Расстояние
сечения от опоры ξ
= x/l
|
|
номер
|
индекс
|
схема
|
|
0
|
0,25
|
0,5
|
0,75
|
1
|
|
Первый
пролет
|
|
1
|
320
|
[ (g+p) - g -
(g+p)]
|
M
|
0,0
|
240,6
|
284,6
|
131,9
|
-217,5
|
|
310
|
|
V
|
226,0
|
94,9
|
-36,2
|
-167,4
|
-298,5
|
|
2
|
330
|
[g - (g+p) -
g]
|
M
|
0,0
|
58,4
|
41,6
|
-50,3
|
-217,5
|
|
310
|
|
V
|
64,0
|
13,9
|
-36,2
|
-86,4
|
-136,5
|
|
3
|
340
|
[ (g+p) -
(g+p) - g]
|
M
|
0,0
|
234,2
|
271,6
|
112,5
|
-243,4
|
|
310
|
|
V
|
221,7
|
90,5
|
-40,6
|
-171,7
|
-302,8
|
|
Второй пролет
|
|
1
|
320
|
[ (g+p) - g -
(g+p)]
|
M
|
-217,5
|
-104,7
|
-67,1
|
-104,7
|
-217,5
|
|
310
|
|
V
|
100,2
|
50,1
|
0,0
|
-50,1
|
-100,2
|
|
2
|
330
|
[g - (g+p) -
g]
|
M
|
-217,5
|
77,5
|
175,9
|
77,5
|
-217,5
|
|
310
|
|
V
|
262,2
|
131,1
|
0,0
|
-131,1
|
-262,2
|
|
3
|
340
|
[ (g+p) -
(g+p) - g]
|
M
|
-243,4
|
59,8
|
166,4
|
76,3
|
-210,5
|
|
310
|
|
V
|
267,7
|
136,6
|
5,5
|
-125,6
|
-256,7
|
|
Третий пролет
|
|
1
|
320
|
[ (g+p) - g -
(g+p)]
|
M
|
-217,5
|
131,9
|
284,6
|
240,6
|
0,0
|
|
310
|
|
V
|
298,5
|
167,4
|
36,2
|
-94,9
|
-226,0
|
|
2
|
330
|
[g - (g+p) -
g]
|
M
|
-217,5
|
-50,3
|
41,6
|
58,4
|
0,0
|
|
310
|
|
V
|
136,5
|
86,4
|
36,2
|
-13,9
|
-64,0
|
|
3
|
340
|
[ (g+p) -
(g+p) - g]
|
M
|
-210,5
|
45,1
|
60,1
|
0,0
|
|
310
|
|
V
|
135,3
|
85,2
|
35,1
|
-15,0
|
-65,1
|
Таблицы с вычислениями М и V для каждого загружения
указаны в Приложении.
3.3 Эпюры
моментов и поперечных сил и их огибающие. Эпюры материалов
Эпюра М, кН·м
Эпюра V, кН
3.4
Конструктивный расчет
3.4.1 Подбор
продольной арматуры и расчет несущей способности ригеля
Арматура подбирается для всех пролетов и опор по максимальным
пролетным и опорным изгибающим моментам с учетом их перераспределения и
симметрии конструкции.
Пролет 1 (нижняя арматура)
Мsd = 292,1кН·м, класс бетона С25/30,
fcd = 16,67 МПа, класс арматуры S500, fyd = 450 МПа, Принимаем с =
0,04 м, рабочая высота сечения d = h - c = 0,6 - 0,04 = 0,56 м.
. Определяем коэффициент αm по формуле:
2. Определяем коэффициент ζ по формуле:
. Определяем коэффициент ξ lim по формуле:
ξ = 0,257 < ξlim = 0,55
. Определяем требуемую площадь продольной арматуры Аs по формуле:
м2
Принимаем 2 стержня 
мм с АS1 = 7,6 см2 и 2 стержня 
мм АS2 = 6,28 см2
y1 = 
мм,
y2 = 
мм
d = h - c = 0,6 - 0,054 = 0,546 м
.
. 
. Определяем несущую способность сечения при изгибе по формуле:
кН·м
MRd = 293,2 кН·м > Msd = 292,1 кН·м
Необходимое условие выполняется, сечение арматуры подобрано верно.
Несущая способность при двух оборванных стержнях 
мм составит (с = 33 мм; d = 600 -
33 = 567 мм):
кН·м
Опора В
Мsd = 243,4 кН·м,
. Определяем коэффициент αm по формуле:
2. Определяем коэффициент ζ по формуле:
ξ = 0,21 < ξlim = 0,6
. Определяем требуемую площадь продольной арматуры Аs по формуле:
м2
Принимаем 2 стержня 
мм с АS1 = 6,28 см2 и 2 стержня 
мм АS2 = 5,09 см2
y1 = 
мм,
y2 = 
мм
d = h - c = 0,6 - 0,05 = 0,55 м
.
. 
. Определяем несущую способность сечения при изгибе по формуле:
кН·м
MRd =249,6 кН·м > Msd = 243,4 кН·м
Несущая способность при двух оборванных стержнях 
мм составит (с = 30 мм; d = 600 -
30 = 570 мм):
кН·м
Пролет 2 (нижняя арматура) Мsd = 175,9 кН·м.
. Определяем коэффициент αm по формуле:
2. Определяем коэффициент ξ по формуле:
ξ = 0,145 < ξlim = 0,55
. Определяем требуемую площадь продольной арматуры Аs по формуле:
м2
Принимаем 4 стержня 
мм АS = 8,04
см2
с = 
мм,
d = h - c = 0,6 - 0,049 = 0,551 м
.
. 
. Определяем несущую способность сечения при изгибе по формуле:
кН·м
MRd = 184,7 кН·м > Msd = 175,9 кН·м
Пролет 2 (верхняя арматура)
Принимаем однорядное расположение арматуры в верхней зоне: с = 30
мм, d = 570 мм, Msd = 67,1кН∙м.
. Определяем коэффициент αm по формуле:
. Определяем коэффициент ξ по формуле:
ξ = 0,120 < ξlim = 0,602
. Определяем требуемую площадь продольной арматуры Аs по формуле:
м2
Назначаем 2 стержня, идущих от опоры В, 
мм Аs = 6,28
см2 > Аsтр = 2,69 см2.
Дальнейший расчет выполняем с учетом сжатой арматуры, идущей от
опоры В.
ξ = 0,034 < ξlim = 0,55
MRd = 189 кН·м > Msd = 175,9 кН·м
Несущая способность при двух оборванных стержнях 
мм составит (с = 28 мм; d = 600 -
28 = 572 мм):
кН·м
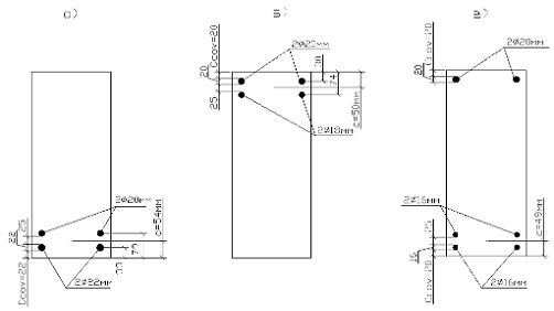
Рисунок 3.4.1 - Поперечное сечение ригеля: а - первый пролет; б
- опора В; в - второй пролет.
3.4.2 Подбор
поперечной арматуры
Расчет ригеля крайнего (первого) пролета.
Максимальная поперечная сила для левого
приопорного участка (левой четверти пролета) VSd = 226 кН.
Необходимые расчетные величины: d = 0,546 м, 2d = 1,092 м, As = 13,88 см2,
b = 0,25 м, бетон класса С25/30, fcd = 16,67 МПа, fctd =
1,2 МПа, арматура S240, fywd=157 МПа, число ветвей n = 2, nf = 0, ηN = 0, ηc2 = 2, ηc3 = 6.
. Проверяем необходимость расчета:
;
;
Поскольку
то необходима постановка поперечной
арматуры по расчету.
. Подбор поперечной арматуры.
;
Длина проекции опасной наклонной трещины на продольную ось
элемента:
;
.
Из технологических требований сварки, при крестовом соединении
двух стержней, назначаем
мм, принимаем
, для двух ветвей Asw = 1,01 см2.
Расчетный шаг поперечных стержней (хомутов):
;
Максимально допустимый шаг хомутов:
.
Конструктивные требования шага хомутов для приопорных участков
балки с высотой h>450 мм:
,
.
Принимаем значение s = 150 мм.
. Проверка прочности:
;
;
Поперечное усилие, воспринимаемое наклонным сечением:
;
, следовательно, прочность обеспечена.
. Проверка прочности по наклонной полосе между наклонными
трещинами:
;
;
;
;
, следовательно, прочность обеспечена.
Максимальная поперечная сила для правого приопорного
участка (правой четверти пролета)
(поперечная сила увеличена на 20%).
Необходимые расчетные величины: d = 0,55 м, 2d = 1,1 м, As = 11,37
см2, b = 0,25 м, бетон класса С25/30, fcd = 16,67 МПа, fctd = 1,2 МПа,
арматура S240, fywd = 157 МПа, число ветвей n = 2, nf = 0, ηN = 0, ηc2 = 2, ηc3 = 6.
. Проверяем необходимость расчета:
;
;
Поскольку
то необходима постановка поперечной
арматуры по расчету.
. Подбор поперечной арматуры.
;
Длина проекции опасной наклонной трещины на продольную ось
элемента:
;
Из технологических требований сварки, при крестовом соединении
двух стержней, назначаем
мм, принимаем
, для двух ветвей Asw = 1,57 см2.
Расчетный шаг поперечных стержней (хомутов):
;
Максимально допустимый шаг хомутов:
.
Конструктивные требования шага хомутов для приопорных участков
балки с высотой h>450 мм:
,
.
Принимаем значение s = 130 мм.
3. Проверка прочности:
;
;
Поперечное усилие, воспринимаемое наклонным сечением:
;
, следовательно, прочность обеспечена.
. Проверка прочности по наклонной полосе между наклонными
трещинами:
;
;
;
, следовательно, прочность обеспечена.
Пролетный участок ригеля (средние четверти пролета).
Максимальная поперечная сила
.
Необходимые расчетные величины аналогичны величинам для левого
приопорного участка.
. Проверяем необходимость расчета:
Поскольку
, то необходима постановка поперечной
арматуры по расчету.
. Подбор поперечной арматуры.
;
Длина проекции опасной наклонной трещины на продольную ось
элемента:
;
, для двух ветвей Asw = 1,57 см2.
Расчетный шаг поперечных стержней (хомутов):
;
Максимально допустимый шаг хомутов:
.
Конструктивные требования шага хомутов для пролетного участка
балки высотой h>450 мм:
,
.
Принимаем значение s = 270 мм.
. Проверка прочности:
;
;
Поперечное усилие, воспринимаемое наклонным сечением:
;
, следовательно, прочность обеспечена.
Расчет ригеля среднего (второго) пролета.
Максимальная поперечная сила для левого приопорного участка
(левой четверти пролета)
Необходимые расчетные величины: d = 0,55 м, 2d = 1,1 м, As = 11,37
см2, b = 0,25 м, бетон класса С25/30, fcd = 16,67 МПа, fctd = 1,2 МПа,
арматура S240, fywd = 157 МПа, число ветвей n = 2, nf = 0, ηN = 0, ηc2 = 2, ηc3 = 6.
. Проверяем необходимость расчета:
;
;
Поскольку
то необходима постановка поперечной
арматуры по расчету.
. Подбор поперечной арматуры.
;
Длина проекции опасной наклонной трещины на продольную ось
элемента:
;
.
Из технологических требований сварки, при крестовом соединении
двух стержней, назначаем
мм, принимаем
, для двух ветвей Asw = 1,01 см2.
Расчетный шаг поперечных стержней (хомутов):
;
Максимально допустимый шаг хомутов:
.
Конструктивные требования шага хомутов для приопорных участков
балки с высотой h>450 мм:
,
.
Принимаем значение s = 130мм.
. Проверка прочности:
;
;
Поперечное усилие, воспринимаемое наклонным сечением:
;
, следовательно, прочность обеспечена.
. Проверка прочности по наклонной полосе между наклонными
трещинами:
;
;
;
, следовательно, прочность обеспечена.
Пролетный участок ригеля (средние четверти пролета).
Максимальная поперечная сила
Необходимые расчетные величины: d = 0,551 м, 2d = 1,102 м, As =
8,04 см2, b = 0,25 м, бетон класса С25/30, fcd = 16,67 МПа, fctd = 1,2 МПа,
арматура S240, fywd = 157 МПа, число ветвей n = 2, nf = 0, ηN = 0, ηc2 = 2, ηc3 = 6.
. Проверяем необходимость расчета:
;
;

Поскольку
то необходима постановка поперечной
арматуры по расчету.
. Подбор поперечной арматуры.
;
Длина проекции опасной наклонной трещины на продольную ось
элемента:
;
Из технологических требований сварки, при крестовом соединении
двух стержней, назначаем
мм, принимаем
, для двух ветвей Asw = 1,57 см2.
Расчетный шаг поперечных стержней (хомутов):
;
Максимально допустимый шаг хомутов:
.
Конструктивные требования шага хомутов для пролетного участка
балки высотой h>450 мм:
,
.
Принимаем значение s = 270 мм.
. Проверка прочности:
;
;
Поперечное усилие, воспринимаемое наклонным сечением:
;
, следовательно, прочность обеспечена.
Рисунок 3.4.2 - Схема поперечного армирования ригелей:
а - первого пролета; б - второго пролета.
3.4.3
Построение эпюры материалов и определение мест обрыва продольных стержней
Значения мест теоретического обрыва стержней определяются по
формуле:
,
где
;
; в зависимости от загружения q = g или
q = g + p.
Определим точки теоретического обрыва крайнего ригеля.
Для пролетной арматуры: l = 6,0 м; загружение №2 (индекс 320), q
= g + p = 87,41 кН/м; Мsup,l = 0; Мsup,r = 217,5 кНм;
М = 179,5 кНм;
;
;
;
;
.
Для арматуры на опоре B (1-я группа): загружение №3 (индекс 330), q
= g = 33,41 кН/м; Мsup,l = 0; Мsup,r = 217,5 кНм; М =
- 153 кНм;
;
;
;
.
Определим точки теоретического обрыва среднего (второго) ригеля.
Для пролетной арматуры: l = 6,0 м; загружение №2 (индекс 320), q
= g + p = 87,41 кН/м; Мsup,l = 217,5; Мsup,r = 217,5
кНм; М = 103,6 кНм;
;
;
;
;
Для обеспечения прочности наклонных сечений ригеля по изгибающим
моментам обрываемые в пролете стержни продольной арматуры необходимо завести за
точку теоретического обрыва на расстояние не менее lbd, определяемое по
формуле
.
Для пролетной арматуры крайнего ригеля обрываются стержни
18 класса S500. Требуемая площадь сечения
арматуры
, принятая площадь сечения арматуры
. По таблице Ж.2 базовая длина анкеровки
. Длина анкеровки обрываемых стержней:
.
Минимальная длина анкеровки:
;
;/2 = 600/2 = 300мм;
Окончательно принимаем lbd,1 = 530мм.
Для арматуры опоры В крайнего ригеля обрываются стержни
18 класса S500:
, принятая площадь сечения арматуры
.
По таблице Ж.2 базовая длина анкеровки
.
Длина анкеровки обрываемых стержней:
.
Минимальная длина анкеровки:
;
;/2=600/2 = 300мм;
Окончательно принимаем lbd,6 = 480мм.
Для пролетной арматуры среднего ригеля обрываются стержни
16 класса S500. Требуемая площадь сечения
арматуры
, принятая площадь сечения арматуры
. По таблице Ж.2 базовая длина анкеровки
. Длина анкеровки обрываемых стержней:
.
Минимальная длина анкеровки:
;
;/2 = 600/2 = 300 мм;
Окончательно принимаем lbd,3 = 320мм.
3.5 Расчет по
раскрытию трещин, нормальных к продольной оси ригеля
Значение предельно допустимой ширины раскрытия трещин при
практически постоянном сочетании нагрузок (при постоянной и длительной
нагрузках)
(таблица 5.1).
Расчет по раскрытию трещин сводится к проверке условия
, где
- расчетная ширина раскрытия трещин от практически постоянного
сочетания
нагрузок.
Определим ширину раскрытия трещин ригеля первого пролета при
загружении №2, которое вызывает наибольший изгибающий момент. Момент от нормативных длительных
действующих нагрузок.
М = (0,08·33,41+ 0,101·54) ·62 = 292,56 кН·м;
Геометрические характеристики сечения:
;
;
;
;
;
.
Процент армирования сечения:
,
,5%
1%, следовательно, z = 0,85d;
Напряжение:
;
Относительная деформация растянутой арматуры в сечении с трещиной:
;
Значение средней относительной деформации арматуры:
.
Эффективная площадь растянутой зоны сечения:
;
Эффективный коэффициент армирования равен:
;
Среднее расстояние между трещинами:
.
Расчетная ширина раскрытия трещин равна:
.
Ширина раскрытия трещин меньше допустимой:
.
3.6 Расчет
прогиба ригеля
Проверку жесткости ригеля следует производить из условия:
, где αk - прогиб ригеля от действия внешней
нагрузки; αlim -
предельно допустимы
прогиб (приложение Е).
Для железобетонных элементов прямоугольного и таврового сечения с
арматурой, сосредоточенной у верхней и нижней граней, и усилиями, действующими
в плоскости симметрии сечения, прогиб можно определять по формуле
,
где
- коэффициент, зависящий от схемы
опирания плиты и характера нагрузки (таблица Ж.1);
Msd - максимальное значение расчетного
момента при
(от нормативной нагрузки);
B (
- изгибная жесткость элемента, определяемая при длительном
действии нагрузки.
Определим прогиб первого пролета при загружении № 2. Из
предыдущего расчета
.
Эффективный модуль упругости бетона:
;
;
Высота сжатой зоны xI:
;
Момент инерции сечения без трещин в растянутой зоне:
Высота сжатой зоны
:
Момент инерции сечения с трещинами:
Изгибная жесткость
Коэффициент
определяем по 9-й строке таблицы Ж.1.
Мв = (0,10·33,41+ 0,050·54) ·62 = 217,48
кН·м;
.
Величина прогиба
.
жесткость ригеля обеспечена.
4. Расчёт
колонны
4.1
Расчетно-конструктивная схема
Колонны первого этажа рассматриваются как стойки с жестким
защемлением в фундаменте и шарнирно-неподвижным закреплением в уровне
междуэтажного перекрытия. Расчётная длина для такой схемы закрепления
принимается от обреза фундамента до оси ригеля с коэффициентом 0,7. Колонны
остальных этажей рассчитываются как стойки с шарнирно-неподвижным опиранием в уровнях
перекрытий с расчётной длиной 
=Н, где Н - высота этажа.
Стыки колонн устраиваются в каждом этаже. Ригели опираются на
консоли колонн. Стык ригеля с колонной предусматривается жестким. Ввиду того,
что жесткость ригеля выше жесткости колонн, влияние изгибающих элементов на
несущую способность колонн незначительно. Однако при расчёте сжатых элементов
всегда должен приниматься во внимание случайный эксцентриситет 
, эксцентриситет от неучтённых факторов, который суммируется с
эксцентриситетом приложения продольной силы.
Класс бетона назначается не ниже С 12/15,
а для сильно нагруженных - не ниже С 20/25.
4.2 Конструирование
колонны
Продольные стержни в поперечном сечении колонны размещают как
можно ближе к поверхности элемента с соблюдением минимальной толщины защитного
слоя.
Колонны сечением 40х40см можно армировать четырьмя
продольными стержнями, что соответствует наибольшему допустимому расстоянию
между стержнями рабочей арматуры. При расстоянии между рабочими стержнями более
400мм следует предусматривать промежуточные стержни по периметру сечения
колонны.
Поперечные стержни в колонне ставят без расчёта, но с соблюдением
требований норм. Расстояние между ними должно быть при сварных каркасах не
более 20Øs, при вязаных - 15Øs, но не более 500мм.
Расстояние между хомутами округляют до размеров, кратных 50мм. Диаметр хомутов Øsw сварных каркасов должен назначаться из условий сварки. Диаметр
хомутов Øsw вязаных каркасов должен быть не менее 5мм и не менее 0,25 Øs.
Плоские сварные каркасы объединяют в пространственные с
помощью поперечных стержней, привариваемых к угловым продольным стержням
плоских каркасов.
4.3 Расчёт
колонны
Расчет нагрузок, действующих на колонну от покрытия и
перекрытия, сведём в таблицы 4.1 и 4.2 Здание шестиэтажное без подвала, высота
этажа 3,6 м, грузовая площадь 36 м2; нормативная полезная нагрузка 6
кН/м2, в том числе длительно действующая 3 кН/ м2.
Таблица 4.1 - Нагрузки на колонну, передаваемые с
покрытия.
|
Вид нагрузки
|
Величина
нагрузки
|
|
нормативная
|
Коэффициент
надежности по нагрузке γf
|
расчетная
|
|
Постоянные (g) 1. Cлой гравия на
битумной мастике
|
0,16∙36=5,76
|
1,35
|
7,78
|
|
2.
Гидроизоляционный ковер
|
0,1∙36=3,6
|
1,35
|
4,86
|
|
3.
Цементно-песчаная стяжка g = 20
кН/м3; d = 0,02 м
|
20∙0,02∙36=14,4
|
1,35
|
19,44
|
|
4. Утеплитель g = 4 кН/м3;
d = 0,15 м
|
4∙0,15∙36=21,6
|
1,35
|
29,16
|
|
5. Пароизоляция
|
0,03∙36=1,08
|
1,35
|
1,46
|
|
6. Плита покрытия
|
3∙36=108
|
1,35
|
145,8
|
|
7. Ригель (b = 25 см, h = 60 см)
|
3,75∙6=22,5
|
1,35
|
30,375
|
|
Итого
|
Gk,1=176,94
|
|
Gd,1=238,875
|
|
Временные 8. Полная снеговая
|
Qk,1=1,0∙36=36
|
1,5
|
Qd,1=54
|
|
9. В том числе
длительно действующая
|
Qk,lt,1= =0,3∙1,0∙36=10,8
|
1,5
|
Qk,lt,1= 16,2
|
Таблица 4.2 - Нагрузки на колонну, передаваемые с
перекрытия
|
Вид нагрузки
|
Величина
нагрузки
|
|
нормативная
|
Коэффициент
надежности по нагрузке γf
|
расчетная
|
|
Постоянные 1. Пол
|
0,5∙36=18
|
1,35
|
24,3
|
|
2. Плита
перекрытия
|
3∙36=108
|
1,35
|
145,8
|
|
3. Ригель
|
3,75∙6=22,5
|
1,35
|
30,375
|
|
Итого
|
Gk,2=148,5
|
|
Gd,2=200,475
|
|
Переменные 4. Стационарное оборудование (длительно
действующая)
|
Qk,lt,2=3∙36=108
|
1,5
|
Qd,lt,2=162
|
|
5. Вес людей и
материалов (кратковременно действующая)
|
3∙36=108
|
1,5
|
162
|
|
Итого
|
Qk,2=216
|
|
Qd,2=324
|
Нагрузка от собственного веса колонны в пределах этажа при
предварительно принятых размерах её сечения 0,4x0,4 м и объёмном весе
железобетона 25 кН/м3 составит:
нормативная 0,4∙0,4∙3,6∙25=14,4 кН;
расчётная 14,4∙1,35=19,44 кН.
По полученным данным вычисляем нагрузки на колонны каждого
этажа. В качестве доминирующей временной нагрузки принимаем нагрузку на
перекрытие.
Полная расчётная нагрузка
Расчётные нагрузки при gf>1:
-й этажsd.6 = 238,9+19,44 + 0,7∙54 = 296 кН;
-й этажsd.5 = 238,9 + 2∙19,44 + 200,5 + 324
+ 0,7∙54 = 840 кН;
-й этажsd.4 = 238,9 + 3∙19,44 + 2∙200,5
+ 2∙324 + 0,7∙54 = 1384 кН;
-й этажsd.3 = 238,9 + 4∙19,44 + 3∙200,5
+ 3∙324 + 0,7∙54 = 1928 кН;
-й этажsd.2 = 238,9 + 5∙19,44 + 4∙200,5
+ 4∙324 + 0,7∙54 = 2472 кН;
-й этажsd.1 = 238,9 + 6∙19,44 + 5∙200,5
+ 5∙324 + 0,7∙54 = 3016 кН;
Расчётные нагрузки при gf=1:
Nsк.1 = 176,9 + 6∙14,44 + 5∙148,5 + 5∙216
+ 0,7∙36 = 2111 кН.
В том числе длительно действующая
-й этажsd,lt,6 = 238,9 + 19,44 + 0,7∙16,2 =
270 кН;
-й этажsd,lt,5 = 238,9 + 2∙19,44 + 200,5 +
0,7∙16,2 = 490 кН;
-й этажsd,lt,4 = 238,9 + 3∙19,44 + 2∙200,5
+ 0,7∙16,2 = 710 кН;
-й этажsd,lt,3 = 238,9 + 4∙19,44 + 3∙200,5
+ 0,7∙16,2 = 930 кН;
-й этажsd,lt,2 = 238,9 + 5∙19,44 + 4∙200,5
+ 0,7∙16,2 = 1149 кН;
-й этажsd,lt,1 = 238,9 + 6∙19,44 + 5∙200,5
+ 0,7∙16,2 = 1369 кН;
Определение площади поперечного сечения и
продольного армирования центрально сжатых колонн
Расчёт колонны 1-го этажа.
Nsd.1 = 3016 кН, 
= 0,7Н = 0,7∙3,6 = 2,52 м.
Принимаем бетон класса С 25/23, ¦сd=16,67 МПа, арматура класса S=500, ¦yd=450 МПа, r=0,01,
.
Принимаем квадратное сечение колонны размером bх h=40х40 см, тогда
Ас=40x40=1600 см2.
Величина случайного эксцентриситета: еа = H/600 = 3600/600 = 6мм, еа = h/30 = 400/30 = 13мм, еа =20 мм.
Принимаем еа =20 мм.
Определяем
.
Условная расчётная длина колонны
Гибкость колонны
Относительная величина случайного эксцентриситета:
По
и
, интерполируя данные таблицы Ж3, определяем
Принимаем 4Æ25 As = 19,64 см2
Процент армирования:
По конструктивным требованиям ρmin=0,1%, оставляем принятое армирование.
Расчёт колонны 2-го этажа.
sd.2
= 2472 кН, 
= Н = 3,6м.
Принимаем бетон класса С 20/25, ¦сd=13,3 МПа, арматура класса S=500, ¦yd=450 МПа, r=0,01,
.
Принимаем квадратное сечение колонны размером bх h=40х40 см, тогда
Ас=40x40=1600 см2.
Величина случайного эксцентриситета: еа = H/600 = 3600/600 = 6мм, еа = h/30 = 400/30 = 13мм, еа =20 мм.
Принимаем еа =20 мм.
Определяем
.
Условная расчётная длина колонны
Гибкость колонны
Относительная величина случайного эксцентриситета:
По
и
, интерполируя данные таблицы Ж3, определяем
Принимаем 4Æ25 As = 19,64 см2
Процент армирования
Расчёт колонны 3-го этажа.
sd.3
= 2472 кН, 
= Н = 3,6м.
Принимаем бетон класса С 16/20, ¦сd=10,67МПа, арматура класса S=500, ¦yd=450 МПа, r=0,01,
Принимаем квадратное сечение колонны размером bх h=40х40 см, тогда
Ас=40x40=1600 см2.
Величина случайного эксцентриситета: еа = H/600 = 3600/600 = 6мм, еа = h/30 = 400/30 = 13мм, еа =20 мм.
Принимаем еа =20 мм.
Определяем
.
Условная расчётная длина колонны
Гибкость колонны
Относительная величина случайного эксцентриситета:
По
и
, интерполируя данные таблицы Ж3, определяем
Принимаем 4Æ20 As = 12,56 см2
Процент армирования
Расчёт колонны 4-го этажа.
sd.4
= 1384 кН, 
= Н = 3,6м.
Принимаем бетон класса С 12/15, ¦сd=8МПа, арматура класса S=500, ¦yd=450 МПа, r=0,01,
.
Принимаем квадратное сечение колонны размером bхh=35х35 см, тогда
Ас=35x35=1225 см2.
Величина случайного эксцентриситета: еа = H/600 = 3600/600 = 6мм, еа = h/30 = 350/30 = 12мм, еа =20 мм.
Принимаем еа =20 мм.
Определяем
.
Условная расчётная длина колонны
Гибкость колонны
Относительная величина случайного эксцентриситета:
По
и
, интерполируя данные таблицы Ж3, определяем
Принимаем 4Æ22 As = 15,2 см2
Процент армирования
Расчёт колонны 5-го этажа. Nsd.4 = 840 кН, 
= Н = 3,6м.
Принимаем бетон класса С 12/15, ¦сd=8МПа, арматура класса S=500, ¦yd=450 МПа, r=0,01,
.
Принимаем квадратное сечение колонны размером bх h=30х30 см, тогда
Ас=30x30=900 см2. Величина случайного
эксцентриситета: еа = H/600 = 3600/600
= 6мм, еа = h/30 = 300/30 =
10мм, еа =20 мм.
Принимаем еа =20 мм. Определяем
.
Условная расчётная длина колонны
Гибкость колонны
Относительная величина случайного эксцентриситета:
По
и
, интерполируя данные таблицы Ж3, определяем
Принимаем 4Æ18 As = 10,17см2
Процент армирования
Расчёт колонны 6-го этажа.
Nsd.4 = 296 кН, 
= Н = 3,6м.
Принимаем бетон класса С 12/15, ¦сd=8МПа, арматура класса S=500, ¦yd=450 МПа, r=0,01,
.
Принимаем квадратное сечение колонны размером bх h=30х30 см, тогда
Ас=30x30=900 см2.
Величина случайного эксцентриситета: еа = H/600 = 3600/600 = 6мм, еа = h/30 = 300/30 = 10мм, еа =20 мм.
Принимаем еа =20 мм. Определяем
.
Условная расчётная длина колонны
Гибкость колонны
Относительная величина случайного эксцентриситета:
По
и
, интерполируя данные таблицы Ж3, определяем
Следовательно, по расчету арматура не требуется.
Конструктивно принимаем 4Æ12 As = 3,39см2
Процент армирования
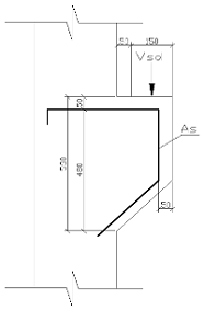
4.4 Расчёт
консоли колонны
Для опирания ригелей балочных перекрытий в колоннах
предусматривают короткие консоли, скошенные под углом
=45. Ширина консоли
назначается равной ширине колонны, а
вылет lc, исходя из удобства размещения закладных деталей для крепления
ригеля и необходимой длины сварных швов.
Вылет консоли должен быть не менее 1/3 высоты опорного сечения
и не более 0,9 рабочей высоты консоли d.
Минимально допустимая длина площади опирания ригеля из условия
прочности бетона на смятие:
Если расстояние от торца сборного ригеля до грани колонны
, тогда требуемый вылет консоли:
Если принять
, то требуемая рабочая высота консоли у грани
колонны из условия прочности наклонного сечения по сжатой полосе может быть
определена по формуле:
Тогда полная высота консоли у её основания hc = d
+ c = 0,530 + 0,05 = 0,580м;
Нижняя грань консоли у её основания наклонена под углом 45,
поэтому высоту свободного конца консоли определяем по формуле:
c1= hc - lc∙tg45 = 0,530 - 0, 200∙1 = 0,33м;
Сечение продольной арматуры As консоли подбирают по увеличенному
на 25% изгибающему моменту в опорном сечении:
MSd = VSd ∙ a = VSd ∙
(lc - lsup/2) = 302,8∙ (0, 200 - 0,150/2) = 37,85 кНм;
Определяем:
Принимаем Æ18 Аs = 2,545 см2.
Рисунок 4.1 - Армирование консоли колонны
5.
Проектирование фундаментов
5.1 Определение
размеров подошвы
Исходные данных: нагрузка, действующая на обрез фундамента, NSd=3016 кН, NSк=2111 кН, R0=0,25МПа; глубина
заложения фундамента H=1,5м; бетон класса С25/30, fcd=16,67МПа, fctd=1,2МПа; a=b (фундамент квадратный в
плане); арматура класса S500, fyd=450МПа, fск=25МПа.
Требуемую площадь фундамента найдем по формуле:
, где
γm - среднее значение удельного веса
материала фундамента и грунта на его уступах,
принимается равным 20 кН/м3
,
тогда сторона подошвы квадратного в плане фундамента:
Принимаем размеры подошвы фундамента 3,3х3,3м, Aф=10,89м2.
5.2 Расчет
тела фундамента
Расчет тела фундамента заключается в определении его высоты,
количества и размеров ступеней, подбора рабочей арматуры подошвы фундамента.
5.2.1
Определение общей высоты
Для назначения высоты фундамента определим толщину дна
стакана из условия прочности на продавливание
;
;
Здесь в первом приближении принято ρl=0,005 и k=1,5.
Полная высота фундамента определяется суммой толщины дна стакана,
защитного слоя бетона, глубины заделки колонны в фундамент и подливки:
.
Принимаем высоту фундамента h=1, 20м (кратно 150мм).
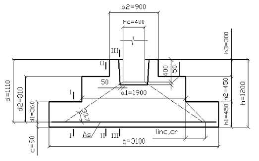
Рисунок 5.1 - Принятое поперечное сечение фундамента
5.2.2 Расчет
на раскалывание
Так как фундамент - стаканного типа, проверим его прочность
на раскалывание из условия:
где: μ -
коэффициент трения бетона по бетону, μ=0,75; γ1-коэффициент условий работы фундамента в грунте, γ1=1,3; A1 - площадь вертикального сечения фундамента по оси колонны за
вычетом площади стакана.
;
Прочность на раскалывание обеспечена.
5.2.3
Проверка прочности нижней ступени
Прочность нижней ступени будет обеспечена, если выполняется
условие:
,
где: VSd - поперечная сила от опора грунта,
определяется как:
где: l - величина выноса нижней ступени:
;
p - величина переменной равномерно распределённой нагрузки:
linc,cr - длина проекции наклонной трещины:
;
b - ширина подошвы фундамента: b=3,1м;
VRd - наибольшая поперечная сила, которую
может воспринять бетон нижней ступени:
где: d1 - рабочая высота нижней ступени; ηc3=0,6.
Проверим прочность нижней ступени на поперечную силу:
VRd=803,52 кН > VSd=233,46кН, прочность обеспечена.
Определим периметр вышележащей (второй) ступени: 4a1=4.1,9=8,4м. Так как 8,4м > 11. d1=11.0,36=3,96м, то расчет нижней ступени на
продавливание не производится, выполняется только расчет на действие поперечной
силы.
Принятые размеры фундамента удовлетворяют условиям прочности.
5.2.4 Расчет
арматуры
Рабочая арматура подошвы фундамента определяется по
изгибающим моментам, вычисленным как для консольной балки, заделанной в
плоскости грани колонны или боковых граней ступени.
Для расчёта площади арматуры подошвы фундамента определим
изгибающие моменты в сечениях I-I…III-III:
Из трех значений требуемой площади к конструированию фундамента
принимается наибольшая площадь арматуры.
Требуемая площадь арматуры определяется:
Фундамент - квадратный в плане, поэтому в каждом из двух
направлений принимаем 18Ø12мм,
класс арматуры S500, As=20,34 см2>As,max=19,72 см2.
5.2.5 Проверка
прочности дна стакана на продавливание
Рабочая высота дна стакана:
.
Длина критического периметра:
Площадь внутри расчетного критического периметра:
.
Поперечная сила:
.
Погонная поперечная сила:
Расчетный коэффициент армирования ρl и коэффициент k равны:
.
Допускаемая расчетная поперечная сила:
Таким образом, νSd=192,2кН/м < νRd,c=253,3кН/м, следовательно, прочность обеспечена.
Список
литературы
1. СНБ
5.03.01-02 Конструкции бетонные и железобетонные. - Мг.: Сройтехнорм, 2003
2. Байков
В.Н., Сигалов Э.Е. Железобетонные конструкции. Общий кус. - М. Стройиздат, 1985
. Талецкий
В.В. Проектирование железобетонных конструкций многоэтажного здания.Ч.I. -
Гомель: БелГУТ, 2009
. Талецкий
В.В. Проектирование железобетонных конструкций многоэтажного здания.Ч. II - Гомель: БелГУТ, 2009