|
-0.0474×41,04×5,82=-65,44102,0964,1091,54-147,52162,09-104,16
|
|
|
|
|
|
|
|
|
|
|
|
1+2
|
-211,27
|
-129,18
|
-129,18
|
194,85
|
-13,63
|
163,3
|
-235,84
|
79,69
|
-79,69
|
|
1+3
|
-144,57
|
-174,05
|
-174,05
|
54,11
|
114,07
|
55,22
|
-104,86
|
198,71
|
-198,71
|
|
1+4
|
-264,88
|
-238,39
|
-152,24
|
173,3
|
92,85
|
154,1
|
-245,04
|
241,78
|
-183,85
|
|
1+4выр
|
-211,27
|
-174,05
|
-173,69
|
194,74
|
114,3
|
151,64
|
-224,18
|
187,17
|
-187,04
|
|
∆
|
53,61
|
64,34
|
-21,45
|
21,44
|
21,45
|
-
|
-
|
-
|
-
|
Опорные моменты:
от постоянной нагрузки: M=a×g×l2.
от временной нагрузки: M=b×u×l2.
от полной нагрузки: M=(a×g+b×u)×l2.
Поперечные силы:
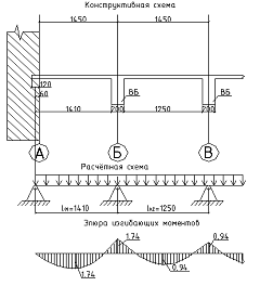
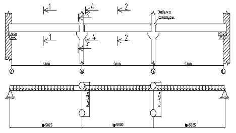
Схема 1:
Схема 2:
Схема 3:
Схема 4:
Пролётные моменты:
Схема 1:

Схема 3:
Схема 4:
5.3 Перераспределение моментов под
влиянием пластических шарниров
Пластический расчёт заключается в уменьшении
опорных моментов не более чем на 30 %, при этом намечается образование
пластических шарниров на опоре. Выполняется перераспределение моментов для
эпюры к схеме (1+4). Для этого к эпюре (1+4) добавляется выравнивающая эпюра.
Ординаты выравнивающей эпюры:
DМ21=
=264,88-211,27=53,61кН·м
DМ23=
=238,39-174,05=64,34
кН·м
DМ32=
-DМ23/3=
-64,34/3= -21,45 кН·м
кН·м
кН·м
Ординаты выравнивающей эпюры по
схеме 1+4 выровненной:
Поперечные силы для схемы 1+4
выровненной:
5.4 Опорные моменты ригеля по граням
колонн
Схема (1+2):
М21гр=|М21|-|Q21|×hк/2 =
211.27-235.84×0,3/2 =
175.89 кН×м
М23гр=|М23|-|Q23|×hк/2 =
129,18-79.69×0,3/2 =
117.23 кН×м
Схема (1+3):
М21гр=|М21|-|Q21|×hк/2 =
144.57-104.86×0,3/2 =
128.41кН×м
М23гр=|М23|-|Q23|×hк/2 =
174.05-198.71×0,3/2 =
144.24 кН×м
Схема (1+4выр):
М21гр=|М21|-|Q21|×hк/2
= 211,27-224,18×0,3/2 = 177,64 кН×м
М23гр=|М23|-|Q23|×hк/2
= 174,05-187,17×0,3/2 = 145,97 кН×м
Для расчетов принимаем максимальный из
полученных расчетных моментов.
5.6 Расчет прочности ригеля по
сечениям, нормальным к продольной оси
Характеристики прочности бетона и арматуры.
Бетон тяжелый класса В25, расчетные
сопротивления при сжатии Rb=14.5 МПа, при растяжении Rbt=1.05 МПа; коэффициент
условий работы бетона b2=0.90; модуль упругости Еb=30000 МПа. Арматура
продольная рабочая класса А-III, расчетное сопротивление Rs=365 МПа, модуль
упругости Еs=200000 МПа.
Определение высоты сечения ригеля.
Высоту сечения подбираем по опорному моменту при
=0.35, поскольку на опоре момент определен с учетом образования
пластического шарнира. Принятое же сечение ригеля следует, затем проверить по
пролетному моменту (если он больше опорного) так, чтобы относительная высота
сжатой зоны исключалось переармированное неэкономичное сечение.
Находим значение aм=0.289.
Граничная высота сжатой зоны:

Требуемая рабочая высота сечения ригеля: при
b=25см
Полная высота h=h0+as=43,4+5=48,4мм.
→ h=50 см.= 5 см - расстояние до арматуры.
Производим подбор сечений арматуры в
расчетных сечениях ригеля.
Сечение 1-1 в первом пролете:
М=194.85 кН×м;
h0=50-5=45 см
am=М/Rb×b×h02=19485000/0.9×14.5×25×452×(100)=0,295
по таблице
= 0.82, 
(0,36<0,59)=M/Rs×
×h0=19485000/365×0,82×45×(100)=14,47
см2
Принимаем 4 стержня 22 А-III
с Аs=15,2 см2
Определяем количество верхней
арматуры.
Арматура принимается конструктивно 212
А-III с Аs=2,26 см2
Рис. 5.3
Сечение 2-2 в среднем пролете:
М=114,3 кН×м; h0=45 см
am=М/Rb×b×h02=11430000/0.9×14.5×25×452×(100)=0,173
по таблице
=0.904,
,
(0,191<0,59)=M/Rs×h0=11430000/365×0.904×45×(100)=7.70
см2
Принимаем 4 стержня 16 А-III с Аs=
8,04 см2
Для восприятия отрицательного момента в верхней
зоне среднего ригеля принимаем равной 50% от нижней 2 стержня 16 А-III
с Аs= 4,02 см2.
Рис. 5.4
Сечение 3-3 на средней опоре верхняя арматура:
M=177,64кН×м; h0=50-4=46 см
am=
/Rb×b×h02=17764000/0.9×14.5×25×462×(100)=0.257
по таблице
=0.849,
(0,303<0,59)=
/Rs×h0=17764000/365×0.849×46×(100)=12,46
см2
Принимаем 2 стержня 28 c As=12,32
см2
Рис. 5.5
Сечение 4-4 на средней опоре верхняя арматура:
M=145,94 кН×м; h0=46
am=
/Rb×b×h02=14594000/0.9×14.5×25×462×(100)=0.211
по таблице
=0.88, 
(0,24<0,59)=
/Rs×h0=14694000/365×0.88×46×(100)=9,96см2
Принимаем 2 стержня 25 c As=9,82 см2
Нижняя арматура 2 16 А-III с Аs=4,02
см2 (по сечению 2-2)
Рис. 5.6
5.7 Расчет прочности ригеля по
сечениям, наклонным к продольной оси
На средней опоре поперечная сила
Q=245,04 кН. Диаметр поперечных стержней устанавливают из условия сварки их с
продольной арматурой диаметром d=28мм и принимают dsw=8 мм с площадью
Аs=0.503см2. При классе A-III Rsw=285 МПа; поскольку dsw/d=8/28=0,29<1/3, вводят
коэф. условий работы gs2=0.9 и
тогда Rsw=0.9×285=257 МПа.
Число каркасов -2, при этом Asw=2×0.503=1,01 см2. Шаг поперечных стержней по
конструктивным условиям
=h/3=50/3=16,7
см. Принимаем
=15 см. На
всех приопорных участках длиной l/4 принят шаг
=15 см, в средней части пролёта шаг
=3×h/4=3×50/4=37,5
см. Принимаем
=35 см.
Погонное усилие в поперечных
стержнях
qsw=Rsw×Asw/
=257×1.01×100/15=1730
H/см.
Qb.min=jb3×Rbt×b×h0=0.6×0.9×1,05×25×45×100=63,79кН
=1730 H/см > Qb.min/2×h0=63790/2×45=708,75
H/см - условие прочности по наклонному сечению между соседними хомутами
удовлетворяется.
Условие
Smax также
удовлетворяется
=jb4×Rbt×b×h02/Q=1.5×0.9×1,05×25×452×100/245,04×103=29,29см
>15 cм - удовлетворяется.
Расчёт прочности по наклонному
сечению.
Вычисляют
Mb=jb2×Rbt×b×h02=2×1,05×0.9×25×452×100=95,68×105 H/см.
Поскольку
=g+u/2=27,48+41,04/2=48 кН/м=480 Н/см < 0.56×qsw=0.56×1730=968,8
Н/см значение С вычисляют по
формуле:
с=
см<3,33×h0=3,33×45=149,85см.
Принимаем С=141.19
При этом Qb=Mb/c=95,68×105/141.19=67.77×103 H >Qb.min=63,79×103 H.
Поперечная сила в вершине наклонного сечения Q=Qmax-q1×c=245,04×103-480×141.19=177,27×103. Длина
проекции наклонного сечения с0=
см < 2×h0=2×45=90см.
Вычисляют Qsw=qsw×c0=1730×74,37=128,66×103H.
Условие прочности
Qb+Qsw=67,77×103+128,66×103=196,43×103H>173,11×103H-
обеспечивается.
Проверка прочности по сжатой полосе
между наклонными трещинами: mw=Asw/b×s=1.01/25×15=0.0027; a=Es/Eb=200000/30000=6.67;
jw1=1+5×a×mw=1+5×6.67×0.0027=1.09;
jb1=1-0.01×Rb=1-0.01×14.5=0.855.
Условие Q=245040<0.3×jw1×jb1×Rb×b×h0=0.3×1.09×0.855×0.9×14.5×25×45×100=410466H
удовлетворяется.
5.8 Построение эпюры материалов
Принятая продольная арматура -
рабочая принятая по максимальным пролётным и опорным моментам по мере удаления
от опор и середины пролётов часть рабочей арматуры можно оборвать. Точки
пересечения огибающей эпюры и эпюры моментов дают теоретические точки обрыва
продольной арматуры. Порядок обрыва продольной арматуры:
. Строятся в масштабе огибающие
эпюры M и Q от внешней нагрузки.
. Определяют М, которые могут
воспринимать сечения армированной принятой рабочей арматурой.
. В масштабе М эпюры материалов
накладываются на огибающие эпюры моментов, точки пересечения этих опор и дают
теоретические точки обрыва.
. Определяют анкеровку обрываемых
стержней за теоретические точки обрыва.
Сечение 1-1
Моменты, которые может воспринимать
армированное сечение:
а) 4Æ22 Аs=15.2 см2, h0=h-as=50-5=45 см.
;
=0.811
М4Æ22=Rs×As×z×h0=365×103×15.2×10-4×0.811×45×10-2=202.47 кНм.
б) 2Æ22 Аs=7,6
см2,
h0=h-as=50-3=47 см.
;
=0.909
М2Æ22=Rs×As×z×h0=365×103×7,6×10-4×0.909×47×10-2=118,51кНм.
в) 2Æ12 Аs=2.26
см2,
h0=h-as=50-4=46 см.
;
=0.972
М2Æ12=Rs×As×z×h0=365×103×2.26×10-4×0.972×46×10-2=36,88 кНм.
Сечение 2-2
а) 4Æ16 Аs=8,04см2, h0=h-as=50-5=45 см.
;
=0.902
М4Æ16=Rs×As×z×h0=365×103×8,04×10-4×0.902×45×10-2=119,12 кНм.
б) 2Æ16
Аs=4,02см2,
h0=h-as=50-3=47 см.
4
;
=0.958
М2Æ16=Rs×As×z×h0=365×103×4,02×10-4×0.958×47×10-2=66,07 кНм.
в) 2Æ16 Аs=4,02
см2,
h0=h-as=50-4=46 см.
;
=0.951
М2Æ16=Rs×As×z×h0=365×103×4,02×10-4×0.951×46×10-2=64,19кНм.
Сечение 3-3, 4-4
Æ28 Аs=12,32 см2,
h0=h-as=50-4=46 см.
;
=0.851
М2Æ28=Rs×As×z×h0=365×103×12,32×10-4×0.851×46×10-2=176,03 кН.пролёт:
М4Æ22= 202,47 кНм,
М2Æ22= 118,51 кНм,
М2Æ12= 36,88 кНм пролёт:
М4Æ16= 119,12 кНм
М2Æ16= 66,07 кН
М2Æ16= 64,19 кН
Опора: М2Æ28=176,03кНм
Анкеровка обрывных стержней.³(Q/2×qsw)+5×d³20×d
Где d- диаметр обрываемой арматуры, Q -
поперечная сила в точке теоретического обрыва
qsw=Rsw×Asw/
=257×1.01×100/15=1730
H/см.
где S - это шаг поперечных стержней
в месте анкеровки
=1730 Н/см
.Q1 =88.88 кН; W1=(88,88×103/2×1730)+5×2.2=36,69
см=20×2.2=44 см
. Q2=97,93 кН W2=(97,93×103/2×1730)+5×2.2=39,3
см=20×2.2=44см
. Q3 =136,57 кН W3=(136,58×103/2×1730)+5×2.8=53,47
см=20×2,8=56 см
. Q4 =145,54 кН W4=(145,54×103/2×1730)+5×2.8=56,06
см=20×2,8=56 см
. Q5 =82,87 кН W5=(82,87×103/2×1730)+5×1.6=31,95
см=20×1.6=32 см
. Q6 =74,96 кН W5=(74,96×103/2×1730)+5×1.6=29,66
см=20×1.6=32 см
. Q7 =128,42 кН W5=(128,42×103/2×1730)+5×2.8=51,12см=20×2.8=56 см
6. РАСЧЁТ И КОНСТРУИРОВАНИЕ КОЛОННЫ
.1 Нагрузки, продольные усилия
Таблица 6.1
|
Нагрузка
|
Нормативная,
кН/м2
|
gf
|
Расчётная
|
|
I.
Покрытие: постоянная.
|
|
|
|
|
1.
Рулонный ковер в 3 слоя
|
0.12
|
1.2
|
0.144
|
|
2.
Цементная стяжка =20мм, r=20кН/м3.0.401.30.520
|
|
|
|
|
3.
Утеплитель - пенобетонные плиты s=120мм, r=4кг/м3.
|
0.48
|
1.2
|
0.576
|
|
4.
Пароизоляция
|
0.04
|
1.2
|
0.048
|
|
5.
Сборные ж/б плиты
|
3.00
|
1.1
|
3.300
|
|
6.
Ригель: Fтр=0.25×0.50×5,8×25/34,5=0.53
кН0.531.10.583
|
|
|
|
|
Итого:
|
4.57
|
|
5.171
|
|
II.
Временная - III снеговой район
|
|
|
|
|
Длительная
|
0,64
|
1.4
|
0,9
|
|
Кратковременная
|
0,64
|
1.4
|
0,9
|
|
Итого:
|
1,28
|
|
1,8
|
|
Всего:
В том числе длительная
|
5.85
5.21
|
|
6.971
6.071
|
|
I.
от перекрытия постоянная
|
|
|
|
|
1.
собственный вес керамич. плитки
|
0.24
|
1.1
|
0.264
|
|
2.
цементный раствор
|
0.44
|
1.3
|
0.572
|
|
3.
пустотная плита
|
3.0
|
1.1
|
3.300
|
|
4.
ригель
|
0.53
|
1.1
|
0.583
|
|
Итого:
|
4,21
|
|
4.72
|
|
II.
Временные
|
|
|
|
|
длительная
|
4
|
1.2
|
4.8
|
|
кратковременная
|
2
|
1.2
|
2.4
|
|
Итого:
|
6
|
|
7.2
|
|
Всего:
|
10,21
|
|
11.92
|
|
В
том числе длительная
|
8,21
|
|
9.52
|
Грузовая площадь колонны
,
Нагрузка от собственного веса
колонны в пределах первого этажа.
Предварительные размеры колонны
=b×h×Hэт×gж/б×gn
,
,
=b×h×Hэт×gж/б×gn=0.3×0.3×4.2×25×0.95×1.1=9.88кН
Таблица 6.2
|
№
эт.
|
Расчётная
нагрузка на перекрытие и покрытие (кН)
|
G
(вес колонн) кН
|
Расчётные
нагрузки
|
|
Длительная
|
кратковременная
|
|
длительная
|
кратковрем.
|
полная
|
|
4
|
 9.88208,8629.50238,36
|
|
|
|
|
|
3
=
,98
+ 9,52*34,5*0,95=510,1
=29,50+2,4*34,5*
*0,95=108,16
2
=510,1+9,52*34,5*0,95=
=822,12
|
=108,16+2,4*34,5*0,95=186,8229.64851,76186,821038,58
|
|
|
|
|
|
1
=
822,12+9,52*34,5*0,95=
=1134,14
|
=186,82+2,4*34,5*0,95=265,4839.521173,66265,481439,14
|
|
|
|
|
|
6.2 Изгибающие моменты в колонне от
расчётных нагрузок
Изгибающие моменты в колонне от расчетных
нагрузок определяются по разностям абсолютных значений опорных моментов ригеля
в узле.
Для определения опорных моментов ригелей первого
этажа находим
K=1,2*(Jbm×lcol/Jcol×lbm)=260416,67×
420/67500×580=1,2*2,794=3,35
где: Jbm, Jcol - моменты сечения ригеля и
колонны, lcol - длина ригеля в осях и длина стойки =b×h3/12=25×503/12=260416,67;
Jcol=30×303/12=67500
Определяют максимальный момент колонн - при
загружении 1+2 без перераспределения моментов. При действии полной нагрузки:
М21=(a21×g+b21×u)×lкр2=(-0,110×27,48-0,081×41,04)×5,8252=-215,28
кН×м;
М23=(a23×g+b23×u)×lср2=(-0,093×27,48-0,029×41,04)×5,82=-125,98кН×м;
от действия длительной нагрузки:
М21=(a21×g+b21×ul)×lкр2=(-0,110×27,48-0,081×27,36)×5,8252=-177,76
кН×м;
М23=(a23×g+b23×ul)×lср2=(-0,093×27,48-0,029×27,36)×5,8
2= -112,66 кН×м;
Разность абсолютных значений опорных моментов в
узле рамы:
От действия полной нагрузки:
DМ=|М21-М23|=|-215,28 -(-125,98)|= 89,3 кН×м,
От действия длительной нагрузки:
DМ=|М21-М23|=|-177,76 -(-112,66)|= 65,1 кН×м.
Изгибающий момент колонны от 1 этажа:
От действия полной нагрузки:
М=0.4×DМ=0,4*89,3 =
35,72 кН×м,
От длительной нагрузки:
М=0.4×DМ=0,4*65,1 =
26,04 кН×м.
Изгибающий момент колонны от 2 этажа:
От действия полной нагрузки:
М=0.6×DМ=0,6×89,3=
53,58 кН×м,
От действия длительной нагрузки
М=0.6×DМ=0,6×65,1
= 39,06 кН×м.
Вычисляют изгибающие моменты колонны,
соответствующие максимальным продольным силам; для этой цели используют
загружение пролётов ригеля по схеме 1+1. Разность абсолютных значений опорных
моментов ригеля:
От полной нагрузки:
DМ=|(a21-a23)×(g+u)×(
)2|=|(-0,110+0,093)×(27,48+41,04)×5,81252|=
39,35 кН×м,
От длительной нагрузки:
DМ=|(-0,110+0,093)×(
27,48+27,36)× 5,81252|=
31,50 кН×м,
изгибающие моменты колонн 1 этажа:
От полной нагрузки:
М=0,4×DМ=0,4×39,35=
15,74 кН×м,
От длительной нагрузки:
М=0,4×DМ=0,4×31,50=12,6
кН×м,
изгибающие моменты колонн второго этажа:
От полной нагрузки:
М=0,6×DМ=0,6×39,35=23,61кН×м,
От длительной нагрузки
М=0,6×DМ=0,6×31,50=
18,9 кН×м.
6.3 Расчёт прочности колонны
Эпюры изгибающих моментов и продольных сил в
средней колонне.
Рис. 6.1
Характеристики прочности бетона и арматуры.
Класс тяжёлого бетона В25 (Rb=14.5 МПа,
Еb=30000) и класс арматуры А-III, RS=365МПа - расчетное сопротивление,
ЕS=200000МПа - модуль уругости арматуры. Комбинации расчётных усилий: max
N=1439,14кН, в том числе от длительных нагрузок Nl=1173,66 кН и соответствующий
момент М=15,74 кН×м, в том числе от длительной
нагрузки М=12,6 кН×м.
Ведем расчет по двум комбинациям усилий
По схеме загружения 1+1, дающей максимальное продольное
усилие.
От действия полной нагрузки:
=1439,14кН, Мmax=15,74 кН×м
Схема загружения 1+1 от длительной нагрузки:
=1173,66 кН×м, Мlmax=12,6 Н×м
Схема загружения 1+2 от полной нагрузки:
Мmax=35,72 кН×м =(Nmax-u×l/2)×0.95=(1439,14-41,04×5,8/2)×0,95=1254,12
кН,
Схема загружения 1+2 от длительной нагрузки:
=24,06 кН×м= (Nl-ul×l/2)×0.95=(1173.66-27.36×5,8/2)×0,95=1039.6
кН.
Подбор сечения симметричной арматуры в сечении
колонны.
По схеме 1+1
Рабочая высота сечения: h0=h-a=30-4=26 см,
ширина: b=30 см.
Эксцентриситет силы: e0=М/N=15,74/1439,14=1,09
cм.
Случайный эксцентриситет:
e0=lкол/600=420/600=0,7см. Принимаем больший эксцентриситет для расчета e0=1,09
см.
Найдем значение моментов в сечении относительно
оси, проходящей через центр тяжести наименее сжатой (растянутой) арматуры.
От действия длительной нагрузки:
М1l=Мl+Nl×(h/2-a)=
12,6+1173,66×(0,3/2-0,04)=141,70 кН×м,
От действия полной нагрузки:
= М+N×(h/2-a)=
15,74+1439,14×(0,3/2-0,04)=174,05 кН×м.
Отношение l0/r=420/8,67=48,44>14, где r=0,289×h=0,289×30=8,67
см - радиус ядра сечения. Выражение для критической продольной силы при
прямоугольном сечении с симметричным армированием Аs=A’s (без предварительного
напряжения) с учетом, что Ib=r2×A,
Is=1×A×(h/2-a)2,
1=2×As/A
принимает
вид:
Расчетная длина колонн многоэтажных
зданий при жестком соединении ригелей с колоннами в сборных перекрытиях
принимается равной высоте этажа l0=l=4,2 м.
Для тяжелого бетона:
l=1+M1l/M1=1+141,7/174,05=1,81
e0/h=1,09/30=0,036<min=0,5-0,01×l0/h-0,01×Rb=0,5-0,01×420/30-0,01×14,5=0,215
принимаем 0,215 Отношение модулей упругости a=Es/Eb=200000/30000=6,7
Задаемся коэффициентом армирования 1=2×As/A=0.025.
Вычисляем критическую силу:
кН=e0×+h/2-a=1,09×1,04+30/2-4=12,13см.
Определяем граничную высоту сжатой
зоны:
;
здесь 0,85-0,008×0,9×14,5=0,75
Вычисляем:
;
Определяют площадь арматуры:

По схеме 1+2
Рабочая высота сечения: h0=h-a=30-4=26 см,
ширина: b=30 см.
Эксцентриситет силы: e0=М/N=35,72/1254,12=2,8
cм.
Случайный эксцентриситет:
e0=lкол/600=420/600=0,7см. Принимаем больший эксцентриситет для расчета e0=2,8
см.
Найдем значение моментов в сечении относительно
оси, проходящей через центр тяжести наименее сжатой (растянутой) арматуры.
От действия длительной нагрузки:
М1l=Мl+Nl×(h/2-a)=
24,06+1039,6×(0,3/2-0,04)=138,42 кН×м,
От действия полной нагрузки:
= М+N×(h/2-a)=
35,72+1254,12×(0,3/2-0,04)=173,67 кН×м.
Отношение l0/r=420/8,67=48,44>14, где r=0,289×h=0,289×30=8,67
см - радиус ядра сечения.
Is=1×A×(h/2-a)2,
1=2×As/A
принимает
вид:
=6.4×Eb×A/l2×((r2/l×(0.11/(0.1)+0.1)+a×1×(h/2-a)2)).
Расчетная длина колонн многоэтажных зданий при
жестком соединении ригелей с колоннами в сборных перекрытиях принимается равной
высоте этажа l0=l=4,2 м.
Для тяжелого бетона:
1=1+M1l/M1=1+138,42/173,67=1,8
e0/h=2,8/30=0,093<min=0,5-0,01×l0/h-0,01×Rb=0,5-0,01×420/30-0,01×14,5=0,215
принимаем 0,215 Отношение модулей упругости a=Es/Eb=200000/30000=6,7
Задаемся коэффициентом армирования 1=2×As/A=0.025.
Вычисляем критическую силу:
кН
Вычисляем коэффициент
1/(1-N/Ncr)=1/(1-1254,12/38230)=1,03. Значение e равно
=e0+h/2-a=2,8×1,03+30/2-4=13,88см.
Определяем граничную высоту сжатой
зоны:
;
здесь 0,85-0,008×0,9×14,5=0,75
Вычисляем:
;
Определяют площадь арматуры:
выбираем арматуру по
Принимаем 2 стержня 22 А-III c
As=7,6 см2.
Рис. 6.2
Процент армирования
,

;
Минимальная площадь сечения
продольной арматуры S и
во
внецентренно сжатых элементах , согласно нормам допускается равной в %.
,2% … в элементах при 35

83;
Поперечную
арматуру принимаем из условия свариваемости с продольными стержнями:=8мм
(приложение 9 [1]) А-III
Шаг
поперечной арматуры
Принимаем
. Поперечная
арматура принимается для обеспечения устойчивости продольных стержней
(исключает поперечное выпучивание продольных).
Рис.
6.3
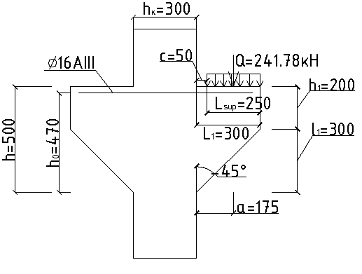
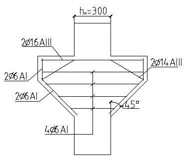
6.4 Расчёт и конструирование консоли
колонны
Рис. 6.4
Опорное давление ригеля: Q=241,78кН (расчет
ригеля); бетон класса В25, Rb=14.5 МПа, b2=0.9 МПа; Rbt=1.05 МПа; арматура
класса А-III, Rs=365 МПа.
Длина опорной площадки ригеля из условия смятия
бетона:
lsup
Q/×Rb,loc×bbm=241780/0.75×14.5×25×(100)=8,89 см
y=0.75
- при равномерно распределённой нагрузке=25 см - ширина сечения ригеля
Rb,loc=a×jb×Rb=1×1×14.5=14.5МПа
при бетоне класса В25 и выше, a=1,jb=1.
Требуемый вылет консоли:
l1=lsup+c=8,9+5=13,9см, где с=5см. Принимаем l1= 300мм п рекомендации [1].
Уточняем lsup= l1-c =300-50=250мм=25
см.
Высоту сечения консоли у грани
колонны принимаем равной: h=(0.70.8)×hp=40 см при hp=50см при угле наклона сжатой
грани =450 высота консоли у свободного края:
= h-l=40-30=10 >h/2=40/2=20 см.
Принимаем h1=20см, тогда исходя из
того что угол наклона консоли колонны к самой колонне должен быть равен 450
h=50см.
Момент в опорном сечении:
М=Q×a=241,78×0,175=42,31
кН×м=l1-lsup/2
=300-25/2=17,5см
Рабочая высота сечения консоли:
=h-a=50-3=47см.
Требуемая площадь арматуры:
=1.25×M/Rs×x×h0=1.25×42,31
/365
×0.9×0,47=0,000342=3,42см2
Принимаем продольную рабочую
арматуру 2Æ16 А-III с
Аs=4,02 см2
Проверка прочности наклонной сжатой
полосы
.
-угол наклона сжатой полосы


( класс А-I);
;
;
- площадь сечения горизонтальных
хомутов. (2Æ6 А-I), т.к.
h>2.5а; h=50см>
=0.1м - шаг
горизонтальных хомутов:
. =0.3м -
ширина сечения консоли (ширина колонны)
;
.
-условие удовлетворяется.
.
- условие удовлетворяется.
.
- условие удовлетворяется
Прочность колонны сжатой зоны
обеспечена.
Площадь отгибов: Аsотг=0.002×b×h0=0.002×30×47=2,82 см2.
Принято 2Æ14 А-III с
Аs=3,08 см2
Продольные и поперечные стержни
объединяются в каркас К-2
Рис. 6.5
6.5 Расчет стыка колонн
Экономичный стык колонн с минимальными затратами
металла осуществляется путем ванной сварки выпусков продольной арматуры,
расположенных в специальных подрезках, при последующем замоноличивании этих
подрезок. Таким образом, обеспечивают прочность стыка равную прочности колонн в
стадии эксплуатации. Расчет ведется в стадии монтажа. Следовательно,
присутствует только постоянная нагрузка за вычетом перекрытия первого этажа,
ригеля, колонны, так как стык назначают выше отметки первого этажа на 1 м.
Постоянная нагрузка:
Вес покрытия:
, где
g=5,171кН/м²
- расчетная
постоянная нагрузка на 1 м² от покрытия (табл 6.1), F=34,5м²- грузовая
площадь колонны.
=5,171×34,5=178,40 кН
Вес перекрытия:
×(n-2)= 5,171×34,5×(4-2)=356,80
кН
Вес колонны:
, где G- вес
колонны одного этажа
Итого: N= 178.4+356.8+29.64=566.84
Площадь ослабленного сечения
колонны:
, где
Толщина центрирующей прокладки 2 см.
Размер ширины прокладки:
Принимаем
Расчётное сечение стыка
принимаем
как площадь ядра сечения
,
ограниченного контуром сварной сетки (в осях крайних стержней). Сетки
косвенного армирования принимаем из проволоки.
Приняты сетки косвенного армирования
из проволоки 3 класса Вр-1. Шаг проволоки не больше bk/4=300/4=75мм.
Принимаем шаг с=50мм. Ячейки принимаем квадратные.
Расчётное сечение: =c2×n=5²×21=525см2.
=18-число ячеек сетки.
Площадь распределительных листов с
целью экономии металла принята не более Aloc2/2=525/2=262,5см2, толщина 10мм.
Тогда сторона листа, а=
см.
Принимаем 16х16=а2=Aloc1=256см2.
Условие прочности при косвенном
армировании сварными сетками:
.
- приведенная призменная прочность
бетона,
=0.9
Рис. 6.6
коэффициент, учитывающий повышение
несущей способности бетона от местного смятия
=
коэффициент повышения несущей
способности бетона с косвенным армированием
=4.5-3.5×Aloc1/Aloc2=4.5-3.5×256/525=2.79
- расчетное сопротивление арматуры
сеток (Вр-I), Rsxy=375 МПа
где
и
- число стержней одного и другого
направления.
=4,
,
=4,
= 28см,
=28,
,
- длина
стержней разных направлений.
- площадь сечения одного стержня
- шаг сеток
)
)
)
Принимаем
коэффициент эффективности косвенного
армирования
Rb,red=14.5×0.9×1.43+3,41×0.0039×375×2.79=32,57 кН/м2
,red×Aloc1=32,57×256×(100)=833,79кН>N=566,84
кН
Условие выполняется: прочность стыка
обеспечена.
Число сеток у торцов колонны
принимается не менее четырех. Длина участка расстановки должна быть не менее 10×d=10×22=220, где
d- диаметр продольных стержней колонны.
Требуемое число сеток: n=10×d/s+1=220/100+1=3,2.
Принимаем 4 сетки.
Рис. 6.7
6.6 Размеры, форма колонны
Рис. 6.8
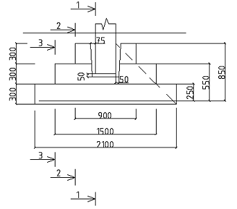
7. РАСЧЕТ ФУНДАМЕНТА ПОД КОЛОННУ
.1 Определение глубины заложения
подошвы фундамента.
Нагрузка передаваемая колонной 1-го этажа по
обрезу фундамента:
расчетная: 1439,14кН из табл. 6.2.
нормативная:
,
где
=1,2 - осредненный коэффициент
надежности по нагрузке.
По конструктивным требованиям
минимальная высота фундамента:
Принимаем
=0,9м
,05м- зазор, заливаемый бетоном;
,25м- толщина дна стакана.
Глубина заложения фундамента:
,15- заглубление обреза фундамента
ниже нулевой отметки.
7.2 Назначение размеров подошвы
фундамента
Площадь подошвы фундамента.
,
где
- нормативная нагрузка по обрезу,
- вес
единицы объёма фундамента и грунта на его обрезах,
=0,3
расчетное сопротивление грунта под подошвой фундамента (дано по заданию).
Пренебрегая малым значением момента,
фундамент рассчитываем как центрально нагруженный, наиболее рациональная форма
фундамента в плане - квадратное.
принимаем а=2,1м.
7.3. Конструирование тела фундамента
Рис. 7.1
7.4 Расчет прочности тела
фундамента. Армирование
Расчёт фундамента на продавливание:
- требуемая рабочая высота
фундамента.
- продавливающая сила действующая за
пределами нижней пирамиды продавливания.=1439,14кН - полная расчётная нагрузка.
Для первого сечения:
0,85м > 0,1м - условие
выполняется.
Проверка прочности наклонного
сечения по поперечной силе не требуется.
Расчёт прочности нормальных сечений
по изгибающему моменту:
Требуемая площадь арматуры:

Принимаем
-
максимальное из трех значений.
Принимаем сетку С-1 с рабочей
арматурой, а двух направлениях с шагом 0,10м.
Количество стержней:
Принимаем Æ10А-II с
∑
Рис. 7.2
8. ПРОЕКТИРОВАНИЕ МОНОЛИТНОГО
ПЕРЕКРЫТИЯ
.1 Конструктивная схема монолитного
перекрытия
Требуется запроектировать и рассчитать
монолитное ребристое перекрытие для четырехэтажного промышленного здания
размерами в плане 72 х 17,2м., с несущими наружными стенами из кирпича и
неполным железобетонным каркасом. Сетка колонн 6,0 х 5,7(5,8)м.
Эксплуатационная нагрузка на перекрытие 6 кН/м². Высота
этажа 4,2м. Привязка продольных и торцевых стен 20см.
Для прямоугольной сетки колонн
расположение
главных балок принимается поперек здания с пролётом
Шаг второстепенных балок (пролёт
плиты) принимается
, (
)
Толщина плиты в соответствии с
действующей на нее нагрузкой принимается 6 см.
Глубина опирания на стены:
Главных балок с=25см
Второстепенных балок с=20см.
Плиты с=12см.
Предварительно задаёмся размерами
второстепенной и главной балак:
Второстепенная балка:
Высота сечения:
Принимаем
Ширина сечения:
Принимаем
Главная балка:
Высота сечения:
Принимаем
Ширина сечения
Принимаем
8.2 Характеристика материалов
Для железобетонных конструкций задан
бетон В15. призменная прочность
, прочность при осевом растяжении
,
коэффициент работы бетона
,
Арматура: продольная рабочая для
второстепенных балок из стали класса А-III:
. Арматура сварных сеток для
армирования плиты из обыкновенной стальной проволоки класса Вр-I,
для
диаметра d=3..5мм.
8.3 Расчёт монолитной плиты
.3.1 Расчётная схема. Нагрузки
Для расчёта плиты условно вырезаем
полосу шириной 1 м, опёртую на второстепенные балки и нагруженные равномерно
распределенной нагрузкой.
Расчётные пролёты:
Крайний
м
Средний
м
В продольном направлении расчетный
пролёт плиты
м
Рис. 8.1
- плиту рассчитываем, как работающую
по короткому направлению. Принимаем толщину плиты 6 см.
Подсчет нагрузок на 1 м2 перекрытия
приведен в таблице.
Таблица 8.3 - Нагрузка на 1 м2
перекрытия
|
Нагрузка
|
Нормативная
нагрузка, кН/м2
|
Коэффициент
надежности по нагрузке
|
Расчетная
нагрузка, кН/м2
|
|
Постоянная
От собственного веса плиты, 60 мм (2500 кг/м3)
|
1,500
|
1.1
|
1,650
|
|
слой
цементного р-ра, 20 мм (220 кг/м3)
|
0,440
|
1.3
|
0,572
|
|
Слой
изоляции
|
0,250
|
1.3
|
0,352
|
|
керамические
плитки, 13 мм (2000 кг/м3)
|
0,226
|
1.3
|
0,338
|
|
Итого:
|

|
|
|
|
Временная:
|
1.2
|
|
|
|
Всего:
|

|
|
|
При принятой ширине полосы 1м
нагрузка, приходящаяся на 1м² плиты, в то же время является
нагрузкой на 1 погонный метр полосы. С учётом коэффициента надёжности по
назначению здании
нагрузка на
1 п/м будет равна:
За расчётную схему плиты принимаем
неразрезную балочную с равными пролетами.
8.3.2 Определение усилий
Расчётные изгибающие моменты в
сечениях плиты определяются с учётом перераспределения за счёт появления
пластических деформаций.
В среднем пролете на средних опорах:
В крайнем (первом) пролёте и на
первой промежуточной опоре:
8.3.3 Расчёт прочности
Требуемое количество арматуры
(продольной) для обеспечения прочности нормальных сечений при рабочей высоте
сечения плиты.
Для среднего пролёта плиты
Коэффициент
при b=1м и
Средние пролеты окаймлены по всему
контуру монолитно связанными с ними балками и под влиянием возникающих распоров
изгибающие моменты уменьшаются на 20%, если
- условие выполняется, тогда
требуемая площадь сечения арматуры:
Принимаем на полосе шириной 1м с
шагом 0,2 м 4Æ4 Вр-I c
для средних
пролётов и над средними опорами и соответствующую рулонную сетку марки
Сетки марки С-1 раскатывают поперек
второстепенных балок.
Процент армирования:
Для крайнего пролета плиты
,
.
Для крайних пролётов плит, опора которых на
стену является свободной, влияние распора не учитывают.
Кроме сетки С-1, которая должна быть
перепущена из среднего пролёта,
необходима дополнительная сетка
(С-2) с площадью сечения рабочей арматуры
, принимается дополнительная сетка
С-2.
По сортаменту принимается
Проверяется условие:
условие выполняется, поэтому хомуты
в плите перекрытия не нужны.
8.4 Расчёт и конструирование
второстепенной балки
Второстепенная балка рассчитывается
как многопролётная неразрезная балка таврового сечения.
Расчётные пролёты:
Крайние
м.
Средние
м.
Расчётные нагрузки на 1 м длины
второстепенной балки.
Таблица 8.4
|
Постоянная
от плиты и пола
|
2.912×1,45=4.22
кН/м
|
|
от
балки сечением 0.5×0.24 (=2500 кг/м3),
f=1.1
|
0.2×(0.5-0,06)×1.1×25=2.42
кН/м
|
|
g=6.64кН/м
|
|
С
учетом коэффициента надежности по назначению здания n=0.95
|
=6.64×0.95=6.31
кН
|
|
Временная
с учетом n=0.95
|
=7,2×1.45×0.95=9.92кН
|
|
Полная
нагрузка
|
6.31+9.92=16.23
кН
|
Рис. 8.2
8.4.2 Определение усилий
Расчётные усилия в сечениях балки определяются с
учётом их перераспределения за счёт появления пластических деформаций.
В первом пролете:
На первой промежуточной опоре:
В средних пролетах и на средних
опорах:
Для средних пролетов определяются
минимальные изгибающие моменты от невыгодного расположения временной нагрузки
На смежных
пролётах при отношении
Поперечные силы на крайней опоре:
На первой промежуточной опоре слева:
На опоре В справа и на остальных
опорах
8.3.2 Определение высоты сечения
второстепенной балки
Высоту сечения подбираем по опорному
моменту при 0.35, поскольку на опоре момент определяем с учетом образования
пластического шарнира. Находим am=0.289.
На опоре момент отрицательный - полка ребра в растянутой зоне. Сечение работает
как прямоугольное с шириной ребра b=20 см. Вычисляем:
см.=h0+a=34+3=37см, принимаем h=40
см, b=20 см. Тогда h0=40-3=37 см
В пролетах сечение тавровое - полка
в сжатой зоне.
Рис. 8.3
Проверяем достаточность высоты сечения
второстепенной балки для обеспечения прочности бетона при действии главных
сжимающих усилий:
,35×gb2×Rb×b×h0=0.35×0.9×8.5×100×20×37=198.1кН>
Qвл=71.07 кН
Условие удовлетворяется, следовательно, высота
сечения второстепенной балки достаточна.
8.3.3 Расчет прочности по сечениям,
нормальным к продольной оси
Отношение
то в расчёт может быть введена
ширина полки таврового сечения в пролёте балки.
м.т.к.>1.45 то принимаем
- шаг
второстепенной балки
Изгибающий момент, воспринимаемый
сжатой полосой сечения и растянутой арматурой.
,
т.к.
, то н.о. пересекает полку и
пролётное сечение балки рассчитывается прямоугольное.
Определение площади сечения нижней
рабочей арматуры крайнем пролёте балки:
am=М/b2×Rb×b’f×h02=5058000/85×0.9×145×372×100=0.033,
н.о. проходит в сжатой полке.=50,58×103/0,985×0,37×365×106=3.78см2
принимаем 2 4А-III c As=4.02 см2
Рис. 8.4
Коэффициент армирования
Определение площади сечения арматуры
в среднем пролёте балки:
am=М/b2×Rb×b’f×h02=33.54×103/8.5×106×0,9×1,45×0,372=0.022,
Аs=33.54×103/365×0,37×0.989×106=2.51см2
принимаем 2 14А-III c As=3.08 см2
Растянутую рабочую арматуру в
опорных сечениях второстепенных балок монолитных перекрытий конструируют в виде
рулонных сеток с поперечной рабочей арматурой, раскатываемых вдоль главных балок.
Размеры расчётного сечения b=20см,
Определение рабочей арматуры в
сечении над второй от края опорой: М = 39.74кН×м
am=М/b2×Rb×b×h02=39.74×103/0.9×8.5×0,372×106×0,2=0.190,
=37.94×103/0,894×0,37×370×106=3.09см2
принимаем 254 Bp-I Аs=3.15 см2
В сечении сеток, располагаемых в два
слоя на ширине b’f =145 см,
требуемый шаг стержней s=2×145/25=10см.
Ставим две рулонные сетки
Аs/2=3.15/2=1.575см2 -для одной
сетки.
Определение рабочем арматуры в
сечениях над остальными опорами:

принимаем 145 Bp-I Аs=2.76 см2
Требуемый шаг стержней s=2×145/14=20.71
см. Принимаем S =21см.
рулонные сетки
Аs/2=2.76/2=1,38см2 -для одной
сетки.
Для одной сетки принимаем 9Вр-I на
полосу 1,45м с шагом 100 Аs=1,764см2>1.38см2
За пределами длины надопорных сеток,
т.е. на расстоянии l/3 = 1,45 м от опор, минимальный отрицательный момент
должен быть воспринят верхними стержнями арматурного каркаса балки и бетоном.
Принимаем 212 A-II c As=2.26 см2
Рис. 8.5
8.3.4 Расчет прочности
второстепенной балки по сечениям, наклонным к продольной оси
Прочность элемента по наклонному
сечению на действие поперечной силы считается обеспеченной при отсутствии
наклонных стержней, если соблюдается условие:
где: Q- поперечная сила в элементе,
- сумма осевых усилий в поперечных арматурных стернях, пересекаемых сечением;в
проекция на нормаль к продольному направлению элемента равнодействующей усилий
в сжатой зоне бетона.
Наибольшее значение поперечной силы
на первой промежуточной опоре слева Qвл=71,07 кН. Вычисляем проекцию расчетного
наклонного сечения (С) на продольную ось
Влияние свесов сжатой полки:
где b’f принимается не более b+3
h’f, тогда
Вычисляем:
Н·см
Где
- для тяжёлого бетона
=0 - коэффициент, учитывающий
влияние продольных сил.
В расчетном наклонном сечении
, тогда
>2h0=2·37=74см.
Принимаем с=74см, тогда
QB=В/с=45.59·105/74=61.61кН
кН
Принимаем с=123,21см
Поперечная сила в вершине наклонного сечения:
Условие прочности
-выполняется.
Диаметр поперечных стержней
устанавливают из условия сварки с продольными стержнями d=18 мм и принимают
dsw=6 мм класса А-I с Rsw=175 МПа. Число каркасов два, Аsw=2×0.282==0.57
см2.
Шаг поперечных стержней по
конструктивным условиям s=h/2= 400/2= 20 см, но не более 15 см. Для всех
приопорных участков промежуточных и крайней опор балки принимаем s=15 см. В
средней части пролета (на расстоянии l/4) шаг s=3/4h =0.75·40=30см.
Производим проверку по сжатой полосе
между наклонными трещинами:
;
;
;
-условие выполняется.
9. РАСЧЕТ НЕСУЩЕГО ПРОСТЕНКА
КАМЕННОЙ НАРУЖНОЙ СТЕНЫ
.1 Исходные данные
Исходные данные.
Сетка колонн: 6,0х5,7
Число этажей: n=4
Высота этажей:
Размеры оконного проёма: 1,5х2,0 м
Толщина наружной стены: h=51 см
Материалы: кирпич керамический
пластического прессования марки 75 (100). Марка раствора М50. Кладка сплошная,
плотность
.
перекрытие ригель
сечение армирование
Рис. 9.1
Ширина оконного проёма:
Высота оконного проёма:
Ширина
рассчитываемого простенка
Рис. 9.2
Согласно СНиП допускается считать стену как
расчленённую на отдельные элементы с расположением опорных шарниров в уровне
ригелей.
Нагрузка от верхних этажей, перераспределяясь,
прикладывается в центре тяжести сечения простенка. Нагрузка от перекрытия в
пределах рассматриваемого этажа приложена с фактическим эксцентриситетом.
Расстояние от точки приложения опорной реакции
балки до внутренней поверхности стены d.
, принимаем
Сбор нагрузок на простенок для
сборного варианта перекрытия.
Расчётная нагрузка верха плиты
перекрытия 1-го этажа:
Грузовая площадь
и
- расчётные нагрузки на 1 м² (из табл.
6.1)
,
=0,95
Расчётная нагрузка от веса кирпичной
кладки в уровне верха плиты перекрытия 1-го этажа:
- для собственного веса
конструкции.= 4 -число этажей.=0.51м - толщина простенка.
Нагрузка от кладки над оконным
проёмом 1-го этажа:
Нагрузка от перекрытия 1-го этажа:
Полная расчётная нагрузка в сечении
2-2
Момент в уровне перекрытия:
Момент в сечении 2-2:
где 0,15м - толщина пола.
Расчётные характеристики.
Площадь сечения простенка:
Коэффициент условия работы кладки:
т.к. А=1,02м² >0.3 м².
Гибкость простенка:

Коэффициент условия работы кладки:
( по табл. 15 [3]) - упругая
характеристика кладки;
( по табл. 18 [3])
Расчётное сопротивление кладки
сжатию R=1.3МПа ( по табл. 2 [3]).
Эксцентриситет продольной силы в
сечении 2-2:
Высота сжатой части сечения:
Гибкость сжатой части сечения:
Коэффициент продольного изгиба
сжатой части сечения:
( по табл. 18 [3]).
Коэффициент продольного изгиба при
внецентренном сжатии:
Условие прочности кладки:
)
, при

Условие прочности керамической
кладки не выполняется.
Принимаем армированную кладку с
поперечной установкой арматурных сеток.
Условие эффективности поперечного
армирования:
)
- высота ряда кладки;
)
)
Все условия выполняются.
Принимаем арматурные сетки из
проволоки Вр-13 с
, 

Прочностные характеристики арматуры:

;
Требуемый коэффициент армирования
кладки:
.
Принимаем
Временное сопротивление сжатию
армированной кладки:
k=2 (по табл. 14[3]).
Расчётное сопротивление армированной
кладки:
Упругая характеристика армированной
кладки:
Условие прочности:
;

Условие для армированной кладки
выполняется.
Так как
, то расчёт
по раскрытию трещин не производим.
Требуемый шаг сеток:
С= 0,05м - размер ячейки сетки.
высота ряда кладки.
- число шагов сеток:
ряда.
Фактический шаг сеток:
Принимаем
0,2м
Фактический коэффициент армирования:
.
БИБЛИОГРАФИЧЕСКИЙ СПИСОК
1. СНиП
2.03.01-84*. Бетонные и железобетонные конструкции. Госстрой СССР, 1989г.
2. СНиП
2.01.07-85. Нагрузки и воздействия. Госстрой СССР, 1986г.
. СНиП
II-22-81. Каменные и армокаменные конструкции. Госстрой СССР, 1983г.
. Байков
В.Н., Сигалов Э.Е. Железобетонные конструкции: общий курс: Учебник для вузов
М.: Стройиздат, 1991г.
. Бондаренко
В.М., Суворкин Д.Г. Железобетонные и каменные конструкции: Учебник для
студентов ВУЗов по спец. ПГС. М.: Высшая школа, 1987г.
. Бондаренко
В.М., Судницин А.И. Расчёт строительных конструкций. Железобетонные и каменные
конструкции. М.: Высшая школа, 1988г.
. Манриков
А.П. Примеры расчёта железобетонных конструкций: Учебное пособие для
техникумов. М.: Стройиздат, 1989г.
. Пособие
по проектированию каменных и армокаменных конструкций (к СНиП II-22-81)
Госстрой СССР, 1989г.
. Пособие
по проектированию бетонных и железобетонных конструкций из тяжёлых и лёгких
бетонов без преднапряжения арматуры (к СНиП 2.03.01-84). Госстрой СССР, 1986г.
. Пособие
по проектированию предварительно напряжённых железобетонных конструкций из
тяжёлых и лёгких бетонов. (к СНиП 2.03.01-84). Часть 1. Госстрой СССР, 1988г.
. Пособие
по проектированию предварительно напряжённых железобетонных конструкций из
тяжёлых и лёгких бетонов. (к СНиП 2.03.01-84). Часть 2. Госстрой СССР, 1988г.