Разработка проекта производства работ на строительство здания: 'Многоэтажного каркасного здания с каменными несущими стенами 18х12 м'

  • Вид работы:
    Курсовая работа (т)
  • Предмет:
    Строительство
  • Язык:
    Русский
    ,
    Формат файла:
    MS Word
    3,13 Мб
  • Опубликовано:
    2012-10-08
Вы можете узнать стоимость помощи в написании студенческой работы.
Помощь в написании работы, которую точно примут!

Разработка проекта производства работ на строительство здания: 'Многоэтажного каркасного здания с каменными несущими стенами 18х12 м'

Министерство сельского хозяйства Российской Федерации

Департамент научно-технологической политики и образования

ФГОУ ВПО

КОСТРОМСКАЯ ГОСУДАРСТВЕННАЯ СЕЛЬСКОХОЗЯЙСТВЕННАЯ АКАДЕМИЯ

Архитектурно-строительный факультет

кафедра «Строительные конструкции»




Пояснительная записка

к курсовому проекту по дисциплине «Железобетонные и каменные конструкции»

Разработка проекта производства работ на строительство здания: «Многоэтажного каркасного здания с каменными несущими стенами 18х12 м»


Выполнил студент

группы 4 курса

архитектурно-строительного факультета

Луц Артем Евгеньевич


Кострома 2012

Оглавление

 

1. Исходные данные

. Компоновка конструктивной схемы сборного перекрытия

. Расчет и конструирование предварительно-напряженной ребристой панели перекрытия

.1 Сбор нагрузки

.2 Материалы для панели

.3 Расчет панели по предельным состояниям 1-й группы

.3.1 Расчетный пролет и нагрузки

.3.2 Расчет прочности панели по сечению, нормальному к продольной оси

.3.3 Расчёт полки плиты

.3.4 Геометрические характеристики плиты

.3.5 Предварительное напряжение арматуры

.3.6 Проверка прочности ребристой плиты в стадии обжатия

.3.7 Расчет прочности ребристой плиты по сечению, наклонному к продольной оси

.4 Расчет ребристой панели по предельным состояниям 2-ой группы

.4.1 Расчет по образованию трещин, нормальных к продольной оси

.4.2 Расчет прогиба панели перекрытия

.5 Расчет монтажных петель плиты

. Расчет сборного неразрезного ригеля перекрытия

.1 Сбор нагрузок на ригель

.2 Определение усилий в сечениях ригеля

.2.1 Материалы для ригеля

.3 Определение площади сечения продольной арматуры

.3.1 В середине крайнего пролёта - 1-ое сечение

.3.2 На промежуточной опоре - 2-ое сечение

.3.3 В середине крайнего пролёта - 3-ое сечение (отрицательный момент)

.4 Расчет прочности ригеля по сечениям, наклонным к продольной оси

.4.1 Крайняя опора

.4.2 Промежуточная опора (справа и слева)

.5 Расчёт консоли ригеля

.6 Построение эпюры арматуры (эпюры материалов)

.6.1 Пролет

.6.2 Промежуточная опора

.6.3 Определение длины анкеровки обрываемых стержней

.7 Конструирование ригеля

.8 Расчет монтажных петель ригеля

4.9 Расчет и конструирование узлового соединения ригеля с колонной

5. Расчет сборной железобетонной колонны

.1 Определение усилий в колонне

.1.1 Материалы для колонны

.2 Расчет колонны по прочности

.3 Расчет консоли колонны

.4 Расчет стыка колонны

. Расчет фундамента

.1 Материалы для фундамента

.2 Определение размеров подошвы фундамента в плане

.3 Расчет тела фундамента на прочность

.3.1 Прочность нижней ступени на продавливание, сечение 3-3

.3.2 Проверка прочности нижней ступени по поперечной силе, сечение 3-3

.3.3 Расчет армирования подошвы фундамента

. Расчет простенка наружной стены первого и верхнего этажей

.1 Конструирование простенка

.2 Сбор нагрузок

Список используемой литературы

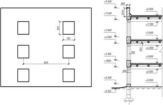
1.      Исходные данные

- вариант 08643

толщина наружных стен

ширина и высота оконного проема

марка кирпича

марка раствора

глубина заложения фундамента под стены

условное расчетное сопротивление основания

длина здания в осях

ширина здания в осях

высота этажа

количество этажей

тип конструкций: ригель таврового профиля; панели ребристые

нормативные нагрузки на междуэтажные перекрытия:

.        постоянная от веса пола -

.        временная кратковременная -

.        временная длительно действующая -

2.   Компоновка конструктивной схемы сборного перекрытия


В состав сборного балочного междуэтажного перекрытия входят панели и несущие их ригели, которые опираются на колонны.

Принимаю конструктивную схему сборного балочного перекрытия с поперечным расположением ригелей относительно продольной оси здания. Опирание панелей перекрытия предусматривается в пределах высоты ригеля, имеющего форму поперечного сечения в виде тавра с полкой в растянутой зоне. Ширина ребра сечения ригеля , высота ригеля , вылет полок, на которые опираются панели .

Тип панелей перекрытия - ребристые. Количество типоразмеров панелей должно быть минимальным.

3.      Расчет и конструирование предварительно-напряженной ребристой панели перекрытия


3.1    Сбор нагрузки


Нормативные и расчетные нагрузки на  перекрытия с учетом задания на проектирование и данных.

Наименование нагрузки

Нормативная нагрузка,

Коэффициент надежности по нагрузке,

Расчетная нагрузка,

Постоянная от веса пола

0,7

1,1

0,77

Ребристая плита перекрытия

2,5

1,1

2,75

Перегородки

0,5

1,1

0,55

Постоянная нагрузка,

3,7


4,07

Временная кратковременная,

1,5

1,2

1,8

Временная длительная,

3,0

1,2

3,6

Временная,

4,5


5,4

Полная нагрузка,

8,2


9,47


Нагрузки на 1 погонный метр длины при номинальной ширине панели  с учетом коэффициента надежности по назначению здания при II классе надежности

-       расчетная:

-       постоянная

-       полная

-       - нормативная:

-       постоянная

-       полная

-       длительная и постоянная

3.2    Материалы для панели

Арматура:

-       напрягаемая в продольных ребрах стержневая периодического профиля класса А800 с электротермическим натяжением на упоры форм (, , , );

-       ненапрягаемая в полке панели - сварные сетки из проволоки класса В500 (для  , , , )

-       ненапрягаемая в ребре панели - сварные каркасы из проволоки класса В500 (для  , , , ) и продольной ненапрягаемой конструктивной арматуры горячекатаной гладкой класса А240 (, , )

Бетон:

-       Тяжелый класса В30, коэффициент условий работы бетона (. , , ,  )

-       К трещиностойкости панели предъявляются требования 3 категории. Эксплуатация панели предполагается в закрытом помещении при нормальных температурных условиях и влажности воздуха выше . Технология изготовления панели агрегатно-поточная. Натяжение напрягаемой арматуры осуществляется электротермическим способом на анкерные упоры формы, расположенные вне тела изделия.

3.3    Расчет панели по предельным состояниям 1-й группы


3.3.1 Расчетный пролет и нагрузки

Для установления расчетного пролета плиты предварительно задаюсь размерами сечения ригеля:

;

, . При опирании на полки ригеля расчетный пролет .

Усилия от расчетных и нормальных нагрузок.

Расчетная схема панели представляет собой однопролетную балку, загруженную равномерно распределенной нагрузкой.


Усилия от расчетной полной нагрузки:

-       Изгибающий момент в середине пролета

 

-       Поперечная сила по оси опор

 

Усилия от нормативной нагрузки:

-       полной

 

 

-       постоянной и длительной

 

3.3.2 Расчет прочности панели по сечению, нормальному к продольной оси



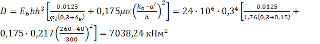
Поперечное сечение ребристой панели может быть заменено эквивалентным тавровым сечением с сжатой полкой. Высота сечения ребристой предварительно напряженной панели принята: ; рабочая высота  предполагается, что сжатой ненапрягаемой арматуры не требуется; ширина продольных ребер понизу - , по верху - ; ширина ребра расчетного таврового сечения ; толщина полки ; ширина полки по верху . Напрягаемая арматура класса А800 (); Изгибающий момент

Расчетная ширина полки принимается , так как ширина свеса  и (при наличии поперечных ребер

Проверяю условие , граница сжатой зоны проходит в полке и расчет производится как для прямоугольного сечения шириной

Определяю значение :

 

 

где  - относительная деформация в арматуре растянутой зоны, вызванная внешней нагрузкой, при достижении в этой арматуре напряжения, равного расчетному сопротивлению; значение es,el принимается равным для арматуры с условным пределом текучести

 

где  - принимается с учетом всех потерь при коэффициенте ;

 - предельная относительная деформация сжатого бетона,

Значения  для определенных классов арматуры может определяться по табл. 3.1 (8) в зависимости от отношения . При подборе напрягаемой арматуры, когда неизвестно значение ssp, рекомендуется принимать

При классе арматуры А800 и  нахожу .

т.е. сжатой арматуры не требуется. Площадь сечения арматуры вычисляется по формуле 3.10 (8)

 

Так как  принимаю . Тогда при

 

Принимаю 2Ø14 А800 ().

3.3.3 Расчёт полки плиты

Полка рассчитывается как балочная плита частично защемленная в продольных ребрах панели на действие равномерной нагрузки


Расчетный пролет при ширине ребер вверху  составит . Расчетная нагрузка на  полки может быть принят такой же, как и для плиты:

 

Изгибающий момент для полосы шириной  определяется с учетом частичного защемления полки в ребрах, в сечениях расположенных в середине пролета :

 

Расчетное сечение полки - прямоугольное, ширина , высота . Рабочая высота сечения . Арматура Ø4  с .

Определяю значение :

 

 

где  - относительная деформация растянутой арматуры, при напряжениях, равных

 

 - предельная относительная деформация сжатого бетона,

 

 сжатая арматура по расчету не требуется.

 

Принимаю на 1 м ширины плиты 8Ø4  с  с шагом .

Армирование ведется отдельными гнутыми сетками по ГОСТ 8478-81*:

 

 

3.3.4 Геометрические характеристики плиты



Геометрические характеристики приведенного сечения при :

1.        - площадь бетона; ;

2.        - приведенная площадь ;

3.        - статический момент сечения бетона относительно нижней грани ребра;

4.        - приведенный статический момент сечения бетона относительно нижней грани ребра

;

5.        - расстояние от центра тяжести приведенного сечения до нижней грани ребра

 

 

 

 

6.        - момент инерции приведенного сечения

;

7.        - Момент сопротивления приведенного сечения по нижней зоне

 

8.        - Момент сопротивления приведенного сечения по верхней зоне

 

9.        - расстояние от центра тяжести приведенного поперечного сечения до ядровой точки

 

10.     - расстояние от центра тяжести приведенного сечения до ядровой точки, наиболее удаленной от грани элемента, растянутой усилием

 

3.3.5 Предварительное напряжение арматуры

Предварительные напряжения арматуры  принимают не более:

для арматуры классов А540, А600, А800, А1000 - ;

для арматуры классов Вp1200-Вp1500, К1400, К1500 - .

Кроме того, для любых классов арматуры значение  принимают не менее .

При расчете предварительно напряженных конструкций следует учитывать снижение предварительных напряжений вследствие потерь предварительного напряжения - до передачи усилий натяжения на бетон (первые потери) и после передачи усилия на бетон (вторые потери).

Первые потери предварительного напряжения включают потери от релаксации предварительных напряжений в арматуре, потери от температурного перепада при термической обработке конструкций, потери от деформации анкеров и деформации формы.

Вторые потери предварительного напряжения включают потери от усадки и ползучести бетона.

Максимально допустимое значение  без учета потерь

 

Принимаю предварительное напряжение в арматуре без учета потерь

 

Определяю первые потери.

.        Потери от релаксации напряжений для арматуры классов А800 при электротермическом способе натяжения

2.       

Здесь  принимается без потерь в МПа. При отрицательных значениях , их следует принимать равными нулю.

.        По агрегатно-поточной технологии изделие при пропаривании нагревается вместе с формой и упорами, поэтому температурный перепад между ними равен нулю и, следовательно, .

.        При электротермическом способе натяжения арматуры потери от деформации формы  не учитываются.

.        При электротермическом способе натяжения потери от деформации анкеров  не учитываются, так как они должны быть учтены при определении значений полного удлинения арматуры.

Таким образом, сумма первых потерь равна , а усилие обжатия с учетом первых потерь равно

 

 

Эксцентриситет усилия  относительно центра тяжести приведенного сечения элемента , из формулы. В связи с отсутствием в верхней зоне напрягаемой арматуры .

 

Напряжение в бетоне на уровне центра тяжести  рассматриваемой напрягаемой арматуры, определяемое как для упругих материалов по приведенному сечению при  и принимая момент от собственного веса  равным нулю:

 

Передаточную прочность бетона  (прочность бетона к моменту его обжатия, контролируемая аналогично классу бетона по прочности на сжатие) следует назначать не менее  и не менее  принятого класса бетона по прочности на сжатие. Принимаю .

Определяю вторые потери напряжений.

6.       Потери от усадки бетона определяют по формуле

 

где  - деформация усадки бетона, для бетона классов В35 и ниже -

.        Потери напряжений в рассматриваемой напрягаемой арматуре ( или ) от ползучести бетона определяют по формуле

 

где  - коэффициент ползучести бетона; для бетона класса B30 при относительной влажности воздуха окружающей среды  (нормальная) - ;

 - напряжение в бетоне на уровне центра тяжести рассматриваемой напрягаемой арматуры, определяемое как для упругих материалов по приведенному сечению согласно формуле при :

 

Нагрузка от веса плиты  и момент от этой нагрузки в середине пролета

 

где  - расстояние между прокладками при хранении плиты);

Передаточную прочность бетона  (прочность бетона к моменту его обжатия, контролируемая аналогично классу бетона по прочности на сжатие) следует назначать не менее  и не менее  принятого класса бетона по прочности на сжатие. Принимаю .

 - коэффициент приведения арматуры к бетону, равный ;

 - коэффициент армирования, равный , где  и  - площади поперечного сечения соответственно элемента и рассматриваемой напрягаемой арматуры ( или );

Подставляя значения получаю

 

Вторые потери для арматуры равны


Суммарная величина потерь напряжения


следовательно, потери принимаются равными

.

Напряжение  с учетом всех потерь равно

 

Усилие обжатия с учетом всех потерь напряжений  при сжимающем напряжении в ненапрягаемой арматуре  условно принимаю равным вторым потерям напряжений, вычисленным для уровня расположения арматуры , т.е. , а поскольку , напряжение  принимаю равным нулю.

 

Эксцентриситет усилия  равен

 

3.3.6 Проверка прочности ребристой плиты в стадии обжатия



Напрягаемая арматура 2Ø14 А800 () располагается только в наиболее обжатой зоне, т.е. , ,

Тогда усилие обжатия равно

 

В менее обжатой зоне располагается ненапрягаемая арматура 2Ø8 А400 (). Расстояние центра тяжести этой арматуры от верхней грани равно , .

Определяем значение  согласно. Расстояние центра тяжести напрягаемой арматуры от нижней грани равно . Тогда .

Равномерно распределенная нагрузка от веса плиты

Определяю длину зоны передачи напряжения. Значение , соответствующее передаточной прочности бетона

 

 

Поскольку  больше расстояния монтажной петли от торца , проверяю сечение в конце зоны передачи напряжения, где усилие обжатия используется полностью. В этом сечении при подъеме плиты действует момент от собственного веса, растягивающий нижнюю наиболее обжатую зону. При этом коэффициент динамичности не учитывается, а коэффициент надежности по нагрузке принимается равным , т.е. . Определяю этот момент по формуле

 

Определяю момент , принимая значение М со знаком "минус"

.

Расчетное сопротивление бетона, соответствующее передаточной прочности бетона , равно .

Поскольку ширина ребра  переменна, принимаю в первом приближении ширину ребра посредине высоты сжатой зоны равной . Принимаю значение  по арматуре класса А400 как минимальное, т.е. . Тогда

Значение  при  и  равно

 

Поскольку , высоту сжатой зоны определяю по формуле

 

проверяю прочность плиты в стадии обжатия:

,

т.е. прочность в стадии обжатия обеспечена.

3.3.7 Расчет прочности ребристой плиты по сечению, наклонному к продольной оси

Допускается определять значение  по формуле

 

Принимая  и , где усилие обжатия от продольной арматуры в ребре

Из чертежа имею , .

 

 

 

Так как , интенсивность хомутов определяю как:

 

 

При этом, поскольку  корректирую

 

Проверяю условие учета хомутов в расчете

,

т.е. это условие выполняется.

Шаг хомутов у опоры должен быть не более  и не более , а в пролете не более . Максимальный шаг хомутов у опоры равен

 

Принимаю шаг хомутов у опоры , а в пролете - .

 

Из условия сварки с продольной конструктивной ненапрягаемой арматурой продольных ребер панели класса А400 , принимаю арматуру класса В500 .

Принимаю в поперечном сечении два хомута диаметром 5 мм ().

 

 

Длина участка с наибольшей интенсивностью хомутов , так как

 

Длину приопорного участка с шагом хомутов  следует принимать не менее . Принимаю длину приопорного участка равной  пролета

Проверяю условие обеспечения прочности по наклонной полосе между наклонными трещинами при действии поперечной силы .

 

Расчет изгибаемых элементов по наклонному сечению производят из условия


где  - поперечная сила в наклонном сечении с длиной проекции  от внешних сил, расположенных по одну сторону от рассматриваемого наклонного сечения; при вертикальной нагрузке, приложенной к верхней грани элемента, значение  принимается в нормальном сечении, проходящем на расстоянии  от опоры, при этом следует учитывать возможность отсутствия временной нагрузки на приопорном участке длиной ;

 - поперечная сила, воспринимаемая бетоном в наклонном сечении;

 - поперечная сила, воспринимаемая хомутами в наклонном сечении.

 

т.е. условие выполняется, и тогда принимаю , что соответствует

 

 

 при этом .

Определяю длину проекции  невыгоднейшего наклонного сечения при

 

Принимаю , но поскольку , принимаю , что соответствует .

 

 

т.е. прочность любого наклонного сечения обеспечена.

Максимальный шаг хомутов  определится, заменой  на

 

 т.е. требование выполнено.

Расчет на действие изгибающего момента по наклонной трещине может не выполнятся, так как надежная анкеровка продольных стержней напрягаемой арматуры в данном случае обеспечивается конструктивными мероприятиями.

3.4    Расчет ребристой панели по предельным состояниям 2-ой группы


3.4.1 Расчет по образованию трещин, нормальных к продольной оси

Расчёт по образованию трещин выполняем для выявления необходимости проверки по раскрытию трещин и для выявления случая расчёта по деформациям. При этом следует принимать коэффициент точности натяжения арматуры  и .

Определяю момент образования трещин при  (тавровое с полкой, расположенной в сжатой зоне) и изгибающем моменте от полной нормативной нагрузки :

,

т.е. трещины образуются, и следовательно, расчет по раскрытию трещин необходим.

Проверяю образование трещин в верхней зоне панели в стадии ее изготовления от усилия предварительного обжатия. Определяю момент образования верхних трещин при   (тавровое с полкой, расположенной в растянутой зоне):

 

т.е. верхние трещины образуются до приложения внешней нагрузки.

где  - значение  при классе бетона, численно равном передаточной прочности ; при ,  ()

Определяю ширину непродолжительного раскрытия верхних трещин.

За растянутую арматуру принимаю два верхних ненапрягаемых стержня класса А400 , т.е. . Тогда рабочая высота сечения равна , а расстояние от точки приложения усилия обжатия  до растянутой арматуры равно


Моменты  и  имеют одинаковое направление вращения, следовательно, момент от веса плиты, возникающий при подъеме плиты и растягивающий верхнюю грань,

,

где  - расстояние между петлями);

 и .

Коэффициент приведения  равен

 

тогда .

В сжатой (нижней) зоне свесы отсутствуют, a ().

 

Из таблицы при ,  и  нахожу . Тогда

.

 

Определяю расстояния между трещинами . Высота зоны растянутого бетона, определенная как для упругого материала, при  равна


а с учетом неупругих деформаций растянутого бетона

.

Поскольку , принимаю , т.е. за площадь растянутой зоны принимаю площадь сечения верхней полки .

Тогда

.

Поскольку  и , принимаю .

Ширину раскрытия трещин определяю, принимая , ,

 

что меньше предельно допустимого значения

Определяю приращение напряжения напрягаемой арматуры от действия постоянных и длительных нагрузок, т.е. принимая .

Рабочая высота сечения равна .

Принимая , получаю,

 

 

Коэффициент приведения  равен .

 

 

при ,  и  получаю .

Тогда

;

 

Аналогично определяем значение  при действии момента .

 

 

при ,  и  получаю . Тогда

;

 

При моменте от всех нагрузок

 

 

при ,  и  получаю . Тогда

;

 

Проверяю условие , принимая ,

 

следовательно, проверяю только продолжительное раскрытие трещин.

При  определяю коэффициент

 

Определяю расстояния между трещинами .

Высота зоны растянутого бетона, определенная как для упругого материала, при  равна

 

а с учетом неупругих деформаций растянутого бетона

.

Поскольку , принимаю .

Тогда площадь сечения растянутого бетона равна

.

Усредненный диаметр стержней растянутой арматуры равен . Тогда

 

Поскольку , принимаю .

Определяю , принимая , :

 

что меньше предельно допустимого значения 0,2 мм.

3.4.2 Расчет прогиба панели перекрытия

Для элементов покрытий зданий производственного назначения прогиб ограничивают эстетическими требованиями. Согласно СНиП 2.01.07-85* табл. 19 поз. 2 при  предельно допустимый из эстетических требований прогиб равен . Для рассматриваемой конструкции , поэтому полный прогиб плиты принимаю равным прогибу , обусловленному деформациями изгиба.

Определяю кривизну  в середине пролета от продолжительного действия постоянных и длительных нагрузок, т.е. при .

При продолжительном действии нагрузки и нормальной влажности

 

Тогда 

и .

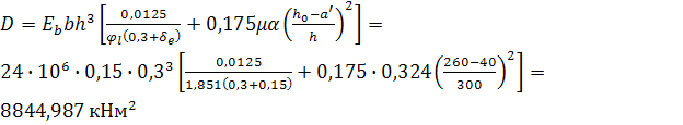
при ,  и  получаю . Тогда кривизна  равна

 

Определяю кривизну, обусловленную остаточным выгибом. В стадии обжатия в верхней зоне образуются трещины, следовательно, , и тогда

 

где

Полная кривизна в середине пролета от постоянных и длительных нагрузок равна


Определяю прогиб плиты принимая :


Согласно СНиП 2.01.07-85* табл. 19 поз. 2 при  предельно допустимый из эстетических требований прогиб равен , что превышает вычисленное значение прогиба.

3.5    Расчет монтажных петель плиты


Расчетная схема: статически определимая балка на 2-х опорах с консольными выступами  загружена равномерно распределенной нагрузкой . Определяю величину расчетной погонной нагрузки с учетом коэффициента динамичности  и коэффициента надежности по нагрузке : .

Отрицательный изгибающий момент консольной части панели будет равен:

 

Требуемая площадь сечения арматуры петель вычисляется по формуле:

 

где

 - расчетное сопротивление стали класса растяжению;

Подъем осуществляется за три петли, усилие передаваемое на одну петлю:

 

Тогда площадь сечения петли будет равна:

 

Принимаю петли ,  

4.   Расчет сборного неразрезного ригеля перекрытия


Предварительные размеры сечения ригеля принимаю равными: высоту , ширину , где  - пролет ригеля, равный расстоянию в осях между колоннами.

Неразрезной сборный ригель с равными пролетами или с пролетами, отличающимися друг от друга не более чем на 20% можно рассчитывать как неразрезные балки с учетом развития пластических деформаций, позволяющих перераспределять и выравнивать изгибающие моменты между отдельными сечениями. Это облегчает армирование опорных сечений ригелей на колоннах и в целом снижает на 20-30% расход арматуры в сравнении с расчетом по упругой схеме.

Нагрузка на ригель от ребристых панелей перекрытий принимается сосредоточенной. При числе сосредоточенных сил в пролете более четырех сосредоточенную нагрузку допустимо заменять на эквивалентную равномерно распределенную.

Расчетный пролет ригеля в крайних пролетах принимается равным расстоянию от оси его опоры на стене до оси колонны:

 

где  - расстояние между разбивочными осями

 - расстояние от внутренней грани наружной стены до разбивочной оси. Условно принята

 - величина заделки ригеля в стену, принимаемая кратной половине кирпича, но не менее  при . .

4.1    Сбор нагрузок на ригель

Конструкция покрытия:

Кровля рубероидная трехслойная:

,

где - плотность рубероида

Цементно-песчаная стяжка:

,

где - плотность цементно-песчаного раствора

Утеплитель из жёстких минераловатных плит на синтетическом связующем:

,

где - плотность утеплителя

Пароизоляция из двух слоев пергамина:

,

где - плотность пергамина

Нормативные и расчетные нагрузки на 1 м2 перекрытия и покрытия с учетом задания на проектирование.

№ п/п

Вид нагрузки

Нормативная, кН/м2

γf

Расчетная, кН/м2

Постоянная g:

От веса покрытия:

1

Кровля рубероидная 3-х слойная

0.108

1.3

0.1404

2

Цементно-песчаная стяжка

0.54

1.3

0.702

3

Жёсткая мин. вата-утеплитель

0.099

1.2

0.1188

4

Пароизоляция

0.012

1.2

0.0144

5

Панель ребристая

2,5

1.1

2,75

Итого от веса покрытия:

3.259


3,7256

От веса пола:

6

Конструкция пола

0.7

1.2

0.84

Итого:

3,989


4,5656

Временная v:

7

Снег

1.68


2.4

8

Длительная

3

1.2

3,6

9

Кратковременная

1,5

1.2

1,8

Итого:

6,18


7,8

Полная q=g+v

10,169


12,3656


Расчетные нагрузки на 1 пог. метр ригеля при ширине грузовой площади составят:

постоянная от веса конструкции перекрытия:

= gК.ПЕР.×L×γ×ψ = 2,75×6·0.95 = 15,675 кH/м

постоянная от веса конструкции покрытия:

= gК.ПОК.×L×γ×ψ = 3,7256×6·0.95 = 21,23 кH/м

временная на перекрытие:

v = vр×L×γ×ψ = 6,18×6·0.95 = 35,226 кH/м

длительная: vдл = 3,6×6×0.95 = 20,52 кH/м

кратковременная: vкр = 1,8×6×0.95 = 10,26 кH/м

снег: vснег = 2.4×6×0.95 = 13.68 кH/м

Определяем собственный вес ригеля:

рn = Ариг×γБγfγn =()×25∙1.1∙0.95 =4,7 кН/м,

где γБ - удельный вес бетона, γБ=25 кН/м3.

Тогда суммарная (с учетом нагрузки от ригеля) постоянная нагрузка от веса перекрытия будет равна:= 15,675+4,7 = 20,3757кH/м

Тогда суммарная (с учетом нагрузки от ригеля) постоянная нагрузка от веса покрытия будет равна:= 21,23+4,7 = 25,95 кH/м

Полная расчетная нагрузка составит на перекрытие: q = 20,376 + 35,226 = 55,602кH/м

Полная расчетная нагрузка составит на покрытие: q = 25,95 + 13.68 = 39,63 кH/м

4.2    Определение усилий в сечениях ригеля


Определение изгибающих моментов и поперечных сил производится с учетом перераспределения усилий вследствие пластических деформаций. Первоначально рассчитывается ригель как упругая система на действие постоянных нагрузок и отдельных схем невыгодно расположенных временных нагрузок.

Для установления границ изменения изгибающих моментов и поперечных сил в сечениях ригеля строятся объемлющие эпюры  и .

Значения внутренних усилий из расчета в комплексе Лира

РСН-1(Расчетная схема)

Значения внутренних усилий

Таблица усилий (стержни)

 

 

Усилия

 

№ элем

№ сечен

My (кН*м)

Qz (кН)

1

1

-12.062

0.000

1

2

-12.062

0.000

2

1

-0.167

0.000

2

2

-0.167

0.000

3

1

4.675

0.000

3

2

4.675

0.000

4

1

164.060

-27.329

4

2

-162.332

-192.464

5

1

12.645

25.999

5

2

0.000

-34.514

6

1

167.792

-26.072

6

2

-154.867

-191.207

7

1

14.851

25.257

7

2

0.000

-35.257

8

1

112.521

-20.935

8

2

-124.354

-138.577

9

1

49.848

21.722

9

2

0.000

-55.290

10

1

0.000

137.806

10

2

164.060

-27.329

11

1

-154.437

86.513

11

2

12.645

25.999

12

1

0.000

139.063

12

2

167.792

-26.072

13

1

-150.025

85.771

13

2

14.851

25.257

14

1

0.000

96.707

14

2

112.521

-20.935

15

1

-129.029

98.734

15

2

49.848

21.722


РСН-2(Расчетная схема)

Значения внутренних усилий

Таблица усилий (стержни)

 

 

Усилия

 

№элем

№сечен

My (кН*м)

Qz (кН)

1

1

12.062

0.000

1

2

12.062

2

1

0.167

0.000

2

2

0.167

0.000

3

1

-4.675

0.000

3

2

-4.675

0.000

4

1

12.645

-25.999

4

2

-154.437

-86.513

5

1

164.060

27.329

5

2

0.000

-137.806

6

1

14.851

-25.257

6

2

-150.025

-85.771

7

1

167.792

26.072

7

2

0.000

-139.063

8

1

49.848

-21.722

8

2

-129.029

-98.734

9

1

112.521

20.935

9

2

0.000

-96.707

10

1

0.000

34.514

10

2

12.645

-25.999

11

1

-162.332

192.464

11

2

164.060

27.329

12

1

0.000

35.257

12

2

14.851

-25.257

13

1

-154.867

191.207

13

2

167.792

26.072

14

1

0.000

55.290

14

2

49.848

-21.722

15

1

-124.354

138.577

15

2

112.521

20.935


РСН-3(Расчетная схема

Значения внутренних усилий

Таблица усилий (стержни)

 

 

Усилия

 

№элем

№сечен

My (кН*м)

Qz (кН)

1

1

0.000

0.000

1

2

0.000

0.000

2

1

0.000

0.000

2

2

0.000

0.000

3

1

0.000

0.000

3

2

0.000

0.000

4

1

128.966

-39.145

4

2

-232.518

-204.280

5

1

128.966

39.145

5

2

0.000

-125.991

6

1

132.961

-37.800

6

2

-224.529

-202.935

7

1

132.961

37.800

7

2

0.000

-127.336

8

1

99.349

-25.370

8

2

-150.699

-143.012

9

1

99.349

25.370

9

2

0.000

-92.272

10

1

0.000

125.991

10

2

128.966

-39.145

11

1

-232.518

204.280

11

2

128.966

39.145

12

1

0.000

127.336

12

2

132.961

-37.800

13

1

-224.529

202.935

13

2

132.961

37.800

14

1

0.000

92.272

14

2

99.349

-25.370

15

1

-150.699

143.012

15

2

99.349

25.370


4.2.1 Материалы для ригеля

Арматура:

-       ненапрягаемая продольная рабочая стержневая периодического профиля класса А400 (, );

-       ненапрягаемая поперечная из проволоки класса В500 (для  , , , )

-       ненапрягаемая поперечная горячекатаная гладкая класса А240 (, , )

Бетон:

-       Класса В30, коэффициент условий работы бетона (. , , )

4.3    Определение площади сечения продольной арматуры


Сечение продольной арматуры ригеля подбираю по максимальному моменту в двух нормальных сечениях: в пролете и на промежуточной опоре.

Уточняю высоту сечения ригеля. Принимаю оптимальное значение относительной высоты сжатой зоны  При этом

 

Предполагая расположение арматуры в два ряда по высоте сечения ригеля, принимаю защитный слой бетона  (при однорядной арматуре рекомендуется ). Полная высота сечения

.

Назначаю , рабочая высота сечения ригеля

 .

Определяю граничное значение относительной высоты сжатой зоны бетона в сечениях ригеля. Граничная высота относительной высоты сжатой зоны и соответствующее ему армирование, при котором предельное состояние конструкции наступает одновременно с достижением расчетных сопротивлений в арматуре в растянутой зоне.

 

Здесь ;

 (продольная рабочая стержневая периодического профиля класса А400)

Определяю требуемую площадь сечения рабочей продольной арматуры

4.3.1 В середине крайнего пролёта - 1-ое сечение

 

 

 

Сжатая арматура по расчету не требуется. Площадь сечения растянутой арматуры:

 

Принимаю 2Ø18 + 2Ø20 А400 с .

4.3.2 На промежуточной опоре - 2-ое сечение

 

 

граница сжатой зоны проходит в полке, и расчет производится как для прямоугольного сечения шириной

 

 

Сжатая арматура по расчету не требуется. Площадь сечения растянутой арматуры:

 

Принимаю 3Ø25 А400 с .

4.3.3 В середине крайнего пролёта - 3-ое сечение (отрицательный момент)

Арматура не требуется т.к отрицательного момента не возникает

4.4    Расчет прочности ригеля по сечениям, наклонным к продольной оси


Расчет поперечной арматуры по  ведется для трех наклонных сечений: у крайней опоры и у промежуточной слева и справа. Для расчета принимаются значения поперечных сил в ригеле, большие из двух расчетов, упругого расчета и с учетом перераспределенных моментов.

4.4.1 Крайняя опора

 

Диаметр поперечных стержней из условия сварки с продольной арматурой ригеля класса А400 , принимаю арматуру горячекатаную гладкую  класса А240, :  с площадью . Число каркасов , при этом . Шаг хомутов у опоры должен быть не более  и не более , а в пролете не более  и не более . Шаг поперечных стержней по конструктивным требованиям принимаю  на всех приопорных участках длиной . В средней части шаг поперечных стержней принимаю  в целях унификации принимаю .

Требуемая интенсивность хомутов  при действии только равномерно распределенной нагрузки , в зависимости от

где

 

при

 

при этом

Принимаю наибольшее значение требуемой интенсивности хомутов

Поперечная арматура учитывается в расчете, если  - поперечная арматура в расчете не учитывается. При этом  высчитывается по формуле

 

но не меньше


Принимаю наибольшее значение требуемой интенсивности хомутов

 

 

 

При расчете элементов на действие равномерно распределенной нагрузки невыгоднейшее значение  принимается

,

если  

и

Принимаю ,

 

 

При этом проверяется условия необходимости постановки поперечных стержней

 

 

 

 

 

При уменьшении интенсивности хомутов от опоры к пролету с  до  проверяется условие

,

при значениях , превышающих  - длину участка с интенсивностью хомутов

4.4.2 Промежуточная опора (справа и слева)

 

Диаметр поперечных стержней из условия сварки с продольной арматурой ригеля класса А400 , принимаю арматуру горячекатанаую гладкую  класса А240, :  с площадью . Число каркасов , при этом . Шаг хомутов у опоры должен быть не более  и не более , а в пролете не более  и не более . Шаг поперечных стержней по конструктивным требованиям принимаю  на всех приопорных участках длиной . В средней части шаг поперечных стержней принимаю  в целях унификации принимаю .

Требуемая интенсивность хомутов  при действии только равномерно распределенной нагрузки , в зависимости от

где

 

при

 

при этом

Принимаю наибольшее значение требуемой интенсивности хомутов

Поперечная арматура учитывается в расчете, если

 .

 

 

 

Принятый шаг хомутов у опоры не достаточен принимаю  (минимально возможный) и арматуру горячекатаную гладкую  класса А240, :  с площадью . Число каркасов , при этом ..

 

При расчете элементов на действие равномерно распределенной нагрузки невыгоднейшее значение  принимается

,

если

Принимаю

,

 

 

При этом проверяется условия необходимости постановки поперечных стержней

 

 

 

 

 

 

 

4.5    Расчёт консоли ригеля


Местная сжимающая сила от внешней нагрузки


Принимаю длину опорной площадки  ширину , при ширине плиты

Проверяю условие:


 - коэффициент, учитывающий неравномерность давления плиты на опорную консоль, .

 - площадь приложения сжимающей силы

 

но не менее 2,5 и не менее 1

 - максимальная расчетная площадь при , ;

 - максимальная расчетная площадь ;


Условие выполняется, прочность на местное сжатие обеспечена.

Поперечная сила на консоли ригеля от плиты

Конструктивно принимаю длину опорной площадки

Вылет консоли , при ширине плиты

При этом расстояние от грани до силы :


Высота консоли: ; рабочая высота сечения консоли равна:


Проверяю условие

Исходя из этого условия, следует, что консоль короткая.

Короткую консоль при  горизонтальными хомутами армировать не надо.

Проверяю прочность сечения консоли по наклонной полосе между силой и опорой из условия:

 

 - коэффициент армирования, равный:

 - коэффициент, учитывающий влияние хомутов расположенных по высоте консоли;  (горизонтальных и наклонных хомутов нет)

 

 

Условие выполняется.

Определяю площадь продольной арматуры , по изгибающему моменту у грани ригеля, увеличенному на  ():

 

;


Принимаю по 2Ø6 А240 ().


4.6    Построение эпюры арматуры (эпюры материалов)


Для экономии стали часть продольных стержней арматурного каркаса обрываются в пролете в соответствии с огибающей эпюрой моментов. Места обрыва стержней позволяет установить эпюра арматуры

4.6.1 Пролет

Продольная арматура 2Ø20 + 2Ø18 А400 (). Характеристики сечения:

 (уточненное значение с учетом фактического армирования).

 ,

 

Ординаты эпюры арматуры (изгибающий момент воспринимаемый сечением :

 

Обрываю 2Ø20 А400 в пролете. Для сечения 2Ø18 А400 ()

 (уточненное значение с учетом фактического армирования).

 ,

 

Ординаты эпюры арматуры (изгибающий момент воспринимаемый сечением :


4.6.2 Промежуточная опора

Продольная арматура 3Ø25 А400 (). Характеристики сечения:

 (уточненное значение с учетом фактического армирования).

 ,

Ординаты эпюры арматуры (изгибающий момент воспринимаемый сечением :


Обрываю 3Ø25 А400 в пролете.

Продольная арматура (конструктивная) 2Ø12 А400 (). Характеристики сечения:

 (уточненное значение с учетом фактического армирования).

 ,

Ординаты эпюры арматуры (изгибающий момент воспринимаемый сечением :


4.6.3 Определение длины анкеровки обрываемых стержней

Сечения в которых обрываемые стержни не требуются по расчету, определяются графически. Для этого на обрамляющую эпюру накладывается эпюра арматуры. Точки в которых ординаты эпюр будут общими определят места теоретического обрыва стержней в пролете. Чтобы обеспечить прочность наклонных сечений по моменту, обрываемые стержни должны быть заведены за точки своего теоретического обрыва на длину зоны анкеровки, составляющую не менее  или , не менее  и .

Сечение 1-1.

С учетом конструктивных требований поперечное армирование балки в рассматриваемом сечении принято , с шагом .

 

Поперечная сила , соответствующая тому сочетанию нагрузок, при котором в этом сечении получено значение ординаты огибающей эпюры моментов.

при :

 

где  - площадь сечения поперечной арматуры ;  - количество поперечных стержней в сечении;  - шаг поперечных стержней.

Поскольку требуемая длина заанкерования стержня больше возможной по конструктивным причинам, стержень в данном сечении не обрывается.

Сечение 2-2.

С учетом конструктивных требований поперечное армирование балки в рассматриваемом сечении принято , с шагом .

 

Поперечная сила , соответствующая тому сочетанию нагрузок, при котором в этом сечении получено значение ординаты огибающей эпюры моментов (1+3).

при :

 

где  - площадь сечения поперечной арматуры ;  - количество поперечных стержней в сечении;  - шаг поперечных стержней.

Сечение 3-3.

С учетом конструктивных требований поперечное армирование балки в рассматриваемом сечении принято , с шагом .


Поперечная сила , соответствующая тому сочетанию нагрузок, при котором в этом сечении получено значение ординаты огибающей эпюры моментов (1+3).

при :

 

где  - площадь сечения поперечной арматуры ;  - количество поперечных стержней в сечении;  - шаг поперечных стержней.

4.7    Конструирование ригеля


Стык ригеля с колонной выполняется на ванной сварке выпусков верхних надопорных стержней и сварке закладных деталей ригеля и опорной консоли колонны. Зазоры между торцами ригелей и колонны заполняются бетоном класса В25 на мелком щебне. Ригель армируется двумя сварными каркасами, часть продольных стержней каркасов обрываются в соответствии с изменением огибающей эпюры моментов по эпюре арматуры. Обрываемые стержни заводят за место теоретического обрыва на длину заделки .

Результаты расчетов сведены в таблицы:

Положение расчетных сечений

Принятое армирование

Площадь сечения арматуры, см2

Рабочая высота сечения, мм

Момент, воспринимаемый сечением, кНм


До обрыва

После обрыва

До обрыва

После обрыва


До обрыва

После обрыва

1 пролет

2Ø20+2Ø18

2Ø18

11,37

5,09

540/570

191,37

97,64

1 опора

3Ø25

2Ø12

14,73

2,26

540/570

239,87

45,04

2 пролет

2Ø20+2Ø18

2Ø18

11,37

5,09

540/570

191,37

97,64


Пролет

№ точки

Значение Q, кН в месте обрыва

Погонное сопр-е хомутов, ,кН/м

Диаметр обрыв. стержней, Ø, мм

  мм

  мм

Окончательное значение , мм

1

1

92,79

48,06

20

878

400

нет обрыва

1

2

98,63

170,85

20

413

400

413

2

3

153,58

170,85

25

575

440

575

 

4.8    Расчет монтажных петель ригеля


Нагрузка от собственного веса ригеля: ;

Определяю величину расчетной погонной нагрузки с учетом коэффициента динамичности  и коэффициента надежности по нагрузке :

.

При подъеме ригеля вес может быть передан на две петли. Усилие на одну петлю составит

 

Площадь сечения арматуры петель будет равна:

 

Принимаю петли ,

4.9    Расчет и конструирование узлового соединения ригеля с колонной


Ригеля опираются на консоли колонны. Пара сил опорного момента ригеля воспринимаются в узле поверху стыковыми стержнями, понизу сварными швами опорных закладных стальных деталей ригеля и консолей колонн.


Расстояние между центрами тяжести закладных деталей ригеля на опоре:.

 

Опорный изгибающий момент:.

Изгибающий момент по грани колонны:

 

Составляющие пары сил:

 

Требуемая площадь сечения стыковых стержней:

 

Принимаем 3Æ22 А-400 с

 

Выпуски опорной арматуры ригеля с помощью вставок соединяют ванной сваркой с соответствующими выпусками стержней из колонны с последующим замоноличиванием стыка бетоном на мелком заполнителе.

5.   Расчет сборной железобетонной колонны

перекрытие ригель фундамент простенок

Колонны здания выполняются из сборных элементов высотой на два этажа (двухэтажная разрезка). Колонна верхнего этажа (третьего) имеет поэтажную разрезку. Стык колонны устраивается через два этажа на высоте  от пола перекрытия. Колонна заделывается в стакан фундамента на глубину ; Отметка верха фундамента принимается . Высота колонны назначается в зависимости от заданной высоты этажа (отметок уровней чистого пола ) с учетом высоты сечения ригеля , плиты  и толщины пола на перекрытиях . Толщина пола принимается . Высота таврового ригеля , ребристых плит перекрытия . Колонну принимаю квадратного поперечного сечения. Размеры сечения  в пределах одной монтажной единицы колонны принимаются одинаковыми и кратными . Принимаю сечение колонны  (ширина сечения колонны должна быть на  больше ширины сечения ригеля ().

Для опирания ригелей междуэтажных перекрытий на колонне устраиваются двусторонние короткие консоли. Размеры консолей назначаются по расчету. Ствол колонны армируется пространственным сварным каркасом, из продольных и поперечных стержней (хомутов). Продольная арматура принимается симметричной (); площадь ее сечения определяется расчетом на внецентренное сжатие. Продольные стержни устанавливаются у граней колонны, перпендикулярных плоскости изгиба (плоскости рамы). Поперечные стержни свариваются во всех углах сечения, образуя замкнутые по периметру хомуты. Диаметр стержней хомутов подбирается конструктивно из условия обеспечения сварки. Шаг поперечных стержней (хомутов)  принимается не более  и не более . Класс бетона от B15 до B25.

5.1    Определение усилий в колонне


Колонна расположена внутри здания. Рассчитывается колонна на два нижних этажа на внецентренное сжатие. В данном случае расчет колонны выполняется на одно наиболее нагруженное сечение (первого этажа) по одной комбинации нагрузки при жесткой конструктивной схеме.

РСН-1 (Расчетная схема)

Значения внутренних усилий

Таблица усилий (стержни)

 

 

 

Усилия

 

 

№элем

№сечен

N (кН)

My (кН*м)

Qz (кН)

1

1

-793.266

-12.062

0.000

1

2

-793.266

-12.062

0.000

2

1

-514.289

-0.167

0.000

2

2

-514.289

-0.167

0.000

3

1

-237.311

4.675

0.000

3

2

-237.311

4.675

0.000

4

1

0.000

164.060

-27.329

4

2

0.000

-162.332

-192.464

5

1

0.000

12.645

25.999

5

2

0.000

0.000

-34.514

6

1

0.000

167.792

-26.072

6

2

0.000

-154.867

-191.207

7

1

0.000

14.851

25.257

7

2

0.000

0.000

-35.257

8

1

0.000

112.521

-20.935

8

2

0.000

-124.354

-138.577

9

1

0.000

49.848

21.722

9

2

0.000

0.000

-55.290

10

1

0.000

0.000

137.806

10

2

0.000

164.060

-27.329

11

1

0.000

-154.437

86.513

11

2

0.000

12.645

25.999

12

1

0.000

0.000

139.063

12

2

0.000

167.792

-26.072

13

1

0.000

-150.025

85.771

13

2

0.000

14.851

25.257

14

1

0.000

0.000

96.707

14

2

0.000

112.521

-20.935

15

1

0.000

-129.029

98.734

15

2

0.000

49.848

21.722

РСН-2(Расчетная схема)

Значения внутренних усилий

Таблица усилий (стержни)

 

 

 

Усилия

 

 

№элем

№сечен

N (кН)

My (кН*м)

Qz (кН)

1

1

-793.266

12.062

1

2

-793.266

12.062

0.000

2

1

-514.289

0.167

0.000

2

2

-514.289

0.167

0.000

3

1

-237.311

-4.675

0.000

3

2

-237.311

-4.675

0.000

4

1

0.000

12.645

-25.999

4

2

0.000

-154.437

-86.513

5

1

0.000

164.060

27.329

5

2

0.000

0.000

-137.806

6

1

0.000

14.851

-25.257

6

2

0.000

-150.025

-85.771

7

1

0.000

167.792

26.072

7

2

0.000

0.000

-139.063

8

1

0.000

49.848

-21.722

8

2

0.000

-129.029

-98.734

9

1

0.000

112.521

20.935

9

2

0.000

0.000

-96.707

10

1

0.000

0.000

34.514

10

2

0.000

12.645

-25.999

11

1

0.000

-162.332

192.464

11

2

0.000

164.060

27.329

12

1

0.000

0.000

35.257

12

2

0.000

14.851

-25.257

13

1

0.000

-154.867

191.207

13

2

0.000

167.792

26.072

14

1

0.000

0.000

55.290

14

2

0.000

49.848

-21.722

15

1

0.000

-124.354

138.577

15

2

0.000

112.521

20.935

РСН-3(Расчетная схема)

Значения внутренних усилий

Таблица усилий (стержни)

 

 

 

Усилия

 

 

№элем

№сечен

N (кН)

My (кН*м)

Qz (кН)

1

1

-1100.45

0.000

0.000

1

2

-1100.45

0.000

0.000

2

1

-691.893

0.000

0.000

2

2

-691.893

0.000

0.000

3

1

-286.024

0.000

0.000

3

2

-286.024

0.000

0.000

4

1

0.000

128.966

-39.145

4

2

0.000

-232.518

-204.280

5

1

0.000

128.966

39.145

5

2

0.000

0.000

-125.991

6

1

0.000

132.961

-37.800

6

2

0.000

-224.529

-202.935

7

1

0.000

132.961

37.800

7

2

0.000

0.000

-127.336

8

1

0.000

99.349

-25.370

8

2

0.000

-150.699

-143.012

9

1

0.000

99.349

25.370

9

2

0.000

0.000

-92.272

10

1

0.000

0.000

125.991

10

2

0.000

128.966

-39.145

11

1

0.000

-232.518

204.280

11

2

0.000

128.966

39.145

12

1

0.000

0.000

127.336

12

2

0.000

132.961

-37.800

13

1

0.000

-224.529

202.935

13

2

0.000

132.961

37.800

14

1

0.000

0.000

92.272

14

2

0.000

99.349

-25.370

15

1

0.000

-150.699

143.012

15

2

0.000

99.349

25.370

5.1.1 Материалы для колонны

Арматура:

-       продольная рабочая стержневая периодического профиля класса А400 (, );

-       ненапрягаемая поперечная горячекатаная гладкая класса А240 (, , ), в виде хомутов.

Бетон:

-       Тяжелый класса В15, коэффициент условий работы бетона (. , , )

5.2    Расчет колонны по прочности


Комбинация усилий , расчетный изгибающий момент  и соответствующая расчетная продольная сила .

Комбинация усилий , расчетный изгибающий момент  и соответствующая расчетная продольная сила .

Выполняют по двум комбинациям усилий и принимают большую площадь сечения. Анализом усилий часто можно установить одну расчетную комбинацию и по ней выполнить подбор сечений арматуры.

По найденным усилиям М=12,062 кН×м и N=1100,45 кН колонна рассчитывается на внецентренное сжатие с симметричной арматурой Аs=A¢s.

Расчет колонны на внецентренное сжатие сводится к определению площади сечения продольной симметричной арматуры  в расчетном сечении. .

 

Расстояние между перекрытиями и другими горизонтальными опорами.

Расчетная длина  внецентренно сжатых элементов:  (для элементов с жесткой заделкой на одном конце и податливой на другом).

При расчете следует учитывать случайный эксцентриситет  который принимается не менее: 1/600 длины элемента или расстоянии между его сечениями, закрепленными от смещения; 1/30 высоты сечения; 10 мм.

 

Для элементов статически неопределимых конструкций значение эксцентриситета продольной силы относительно центра тяжести сечения  из статического расчета, но не менее .

 

При гибкости элементов  (для прямоугольного сечения при ) учитывается влияние на их несущую способность прогибов

 

где  - коэффициент:

 

где  - условная критическая сила,

;

 - жесткость элемента в предельной по прочности стадии, для прямоугольных сечений

 

 - коэффициент, учитывает влияние длительного действия нагрузки на прогиб элемента,

;

 - момент относительно оси проходящей через наиболее растянутого или наименее сжатого стержня арматуры от действия постоянных, длительных и кратковременных нагрузок;

 - момент относительно оси проходящей через наиболее растянутого или наименее сжатого стержня арматуры от действия постоянных и длительных нагрузок,

 - коэффициент,

.

 

В первом приближении принимаю

Необходимая площадь сечения арматуры, при

 

;

 допустимо принять

где ; ;

Откуда ;

Провожу перерасчет, полагая

 

где  - коэффициент:

 

где  - условная критическая сила,

 ;

 - жесткость элемента в предельной по прочности стадии, для прямоугольных сечений

 

 - коэффициент, учитывает влияние длительного действия нагрузки на прогиб элемента,

 

 - момент относительно оси проходящей через наиболее растянутого или наименее сжатого стержня арматуры от действия постоянных, длительных и кратковременных нагрузок;

 - момент относительно оси проходящей через наиболее растянутого или наименее сжатого стержня арматуры от действия постоянных и длительных нагрузок,

 - коэффициент,

.

 

Необходимая площадь сечения арматуры, при

 

;

 допустимо принять

где ; ;

Откуда ;

Принимаю по 2Ø22 А400 с  у каждой грани. Принятую продольную арматуру пропускаю по всей длине колонны 1-го и 2-го этажей без обрывов.

Поперечные стержни (хомуты) принимаю из проволоки Ø6 А240 с шагом . Шаг поперечных стержней (хомутов)  принят не более  и не более .

5.3    Расчет консоли колонны


Консоль колонны предназначена для опирания ригеля рамы. Консоли колонны бетонируются одновременно с ее стволом, поэтому выполняются также из тяжелого бетона класса B15. Продольная арматура класса А400 (, ); Поперечное армирование коротких консолей в виде горизонтальных двухветвенных () хомутов из стержней Ø6 мм класса А240 (, , , площадь сечения одной ветви хомута ).

Консоль воспринимает нагрузку от одного междуэтажного перекрытия. Расчетная поперечная сила, передаваемая на консоль, составляет: .

Принимаю вылет консоли , высоту сечения консоли в месте примыкания ее к колонне (в опорном сечении) . Угол наклона сжатой грани консоли к горизонту . Высота сечения у свободного края . Рабочая высота опорного сечения консоли . Поскольку , консоль короткая.

С учетом зазора между торцом ригеля и гранью колонны , длина площадки опирания ригеля вдоль вылета консоли . Расстояние от точки приложения силы  до опорного сечения консоли будет:

.

Проверяю прочность бетона на смятие под опорной площадкой. При ширине ригеля  получаю

 - прочность на смятие обеспечена.

Проверяю условие прочности по сжатой наклонной полосе.

; ;

.

Принимаю шаг горизонтальных хомутов

 .

 

 

 

 

 

 

Проверяю условие прочности

 

Условие прочности выполняется, высота консоли достаточна для восприятия поперечной силы.

Определяю площадь продольной арматуры , по изгибающему моменту у грани колонны, увеличенному на  ():

 

Принимаю по 2Ø14 А400 с ().

5.4    Расчет стыка колонны


Жесткий стык колонн с минимальной затратой металла осуществляется путем ванной сварки выпусков продольной рабочей арматуры колонн, расположенных в специальных подрезках. После сварки стык замоноличивается бетоном класса таково же, как и у колонны B15.

Стыки колонн располагаются на высоте 60-80 см над уровнем пола соответствующего этажа. Предусмотрены стыки колонн в район третьего этажа, где расчетные усилия  и ,

Размеры металлической центрирующей прокладки не должны превышать  колонны. Толщина торцевых пластин  и .Конструктивные требования к бетонным выступам:

Ванная сварка стыковых стержней располагается в специальных нишах - подрезках. Суммарная высота подрезок не менее  и не менее  выпусков. Минимальная глубина подрезок определяется необходимостью установки инвентарной сварочных форм и условием размещения датчиков ультразвукового контроля качества сварных швов.

Стык колонн с малым эксцентриситетом выполнен сопряжением торцов колонн через слой цементного раствора с обрывом продольной арматуры (контактные стыки).

Для усиления стыка применяется косвенное армирование в виде сварных поперечных сеток. Сварные сетки изготовляются из проволоки класса B500 . Размеры ячеек сетки принимаются не менее , но не более  и не более . Шаг сеток назначается не менее , но не более  и не более . Сварные сетки косвенного устанавливаются у торцов колонн в количестве не менее четырех сеток на длине (от торца) не менее . Защитный слой бетона стержней сетки принят не менее .

Расчет стыка колонн производится с учетом косвенного армирования без учета бетона замоноличивания.

Площадь сечения, ограниченная крайними стержнями сетки С-4

Объемный коэффициент армирования выступа


где  - число стержней, площадь поперечного сечения и длина сетки по осям крайних стержней в одном направлении;  - то же самое.  - шаг сеток.

Для стадии эксплуатации коэффициент  вычисляется при коэффициенте условий работы

 

 

Расчетное сопротивление бетона колонн с учетом косвенного армирования с учетом

 

Определяю граничную высоту сжатой зоны при характеристике бетона сжатой зоны при косвенном армировании

 

Здесь ;

Расчетная площадь колонны с учетом подрезок ; , высота сжатой зоны для сечения прямоугольной формы при

 

 

 

;  (для элементов с податливой заделкой на обоих концах)при ) учитывается влияние на несущую способность прогибов

 

где  - коэффициент (сечение в средней трети)

 

где  - условная критическая сила,

;

 - жесткость элемента в предельной по прочности стадии, для прямоугольных сечений

 

 - коэффициент, учитывает влияние длительного действия нагрузки на прогиб элемента,

;

 - момент относительно оси проходящей через наиболее растянутого или наименее сжатого стержня арматуры от действия постоянных, длительных и кратковременных нагрузок;

 - момент относительно оси проходящей через наиболее растянутого или наименее сжатого стержня арматуры от действия постоянных и длительных нагрузок,

 - коэффициент,

.

 

Проверка условия прочности производится без учета бетона колонны в подрезках, с учетом повышения расчетного сопротивления бетона за счет косвенного армирования:

 

Условие удовлетворяется, прочность стыка по колонне без учета бетона замоноличивания обеспечена.

6.   Расчет фундамента


Фундамент под колонну проектируется ступенчатым с повышенным подколонником. Фундамент состоит из подколонника со стаканной частью для заделки колонны и плиты. Верх подколонника расположен на отметке . Под подошвой фундамента бетонная подготовка толщиной  из бетона B3,5. При этом защитный слой для нижней сетки плиты . Глубина заложения фундамента . Полная высота фундамента  (кратно ).

Минимальная толщина стенки стакана по верху . Зазор между гранями колонны и стенками стакана по верху  и по низу . Зазор заполняется бетонном класса B15 на мелком гравии.

Размеры сторон подколонника

,

принимаю  (кратно ).

 - размеры сечения колонны

Уклон всей плитной части или отдельных ступеней ограничивается пределами от 1:1 до 1:2.

Плита армируется по низу двумя рядами сеток, расположенными в перекрестном направлении. Рабочая арматура каждой сетки расположена в одном направлении с шагом . Диаметр ее определяется расчетом, но не менее . Поперечные стержни сеток от  до , с шагом . Ширина сеток  (кратна ). Длина сеток на  короче ширины подошвы фундамента. Зазор между сетками не более . Подколонник армируется объемным каркасом, свариваемым из четырех плоских каркасов, с вертикальными стержнями  с шагом вдоль сторон подколонника . Поперечные стержни плоских каркасов не доводятся до их верха примерно на глубину стакана для обоймы из пакета сеток стаканной части нанизанного на рабочие стержни каркаса. Сетки стаканной части каркаса ставятся с шагом не более 20 см и не более четверти глубины стакана по всей его высоте. Диаметр стержней сеток .

6.1    Материалы для фундамента

Арматура:

-       ненапрягаемая продольная рабочая стержневая периодического профиля класса А400 (, , );

-       ненапрягаемая поперечная горячекатаная гладкая класса А240 (, , )

Бетон:

-       Тяжелый класса B15 ( - твердение бетона во влажном грунте, , , )

Расчетное значение по первой группе предельных состояний ;

Расчетное значение по второй группе предельных состояний


6.2    Определение размеров подошвы фундамента в плане


Фундамент под внутреннюю колонну многоэтажного здания с жесткой конструктивной схемой нагружен продольной силой с небольшим эксцентриситетом (на уровне подошвы не превышает b/30). Такие фундаменты допускается рассчитывать как центрально нагруженные.

Необходимая площадь подошвы:

 

где  - расчетное продольное усилие, передаваемое фундаменту колонной, при коэффициентах надежности по нагрузке ;

 - расчетное сопротивление грунта основания, ;

 - усредненный вес единицы объема бетона фундамента и грунта на его уступах.

Сечение подошвы фундамента квадратное , принимаю  (кратно ).

6.3    Расчет тела фундамента на прочность


Высота всей плиты или ее нижерасположенных ступеней проверяется расчетом на прочность против продавливания в предположении, что продавливание происходит по боковой поверхности пирамиды, верхним основанием которой служит площадь действия продавливающей силы, а боковые грани наклонены под углом  к горизонтали. Нижнее основание пирамиды лежит в плоскости рабочей арматуры плиты.

6.3.1 Прочность нижней ступени на продавливание, сечение 3-3

Поскольку верхняя ступень имеет уклон 1:1, расчет на продавливание выполняется только для нижней ступени. Рабочая высота нижней ступени . Давление на грунт от расчетной нагрузки :

 

 - площадь основания продавливаемого фрагмента нижней ступени фундамента в пределах контура расчетного поперечного сечения, равная:

 

Продавливающая сила

 

 

 - площадь расчетного поперечного сечения, расположенного на расстоянии  от границы площади приложения силы N с рабочей высотой сечения . В данном случае .

 

 - периметр контура расчетного поперечного сечения:

 

 

 

 

Условие выполняется. Прочность нижней ступени фундамента против продавливания обеспечена.

6.3.2 Проверка прочности нижней ступени по поперечной силе, сечение 3-3


 

 

6.3.3 Расчет армирования подошвы фундамента

Площадь сечения арматуры плиты определяю на всю ширину подошвы фундамента в двух сечениях:

-       сечение 1-1 (по грани подколонника).

 

 

-       сечение 2-2 (по грани верхней ступени).

 

 

Арматура подбирается по наибольшей площади и не менее

Принимаю в каждом направлении по одной сетке с типовой шириной , с рабочими стержнями Ø10 мм, шаг рабочих стержней . Количество рабочих стержней в каждом направлении :

 

Процент армирования расчетных сечений:

;

;

Подколонник армируется конструктивно объемным каркасом, свариваемым из четырех плоских каркасов с вертикальными стержнями Ø и шагом . Стаканная часть подколонника армируется пакетом сеток из стержней Ø с шагом сеток .

7.   Расчет простенка наружной стены первого и верхнего этажей


7.1    Конструирование простенка


Наружные стены толщиной  из силикатного кирпича марки M100 на цементно-песчаном растворе M50(,  для неармированной кладки). Оконные проемы шириной-высотой.

Для расчета простенков наружной стены первого и верхнего этажей нагрузка собирается с грузовой площади , где расчетная ширина участка стены по фасаду равна расстоянию между осями смежных оконных проемов, а длина половине ширины пролета в свету:

,

где ширина оконного проема ;

 

Площадь простенка:

 

7.2    Сбор нагрузок


Сбор нагрузок выполняем в табличной форме. Нагрузка от собственной массы стены принимается центрально приложенной.

Нормативные и расчетные нагрузки на  перекрытия с учетом задания на проектирование и данных.

№ п/п

Вид нагрузки

Нормативная, кН/м2

γf

Расчетная, кН/м2

Постоянная g:

От веса покрытия:

1

Кровля рубероидная 3-х слойная

0.108

1.3

0.1404

2

Цементно-песчаная стяжка

0.54

1.3

0.702

3

Жёсткая мин. вата-утеплитель

0.099

1.2

0.1188

4

Пароизоляция

0.012

1.2

0.0144

5

Панель ребристая

2,5

1.1

2,75

6

Ригель таврового сечения

4,5

1.1

4,95

Итого:

7,759


8,67

От веса перекрытия:

1

Конструкция пола

0.7

1.2

0,84

2

Панель ребристая

2,5

1.1

2,75

3

Ригель таврового сечения

4,5

1.1

4,95

Итого:

7,7


8,54

Временная v:

1

Снег

1.68


2.4

2

Длительная

3

1.2

3,6

3

Кратковременная

1,5

1.2

1,8

Итого:

6,18


7,8



Нагрузка от перекрытия:

Нагрузка от покрытия:

Нагрузка от веса стены:


δ = 510 мм - толщина наружной стены,ПР = 4.05 м - длина простенка,

g = 1800 кг/м3 - удельный вес кирпичной кладки;

 коэффициент надёжности по нагрузке;

- высота стены от карниза до низа оконного проема первого этажа



Определяем изгибающий момент в сечении простенка:


Нагрузка передаётся на кирпичную кладку через панели перекрытия относительно оси стены с эксцентриситетом eo:

, a = 120 см - глубина опирания панели перекрытия.

И создаёт изгибающий момент M, кНм:

Определяем расчетный эксцентриситет:

Расчет на прочность:

Расчет внецентренно сжатых неармированных элементов каменных конструкций следует производить по формуле (п.4.7 [8]):

£ тgj1 RAcw,

где Аc - площадь сжатой части сечения при прямоугольной эпюре напряжений (рис. 5), определяемая из условия, что ее центр тяжести совпадает с точкой приложения расчетной продольной силы N. Положение границы площади Аc определяется из условия равенства нулю статического момента этой площади относительно ее центра тяжести для прямоугольного сечения:

Аc = A;

j1 =

- расчетное сопротивление кладки сжатию;- площадь сечения элемента;- высота сечения в плоскости действия изгибающего момента;0 - эксцентриситет расчетной силы N относительно центра тяжести сечения;

j - коэффициент продольного изгиба для всего сечения в плоскости действия изгибающего момента, определяемый по расчетной высоте элемента l0 (пп. 4.2, 4.3 [5] по табл. 18);

jc - коэффициент продольного изгиба для сжатой части сечения, определяемый по фактической высоте элемента Н по табл. 18 в плоскости действия изгибающего момента при отношении

По табл.2 СНиП II-22-81 “Каменные и армокаменные конструкции” расчётное сопротивление кладки R = 1.3 МПа, по табл.15 СНиП II-22-81 упругая характеристика кладки a = 1000.

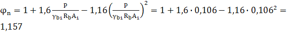
- коэффициент, учитывающий снижение несущей способности элемента при длительном действии нагрузки вследствие ползучести, при , .

- коэффициент продольного изгиба для всего сечения.

,

где  - коэффициент продольного изгиба для всего сечения высотой  в плоскости действия изгибающего момента, , по табл. 18 СНиП II-22-81 гибкость простенка:

  

Тогда

 - площадь сжатой зоны части сечения.

A = l×d = 4,05×0.51 = 2.091 м2 - расчётная площадь сечения простенка,

где: lПР = 4,05 м - длина простенка; d-толщина стены.

W-коэффициент, определяемый для кирпичной кладки прямоугольного сечения из выражения:

,

 - условие выполняется.

Определяем фактическую продольную силу:

Проверка условия:

- условие выполняется, следовательно, несущая способность кирпичного простенка обеспечена.

Список используемой литературы

 

1.   СП 52-101-2003. Бетонные и железобетонные конструкции без предварительного напряжения. Нормы проектирования.

2.       СП 52-102-2004. Свод правил по проектированию и строительству предварительно напряженные железобетонные конструкции. 2004.

.        СНиП 11-22-81. Каменные и армокаменные конструкции.

.        СНиП 2.01.07-85.Нагрузки и воздействия. М. 1987.

.        Байков В.Н., Сигалов Э.Е. Железобетонные конструкции. Общий курс. М. Стройиздат,1991.

.        Голышев А.Б. и др. Проектирование железобетонных конструкций. Справочное пособие / Под ред. А.Б. Голышева - 2-е изд., Киев: Будивэльнык, 1990.

Похожие работы на - Разработка проекта производства работ на строительство здания: 'Многоэтажного каркасного здания с каменными несущими стенами 18х12 м'

 

Не нашли материал для своей работы?
Поможем написать уникальную работу
Без плагиата!
Без нейросетей!