Многоканальная система массового обслуживания с ожиданием

  • Вид работы:
    Практическое задание
  • Предмет:
    Менеджмент
  • Язык:
    Русский
    ,
    Формат файла:
    MS Word
    106,44 Кб
  • Опубликовано:
    2013-05-20
Вы можете узнать стоимость помощи в написании студенческой работы.
Помощь в написании работы, которую точно примут!

Многоканальная система массового обслуживания с ожиданием

Многоканальная СМО с ожиданием

многоканальный массовый обслуживание вероятностный

Задание

1.      Построить модель многоканальной СМО с ожиданием с использованием блоков библиотеки SimEvents

2.      Согласно варианту задания произвести модельные эксперименты и определить статистические характеристики СМО в стационарном режиме

.        Результаты вычислений оформить в виде отчета с подробным описанием работы модели, используемых формул и с необходимым графическим материалом.

Текст задания

В аудиторскую фирму поступает простейший поток заявок на обслуживание с интенсивностью λ = 1,5 заявки в день. Время обслуживания распределено по показательному закону и равно в среднем трем дням. Аудиторская фирма располагает пятью независимыми бухгалтерами, выполняющими аудиторские проверки (обслуживание заявок). Очередь заявок не ограничена. Дисциплина очереди не регламентирована. Определите вероятностные характеристики аудиторской фирмы как системы массового обслуживания, работающей в стационарном режиме.

Дано:

Интенсивность потока заявок: = 1.5 заявк / день = 0,0625 заявк/час

Время обслуживания: Tобсл = 3 дня = 72 часа

Число серверов: n = 5.

Решение:

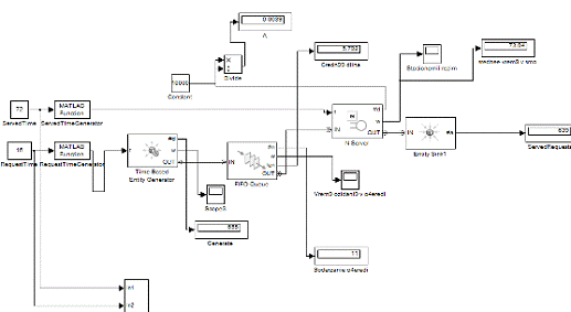
Описание блоков:

ServedTimeGenerator - генератор интервалов времени обслуживания, функция exprnd(u);

FIFO Oueue - очередь(бесконечная);


RequestTimeGenerator - генератор интервалов времени поступления заявок, функция exprnd(u);

Time-Based Entity Generator - генератор заявок;

N-Server - собственно сервер или канал обслуживания, число каналов задано переменной NChannels - по заданию 5.

Entity Sink - блок, аккумулирующий заявки, покидающие систему;

Время моделирование установлено 10000, чтобы показать, что СМО переходит в стационарный режим, из графика видно, что это так.

Время ожидания в очереди


Определяем статистические характеристики СМО:


Интенсивность потока обслуживания:

= 1/ Tобсл = 1 / 72 = 0.01389

. Интенсивность нагрузки.

ρ = λ • tобс = 0.0625 • 72 = 4.5

Интенсивность нагрузки ρ=4.5 показывает степень согласованности входного и выходного потоков заявок канала обслуживания и определяет устойчивость системы массового обслуживания.

Поскольку 4.5<5, то процесс обслуживания будет стабилен.

2. Доля заявок, получивших отказ.

Поскольку отказ в обслуживании в таких системах не может быть, то pотк = 0

3. Вероятность обслуживания поступающих заявок.обс = Q = 1

4. Среднее число каналов, занятых обслуживанием.

з = ρ • pобс = 4.5 • 1 = 5 каналов

. Среднее число простаивающих каналов.

пр = n - nз = 5 - 5 = 0 канала.

. Коэффициент занятости каналов обслуживанием.


Следовательно, система на 100% занята обслуживанием.

7. Абсолютная пропускная способность.

A = N/T,

где Т = время моделирования.

Display A = 0.0639

Теоретическое значение:

A = pобс • λ = 1 • 0.0625 = 0.062 заявок/час.

. Среднее время простоя СМО.

tпр = pотк • tобс = 0 • 72 = 0 час.

. Среднее число заявок, находящихся в очереди.

Lср = 5.792

10. Среднее число обслуживаемых заявок.об = ρ = 4.5

Номинальная производительность СМО: 5 / 72 = 0.0694 заявок в час.

Фактическая производительность СМО: 0.062 / 0.0694 = 89% от номинальной производительности.

Вывод: В данной работе была построена многоканальная СМО с ожиданием, т.е. очередь заявок в ней не ограничена, дисциплина очереди не регламентирована. СМО выйдет в стационарный режим, с течением времени, а именно, установив время моделирования 1000. На основании расчетов, выполненных по соответствующим формулам можно утверждать, что фактическая производительность данной СМО будет составлять 89% от номинальной, это означает, что в данном случае на практике многоканальная СМО с ожиданием будет сильно приближена к теоретическим расчетам.

Похожие работы на - Многоканальная система массового обслуживания с ожиданием

 

Не нашли материал для своей работы?
Поможем написать уникальную работу
Без плагиата!
Без нейросетей!