Розрахунок підсилювача звукової частоти

  • Вид работы:
    Курсовая работа (т)
  • Предмет:
    Физика
  • Язык:
    Украинский
    ,
    Формат файла:
    MS Word
    2,2 Мб
  • Опубликовано:
    2013-10-26
Вы можете узнать стоимость помощи в написании студенческой работы.
Помощь в написании работы, которую точно примут!

Розрахунок підсилювача звукової частоти

1. Розрахунок підсилювача звукової частоти на біполярному транзисторі за схемою включення зі спільним емітером

Завдання. Розрахувати підсилювач звукової частоти на біполярному транзисторі за схемою включення зі спільним емітером із температурною стабілізацією за наступними даним:

1.      Тип транзистору…………………………………………….КТ210Б;

2.      Амплітуда вихідного сигналу Uвих, В…………………………. 2,5;

.        Опір навантаження Rн, кОм……………………………………..1.5

.        Опір джерела сигналу Rдж, кОм………………………………75;

.        Частотний діапазон сигналу:

         Нижня гранична частота fн, Гц…………………………………..65;

         Верхня гранична частота fв, кГц………………………….……..24;

6.      Модулі коефіцієнтів частотних спотворень:

         На нижній граничній частоті Мн…………………………….. 1,13;

         На верхній граничній частоті Мв…………………………….. 1,32;

7.      Коефіцієнт температурної нестабільності S………….……….. 4,2.

Необхідно:

1.      Визначити режим роботи транзистора за постійним струмом.

2.      Розрахувати елементи схеми підсилювача за постійним струмом та забезпечити необхідну температурну стабілізацію каскаду.

3.      Визначити параметри підсилювача та представити підсилювач еквівалентним чотириполюсником.

.        Розрахувати нелінійні спотворення підсилювача.

.        Побудувати амплітудно-частотну, фазочастотну та амплітудно-фазочастотну характеристики підсилювача частот в діапазоні від 1Гц до 1МГц.

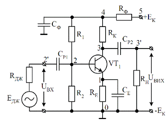
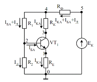
Для забезпечення потрібного коефіцієнту температурної стабілізації S≤4.2 обрано схемне рішення підсилювального каскаду із емітерно-колекторною стабілізацією струму колектору, принципова схема підсилювача наведено на рис. 1.1.

Рисунок 1.1 - принципова схема підсилювача на БПТ зі СЕ

1.1 Розрахунок елементів схеми підсилювача за постійним струмом

Схема підсилювача на біполярному транзисторі зі спільним емітером за постійним струмом наведено на рис. 1.2.

За даними довідника виписані паспортні дані транзистору КТ210Б:

-        максимальний постійний струм колектору, ІКмах, мА……….20

-        максимальна постійна напруга колектор-база, UКБмах, В……..30

         максимальна постійна напруга колектор-емітор, UКЕмах, В…….30

         максимальна постійна напруга емітор-база, UЕБмах, В…….……10

         максимальна потужність, що розсіюється на колекторі, РКмах, мВт 25

         статистичний коефіцієнт передачі струму в схемі СЕ, h21Е..від 10 до 100

Рисунок 1.2. - Схема підсилювача на БПТ зі СЕ за постійним струмом

На рис. 1.3, приведено вхідні та вихідні вольт-амперні характеристики (ВАХ) транзистору КТ210Б. На вихідних ВАХ нанесено межі робочих режимів, що визначаються допустимими параметрами транзистору:

UКЕ мах=30В; ІК мах=20 мА; РК мах=25 мВт.

Характеристику максимально допустимої потужності, що розсіюється на колекторі, будуємо згідно розрахунку, який наведено у таблиці 1.1.

Таблиця 1.1 - Розрахунок характеристики максимально допустимої потужності, що розсіюється на колекторі

Uкэ, В

2

3

4

5

6

7

8

9

10

Ікі, мА

12,5

8,3

6,25

5

4,2

3,6

3,125

2, 8

2,5



Рисунок 1.3 - Вхідна ВАХ транзистору КТ210Б

Рисунок 1.4 - Вихідна ВАХ транзистору КТ210Б

Вибір режиму роботи транзистору. Положення точки покою А на вихідних ВАХ біполярного транзистору, який включено за схемою зі СЕ, визначається напругою UКЕ А та струмом ІК А. Значення цих параметрів визначається із наступних умов:

 

UКЕ АUВИХ max+ UКЕ нас=2,5+1=3,5 В; (1.1)

I К А≥(1.5…2.0) · IВИХ max=(1.5…2.0) · (UВИХ max /Rн)

I К А=(1.5…2.0) · (2,5/500)=7,5 мА (1.2)

На рис. 1.3 та 1.4 приведені вхідні та вихідні ВАХ біполярного транзистору, який включено за схемою зі СЕ. З урахуванням умов 1.1 та1.2 приймається положення точки покою А на вихідних ВАХ транзистору:

I К А=5,1 мА; UКЕ А=3,5 В; I Б А=0,04мА;

Визначимо положення точки покою на вхідних ВАХ транзистора. Значення напруги на база-емітерному переході UБЕ А=0,7 В. Таким чином, координати точки покою:

I К А=5,1 мА; UКЕ А=3,5 В; I Б А=0,04мА; UБЕ А=0,7 В.

 

U10=(0,1…0,3) ·ЕК=0,15·ЕК;

U54=(0,05…0,15) ·ЕК=0,1·ЕК;

U43≥(1,2…1,5) · UВИХ max =1,5· UВИХ max=1,5 · 2,5=3,75В;

ІД≥(5…20) · ІБ А=20· ІБ А=20*0,04=0,8 мА.

По мірі визначення номіналів резисторів параметри підсилювача замінюються розрахунковими значеннями.

 

U41= ЕК - U54 - U10= ЕК - 0,1ЕК - 0,15ЕК= 0,75ЕК = U43+UКЕ А

U41=3,75+3,5=7,25 В;

ЕК= U41/0,75= 7,25/0,75=9,7 В.

Приймаємо номінальне значення напруги живлення ЕК= 10 В. Величина опору резисторів складає:

 

RК= U43 /I К А=3,75/0,0051=735,3 Ом;

RФ=0,1 ЕК /(I К А+I Б АД)=0,1 · 10/(0,0051+0,00004+0,0008)=168,35 Ом;

Номінали резисторів приймається RК=750 Ом, RФ=175 Ом. Потужність, що розсіюється на резисторах RК та RФ:

 

РRк=(I К А)2 RК=750 · 0,00512=19,5 мВт;

РRф=(I К А+I Б АД)2RФ=175 · (0,0051+0,00004+0,0008)2=6,2 мВт.

Вибираються резистори RК типу smd - 0.125 - 750 Ом ± 5%;

RФ типу smd - 0.125 -175 Ом ± 5%.

 

RЕ=(ЕК - (I К А+I Б АД) RФ-I К А RК-UКЕ А)/ (I К А+I Б А)

RЕ=(10 - (0,0051+0,00004+0,0008) ·175-0,0051· 750-3,5)/(0,0051+0,00004)=297 Ом

Номінал резистору приймається RЕ=300 Ом. Потужність, що розсіюється на резисторах RЕ:

 

Р RЕ=(I К А+I Б А)2RЕ=300 · (0,0051+0,00004)2=7,8 мВт.

Вибирають резистор RК типу smd - 0.125 - 300 Ом ± 5%.

Побудована лінія навантаження на вихідних ВАХ транзистору за постійним струмом. Струм короткого замикання не повинен перевищувати максимально допустимий струм колектору:

ІК maxКЗ=U40 /(RЕ+RК)=ЕК-U54 /(RЕ+RК)= ЕК - (I К А+I Б АД) RФ /(RЕ+RК)

ІКЗ=(10 - (0,0051+0,00004+0,0008) ·175) /(300+750)=8,5 мА< ІК max=10 мА.

Розрахунок номіналів R1 та R2:

 

R2=(UБЕ А+(I К А+I Б А) RЕ)/ІД

R2=(0,7+300 · (0,0051+0,00004))/0,0008=2937,5 Ом

Номінал резистору приймається R2=3000 Ом. Потужність, що розсіюється на резисторах R2:

 

РR2=(IД)2 R2=3000 · 0,00082=1,9 мВт

Вибирають резистор RК типу smd - 0.125 - 3 кОм ± 5%.

 

R1=(ЕК - (I К А+I Б АД) RФ - ІД R2)/(I Б АД)

R1=(10 - (0,0051+0,00004+0,0008) ·175 - 0,0008 · 3000)/(0,00004+0,0008)=7.81 кОм

Номінал резистору приймається R1=7500 Ом. Потужність, що розсіюється на резисторах R1:

 

РR1=(I Б А+ IД)2 R1=7500 · (0,0008+0,00004)2=5,3 мВт.

Вибирають резистор R1 типу smd - 0.125 - 7,5 кОм ± 5%.

Розрахунок коефіцієнту температурної нестабільності.

 

S=(1+D)/(1-б+D)

б=h21E /(1+ h21E)

h21E=∆ІК /∆ ІБ=(6,7-3,8)/(0,05-0,03)=145

б=145 /(1+145)=0,993

D= RЕ/ R2+RЕ/ R1+ RФ /R1+ (RЕ · R1)/(RФ· R2)

D= 300/ 3000+300/ 7500+ 175 /7500+ (300 · 175)/(7500 · 3000)=0,169

S=(1+0,169)/(1-0,993+0,169)=6,64

1.2 Розрахунок схеми підсилювача за змінним струмом

Розрахунок основних параметрів підсилювача за змінним струмом - коефіцієнти підсилення за напругою К1, К2, вхідний Rвх та вихідний Rвих опoри. У вибраній точці покою методом графічного диференціювання розраховані h-параметри транзистору (h12Е прийнятий рівний нулю):

Рисунок 1.5 - Ввизначення h - параметрів транзистора у вибраній точці покою, вхідна ВАХ

Рисунок 1.6 - Ввизначення h - параметрів транзистора у вибраній точці покою, вихідна ВАХ

 

h11Е=∆UБЕ /∆ ІK=0.015/0.00002=750 Ом

h21E=∆ІК /∆ ІБ=(6,7-3,8)/(0,05-0,03)=145

h22Е=∆ІK /∆UБЕ =0,025/1=0,025 мСм

Складають електричну лінійну модель підсилювача в області середніх звукових. У цій схемі:

 

RЕКВ= (R1 · R2)/(R1+R2)=(7500 · 3000)/(7500+3000)=2143 Ом.

 

Рисунок 1.7 - Лінійна модель підсилювача в області середніх звукових частот



З другого рівняння виражається значення напруги UКЕ:


Підставивши це співвідношення у перше рівняння, отримаємо:


Визначаємо вхідний опір транзистору:

 

RвхТ= UВХБh11Е=750

Визначаємо вхідний опір підсилювача:

 

RвхПС=(h11Е · RЕКВ)/(h11Е+ RЕКВ)

RвхПС=(750 · 2140)/(750+ 2140)=555 Ом

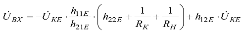
З системи рівнянь знаходимо формулу для розрахунку коефіцієнту підсилення за напругою:


Підставляючи це співвідношення у перше рівняння системи, отримуємо:


При h12Е=0 коефіцієнт підсилення становить:

 

КU=-145/750 · (0,025 · 10-3-3+1/750+1/1500)=-95

Коефіцієнт підсилення при холостому ході:

 

КUхх=-145/750*(0,025*10-3-3+1/750)=-142

Коефіцієнт підсилення за струмом:

 

КІн=-95 · (555/1500)=-35,15

Вихідний опір знаходимо з співвідношення


Формула для розрахунку вихідного опору підсилювача має наступний вигляд:

 

RВИХ=(750 · (1/0.025)/(750+1/0.025)=736 Ом

Знаючи основні параметри підсилювача, на рис. 1.8 наведемо схему заміщення, як стандартного чотириполюсника.

Рисунок 1.8 - Еквівалентна схема підсилювача як чотириполюсника

Розрахунок коефіцієнту підсилення за напругою при умові виконання умов узгодження у вхідному та вихідному колах підсилювача:


КU=-142 · (555/(555+75000)) · (1500/(555+763))=-1,187

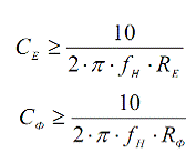
Розрахунок значення ємності конденсаторів СЕ та СФ:

 

СЕ=10/(2 · 3,14*65*300)=81,66 мкФ

СФ=10/(2 · 3,14*65*175)=139,99 мкФ

Отримані значення округлюємо до стандартних у більшу сторону СЕ= СФ=

Вибираємо конденсатори СЕ типу К50-6-___ мкФ х 50 В ±10%

СФ типу К50-6-___ мкФ х 50 В ±10%

1.3 Розрахунок нелінійних спотворень вихідного сигналу підсилювача

Коефіцієнт нелінійних спотворень підсилювача розраховується в області середніх частот за методом п’яти ординат. На вихідних ВАХ транзистору проводять лінію навантаження за змінним струмом, кут нахилу визначається опором:

R=(750 · 1500)/(750+1500)=500 Ом

та визначаємо граничні положення робочої точки. За точками перетину характеристик транзистору та лінії навантаження за змінним струмом будуємо робочу вхідну характеристику. Вхідне коло підсилювача щодо точок 2 схеми представляємо активним еквівалентним двополюсником (рис. 1.9), це коло описується наступним рівнянням:


Рисунок 1.9 - Еквівалентна схема для входу підсилювача

На робочій вхідній характеристиці відзначаємо ряд значень струмів бази та визначаємо відповідні їм значення напруги UБЕ. Відповідно схемі на рис 1.9 обчислюємо для цих значень напругу вхідного сигналу ЕВХ. Одержуємо залежність ЕВХ=ѓ(ІК). По цій залежності та сімейству вихідних ВАХ транзистору будується крізна характеристика ІК =ѓ(ЕВХ) (рис 1.10). Розрахунок для побудови крізної характеристики підсилювача наведено у таблиці 1.2

Таблиця 1.2 - Розрахунок для побудови крізної характеристики підсилювача

ІК, мА

ІБ, мА

UБЕ, В

ЕВХ, В

2,2

0,02

0,68

2,18

3,8

0,03

0,69

2,94

5,1

0,7

3,7

6,5

0,05

0,71

4,46

7,4

0,06

0,72

5,22



Рисунок 1.10 - Крізна характеристика підсилювача

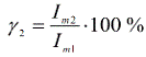
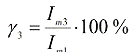
З використання методу п’яти ординат, розраховуємо коефіцієнти нелінійних спотворень, для цього визначаємо п’ять параметрів: Ім1, Ім2, Ім3, Ім4, ∆Іср - амплітуди струмів 1, 2, 3, 4 гармонік та постійна складова струму:

Ім1=(7,4-2,2+6,5-3,8)/3=2,63 мА

Ім2=(7,4+2,2-2 ·5,1)/4=-0,15 мА

Ім3=(7,4-2,2-2 · (6,5-3,8))/6=-0,03 мА

Ім4=(7,4+2,2-4 · (6,5+3,8)+6 · 5,1)/12=-0,083 мА

∆Іср=(7,4+2,2+2 · (6,5+3,8))/6=5,03 мА

Отже:

г2=(-0,15/2,63) ·100%=5,7%

г3=(-0,03/2,63) ·100%=1,14%

г4=(-0,083/2,63) ·100%=3,16%

Загальний коефіцієнт нелінійних спотворень дорівнює:

 

гобщ=√5,72+1,142+3,162=6,6%

при вхідній амплітуді е.р.с. Евх м =1,52 В

2. Розрахунок підсилювача звукової частоти на польовому транзисторі за схемою включення зі спільним витком

підсилювач звуковий емітер виток

Завдання. Розрахувати підсилювач звукової частоти на польовому транзисторі за схемою включення зі спільним витком:

1.      Тип транзистору………………………………………….КП302Г;

2. Амплітуда вихідного сигналу Uвих, В………………………….. 2,5

. Опір навантаження Rн, кОм……………………………………………3

. Опір джерела сигналу Rдж, кОм………………………………………75;

. Частотний діапазон сигналу:

         5.1 Нижня гранична частота fн, Гц……………………………..65;

         5.2 Верхня гранична частота fв, кГц…………………….……..24;

6       Модулі коефіцієнтів частотних спотворень:

         6.1 На нижній граничній частоті Мн……………….……….. 1,13;

         6.2 На верхній граничній частоті Мв……………….……….. 1,32;

Необхідно:

1       Визначити режим роботи транзистора за постійним струмом.

.        Розрахувати елементи схеми підсилювача за постійним струмом.

3.      Визначити параметри підсилювача та представити підсилювач еквівалентним чотириполюсником.

Принципова схема підсилювача звукової частоти на польовому транзисторі наведено на рис. 2.1.

Рисунок 2.1 - принципова схема підсилювача на ПТ зі СВ

2.1 Розрахунок елементів схеми підсилювача за постійним струмом

Схема підсилювача на біполярному транзисторі зі спільним витоком за постійним струмом наведено на рис. 2.1.

За даними довідника виписані паспортні дані транзистору КП302Г:

-        максимальний постійний струм стоку, ІСмах, мА……………….43

-        максимальний допустимий струм затвору, ІЗмах, мА…………….6

         максимальна постійна напруга затвор-виток, UЗВмах, В……….10

         максимальна постійна напруга затвор-сток, UЗСмах, В…….…….20

         максимальна постійна напруга сток-виток, UСВмах, В…….…….20

         максимальна потужність, що розсіюється на стоці, РКмах, мВт300

         крутизна характеристика, S мА/В……………………..від 7 до 14,5

         напруга відсічки затвор-виток, UЗВ відс, В …………… від 2 до 7

         струм просочування затвору, ІЗпрос, мА……………….…0,02 - 6

Рисунок 2.2. - Схема підсилювача на ПТ зі СВ за постійним струмом

На рис. 2.2, приведено вхідні та вихідні вольт-амперні характеристики (ВАХ) транзистору КТ210Б. На вихідних ВАХ нанесено межі робочих режимів, що визначаються допустимими параметрами транзистору:

Характеристику максимально допустимої потужності, що розсіюється на колекторі, будуємо згідно розрахунку, який наведено у таблиці 2.1.

Таблиця 2.1 - Розрахунок характеристики максимально допустимої потужності, що розсіюється на стоці

UСВ і

5

10

15

20

25

ІСі

60

30

20

15

12


Рисунок 2.3 - Вихідна ВАХ транзистору ККП302Г

Вибір режиму роботи транзистору. Положення точки покою А на вихідних ВАХ польового транзистору, який включено за схемою зі СВ, визначається напругою UСВ А та струмом ІС А. Значення цих параметрів визначається із наступних умов:

 

UСВ АUВИХ max+ UСВ нас=2,5+5=7,5 В; (1.3)

I С А≥(1.5…2.0) · IВИХ max=(1.5…2.0) · (UВИХ max /Rн)

I С А=(1.5…2.0) · (2,5/4000)=1,25 мА (1.4)

На рис. 1.1 приведені вихідні ВАХ польового транзистору, який включено за схемою зі СЕ. З урахуванням умов 1.3 та 1.4 приймається положення точки покою А на вихідних ВАХ транзистору:

I С А=4,9 мА; UСВ А=7,5 В; UЗВ А=2 В;

Розрахунок елементів схеми, які забезпечують:

-        потрібний режим роботи транзистору, що визначає положення точки спокою на вихідних ВАХ транзистору;

-        задану амплітуду вихідного сигналу.

Використовуючи досвід проектування транзисторних підсилювачів, необхідно виконання наступних умов:

 

U43≥(1,2…1,5) · UВИХ max =1,5 · UВИХ max=1,5 · 2,5=3,75В;

U10=|UЗВ А|= I С А · RВ.

По мірі визначення номіналів резисторів параметри, що приймаються, у розрахунку замінюється розрахунковими значеннями.

Значення напруги живлення підсилювача дорівнює:

 

ЕК=U43+ U54+U10=U43+ UСВ А+ |UЗВ А|=3,75+7,5+2=13,25 В.

Приймаємо номінальне значення напруги живлення ЕК= 15 В.

Величина опору резисторів RВ складає:

RВ= |UЗВ А|/I С А=2/0,0049=408 Ом;

Номінал резистора приймається RВ= 400 Ом. Потужність, що розсіюється на резисторі RВ:

 

РRв=(I С А)2 RВ=400 · 0,00492=9,9 мВт;

Вибираються резистори RК типу smd - 0.125 - 400 Ом ± 5%;

 

RС=(ЕК-UКЕ АС А* RВ)/ I С А

RС=(15-7,5-0,0049 · 400)/0,0049=1130 Ом

Номінал резистора приймається RС= 1,2 кОм. Потужність, що розсіюється на резисторі RС:

 

РRс=(I С А)2 Rс=1200 · 0,00492=288 мВт

Вибираються резистори RС типу smd - 0.125 - 1,2 кОм ± 5%;

Так як напруга зсуву UЗВ А==-I С А* RВ передається через резистор RЗ, то, при відомому значенні струму просочування затвору I С А=0,0 можна визначити максимальне значення резистору RЗ, при якому:

 

RЗ max=(0,0049 · 400)/0,00002=98000 Ом

Номінал резистора приймається RС= 100 кОм.

Вибираються резистори RС типу smd - 0.125 - 100 кОм ± 5%.

Побудовано лінію навантаження на вихідних ВАХ транзистору за постійним струмом (лінія МN на рис 1.13). Визначено струм короткого замикання, який не перевищує максимально допустимий струм стоку:

 

I С мах> I С кзК/(RС+ RВ)=15/(1200+400)=9,4мА< I С мах=20 мА

2.2 Розрахунок схеми за змінним струмом

Розрахунок основних параметрів підсилювача за змінним струмом - коефіцієнти підсилення за струмом та напругою К1, К2, вхідний Rвх та вихідний Rвих опoри. У вибраній точці покою методом графічного диференціювання розраховані параметри мало сигнальної моделі польового транзистору.

Рисунок 2.4 - Визначення h-параметрів у вибраній точці покою

- крутизна воль-амперної характеристики:

 

S=9/1=9 мА/В

- диференційний вихідний (внутрішній) опір:

 

Rі=5/0,0003=16,6 кОм

 

µ= S· Rі=9 · 16,6=149,4

Складаємо електричну лінійна модель підсилювача в області середніх звукових частот (рис 2.5)

Рисунок 2.5 - лінійна модель підсилювача в області середніх звукових частот

Вхідний опір підсилювача визначається наступним співвідношенням:

RвхПС =RЗ=100 кОм

Вхідний опір підсилювача складає:

 

RвихПС =(16,6 · 1,2)/(16,6+1,2)=1,12 Ом

Коефіцієнт підсилення за напругою визначається наступним співвідношенням:

 

КU=-9 · ((3 · 1,12)/(3+1,12))=-7,34

Коефіцієнт підсилення за напругою при холостому ході дорівнює:

 

КUхх=-9 · (16,6·1,2)/(16,6+1,2)=1,12

Коефіцієнт підсилення за струмом дорівнює:

 

КІ=7,34 · (100000/3000)=244,7

Коефіцієнт підсилення за потужністю дорівнює:

 

КР= КU · КІ

 

КР= 7,34·244,7=1796

При відомих параметрах підсилювача, на рис 2.6 наведено схему заміщення підсилювача, як стандартного чотириполюсника.

Рисунок 2.6 - Еквівалентна схема підсилювача як чотириполюсника

Розрахунок коефіцієнту підсилення за напругою при умові виконання умов узгодження у вхідному та вихідному колах підсилювача:

 

КU=-10 ·(100000/(100000+75000)) · (100000/(100000+75000))=-3,3

Розраховуємо значення ємності конденсатору СВ:

 

СВ=10/(2·3,14·65*400)=61 мкФ

Отримане значення округлюємо до стандартних у більшу сторону:

СВ=70 мкФ.

Конденсатор СВ вибираємо типу К50-6-70 мкФ х 50 В ±10

2.3 Розрахунок нелінійних спотворень вихідного сигналу підсилювача

Коефіцієнт нелінійних спотворень підсилювача розраховується в області середніх частот за методом п’яти ординат. На вихідних ВАХ транзистору проводять лінію навантаження за змінним струмом, кут нахилу визначається опором:

 

R=(400 · 3000)/(400+3000)=353 Ом

та визначаємо граничні положення робочої точки. За точками перетину характеристик транзистору та лінії навантаження за змінним струмом будуємо робочу вхідну характеристику. Вхідне коло підсилювача щодо точок 2 схеми представляємо активним еквівалентним двополюсником (рис. 2.7).

Рисунок 2.7 - Еквівалентна схема для входу підсилювача

На робочій вхідній характеристиці відзначаємо ряд значень напруги UЗВ. Відповідно схемі на рис 1.9 обчислюємо для цих значень напругу вхідного сигналу ЕВХ. Одержуємо залежність ЕВХ=ѓ(ІС). По цій залежності та сімейству вихідних ВАХ транзистору будується крізна характеристика ІС=ѓ(ЕВХ) (рис 1.10). Розрахунок для побудови крізної характеристики підсилювача наведено у таблиці 1.2 ЕВХ ≈UСВ

Таблиця 2.2 - Розрахунок для побудови крізної характеристики підсилювача

ІС, мА

UСВ, В

UЗВ, В

ЕВХ, В

10,2

3,8

2,5

2,5

7,2

6,3

2,25

2,25

4,9

7,5

2

2

3,1

8,8

1,75

1,4

10

1,5

1,5


Рисунок 2.8 - Крізна характеристика підсилювача

З використання методу п’яти ординат, розраховуємо коефіцієнти нелінійних спотворень, для цього визначаємо п’ять параметрів: Ім1, Ім2, Ім3, Ім4, ∆Іср - амплітуди струмів 1, 2, 3, 4 гармонік та постійна складова струму:

Ім1=(10,2-1,4+7,2-3,1)/3=3,3 мА

Ім2=(10,2+1,4-2 · 4,9)/4=0,05 мА

Ім3=(10,2-1,4-2 · (7,2-3,1))/6=0,2 мА

Ім4=(10,2+1,4-4 · (7,2+3,1)+6·4,9)/12=0,183 мА

∆Іср=(10,2+1,4+2 · (7,2+3,1))/6=4,77 мА

 

Отже:

г2=(0,045/4,3) ·100%=1,05%

г3=(0,1/4,3) ·100%=2,33%

 

г4=(0,02/4,3) ·100%=0,47%

Загальний коефіцієнт нелінійних спотворень дорівнює:

підсилювач звуковий емітер виток

гобщ=√1,052+2,332+0,472=2,6%

при вхідній амплітуді е.р.с. Евх м =0,5 В

Похожие работы на - Розрахунок підсилювача звукової частоти

 

Не нашли материал для своей работы?
Поможем написать уникальную работу
Без плагиата!
Без нейросетей!