Режим работы силовых трансформаторов и регулирование напряжения в распределительных сетях

  • Вид работы:
    Контрольная работа
  • Предмет:
    Физика
  • Язык:
    Русский
    ,
    Формат файла:
    MS Word
    389,27 Кб
  • Опубликовано:
    2013-11-22
Вы можете узнать стоимость помощи в написании студенческой работы.
Помощь в написании работы, которую точно примут!

Режим работы силовых трансформаторов и регулирование напряжения в распределительных сетях

Введение

силовой трансформатор ток замыкание

Основными энергетическими ресурсами страны в настоящее время служат природные запасы горючих ископаемых и гидравлические ресурсы. В близи этих источников энергии в большинстве случаев размещаются электрические станции. На них первичные виды энергии преобразуются в электрическую энергию, вырабатываемую генераторами переменного тока при напряжениях 6-35 кВ. Изготовление генераторов на более высокое напряжение затруднительно и практически нецелесообразно. Но при таких напряжениях экономичная передача энергии возможна лишь близко расположенным потребителям. Для передачи электроэнергии на более значительные расстояния порядка сотен километров нужны более высокие напряжения.

При данной мощности, чем выше напряжение ЛЭП, тем меньше должна быть сила тока, а вместе с ней уменьшается падение напряжения в линии и потери энергии на нагревание проводов, если считать постоянной величиной сопротивление линии. Таким образом, повышение напряжения линии передачи дает возможность при тех же относительных потерях передавать энергию на более дальние расстояния. По этой причине стремятся применять для линии передач все более высокие напряжения.

Одним из важных элементов электрической системы являются трансформаторные подстанции. Основными элементами трансформаторной подстанции являются: трансформаторы, распределительные устройства, устройства управления и вспомогательные сооружения. По виду преобразования электрической энергии из одного напряжения в другое подстанции делятся на повышающие и понижающие.

Повышающие подстанции сооружаются обычно непосредственно при электростанциях (ГЭС, ТЭЦ) и служат для связи электростанции с электрической системой и передачи электроэнергии до потребителей высоким напряжением. На них напряжение 10,5-15,75 кВ. повышается до 110-220кВ и выше в зависимости от конфигурации системы, удаленности потребителей и экономической целесообразности.

Понижающие подстанции предназначены для преобразования первичного напряжения питающей сети на более низкое вторичное напряжение, при котором электроэнергия передается потребителям, присоединенным к данной подстанции. Они бывают с одним вторичным напряжением 6-10 или 35 кВ. и двумя вторичными напряжениями 6-10 или 35кВ. На первых подстанциях устанавливается двух обмоточные, а на вторых трех обмоточные трансформаторы. Напряжение 35кВ используется для питания удаленных от подстанций потребителей, а напряжение 6-10кВ - для питания потребителей, расположенных вблизи подстанции.

1.Выбор типа и способа регулирования напряжения силовых трансформаторов схемы электроснабжения

При выборе руководствуемся номинальными мощностями и напряжением, представленными в задании.

Таблица 1. Тип трансформаторов.


ТДН-16000/110-76 У1:

силовой трехфазный двух обмоточный трансформатор с естественным масляным охлаждением и принудительным обдувом воздуха, с функцией регулирования напряжения под нагрузкой (РПН в нейтрали ±16% ±9 ступеней).

ТМ-1600/35 У1, ТМ-2500/35 У1:

силовой трехфазный двух обмоточный масляный трансформатор с естественным масляным охлаждением, без функции регулирования напряжения.

Для данных трансформаторов регулирование напряжения будет осуществляться с помощью устройства РПН. Устройства переключения ответвлений обмоток силовых трансформаторов (переключающие устройства) предназначены для регулирования напряжения в данной точке электрической цепи, в которой установлен силовой трансформатор. Регулирование напряжения достигается путем изменения числа витков обмоток силового трансформатора.

Устройства РПН предназначены для регулирования под нагрузкой напряжения силового трансформатора. Регулирование осуществляется изменением коэффициента трансформации посредством переключения ответвлений трансформаторной обмотки.

Переключающее устройство приводится в действие моторным приводом, который дает возможность использовать ручное, дистанционное и автоматическое управление. Моторный привод монтируется вне бака трансформатора и входит в комплект поставки РПН.

2.Выбор параметров линий электропередачи

Определение токов в линиях.

В расчетах применяем стандартную формулу расчета токов:

 

Трансформатор Т1:

Ток в линии Л1:


Ток в линии Л2:


Ток в линии Л3:


3.Расчет средств защиты линий ВН и НН, и выбор сечения проводов

Средства защиты линий выбираются сравнением паспортных данных с расчетными величинами по следующим условиям:

) по напряжению: Uном. ≥ Up.;

) по току: Iном. ≥ Ip..

Выбор производим с учетом места установки и назначения коммутационных аппаратов в схеме.

Выбор средств защиты линий ВН и НН, а так же коммутационной аппаратуры сведем в таблицу 2.

Таблица 2

Расшифровка условных обозначений.

ВВВ-10-2/320У2:

Выключатель вакуумный высоковольтный на напряжение 10 кВ, номинальный ток отключения 2 кА и номинальный ток 320 А.

ВВЭ-10-20/630У3:

Выключатель вакуумный с электромагнитным приводом, на напряжение 10 кВ и ток 630 А. Для работы в районах с умеренным климатом, в закрытых помещениях.

ВРС-110-31,5/2500:

Выключатель вакуумный на номинальное напряжение 110 кВ, номинальный ток отключения 31,5 кА, номинальный ток 2500 А.

ВГБ-35-12,5/1000:

Выключатель элегазовый баковый с номинальным напряжением 35 кВ, током 1000 А и номинальным током отключения 12,5 кА.

ВБ-35-31,5/1600:

Выключатель вакуумный на номинальное напряжение 35 кВ, номинальный ток отключения 31,5 кА, номинальный ток 1600 А.

РВЗ-10/400 I:

Разъединитель внутренней установки, заземлитель со стороны разъёмных контактов. Номинальное напряжение 10 кВ, номинальный ток 400 А.

РВЗ-35/630УЗ:

Разъединитель внутренней установки. Номинальное напряжение 35 кВ, номинальный ток 630 А. Для работы в районах с умеренным климатом.

РДЗ-110/1000 НУХЛ1:

Разъединитель двухколонковый. Номинальное напряжение 110 кВ, номинальный ток 1000 А.

ТЛК-35-У3:

Трансформатор тока для наружной установки с литой изоляцией. Номинальное напряжение 35 кВ.

ТОЛК-10:

Трансформатор тока опорный с литой изоляцией. На номинальное напряжение 10 кВ.

ТОЛ-35-УХЛ1:

Опорный трансформатор тока с литой изоляцией. На номинальное напряжение 35 кВ.

ТБМО-110-УХЛ1:

Трансформатор тока, на номинальное напряжение 110 кВ.

ОПН-У-10 УХЛ1, ОПН-У-35 УХЛ1, ОПН-У-110 УХЛ1:

Ограничитель перенапряжения. Номинальное напряжение 10,35,110 кВ соответственно. Для работы в районах с умеренно холодным климатом, на открытом воздухе.

4.Выбор сечения проводов

Шины трансформатора № 1:

Сторона ВН:


принимаем алюминиевые шины прямоугольного сечения, имеющие данные при одной полосе на фазу: а=30 мм, b=4 мм, IА=365 А.

Сторона НН:


принимаем алюминиевые шины прямоугольного сечения, имеющие данные при одной полосе на фазу: а=30 мм, b=4 мм, IА=365 А.

Шины трансформатора № 2:

Сторона ВН:


принимаем алюминиевые шины прямоугольного сечения, имеющие данные при одной полосе на фазу: а=30 мм, b=4 мм, IА=365 А.

Сторона НН:

принимаем алюминиевые шины прямоугольного сечения, имеющие данные при одной полосе на фазу: а=30 мм, b=4 мм, IА=365 А.

Шины трансформатора № 3:

Сторона ВН:


принимаем алюминиевые шины прямоугольного сечения, имеющие данные при одной полосе на фазу: а=30 мм, b=4 мм, IА=365 А.

Сторона НН:


принимаем алюминиевые шины прямоугольного сечения, имеющие данные при одной полосе на фазу: а=30 мм, b=4 мм, IА=365 А.

Таблица


Проверка сети НН на просадку напряжения при работе самого мощного потребителя (на момент его включения под нагрузку).

Из-за отсутствия мощных двигателей, подключенных к подстанциям, при запуске которых по линии протекают пусковые токи в 5-7 раз превышающие номинальные рабочие токи, и наблюдается низкий уровень напряжения на приемном конце линии. Т.е. у потребителя, проверка сети НН на просадку напряжения при работе самого мощного потребителя (на момент включения его в нагрузку) производить не надо.

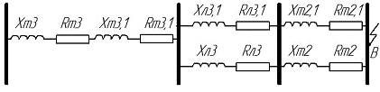
5.Определение токов короткого замыкания. Расчет токов симметричного трехфазного К.З.


Рис. 1. Схема замещения

Индуктивное сопротивление трансформаторов Т3; Т3,1; линии Л3; и трансформаторов Т2; Т2,1:


Результирующее индуктивное сопротивление:


Активное сопротивление трансформаторов Т3; Т3,1; линии Л3; и трансформаторов Т2; Т2,1:


Результирующее активное сопротивление равно:


Полное сопротивление до точки КЗ равно:


Базисный ток:


Вычисляем значение действующей периодической составляющей начального тока трехфазного КЗ:


Ударный ток равен:


где:  - ударный коэффициент равный:


где:  - постоянная времени затухания апериодической составляющей;


Определим тепловой импульс тока:

где:  - время отключения тока КЗ (=0,06 с);


5.1 Расчет однофазного К.З. на землю

Сопротивления прямой последовательности равны сопротивлениям, рассчитанным пункте. Сопротивления обратной последовательности можно взять равными сопротивлениям для прямой последовательности, т.к. элементы цепи не зависят от чередования фаз. В таком случае нет необходимости рассчитывать токи прямой и обратной последовательности однофазного к.з.

Короткое замыкание в точке В (шина НН трансформатора 2).

В данном случае при коротком замыкании на шине НН трансформатора 2, ток нулевой последовательности не сможет циркулировать из-за того, что обмотка низкого напряжения трансформатора №3 соединена в звезду с нейтралью, а обмотка высшего напряжения трансформатора №2 соединена в звезду с незаземленной нейтралью. Сопротивления этих обмоток бесконечно велико, поэтому трансформаторы с указанными схемами соединения и все находящиеся за ними элементы исходной расчетной схемы в схему замещения нулевой последовательности не входят.

6.Выбор и проверка по аварийному режиму шин, коммутационной и защитной аппаратуры

.1 Выбор аппаратуры на стороне ВН

Произведя расчеты рабочих токов и токов К.З. видим, что превышений допустимых значений нет. Принимаем оборудование, выбранное в разделе 4, т.к оно соответствует всем параметрам схемы.

6.2 Проверка шин на динамическую и термическую устойчивость

Проверка проводов на термическую устойчивость и корону не проводим, т.к. из расчета токов к.з. Iпо≤20 кА, Iуд≤50 кА. Согласно ПУЭ расчеты можно не проводить.

Шины НН Трансформатора №2.

Минимальное сечение по упрощённой формуле:

.

где:  термический коэффициент, выбиранный по справочным таблицам.

Так как , то выбранная шина удовлетворяет условию термической стойкости при трёхфазном коротком замыкании. Механический расчёт шин.


а - расстояние между проводниками разных фаз, согласно таблице ПУЭ минимальное расстояние между проводниками разных фаз в ЗРУ подстанций напряжением 10 кВ а=220 мм.

Изгибающий момент:


где:  расстояние между опорными изоляторами вдоль оси шин. Момент сопротивления шины:

 

Максимальное расчётное напряжение в шинах:


Допустимое напряжение алюминиевых шин из справочной таблице:


Так как , то выбранные шины удовлетворяют условию динамической устойчивости при трёхфазном коротком замыкании.

В шинах остальных трансформаторов расчётное напряжение в шинах не превысит 22,4 МПА, т.к. токи в них меньше, поэтому расчёт для них можно не проводить.

6.3 Составление структурной схемы и спецификации оборудования

Схема электроснабжения с точки зрения её реального исполнения должна быть простой, наглядной и вместе с тем надежной и не дорогой в эксплуатации. Схема должна обеспечивать оперативную гибкость для бесперебойного электроснабжения потребителей и безопасное обслуживание установки.

Сложная схема электроустановки является более дорогой при строительстве и в эксплуатации и может служить причиной дополнительных аварий, т.к. возможны ошибочные операции во время срочных переключений вследствие трудности ориентации в ней. Однако слишком большое упрощение схемы может не обеспечить надежности электроснабжения потребителей.

Из этого следует, что схемы электрических соединений ТП должны соответствовать требования потребителей в отношении электроснабжения последних.

В соответствии с правилами устройства электроустановок по характеру требований в отношении бесперебойности электроснабжения все потребители разделяются на следующие три категории:

категория - ответственные нагрузки, перерыв в электроснабжении которых может повлечь за собой опасность для жизни людей, брак продукции, повреждения оборудования или длительное расстройство сложного технологического процесса;

категория - нагрузки, перерыв в электроснабжении которых связан существенным снижением выпуска продукции, простоем людей и механизмов;

категория - все нагрузки, не попавшие под определение первой и второй категории.

Список использованной литературы

.Зайцев А.И. Электроснабжение: Учеб. Пособие. В 2-х ч. Ч.1 и ч.2.- Воронеж: Издательство «Научная книга», 2004.

.Рожкова Л.Д, Козулин В.С. Электрооборудование станций и подстанций. - Л.: Энергоатомиздат, 1987.

.Правила устройства электроустановок. СПб.: ДЕАН, 2001.

.Неклепаев Б.Н., Крючков И.П. Электрическая часть электростанций и подстанций. Справочные материалы для курсового и дипломного проектирования. - Л.: Энергоатомиздат, 1989.

.Фёдоров А. А., Старкова Л. Е. Учебное пособие для курсового и дипломного проектирования по электроснабжению промышленных предприятий. - М.: Энергоатомиздат, 1987. - 368 с.: ил.

Похожие работы на - Режим работы силовых трансформаторов и регулирование напряжения в распределительных сетях

 

Не нашли материал для своей работы?
Поможем написать уникальную работу
Без плагиата!
Без нейросетей!