Модернизация распределительной сети районной больницы микрорайона №8
Министерство
образования и науки Республики Казахстан
Костанайский
социально технический университет
имени
академика З. Алдамжар
специальность
050718 - "Электроэнергетика"
Дипломная
работа
Модернизация
распределительной сети районной больницы микрорайона №8
Выполнил Ветошкин Р.В.
Научный руководитель
Умбеталин Т.С. к.т.н., проф.
Костанай 2010
Содержание
Введение
. Краткая
характеристика объекта
2.
Электроснабжение
2.1 Расчет
электрических нагрузок
.2 Выбор
схемы внутреннего электроснабжения
.2.1
Обоснование принимаемых значений напряжения
.2.2
Определение количества трансформаторных подстанций
.2.3
Определение расчетных электрических нагрузок ТП
.2.4
Компенсация реактивной мощности
.2.5
Определение количества трансформаторов в ТП и их номинальной мощности
.2.6 Выбор
сечения проводников линий электропередачи
.3 Выбор
схемы внешнего электроснабжения
.3.1
Определение расчетной нагрузки предприятия
.3.2
Сравнение вариантов ЛЭП внешнего электроснабжения
.3.3 Выбор
основного оборудования в системе электроснабжения
2.4
Определение величины токов короткого замыкания
2.4.1 Расчет
токов к.з. в сетях 10 кВ
.4.2 Расчет
однофазных токов к.з. в сетях 0,38 кВ
2.5 Проверка
выбранного оборудования по условиям работы в режиме коротких замыканий
2.5.1 Коммутационные
аппараты напряжением выше 1 кВ
.5.2
Измерительные трансформаторы тока
.5.3 Шины
напряжением выше 10 кВ
.5.4
Изоляторы напряжением выше 1 кВ
.5.5
Автоматические выключатели напряжением 0,38 кВ
.6 Защита
сетей от аварийных режимов
.6.1 Релейная
защита линий электропередачи напряжением выше 1 кВ
.6.2 Защита
силовых трансформаторов
.6.3 Защита
оборудования системы электроснабжения от перенапряжений
.6.4 Выбор
головных автоматических выключателей на ТП со стороны 0,38 кВ
3. Использование электроэнергии в производственных процессах
3.1 Выбор
электродвигателя
.2 Расчет
электроосвещения
.3 Выбор
пускозащитной аппаратуры
.4 Расчет осветительных электропроводок
.5 Расчет
силовых электропроводок
. Система
автоматического регулирования микроклиматом
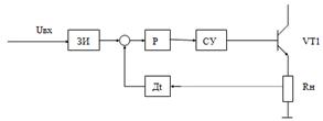
5. Устройство защиты от токов коротких замыканий электроустановок
5.1 Состояние
вопроса и постановка задачи проектирования
.2 Решение
задачи с применением конкретных инженерных решений
.3
Экономическая эффективность
6. Организация и эксплуатация
электрохозяйства
. Охрана
труда и техника безопасности
.1 Требования
к электробезопасности
объекта
.2 Расчет
защитного заземления
.3 Требования
производственной санитарии
.4 Требования
к пожарной безопасности
. Охрана
окружающей среды
.
Экономическая часть проекта
Заключение
Список
использованной литературы
Приложения
больничный сеть электроэнергия трансформатор
Введение
Актуальность выбранной темы дипломной работы обуславливается теми
фактами, что:
В стратегии развития "Казахстан-2030" президент Республики
Казахстан Н.А. Назарбаев указал основные приоритеты развития страны, в которой
одной из важнейших задач является усовершенствование и дальнейшее развитие
электроэнергетической отрасли, без которой не мыслимо функционирование других
отраслей народного хозяйства.
Первым и важнейшим этапом усовершенствования и развития электроэнергетики
является создание рациональных систем электроснабжения предприятий.
Производство, передача и рациональное распределение электроэнергии
приобретают всё большее значение. В свете задачи всемерного повышения
технического уровня и качества продукции необходимо направить усилия и в
кратчайшие сроки добиться улучшения качества электроэнергии, повышения
надёжности электроснабжения. В этом ключ к решению главных задач
проектирования, модернизации и эксплуатации современных систем электроснабжения
промышленных предприятий.
В условиях современной экономики немаловажную роль играет состояние
больниц, оснащение их современным оборудованием и т.д., что в свою очередь
приводит к росту потребления электроэнергии. Растущее потребление электрической
энергии ставит задачу улучшения качества работы электроэнергетической отрасли,
которое в свою очередь зависит от рационально выполненной системы
электроснабжения, которая должна удовлетворять ряду требований: экономичности и
удобства эксплуатации, безопасности и надежности, обеспечения надлежащего
уровня напряжения, стабильности частоты.
Должны также предусматриваться кратчайшие сроки выполнения
строительно-монтажных работ и необходимая гибкость системы электроснабжения,
обеспечивающая возможность развития, без существенного усложнения и удорожания
первоначального варианта. При этом должны, по возможности, применятся решения,
требующие минимальных расходов цветных металлов и электроэнергии. При
построении рациональной системы электроснабжения необходимо учитывать
многочисленные факторы, к числу которых относятся потребляемая мощность и
категория надежности питания, графики нагрузок потребителей, число и мощность
понижающих подстанций и других пунктов потребления электроэнергии, напряжение
потребителей, требования аварийного и послеаварийного режимов. Кроме того, при
построении рациональной системы, электроснабжения нужно учитывать, такие
требования как ограничение токов коротких замыканий.
А также условия выполнения простой и надежной релейной защиты и
автоматики на основе современных научно-технических разработок, что в свою
очередь позволит рационально использовать электроэнергию, повышать ее качество
и повышать энергетическую вооруженность.
Практическая ценность результатов дипломной работы подтверждается
наличием акта о внедрении.
Теоретическая ценность нашей дипломной работы состоит в расчете и его
подробном описании.
Цель: рассчитать с учетом особенностей выбора электрооборудования и
описать комплекс мероприятий по модернизации распределительной сети районной
больницы микрорайона №8 г. Костанай.
В соответствии с целью, были поставлены следующие задачи:
изучить и проанализировать технические характеристики больничного
комплекса;
Изучить использование электроэнергии в производственных процессах;
Изучить систему автоматического регулирования.
Поставленные задачи и порядок их решения, определили структуру дипломной
работы.
Для решения указанных задач и в соответствии с целью работы, были
использованы следующие методы:
Теоретические: анализ научной, технической, нормативной и учебной
литературы по теме исследования, систематизирование собранных и
проанализированных данных.
Практические: расчет, методы математической статистики, эксперимент.
1. Краткая характеристика объекта
Больничный комплекс размещается в г. Костанай в соответствии с решением
Акима г. Костанай для строительства больничного комплекса был отведён участок
площадью 3,0 га. Участок находится между существующим гаражным обществом
"Автомобилист" и ОАО "Селекция".
На данном участке по генплану предусмотрены:
1. 3-х этажное здание "стационара на 100 коек"
2. 1- этажное здание пищеблока
. 1- этажное здание хозяйственного корпуса
. Трансформаторная подстанция
. Котельная
. Г.Р.П.
. Подземная ёмкость для резервного топлива (мазут)
. Обеззараживающая установка
. Пожрезервуар V = 300 м3 (150 м3х2)
. Площадка для мусорных контейнеров
. Спортивная площадка
. Автостоянка для а/машин посетителей.
Территория стационара на 100 коек подразделена на следующие зоны:
1. Лечебная
2. Хозяйственная
. Зона отдыха, которая подразделяется на тихую и активную зоны
отдыха.
На тихой зоне предусмотрены прогулочные дорожки, беседки, а на активной
зоне отдыха спортивные площадки. В данном случае совмещенная площадка для игр
баскетбола и волейбола.
В лечебной зоне размещено здание стационара на 100 коек, а также
временная автостоянка для а/машин посетителей.
В хозяйственной зоне размещены здания пищеблока, хозкорпуса, Т.П., ГРП,
котельной модульного типа на природном газе, пожрезервуары, обеззараживающая
установка и необходимые хозяйственные площадки.
Вокруг участка проектом предусмотрены санитарно - защитного назначения
двухрядная лесопосадка шириной 15м сосна обыкновенная - 242 шт. и шиповник -
(двухрядная) - 1220 шт.). Внутри участка запроектированы посадка деревьев,
цветов, газонные травы и другие виды благоустройства дороги, тротуаров и
спортплощадок для активного отдыха больных, в том числе для озеленения
предлагаются: сосна обыкновенная - 154 шт., лиственница сибирская - 52 шт.,
яблоня - 49 шт., клён - 84 шт., ирга (рядовая посадка) - 30 шт., цветники - 70
м2, газон - 20000 м2. Кроме проектируемых деревьев
проектом сохранена существующая берёзовая околка рядом с трансформаторной
подстанцией. А также по благоустройству предусмотрено асфальтобетонное покрытие
проезда - 4248 м2, брусчатое покрытие тротуара - 700 м2 и
асфальтобетонное покрытие отмостки - 330 м2.
Рельеф местности спокойный с уклоном с востока на запад в сторону реки
Тобол.
Участок свободен от застройки, инженерных сооружений и коммуникаций.
Территория данного объекта относится к строительно-климатическому
подрайону с расчётной температурой наиболее холодной пятидневки наружного
воздуха - -350С.
Средние температуры наружного воздуха:
годовая - + 2,10С
наиболее жаркого месяца (июль) - +20,40С
наиболее холодного месяца (январь) - -17,00С.
Господствующее направление ветра - юго-западное.
Снеговая нагрузка - 70 кг/м2;
Нормативное ветровое давление - 38 кг/м2.
Атмосферные осадки в зимний период с октября по февраль выпадают в
среднем 73 мм снегового покрова, а в летний период с апреля по октябрь 237 мм
влаги.
Рельеф местности спокойный, район участка не сейсмичен.
В геологическом отношении участок изысканий сложен
аллювиально-пролювиальными супесями, суглинками и глинами средне - и верхнечетвертичного
возраста и аллювиальными песками средней крупности среднечетвертичного
возраста, подстилаемыми глинами палеогена и глинами опоковыми
дресвяно-щебенистым грунтом и опокой тасаранской свиты палеогена,
перекрываемыми с поверхности почвенно-растительным слоем и насыпными грунтами
техногенного возраста.
Почвенно-растительный слой вскрыт повсеместно до глубины 0,30-0,80 м.
Мощность его составляет 0,30-0,80 м.
Верхняя часть разреза представлена супесью жёлто-бурой, твёрдой
консистенции, карбонатизированной, с прослойками песка 1-3см и линзами
суглинка.
Электроснабжение больничного комплекса предусматривается от двух
трансформаторных подстанций (закольцовка) 10/0,4кВ, "Водник" и АЗС
"Бахыт".
2. Электроснабжение
.1 Расчет электрических нагрузок
В зависимости от стадии проектирования и места расположения расчетного
узла в схеме электроснабжения применяются различные методы определения
электрических нагрузок, упрощенные или более точные.
В настоящее время в практике проектирования применяются такие методы
определения расчетных нагрузок:
1) по установленной мощности и коэффициенту спроса;
2) по средней
мощности и коэффициенту формы графика нагрузки;
) по средней
мощности и коэффициенту максимума;
)по средней
мощности и среднеквадратичному отклонению, характеризующему отклонение
расчетной нагрузки от средней нагрузки;
В данном дипломном проекте используется первый метод, как наиболее
простой, по этому методу расчетную активную РРАС, кВт, и реактивную QРАС, кВАр
нагрузки находят по следующим формулам:
РРАС = КС·∑РНОМ + КС· РОСВ (2.1)РАС = КС·∑ РНОМ·tgφ (2.2)
где: РНОМ - номинальная или установленная мощность объекта, кВт;
РОСВ - мощность осветительной нагрузки, кВт;
КС - коэффициент спроса, выбирается по таблицам [5].
Мощность осветильной нагрузки определяют по формуле:
РОСВ = РУД·F (2.3)
где: РУД - удельная мощность электроосвещения, кВт/м2;площадь
объекта, м2.
Полная расчетная нагрузка SРАС, кВА, определяется по формуле:
РАС = √РРАС2 + QРАС2 (2.4)
Определяется нагрузка пищеблока, согласно приведенным выше формулам и
характеристикам:
РНОМ = 100 кВт; КС = 0,8; cosj = 0,8;
РУД = 10 Вт/м; F = 400 м2; tgj = 0,75.
РРАС = 0,8·100=80 кВт
QРАС = 80·0,88=70,6 кВАр
РОСВ =10·400/1000=4,0 кВт
Sр = Ö(80 +
4)2+70,62= 109,7 кВА
Расчет нагрузок для остальных потребителей выполняются аналогично,
результаты расчета приведены в приложении (смотри приложение А).
.2 Выбор схемы внутреннего электроснабжения
Различают 3 основные схемы электроснабжения: радиальная, магистральная и
смешанная. Радиальными называют схемы, в которых электроэнергию от центра
питания передают прямо к трансформаторной подстанции без ответвлений на пути
для питания других потребителей. Такие схемы имеют много отключающей аппаратуры
и питающих линий.
Схемы магистрального питания применяют в системе внутреннего
электроснабжения предприятий, когда потребителей достаточно много и мощность их
сравнительно невелика.
В практике чаще всего применяют смешанную схему. Такое решение позволяет
создать схему внутреннего электроснабжения с наилучшими технико-экономическими
показателями.
В связи с этим, принимается смешанная схема питания потребителей
электроэнергии.
.2.1 Обоснование принимаемых значений напряжения
Номинальное напряжение электрической сети значительно
влияет как на технико-экономические показатели, так и на технические
характеристики. При повышении номинального напряжения снижаются потери мощности
и электроэнергии, растут предельные мощности, передаваемые по линиям, но
увеличиваются капитальные вложения на сооружение сети. Сеть меньшего напряжения
требует, наоборот, меньших капитальных затрат, но приводит к большим
эксплуатационным расходам из-за роста потерь мощности и электроэнергии, и
обладает меньшей пропускной способностью. Поэтому важность правильного выбора
номинального напряжения очевидна.
Экономически целесообразное номинальное напряжение зависит от многих
факторов: мощности нагрузки, удаленности от источника питания, их расположения
друг от друга, от выбранной конфигурации сети, способов регулирования и др.
Исходя из технических условий и особенностей электроснабжения для
внешнего электроснабжения принимается напряжение 10 кВ с установкой
трансформаторной подстанции. Для внутреннего электроснабжения от
трансформаторной и до распределительных пунктов принимается напряжение 0,4 кВ
так, как отсутствуют приемники напряжением свыше 1000 В, а имеются приемники
напряжением 0,38 кВ.
.2.2 Определение количества трансформаторных подстанций
Ориентировочно количество ТП можно определить путём
анализа генерального плана предприятия и сосредоточения силовых нагрузок по
объектам. Для выбора количества трансформаторных подстанций считаю
целесообразным установить одну трансформаторную подстанцию, так как мощность
объекта не велика.
2.2.3 Определение расчетных электрических нагрузок ТП
Расчетная нагрузка на шинах 0, 4 кВ трансформаторных
подстанций определяется, суммированием нагрузок потребителей питающихся от
данной ТП с учетом коэффициента разновременности максимумов нагрузок.
Расчетная активная мощность РРТП, кВт, определяется по формуле
РРТП = КРМ· S РPI
(2.5)
где Кр.м. - коэффициент разновременности максимумов нагрузок;
РPI - суммарная расчетная активная мощность потребителей, кВт.
Расчетная реактивная мощность QРТП, кВАр, определяется по формуле
РТП = КРМ ·S
QPI (2.6)
где QPI - суммарная расчетная реактивная мощность потребителей, кВАр.
Расчетная полная мощность SРТП, кВА, определяется по формуле
РТП = ÖРР.ТП + Q
Р.ТП (2.7)
В качестве примера определим расчетные электрические нагрузки для
трансформаторной подстанции, к которой подключаются потребители электрической
энергии.
РР.ТП = 512,1 · 0,92 = 471,2 кВт.
Q Р.ТП = 298,1 · 0,92 = 274,3 кВАр
SРТП = Ö471,2
2+274,32 =545,2 кВА
2.2.4 Компенсация реактивной мощности
Компенсацию реактивной мощности потребителей предусматривается на шинах
0,4 кВ ТП, так как в этом случае компенсация наиболее эффективная, путем
подключения к шинам комплектных конденсаторных установок необходимой мощности.
Технические мероприятия по компенсации включают в себя
рациональный и экономичный выбор и установку компенсирующих устройств. Наиболее
распространенным средством компенсации на промышленных предприятиях являются
батареи конденсаторов.
После определения значения мощности конденсаторной
батареи по справочнику определяется тип комплектной конденсаторной батареи и
выбирается место установки КУ.
Необходимую мощность конденсаторных установок QБК, кВА, которые
устанавливаются в ТП определяют по следующей формуле:
БК = QР - 0,33 · РР. (2.8)БК = 274,3 - 0,33·471,2 = 118,8 кВАр
Принимаем две комплектные конденсаторные установки УК - 0,38 - 50 кВАр,
мощностью 50 кВАр каждая. В установках УК предусматривается регулирование
мощности конденсаторных батарей.
Конденсаторные установки подключаются к разным секциям шин
трансформаторной подстанции.
Расчетная нагрузка SРК, кВА, трансформаторной подстанции с учетом
компенсации определяется по формуле:
РК=√РР2 +(QР-QБК) (2.9)
Коэффициент мощности сosφК, с учетом компенсации определяется
по формуле:
сosφК= РР / SРК (2.10)
Выполним расчет по приведенным выше формулам.
РК = Ö 471,22
+(274,3 - 100)2 =502,4 кВА.jк = 471,2 / 502,4 = 0,94
Результатом проведенных мероприятий является:
1) снижение стоимости оборудования ТП и стоимости распределительных
сетей;
) снижение потерь электроэнергии в питающих и распределительных сетях;
) снижение установленной мощности трансформаторов в ТП.
.2.5 Определение количества трансформаторов в ТП и их номинальной
мощности
Мощность силовых трансформаторов для трансформаторных подстанций
определяются при помощи технико-экономических расчетов, с учетом категории
надежности электроснабжения потребителей, компенсации реактивной мощности и
перегрузочной способности трансформаторов.
Исходя из удобства эксплуатации, стремятся применить небольшой разброс
стандартных мощностей трансформаторов, что значительно облегчает их взаимозаменяемость.
Основным требованием при выборе числа и мощности трансформаторов, цеховых
ТП являются надежность электроснабжения потребителей (учет категорий приемников
в отношении требований надежности), а также минимум приведенных затрат на
трансформаторы с учетом динамики роста нагрузок.
Надежность электроснабжения приемников 2-й категории обеспечивается
резервом, вводимым автоматически или действием дежурного персонала. При питании
этих потребителей от одной подстанции следует иметь 2 трансформатора или
складской резерв трансформаторов для нескольких подстанций. На время замены
трансформатора вводят ограниченное питание с учетом допустимой перегрузки
оставшегося в работе трансформатора. Допустимая перегрузка равняется 40% от
номинальной мощности.
Потребители 3-й категории запитываются от одного из трансформаторов при
наличии двухтрансформаторной трансформаторной подстанции.
Для данного случая, главный корпус, пищеблок, котельная и
газораспределительный пункт должны питаться по двум кабельным линиям, остальные
потребители должны питаться по одной кабельной линии.
Определяем мощность силовых трансформаторов для ТП, полная расчетная
мощность на шинах подстанции SРК = 502,4 кВА потребители II категории по
надежности электроснабжения
Н ³ SРК / 1,4 = 502,4/1,4= 358,9 кВА.
Можно принять стандартные мощности трансформаторов 160 и 250 кВА.
Оптимальную мощность определим технико-экономическим расчетом.
Для всех вариантов принимаем время максимальных потерь т = 3000 ч/год, и
норма амортизационных отчислений Ра = 6,4%.
Приведенные затраты З, тыс.тнг/год, определяются по формуле:
З = (ЕН + РА/100) · К1 + (DРХ · 8760 + КЗ · DРК · T)·ЦЭ
(2.11)
где ЕН - нормативный коэффициент эффективности капиталовложений;
РА - норма амортизационных отчислений;
К1 - стоимость трансформатора по первому варианту, тыс тнг;
DРХ - потери в стали трансформатора, %;
КЗ - коэффициент загрузки;
DРК - потери в меди трансформатора, %;
Т - время максимальных потерь, ч/год;
ЦЭ - стоимость потерь электрической энергии, тнг/кВт/ч;
Проектируемая подстанция имеет два трансформатора и соответственно
коэффициент загрузки КЗ, определяется по формуле:
КЗ = SРК / (2 · SН.Т.) (2.12)
где: SН.Т - номинальная мощность силового трансформатора
Данные по стоимости оборудования, технические данные трансформаторов
приняты по [3]
Выполним расчет для первого варианта с трансформатором типа ТМ 160/10.
З1 = (0,12 + (6,4 /
100)) · 84 · 103 + (0,82 ·
8760 + 1,26· 2,65 ·3000) · 6,9=
=118·103 тен/год.
Для второго варианта с трансформатором типа ТМ - 250/10.
З2 = (0,12 + (6,4 /
100)) ·112,5 · 103 + (0,56 ·
8760 + 0,052 · 3,7 · 3000) · 6,9 = 109,7 ·103 тен/год.
Сравнив два варианта, принимаем трансформаторы ТМ -
250/10, как имеющие меньшие приведенные затраты.
2.2.6 Выбор сечения проводников линий электропередачи
Расчет сечений кабельных линий выполняется при помощи
технико-экономического сравнения вариантов, в основе которого, лежит
всесторонний анализ технических и экономических показателей, который
выполняется по приведенному ниже алгоритму.
Ток в аварийном режиме IАВ, А, на данном участке рассчитывают по формуле:
АВ=S/√3·UН (2.13)
где S - максимальная передаваемая мощность на данном участке, кВА.Н -
номинальное напряжение на рассматриваемом участке, кВ
Расчетный ток IР, А, на рассматриваемом участке для потребителей 1, 2
категории по надежности электроснабжения, вычисляется по формуле:
IР=SР/√3·2·UН (2.14)
где SР - полная передаваемая мощность на данном участке, кВА.
Расчетный ток на рассматриваемом участке для потребителей 3 категории,
рассчитывается по формуле:
Р=S/√3·UН (2.15)
Потери в кабеле на данном участке, ΔРНД, кВт находят по формуле:
ΔРНД=РУД·L (2.16)
где PУД - потери в кабеле при полной нагрузке, кВт/км [1];- длина
участка, км.
Определяем коэффициент загрузки для данного участка:
КЗ=IР/IНК (2.17)
где IР - расчетный ток на данном участке, А;НК - длительно допустимая
токовая нагрузка, А. [2]
Определяем действительные потери в кабеле ΔРД, кВт, на данном участке линии с
учетом коэффициента загрузки по формуле:
ΔРД= ΔРНД · КЗ2 (2.18)
Определяем расход электроэнергии на потери, ΔЭА, кВт· ч/год, по формуле:
ΔЭА= ΔРД · ТП (2.19)
где ΔРД - действительные потери в кабеле, кВт;
ТП - время потерь, ч.
Определяем стоимость потерь СП, тнг/год, по формуле:
СП= ΔЭА·СО (2.20)
где СО - стоимость одного кВт ч., тнг.
Определяем капиталовложения на сооружение линии К, тыс. тнг по формуле:
К= КУД·L (2.21)
где КУД - стоимость 1км. кабеля, тыс. тнг;- длина участка, км;
Определяем ежегодные амортизационные отчисления, СА, тнг/год по формуле:
СА=К·КА·1000 (2.22)
где К - капитальные вложения на сооружение данного участка, тыс. тнг;
КА - коэффициент амортизации.
Определяем годовые эксплуатационные расходы СЭ, тнг/год, по формуле:
СЭ=СП + СА (2.23)
где СП - стоимость потерь, тнг/год;
СА - ежегодные амортизационные отчисления, тнг/год.
Определяем годовые приведенные затраты, ЗПР, тнг/год по формуле:
ЗПР=СЭ+0,12·К (2.24)
Определяем оптимальное сечение из двух расчетных сечений по времени
окупаемости, ТОК, лет, определяется по формуле:
ТОК=К1 - К2 / СЭ2 - СЭ1 (2.25)
где К1 - большие капиталовложения тыс. тнг;
К2 - меньшие капиталовложения тыс. тнг;
СЭ2 - стоимость эксплуатационных годовых расходов при капиталовложениях
К2, тнг/год;
СЭ1 - стоимость эксплуатационных годовых расходов при капиталовложениях
К1, тнг/год:
При ТОК <8,3 принимаем сечение с большими капиталовложениями К1.
При ТОК>8,3 принимаем сечение с меньшими капиталовложениями К2.
Если К1> К2, но СЭ2< СЭ1, то по времени окупаемости сечения не
проверяют, а принимают сечение с меньшими капиталовложениями К2.
Определяем расчетный ток на участке ТП- РП-1. (2 категория) проверяем
сечение 120 мм2:
Р=233,2/√3·0,38·2=168,5 А
Определяем потери в кабеле на участке ТП - РП1.
ΔРНД=200·0,03=6 кВт
Определяем коэффициент загрузки для данного участка;
КЗ = 168,5/270 = 0,624
КЗ2 = 0,6242 = 0,39
Определяем действительные потери в кабеле на участке:
ΔРД= 6 · 0,39 = 2,3 кВт
Определяем расход электроэнергии на потери в участке:
ΔЭА= 2,3 · 3000 = 7010,2 кВт·ч/год
Определяем стоимость потерь:
СП= (7010,2 ·6,9)/1000 = 48,37 тыс тнг/год
Определяем капиталовложения на сооружение:
К= 750·0,03 = 21,15 тыс.тнг.
Определяем ежегодные амортизационные отчисления:
СА=0,15·21,15 = 3,17 тыс. тнг/год
Определяем годовые эксплуатационные расходы:
СЭ=48,37 + 3,17 = 51,5 тыс.тнг/год
Определяем общие годовые приведенные затраты.
ЗПР=51,5 + 0,12·48,37 = 54,1 тыс.тнг
Аналогично просчитываем все сечения для участка ТП-РП1.
Результаты остальных расчетов приведены в приложении (смотри приложение
Б).Технические и экономические показатели кабелей различных сечений принимаем
по [8]. При выборе сечений кабелей для потребителей II категории по надежности
электроснабжения, учитываем, что эти кабели в аварийном режиме должны
выдерживать всю нагрузку резервируемых потребителей, с учетом допустимой кратковременной
перегрузки в 30% [4].
.3 Выбор схемы внешнего электроснабжения
.3.1 Определение расчетной нагрузки предприятия
Расчетная нагрузка предприятия определяется, суммированием расчетной
нагрузки трансформаторной подстанции и потерь активной и реактивной мощностей в
силовом трансформаторе [11].
Определим потери мощности в трансформаторе подстанций.
Потери активной мощности трансформатора состоят из
потерь мощности при холостом ходе ΔРХ = 1,08 кВт и потери мощности в
меди которая рассчитывается по формуле:
ΔРК = КЗ2 ×
ΔРКН, (2.26)
где КЗ - коэффициент загрузки трансформатора
ΔРК = 0,28×5,5 = 1,54 кВт.
Суммарные потери активной мощности:
ΔР = 1,08 + 1,54 = 2,62 кВт.
Потери реактивной мощности составят:
потери мощности при холостом ходе
(2.27)
где
- ток холостого хода, для трансформатора ТМ-250/10
равен 2%.
кВАр -
потери мощности в меди
(2.28)
где
К3 - коэффициент загрузки трансформатора;н - номинальный ток трансформатора, А;
Х
- реактивное сопротивление трансформатора, Ом:
(2.29)
где
ик - напряжение короткого замыкания трансформатора, %;н - номинальное
напряжение трансформатора, кВ.
Суммарные
потери реактивной мощности ТП составят:
Суммарная
расчетная нагрузка предприятия определяется по формуле:
, (2.30)
где
,
-
суммарная активная и реактивная нагрузки ТП, кВт;
,
- потери активной и реактивной мощности в
трансформаторе подстанции, кВт;
кВА
Коэффициент
мощности предприятия составит:
.
.3.2
Сравнение вариантов ЛЭП внешнего электроснабжения
По
проектному решению питание планируется осуществлять от двух трансформаторных
подстанций ТП "Водник" и ТП АЗС "Бахыт", по двум воздушным
линиям 10 кВ. Технико-экономическое сравнение вариантов сечений воздушных линий
10 кВ осуществляется по тем же формулам, что и расчет сечений кабельных линий
0,38 кВ. [23]
Определяем расчетный ток на участке ТП "Водник" - ТП
(проектируемая) 10/0,4 кВ. Проверяем сечение 25 мм2:
Р=514/√3·10=29,7 А
Определяем потери в линии.
ΔРНД=(514·3)/1000=1,54 кВт
Определяем коэффициент загрузки для данного участка;
КЗ = 29,7/105 = 0,28
КЗ2 = 0,282 = 0,08
Определяем действительные потери в кабеле на участке:
ΔРД= 1,54 · 0,08 = 1,16 кВт
Определяем расход электроэнергии на потери в участке:
ΔЭА= 0,12 · 3000 = 370,39 тыс.тнг
Определяем стоимость потерь:
СП= 370,39 ·6,9 = 2555,7 тыс тнг/год
Определяем капиталовложения на сооружение:
К= 1236·3 = 3708 тыс.тнг.
Определяем ежегодные амортизационные отчисления:
СА=0,15·3708= 556,2 тыс. тнг/год
Определяем годовые эксплуатационные расходы:
СЭ=2555,7 + 556,2 = 3111,9 тыс.тнг/год
Определяем общие годовые приведенные затраты.
ЗПР=3111,9 + 0,12·3708 = 3556,9 тыс.тнг
Результаты расчета сечений ВЛ напряжением 10 кВ приведены в приложении.
(смотри приложение В)
.3.3 Выбор основного оборудования в системе электроснабжения
Выбор электрооборудования, производится по соответствию параметров сети с
номинальными параметрами электрооборудования. Иными словами для
электрооборудования должны выполняться следующие условия:
UНОМ = UСЕТИ.НОМ (2.31)НОМ = IСЕТИ.НОМ. (2.32)
где: UНОМ - номинальное напряжение электрических аппаратов, В;СЕТИ.НОМ -
номинальное напряжение питающей сети, В;НОМ - номинальный ток электрических
аппаратов, А;СЕТИ.НОМ - номинальный ток питающей сети, А.
Выполним выбор выключателей нгрузки, по перечисленным условиям
предварительно проходит выключатель марки ВНз-17:
А
Трансформатор
напряжения выбирается по условию, соответствия напряжения:
=10
кВ.
Второе
условие выбора трансформатора напряжения по соответствию мощностей:
Т.Н
> S2 (2.33)
где
SТ.Н - номинальная мощность трансформатора напряжения, ВА;- нагрузка на
трансформатор напряжения, ВА.
Мощность
нагрузки на трансформатор напряжения S2, ВА, зависит от мощности приборов
измерения и учета, которые подключены к вторичной обмотке трансформатора
напряжения и вычисляется по формуле:
S2
= √ P2 + Q2 (2.34)
где
Р - активная мощность приборов измерения и учета, Вт;- реактивная мощность
приборов измерения и учета, Вар.
Согласно
техническим характеристикам приборов учета и измерения активная мощность
составляет 32 Вт, а реактивная мощность составляет 63,3ВАр.
Определяем
нагрузку на трансформатор напряжения со стороны вторичных цепей:
=
√ 322 + 63,32 =71 ВА
Номинальная
мощность трансформатора составляет 75 ВА, поэтому при проверке условия по току:
>
71 ВА
Трансформаторы
тока используются как для подключения приборов измерения так и для релейной
защиты.
В
настоящее время используются трансформаторы тока типа ТПЛ.
Выбор
трансформаторов тока осуществляется по условиям соответствия по напряжению и
току, так для линии с протекающим по ней током в аварийном режиме 29,7А
предварительно выбираем трансформатор тока ТПЛ-10 30/5 и проверяем правильность
выбранного трансформатора.
>
29,7 А
=
10 кВ.
При
выборе головных автоматических выключателей на ТП со стороны 0,38 кВ необходимо
чтобы соблюдались условия (2.31) и (2.32), а для нахождения номинального тока
автоматического выключателя IН, А, используется следующая формула:
Н
= 1,2·IР.MAX (2.35)
где
IР.MAX - расчетный максимальный ток, А.
Максимальный
расчетный ток IР.MAX, А, определяют по формуле:
Р.MAX
= S / √3·UН (2.36)
где
S - расчетная мощность, кВА;н - номинальное напряжение, кВ.
Определяем
максимальный расчетный ток на шинах и номинальный ток автоматического
выключателя.
Р.MAX
= 350 / √3·0,38 = 532,4 АН = 1,1·532,4=585,6 А
Проверяем
условия выбора, по соответствию напряжения:
,38
= 0,38 В
Предварительно
принимаем автоматический выключатель BD630NE с номинальным током 630 А, что
подтверждено выполнением условия по току:
>
585,6 А
Для
распределения электроэнергии и защиты электрических сетей от токов короткого
замыкания применяют распределительные шкафы (пункты) с автоматическими
выключателями.
Выбор
распределительных пунктов сводится к тому, что выбрать вводной автоматический
выключатель. [6]
.4 Определение величины токов короткого замыкания
.4.1 Расчет токов к.з. в сетях 10 кВ
Коротким замыканием называют замыкание, при котором токи в ветвях
электроустановки резко возрастают, превышая наибольший допустимый ток
нормального режима. Замыкание - это всякое случайное или преднамеренное, не
предусмотренное нормальными условиями работы, соединение двух точек
электрической цепи. Причинами короткого замыкания являются:
1) механические повреждения изоляции, ее пробой из-за перенапряжения и
старения;
) обрывы, забросы, схлестывания проводов воздушных линий;
) ошибочные действия персонала и т.д.
Вследствие короткого замыкания в цепях возникают опасные для элементов
сети токи, ведущие к отказу электрооборудование или аварии, а также к сбоям
работы энергосистем. Потому для обеспечения надежной работы электрической сети,
электрооборудования, устройств релейной защиты необходимо производить расчет
токов короткого замыкания.
Для расчетов тока короткого замыкания составляется расчетная схема
(упрощенная однолинейная), в которой учитываются все источники питания,
кабельные линии, воздушные линии и реакторы. Далее находят сопротивления
элементов однолинейной схемы электроснабжения.
Расчет токов короткого замыкания может осуществляться двумя методами: в
относительных (базисных) единицах или в именованных единицах. Способ расчета на
результирующее значение тока короткого замыкания не влияет.
Рассмотрим расчет токов короткого замыкания по методу относительных
единиц, поскольку он наиболее простой и точный. Расчет производим в пределах
допустимых для выбора оборудования на шинах ТП и уставок релейной защиты.
Для расчета сопротивлений по данному методу, строят схему замещения и
задаются базисными величинами: базисным напряжением и базисной мощностью. За
базисное напряжение принимают номинальное напряжение той ступени, где
производится расчет тока короткого замыкания. За базисную мощность, для
удобства расчетов, принимают Sб=100 МВА или Sб=1000 МВА.
После этого определяются базисные токи на всех ступенях напряжения.
За базисные напряжения принимаем Uб1 = 10,5 кВ, Uб2 = 0,4 кВ.
После этого определяются базисные токи IБ, А на всех ступенях напряжения
по выражению:
Б=SБ/√3·UБI (2.37)
где: SБ - базисная мощность, кВАБI - базисное напряжение той ступени, на
которой рассчитывается ток короткого замыкания.
Затем определяются активные и реактивные сопротивления всех элементов
схемы замещения. После определения сопротивлений схемы замещения определяем
результирующее сопротивление ZРЕЗ* , относительные единицы до соответствующей
точки короткого замыкания, по формуле:
РЕЗ* = √ RРЕЗ*2 + XРЕЗ*2 (2.38)
где: RРЕЗ*- результирующие активное сопротивления до точки короткого
замыкания;РЕЗ* - результирующие реактивное сопротивления до точки короткого
замыкания.
Рассчитав результирующее сопротивление до точки короткого замыкания,
определяем установившееся значение трехфазного тока короткого замыкания I(3)КI,
А, по формуле:
(3)КI = IБ*/ ZРЕЗ* (2.39)
Далее определяется установившееся значение двухфазного тока короткого
замыкания I(2)КI, А, по формуле:
(2)КI =√3· I(3)КI / 2 (2.40)
Далее определяется мгновенное iY, кА, и действующее IY, кА значение
ударного тока, в точках короткого замыкания исходя из выражений:
iY =√3· КУ· I(3)КI (2.41)= I(3)КI·√1+2·( КУ-1)2 (2.42)
где: КУ - ударный коэффициент, значение которого определяется по
справочным данным в зависимости от отношения x/r.
Для определения тока короткого замыкания, для данной сети необходимо
задаться базисной мощностью и базисным напряжением.
За базисную мощность принимаем Sб=100 МВА, а за базисное напряжение
Uб1=10,5 кВ и Uб2=0,4 кВ.
Определим значения базисных токов на всех ступенях напряжения:
Б1 = 100/√3·10,5 = 5,52 кАБ2 = 100/√3·0,4 = 144,5 кА
Для того чтобы определить результирующие сопротивления определяется,
прежде всего, мощность системы SC, мВА, по формуле:
= √3· I3К.Ш· UНОМ (2.43)
где: I3К.Ш - трехфазный ток короткого замыкания на шинах системы, кА.
Определяем сопротивление системы исходя из выражения:
ХC = SБ/ SC (2.44)
Мощность системы:
= 1,73·9,01·10 = 155,87 мВА
Относительное сопротивление системы:
ХC = 100/ 155,87 = 0,641
Значения относительного, активного RК.Л.* и реактивного ХК.Л.*,
сопротивлений питающей линии 10 кВ находят по формуле:
К.Л.* = R0·L·((SБ/(UБ2)) (2.45)
ХК.Л.* = Х0·L·((SБ/(UБ2)) (2.46)
где: R 0 - удельное активное сопротивление линии; Ом/км;
Х 0 - удельные реактивное сопротивление линии; Ом/км;- длина линии; км
Находим сопротивления:
RК.Л1.* = 0,89·1·((100/(10,52)) = 0,8
ХК.Л.* = 0,095·1·((100/(10,52)) = 0,08
Аналогично рассчитываются сопротивления кабельных линий и на стороне
0,4кВ.
Рассчитав результирующее сопротивление до точки короткого замыкания
определяем установившееся значение трехфазного тока короткого замыкания в точке
К1:
(3)КI = 5,52/ 1,07 = 5,15 кА
Далее определяется мгновенное iY, кА, и действующее IY, кА значение
ударного тока, в точках короткого замыкания, при этом по справочным данным в
зависимости от отношения XРЕЗ*/ RРЕЗ* = 0,89 определяем значение ударного
коэффициента Ку=1,22 [6].
= √3· 1,22· 5,15 = 10,8 кА
IY = 5,15·√1+2·( 1,22-1)2 = 5,39 кА
Минимальный ток короткого замыкания на стороне 10 кВ
(2)КI =√3· 5,15 / 2 = 4,46 кА
Для того чтобы найти значения тока короткого замыкания во второй точке
используют следующие формулы.
Относительное активное RТР.* и реактивное ХТР.* сопротивления силового
трансформатора определяют по формулам:
ТР.* = ΔРК· SБ / SН.Т.2 (2.47)
ХТР.* = UК%· SБ /100·SН.Т.2 (2.48)
где: DРк - потери
мощности при коротком замыкании, МВт;
UК% - потери напряжения при коротком замыкании в обмотках трансформатора,
%;Н.Т - номинальная мощность силового трансформатора, МВА.
Выполним вычисления для силового трансформатора имеющего следующие
характеристики: DРк
= 0,0055 мВт; UК% =4,5%; SН.Т. = 0,25 мВА
ТР.* = 0,0055· 100 / 0,252 =1,16
ХТР.* = 4,5· 100 /100·0,25 = 11,25
Находим результирующие сопротивления и по справочным данным в зависимости
от отношения XРЕЗ*/ RРЕЗ* = 4,3 определяем значение ударного коэффициента
Ку=1,5 [6].
Определяем установившееся значение двухфазного тока короткого замыкания в
точке К2:
(3)КI = 144,5/ 12,36 = 11,69 кА
I(2)КI =√3·11,69 / 2 = 10,12 кА
Определяем мгновенное и действующее значение ударного тока в точке К2:
=√3· 1,5· 11,69 = 24,8 кА= 11,69·√1+2·( 1,5-1)2 = 14,32 кА
Результаты расчета для остальных точек короткого замыкания находятся в
приложении (смотри приложение Г).
2.4.2 Расчет однофазных токов к.з. в сетях 0,38 кВ
Ток однофазного короткого замыкания Iк(1), А, с достаточной точностью
определяется по формуле:
Iк(1)
=
, (2.49)
где Zт.о. - расчётное полное сопротивление трансформатора при однофазном
коротком замыкании, Ом;п.- полное сопротивление петли "фаза-нуль",
Ом.
Zп.= Zп.уд.∙L (2.50)
где L - длина линии, км; L - длина линии, км;п.уд.- удельное
сопротивление петли "фаза-нуль", Ом/км.ф.- фазное напряжение сети, В
Находим ток однофазного короткого замыкания:
Iк(1)
=
= 2284,6 А
С
допустимой для инженерных расчетов погрешностью можно принять значения токов
к.з. для данной схемы электроснабжения одинаковыми.
.5
Проверка выбранного оборудования по условиям работы в режиме коротких замыканий
.5.1 Коммутационные аппараты напряжением выше 1 кВ
Проверка коммутационных аппаратов выполняется по следующим пунктам:
. Проверка на электродинамическую стойкость.
. Проверка на термическую стойкость.
Термическая стойкость электрических проводников и аппаратов лимитируется
предельно допустимой кратковременной температурой частей проводников и
аппаратов при коротком замыкании.
. Проверка на коммутационную способность.
На коммутационную способность проверяют коммутационные аппараты.
Например, выбор вакуумных выключателей, как правило, выполняется для
самой нагруженной линии и для остальных менее нагруженных принимается данная
марка.
Ранее был произведен выбор вакуумных выключателей, который удовлетворял
условиям по напряжению и току:
кВ,
А.
Соответственно,
предварительно проходит выключатель нагрузки типа ВНз-17
Проверка
выключателей на электродинамическую стойкость выполняется по следующему
условию:
НОМ
> iYД (2.51)
Для
проверки на термическую стойкость, I НОМ Т.С., кА, используют следующую
формулу:
НОМ
Т.С > I К(3)· √ tП / tНОМ. Т.С. (2.52)
где:
tП - время действия периодической составляющей тока, с, зависит только от
частоты переменного тока;НОМ. Т.С. - номинальное время термической стойкости во
время, которого не изменяются качественные характеристики оборудования и
проводников, с.
Выполняем
проверку выключателя нагрузки на электродинамическую стойкость:
>4,53
кА.
Выполняем
проверку выключателя нагрузки на термическую стойкость:
>0,17
кА
Проверка
по коммутационной способности, кА, выполняется по следующему условию:
НОМ.О.
> IК(3) (2.53)
где
IНОМ.О. - номинальный ток отключения, кА;
Выполняем
проверку выключателя на коммутационную способность:
>
5,15 кА.
Из
приведенных вычислений следует, что окончательно выбираем выключатель нагрузки
марки ВНз-17.
2.5.2
Измерительные трансформаторы тока
Трансформаторы
тока используются как для подключения приборов измерения так и для релейной
защиты. В настоящее время используются трансформаторы тока типа ТПЛ. Выбор
трансформаторов тока осуществляется по тем же условиям так для линии 10 кВ с
протекающим по ней током в 29,7 А предварительно выбираем трансформатор тока
ТПЛ- 10 30/5 и проверяем правильность выбранного трансформатора.
>
29,7 А
=
10 кВ.
Необходимо
проверить трансформатор тока на термическую стойкость при коротком замыкании по
условию:
(2.56)
где
Iн.т.т. - номинальный первичный ток трансформатора тока, А;т.с - время
термической стойкости, с;т.с - кратность односекундного тока термической
стойкости [1].
Проверяем
данное условие:
Из
расчетов следует, что окончательно принимается для данной линии трансформатор
тока ТПЛ-10 30/5.
Для
других линий по аналогичным формулам выбираем и проверяем трансформаторы тока и
сводим полученные данные в приложении. (смотри приложение Д).
2.5.3
Шины напряжением выше 10 кВ
Шины выбираются по длительно допустимому току Iдоп и проверяются на
электродинамическую и термическую устойчивость.
При проверке шин по длительному допустимому току должно выполнится
следующее условие [4]:
ДОП≥IР.МАХ (2.57)
(5.14) Iдоп≥Iр.макс, (5.14)
где Iр.макс - максимальный
При
проверке шин на электродинамическую устойчивость должно выполняться условие:
σРАС ≤ σДОП (2.58)
где
σРАС - расчетное напряжение на изгиб, возникающее в
материале шин при протекании ударного тока трехфазного к.з., кг/см2.
σДОП - допустимое напряжение на изгиб материала шин, кг/см2;
Допустимое изгибающее напряжение для алюминиевых шин σДОП = 700 кг/см2.
Алгоритм
нахождения расчетного напряжения σРАС следующй.
Вычисляется
сила F
, кг/см2, действующая на шины, при
протекании по ним ударного тока трехфазного к.з.:
F
=1,76kФi2(3)2
(2.59)
где
kФ - коэффициент формы шин; i
-ударный
ток трехфазного к. з., А;- длина пролета, см; длина пролета, см;
а
- расстояние между осями шин, см.
Коэффициент kФ, зависит от формы, размеров шин и расстояния между ними,
для прямоугольных шин находится по кривым [25] при вычислении отношения:
и
(2.60)
где b - толщина шины, см;- ширина шины, см; h - ширина шины, см; b -
толщина шины, см; h - ширина шины, см;
Определяется изгибающий момент М, кг·см, при числе пролетов больше
двух, по формуле:
М=
(2.61)
Определяется момент сопротивления W, см3, для прямоугольных шин
расположенных в одной горизонтальной плоскости и установленных плашмя, по
формуле:
W=
(2.62)
Определяется
расчетное напряжение на изгиб σРАС,
кг/см2, по формуле:
σРАС =
. (2.63)
Для соблюдения условий термической стойкости шинопроводов необходимо,
чтобы проходящий по ним ток к.з. не вызвал повышения температуры сверх
допустимой при кратковременном нагревании [10].
Минимальное сечение шинопровода по термической стойкости SТ.С, мм2,
при расчетах определяется из выражения:
SТ.С.≈α·I(3)·
(2.64)
где I(3) - установившийся ток трехфазного к.з., кА tп - приведенное
время к.з., с; tп=1,5 с
α - коэффициент термической стойкости,
для алюминия α=11. tп - приведенное время к.з., с; tп=1,5 с α - коэффициент термической стойкости.
Для α Выполним расчет для шин, которые
устанавливаются в одной вертикальной плоскости с пролетом l=200 см и
расстоянием между осями шин, а=25 см.
Принимаем шины марки АД 31Т-1 сечением 35х5:
>29,7 А.
Находим соотношения для того, чтобы определить коэффициент формы:
=0,5
=1,4
Соответственно
по [7] коэффициент формы, КФ=0,95.
Находим
силу действующую на шины, при протекании по ним ударного тока трехфазного к. з:
F(3)=1,76·0,95·48072·
·10-8=3,09 кг
Находим изгибающий момент:
М=
=61,8 кг·см
Определяется
момент сопротивления:
=
=145,83 см3
Находим
расчетное напряжение на изгиб:
σРАС =
= 0,42 кг/см2.
>
0,42 кг/см2
Из
расчетов следует, что шины механически устойчивы
.5.4
Изоляторы напряжением выше 1 кВ
При
выборе изоляторов проводится проверка их пригодности по ряду параметров: по
номинальному напряжению, по допустимой механической нагрузке, а для проходных
изоляторов по номинальному току. Кроме того учитывается, для какой - наружной
или внутренней - установки предназначены изоляторы.
Выбор
изолятора по номинальному напряжению означает выполнение условия:
UН.ИЗ≥UН.УСТ,
(2.65)
(5.22)
Uн.из≥Uн.уст, (5.22)
где UН.ИЗ - номинальное напряжение изолятора;Н.УСТ - номинальное
напряжение электроустановки.
По допустимой механической нагрузке изоляторы выбираются, исходя из
условия [9]:
РАСЧ ≤ 0,6FРАЗР, (2.66)
где FРАСЧ - расчетная механическая нагрузка для опорных изоляторов;
F
- сила, действующая на шины при протекании ударного
тока, кг, которая определяется по формуле:
КО
F
- сила, действующая на шины при протекании ударного
тока трехфазного к.з. определяется по формуле [3]:
F
=1,76kФi2(3)2
(2.67)
Fразр - механическая нагрузка, разрушающая изолятор.Fразр - механическая
нагрузка, разрушающая изолятор. Выполним расчет для изоляторов. Условие по
напряжению:
=10 кВ
Проверка
изоляторов на механическую прочность, для этого определяется сила F
, действующая на шины, при протекании по ним ударного
тока трехфазного к. з [3]:
F(3)=1,76·0,95·48072·
·10-8=3,09 кг
Определяется расчетная механическая нагрузка для опорных изоляторов:
расч=3,09 кг
3,09<225 кг
Из расчетов следует, что изоляторы проходят по механической прочности.
.5.5 Автоматические выключатели напряжением 0,38 кВ
При выборе автоматических выключателей на ТП со стороны 0,38 кВ
необходимо чтобы соблюдались условия по напряжению и току, а для нахождения
номинального тока автоматического выключателя IН, А, используется следующая
формула:
Н = 1,1·IР.MAX (2.68)
где IР.MAX - расчетный максимальный ток, А.
Максимальный расчетный ток IР.MAX, А, определяют по формуле:
Р.MAX = S / √3·UН (2.69)
где S - расчетная мощность, кВА;н - номинальное напряжение, кВ.
Определяем максимальный расчетный ток на шинах ТП:
IР.MAX = 350 / √3·0,38 = 532,4 АН = 1,1·532,4=585,7А
Выбранный автомат необходимо на отключающую способность, по условию:
ПР.ОТК > IК(3) (2.70)
где IПР.ОТК - предельный ток отключения автоматом, кА;К(3) -
периодическая составляющая трехфазного тока короткого замыкания, кА.
Проверяем выбранный автоматический выключатель на отключающую
способность:
> 11,69 кА
По результатам расчетов и выполнениям необходимых условий окончательно
принимаем автоматический выключатель BD630NE. Аналогично производится выбор остальных
автоматических выключателей, результаты выбора приведены в приложении. (смотри
приложение Д)
.6 Защита сетей от аварийных режимов
.6.1 Релейная защита линий электропередачи напряжением выше 1 кВ
Защита от коротких замыканий линий 10 кВ осуществляется преимущественно с
помощью максимальных токовых защит.
Произведем расчет релейной защиты ВЛ-10 кВ.
Ток срабатывания защиты IС.З., А, определяется по формуле:
С.З. = кОТС · IР.МАКС / кВОЗ. (2.71)
где кОТС - коэффициент отстройки для реле РТ - 80=1,2;р.макс -
максимальный рабочий ток, А;
кВОЗ.- коэффициент возврата реле для РТ - 80=0,85.
С.З. = 1,2 · 29,7 / 0,85 = 41,9 А.
Определяем ток срабатывания реле IС.Р., А, по формуле:
С.Р = кС.Х. · IР.МАКС / КТ.Т (2.72)
где
кС.Х - коэффициент схемы, для соединения вторичных обмоток трансформаторов тока
на разность токов двух фаз,
.
С.Р
= 1,73. · 29,7 / 30/5 = 8,5 А
Выбираем
уставку тока для реле
РТ
- 80/10 (А) IУ = 9 А.
Коэффициент
чувствительности защиты по току на стороне 0,4кВ приведенный на сторону 10кВ,
вычисляется по формуле:
КЧ
= IК.МИН/ КТ.Т · IУ. (2.73)
где:
IК.МИН - приведенное значение минимального тока короткого замыкания на стороне
10 кВ.
КЧ
= 178,4/ 30/5 · 9 = 3,3.
По
технической характеристике реле РТ-80, для эффективной работы, необходимо чтобы
коэффициент чувствительности был не ниже 1,5.
В
соответствии с приведенными расчетами следует, что коэффициент
чувствительности:
,3
> 1,5
.6.2 Защита силовых трансформаторов
Защиту силовых трансформаторов от перегрузки и между витковых замыканий,
мощностью более 250кВА, осуществляем газовой защитой, действующей на
отключение, кроме того, в диапазон действия МТЗ для воздушных линий входит и
силовой трансформатор.
.6.3 Защита оборудования системы электроснабжения от перенапряжений
Перенапряжениями называют такие повышения напряжения, которые
представляют собой опасность для изоляции электрических установок.
Различают два вида перенапряжений в электрических установках: внутренние
и атмосферные. Внутренние перенапряжения возникают в результате коммутации, как
нормальных (включение и отключение нагруженных линий, отключение ненагруженных
трансформаторов и реакторов), так и послеаварийных (дуговые замыкания на землю
в системах с изолированной нейтралью, отключения КЗ, АПВ). Эти перенапряжения
воздействуют на изоляцию сравнительно кратковременно, но значение их может
превышать в несколько раз номинальное напряжение.
Атмосферные перенапряжения возникают в результате разрядов молнии в
электроустановку или вблизи неё. Волны перенапряжения, возникающие токоведущих
частях при ударах молнии, распространяются со скоростями, сравнимыми со
скоростью света, проникая в обмотки трансформаторов, машин, воздействуя на
изоляцию линии и аппаратов. Время воздействия атмосферных перенапряжений
составляет от единиц до сотен миллионов долей секунды. Значение этих
перенапряжений при отсутствии специальных мер защиты может достигать миллионов
вольт.
К средствам и способам защиты от перенапряжений переходного режима
относятся коммутационные (комбинированные) вентильные разрядники типа РВМК,
выключатели, предотвращающие возникновение значительных перенапряжений, и
устройства, управляющие моментом коммутации.
Вентильные разрядники выбираются по напряжению и их назначению.
Uн.с.
Uн.р. (2.81)
кВ.
10 кВ.
где
Uн.с - напряжение питающей сети, В;н.р. - напряжение разрядника, В.
Выбираются
разрядники типа РВО-10 для защиты трансформаторной подстанции.
.6.4
Выбор головных автоматических выключателей на ТП со стороны 0,38 кВ
Основными условиями выбора головных автоматических выключателей являются,
условия по току и по напряжению:
(2.82)
где
Iн.р - номинальный ток расцепителя, А [12];р.мах - расчетный максимальный ток,
А.
Определяем максимальный расчетный ток:
(2.83)
где
S - расчетная мощность, кВА;н - номинальное напряжение, кВ.
Определяем максимальный расчетный ток для линии 0,38 кВ, участок ТП-РП1:
А.
Предварительно
принимаем к установке выключатель BD400NE и проверяем условия выбора:
А.
Проверяем выбранный автомат по условию:
(2.84)
где
IПР.ОТК- предельный ток отключения автоматических выключателей, кА;К(3) -
периодическая составляющая трехфазного тока короткого замыкания, кА.
Проверяем выбранный автомат по условию, (2.84):
Принимаем
к установке выключатель марки BD400NE.
Выбранный автоматический выключатель проверяется по условию отключения
однофазных коротких замыканий в конце кабельной линии 0,38 кВ:
(2.85)
Из
вычислений следует, что защита обеспечивается, поэтому окончательно принимаем к
установке автоматический выключатель BD400NE.
Аналогичным
образом производится выбор выключателей, которые устанавливаются на
распределительных пунктах. Выбор оборудования приведен в приложении (смотри
приложение Д).
3. Использование электроэнергии в производственных
процессах
.1 Выбор электродвигателя
При выборе типа электродвигателя по условиям окружающей среды необходимо
пользоваться классификацией помещений по взрыво- и пожаробезопасности [14].
Рассмотрим выбор двигателя для приточной вентсистемы.
При выборе электродвигателя основанием выбора мощности двигателя могут
служить графики нагрузки или диаграммы, построенные показаниями регистрирующих
приборов (амперметров, ваттметров, динамометров) или теоретические расчёты.
Для вентиляторов характерен продолжительный режим работы. При этом режиме
рабочий период настолько длителен, что при неизменной температуре окружающей
среды все части электрического двигателя достигают практически установившегося
значения температуры [9]. При постоянном нагреве график этого режима
представлен прямой (рис. 3.1).
Рис. 3.1 - График зависимости производительности Q (м3/с) от
давления Р (Па).
Определим диаметр трубы:
d=
(3.1)
где Ln-воздухообмен в помещении, м3/ч;
-скорость
движения воздуха (12-15 м/с)
=
=0,8 м
Определим необходимый воздухообмен:
LВ=
(3.2)
гдеLуд.-удельный воздухообмен, для помещений Lуд. =108 м3/ч.;площадь
помещения
LВ=
=59616 м3/ч
Определим расчётное давление вентилятора:
Н=
(3.3)
где
- плотность воздуха (1,2 кг/м3);
х - коэффициент трения, для
круглых металлических воздуховодов х=0,02;длина воздуховода, м;внутренний
диаметр трубы, м;
-сумма коэффициентов местного сопротивления (1-1,5)
H=
=172,8 Н/м2
По расчётным значениям Lв и H выбираем вентилятор Ц4-1А [10].
Техническая характеристика вентилятора Ц4-1А
Н-полное давление, Па;
-КПДчастота
вращения, об/мин;производительность, м3/ч.
Определим мощность на валу вентилятора:
Рв=
(3.4)
РВ=
=6,2 кВт
Определим мощность электрического двигателя:
Р=КЗ
(3.5)
где Кз - коэффициент запаса: 1.1;
-КПД
передачи: 1
=1,1
=6,82 кВт
Выбираем предварительно асинхронный электродвигатель 4А160М8 напряжением
380/220 кВ, у которого Р=7,0 кВт, n=730 об/мин [11].
Нагрузка на валу незначительная, поэтому дополнительной проверки по
условиям пуска не проводим.
Электропривод вентилятора относится к длительному режиму, т.е. к режиму
при неизменной номинальной нагрузке.
Проверим перегрузочные свойства двигателя, для чего определим номинальный
момент:
МН=
(3.6)
гдеР1-номинальная мощность двигателя, кВт;
-угловая
скорость вращения вала двигателя, рад/с
=
(3.7)
Где n - число оборотов, об/мин
Для двигателя:
=
=76,4 рад/с
Для вентилятора:
=
=77,45 рад/с
МН=
=143,98 Нм
Момент
сопротивления вентилятора и частоты вращения находим в зависимости Мв от
:
МВ=
(3.8)
МВ=
=80,05 Нм
Момент сопротивлений определяем по выражению:
МС=
(3.9)
МС=
=81,15 Нм
Т.к.
МН
МС, то двигатель преодолевает момент сопротивлений
вентилятора. Основываясь на энергетические и экономические показатели
окончательно выбираем двигатель Р=7,0 кВт.
Рассчитаем механическую характеристику двигателя, для чего определим
скольжение:
SН=
(3.10)н=
=0,014
Определим критический момент:
МК=
(3.11)
где
-кратность критического момента = 2,6
Пусковой момент:
МП=
(3.12)
где
- кратность пускового момента,
=2,2
МП=
Нм
Определим кратность пускового и критического моментов:
=
(3.13)
l=
=1,18
Определим критическое скольжение:
Sк=
(3.14)к=
0,27
Для
удобства построения механической характеристики двигателя находим
вспомогательный коэффициент
по
формуле:
=
(3.15)
=
=17,58
Для построения механической характеристики используем полный закон
Клосса:
М=
(3.16)
Подставляя в данную формулу ряд значений скольжения от 1 до 0, определяем
соответствующие значения момента и угловой скорости.
Результаты приведены в таблице 3.1.
Таблица 3.1
Расчёт механической характеристики
|
S
|
1
|
0,8
|
0,6
|
0,4
|
0,35
|
0,2
|
0,15
|
0,1
|
0,05
|
0
|
|
М, Н·м
|
355,5
|
361,7
|
367,7
|
372,9
|
373,9
|
373,4
|
370,8
|
363,6
|
341,5
|
0
|
На основании расчетной таблицы построим механическую характеристику
выбранного электродвигателя (рис.3.2).
Рис. 3.2 - Механическая характеристика электродвигателя
3.2 Расчет электроосвещения
Одним из основных вопросов, решаемых при проектировании осветительной
установки, от которого зависит не только ее экономичность, но и надежность
действия, является выбор типа светильника [21].
Неправильный выбор светильника ведет за собой увеличение установленной
мощности, а как следствие этого увеличение расходов на эксплуатацию
осветительной установки.
Несоответствие конструктивного исполнения светильника условиям окружающей
среды понижает надежность и долговечность действия осветительной установки, а в
ряде случаев может явиться источником пожара или взрыва.
В гараже принимаем светильники НСП с лампами накаливания мощностью 100Вт.
Произведем расчет освещения методом коэффициента использования, принимаем
коэффициент отражения в помещении принимаем: потолка ρпот=30%, пола ρп=10%, стен ρст=10%.
Определим расчетную высоту подвеса светильников, м:
НР=H-hC- hП (3.17)
где H - высота здания, м;С - расстояние от светильников до перекрытия,
(0…0,6), м;П - высота расчетной поверхности над полом, (0), м
НР= 6- 0,6 - 0 = 5,4м
Оптимальное расстояние между светильниками:
LОПТ= λЭНР (3.19)ОПТ= λСВНР (3.20)
где λэ-относительное экономическое расстояние между светильниками;
λсв- относительное светотехническое
расстояние между светильникам.
ОПТ= 0,8·5,4=4,32 мОПТ= 0,71·5,4=3,86 м
Для расчетов принимаем 3,86 м.
Количество светильников в ряду
(3.21)
где
А-длина помещения, м.
Принимаем количество светильников равным, 3 шт. при расстоянии между
светильниками равным 3,5 м.
Число рядов светильников находят по формуле:
в= В/НР (3.22)
где В - ширина помещения, м;р - расчетная высота подвеса светильников, м;
в= 11,8/5,4=2,3
Принимаем 3 ряда светильников для рабочего освещения. Определим общее
количество светильников, по формуле:
=na·nв (3.23)= 3·3 = 9шт
Для того чтобы определить мощность ламп, необходимо найти индекс
помещения, по формуле:
(3.24)
Коэффициент использования с учетом с учетом индекса помещения принимается
равным приведенных выше коэффициентов отражения Uоу=0,53 [21].
Световой поток одной лампы определим по формуле:
Ф=
(3.25)
где
Ен - нормируемая освещённость, 50 лк;
Кз
- коэффициент запаса, для ламп накаливания (1,15);- площадь участка, м2;-
коэффициент неравномерности, для ламп накаливания (1,15);
Ф=
=957 лм
Выбираем
лампу Б-220-100, Uл=220В, Фл=1090 лм [7].
Определим
отклонение освещённости, от расчётной по формуле:
100%
(3.26)
100%=12%
Отклонение
от расчётной освещённости должно находиться в пределах от -10% до 20%.
Отклонение не превышает допустимого значения.
Аналогично
выполняется выбор светильников для остальных помещений, результаты выбора
показаны в графической части проекта.
Потребителями
электроэнергии в силовых установках являются электроприводы технологического
оборудования длительного и кратковременного режимов работы [13].
.3 Выбор пускозащитной аппаратуры
Пускозащитная аппаратура выбирается по следующему алгоритму.
1) определяем номинальный ток линии, А по формуле:
(3.27)
где
РДВ - номинальная мощность двигателя, кВт;Н - номинальное напряжение сети, кВ;
cos φ -коэффициент мощности двигателя;
η - КПД двигателя.
Определяем
пусковой ток:
(3.28)
где
- кратность пускового тока.
Выполним
расчет найдем ток:
Определяем
пусковой ток:
Для
выбора магнитного пускателя, используют следующие условия:
Н.П.³UСЕТИ
(3.29)
где UН.П. - номинальное напряжение пускателя, В;СЕТИ - напряжение сети,
В.
) по соответствию номинального тока пускателя и рабочего тока линии:
Н.П.³IР.Л.
(3.30)
) по соответствию номинального тока теплового реле и рабочего тока линии:
Н.Э.³IР.Л.
(3.31)
Принимаем пускатель ПМЕ-214 для реверсивного электродвигателя, в котором
имеется тепловое реле и проверяем перечисленные условия.
=380 В
³10,1 А
,5³10,1 А
Из перечисленных условий, следует , что окончательно принимаем магнитный
пускатель ПМЕ-214 с номинальным напряжением 380В, током 25А, и током теплового
расцепителя 12,5А.
Для того чтобы выбрать автоматический выключатель используются те же
условия что и для выбора магнитного пускателя.
Выбираем и проверяем автоматический выключатель.
Проверка выбранного автомата:
По напряжению:
Н.АВТ ≥ UСЕТИ (3.32)
В ≥ 380В
По току:
Н.АВТ ≥ IР (3.33)
А ≥ 10,1 А
По току расцепителя:
Н.РАСЦ ≥ IР (3.34)
А ≥ 10,1А
Проверяем отсечку автоматического выключателя на не сбрасывание при пуске
электродвигателя по формуле:
СБ.РАСЦ ≥ 1,25 · IМАХ (3.35)
·10 ≥ 1,25·55,55
А ≥ 69,43А
Условие выполняется, поэтому применяем автомат с током расцепителя равным
16А.
Для остальных двигателей автоматы выбираются аналогично.
Выполним выбор защитных аппаратов групповых распределительных линий.
Находим суммарный рабочий ток линии по которой питается группа приемников
на линии 4-Н1, согласно расчетов представленных в графической части проекта.
Р = 0,66+0,66+0,66 = 1,98 А
Пиковый ток:
ПИК = 3,3 + 3,3 + 3,3 = 9,9 А
Плавкую вставку выбираем по условию отстройки от пикового тока по
формуле:
Н.П.В. ≥ IПИК / α (3.36)
где α - коэффициент зависящий от условий пуска электродвигателей, для
нормальных условий α = 2,5
IН.П.В≥ 9,9 /2,5 = 3,96 А
Для защиты групповой линии выбираем автоматический выключатель
ВА51-25-3С25 с током теплового расцепителя 4А.
Проверяем выбранный автоматический выключатель по условиям сети:
а) по напряжению:
В > 380 В
б) по номинальному току:
А> 1,98 А
в) по току расцепителя:
А ≥ 1,98 А
Аналогичный расчет выполняется для всех групповых линий, результаты
расчетов представлены в графической части проекта.
.4 Расчет осветительных электропроводок
Сечения проводов осветительной сети должны быть достаточными обеспечения
требуемого напряжения у ламп, так как только при этом условии обеспечиваются
заданные нормы освещенности и нормальный срок службы источников света. Сечения
проводов должны быть также достаточными для распределения нагрузки по отдельным
участкам без перегревания проводов сверх норм, что необходимо для создания
условий пожарной безопасности [18].
В соответствии с этим расчет осветительных сетей производится:
По потерям напряжения.
По нагреву проводов.
Принятое сечение должно быть не менее сечения, регламентированного как
наименьшее по условиям механической прочности для данных условий прокладки, так
как без этого не может быть гарантирована не только пожарная безопасность, и
электробезопасность осветительной установки [20].
Для начала объединим светильники в группы так, чтобы отклонения между
нагрузками в фазах не превышали 10%. Далее рассчитаем нагрузки по групповым
линиям и определим расчётные токи.
Приведём расчёт осветительной сети для группы №1:
Определим момент нагрузки в данной группе:
,
(3.37)
где
- длина участка по которой протекает расчетная
нагрузка;
-
расчётная нагрузка в линии, кВт
3,5·10=
35
Произведём
расчёт сечения проводника по допустимой потере напряжения:
(3.38)
где
- момент нагрузки,
;
-
коэффициент, зависящий от системы сети, рода тока и материала проводника,
46 - для
силовой цепи,
7,7 - для осветительной цепи;
-
допустимое отклонение напряжения у потребителя,
=4% для
силовой цепи,
=2,5% для осветительной цепи
=1,8 мм2
В
связи с условиями нагрева, по условиям окружающей среды принимаем кабель ВВГ
3х2,5 [5].
Проверим
участок на действительную потерю напряжения:
, %
(3.39)
%
2,5%
Проверим выбранный провод по нагреву:
(3.40)
гдеIP- расчётный ток в линии, А;ДОП - длительно допустимый ток для кабеля
ВВГ 3х2,5 составляет 31А [19]
(3.41)
где
номинальное напряжение линии, кВ;
- коэффициент мощности;
= 16,7 А
,7
A < 31 A
Проверим сечение кабеля по соответствию длительного тока проводника
номинальному току аппарата защиты.
(3.42)
где
- коэффициент, зависящий от типа аппарата и вида
защиты проводника (от короткого замыкания или перегрузки),
= 1,22.…1,25;
-
номинальный ток аппарата защиты (плавкой вставки или расцепителя)
Для
защиты данной группы выбираем автоматический выключатель типа ВА69-29-1С25 с
током теплового расцепителя 25А.
≥
0,22·25
30,5 А
Выбранный
кабель подходит по всем условиям. Расчёт сечений проводников для остальных
групп светильников производим аналогично, и результаты приведены в графической
части проекта.
.5
Расчет силовых электропроводок
Рассмотрим
участок 4Н-1, момент нагрузок которого состоит из моментов нагрузок следующих
участков: 5Н-2, 6Н-2, 7Н-2.
Рассчитаем момент нагрузок на участке 4Н-1:
М= 24·1,11= 26,64 кВт·м
Допустимая потеря напряжения для 4Н-1:
= 26,64/77·4 = 0,08 мм2
Длительно допустимый ток:
Выбираем кабель ВВГ - 1(5х1,5), для которого IД.ДОП,=14 А.
Проверим выбранный провод по потере напряжения:
26,64/77·1,5=0,23<4%
Проверим выбранный кабель по току аппарата защиты:
>13,75А
Таким образом, окончательно принимаем кабель ВВГ-1(5х1,5).
Аналогично рассчитаем остальные участки сети, результаты приведены в
графической части проекта.
4. Система автоматического регулирования микроклиматом
Жизнедеятельность человека может проходить в довольно широком диапазоне
давлений 734-1267 гПа (550-950 мм рт. ст.). Однако здесь необходимо учитывать,
что для здоровья человека опасно быстрое изменение давления, а не сама величина
этого давления. Например, быстрое снижение давления всего на несколько
гектопаскалей по отношению к нормальной величине 1013 гПа (760 мм рт. ст.)
вызывает болезненное ощущение.
Необходимость учета основных параметров микроклимата может быть объяснена
на основании рассмотрения теплового баланса между организмом человека и
окружающей средой помещений.
Величина тепловыделения Q организмом человека зависит от степени
физического напряжения в определенных метеорологических условиях и составляет 85
Дж/с для человека находящегося в больнице.
Отдача теплоты организмом человека в окружающую среду происходит в
результате теплопроводности через одежду Qт, конвекции у тела Qк, излучения на
окружающие поверхности Qи, испарения влаги с поверхности кожи Qисп. Часть
теплоты расходуется на нагрев вдыхаемого воздуха Qв.
Нормальное тепловое самочувствие (комфортные условия), соответствующее
данному виду работы, обеспечивается при соблюдении теплового баланса:
Q=Qт+Qк+Qи+Qисп+Qв (4.1)
Поэтому температура внутренних органов человека остается постоянной
(около 36,6°С). Эта способность человеческого организма поддерживать постоянной
температуру при изменении параметров микроклимата называется терморегуляцией.
При высокой температуре воздуха в помещении кровеносные сосуды кожи
расширяются, при этом происходит повышенный приток крови к поверхности тела, и
теплоотдача в окружающую среду значительно увеличивается. Однако при
температурах окружающего воздуха и поверхностей оборудования и помещений 30-35°С
отдача теплоты конвекцией и излучением в основном прекращается. При более
высокой температуре воздуха большая часть теплоты отдается путем испарения с
поверхности кожи. В этих условиях организм теряет определенное количество
влаги, а вместе с ней и соли, играющие важную роль в жизнедеятельности
организма.
При понижении температуры окружающего воздуха реакция человеческого
организма иная: кровеносные сосуды кожи сужаются, приток крови к поверхности
тела замедляется, и отдача теплоты конвекцией и излучением уменьшается. Таким
образом, для теплового самочувствия человека важно определенное сочетание
температуры, относительной влажности и скорости движения воздуха.
Влажность воздуха оказывает большое влияние на терморегуляцию организма.
Повышенная влажность (φ>85%) затрудняет терморегуляцию из-за
снижения испарения пота, а слишком низкая влажность (φ<20%)
вызывает пересыхание
слизистых оболочек дыхательных путей. Оптимальные величины относительной
влажности составляют 40-60%.
Движение воздуха в помещениях является важным фактором, влияющим на
тепловое самочувствие человека. В жарком помещении движение воздуха
способствует увеличению отдачи теплоты организмом и улучшает его состояние, но
оказывает неблагоприятное воздействие при низкой температуре воздуха в холодный
период года.
Минимальная скорость движения воздуха, ощущаемая человеком, составляет
0,2 м/с. В зимнее время года скорость движения воздуха не должна превышать
0,2-0,5 м/с, а летом - 0,2-1,0 м/с.
В соответствии с ГОСТ 12.1.005-76 устанавливаются оптимальные и
допустимые метеорологические условия.
В ряде случаев необходимо так организовать воздухообмен, чтобы одно
количество воздуха обязательно было больше другого. Например, при
проектировании вентиляции двух смежных помещений, в одном из которых выделяются
вредные вещества. Количество удаляемого воздуха из этого помещения должно быть
больше количества приточного воздуха, в результате чего в помещении создается
небольшое разрежение.
Возможны такие схемы воздухообмена, когда во всем помещении
поддерживается избыточное по отношению к атмосферному давление.
Действие общеобменной вентиляции основано на разбавлении загрязненного,
нагретого, влажного воздуха помещения свежим воздухом до предельно допустимых
норм. Эту систему вентиляции наиболее часто применяют в случаях, когда вредные
вещества, теплота, влага выделяются равномерно по всему помещению. При такой
вентиляции обеспечивается поддержание необходимых параметров воздушной Среды во
всем объеме помещения.
Воздухообмен в помещении можно значительно сократить, если улавливать
вредные вещества в местах их выделения. С этой целью технологическое оборудование,
являющееся источником выделения вредных веществ, снабжают специальными
устройствами, от которых производится отсос загрязненного воздуха. Такая
вентиляция называется местной вытяжкой.
Местная вентиляция по сравнению с общеобменной требует значительно
меньших затрат на устройство и эксплуатацию.
В производственных помещениях, в которых возможно внезапное поступление в
воздух рабочей зоны больших количеств вредных паров и газов, наряду с рабочей
предусматривается устройство аварийной вентиляции.
На производстве часто устраивают комбинированные системы вентиляции
(общеобменную с местной, общеобменную с аварийной и т.п.).
Для эффективной работы системы вентиляции важно, чтобы еще на стадии
проектирования были выполнены следующие технические и санитарно-гигиенические
требования.
. Количество приточного воздуха должно соответствовать количеству
удаляемого (вытяжки); разница между ними должна быть минимальной.
В ряде случаев необходимо так организовать воздухообмен, чтобы одно
количество воздуха обязательно было больше другого. Например, при
проектировании вентиляции двух смежных помещений, в одном из которых выделяются
вредные вещества. Количество удаляемого воздуха из этого помещения должно быть
больше количества приточного воздуха, в результате чего в помещении создается
небольшое разрежение.
Возможны такие схемы воздухообмена, когда во всем помещении
поддерживается избыточное по отношению к атмосферному давление. Например, в
цехах электровакуумного производства, для которого особенно важно отсутствие
пыли.
. Приточные и вытяжные системы в помещении должны быть правильно
размещены. Свежий воздух необходимо подавать в те части помещения, где
количество вредных веществ минимально, а удалять, где выделения максимальны.
Приток воздуха должен производиться, как правило, в рабочую зону, а
вытяжка - из верхней зоны помещения.
. Система вентиляции не должна вызывать переохлаждения или перегрева
людей.
. Система вентиляции не должна создавать шум на рабочих местах,
превышающий предельно допустимые уровни.
. Система вентиляции должна быть электро-, пожаро- и взрывобезопасна,
проста по устройству, надежна в эксплуатации и эффективна.
Регулятор температуры должен поддерживать температуру в соответствии с
графиком на рисунке 4.1, точность соответствия температур по ГОСТ 12.1.005-76
должна быть не ниже 12%.
Фкнкциональная схема устройства представлена на рисунке 4.2.
Данное устройство состоит из задатчика интенсивности, системы управления
импульсным ключом, импульсного ключа, нагревательного элемента, датчика
температуры, регулятора.
Рис. 4.1 - График регулирования температуры
п = 140+/-30%
Рис. 4.2 - Функциональная схема регулятора.
Выбор силового ключа производится из расчета максимального напряжения Uкэ
max и максимального тока Iк max
Un max = Uн + 30%
(4.2)max = 182 B = U кэ max (4.3)
Номинальный ток через транзистор вычисляется по следующей формуле
н = P/Uн (4.4)
Максимальный ток через транзистор вычисляется по формуле
Imax = U кэ max
Iн / Uн (4.5)
Транзистор выбираем с запасом по току и напряжению 30%.
кэ max
= Uп max + 30% (4.6)
Для как можно большего уменьшения тока управления необходимо в
предоконечный каскад поставить транзистор с большим коэффициентом усиления.
Важным условием так же является широкая полоса рабочих частот.
По этим параметрам выбран составной высокочастотный транзистор КТ972Б со
следующими параметрами:
к max = 4А ; U кэ max = 45 В ; b = 750 ; U бэо max = 5 В ; U кэ нас = 1.5 В
КIД = b / 3 = 250 -
Динамический коэффициент передачи по току
Определим ток базы составного транзистора:
Iб max = Iк max / KIД (4.7)
Iб max = 0.005 А
Ток базы достаточно мал, значит можно уже использовать микросхему.
Для более быстрого отключения силового транзистора необходимо притянуть
накопившиеся на его базе заряды к отрицательному полюсу источника питания.
Для этого необходимо использовать транзистор типа p - n - p.
Для регулирования температуры, удаления избытка влаги и освежения воздуха
помещения больницы оборудуют приточно-вытяжной (общеобменной) вентиляцией, а
при необходимости установками для подогрева и увлажнения приточного воздуха.
В зависимости от технологических требований и климатических условий
применяются три разновидности систем регулирования микроклимата. Принудительная
приточная вентиляция и подогрев воздуха в сочетании со свободным выходом его
через каналы естественного воздухообмена - шахты, колодцы, щели; принудительная
вытяжная вентиляция с естественным притоком; принудительная приточная и
вытяжная вентиляция в сочетании с естественной.
В качестве вытяжной вентиляции используются комплексно поставляемые
вентиляционные установки основу которых составляют регулируемые по подаче
осевые вентиляторы, которые выпускаются трех типоразмеров: ВО-7 диаметром 700
мм, ВО-5,6 диаметром 560 мм и ВО-4 диаметром 400 мм.
Вентиляторы ВО комплектуются специальными трехфазными асинхронными
электродвигателями с повышенным скольжением, которые при вентиляторной нагрузке
способны в широких пределах изменять частоту вращения в зависимости от
подаваемого на статор электрического напряжения от 70 В до номинала - 380 В.
Функциональная зависимость подачи вентиляторов от напряжения практически
нелинейная и устанавливается опытным путем. Подача на максимальной частоте
вращения известна по данным завода-изготовителя, но в системе вентиляции
помещения она обычно существенно отличается от паспортной.
Оборудование комплектуется устройствами автоматического регулирования
напряжения на зажимах электродвигателей вентиляторов: станцией управления
ШАП-5701 в комплекте с автотрансформатором АТ-10, станцией управления
бесконтактной на тиристорах МК-ВУЗ и другими, им аналогичными.
Бесконтактная станция управления типа МК-ВАУЗ плавно
регулирует частоту вращения вентиляторов как в ручном, так и в автоматическом
режимах (автоматический режим в функции температуры в помещении).
В графической части показана блок-схема станции управления МК-ВАУЗ.
Сигнал от датчика температуры в помещении RK поступает на мост сравнения МС, в
одном из плеч которого включен резистор - ручной задатчик температуры ЗДТ.
Затем через усилитель-демодулятор УД сигнал подается на узел смещения УСГ
который имеет резисторы-задатчик базового напряжения ЗБН, задатчик
дифференциала на допустимое снижение температуры ЗД, а также задатчик
минимального напряжения ЗМН, которое допустимо подавать на статор
электродвигателя данного типа. Далее сигнал передается на систему импульсно-фазового
управления тиристорами СИФУ (1...3) и корректирует прохождение другого сигнала,
идущего от блока питания БП к блокам тиристоров каждой из фаз ВТ (1...3).
Принципиальная схема станции МК-ВАУЗ состоит из двух
частей. На схеме силовая часть (плата А10) совместно с системой формирования
управляющего сигнала - блока питания (платы A3 и А7) и импульсно-фазовых
преобразователей на каждую фазу (платы А2, A3, А4).
На каждую фазовую плату А2, A3, А4 по линиям а и б
поступает напряжение смещения от устройства управления, которое управляет
блокинг-генераторами, воздействующими на тиристоры по принципу
вертикально-фазового управления. При этом максимальному напряжению смещения
соответствует минимальный угол проводимости тиристоров, равный 15°, а минимальному
напряжению смещения - максимальный угол проводимости 165°. Блокинг-генераторы
совместно с двумя усилителями на кремниевых триодах формируют импульсы
напряжения соответственно' прямой и обратной последовательности, подаваемого с
блока питания.
При поступлении сигнала по каналу управления
(соответствующего повышению температуры воздуха) открывается транзистор
блокинг-генератора, выходная цепь которого шунтирует задатчик базового
напряжения. Выходное напряжение возрастает, и соответственно увеличивается
скорость вращения электроприводов вентиляторов. При снижении температуры все
происходит в обратной последовательности, частота вращения снижается до
базовой. Но при дальнейшем снижении температуры (ниже нормы) происходит
дальнейшее снижение скорости до предельно минимальной. При этом загорается
лампа "Холодно", и в двухпозиционном режиме включается сигнал на
подачу дополнительного источника теплоты (подогрев воздуха).
Система ручного и автоматического управления собрана
на платах А1, А6, А8 и А9. Датчик температуры RK (термосопротивление) включен в
одно из плеч четырехполосника- моста сравнения. Если сопротивление датчика не
соответствует сопротивлению задатчика RP1, на выходе моста появляется
напряжение той или другой полярности в зависимости от знака АЭ. Этот сигнал
поступает на вход предварительного усилителя демодулятора VT1, далее через
промежуточный VT2 и выходной VT3 транзисторы, усиленный по мощности, он
подается на выпрямительные мосты (плата 9) и далее на устройство, формирующее
управляющий сигнал (плата 6).
Ручное управление осуществляют потенциометром RP2,
который шунтирует сигнал транзисторов VT3 и VT4 по цепи автоматического
регулирования на выход аб.
Уровень минимального базового напряжения при балансе
измерительного моста устанавливают потенциометром RP22 (плата А6). Появление
сигнала "Холодно" (загорается лампа HL3 и осуществляется включение и
отключение подогрева при помощи реле KV1) регулируют потенциометром RP3,
установленным на лицевой стороне шкафа управления. Потенциометром RP21 на плате
А6 корректируют уровень снижения максимального базового напряжения при снижении
температуры, а потенциометром RP23 - уровень минимального напряжения на
электроприводах. Через триоды VT1 и VT2 на плате А9 выполнено управление
световой сигнализацией HL4 ("Норма").
5. Устройство защиты от токов коротких замыканий
электроустановок
.1 Состояние вопроса и постановка задачи
проектирования
Целью работы является защита от коротких замыканий,
использующая оперативный ток от трансформаторов тока защищаемого присоединения
и обладающая повышенной чувствительностью к двухфазным к.з. и реагирующая на
обрыв фазы в первичной цепи.
Особенностью защиты является то, что отсчет порога по
току производится не от нулевого значения тока, а от его амплитудного значения.
Это обстоятельство позволило совместить в одном пусковом органе защиту от
симметричных к.з. и несимметричного режима (двухфазное к.з. или перекос
линейных токов) и обрыва фазы. Защита реализована на полупроводниковой
элементной базе и воздействует на электромагнит отключения, питаемый от
трансформаторов тока.
На присоединениях 10 кВ применяют максимальные токовые
защиты (м.т.з.), включенные по двухфазной двухрелейной схеме. На многих из них
применяются реле прямого действия типа РTB, которые встраиваются непосредственно
в приводы выключателей. Одним из недостатков реле типа РТВ является то, что при
уставках времени 0,5 с и менее из-за неудачной конструкции механизма реле
времени, может происходить отказ в срабатывании и неселективное отключение
других присоединений на которых отсутствует повреждение.
В сетях электрификации кроме этого уровень токов
короткого замыкания (к.з.) во многих случаях бывает, соизмерим с максимальными
токами нагрузки, что затрудняет выбор уставок м.т.з. и возникает необходимость
в применении других более дорогостоящих и сложных в эксплуатации защит. В тоже
время именно в таких сетях должны применяться простые схемы защит, требующие
минимального количества плановых эксплуатационных проверок.
Из сказанного следует, что целесообразна разработка такой
защиты, которая обеспечивала бы селективное отключение присоединения 10 кВ как
при к.з., так и обрывах фаз, причем энергия, используемая в катушках
отключения, бралась бы только от трансформаторов тока данного присоединения.
.2 Решение задачи с применением конкретных инженерных
решений
Для определения принципа построения измерительного
органа защиты (ИОЗ) рассмотрим временные диаграммы изменения тока в фазах при
различных режимах работы на выходе выпрямительной мостовой схемы, к которой
подводятся токи (или напряжения пропорциональные току) фаз А, С и О.
При к.з. между фазами А и С или при к.з. А и В (или С
и В) и отсутствии тока в фазе С(А) изменению токов будет соответствовать потеря
напряжения. Если к.з. произошло между фазами А и В (С и В), а в фазе С(А)
протекает ток нагрузки.
Если некоторое пороговое значение тока (напряжения)
отсчитывать от амплитудного значения, то можно получить защиту, имеющую один
реагирующий орган как на симметричное трехфазное к.з., так и двухфазные к.з., а
также и на обрыв фазы, если ток нагрузки превышает некоторое значение,
определяемое заданным порогом.
Разность между амплитудным и току ним значениями тока
(напряжения) не превышает порогового значения. В тоже время при трехфазном к.з.
такое превышение будет иметь место. При обрыве фазы эта разница превысит
пороговое значение при некотором токе нагрузки. Если к.з, несимметричное, то
такое превышение может быть даже при токах меньших номинального.
Принципиальная схема измерительного органа защиты
приведена в графической части проекта. 3десь фиксация амплитудного значения
напряжения, пропорционального токам в фазах А и С, осуществляется при помощи
конденсатора "с", а пороговое значение определяется динистором VD8.
Деление амплитудного значения напряжения в заданном отношении осуществляется
при помощи резистора R2. Резистор R1 предназначен для создания цепи разряда
конденсатора. Диод VD7 исключает разряд конденсатора до цепи в а е . В точке
"а" происходит сравнение потенциала создаваемого выпрямительным
мостом VD1-VD6 и потенциала от конденсатора с". Если потенциал в точке
"a" φа больше потенциала в точке "в" φв, то диод VD7 открыт и происходит
заряд конденсатора "с". При φв > φа, но меньшем порогового значения,
при котором открывается данистор D8, конденсатор "c" будет разряжаться
на резистор R2. Превышение φв - φа порогового значения, при котором
открывается динистор D8, приводит к разряду конденсатора по цепи b с d a e. В
этом случае срабатывает реагирующий орган Pо. B режиме нагрузки (симметричный
режим) в моменты времени когда φв - φа, разница φв - φа не превышает пороговое значение
открытия динистора Д8, поэтому через Ро ток не протекает и он не работает. При
симметричном к.з. разница φв - φа превышает пороговое значение
открытия динистора D8, поэтому он открыт и, следовательно, срабатывает Ро.
Пороговое значение открытия динистора VD8 при обрыве фазы при малых токах
нагрузки не будет превышено разностью потенциалов φв - φа, а при больших токах нагрузки -
будет превышено. Поэтому в случае обрыва фазы при токах нагрузки, превышающих
некоторую величину, меньшую номинальной, срабатывает КМ1 . Несимметричные
(двухфазные) к.з. приводят к срабатывании КМ1, т.к. в этих режимах разность
потенциалов φв - φа всегда превышают пороговое значение открытия
динистора VD8 . Реагирующий орган Ро может реагировать и на перекос фаз А и С в
режиме нагрузки, если φв - φа превышает напряжение открытия
динистора. Следовательно измерительный орган, схема которого приведена в
графической части проекта, принципиально может реагировать на симметричное и
несимметричное к.з., обрыв фазы, несимметрию фазных токов. Причем
чувствительность к двухфазным к.з. обеспечивается при токах меньших
номинальных.
Регулирование порога срабатывания измерительного
органа можно обеспечить при одном пороговом элементе изменением сопротивления
резистора R2 или установкой нескольких пороговые элементов отсутствии резистора
R2.
В защите можно выделить следующие блоки: блок
формирования постоянного напряжения (БФП), пусковой орган защиты, орган
выдержки времени, выходной элемент защит, орган опробования защиты.
Блок БФП формирует постоянное напряжение,
пропорционально контролируемому току, которое подводится к пусковому органу,
органу выдержки времени, выходному органу защиты и катушке отключения
выключателя.
Выходной орган защиты воздействует на электромагнит
(катушку) отключения выключателя.
Работает устройство следующим образом. В нормальном
режиме работы защищаемого присоединения на выходе БФП имеется пропорциональное
току напряжение, недостаточное для срабатывания пускового органа. При появлении
к.з. или обрыве фазы напряжение на выходе БФП превысит уставку срабатывания
пускового органа, последний сработает и запустит орган выдержки времени. С
выдержкой времени не зависимой от тока к.з. сработает орган выдержки времени и
затем выходкой элемент.
Для обеспечения проверки работоспособности защиты при
отсутствии тока нагрузки орган опробования защиты подает напряжение на БФП от
постороннего источника.
Принципиальная схема защиты приведена в графической
части проекта.
Блок формирования постоянного напряжения
Содержит два промежуточных трансформатора ТL1 и ТL2,
во вторичные цепи трансформаторов тока (фазы А и С). Вторичные обмотки этих
трансформаторов подключены к двух полупериодным однофазным выпрямителям VD1 -
VD4 и VD5 - VD8 соответственно. Выпрямители между собой включены параллельно.
Трансформаторы ТL1 и ТL2 имеют две первичные обметки I и II. Перввчные обмотки
I этих трансформаторов подключаются ко вторичным целям трансформаторов тока,
защищаемого присоединения, по схеме неполной звезда. Для визуального контроля
за состоянием токовых цепей используется светодиоды НL1 и НL2, включаемые во
вторичные обмотки промежуточных трансформаторов тока соответственно ТA1 и ТA2.
Первичной обмоткой каждого из этих трансформаторов ТA1 и ТA2 являются
токопровода первичных обмоток I трансформаторов ТL1 и ТL2.
Первичные обмотки II трансформаторов ТL1 и ТL2
используются в органе опробывания работоспособности защиты.
Цепь состоящая из резисторов R2, R3, R6 (R4, R5, R7),
диодов VD9 (VD12) стабилитронов VD10 (VD11), симисторов VD15 (VD19) служит для
ограничения амплитуды вторичного напряжения при протекании по первичным
обмоткам больших токов к.з. Если напряжение, снимаемое с делителя R2, R3, R6
(R4, R5, R7), превосходит напряжение стабилизации стабилитрона VD10 (VD11), то
стабилитрон открывается и открывает динистор VD18 (VD19). Пики напряжений
срезаются за счет дополнительного шунтирования вторичной обмотки трансформатора
ТL1 (ТL2) резисторами R2, R3, (R4, R5).
Пусковой орган защиты. Состоит из резисторов R8, R9 :
R15, диодов VD13, VD14, динистора VD15, переключателя уставок по току
срабатывания S1 и конденсатора С1. Блок переключения уставок S1 имеет три
положения. Диод VD13 исключает разряд конденсатора С1 помимо делителя
напряжения выполненного на резисторах R9 : R15, а диод VD14 - предохраняет
схему выдержи времени от обратных напряжений. Делитель напряжения обеспечивает
выбор одной из трех уставок.
Тиристор VS1, стабилитрон VD18, резисторы R27 и R28
предназначены дня создания порога срабатывания по току, который необходим для
отстройки от токов при которых нежелательно срабатывание защиты при
несимметричных режимах.
Орган выдержки времени, включает в себя: резисторы R16
: R26, конденсаторы С2, транзистор VТ1, стабилитрон VD16, переключатель S2.
Конденсатор C2 предназначен для сглаживания выпрямленного напряжения, а
стабилитрон VD16 - для ограничения амплитуды напряжения, подводимого к реле
времени. Собственно реле времени состоит из двух плеч места, выполненного на
резисторах R16, R17 и С3, R19 : R26. В диагональ этого моста включается
транзистор VТ1 выход коллектора которого подключается к выходному элементу.
Резистор R18 предназначен для ограничения коллекторного тока транзистора VT1,
Выдержка времени обеспечивается зарядом конденсатора С3 через резисторы R19 -
R23 или R20, R24 или R21, R25, R26. Переключатель служит дня выбора одной из
трех уставок времени.
Выходной элемент состоит из тиристора VD17,
оптотиристора VU1 и конденсатора С4. Тиристор VD17 служит согласующим элементом
между органом выдержки времени и выходом оптотиристора. Оптотиристор VU1
предназначен для развязки низковольтных цепей органа выдержки времени с
сравнительно высоковольтными выходными цепями, а также для коммутации цепи
электромагнита отключения. Конденсатор С4 исключает самопроизвольное открытие
тиристора VS2 опториристора VU1 при больших скоростях изменения выходного
напряжения. Электромагнит отключения подключается последовательно с тиристором
оптотиристора VU1.
Конденсатор С5, служит для поддержания в открытом
состоянии тиристора VS2 и поддержания необходимого тока через светодиод
оптотиристора VИ1. Стабилизация напряжения приложенного к VS2 осуществляется
при помощи стабилитрона VD20. Диод VD22 исключает разряд конденсатора С5 через
цепь с динистором VD15. С целью исключения пробоя тиристора при коммутации
катушки отключения КО ей параллельно и встречно включен диод VD22.
Работа защиты возможна только тогда, когда напряжение
на параллельно включенных мостов VD1 - VD4 и VD5 - VD8 превысит напряжение
стабилизации стабилитрона VD18. При подборе стабилитрона VD18 через управляющий
электрод тиристора VS1 будет протекать ток достаточный для его открытия.
Тиристор VS1 откроется и подаст напряжение на всю схему реле. Закрытие
тиристора VS1 осуществляется за счет разряда конденсатора С1 по цепи через
VD15, конденсатор С2 диод VD14 и резистор R8. Повторное открытие тиристора VD19
происходит всякий раз когда происходят пробей стабилитрона VD18, а закрытие
всякий раз когда напряжение на конденсаторе С1 будет больше, чем напряжение на
выходе выпрямительных мостов. Меняя сопротивление резисторов R27 и R28 можно
обеспечить любой порог срабатывания тиристора VD19. В изготовленном образце
порог срабатывания принят по вторичному току трансформаторов тока
трансформаторов тока равным 6А.
При токе в защищаемом присоединении меньшем тока
срабатывания заняты динистор VD15 закрыт и находится в закрытом состоянии
оптотиристор VU1. В моменты времени когда на конденсаторе С1 больше мгновенного
напряжения, получаемого на выходе мостов VD1 - VD4 и VD5 - VD8, происходит его
разряд через резисторы R9 - R15, диод VD14, R8, а когда подводимое напряжение
больше, чем напряжение на конденсаторе С5 происходит его заряд. При превышении
током нагрузки некоторой величины загораются светодиоды Нα1,
Нα2,
и любой из светодиодов
(в зависимости от положения переключателей S1 и S2) НL3 - НL5 и НL6 - НL8. Если
в режиме нагрузки ток в одной из фаз будет отсутствовать (например, из обрыва
цепи), то соответствующий из вышеназванных светодиодов гореть не будет.
При симметричном (трехфазном) к.з. разность
потенциалов на динисторе превышает напряжение его открытия. При открытии
динистора VD15 подается напряжение на орган выдержки времени. Конденсатор С3
начинает заряжаться подавая на базу транзистора VT1 положительный относительно
эмиттера потенциал. При этом транзистор находится в закрытом состоянии поэтому
остается закрытым тиристор VД17 (т.к. на его управляющем электроде в этом
случае будет отрицательный потенциал), а следовательно закрыт фототиристор VИ1
и через электромагнит отключения ток не протекает. По истечении времени (0,5; 1
; 1,5 с), задаваемого положением переключателя S2, конденсатор С3 зарядится и
на базе транзистора VT1 будет отрицательный потенциал. Транзистор откроется при
этом на управляющий электрод тиристора.подается положительный потенциал (через
резистор R16 и переход эмиттер-коллектор открытого транзистора VТ1). Тиристор
VS2 открывается и подает положительный потенциал на анод светодиода
оптотиристора VU1. При работе светодиода открывается тиристор оптотиристора VU1.
После открытия фототиристора VU1 замыкается цепь тока через электромагнит
отключения, последний срабатывает и отключает выключатель. Вставка по току
срабатывания устанавливается переключателем S1. При несимметричных (двухфазных)
к.з. открытие динистора VД15 будет происходить при токах меньших чем при
симметричном к.з., а на уставке при токе меньшем номинального. Таким образом
эта защита более чувствительная к двухфазным к.з..
При обрыве фазы в первичной сети на уставке защита
срабатывает, если ток нагрузки на присоединении будет составлять 60% от
номинального.
Защита также может сработать при перекосе тока в
фазах. Выдержка времени у защиты выполнена независимой от тока к.з. Ступенчатое
регулирование уставки времени осуществляется переключателем S2, плавное
регулирование - построечными резисторами R23, R24 и R26.
Регулирование уставки по току ступенчато
осуществляется переключателем S1, плавно-подстроечными резисторами R12, R13 и
R14.
Фиксация срабатывания защиты может производится
указательным реле, включаемым последовательно или параллельно с электромагнитом
отключения.
При опробовании работоспособности защиты от внешнего
источника питания, необходимо на присоединения разомкнуть токовые цели или
производить опробование защиты при разомкнутых (каким - либо образом) токовых
цепях.
Долго подавать напряжение на схему опробования не
рекомендуется, т.к. в противном случае может сгореть резистор R1 не
рассчитанный на длительное протекание электрического тока. При опробовании
необходимо выставить минимальную уставку по току (6А) и минимальное время (0,5
с).
.3 Экономическая эффективность
Основной причиной отказов защит с реле типа РТВ
является несрабатывание органа выдержи на уставке 0,5 с из-за несовершенства
конструкции самого механического реле времени.
Средний экономический эффект, получаемый от внедрения
нового устройства задам мотаю определить по "Методике определения
экономической эффективности использования в сельском хозяйстве результатов
научно-исследовательских и опытно-конструкторских работ, новой техники,
изобретений и рационализаторских предложений".
Согласно этой методике, средний экономический аффект
определяется по формуле:
Э = (Сб + Ен Кб) - (Сн + Ен Кн) (5.1)
где Сб и Сн - удельная себестоимость продукции при
функционировании базового и нового устройства защиты, руб/год устр.,
Кб и Кн - удельные капитальные вложения до и после
внедрения нового устройства защиты, тенге/устр;
Ен - нормальный коэффициент эффективности капитальных
вложений, равный 0,15.
Удельная себестоимость продукции при функционировании
соответственно базового и нового устройств защиты определяется соотношениями:
Сб = Зб + Зэб = σб ε + Зэб (5.2)
Сн = Зн + Зэн = σн ε + Зэн (5.3)
где Зб и Зн - ожидаемые удельные затраты от аварии до
и после внедрения нового устройстве защиты тенге/год;
Зэб и Зэн - эксплуатационные затраты на базовое и
новое устройства защиты, тенге/год;
ε - средний ущерб от одной аварии, тенге/
присоединения;
σб и σн - аварийность присоединений,
защищенных базовым и новым устройствами защиты, год-1.[15]
Удельные капитальные вложения в базовое и новое
устройства защиты определяют из следующих выражений:
Кб = Об + Змб + Кдб, (5.4)
Кн = Он + Змн + Кдн (5.5)
где Об и Он - оптовая цена базового и нового
устройств, тенге;
Змб и Змн - затраты на монтаж базового и нового устройств
защиты, тенге;
Кдб и Кдн - дополнительные капитальные вложения на
базовое и новое устройства защиты, тенг.
После подстановки данных выражений в основную формулу
подучим:
Э = ε (σб - σн) + (Зэб - Зэн) + Ен (Об + Змб +
Кдб) - (Он + Змн + Кдн) (5.6)
Так как базовое устройство и новое устройство
одинаково подключаются к токовым цепям и контролируют токи нагрузки
присоединения, то дополнительные капитальные вложения для базового и нового
устройств приблизительно равны (Кдб ≈ Кнд). [27]
Монтажные и эксплуатационные затраты на эти устройства
также практически одинаковы (Змб = Знб и Зэб = Зэн). Тогда расчетная формула
примет вид:
Э = ε (σб - σн) + Ен (Об - Он) (5.7)
Согласно "Методики определения
народнохозяйственного ущерба от перерывов электроснабжения сельскохозяйственных
потребителей, Москва, 1987 г." средний удельный ущерб для потребителей
второй и третьей категорий равен 112,5 тенге/кВт ч, а с учетом потребителей
первой категории - 225 тенге/кВт ч. Считая, что защита будет устанавливаться на
присоединении И= 10кВ со средней нагрузкой J= 75 А, определим недоотпуск
электроэнергии за один час:
кВт ч
Для
подстанции без обслуживающего персонала в случае отказа автоматического
повторного включения перерыв в электроснабжении примем равным 1/6 часа, тогда
недоотпуск электроэнергии составит 117000 кВт ч. Средний удельный ущерб за это
время для потребителей второй и третьей категорий составит: 112,5· 117000 =
13162500 тенге
Разницу
в аварийности присоединений защищенных базовым и новым устройствами защиты
можно принять 0,02.
Стоимость
нового реле защиты 9000 тенге, а базового - 1500 тенге.
Подставляя
численные значения получим:
Э
= 13162500∙0,02 + 0,15∙(1500 - 9000) = 264375 тенге.
Таким
образом средний экономический эффект от внедрения одного комплекта защиты
составит 264375 тенге. [29]
6. Организация и
эксплуатация электрохозяйства
Число электромонтеров электрической службы хозяйства определяют в
зависимости от имеющегося объема работ по обслуживанию и ремонту электрооборудования
в условных единицах. Средняя нагрузка на одного электромонтера должна
составлять 120 условных единиц.
Условные единицы предусматривают работы по техническому обслуживанию и
планово- предупредительному ремонту электроустановок с входящими в них
электрооборудованием, аппаратурой управления, защиты и автоматики, а так же
силовыми и осветительными электропроводками. В них учтены время и сезонность
работы электроустановок (по условиям электрифицированных технологических
процессов), а так же затраты труда на их текущее обслуживание и планово
предупредительный ремонт.
Периодичность, объем, и содержание работ по техническому обслуживанию и
ремонту электрооборудования регламентирован "Системой
планово-предупредительного ремонта и технического обслуживания
электрооборудования, используемого в сельском хозяйстве" (ППРЭсх)
Для улучшения технических показателей эксплуатации электроустановок
определим количество единиц обслуживания. Коэффициенты перевода электрического
оборудования в условные единицы принимаем в соответствии с [16].
Отображение электрооборудования в у.е.э. показано в таблице 6.1.
N=
(6.1)
Гдеобъём работ в у.е.э.;
а - норма обслуживания одного электромантёра, а = 100 у.е.э. на одного
электромонтёра.
Таблица 6.1
Расчет годового объёма работ.
|
Наименование и
характеристика электрооборудования
|
Единицы измерения
|
Количество i-го вида
|
Объём работ в у.е.э.
|
|
|
|
Норма на ед.ел. оборуд.
|
Всего у.е.э.
|
|
Кабельные линии эл. до 1 кВ
в траншее
|
км
|
0,66
|
1,29
|
0,85
|
|
Закрытые ТП
|
шт
|
1
|
3,5
|
3,5
|
|
Распределительные пункты
напряжением до 1 кВ
|
шт
|
4
|
0,5
|
2
|
|
Присоединение с выключателями
|
шт. шт
|
88 8
|
1,55 1,55
|
12,4 12,4
|
|
Конденсаторная установка
|
шт.
|
2
|
0,3
|
0,6
|
|
Трансформатор тока
|
шт.
|
6
|
0,2
|
1,2
|
|
Вводные автоматы
|
шт.
|
7
|
0,25
|
1,25
|
|
Отходящие автоматы
|
шт.
|
7
|
0,25
|
1,25
|
|
Заземляющие ножи
|
шт.
|
2
|
0,23
|
0,46
|
|
Кабельные линии свыше 1 кВ
|
км
|
2
|
1,5
|
3
|
|
Итого
|
26,51
|
Для успешного выполнения годовой производственной
программы, необходимо чтобы было 2 человека.
Трудоемкость на техническое обслуживание и ремонт
приводится в таблице 6.2.
Таблица 6.2
Определение трудоёмкости ТО и ТР.
|
Наименование
электрооборудования
|
Ед. измерения
|
Число физич. ед.
|
Переодичность, мес/шт.
|
Нормир-я трудоёмкость,
чел-ч.
|
Годовые трудозатраты,
чел-ч.
|
|
|
|
ТО
|
ТР
|
ТО
|
ТР
|
ТО
|
ТР
|
|
1
|
2
|
3
|
4
|
5
|
6
|
7
|
8
|
9
|
|
Кабельные линии до 1 кВ
|
Км
|
0,66
|
4
|
1
|
23
|
75
|
544,64
|
444
|
|
Кабельные линии свыше 1 кВ
|
км
|
2
|
2
|
1
|
1
|
15
|
6
|
52
|
|
Закрытые ТП с двумя транс-
форматорами
|
шт
|
2
|
4
|
4
|
100
|
390
|
800
|
3120
|
|
Распределительный пункт
|
шт
|
4
|
4
|
0,66
|
2
|
20
|
240
|
396
|
|
Конденсаторная установка
|
шт
|
2
|
4
|
1
|
2
|
15
|
48
|
90
|
|
Трансформатор тока
|
шт
|
6
|
4
|
1
|
0,3
|
1
|
4,8
|
4
|
|
Вводные автоматические
выключатели.
|
шт
|
7
|
4
|
2
|
1,25
|
5
|
20
|
40
|
|
Отходящие автоматические
выключатели
|
шт
|
7
|
4
|
2
|
1,25
|
5
|
125
|
250
|
|
Заземляющие ножи
|
шт
|
2
|
4
|
1
|
0,5
|
15
|
4
|
30
|
|
Всего
|
1835
|
444
|
|
Итого
|
6275
|
Количество работников, N, чел, определяют по формуле:
N = Q/a (6.1)
где Q - количество условных единиц (у.е.) обслуживания
электрооборудования; а - норма обслуживания у.е. на одного электромонтера, а =
3500 у. е.,
= 6275/3500 = 1,79 чел.
Для обслуживания электрооборудования предприятия необходимо 2
электромонтера.
7. Охрана труда и техника безопасности
Безопасности труда при обслуживании машин, механизмов и оборудования,
необходимо уделять особое внимание, опасные и вредные факторы при обслуживании
электроустановок находящихся на территории больницы отражены в приложении
(смотри приложение Е).
.1 Требования к электробезопасности объекта
Требования безопасности к кабелю и кабельной арматуре ГОСТ
12.2.007.14.-75.
. Кабели на напряжение до 1 кВ и выше должны иметь металлические
оболочки, экраны или броню.
. Конструкция и характеристики оболочек, экранов и брони должны
обеспечивать безопасность эксплуатации при нормальных и аварийных режимах
работы.
. Изоляция жил кабелей должна иметь отличительную расцветку или цифровые
обозначения. Изоляция жилы заземления должна отличаться от остальных жил
расцветкой.
. Соединительные, стопорные муфты, монтируемые на кабелях на напряжение
до 1 кВ и выше, должны иметь защитные кожухи. Допускаются муфты по эпоксидной
изоляции изготовлять без защитных кожухов.
Требования безопасности к вентильным разрядникам ГОСТ 12.2.007 3-75.
. Разрядники должны иметь предохранительное устройство, исключающее при
повреждении внутри разрядника возможность повышения в нем внутреннего давления
до значений вызывающих взрыв фарфоровой покрышки разрядника.
. Разрядники комбинированного типа 1-3 группы должны иметь устройство для
присоединения регистратора срабатывания, не нарушающее изоляцию разрядников от
земли.
Техника безопасности разъединителей и приводов к ним ГОСТ 12.2.007.4.-75.
. Главные и заземляющие ножи разъединителя должны быть сблокированы так,
чтобы при включении главной цепи было невозможно включение цепи заземления, а
при включенной цепи заземления не допускалось включение главной цепи.
Допускается изготовлять разъединители без механической блокировки, если такая блокировка
осуществлена в предназначенном для него приводе.
. Ручные рычажные приводы для внутренних установок должны изготавливать с
рукоятками длиной 200, 250, 350 и 425 мм, штурвальные со штурвалами диаметром
320 и 500 мм.
. Статические усилия на рукоятке ручного привода при оперировании
главными ножами разъединителя, в том числе и при гололеде, не должно превышать
245 Н (25 кгс).
. В приводах к разъединителям должна быть предусмотрена возможность
установки блокировки для предотвращения неправильных операции с разъединителем.
Техника безопасности к масляным выключателям ГОСТ 12.2.007. 3-75
. Масляные выключатели с металлическими заземленными баками, вмещающими
каждый более 300 кг масла, должны обеспечивать возможность доливки и
фильтрования масла во время эксплуатации без отключения выключателя.
. Масляный выключатель должен иметь
а) указатель уровня масла
б) устройство для опускания и поднимания бака - для масляных выключателей
со спускаемым баком, у которых масса бака с маслом превышает 30 кг.
Требования безопасности к шкафам ЗРУ ГОСТ 12.2.007. 4-75
. Освещение шкафов КРУ рекомендуется осуществлять от напряжения не свыше
42 В.
. В шкафах КРУ должны быть:
а) блокировка, не допускающая включение или отключение разъединителей при
включенном выключателе первичной цепи.
б) блокировка не допускающая перемещение выдвижного элемента из рабочего
положения в контрольное (разобщенное), а также из контрольного (разобщенного)
положения в рабочее при включенном положении установленного на выдвижном
элементе коммутационного аппарата.
в) блокировка, не допускающая перемещения и выкатывания выдвижного
элемента из контрольного (разобщенного) в рабочее положение при включенных
ножах заземляющего разъединителя.
Требования безопасности к силовым трансформаторам ГОСТ 12.2.007. 2-75
. Все доступные для прикосновения токопроводящие детали, кроме частей,
находящихся под напряжением, в трансформаторах класса защиты 1 должны быть
соединены с элементами предназначенными для заземления. Место вывода нейтрали
трехфазных трансформаторов обозначается буквой N.
. Кроме технических данных, которые указываются в стандартных или
технических условиях на конкретные виды, серии, или типы трансформаторов,
маркировкой должно предусматриваться:
а) обозначение положении включения и регулирования для встроенных
устройств регулирования.
б) класс защиты трансформатора по ГОСТ 12.2.007. 0-75.
в) ток плавкой вставки предохранителя (только для трансформаторов условно
стойких к короткому замыканию).
г) Степень защиты по ГОСТ 12.2.007. 0-75.
7.2 Расчет защитного заземления
В качестве искусственных заземлителей применяются одиночные или
соединенные в группы металлические электроды, забитые вертикально или уложенные
горизонтально в землю. [22]
Между собой вертикальные электроды в групповом заземлителе свариваются
перемычкой, выполненной из аналогичных материалов тех же сечений, что и сами
электроды. Присоединение заземляющих проводников к оборудованию осуществляется
сваркой или болтами, а к металлоконструкциям и заземлителю (под землей) -
сваркой внахлестку на длине, равной двойной ширине для полос или шести
диаметрам для круглых стержней.
Отдельные заземляемые корпуса обычно присоединяются не непосредственно к
заземлителю, а магистральному заземляющему проводнику, который должен
присоединяться к заземлителю не менее чем двумя проводниками в разных местах.
Каждый заземляемый элемент установки присоединяется к заземляющей
магистрали отдельными проводниками. Нельзя последовательно включать несколько
заземляемых частей установки в заземляющий проводник.
Выполним расчет заземления трансформаторной подстанции 10/04 кВ,
Электроды изготовляются, из отрезков прутковой стали, диаметром не менее 16 мм.
Длина электродов 5 м, глубина заложения стержней 0,8м, полосы связи,
выполненной полосовой сталью 40х4 мм, - 0,9 м.
Рекомендуемое для расчета удельное сопротивление грунта, измеренное при
нормальной влажности RДОП= 120 Ом м [27].
Расчетное сопротивление грунта RР, Ом для стержневых заземлителей,
определяется по формуле:
Р = КС ·RДОП (7.1)
гдеКС - коэффициент сезонности, для электродов в зависимости от
климатической зоны, Кс =1,2 [27].
Р = 1,15 ·120 =138 Ом м
Сопротивление растеканию тока вертикального заземлителя RВ, Ом,
(электрода из круглой стали) определяется по формуле:
(7.2)
где К - числовой коэффициент
вертикального заземлителя, для круглых стержней и труб К = 2 [17];- длина
электродов, l = 5 м;- диаметр стержня d = 0,016 м;ср - глубина заложения,
равная расстоянию от поверхности земли до середины стержня hср = 3,3, м.
Ом
Сопротивление повторного
заземления RПЗ не должно превышать 30 Ом при ρ = 100 Ом·м и ниже.
При ρ> 100 Ом·м допускается принимать
`ПЗ = 30· ρ/100 (7.2)`ПЗ = 30· 138/100 = 41 Ом
Для повторного заземления
принимаем один стержень длиной 5 м и диаметром 16мм, сопротивление которого
31,2 Ом < 41Ом.
Общее сопротивление всех
шести повторных заземлений rПЗ, находят по формуле:
ПЗ = RПЗ/n = RВ/ n (7.3)
где RПЗ - сопротивление
одного повторного заземления, Ом;- количество электродов, шт.
ПЗ = 31,2/6 = 5,2 Ом
Определяем расчетное
сопротивление заземления нейтрали трансформатора с учетом повторных заземлений,
по формуле:
(7.4)
Согласно ПУЭ, сопротивление
заземляющего устройства при присоединении к нему электрооборудования
напряжением до и выше 1000В не должно быть более 10 Ом и 125/IЗ, если последнее
меньше 10 Ом. IЗ - ток замыкания на землю на стороне 10кВ равный 8А.
Принимаем для расчета меньшее
из этих значений т.е. rИСК = 10 Ом.
Определяем теоретическое
число стержней nТ, шт, по формуле:
nТ = RВ/ rЗ (7.5)Т = 31,2/10
= 3,12 Ом
Принимается 4 стержня и
располагаем их в грунте на расстоянии 5м друг от друга.
Длина полосы связи:
(7.6)
Определяется сопротивление
полосы связи, по формуле:
(7.7)
где К - коэффициент формы
горизонтального заземлителя, для круглого сечения К = 1, для прямоугольного К =
2;- диаметр круглой стали или ширина полосы прямоугольного сечения, d = 0,04
м;- глубина заложения горизонтального заземлителя (полоса 40х4мм), м.Р -
сопротивление грунта для полосы связи, Ом.
Сопротивление грунта для
горизонтальной полосы связи:
Р = 2,5·120 =300 Ом
Определяется действительное
число стержней:
(7.8)
где
и
-
коэффициенты экранирования, для горизонтальных и вертикальных заземлителей
определяются по кривым, принимается
= 0,45 и
= 0,69.
Принимается для монтажа
четыре стержня и делается проверочный расчет.
Действительное сопротивление
искусственного заземлителя:
(7.9)
Согласно приведенным расчетам условие выполняется.
.3 Требования производственной санитарии
Производственная санитария - это система организационных, гигиенических и
санитарно-технических мероприятий и средств, предотвращающих воздействие на работающих
вредных факторов производства.
Нормирование содержания вредных веществ в воздухе.
ГОСТ 12.1.007 - 76. В этом ГОСТе все в.в. по степени воздействия на
организм человека подразделяют на четыре класса опасности:
) вещества чрезвычайно опасные (ртуть, свинец);
) вещества высокоопасные (серная кислота);
) вещества умеренно опасные (табак);
) вещества малоопасные (аммиак, ацетон).
Важнейшим мероприятием по нормализации воздуха рабочей зоны является
установление ПДК в.в. в нем.
ПДК в.в. представлены в ГОСТе 12.1.005 - 76, которые содержат более 700
в.в.
Защита от производственной пыли.
ГОСТ 12.1.005-76. Основные защитные противопылевые мероприятия:
. Герметизация процесса работы, если он протекает в замкнутых
пространствах.
. Замена сухого способа обработки материала влажным.
. Если зона образования пыли небольшая, то организуется ее пневматическое
отсасывание.
. Применение средств индивидуальной защиты.
. Полная автоматизация и механизация пылящих процессов.
Отопление. ГОСТ 12.1.005 - 76.
Требования, предъявляемые к системам отопления с точки зрения от:
. Равномерное нагревание воздуха помещений в течение всего отопительного
сезона.
. Безопасность в отношении пожара и взрыва.
. Возможность регулирование теплоты.
. Увязку с системами вентиляции.
. Удобства в эксплуатации и при ремонте.
Производственная вентиляция. ГОСТ 12.1.005 - 76.
Требования, предъявляемые к вентиляции:
. Направление потока приточного воздуха должно быть таким, чтобы он не
проходил через зоны с большим загрязнением в зоны с меньшим загрязнением.
. Поток приточного воздуха должен быть направлен непосредственно на
рабочую зону так, чтобы не нарушал работу местных вентиляций.
. Недопустимо, чтобы поток удаляемого загрязненного воздуха проходил
через зону дыхания людей.
. Выброс загрязненного воздуха не следует допускать в непроветриваемые
участки прилегающих территорий.
Распределение опасных и вредных факторов в системе
"человек-машина" показано в приложении (смотри приложение Е).
.4 Требования к пожарной безопасности
Требования пожарной безопасности ГОСТ 12.1.005 -76.
Пожарная безопасность объекта - это такое состояние объекта, при котором
с регламентируемой вероятностью исключается возможность возникновения и
развития пожара и воздействия на людей опасных факторов пожара, а также
обеспечивается защита материальных ценностей.
Производственные помещения должны быть обеспечены первичными средствами
пожаротушения, содержащимися в исправном состоянии и постоянной готовности к
действию.
Все лица, работающие на предприятии, должны быть обучены обращению со
средствами пожаротушения. К зданиям и строениям должен иметься свободный должен
иметься свободный доступ.
Противопожарные разрывы между строениями запрещается использовать для
складирования материалов, соломы и т.д.
Ворота и двери помещений, предназначенные для эвакуации людей должны
открываться только наружу. Их ничем нельзя загромождать.
Тушить электрооборудование (предварительно обесточив) допускается только
углекислотными огнетушителями, песком, кошмой или другими токонепроводящими
средствами. В случае тушения пожара распыленной водой расстояние от насадки
пожарного ствола до горящих электроустановок должно быть не менее 4 м. [26]
Пожарный ствол должен быть соединен заземляющим приводом с контуром
заземления, ствольщик обязан работать в диэлектрических сапогах и перчатках.
8. Охрана окружающей среды
При прокладке по территории кабельных линий 0,38 разрушается плодородный
верхний слой земли. Поэтому там, где площадки не асфальтируются, следует
аккуратно снимать плодородный верхний слой земли и после сооружения кабельной
линии, на данном участке нужно осуществить агротехнические мероприятия
ПУЭ(2.3.84).
Больничный комплекс относится к числу больниц на территории которых в
обязательном порядке должны находиться зеленые насаждения. При прокладке кабельных
линий в зоне насаждений расстояние от кабелей до стволов деревьев должно быть,
как правило, не менее 2 м. Допускается по согласованию с организацией, в
ведении которой находятся зеленые насаждения, уменьшение этого расстояния при
условии прокладки кабеля в трубах, проложенных путем подкопки.
При прокладке кабелей в пределах зеленой зоны с кустарниковыми посадками
указанные расстояния допускается уменьшить до 0,75 м [24].
В процессе работы трансформатора изменяется его температура, что приводит
к изменению уровня масла. Баки трансформаторов мощностью более 63 кВА снабжают
расширителями.
Применение расширителя уменьшает поверхность соприкосновения масла с
воздухом, который вредно действует масло, увлажняя и окисляя его. Влага и
грязь, попадающие в расширитель из воздуха, собираются в отстойнике, и
удаляется через пробку.
Для отключения расширителя в патрубке, соединяющем расширитель с баком,
установлен кран и газовое реле.
В нижней части бака установлена специальная пробка для отбора пробы
масла. Заливают и спускают масло из бака через два крана, один из которых
установлен на крышке бака, а другой на стенке в его нижней части. Эти же краны
используют для присоединения маслоочистительного аппарата при фильтрации и
обезвоживания масла.
У всех масляных трансформаторов в днище бака установлена пробка, служащая
для спуска грязи, влаги и остатка масла после его слива через нижний кран.
Для установки силового трансформатора с масляным охлаждением за
территорией предприятия должна быть предусмотрена специальная площадка, которая
должна быть засыпана гравием и иметь бортовое ограждение по всему периметру
гравийной засыпки, масло приемного устройства без разрывов высотой не менее 150
мм над землей.
В местах выкатки трансформаторов и масляных реакторов бортовое ограждение
должно предотвращать растекание масла и выполняться из материала, легко
убираемого при ремонтах с последующим восстановлением.
Масло приемные устройства под трансформаторами и реакторами, масло отводы
(или специальные дренажи) должны содержаться в исправном состоянии для
исключения при аварии растекания масла и попадания его на растительность,
землю, кабельные каналы.
В пределах бортовых ограждений маслоприемника гравийная засыпка должна
содержаться в чистом состоянии и не реже 1 раза в год промываться.
При образовании на гравийной засыпке твердых отложений от нефтепродуктов
толщиной не менее 3 мм или появлении растительности и в случае невозможности ее
промывки должна осуществляться замена гравия.
Одновременно с промывкой гравийной засыпки, должна проверяться работа
масло отводов.
9. Экономическая часть проекта
В результате приведенных расчетов можно выявить
основные показатели дипломной работы, характеризующие её стоимость, затраты на
эксплуатацию системы электроснабжения, приведенные расчетные затраты, которые
отражены в таблице 9.1.
Таблица 9.1
Основные технико-экономические показатели проекта
|
Показатель
|
Единица измерения
|
Количество
|
|
1 Установленная мощность
электроприемников
|
кВт
|
476,3
|
|
2 Расчетная нагрузка
электроприемников
|
кВА
|
440,8
|
|
3 Протяженность линий 10 кВ
|
км
|
5
|
|
4 Количество и мощность
трансформаторов ТП
|
шт
|
1/250
|
|
5 Протяженность линий 0,38
кВ
|
км
|
0,58
|
|
6 Стоимость капитальных
вложений в СЭС
|
тыс.тнг
|
23884
|
|
7 Потери электроэнергии в
СЭС
|
кВт·ч/год
|
66120
|
|
8 Время использования
максимальной нагрузки
|
час
|
|
9 Коэффициент полезного
действия
|
%
|
95
|
|
10 Рентабельность
производства
|
%
|
68
|
|
11 Приведенные затраты на
эксплуатацию СЭС
|
тыс.тнг
|
20779
|
|
12 Годовое потребление
электроэнергии
|
кВт·ч/год
|
1322400
|
Заключение
Данная дипломная работа выполнена под руководством дипломного
руководителя в соответствии с требованиями методического указания по дипломному
проектированию, а также ГОСТ, ОСТ-ов и СТП. Рассмотрены основные вопросы
касающиеся проектирования в электроснабжении, электрификации и автоматизации объектов.
В частности выполнены расчеты по определению электрических нагрузок
методом коэффициента спроса, определена мощность проектируемого ТП.
Произведен расчет реактивной мощности и выполнена её компенсация. В
качестве компенсаторов использовал батареи конденсаторов присоединенных к шинам
0,4 кВ ТП.
Проектируя систему эл. снабжения предприятия учитывал такие факторы как
надежность и качество.
Для всех основных элементов (линии 10 кВ, 0,4 кВ и трансформаторы
силовые) системы электроснабжения произведен расчет по защите от токов коротких
замыканий. Также оборудование выбрано и проверено на работу в аварийных
режимах, и соответствует по степени защищенности.
Заключением работы являются разделы по электробезопасности и охране
окружающей среды.
Для примера был произведен расчет заземления трансформаторной подстанции,
а также предусматривается зануление нетоковедущих металлических частей, и
защиту от внешних перенапряжении и от накопленных статических зарядов.
В ходе расчетов пользовался основными законами Ома и Кирхгофа. Для
упрощений многочисленных расчетов составлены таблицы в автоматизированной среде
расчетов MS-Excel, а также применена среда MathCAD для решения разделов.
Графическая часть проекта выполнена при помощи системы "AutoCAD".
Проделанная в рамках выполнения исследования работа, позволяет сказать о
решенных задачах, поставленных и сформулированных во введении, а также о
достижении цели работы.
Список использованной литературы
1. Справочник
по электроснабжению и электрооборудованию: в 2 т. / под общ. ред. А.А.
Федорова. Т. 1. Электроснабжение - М. Энергоатомиздат 1987 г - 568 с.
. Справочник
по электроснабжению и электрооборудованию: в 2т/под общ. ред. А.А. Федорова т.
2 Электрооборудование - М. Энергоатомиздат 1987 г.
. Справочник
по проектированию электрических сетей и электрооборудования /под ред. Ю.Г.
Барыбина и др. - М: Энергоатомиздат, 1991 г. - (Электроустановки промышленных
предприятий / Под. общ. ред. Ю.М. Тищенко идр.) - 464 стр.
.
Электротехнический справочник: в 3т. т. 3. В 2 кн. Кн. 1. Производство и
распределение электрической энергии (Под общ. ред. Профессоров МЭИ: И.Н. Орлова
(гл. ред.) и др.) 7 - е изд. испр. и доп. - М. Энергоатомиздат. 1988 г - 880
стр.
. Головкин
П.И. Энергосистема и потребители электрической энергии - М.Энергия 1979 г. -
368 стр.
. Будзко И.А.
Электрические сети - М - Колос 1967 г. - 327 стр.
. Правила
устройства электроустановок / Минэнерго СССР - 6- е изд. перераб.и доп. М.
Энергоатомиздат 1986 г. - 648 стр.
. Справочник
по электрическим установкам высокого напряжения / Под ред. И.А. Баумштейна,
С.А. Бажанова - 3 - е изд., перераб. и доп. - М. Энергоатомиздат, 1989 г - 768
л.
. В.С.
Алексеев, Г.П. Варганов, Б.И. Панфилов, Р.З. Роземблюм. Релезащиты. М.,
"Энергия", 1976 г. 464 с.
. Майоров
С.В. Фотоэлектронные и термоэлектронные приборы их применение М, Машиностроение
1972 г. - 160 с.
. Иванов В.И.
и др. Полупроводниковые оптоэлектронные приборы: Справочник М. Энергоатомиздат
1984 г. - 184 с.
.
Миклашевский С.П. Промышленная электроника. Изд. 2-е перераб. И доп. Учебник
для электротехнических специальностей техникумов. М., "Высшая школа",
1973 г. - 351 с.
. Правила
технической эксплуатации электрических станций и сетей / Министерство
энергетики и электрификации СССР - 14 - е изд., перераб. И доп. - М.:
Энергоатомиздат, 1989 г. - 288 с.
. Правила
пожарной безопасности для энергетических предприятий / Минэнерго СССР. - М.:
Энергоатомиздат, 1988 г. - 144 с.
. Д.А.
Скверчак, В.А. Пономарев Техника безопасности на предприятиях. изд. 2 - е
перераб. и доп. М.: Колос, 1970 г - 376 с.
. Система
стандартов безопасности труда. часть 2. М. 1983 - 311 с.
17. Н.А.
Афанасьев, М.А. Юсипов Система технического обслуживания и ремонта оборудования
энергохозяйств (система ТОРЭО) - М.: Энергоатомиздат 1989 г. - 528 с.
18.
Инструкция по проектированию электроснабжения промышленных предприятий:
СН174-75. - М.: Стройиздат, 1976. - 56 с.
.
Электротехнический справочник: В 3-х т. Т. 2. Электротехнические изделия и
устройства. / Под. общ. ред. профессоров МЭИ (гл. ред. И.Н. Орлов) и др. - 7-е
изд., испр. и доп. - М.: Энергоатомиздат, 1986. - 712 с.
. Семчинов
А.М. Токопроводы промышленных предприятий. Л.: Энергия, 1972. - 200 с.
. Анастасиев
П.И., Бранзбург Е.З. и др., под. общ. ред. Хромченко Г.Е.
.
Проектирование кабельных сетей и проводок. М.: Энергия, 1979. - 328 с.
.
Строительные нормы и правила. СниП IV-6-82. Сборники расценок на монтаж
оборудования. Сборник 8. Электротехнические установки. М.: Стройиздат, 1985.
. Единые
технические условия по выбору и применению электрических кабелей. - Электрические
станции, 1977., №10 - с. 83-86.
. Федоров
А.А. Основы электроснабжения промышленных предприятий. М.: Энергия, 1972. - 416
с.
. Справочник
по проектированию электроэнергетических систем. Под. ред. Рокотяна С.С. и
Шапиро И.М. М.: Энергоатомиздат, 1985. - 352 с.
. Справочник
по электроснабжению промышленных предприятий.
.
Промышленные электрические сети. Под. ред. Федорова А.А. и Сербиновского Г.В.
М.: Энергия, 1980. - 576 с.
. Инструкция
по определению экономической эффективности капитальных вложений в развитие
энергетического хозяйства. М.: Энергия, 1983. - 56 с.
Приложения
Приложение А
Расчет электрических нагрузок
|
Наименование
|
Руст, кВт
|
Кс
|
cos j
|
tgj
|
Рр ,кВт
|
Qр, кВАр
|
Руд.о., Вт/м2
|
F , м2
|
Росв., кВт
|
Рр.сум., кВт
|
Sр., кВА
|
|
|
|
|
|
|
|
|
|
|
|
|
|
Главный корпус
|
200
|
0,8
|
0,80
|
0,75
|
160
|
120
|
10
|
4000
|
40,00
|
200,0
|
233,2
|
|
Пищеблок
|
100
|
0,8
|
0,75
|
0,88
|
80
|
70,6
|
10
|
400
|
4,00
|
84,0
|
109,7
|
|
Хозяйственный корпус
|
90
|
0,8
|
0,93
|
0,40
|
72
|
28,5
|
10
|
680
|
6,80
|
78,8
|
83,8
|
|
Котельная
|
100
|
0,9
|
0,87
|
0,57
|
90
|
51,0
|
6
|
1396
|
8,38
|
98,4
|
110,8
|
|
Газовый распределительный
пункт
|
6
|
1
|
0,90
|
0,48
|
6
|
2,9
|
6
|
36
|
0,22
|
6,2
|
6,9
|
|
Обеззараживающая установка
|
50
|
1
|
0,87
|
0,57
|
50
|
28,3
|
6
|
56
|
0,34
|
50,3
|
57,8
|
Приложение Б
Технико-экономический расчет кабельных линий 0,38 кВ
|
Участок
|
Sмощн. кВА
|
L,kм
|
Iав,А
|
Ipаб,А
|
s,мм2
|
Iнк,А
|
Кр.м.
|
Iдл.доп,А
|
DРуд,кВт
|
DPн,кВт
|
к2
|
DPд,кВт
|
DЭа,кВт ч
|
сп,тыс. тнг
|
Куд,тыс.тнг.
|
К,тыс.тнг
|
са,тыс. тнг
|
Сэ,тыс.тнг
|
З,тыс.тнг
|
|
1
|
2
|
3
|
4
|
5
|
6
|
7
|
8
|
9
|
10
|
11
|
12
|
13
|
14
|
15
|
16
|
17
|
18
|
19
|
20
|
|
ТП-1
|
Кабель марки ААБ
|
|
ТП-РП1
|
233,2
|
0,03
|
337,0
|
168,5
|
120
|
270
|
0,9
|
243
|
200
|
6,00
|
0,39
|
2,3
|
7010,2
|
48,4
|
705
|
21,15
|
3,2
|
51,5
|
54,1
|
|
233,2
|
0,03
|
337,0
|
168,5
|
150
|
305
|
0,9
|
275
|
230
|
6,90
|
0,31
|
2,1
|
6317,7
|
43,6
|
850
|
25,49
|
3,8
|
47,4
|
50,5
|
|
233,2
|
0,03
|
337,0
|
168,5
|
185
|
345
|
0,9
|
311
|
260
|
7,80
|
0,24
|
1,9
|
5581,6
|
38,5
|
2150
|
64,51
|
9,7
|
48,2
|
55,9
|
|
ТП-РП2
|
109,7
|
0,06
|
158,5
|
79,3
|
95
|
200
|
0,9
|
180
|
170
|
10,20
|
0,16
|
1,6
|
4806,2
|
33,2
|
617
|
37,01
|
5,6
|
38,7
|
43,2
|
|
109,7
|
0,06
|
158,5
|
79,3
|
120
|
270
|
0,9
|
243
|
200
|
12,00
|
0,09
|
1,0
|
3102,5
|
21,4
|
705
|
42,30
|
6,3
|
27,8
|
32,8
|
|
109,7
|
0,06
|
158,5
|
79,3
|
150
|
305
|
0,9
|
275
|
230
|
13,80
|
0,07
|
0,9
|
2796,0
|
19,3
|
850
|
50,97
|
7,6
|
26,9
|
33,1
|
|
ТП-РП3
|
83,8
|
0,09
|
121,1
|
121,1
|
95
|
200
|
0,9
|
180
|
170
|
15,30
|
0,37
|
5,6
|
16827,8
|
116,1
|
617
|
55,52
|
8,3
|
124,4
|
131,1
|
|
83,8
|
0,09
|
121,1
|
121,1
|
120
|
270
|
0,9
|
243
|
200
|
18,00
|
0,20
|
3,6
|
10862,8
|
75,0
|
705
|
63,45
|
9,5
|
84,5
|
92,1
|
|
83,8
|
0,09
|
121,1
|
121,1
|
150
|
305
|
0,9
|
275
|
230
|
20,70
|
0,16
|
3,3
|
67,5
|
850
|
76,46
|
11,5
|
79,0
|
88,2
|
|
ТП-РП4
|
110,8
|
0,04
|
160,1
|
80,1
|
95
|
200
|
0,9
|
180
|
170
|
6,80
|
0,16
|
1,1
|
3268,7
|
22,6
|
617
|
24,68
|
3,7
|
26,3
|
29,2
|
|
110,8
|
0,04
|
160,1
|
80,1
|
120
|
270
|
0,9
|
243
|
200
|
8,00
|
0,09
|
0,7
|
2110,0
|
14,6
|
705
|
28,20
|
4,2
|
18,8
|
22,2
|
|
110,8
|
0,04
|
160,1
|
80,1
|
150
|
305
|
0,9
|
275
|
230
|
9,20
|
0,07
|
0,6
|
1901,6
|
13,1
|
850
|
33,98
|
5,1
|
18,2
|
22,3
|
|
ТП-РП5
|
6,2
|
0,03
|
9,0
|
4,5
|
4
|
38
|
0,9
|
34,2
|
170
|
5,10
|
0,01
|
0,1
|
212,6
|
1,5
|
62
|
1,85
|
0,3
|
1,7
|
2,0
|
|
6,2
|
0,03
|
9,0
|
4,5
|
6
|
46
|
0,9
|
41,4
|
200
|
6,00
|
0,01
|
0,1
|
170,7
|
1,2
|
70
|
2,10
|
0,3
|
1,5
|
1,7
|
|
6,2
|
0,03
|
9,0
|
4,5
|
10
|
70
|
0,9
|
63
|
230
|
6,90
|
0,00
|
0,0
|
84,8
|
0,6
|
85
|
2,55
|
0,4
|
1,0
|
1,3
|
|
ТП-РП6
|
57,8
|
0,03
|
83,5
|
41,8
|
25
|
115
|
0,9
|
104
|
170
|
5,10
|
0,13
|
0,7
|
2017,8
|
13,9
|
62
|
10,00
|
1,5
|
15,4
|
16,6
|
|
57,8
|
0,03
|
83,5
|
41,8
|
35
|
140
|
0,9
|
126
|
200
|
6,00
|
0,09
|
0,5
|
1601,8
|
11,1
|
70
|
12,00
|
1,8
|
12,9
|
14,3
|
|
57,8
|
0,03
|
83,5
|
41,8
|
50
|
175
|
0,9
|
158
|
230
|
6,90
|
0,06
|
0,4
|
1178,9
|
8,1
|
85
|
15,00
|
2,3
|
10,4
|
12,2
|
Приложение В
Выбор сечения ВЛ-10кВ
|
L
|
Ip,
|
s,
|
Iдоп,
|
Sпр
|
Руд
|
Рн.д
|
Кз
|
Кз2
|
Рд,
|
Эа,
|
Сп,
|
Куд
|
К,
|
Са,
|
Сэ,
|
Зпр,
|
|
км
|
А
|
мм
|
А
|
мВА
|
квт/км
|
кВт
|
кВт
|
кВт
|
кВт
|
тыс.тнг
|
тыс.тнг/год
|
тыс.тнг
|
тыстнг
|
тыстнг/год
|
тыс.тнг/год
|
тыс.тнг/год
|
|
1
|
2
|
3
|
4
|
5
|
6
|
7
|
8
|
9
|
10
|
11
|
12
|
13
|
14
|
15
|
16
|
17
|
|
Участок ТП 10/0,4кВ АЗС
"Бахыт"-ТП10/0,4
|
|
2
|
29,7
|
25
|
105
|
0,514
|
1,16
|
1,03
|
0,28
|
0,08
|
0,08
|
246,93
|
1703,80
|
1236
|
2472
|
370,8
|
2074,6
|
2371,2
|
|
2
|
29,7
|
35
|
130
|
0,514
|
0,85
|
1,03
|
0,23
|
0,05
|
0,05
|
161,09
|
1111,50
|
1560
|
3120
|
468
|
1579,5
|
1953,9
|
|
2
|
29,7
|
50
|
165
|
0,514
|
0,58
|
1,03
|
0,18
|
0,03
|
0,03
|
100,00
|
689,97
|
1870
|
3740
|
561
|
1251,0
|
1699,8
|
|
Участок ТП 10/0,4кВ
"Водник"-ТП10/0,4
|
|
3
|
29,7
|
25
|
105
|
0,514
|
1,16
|
1,54
|
0,28
|
0,08
|
0,12
|
370,39
|
2555,70
|
1236
|
3708
|
556,2
|
3111,9
|
3556,9
|
|
3
|
29,7
|
35
|
130
|
0,514
|
0,85
|
1,54
|
0,23
|
0,05
|
0,08
|
241,63
|
1667,26
|
1560
|
4680
|
702
|
2369,3
|
2930,9
|
|
3
|
29,7
|
50
|
165
|
0,514
|
0,58
|
1,54
|
0,18
|
0,03
|
0,05
|
149,99
|
1034,95
|
1870
|
5610
|
841,5
|
1876,5
|
2549,7
|
Приложение Г
Расчет токов короткого замыкания
|
№ рас-чет-ной точ-ки
|
Базисное напряжение, Uб кВ
|
Базисный ток, Iб кА
|
Относит. реактивн. сопротив
системы, xс*
|
Реактивн. результи-рующее
сопротивление, xрез*
|
Активное результи-рующее
сопротивление, rрез*
|
Полное результирующее
сопротивление, zрез*
|
Трехфазное К.З.
|
Минимальное значение
|
|
|
|
|
|
|
|
Ток короткого замыкания
I(3)К кА
|
xрез* / rрез*
|
Действительное значение
ударного тока Iу,кА
|
Мгновен. значение ударного
тока iу,кА
|
Тока короткого замыкания ,
кА
|
|
К1
|
10,5
|
5,52
|
0,641
|
0,712
|
0,8
|
1,07
|
5,15
|
0,890
|
1,22
|
5,39
|
10,88
|
4,46
|
|
К2
|
0,4
|
144,5
|
-
|
12,05
|
2,76
|
12,36
|
11,69
|
4,366
|
1,5
|
14,32
|
24,80
|
10,12
|
|
К3
|
0,4
|
144,5
|
-
|
13,38
|
3,06
|
13,72
|
10,53
|
4,366
|
1,5
|
12,90
|
22,34
|
9,12
|
|
К4
|
0,4
|
144,5
|
-
|
13,74
|
3,15
|
14,09
|
10,25
|
4,366
|
1,5
|
12,56
|
21,75
|
8,88
|
|
К5
|
0,4
|
144,5
|
-
|
13,50
|
3,31
|
13,90
|
10,40
|
4,075
|
1,5
|
12,74
|
22,06
|
9,005
|
|
К6
|
0,4
|
144,5
|
-
|
13,50
|
3,31
|
13,90
|
10,40
|
4,075
|
1,5
|
12,74
|
22,06
|
9,1
|
Приложение Д
Выбор оборудования
|
Марка оборудования
|
Место установки
|
Данные сети
|
Каталожные данные
|
|
|
Uн,кВ
|
Ip,A
|
Iк,кА
|
iу,кА
|
Uн,кВ
|
Iн,А
|
iдин,кА
|
Iнтс,кА
|
|
1
|
2
|
3
|
4
|
5
|
6
|
7
|
8
|
9
|
10
|
|
Выключатели нагрузки
|
|
|
|
|
|
|
|
|
|
|
ВНз-17
|
шины ТП 10/0,4 кВ
|
10
|
29,7
|
5,15
|
10,88
|
10
|
400
|
52
|
20
|
|
Трансформаторы тока
|
|
|
|
|
|
|
|
|
|
|
ТПЛ-10
|
РУ 10 кВ (ТП)
|
10
|
29,7
|
|
|
10
|
30
|
|
|
|
Разрядники
|
|
|
|
|
|
|
|
|
|
|
РВО-10
|
шины ТП 10/0,4 кВ
|
10
|
|
|
|
10
|
|
|
|
|
Автоматические
|
|
|
|
|
|
|
|
|
|
|
выключатели
|
|
|
|
|
|
|
|
|
|
|
BD400NE
|
ТП-РП1
|
0,4
|
337
|
11,69
|
10,12
|
0,4
|
400
|
|
|
|
BD250NE
|
ТП-РП2
|
0,4
|
158,5
|
10,53
|
9,12
|
0,4
|
250
|
|
|
|
BD250NE
|
ТП-РП3
|
0,4
|
121,1
|
10,25
|
8,88
|
0,4
|
250
|
|
|
|
BD250NE
|
ТП-РП4
|
0,4
|
160,1
|
10,40
|
9,01
|
0,4
|
250
|
|
|
|
BD160NE
|
ТП-РП5
|
0,4
|
8,96
|
10,40
|
9,10
|
0,4
|
50
|
|
|
|
BD160NE
|
ТП-РП6
|
0,4
|
83,53
|
9,10
|
9,10
|
0,4
|
125
|
|
|
|
BA51-35
|
РП1
|
0,4
|
337
|
1,90
|
2,20
|
0,4
|
400
|
|
|
|
BA51-35
|
РП2
|
0,4
|
158,5
|
1,90
|
2,20
|
0,4
|
250
|
|
|
|
BA51-35
|
РП3
|
0,4
|
121,1
|
1,90
|
2,20
|
0,4
|
250
|
|
|
|
BA51-35
|
РП4
|
0,4
|
160,1
|
1,90
|
2,20
|
0,4
|
250
|
|
|
|
BA51-35
|
РП5
|
0,4
|
8,96
|
1,90
|
2,20
|
0,4
|
50
|
|
|
|
BA51-35
|
РП6
|
0,4
|
83,53
|
1,90
|
2,20
|
0,4
|
125
|
|
|
Приложение Е
Распределение опасных и вредных факторов
|
Наименование узла, части,
детали, оборудования
|
Опасные и вредные
производственные факторы в подсистеме "Машина"
|
Возможные признаки
травматизма (заболевания)
|
|
Активные
|
Активно-пасивные
|
Пассивные
|
|
|
1
|
2
|
3
|
4
|
5
|
|
Трансформаторная подстанция
|
Электроток,
электромагнитное поле, шум
|
Арматура
|
Коррозия
|
Поражение электротоком,
ушибы
|
|
Масляный выключатель
|
Электроток,
электромагнитное поле
|
Арматура, шероховатости,
заусеницы
|
Коррозия, высокое давление,
повышенная нагрузка
|
Поражение электротоком,
ушибы, порезы
|
|
Разъединитель
|
Электроток,
электромагнитное поле
|
Арматура, шероховатости,
заусеницы
|
Коррозия, повышенная
нагрузка
|
Поражение электротоком,
порезы
|
|
Трансформаторы тока
|
Электроток, электропиле
|
Шероховатости, заусеницы
|
Повышенная нагрузка
|
Поражение электротоком,
порезы
|
|
Кабельная линия
|
Электроток,
электромагнитное поле
|
Заусеницы, шероховатости
|
Повышенная нагрузка
|
Поражение электротоком,
порезы
|
|
Силовой трансформатор
|
Электроток,
электромагнитное поле, шум
|
Шероховатости, заусеницы
|
Коррозия, повышенная
нагрузка
|
Поражение электротоком,
порезы
|
|
Сборные шины
|
Электроток, эллектрополе
|
Повышенная нагрузка,
коррозия,
|
Поражение электротоком,
порезы
|