Расчет режекторного фильтра Баттерворта
МИНИСТЕРСТВО ОБРАЗОВАНИЯ И НАУКИ
УКРАИНЫ
Национальный аэрокосмический
университет им.М. Є. Жуковского
"Харьковский авиационный
институт"
Кафедра приёма, передачи и обработки
сигналов
Расчет режекторного фильтра
Баттерворта
Курсовой проект
по дисциплине "Теория
электрических цепей и сигналов"
Выполнил студент 529 группы
Баклан А.В.
Руководитель канд. техн. наук, доцент
Зряхов М.С.
Харьков 2012
Содержание
Постановка задачи
1. Основные положения
2. Свойство индуктивности
3. Свойство емкости
4. Последовательное соединение емкости и индуктивности
5. Параллельное соединение емкости и индуктивности
6. Частотная классификация фильтров
7. Частотно-избирательные фильтры
8. Передаточные функции
9. Элементы активных фильтров
10. Построение фильтров
11. Полосно-заграждающие фильтры
12. Полиномиальные фильтры
13. Расчет фильтра
Заключение
Список литературы
Постановка
задачи
По заданным параметрам рассчитать фильтр, построить его
амплитудно-частотную характеристику.
Задание содержит:
тип фильтра (Баттерворта или Чебышева);
характер фильтра по полосе его пропускания (ФНЧ, ФВЧ, ПФ,
РФ);
граничные частоты полосы пропускания (ПП) и полосы
задерживания (ПЗ);
максимально допустимое ослабление ∆А (дБ) в ПП;
характер и значения нагрузочных сопротивлений (двусторонне
или односторонне нагруженный)
1. Основные
положения
Фильтрами называют аппараты для разделения частот - устройства, пропускающие
в данной электрической цепи переменные токи одной частоты и задерживающие токи
другой частоты или задерживающие токи определенной полосы частот и пропускающие
токи другой полосы частот, или наоборот. Работа современных радиоустройств-передатчиков, приемников,
телевизионных и радиолокационных устройств является
результатом широкого применения частотных электрических
фильтров, как в силовой части, так и в высокочастотных и низкочастотных частях
этих устройств.
Частотными электрическими фильтрами пользуются при изучении
характеристик оборудования связи, при передаче импульсов сложной формы. Они дают возможность
разложить сложный звук на его составные частоты для их изучения или выделения.
Их широко используют, например, в телефонии для исправления некоторых ее
недостатков - для ослабления одних частот или для выделения, придания большей
выразительности другим частотам. С помощью полосных фильтров можно выделять
отдельные полосы частот - производить по одной и той же линии телефонной цепи
или по радио одновременно несколько передач, а потом на приемном пункте - отделить эти
передачи друг от друга. Разделение этих одновременных передач осуществляется в
месте приема с помощью частотных электрических фильтров, каждый из которых
выделяет только ту полосу частот, для пропуска которой он предназначен.
Действие всех типов частотных электрических фильтров основано
на четырех свойствах цепей переменного тока.
режекторный фильтр баттерворт сопротивление
2. Свойство
индуктивности
Индуктивность представляет значительно меньшее сопротивление
прохождению через нее токов низкой частоты или тока постоянного, чем токов
высокой частоты. Постоянный ток можно рассматривать как ток переменный с
частотой, равной нулю.
Из теории электротехники известно, что чистая индуктивность,
т.е. катушка, не содержащая в себе активного сопротивления, обусловливающего в
ней потерю мощности, и не обладающая собственной емкостью, представляет для
проходящего через нее переменного тока сопротивление в Омах, определяемое
формулой

(1)
где π = 3,14;
f - частота проходящего через индуктивность тока, Гц;- величина
индуктивности, Гн.
Сопротивление XL=ωL
индуктивное и является величиной положительной. Когда частота f проходящего
через индуктивность тока равна нулю, т.е. через индуктивность проходит
постоянный ток, то XL=6,28∙0∙L=0,
индуктивное сопротивление катушки постоянному току равно нулю. Пропорционально
увеличению частоты будет увеличиваться и индуктивное сопротивление катушки. Это
свойство проиллюстрировано графически на рисунке 1. Векторная диаграмма на
рисунке 2 показывает, что в случае чистой - идеальной - индуктивности ток I, проходящий через нее, и приложенное к ней напряжение U
сдвинуты по фазе друг относительно друга на 90° - напряжение U опережает ток I на угол φ, равный +90°, - угол сдвига фаз получается положительным.
Рисунок 1 - Кривая изменения реактивного сопротивления
индуктивности в зависимости от частоты
Рисунок 2 - Векторная диаграмма
В символической форме это записано в формуле

(2)
где L-реактивное
сопротивление индуктивности.
Любая реальная катушка обладает некоторым активным сопротивлением,
учитывающим все потери мощности: в меди провода, в изоляции каркаса, потери в
окружающих катушку предметах. Это активное сопротивление RL увеличивает полное сопротивление ZL катушки

(3)
если считать, что RL и
XL включены последовательно, а модуль этого
сопротивления равен

(4)
Реальная катушка индуктивности теряет свойства идеальной
индуктивности - угол φ сдвига
фаз между U и I равен не 90°, а меньшей величине,
определяемой из соотношения

, (5)
которое характеризует качество катушки - добротность QL: чем больше QL, тем больше катушка приближается к
идеальной.
При низких частотах QL с увеличением частоты возрастает, так как с увеличением частоты ω L возрастает гораздо быстрее, чем RL.
При высоких частотах сопротивление RL резко возрастает за счет поверхностного эффекта в проводе
катушки, эффекта близости, диэлектрических потерь и за счет проявления влияния
собственной емкости катушки, так что добротность последней уменьшается [4, c.5-7].
3. Свойство
емкости
Емкость представляет значительно меньшее сопротивление
прохождению через нее токов высокой частоты, чем токов низкой частоты, и
полностью задерживает прохождение через нее постоянного тока.
Из теории электротехники известно, что чистая, идеальная
емкость - конденсатор, без активного сопротивления и индуктивности,
представляет для проходящего через нее переменного тока сопротивление в Омах,
которое определяется формулой

, (6)
где π = 3,14;
f - частота проходящего через емкость тока, Гц;
С - величина емкости, Ф.
Сопротивление ХС= 1/ωС носит название емкостного сопротивления
- величина положительная.
Формула показывает, что сопротивление взятой емкости изменяется
обратно пропорционально частоте проходящего через нее переменного тока. Когда
частота проходящего через емкость тока равна нулю (f =0), ХС =1/ (2π∙0∙C) =∞. По мере увеличения частоты емкостное сопротивление
конденсатора уменьшается, и при бесконечно большой частоте оно равно нулю (ХС=
1/2π∙
∞∙C=0), представляет короткое замыкание
(рисунок 4).
Векторная диаграмма на рисунке 1.3 показывает, что в случае
идеального конденсатора приложенное к нему напряжение U отстает от тока I через емкость на угол φ, равный - 90°, - угол сдвига фаз
получается отрицательный. Это можно записать в символической форме как

(7)

(8)
где - j XС - реактивное сопротивление емкости.
Реактивные сопротивления индуктивности и емкости противоположны по
знаку.
Рисунок 3 - Векторная диаграмма
Рисунок 4 - Кривая изменения реактивного сопротивления
емкости в зависимости от частоты
Реальный конденсатор обладает некоторым активным
сопротивлением, учитывающим имеющие в нем место потери мощности. Это активное
сопротивление RС увеличивает полное сопротивление ZС
конденсатора, которое, равно

, (9)
если RС и XС включены последовательно, а модуль этого
сопротивления равен

(10)
Угол φ сдвига
фаз в реальном конденсаторе равен не 90°, как указано на векторной диаграмме на
рисунке 3 для идеального конденсатора, а меньшей величине, определяемой из
отношения

(11)
которое и характеризует качество конденсатора - добротность QС:
чем больше QС, т.е. чем меньше RС, тем больше конденсатор
приближается к идеальному. С увеличением частоты f добротность конденсатора
уменьшается, но это изменение мало в том диапазоне частот, для работы в котором
данный конденсатор предназначен. На работу конденсатора влияет его собственная
индуктивность, которая зависит от размеров обкладок конденсатора и способа их
соединения с выводами.
4. Последовательное
соединение емкости и индуктивности
Электрическая цепь, состоящая из индуктивности, емкости и
включенного последовательно с ними переменного напряжения, представляет для
токов резонансной и близких к ней частот очень малое реактивное сопротивление,
а для токов других частот - большое реактивное сопротивление и тем большее, чем
дальше данная частота от резонансной.
При последовательном включении индуктивности L и емкости С
общее реактивное сопротивление X цепи будет равно сумме их реактивных сопротивлений

(12)
Так как емкостное сопротивление при низших частотах убывает
гораздо быстрее, чем возрастает индуктивное, то при увеличении частоты общее
реактивное сопротивление рассматриваемой цепи будет сначала уменьшаться, затем
при какой-то частоте станет равным нулю (реактивные сопротивления уравновесят
друг друга), а при дальнейшем увеличении частоты оно станет снова возрастать,
так как емкостное сопротивление будет уменьшаться медленнее, чем возрастать
индуктивное.
Для построения кривой изменения общего реактивного сопротивления Х
цепи необходимо от большего сопротивления вычитать меньшее с учетом знака и
откладывать результат разности на соответствующих перпендикулярах к оси частот.
Для такого построения кривые сопротивлений XL и XC объединяют на одном графике в одинаковом
масштабе. Построение кривой изменения показано на рисунке 5.
Рисунок 5 - Кривая изменения общего реактивного сопротивления
последовательного контура в зависимости от частоты.
Частота, при которой X=j (XL-XC) =0, называется
резонансной частотой последовательного контура, ωL=1/ωC, ωp=1/√LC - резонанс напряжений.
Произведение реактивных сопротивлений контура jXL (-jXC) =L/C не зависит от частоты и
является постоянной величиной. При резонансной частоте
XC= XL.

(13)
ρ - характеристическое сопротивление
контура.
Ниже резонансной частоты цепь из последовательно включенных
индуктивности и емкости носит характер емкостного сопротивления, а выше
резонансной частоты - индуктивного сопротивления (рисунок 5).
В реальных контурах модуль полного сопротивления последовательного
контура даже при резонансе не будет равен нулю - он будет минимальным и
возрастать по мере ухода в ту или другую сторону от резонансной частоты. В
момент резонанса ток будет максимальным, напряжения UC и UL будут равны, наибольшими и уравновешивать
друг друга. Добротность, характеризирующая контур,

(14)
Чем больше QK, тем больше контур приближается к
идеальному, тем уже кривая зависимости тока контура от частоты. Эта резонансная
кривая помогает определить полосу пропускания частот [4, 7-15].
5.
Параллельное соединение емкости и индуктивности
Если к контуру, состоящему из параллельно соединенных емкости
и индуктивности, подключить переменное напряжение, то он будет представлять при
его резонансной частоте очень большое сопротивление - не будет пропускать
переменных токов резонансной и близких к ней частот, а все другие частоты будут
встречать в нем тем меньшее сопротивление, чем дальше эта частота отстоит от
резонансной. Используя рисунок 1 и рисунок 4, построим кривую изменения реактивного
сопротивления параллельного контура. При частоте f=0 проводимость YL=∞ и по мере
увеличения f
уменьшается, YC=0 и по мере увеличения f проводимость возрастает,
стремясь к бесконечности. Общая реактивная проводимость контура является суммой
реактивных проводимостей отдельных ветвей:

(15)
Кривая изменения общей реактивной проводимости контура показана на
рисунке 6.
Рисунок 6 - Кривые изменения реактивных проводимостей ветвей
параллельного контура и его общей реактивной проводимости в зависимости от
частоты.
Характеристическое сопротивление ρ=√ (L/C), резонансная частота колебательного контура, при которой Y=0 ωp=1/√ (LC). Реактивное
сопротивление параллельного контура X=1/Y. график зависимости Х от частоты изображен на рисунке 7.
Рисунок 7 - Кривая изменения реактивного сопротивления X параллельного контура в
зависимости от частоты.
Сопротивление, начинаясь при f=0 с нуля, с увеличением
частоты, но при ω<ωp сначала медленно, а
затем все более резко возрастает в положительном направлении и при частотах,
близких к резонансной, стремится к очень большим значениям, становясь в случае
идеального контура равным при резонансной частоте (ω=ωp) бесконечно большому значению. После этого оно
меняет свой знак (становится отрицательным при ω>ωp) и затем уменьшается
сначала резко, а потом все медленнее, приближаясь при очень больших частотах к
нулю. При низких частотах проводимость контура определяется в основном только
приводимостью его индуктивной ветви, и сопротивление имеет индуктивный
характер; при высоких частотах основную роль играет проводимость емкостной
ветви, и потому сопротивление носит емкостный характер.
При резонансе токов в случае идеального контура сопротивления
получается бесконечно большим, а ток в цепи равен нулю. В ветвях контура
проходят токи

(16), 
(17)
Эти токи равны и сдвинуты по фазе на 180º.
В реальном контуре контур с параллельным питанием Э.Д.С. Е должен
быть приведен к эквивалентному контуру с последовательным питанием Э.Д.С. Е’,

(18)
где Ri - внутреннее сопротивление источника Э.Д.
С.
Полное активное сопротивление эквивалентного последовательного
контура будет равно

(19)

(20)
Добротность будет равна

(21)
Полное сопротивление при резонансе Zпар
реального параллельного контура определяется по формуле

(22)
6. Частотная
классификация фильтров
Область частот от f=0 до f=∞ подразделяют
на:
а) области, где ослабление не превышает некоторое заданное
значение ослабления ∆A (полосы пропускания - ПП);
б) области, где ослабление не менее некоторого заданного
значения As (полосы задерживания - ПЗ);
в) переходные области.
По взаимному расположению полос пропускания и задерживания
различают четыре типа фильтров:
а) фильтры нижних частот, пропускают без ослабления токи всех
частот ниже некоторой предельной частоты fгр и ослабляют токи всех
частот выше частоты fгр (ФНЧ);
б) фильтры верхних частот, пропускают без ослабления токи
всех частот выше некоторой предельной частоты fгр и ослабляют токи
всех частот ниже частоты fгр (ФВЧ);
в) полосовые фильтры, пропускают без ослабления токи
определенной полосы частот от fгр1 до fгр2 и ослабляют
токи частот ниже fгр1 и выше fгр2 (ПФ);
г) режекторные фильтры, ослабляют токи определенной полосы
частот от fгр1 до fгр2 и пропускают без ослабления токи
частот ниже fгр1 и выше fгр2 (РФ).
Графически амплитудно-частотные передаточные характеристики
идеальных фильтров даны на рисунке 8, а для реальных на рисунке 9 (а -
ФНЧ; б - ФВЧ; в - ПФ; г - РФ). Требования по ослаблению
для всех четырех типов реальных фильтров показаны на рисунке 9. На этих
рисунках ω1 и ω2-граничные частоты полосы пропускания; ωsl и ω s2 - граничные частоты
полосы задерживания; ∆А - неравномерность характеристики
ослабления фильтров в ПП.
Рисунок 8 - Передаточные характеристики идеальных фильтров:
а) - ФНЧ, б) - ФВЧ, в) - ПФ, г) - РФ
Рисунок 9 - Требования к ослаблению фильтров
Идеальные фильтры являются физически нереализуемыми, что
приводит к необходимости изменения требований к физически реализуемым фильтрам.
Для этого вводят допустимые отклонения АЧХ фильтра в полосах пропускания и
задерживания от АЧХ идеального фильтра, переходные полосы, расположенные между
полосами пропускания и задерживания [1, с 413-414].
7.
Частотно-избирательные фильтры
В большинстве случаев электрический фильтр представляет собой
частотно-избирательное устройство. Следовательно, он пропускает сигналы
определенных частот и задерживает или ослабляет сигналы других частот. Наиболее
общими типами частотно-избирательных фильтров являются фильтры нижних частот
(которые пропускают низкие частоты и задерживают высокие частоты), фильтры
верхних частот (которые пропускают высокие частоты и задерживают низкие
частоты), полосно-пропускающие фильтры (которые пропускают полосу частот и
задерживают те частоты, которые расположены выше и ниже этой полосы) и
полосно-заграждающие фильтры (которые задерживают полосу частот и пропускают частоты,
расположенные выше и ниже этой полосы).
Более точно характеристику частотно-избирательного фильтра
можно описать, рассмотрев его передаточную функцию:

(23)
Величины 
и 
представляют собой соответственно входное и выходное напряжения,
как показано на общем изображении фильтра на рисунке 1. Для установившейся
частоты s=jωпередаточную функцию можно переписать в
виде

(24)
где 
- модуль передаточной функции или амплитудно-частотная
характеристика; 
- фазо-частотная характеристика, а частота
(рад/с) связана с частотой f (Гц) соотношением ω=2πf.
Диапазоны или полосы частот, в которых сигналы проходят,
называются полосами пропускания и в них значение амплитудно-частотной
характеристики 
относительно велико, а в идеальном случае постоянно. Диапазоны
частот, в которых сигналы подавляются, образуют полосы задерживания и в них
значение амплитудно-частотной характеристики относительно мало, а в идеальном
случае равно нулю. В качестве примера на рисунке 11 штриховой линией показана
амплитудно-частотная характеристика идеального фильтра нижних частот с
единственной полосой пропускания 0<ω<ωс и полосой задерживания ω>ωс. Частотаωс между двумя этими полосами определяется как частота среза.
Рисунок 10-Общее изображение фильтра
На практике невозможно реализовать эту идеальную
характеристику, поскольку требуется сформировать очень узкую переходную
область. Следовательно, основная проблема при конструировании фильтра
заключается в приближении реализованной в лаборатории реальной характеристики с
заданной степенью точности к идеальной. Вариант такой реальной характеристики
показан сплошной линией на рисунке 11.
Рисунок 11-Идеальная и реальная АЧХ фильтра нижних частот
В практическом случае полосы пропускания и задерживания четко
не разграничены и должны быть формально определены. Исходя из определения в
качестве полосы пропускания выбирается диапазон частот, где значение амплитудно-частотной
характеристики превышает некоторое заранее выбранное число, обозначенное А1
на рисунке 11, а полосу задерживания образует диапазон частот, в котором
амплитудно-частотная характеристика меньше определенного значения, например, А2.
Интервал частот, в котором характеристика постоянно спадает, переходя от полосы
пропускания к полосе задержания, называется переходно областью. На рисунке 11
полоса пропускания - 0<ω<ωс, полоса задержки - ω>ω1, а переходная область ωс<ω<ω1.
Значение амплитудно-частотной характеристики можно также
выразить в децибелах (дБ) следующим образом:

(25)
и в этом случае α характеризует затухание. Например, предположим, что на
рисунке 2 выбрано А=1, которому соответствует α=0. Тогда если А1=А/
=1/
, то затухание на частоте ωс:

(26)
В основном затухание в полосе пропускания никогда не превышает 3
дБ. Таким образом, из приведенного примера следует, что значение
амплитудно-частотной характеристики в полосе пропускания составляет по крайней
мере 1/
=0,707, или 70,7%от ее максимального значения. Для
частотно-избирательных фильтров наиболее важной является амплитудно-частотная
характеристика, поскольку ее значение на некоторой частоте определяет или
прохождение сигнала этой частоты, или его подавление.
8.
Передаточные функции
Невозможно создать идеальные фильтры, но с помощью
реализуемых фильтров (которые разрабатываются на основе реальных схемных
элементов) можно получить приближения к идеальным. Передаточная функция
реализуемого фильтра представляет собой отношение полиномов, которое для наших
целей запишем в следующей форме:

(27)
Коэффициенты aи b - вещественные постоянные величины, а m,n=1, 2, 3, … (m≤n).
Степень полинома знаменателя nопределяет порядок фильтра. Будет показано, что реальные
амплитудно-частотные характеристики лучше (более близки к идеальным) для
фильтров более высокого порядка. Однако повышение порядка связано с усложнением
схем и более высокой стоимостью. Таким образом, один из аспектов разработки
фильтров связан с получением реализуемой характеристики, аппроксимирующей с
некоторой заданной степенью точности идеальную характеристику при наименьших
затратах.
Если в формуле 27 все коэффициенты a равны нули, за исключением а0, то передаточная функция
представляет собой отношение постоянного числа к полиному. В этом случае фильтр
является всеполюсным или полиномиальным, поскольку его передаточная функция
обладает тем свойством, что все ее полюсы конечны, а конечных нулей не
содержит. (Нуль определяется значением переменной s, для которой передаточная функція равна нулю, а полюс - это значение переменной s, для которой передаточная функция имеет бесконечное
значение).
В последующих главах будут рассмотрены упрощенные методы получения
реальных фильтров различных типов как для полиномиальных, так и для более общих
передаточных функций.
9. Элементы
активных фильтров
Как только получена подходящая передаточная функция,
разрабатывают схему фильтра, реализующую данную передаточную функцию. При этом
разработка выливается в проектирование активных и пассивных фильтров.
Пассивные фильтры представляют собой устройства, которые
создаются на основе резисторов, конденсаторов и катушек индуктивности, а именно
из пассивных схемных элементов. Эти фильтры пригодны для работы в определенных
диапазонах частот, например ниже 0,5 мГц. Это происходит вследствие того, что
на низких частотах параметры требуемых катушек индуктивности становятся
неудовлетворительными из-за их больших размеров и значительного отклонения
рабочих характеристик от резисторов и конденсаторов, катушки индуктивности
плохо приспособлены для интегрального исполнения.
Таким образом, для применения фильтров в диапазоне низких
частот из схем желательно исключить катушки индуктивности. Это достигается
разработкой активных фильтров на основе резисторов, конденсаторов и одного или
нескольких активных приборов, таких как транзисторы, зависимые источники и т.д.
Рисунок 12-Операционный усилитель
Одним из наиболее часто применяемых активных приборов,
который в основном и будет использоваться, является интегральная схема (ИС)
операционного усилителя или ОУ, условное изображение которого приведено на
рисунке 12.
Операционный усилитель представляет собой многовходовый
прибор, но для простоты показаны только три его вывода: инвертирующий входной
(1), неинвертирующий входной (2) и выходной (3). В идеальном случае ОУ обладает
бесконечным входным и нулевым выходным сопротивлениями и бесконечным
коэффициентом усиления. Вследствие этого можно при исследованиях рассматривать
только напряжение между входными выводами, а также считать, что ток во входных
выводах равен нулю. Практические ОУ по своим характеристикам приближается к
идеальным наиболее близко только для ограниченного диапазона частот, который
зависит от типа ОУ.
Непоказанные на рисунке 12 выводы - это обычно выводы
подключения источника питания; выводы подключения цепей коррекции, требуемой
для ОУ, например типа 709; и выводы балансировки нуля, необходимые для ОУ, типа
741. Эти дополнительные выводы используются в соответствии с рекомендациями,
предоставляемыми фирмой-изготовителем. В основном ОУ с внешними цепями коррекции
имеют лучшие результаты на более высоких частотах по сравнению с ОУ с
внутренней коррекцией (которые не имеют выводов для подключения цепей
коррекции, например, такие, как 741).
При реализации активного фильтра разработчик должен применять
те же типы ОУ, которые отвечают предъявленным требованиям по коэффициентам
усиления и частотным диапазонам. Например, коэффициент усиления ОУ с
разомкнутой обратной связью должен по крайней мере в 50 раз превышать
коэффициент усиления фильтра.
Для обеспечения хорошей рабочей характеристики необходимо
также иметь представление о скорости нарастания выходного напряжения ОУ. Этот
параметр обычно имеет размерность вольт на микросекунду и определяет предельный
размах выходного напряжения а заданной частоте, который может обеспечить ОУ.
Для требующих больших размахов выходного напряжения применений необходимы ОУ с
высокими скоростями нарастания. Скорость нарастания обычно лежит в пределах от
0,5 В/мкс до нескольких сотен вольт на микросекунду; однако некоторые ОУ
специального назначения обеспечивают скорость нарастания до нескольких тысяч
вольт на микросекунду.
Информация о Коэффициентах усиления с разомкнутой обратной
связью, скоростях нарастания, подсоединении выводов и так далее подробно
изложена в каталогах, поставляемых фирмами-изготовителями ОУ. Кроме того,
существует много других публикаций, в которых рассматриваются характеристики
ОУ.
В некритических конструкциях фильтров наиболее часто
используются дешевые угольные композиционные резисторы.
Для фильтров четвертого и более низкого порядка достаточно
применять угольные композиционные резисторы с 5 %допусками, в частности если
предполагается использовать фильтр при комнатной температуре. Для фильтров с
высокими рабочими характеристиками необходимо применять высококачественные типы
резисторов, например металлопленочного и проволочного типов. Чем выше порядок,
тем меньше должны быть допуски. Фильтры с порядком выше четвертого необходимо
реализовывать на резисторах с 2 % или меньшими допусками.
Что касается конденсаторов, то наиболее подходящим типом
является майларовый конденсатор, который можно успешно применять в большинстве
конструкций фильтров. Конденсаторы на основе полистирола и тефлона лучше,
однако применяются в высококачественных фильтрах. Обычные экономические дисковые
керамические конденсаторы должны использоваться исключительно в наименее
критических условиях.
10.
Построение фильтров
Существует много способов построения фильтра с заданной
передаточной функцией n-го порядка. Один популярный способ заключается в том, чтобы
представить передаточную функцию в виде произведения сомножителей H1, H2, …, Hmи создать схемы или
звенья, или каскады N1, N2, …, Nm, соответствующие каждому сомножителю. Наконец, эти звенья
соединяются между собой каскадно (выход первого является входом второго и
т.д.), как изображено на рисунке 13. Если эти звенья не влияют друг на друга и
не изменяют собственные передаточные функции, то общая схема обладает требуемой
передаточной функцией n-го порядка. Ранее было установлено, что ОУ обладает бесконечным
входным и нулевым выходным сопротивлениями. Таким образом, его можно
использовать для реализации невзаимодействующих звеньев.
Рисунок 13 - Каскадное соединение звеньев
Для фильтров первого порядка передаточная функция
представляется в виде:

(28)
где С - постоянное число, а P (s) - полином первой или нулевой степени.
Для фильтров второго порядка передаточная функция

(29)
где В и С - постоянные числа, а P (s) - полином второй или меньшей степени.
Для четного порядка n>2 обычная
каскадная схема содержит n/2 звеньев
второго порядка, каждое с первой передаточной функцией. Если же порядок n>2 является нечетным, то схема содержит (n-1) /2 звеньев второго порядка с передаточными функциями
второго типа и одно звено первого порядка с первой передаточной функцией.
Для фильтров, описываемых второй передаточной функцией, определим
собственную частоту

(30)
и добротность

(31)
Таким образом, можно переписать функцию в виде

(32)
Если значение 
невелико, например от 0 до 5, то для реализации передаточной
функции можно использовать относительно простые схемы. Однако для высоких
значений 
, например более 10, потребуются более сложные схемы.
11.
Полосно-заграждающие фильтры
Полосно-заграждающий фильтр (называется также
полосно-задерживающим или полосно-исключающим, или V-образным) представляет
собой устройство, которое подавляет сигналы в единственной полосе частот и
пропускает сигналы со всеми другими частотами. Эта полоса подавления
характеризуется шириной BWи расположена приблизительно вокруг центральной
частоты ω0 (рад/с), или

(Гц)
Идеальная и реальная АЧХ полосно-заграждающего фильтра изображены
на рисунке 14. Для реальной АЧХ частоты ωLи ωVпредставляют собой нижнюю и верхнюю
частоты среза, определяющие полосу подавления
ωL≤ω≤ωVи её ширину BW= ωV - ωL.
Рисунок 14-Идеальная и реальная характеристики
полосно-заграждающего фильтра
Что же касается реальной характеристики, показанной на
рисунке 14, то в полосе подавления она никогда не превосходит некоторого
заранее выбранного значения, например А2. Существуют также две
пропускания 0≤ω≤ωLиω≥ ωV, гдезначение АЧХ характеристики всегда больше А1.
Определим полосу задерживания как диапазон частот ω1 ≤ ω≤ ω2, где значение АЧХ никогда не превышает выбранного числа А2≤
А1. Тогда диапазоны частот ωL ≤ ω≤ ω1 и ω2≤ω≤ωVназываются соответственно нижней и верхней
переходными областями и в них характеристика монотонна.
Соотношение

(33)
характеризует добротность этого фильтра и определяет его
избирательность. Высокому значению Q соответствует относительно узкая, а
низкому значению Q относительно широкая полоса частот.
Коэффициент усиления К фильтра представляет собой значение его АЧХ, снятую при
постоянном токе, т.е.

(34)
Полосно-заграждающие передаточные функции можно получить из
нормированных функций нижних частот переменной S с помощью преобразования:

(35)
Следовательно, полосно-заграждающий фильтр имеет четный порядок n=2, 4, 6 … Результирующий полосно-заграждающий фильтр в
зависимости от соответствующей ему функции нижних частот имеет характеристику
фильтра Баттерворта, Чебышева, инверсного Чебышева или эллиптического. АЧХ
полосно-заграждающего фильтра Баттерворта изменяется монотонно по любую сторону
от его частоты подавления или центральной частоты, как показано на рисунке 1.
Полосно-заграждающий фильтр Чебышева обладает пульсациями в полосе пропускания,
а полосно-заграждающий инверсный фильтр Чебышева - в полосе задерживания. Для
полосно-заграждающего эллиптического фильтрапульсации как в полосе пропускания,
так и в полосе задерживания. В каждом случае центральная частота и частоты
среза связаны следующим соотношением:

(36)
Частоты полосы пропускания:

(37)

(38)
Частоты полосы задерживания:

(39)

(40)
где частота 
представляет собой начало полосы задерживания соответствующего
фильтра нижних частот. Другими словами,

(41)
где TW-нормированная ширина переходной области
соответствующего фильтра нижних частот [3, с.51-53].
12.
Полиномиальные фильтры
Полиномиальные фильтры - это такие фильтры, передаточная
функция которых определяется выражением

(42)
где v (p) - полином Гурвица порядка n; постоянный множитель b0 определяет величину ослабления фильтра
прототипа нижних частот (ФПНЧ) на частоте Ω=0.
По полосе частот полиномиальные фильтры разделяются на: ФНЧ, ФВЧ,
ПФ и РФ.
Ослабление полиномиального фильтра (т.е. его АЧХ) является четной
функцией нормирования частоты вида

(43)
где |H (jΩ) | - модуль передаточной функции фильтра.
Если
An-1=An-2=A1=0, a A0=An=1,
то

(44)
Для полиномиальных фильтров Баттерворта частоту ω принято
нормировать на частоте ω0, при которой |H (jΩ) |
уменьшается до 0,707 относительно максимального значения Н (0) =1. При этом A0=1 и

(45)
Такие полиномиальные фильтры называют фильтрами с максимально
плоской характеристикой или фильтрами с характеристиками Баттерворта.
Передаточная функция этих фильтров

(46)
Если по условиям задачи ослабление в ПП ФНЧ на его граничной
частоте ω1 не должно превышать некоторого значения ∆А,
не равного 3dB, то нормирующая частота

(47)
а ослабление ФНЧ Баттерворта

(48), 
(49)
гдеv (s) =sn+a1sn-1+…+an -
полином Гурвица, а s = p/ ω0.
Нули полинома Баттерворта рассчитываются по формулам:
при четных n

(50)
при нечетных n

(51)
В формулах 50 и 51k =1,2,3,…,2n. Из этих 2n значений надо
выбрать те n значений, для которых sk имеют отрицательные вещественные части.
Произведение сомножителей (s-sk), соответствующие всем sk с отрицательными вещественными частями,
образуют полином v
(s):
v (s) =П (s-sk) (52)
На основе использования формул 50 и 51 составлена таблица 1
коэффициентов полиномов Баттерворта для n=2-7.
Таблица 1.
|
n
|
а1
|
а2
|
а3
|
а4
|
а5
|
а6
|
|
2
|
1,4142
|
-
|
-
|
-
|
-
|
-
|
|
3
|
2,0000
|
2,0000
|
-
|
-
|
-
|
-
|
|
4
|
2,6131
|
3,4142
|
2,6131
|
-
|
-
|
-
|
|
5
|
3,2361
|
5,2361
|
5,2361
|
3,2361
|
-
|
-
|
|
6
|
3,8637
|
7,4641
|
9,1461
|
7,4641
|
3,8637
|
-
|
|
7
|
4,4940
|
10,0978
|
14,5918
|
14,5918
|
10,0978
|
4,4940
|
При расчете полиномиального ФНЧ вначале следует определить
порядок n фильтра-прототипа нижних частот по одной из следующих формул:
а) для фильтра с плоской характеристикой в ПП (фильтра
Баттерворта)

(53)
б) для фильтра с равномерно-колебательной характеристикой в ПП
(фильтр Чебышева)

(54)
где ∆А - максимально допустимое ослабление в
полосе пропускания;
As - минимально допустимое ослабление в
полосе задерживания;
Ωs= fs/f1 - нормированная частота ФНЧ на границе
полосы задерживания.
Значения n, полученные по
этим формулам, должны быть округлены до ближайшего большего целого числа.
В формулах (53) и (54) значения нормированной частоты имеют
следующие выражения:
для ФНЧ

(55)
для ФВЧ

(56)
для ПФ

(57)
для РФ

(58)
В формулах 55, 56f1 - граничные частоты ПП ФНЧ и ФВЧ.

(59)
- коэффициент преобразования ширины ПП полосового фильтра в фильтр
прототип нижних частот (ФПНЧ),f1 и f2 -
граничные частоты ПП ПФ и РФ.

(60)
0-средняя
геометрическая частота ПФ или РФ.
Если по заданию для фильтра Баттерворта на границе ω1 полосы его пропускания ∆А имеет значение, не
равное 3 дБ, то нормирующую частоту для ФВЧ рассчитывают по формуле

(61)
Синтез двусторонне нагруженного ФНЧ Баттерворта при Rr=Rн
проводится на основе формулы входного сопротивления, которая в нормированных
значениях имеет вид

(62)
Здесь h (s) - функция фильтрации, для фильтра Баттервортап-го
порядка она равна

(63)
Это выражение раскладывается в цепную дробь следующего вида:

(64)
которое в случае верхних знаков и в зависимости от четности или
нечетности п представляет собой пару схем: рисунок 15, аи
в для п нечетных, а для нижних знаков - другую пару
схем: рисунок 15, биг для п четных.
Элементы этих схем выражают собой нормированные индуктивности и
емкости. Нормированные значения элементов фильтров Баттерворта 2-7 порядков
двусторонне нагруженных при Rr = RH = R,
рассчитанные по формуле, в результате разложения в цепную дробь приведены в
таблице 2.
Таблица 2
|
n
|
с1
|
l2
|
c3
|
l4
|
c5
|
l6
|
c7
|
|
1
|
2,0000
|
-
|
-
|
-
|
-
|
-
|
|
2
|
1,4142
|
1,4142
|
-
|
-
|
-
|
-
|
-
|
|
3
|
1,0000
|
2,0000
|
1,0000
|
-
|
-
|
-
|
-
|
|
4
|
0,7654
|
1,8478
|
1,8478
|
0,7654
|
-
|
-
|
-
|
|
5
|
0,6180
|
1,6180
|
2,0000
|
1,6180
|
0,6180
|
-
|
-
|
|
6
|
0,5176
|
1,4142
|
1,9319
|
1,9319
|
1,4142
|
0,5176
|
-
|
|
7
|
0,4450
|
1,2470
|
1,8019
|
2,0000
|
1,8019
|
1,2470
|
0,4450
|
При расчете двусторонне нагруженных фильтров Баттерворта и
Чебышева при Rr = Rн для нечетных значений п
и любых ∆А схемы фильтров симметричны относительно вертикальной
оси, проведенной по середине фильтра, т.е. каждая половина представляет собой
зеркальное отображение другой относительно этой оси.
Синтез односторонне нагруженного фильтра Баттерворта и
Чебышева осуществляется образованием выражения входного сопротивления по
формуле

(65)
которое раскладывается в цепную схему.
Значения элементов для нормализированного фильтра Баттерворта
приведены в таблице 3 [2].
Таблица 3
|
n
|
c1
|
l2
|
c3
|
l4
|
c5
|
l6
|
c7
|
l8
|
c9
|
|
1
|
1,0000
|
-
|
-
|
-
|
-
|
-
|
-
|
-
|
-
|
|
2
|
0,7071
|
1,4142
|
-
|
-
|
-
|
-
|
-
|
-
|
-
|
|
3
|
0,5000
|
1,3333
|
1,5000
|
-
|
-
|
-
|
-
|
-
|
-
|
|
4
|
0,3827
|
1,0824
|
1,5772
|
1,5307
|
-
|
-
|
-
|
-
|
-
|
|
5
|
0,3090
|
0,8944
|
1,3820
|
1,6944
|
1,5451
|
-
|
-
|
-
|
-
|
|
6
|
0,2588
|
0,7579
|
1, 2016
|
1,5529
|
1,7593
|
1,5529
|
-
|
-
|
-
|
|
7
|
0,2225
|
0,6560
|
1,0550
|
1,3972
|
1,6588
|
1,7988
|
1,5576
|
-
|
-
|
|
8
|
0, 1951
|
0,5776
|
0,9370
|
1,2588
|
1,5283
|
1,7287
|
1,8246
|
1,5607
|
-
|
|
9
|
0,1736
|
0,5155
|
0,8414
|
1,1408
|
1,4037
|
1,6202
|
1,7772
|
1,8424
|
1,5628
|
Расчет фильтров ВЧ и симметричных ПФ и РФ
Вначале данные этих фильтров с помощью формул преобразуются в
низкочастотный прототип, порядок которого в зависимости от типа фильтра
определяют по или. Затем в соответствии с таблицей 4 осуществляется
преобразование нормированных элементов ФПНЧ в элементы рассчитываемого фильтра.
Из таблицы видно, что преобразование ФНЧ в ФВЧ состоит в
замене нормированных элементов обратными, т.е. ΩB=1/ Ω. Отсюда вытекает связь между любой частотой f ФНЧ и
соответствующей частотой fв ФВЧ:

(66)
Таблица 4
|
Нормированный
элемент ФПНЧ
|
Преобразуется в
элемент требуемого фильтра
|
Типы фильтров
|



Преобразование ФНЧ в ПФ основано на симметричном
преобразовании частоты, при этом индуктивные элементы преобразуются в
последовательное соединение индуктивности и емкости, а емкостные - в
параллельное соединение индуктивности и емкости. При преобразовании ФНЧ в РФ
происходит замена индуктивности параллельным соединением индуктивности и
емкости, а емкости - последовательным соединением индуктивности и емкости.
Для ПФ и РФ при задании одной частоты полосы задерживания f1s
или f2s, другую рассчитывают по формуле [1, с.415-417].

(67)
13. Расчет
фильтра
Рассчитать режекторный фильтр Баттерворта с условиями:
граничная частотаf1гр = 10 кГц;
граничная частота f2гр=20 кГц;
нагрузка Rн = 300 Ом;
неравномерность характеристики в полосе пропускания ∆А
= 0,1 Нп;
подавление в полосе задержания Аs = 3дБ;
ширина полосы расфильтровки ∆f = 3 кГц;

,
где fз - частота полосы задержания.
Пронормируем граничные частоты полосы пропускания и полосы
задержания к нормирующей частоте полосы пропускания fгрв
соответствии с формулами (58-60):
Определим минимально необходимое число элементов в составе фильтра
(порядок фильтра n) по формуле (53):
Округляем n до ближайшего
целого числа в сторону увеличения - n=2.
Вычисляем нормирующую частоту f0, при
которой ослабление фильтра равно 3дБ по формуле (47):

кГц.
Определяем передаточную функцию 
. Если n - четное, то вычисляем нормированные
значения s ее полюсов по формуле

,
Если n - нечетное

.
В этих формулах k=1,2,…,2n. Из этих значений надо выбрать те n значений, для которых sk имеют отрицательные вещественные части.
k=1
k=2
k=3
k=4
Берем k=2,3. Знаменатель передаточной функции H (s):
Передаточная функция

Реализация односторонне нагруженного фильтра осуществляется по
формуле (65):
В результате деления получаем цепную дробь в соответствии с
формулой 64:
Здесь l1=0.7071, c2=1.4142,
Переходим к денормированию элементов. Для этого по формулам

,
Вычисляем коэффициенты денормированных индуктивностей kL и емкостей kc:

.
Нормированные значения индуктивности и емкости находим по
формулам, в соответствии с таблицей 3:

;

;
Нормированные значения индуктивности и емкости находим по
формулам:
На рисунке 16 показана схема фильтра, параметры которого были
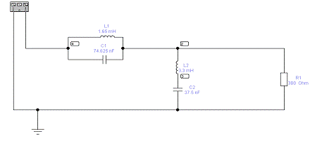
рассчитаны:
Рисунок 16-Схема режекторного фильтра 4-го порядка
Рисунок 17-АЧХ и ФЧХ режекторного фильтра 4-го порядка
Заключение
В ходе выполнения курсового проекта был рассчитан режекторный
фильтр Баттерворта 4-го порядка с граничными частотами 10 и 20 кГц. Фильтр был
смоделирован с помощью программы Electronics Workbench. Были сняты зависимость
АЧХ и ФЧХ, которые близки к характеристикам идеального фильтра. Рассчитанный
фильтр обеспечивает максимальную равномерность АЧХ в полосе пропускания.
Подобные фильтры часто применяются в современной радиотехнике.
Список
литературы
1. Шебес
М.Р., Каблукова М.В., Задачник по теории линейных электрических цепей, Высшая
школа, Москва, 1990. - 544c.
2. Альбац
М.Е., Справочник по расчету фильтров и линий задержки, Госэнергоиздат,
Ленинград, 1963. - 200c.
. Джонсон
Д., Джонсон Дж., Мур Г., Справочник по активным фильтрам, Энергоатомиздат,
Москва, 1983. - 128c.
. Конашинский
Д.А., Частотные электрические фильтры, Госэнегроиздат, Москва, 1959. - 128c.