|
Тип редуктора
|
Типо-размер
|
Передава-емая мощность, кВт
|
Крутящий момент
на тихоходном валу
|
Передаточ-ное
число
|
КПД
|
|
Планетарный
|
Пз2-160
|
12
|
16
|
180
|
0,95
|
4. Расчет
широтно-импульсного преобразователя (ШИП)
4.1 Исходные
данные для расчета
Рассчитаем транзисторный ШИП для управления двигателем
постоянного тока ДПТ (типа П-51) по цепи якоря в динамическом режиме.
Данные двигателя:
номинальное напряжение Uн = 220 В;
номинальная мощность Pн = 6000 Вт;
номинальный ток якоря Iн = 39,5 А;
номинальная частота вращения n = 1500 об/мин;
момент инерции якоря двигателя Jдв = 0,65 кГ·м2;
сопротивление якорной обмотки Rя = 0,351 Ом;
индуктивность якорной обмотки Lя = 2,2·10-3.
Для получения линейных характеристик по каналу управления
примем для ШИП симметричный закон коммутации силовых ключей gо = 0,5.
С учетом номинального напряжения Uн, потерь на
силовых ключах в режиме насыщения DUк и
необходимости 20% - го запаса по напряжению, выбираем источника питания с
напряжением
=1.2·UH+2·Uk,
где Uk - потеря напряжения на насыщенном силовом
ключе, Uk = 5В.
=1,2·220+2·5=274 В.
Ток якоря двигателя в динамических режимах может превышать Iн
в 2,5¸4 раза, поэтому расчетный ток силового транзисторного ключа
принимаем
тк = 4·Iн.тк= 4·39,5 = 158 А.
4.2 Выбор
силовых полупроводниковых элементов
Выбираем для транзисторного ключа [9] IGBT-модуль
М2ТКИ-200-06 со следующими параметрами:
напряжение коллектор-эмиттер, Uкт, В…………………………….
….600
напряжение насыщения коллектор-эмиттер, Uктнас,
В…………. …….2,2
максимальный ток коллектора, Ikmax, А………………………….
……200
импульсный ток коллектора, Iки, А……………………………….
…...400
время включения, tвкл, с……………………………. …………….0,07·10-6
время выключения, tвыкл, с……. ………………………………. …0,22·10-6
мощность рассеяния на коллекторе, Ррк,
Вт………………………….1000
тепловое сопротивление "переход-корпус", Rтеп,
оС/Вт……………..0,35
Выбираем диод, шунтирующий IGBT-модуль, Д161-200 со
следующими параметрами:
действующий ток, IVD, А………………………………………………200
пороговое напряжение, Uo, В………………………………..…….….1,35
динамическое сопротивление, RVD,
Ом………………………………0,002
сопротивление при типовом охладителе и естественном
охлаждении, RVDT оС/Вт……………………………………………….0,55
максимальная температура структуры, Qpn, oС………….
……………140
4.3
Определение оптимальной частоты коммутации ШИП
В связи с применением ненасыщенного ключа коэффициент
форсировок на включение и отключение транзисторов принимается: К1=1 и К2=1.
Длительность фронта и спада коллекторного тока силового ключа
по паспортным данным силового IGBT-модуля принимают:
+ = 0,07 мкс = 0,07.10-6 с; - = 0,22
мкс = 0,22.10-6 с;
Определяют оптимальную частоту коммутации ШИП:
,
где Kf = 0,332 для ШИП с симметричным законом
коммутации;
,
.
.
Принимаем частоту коммутации fk = 4000 Гц.
4.4
Определение постоянных и базовых величин
Конструктивная постоянная двигателя:
.
В·с/рад.
Базовая скорость:
.
рад/с.
Базовый ток:
.
А.
Базовый момент
Мб = Со·Iб., Мб =
1,313·780,627 = 1025 Н·м.
Учитывая, что ШИП с симметричным управлением не искажает
естественных механических характеристик двигателя, определяем относительную
продолжительность включения в номинальном режиме:
.
Относительная скорость в номинальном режиме:
.
Относительная электромагнитная постоянная времени:
,
где Т - период коммутации;
с.
На естественной механической характеристике ДПТ для максимального
тока двигателя в динамическом режиме (Iмакс = 172 А) определяем частоту
вращения
.
рад/с;
а также относительное значение этой скорости
.
Среднее значение тока двигателя
.
.
.
А.
Действующее значение тока двигателя
,
где
;
.

Значение среднего тока транзисторного ключа при максимальном токе
двигателя составит
.
Значение действующего тока транзисторного ключа определяют как:
Среднее значение тока шунтирующего диода
,
Значение действующего тока шунтирующего диода
Потери энергии в силовом транзисторном ключе определяют как
где
Полученная величина потерь меньше допустимой мощности рассеяния на
коллекторе силового IGBT-модуля.
Определение потерь мощности в шунтирующем диоде осуществляют по
выражению
Рvd = Uo·Ivdcp+ Ivdcp2·RVD.
Рvd = 1,35·183,779+183,7792·0,002 = 315,651 Вт.
Максимальную температуру структуры диода определяют из условии,
что температура окружающей среды не превышает Qокр = 50оС
Q’pn= Qокр+Pvd·RVDT, Q’pn= 50+315,651·0,35 = 223,608 оС.
Так как Q’pn> [Qpn] = 140 оС, то требуется дополнительное
охлаждение диодов для обеспечения соответствующих температурных режимов. В этом
случае следует произвести дополнительно расчет радиаторов, выбрать тип
охладителя.
Расчет суммарных дополнительных потерь в системе ШИП-ДПТ в
относительных единицах производится по выражению
Абсолютные дополнительные потери определяют как
Основные потери в цепи якоря двигателя составляют
Потери мощности в цепи якоря двигателя
4.5 Расчет
основных статических параметров двигателя
Сопротивление якорной цепи в нагретом состоянии [5,6]
где tном - температура двигателя в номинальном режиме работы, tном
= 80оС;хол - температура двигателя в не нагретом состоянии, tхол = 20оС;
a - температурный коэффициент сопротивления, для медной обмотки
значение a принимается равным 0,004 [1/оС].
Жесткость естественной механической характеристики
.
Н·м·с.,
где arctg (bе) = 87,997о -
угол наклона естественной механической характеристики к оси w.
Скорость идеального холостого хода для естественной механической
характеристики составит
.
об/мин.
Момент короткого замыкания определяют из выражения
Мкз = wо·bе.
Мкз = 109,336·28,593 = 3126 Н·м.
Ток короткого замыкания
.
А.
Построим естественные электромеханическую и механическую
характеристики ДПТ
.
Рисунок 4.1 - Статическая электромеханическая характеристика ДПТ
Рисунок 4.2 - Статическая механическая характеристика ДПТ
5.
Динамический расчет электропривода
5.1 Основные
параметры передаточной функции двигателя
Задаемся величиной максимального статического тока
= 2·Iн= 2·4 3= 86 А.
Сопротивление насыщенного ключа определяют как
Rt r=
.=
Ом.
Эквивалентное сопротивление якорной цепи
яэкв = Rном+ Rtr.яэкв = 0.141+0.026 = 0.167 Ом.
Механическая постоянная времени с учетом приведенного момента
инерции
,
где Nm - коэффициент, учитывающий момент инерции механической
части привода, Nm= 3.
с.
Электромагнитную постоянную времени можно определить
с.
Коэффициент усиления (передачи) двигателя
.
Передаточная функция двигателя
Относительная постоянная времени
.
Коэффициент демпфирования
.
Коэффициент передачи ШИП совместно с широтно-импульсным
модулятором при напряжении управления Uзт = 10 В составит
5.2
Определение постоянной времени ШИП
Так как запаздывание на выходе ШИП в основном определяется
частотой коммутации равной fk = 2700 Гц, то в реальной САУ с учетом параметров
апериодического фильтра на входе ШИП, значение ТШИП принимается равным 0,003 с.
Расчет параметров настройки контура тока на технический
оптимум
Датчик тока: Iшунта= 200 А, Uшунта=25·10-3 В.
Коэффициент усиления усилителя датчика тока: Кудт = 100.
Примем максимальный ток электродвигателя равным
= 2·Iн, Imax = 2·43=86 А.
В/А
Коэффициент приведения
Коэффициент передачи в цепи обратной связи по току составит
т = Кдт·Кпри.т = 0,013·9,302 = 0,116
В качестве некомпенсируемой постоянной времени примем Tm= 3·10-3 c.
Постоянная интегрирования регулятора тока:
c.
В качестве компенсируемой постоянной времени примем:
Тком = 0,013 с
Электромагнитная постоянная времени= Tком= 0,013 с
Передаточная функция регулятора тока
.
5.3 Выбор
тахогенератора
Выбираем тахогенератор постоянного тока (типа ТС-1МУХЛ4) со
следующими техническими параметрами:
крутизна выходного напряжения, Кртг, В/ (об/мин) ………………0,03
номинальная………………………………………………………….3000
максимальная……………………………………………………...… 6000
минимальная………………………………………………………… 0,1
номинальное сопротивление нагрузки, Ом, не менее……. ………2000
масса, кг не более………………………………………………….…2,7
Коэффициент передачи тахогенератора
.
В·с.
Коэффициент приведения с учетом двукратного превышения скорости
,
где Uзс - максимальное задающее воздействие контура скорости,
Uзс=10 В;
wн - номинальная угловая скорость, wн = 104,72 рад/с.
.
Коэффициент передачи в цепи обратной связи по скорости
Кс = Ктг·Кприс.
Кс = 0,286·0,167 = 0,048
В качестве некомпенсируемой постоянной времени примем: Тmскор= Тmтока.
Без учета ОС по ЭДС можно записать
Так как полученное значение много больше Тm = 0,003 с, то условие (5.21) по учету
влияния ОС по ЭДС выполняется.
Постоянная времени интегрирования регулятора скорости
.
.
Компенсируемая постоянная времени [6,7]
Ткомс= 8 Тm=0,024 с., а1= Ткомс=0,024 с.
Передаточная функция регулятора скорости
.
Передаточная функция фильтра, устанавливаемого на входе контура
скорости
.
5.4 Анализ
устойчивости системы
Передаточная функция разомкнутой САУ:
Построим ЛАЧХ и ЛФЧХ разомкнутой системы.
Рисунок 5.1 - ЛАЧХ и ЛФЧХ разомкнутой системы
В результате исследования ЛАЧХ и ЛФЧХ выяснилось, что система
имеет недостаточный запас устойчивости по фазе (2.85 гр.) и необходимо
применить коррекцию системы (рис.2.11.) с использованием корректирующего звена
в виде ПИД - регулятора.
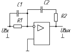
Рисунок 5.2 - Схема ПИД - регулятора
Передаточная функция корректирующего звена будет иметь вид
,
где К1 - коэффициент усиления звена; К = 10;=1000 (Oм); R2 =10000
(Oм);
Т1 - постоянная времени, Т1 = 1 с;
Т2 - постоянная времени, Т2 =0,001 c;
С1 - емкость конденсатора; С1 = 1∙10-4 (Ф);
С2 - емкость конденсатора; С2 = 1∙10-6 (Ф).
Передаточная функция скорректированной системы будет иметь вид
.
Построим ЛАЧХ и ЛФЧХ скорректированной системы.
Рисунок 5.3 - ЛАЧХ и ЛФЧХ скорректированной системы
Запас устойчивости по фазе на частоте среза равен 89.85 гр. мин.
запас - (30…40) гр.
Запас устойчивости по амплитуде составляет около 20 что превышает
допускаемый мин. запас - (8 …10) Дб.
В результате применения корректирующего звена система имеет
достаточные запасы устойчивости, как по фазе, так и по амплитуде.
Передаточная функция замкнутой системы
.
Рисунок 5.4 - График изменения вещественной части переходной
характеристики системы
Для расчета переходного процесса в замкнутой системе анализируем
вещественную часть переходной характеристики
Рисунок 5.6 - Переходной процесс в замкнутой системе
Из рисунка 5.6 видно:
время переходного процесса по входу в допустимый диапазон ошибки
составляет 0,08 с и не превышает заданного значения в сравнении с исходными
данными для проектирования ([tпп] = 0,1 с),
ожидаемое значение перерегулирования составляет 42%, т.е. (s% = 42%) и не превосходит установленного
уровня ([s%] = 5 ¸ 6%) для проектируемого электропривода скипа подъемника.
6. Расчет
выпрямителя источника питания
6.1 Выбор
схемы выпрямителя
В качестве схемы выпрямления выбираем [12] однофазную
мостовую схему со следующими параметрами:
число фаз, m……………………………………………………………. …1
отношение среднего выпрямленного напряжения к напряжению во
вторичной обмотке трансформатора,Uд/U2……………………...…….1,11
отношение обратного напряжения на вентиле к среднему
выпрямленному напряжению, Uобр/Uд…………………………………1,57
отношение мощности трансформатора к выходной
мощности выпрямителя, Рт/Рд………………………………………….1,21
коэффициент использования вентиля по току, KI………………..
… 0.78
частота пульсаций (при fсети = 50Гц), fп,………………….…………
100
Для расчета необходимы следующие исходные данные:
напряжение на выходе выпрямителя, Uд, В…………………….
…… 274
ток нагрузки выпрямителя, Iд, А……………………………………… 180
обр = 1,57·Uд.обр = 1,57·274 =
430 В.,
среднего значения тока вентиля
в = 0,5·Iд.в= 0,5·180 = 90
А.
6.3 Выбор
диодов
По вычисленным значениям Uобр и Iв и
заданным температурным режимам работы выпрямителя выбираем диод Д 141-100 со
следующими параметрами:
прямой постоянный ток, Iпр, А………………………………………….100
наибольшее обратное напряжение, Uобрм, В.
……………………. …1000
падение напряжения на открытом диоде, Uпр,
В…………………….1,45
предельно допустимая рабочая частота, f, кГц……………………….0,5
диапазон допустимых рабочих температур, Т, оС………………-60. +190
6.4 Расчет
основных параметров выпрямителя
Дифференциальное сопротивление вентиля:
hв = 1,2·
. hв = 1,2·
= 0,0174 Ом.
Сопротивление плеча выпрямительного моста составит
hп = 2·hв. hп = 2·0,0174 = 0,0338 Ом.
Ориентировочное значение активного сопротивления фазы выпрямителя
[9]
,
где К2 - коэффициент схемы выпрямления, К2 =
4; Rн - сопротивление нагрузки, Rн = Uд/Iд
= 1,5 Ом; N - число стержней трансформатора, N = fc - частота сети
питания, fc = 50 Гц; Bm - максимальная индукция в стали
сердечника, Bm = 0,7 Тл;

.
Индуктивность рассеяния обмоток трансформатора при частоте
напряжения сети fc = 50 Гц
,
где КL - коэффициент, зависящий от схемы выпрямления,
КL = 6,4.
.
Индуктивное сопротивление обмоток трансформатора
T =
2·p·fc·Ls. xT
= 2·p·50·0,082=25,8 Ом.
Расчетное выпрямленное напряжение ненагруженного выпрямителя
.
В.
Фактическое обратное напряжение на вентиле
В
6.5 Расчет и
выбор параметров сглаживающего фильтра
Для снижения пульсации выпрямленного напряжения на выходе
преобразователя-выпрямителя устанавливается сглаживающий фильтр. Эффективность
сглаживающего фильтра оценивают по его способности уменьшать амплитуду
пульсации, т.е. по значению коэффициента сглаживания qc. Расчет коэффициента
сглаживания
,
где
,
- амплитуда основной гармоники пульсаций и постоянная
составляющая напряжения на входе фильтра,
=183,6 В,
= 274 В.
,
- амплитуда основной гармоники пульсаций
и постоянная составляющая напряжения на выходе фильтра,
=1 В,
=274 В.
.
Выбор схемы фильтра
В соответствии с рекомендациями выбираем Г-образный LC-фильтр.
Определяем произведение Lд · С
,
где mn - частота пульсаций выпрямленного напряжения,
mn=100 Гц;
wс = 314,16 рад/с.
.
Минимальное значение индуктивности дросселя
.
Гн.
По рассчитанному значению Lд. мин выбираем стандартный дроссель
фильтра ДПМ 200-1000 со следующими параметрами:
индуктивность дросселя Lд, 10-6 Гн……………………………. …1000
номинальный постоянный ток, А……………………………………200
Емкость конденсатора фильтра
.
Ф.
Рабочее напряжение конденсатора при проектировании выбирается
больше значения выпрямленного напряжения из выражения
.
В.
По рассчитанному значению емкости С и рабочему напряжению выбираем
конденсатор К50-78-450В - 220мкФ ± 20%.
6.6 Расчет
трансформатора источника питания
Теоретическое значение типовой мощности трансформатора
T = KT·UН·IД,
где KT - схемный коэффициент типовой мощности
трансформатора;Н - номинальное напряжение сети; IД - средний
выпрямленный ток.
T = 1,23·220·43 = 11635,8 Вт.
Расчетная типовая мощность трансформатора составит
РТ = Кс·Кт·Sт,
где Кс - коэффициент запаса, учитывающий возможное
снижение напряжения сети.
РТ = 1,1·1,23·11635 = 17742 Вт.
По рассчитанному значению типовой мощности выбираем силовой
трансформатор ТС-19 со следующими параметрами:
типовая номинальная мощность, Sт,
кВА………………………………19
напряжение во вторичной обмотке, U2,
В…………………………….270
напряжение короткого замыкания, Uкз, %….
………………………….10
Действующее значение первичного тока трансформатора
,
где Кi1 - схемный коэффициент первичного тока; Ктр - коэффициент
трансформации трансформатора.
.
С учетом результатов выполненного расчета далее разрабатывается
система управления электроприводом (СУЭ) механизма подъема включающая в себя
энергетический и информационный каналы, с микропроцессорным управлением.
Заключение
В результате выполнения курсовой работы был разработан
электропривод подъемного механизма мостового крана с заданными параметрами
скорости подъема и грузоподемности, а также его система управления. Были
исследованы основные характеристики двигателей постоянного тока, что позволило
выбрать оптимальный двигатель. Выбранный двигатель был проверен на обеспечение
задан-ных скоростных параметров системы. Был произведен расчет основных
парамет-ров и выбор основных элементов щиротно-импульсного преобразователя.
Элементы ШИП выбраны из современной элементной базы, обеспечивающей лучшие
технические показатели.
Произведен статический и динамический расчет системы.
Построены ста-тические характеристики ДПТ, ЛАЧХ и ЛФЧХ характеристики системы.
Определены запасы устойчивости по частоте и фазе. Построен переходной процесс
системы. По нему убедились, что система отрабатывает воздействие управления за
заданный промежуток времени.
Были выбраны элементы источника питания: трансформатор,
выпрями-тель, сглаживающий фильтр. Были рассчитаны их основные параметры.
В результате проделаной работы был получен опыт в
проэктировании приводных сиситем мехатронных устройств.
Список
использованных источников
1.
Справочник "Приводы машин" под ред. Долоугого В.В., Т.И. Мухи, изд.
Машиностроение, 1982 - 383 с.
.
Алиев И.И. Справочник по электротехнике и электрооборудованию, изд. Высшая
школа, 2000 г.
.
Карнаухов Н.Ф. Электромеханические модули мехатронных систем. Основы расчёта и
проектирования: Учебное пособие - Ростов - на - Дону: издат. центр ДГТУ, 2001
год - 173 с.
.
Смирнова В.И., Разинцев В.И. Проектирование и расчёт автоматизированных
приводов. М.: Машиностроение, 1990. - 362 с.