Проектирование систем электроснабжения промышленных предприятий
Оглавление
Введение
Техническое задание
. Краткая характеристика
электроприемников инструментального завода
. Определение расчетной
мощности электроприемников
. Расчет осветительной
нагрузки предприятия
. Определение местоположения
подстанции
. Определение потерь мощности
при передаче электроэнергии к цехам
. Выбор числа и мощности
трансформаторов
. Расчет токов короткого
замыкания
. Выбор коммутационной
аппаратуры
Список использованной литературы
Приложение 1 - Картограмма
электрических нагрузок
Приложение 2 - Картограмма
осветительной нагрузки
Приложение 3 - Местоположение ГПП и
ТП
Приложение 4 - Принципиальная
электрическая схема
Введение
Система электроснабжения - совокупность устройств для производства,
передачи и распределения электрической энергии.
Системы электроснабжения промышленных предприятий создаются для
обеспечения питания электроэнергией промышленных приемников электрической
энергии, к которым относятся электродвигатели различных машин и механизмов,
электрические печи, электролизные установки, аппараты и машины для
электрической сварки, осветительные установки и другие промышленные приёмники
электроэнергии.
Завод по производству огнеупоров располагается в Мурманской области,
которая относится по ПУЭ [3] к III
климатическому району по гололеду и V по ветровым нагрузкам. Данные по климатическому району (скоростной напор
ветра, приближенная скорость ветра, толщина стенки гололеда и т.д.)
определяются в зависимости от повторяемости (1 раз в 5 лет, в 10 лет, 15 лет),
которая выбирается в соответствии с принятым номинальным напряжением сети.
Проектирование систем электроснабжения промышленных предприятий в
условиях Севера имеет свои особенности. Тяжелые климатические условия Севера
предъявляют повышенные требования к качеству электрических проектов и
надежности оборудования. Качество электроэнергии в удаленных регионах всегда
оставляло желать лучшего. Этим критерием так же обуславливаются дополнительные
сложности.
Предприятие специализируется на изготовлении огнеупорной продукции.
К огнеупорным относятся материалы и изделия, способные выдерживать
температуру более 1580 градусов. В большинстве своем огнеупорные материалы
производятся из минерального сырья. Потребность в огнеупорных материалах
значительно возросла за последние несколько десятилетий.
Огнеупорность - это свойство материала длительное время выдерживать очень
высокие температуры, не меняя при этом своей структуры и свойств. Главной
областью применения огнеупорных материалов, на которую приходится до 60% всех
выпускаемых видов огнеупоров, является черная и цветная металлургия. Также
некоторые огнеупорные материалы используются в качестве противопожарной
изоляции.
Технологический процесс производства включает следующие стадии: карьерные
работы, подготовка глиняной массы, формирование изделий, сушку отформованных
изделий, обжиг изделий и упаковку.
Техническое
задание
Исходные данные на проектирование:
. Генеральный план завода - рис. 1.
. Сведения об электрических нагрузках завода - табл. 1.
. Ведомость электрических ремонтно-механического цеха (вариант
задания указывается преподавателем).
. Питание возможно осуществить от подстанции энергосистемы, на
которой установлены два трехобмоточных трансформатора мощностью 10000 кВА
каждый, с первичным напряжением 110 кВ и вторичным - 35, 20, 10, 6 кВ.
. Мощность системы 750 МВА; реактивное сопротивление системы на
стороне 110 кВ, отнесенное к мощности системы, 0,5.
. Стоимость электроэнергии 1,4 коп/кВт×ч.
. Расстояние от подстанции энергосистемы до завода 9,5 км.
Освещение цехов и территории завода определить по площади.
Таблица 1 - Ведомость электрических нагрузок завода
|
№ по плану
|
Наименование цеха
|
Установленная мощность,
кВт.
|
|
1
|
Цех антрацитовых красителей
|
370
|
|
2
|
Бытовой корпус №1
|
50
|
|
3
|
Цех азокрасителей №2
|
800
|
|
4
|
Цех азокрасителей №3
|
1000
|
|
5
|
Цех бромаминовой кислоты №1
|
630
|
|
6
|
Цех бромаминовой кислоты №2
|
320
|
|
7
|
Цех ацетонанила
|
500
|
|
8
|
Бытовой корпус №2
|
50
|
|
9
|
Цех красителей
|
500
|
|
10
|
Цех
текстильно-вспомогательных веществ
|
300
|
|
11
|
Цех полупродуктов №1
|
3180
|
|
12
|
Бытовой корпус №3
|
50
|
|
13
|
Холодильная установка
|
120
|
|
Холодильная установка(6кв-
синхронные двигатели)
|
4420
|
|
14
|
Цех полупродуктов №2
|
625
|
|
15
|
Выпускной цех
|
2770
|
|
16
|
Вспомогательный цех
|
1090
|
|
17
|
Бытовой корпус №4
|
50
|
|
18
|
Ремонтно-механический цех
|
|
|
19
|
Компрессорная
|
100
|
|
Компрессорная (6кв-
синхронные двигатели)
|
3640
|
|
20
|
Цех тиурама
|
1000
|
Рисунок
1 - Генеральный план завода
1.
Краткая характеристика электроприемников химического завода
Все потребители в соответствии с ПУЭ [3] делят на
потребители первой, второй и третьей категории. Потребители третьей категории
допускают перерыв электроснабжения на время доставки складского резерва, для их
питания достаточно одного источника. Потребители второй категории допускают
непродолжительные перерывы электроснабжения на время автоматического включения
резерва или на время включения резервного питания оперативным персоналом, их
рекомендуется обеспечить электроэнергией от двух независимых источников
питания. У потребителей первой категории перерыв в их электроснабжении допустим
на время автоматического включения резерва, их питание обеспечивается от двух
взаимно резервирующих источников питания. Среди потребителей первой категории
выделена особая группа: перерыв в электроснабжении, который недопустим вовсе.
Потребители этой группы должны иметь третий автономный источник питания
(например: больницы, шахты).
По требуемой степени бесперебойности электроснабжения
электроприемники завода относятся к первой и второй категориям.
Все здания и сооружения находятся на территории
завода, за территорией завода потребителей электроэнергии нет.
Все электроприемники завода низковольтные, рассчитаны
на напряжение 380 В, за исключением компрессорной (цех 19),и холодильной
установки(цех 13) оборудование которых имеет номинальное напряжение 6 кВ.
2. Определение расчетной мощности электроприемников
Основой рационального решения комплекса технико-экономических вопросов
при проектировании электроснабжения современного промышленного предприятия
является правильное определение ожидаемых электрических нагрузок. Определение
электрических нагрузок является первым этапом проектирования любой системы
электроснабжения. Значения электрических нагрузок определяют выбор всех
элементов и технико-экономические показатели проектируемой системы
электроснабжения. От правильной оценки ожидаемых нагрузок зависят капитальные
затраты в схеме электроснабжения, расход цветного металла, потери
электроэнергии и эксплуатационные расходы. Ошибки при определении электрических
нагрузок приводят к ухудшению технико-экономических показателей промышленного
предприятия.
При проектировании применяют несколько методов определения расчетных
(ожидаемых) электрических нагрузок:
) по установленной мощности и коэффициенту, меньшему единицы,
РР = К1Рном ;
) по средней мощности и коэффициенту, большему или равному единице,
РР = К2Рср ;
или путем добавления к средней мощности некоторой величины,
характеризующей отклонение расчетной нагрузки от средней,
Р
= Рср + s.
К первой группе следует отнести метод определения расчетной нагрузки по
установленной мощности и коэффициенту спроса. Ко второй группе относят
следующие методы определения расчетной нагрузки: по средней мощности и
коэффициенту формы графика нагрузки, по средней мощности и коэффициенту
максимума нагрузки (метод упорядоченных диаграмм показателей графиков
нагрузки), по средней мощности и среднеквадратическому отклонению
(статистический метод).
Особую группу составляют методы определения расчетных нагрузок по
удельным показателям производства, а именно: по удельному расходу электроэнергии
на единицу продукции при заданном объеме выпуска продукции за определенный
период, по удельной нагрузке на единицу производственной площади.
В данной курсовой работе для определения расчетных нагрузок
электроприемников цехов воспользуемся методом определения расчетной нагрузки по
установленной мощности
и коэффициенту спроса Kc. Данные об установленной мощности электроприемников
известны, а значения Kc
определим по справочным данным [1] для каждого цеха. Реактивную и полную
мощность определим, используя значения Cos
для каждого, выбранные по цеха по
справочнику [1].
Используем для этого следующие формулы:
где
- установленная мощность цеха, кВт,
- коэффициент спроса, определяется по справочным данным в
зависимости от назначения производства.
Результаты расчётов заносим в таблицу 2.
Таблица 2 - Определение координат центра электрических нагрузок
|
№ по плану
|
Ру, кВт
|
Кс
|
Рр,кВт
|
Qр, кВАp
|
Cosφ
|
Sp, кВА
|
|
1
|
370
|
0,6
|
222
|
226
|
0,70
|
316
|
|
2
|
50
|
0,6
|
30
|
14,5
|
0,90
|
33
|
|
3
|
800
|
0,6
|
420
|
428
|
0,70
|
600
|
|
4
|
1000
|
0,6
|
600
|
612
|
0,70
|
857
|
|
5
|
630
|
0,6
|
378
|
385
|
0,70
|
539
|
|
6
|
320
|
0,6
|
192
|
195
|
0,70
|
273
|
|
7
|
500
|
0,6
|
300
|
306
|
0,70
|
428
|
|
8
|
50
|
0,6
|
30
|
14,5
|
0,90
|
33
|
|
9
|
500
|
0,6
|
300
|
306
|
0,70
|
428
|
|
10
|
300
|
0,6
|
180
|
183
|
0,70
|
256
|
|
11
|
3180
|
0,6
|
1908
|
1431
|
0,80
|
2385
|
|
12
|
50
|
0,6
|
30
|
14,5
|
0,90
|
33
|
|
13
|
120
|
0,8
|
96
|
128
|
0,60
|
160
|
|
13*
|
4420
|
0,8
|
3536
|
4714
|
0,60
|
5892
|
|
14
|
625
|
0,6
|
375
|
382
|
0,70
|
535
|
|
15
|
2770
|
0,6
|
1662
|
1695
|
0,70
|
2373
|
|
16
|
1090
|
0,6
|
654
|
667
|
0,70
|
934
|
|
17
|
50
|
0,6
|
30
|
14,5
|
0,90
|
33
|
|
18
|
-
|
0,6
|
-
|
-
|
0,70
|
-
|
|
19
|
100
|
0,8
|
80
|
106
|
0,60
|
132
|
|
19*
|
3640
|
0,8
|
2912
|
3882
|
0,60
|
4852
|
|
20
|
1000
|
0,6
|
600
|
612
|
0,70
|
857
|
. Расчет
осветительной нагрузки предприятия
На производственном предприятии выделяют следующие виды освещения:
· рабочее освещение, обеспечивающее необходимые условия работы
при нормальном режиме работы осветительной установки, обязательно во всех
помещениях и на открытых пространствах. Основные источники освещения -
газоразрядные или люминесцентные лампы;
· охранное освещение - разновидность рабочего освещения, устраивается
по линии охраняемых заводских или иных территорий.
· аварийное освещение, предназначаемое для временного
продолжения работы при аварийном погасании рабочего освещения, должно
устраиваться в помещениях и на открытых пространствах в случаях, когда прекращение
нормального обслуживания оборудования из-за отсутствия рабочего освещения может
вызвать взрыв, пожар, отравление, травматизм в местах большого скопления людей,
длительное расстройство технологического процесса, а также нарушение работы
жизненных центров предприятий и узлов обслуживания массовых потребителей
(установки электро-, водо- и теплоснабжения, узлы связи и радиопередачи т.п.).
Для аварийного освещения могут использоваться лампы накаливания и
люминесцентные лампы.
Существуют два основных метода расчета осветительной нагрузки:
. метод коэффициента использования светового потока;
. метод удельной мощности (упрощенный).
Осуществим расчет нагрузки искусственного освещения цехов и территории
завода по методу удельной мощности.
Расчетная нагрузка осветительных приемников цеха:
,
где
- коэффициент спроса по освещению, определяется по
справочным данным в зависимости от назначения помещения,
Рносв- установленная мощность приемников электрического освещения [кВт],
которая определяется из соотношения
где
- удельная осветительная нагрузка, [кВт], определяется по
справочным данным в зависимости от назначения помещения,
- площадь цеха [м2], которая определяется из
генплана с учетом масштаба.
и
находятся по справочнику.
Для графического обозначения доли, которую занимает активная
осветительная нагрузка во всем потреблении активной мощности, ее принято
изображать в виде сектора с углом:
Результаты расчётов заносим в таблицу 3.
Таблица 3 - Расчет осветительной нагрузки завода
|
№ по плану
|
Ксо
|
Рудосв, Вт/м2
|
F, м2
|
Рн осв, кВт
|
Рросв, кВт
|
Qросв, кВАр
|
Sросв, кВА
|
Рр, кВт
|
, кВт
|
|
|
1
|
0,85
|
10
|
1509
|
15,1
|
12,8
|
13
|
18,2
|
222
|
234,8
|
19,7
|
|
2
|
0,95
|
12
|
906
|
10,9
|
10,35
|
5,01
|
11,5
|
30
|
40,3
|
92,7
|
|
3
|
0,85
|
10
|
1881
|
18,8
|
16
|
16,3
|
22,8
|
420
|
436
|
13,2
|
|
4
|
0,85
|
10
|
2708
|
27,1
|
23
|
23,4
|
32,7
|
600
|
623
|
13,2
|
|
5
|
0,85
|
10
|
1080
|
10,1
|
8,6
|
12
|
378
|
386,5
|
7,9
|
|
6
|
0,85
|
10
|
362
|
3,6
|
3,06
|
3,1
|
4,2
|
192
|
195
|
5,5
|
|
7
|
0,85
|
10
|
665
|
6,65
|
5,6
|
5,7
|
8
|
300
|
305,6
|
6,6
|
|
8
|
0,95
|
12
|
301
|
3,6
|
3,4
|
1,6
|
3,7
|
30
|
33,4
|
36,6
|
|
9
|
0,85
|
10
|
1200
|
12
|
10,2
|
10,4
|
14,5
|
300
|
310,2
|
11,6
|
|
10
|
0,85
|
10
|
1059
|
10,6
|
9
|
9,2
|
12,9
|
180
|
189
|
17,1
|
|
11
|
0,85
|
10
|
1820
|
18,2
|
15,5
|
11,3
|
19,1
|
1908
|
1923,5
|
3
|
|
12
|
0,95
|
12
|
751
|
9
|
8,5
|
4,2
|
9,5
|
30
|
38,5
|
79
|
|
13
|
0,85
|
12
|
1301
|
15,6
|
13,2
|
17,6
|
22
|
96
|
109,2
|
43,5
|
|
13*
|
0,85
|
12
|
1301
|
15,6
|
13,2
|
17,6
|
22
|
3536
|
3549,2
|
1,3
|
|
14
|
0,85
|
10
|
932
|
9,3
|
7,9
|
8
|
11,3
|
375
|
382,9
|
7,5
|
|
15
|
0,85
|
10
|
1801
|
18
|
15,3
|
15,5
|
21,8
|
1662
|
1677,3
|
3,2
|
|
16
|
0,85
|
10
|
1203
|
12
|
10,2
|
10,4
|
14,6
|
654
|
664,2
|
5,5
|
|
17
|
0,95
|
12
|
458
|
5,5
|
5,2
|
2,4
|
5,7
|
30
|
35,2
|
53
|
|
18
|
0,85
|
6
|
623
|
3,7
|
3,1
|
3,2
|
4,4
|
-
|
3,1
|
360
|
|
19
|
0,85
|
12
|
1371
|
16,5
|
14
|
18,6
|
23,3
|
80
|
94
|
53
|
|
19*
|
0,85
|
12
|
1371
|
16,5
|
14
|
18,6
|
23,3
|
2912
|
2926
|
1,7
|
|
20
|
0,85
|
10
|
1089
|
10,8
|
9,2
|
9,4
|
13,1
|
600
|
609,2
|
5,4
|
. Определение
местоположения подстанции
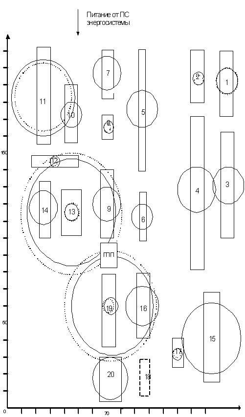
На промышленных предприятиях главные понизительные подстанции предприятия
(ГПП) и цеховые трансформаторные подстанции (ТП) максимально, насколько это
позволяют производственные условия, приближают к центрам нагрузок
соответствующих групп потребителей электроэнергии. Приближение подстанций
позволяет построить экономичную и надежную систему электроснабжения. Такие
подстанции называются подстанциями глубокого ввода.
Выбор места расположения подстанций производится в такой
последовательности: на схематический генплан предприятия наносится картограмма
электрических нагрузок, затем выявляются сосредоточенные нагрузки и
определяются центры тяжести групп распределенных нагрузок. Нагрузки
обозначаются в виде кругов, площадь которых пропорциональны величине нагрузки.
Для начала необходимо определить местоположение подстанции - это значит
найти координаты центра электрических нагрузок для каждого цеха завода, а затем
и для всего предприятия в целом.
Для этого по исходным данным строим оси X и Y на
генплане и наносим центры энергетических нагрузок (ЦЭН) каждого цеха. Масштаб
генплана завода m = 20 м/см.
С учетом размеров территории генплана выбираем масштаб нагрузок,
ориентируясь на наибольшую и наименьшую, приняв удобный радиус:
где m- масштаб нагрузок, кВт/м2
или кВАр/м2 ;
Рнм, Qнм- наименьшая мощность цеха, кВт или
кВАр;нм - наименьший визуально воспринимаемый радиус картограммы
нагрузки, примем его равным 15 м.
Величина т округляется и принимается как для активных, так и для
реактивных нагрузок. С использованием вышеуказанных формул получаем:
Определяем радиусы окружностей активных и реактивных нагрузок для каждого
цеха:
где Ra и Rp- радиусы реактивной и активной
нагрузок, м;
Р и Q- активная и реактивная нагрузки
цехов, кВт и кBАр;
mа, mр- масштаб нагрузок активной и реактивной, кВт/м2
или кВАр/м2.
Определяем условные координаты ЦЭН всего предприятия
где Хa, Уa- координаты ЦЭН активных, км;
Хp, Уp- координаты ЦЭН реактивных, км;
По вышеприведенным формулам определяем местоположение ГПП (координаты
центра нагрузок).
Результаты расчётов заносим в таблицу 4.
Таблица 4 - Определение координат центра электрических нагрузок
|
№
|
, кВт
|
Q р осв + Q р,
кВАp
|
S=(S р осв
+ S р,), кВА
|
Ra, м
|
Rp, м
|
X, м
|
Y, м
|
|
1
|
234,8
|
239
|
334,2
|
32,6
|
33
|
160
|
205
|
|
2
|
40,3
|
19,6
|
44,5
|
13
|
9,5
|
135
|
200
|
|
3
|
436
|
444,3
|
622,8
|
44,5
|
45
|
160
|
140
|
|
4
|
623
|
635,4
|
889,7
|
53
|
53,7
|
135
|
130
|
|
5
|
386,5
|
393,6
|
551
|
41,9
|
42,2
|
100
|
180
|
|
6
|
195
|
198,1
|
277,2
|
29,7
|
30
|
100
|
120
|
|
7
|
305,6
|
311,7
|
436
|
37
|
37,6
|
75
|
200
|
|
8
|
33,4
|
16,1
|
36,7
|
12
|
8,5
|
75
|
170
|
|
9
|
310,2
|
316,4
|
442,5
|
37,5
|
38
|
75
|
120
|
|
10
|
189
|
192,2
|
268,9
|
29,3
|
29,5
|
33
|
172
|
|
11
|
1923,5
|
1442,3
|
2404,1
|
93,5
|
81
|
10
|
185
|
|
12
|
38,5
|
18,7
|
42,5
|
13
|
9
|
20
|
145
|
|
13
|
109,2
|
145,6
|
182
|
22
|
25,6
|
30
|
120
|
|
13*
|
3549,2
|
4731,6
|
5914
|
127
|
146
|
30
|
120
|
|
14
|
382,9
|
390
|
546,3
|
41
|
42
|
10
|
120
|
|
15
|
1677,3
|
1710,5
|
2394,8
|
87
|
88,2
|
145
|
50
|
664,2
|
677,4
|
948,6
|
55
|
55,5
|
160
|
40
|
|
17
|
35,2
|
16,9
|
38,7
|
12
|
8,8
|
125
|
47
|
|
18
|
3,1
|
3,2
|
4,4
|
3,7
|
3,7
|
100
|
23
|
|
19
|
94
|
124,6
|
155,3
|
20
|
23,7
|
75
|
60
|
|
19*
|
2926
|
4000,6
|
4873,3
|
115
|
134
|
75
|
60
|
|
20
|
609,2
|
621,4
|
870,1
|
52
|
53,1
|
77
|
18
|
Координаты ЦЭН активной нагрузки: А (72,2; 106,1).
Координаты ЦЭН реактивной нагрузки: В (71,6; 105,2).
Картограмма нагрузок см. Приложение 1.
5. Определение
потерь мощности при передаче электроэнергии к цехам
При передаче электрической энергии от ГПП к цеховым ТП неизбежными
являются потери электроэнергии при ее трансформации на низшее напряжение и
передаче по кабельным линиям.
Потери мощности в трансформаторах разделяются на потери в стали и потери
в меди (нагрузочные потери). Потери в стали - это потери в проводимостях
трансформаторов; они зависят от приложенного напряжения. Нагрузочные потери -
это потери в сопротивлениях трансформаторов; они зависят от тока нагрузки.
Потери активной мощности на участке кабельной линии обусловлены активным
сопротивлением проводов и кабелей, а также несовершенством их изоляции. Потери
реактивной мощности обусловлены индуктивными сопротивлениями проводов и
кабелей.
Приближенно потери мощности при передаче к цехам можно рассчитать по ниже
приведённым формулам:
Затем определяем суммарную полную мощность нагрузки по формуле:
Результаты расчётов заносим в таблицу 5.
Таблица 5 - Потери мощности при передаче электроэнергии к цехам
|
№
|
Название цеха
|
S, кВА
|
∆P, кВт
|
∆Q, кВАр
|
∆S, кВА
|
, кВА
|
|
1
|
Цех антрацитовых красителей
|
334,2
|
6,7
|
33,4
|
33,8
|
368
|
|
2
|
Бытовой корпус №1
|
44,5
|
0,9
|
4,45
|
4,6
|
49,1
|
|
3
|
Цех азокрасителей №2
|
622,8
|
12,4
|
62,2
|
63,4
|
686,2
|
|
4
|
Цех азокрасителей №3
|
889,7
|
17,8
|
88,9
|
90,6
|
980,3
|
|
5
|
Цех бромаминовой кислоты №1
|
551
|
11
|
55,1
|
56
|
607
|
|
6
|
Цех бромаминовой кислоты №2
|
277,2
|
5,5
|
27,7
|
27,5
|
304,5
|
|
7
|
Цех ацетонанила
|
436
|
8,7
|
43,6
|
45
|
491
|
|
8
|
Бытовой корпус №2
|
36,7
|
0,7
|
3,6
|
3,7
|
40,4
|
|
9
|
Цех красителей
|
442,5
|
8,8
|
44,2
|
45
|
487,5
|
|
10
|
Цех
текстильно-вспомогательных веществ
|
268,9
|
5,3
|
26,8
|
26,5
|
295,4
|
|
11
|
Цех полупродуктов №1
|
2404,1
|
48
|
240,4
|
244
|
2648,1
|
|
12
|
Бытовой корпус №3
|
42,5
|
0,8
|
4,2
|
4,3
|
46,8
|
|
13
|
Холодильная установка
|
182
|
3,6
|
18,2
|
18,3
|
200,3
|
|
13*
|
Холодильная установка(6кв-
синхронные двигатели)
|
5914
|
118
|
591,4
|
602
|
6516
|
|
14
|
Цех полупродуктов №2
|
546,3
|
10,9
|
54,6
|
55
|
601,3
|
|
15
|
Выпускной цех
|
2394,8
|
47,8
|
239,4
|
244
|
2638,8
|
|
16
|
Вспомогательный цех
|
948,6
|
19
|
94,8
|
96
|
1044,6
|
|
17
|
Бытовой корпус №4
|
38,7
|
7,7
|
3,8
|
8,6
|
47,3
|
|
18
|
Ремонтно-механический цех
|
4,4
|
0,08
|
0,4
|
0,4
|
4,8
|
|
19
|
Компрессорная
|
155,3
|
3,1
|
15,5
|
15,8
|
171,1
|
|
19*
|
Компрессорная (6кв-
синхронные двигатели)
|
4873,3
|
97,5
|
487,3
|
496
|
5369,3
|
|
20
|
Цех тиурама
|
870,1
|
17,4
|
87
|
88,6
|
958,7
|
. Выбор
числа и мощности трансформаторов
Правильный выбор числа и мощности трансформаторов на подстанциях
промышленных предприятий является одним из важных вопросов электроснабжения и
построения рациональных сетей. В нормальных условиях трансформаторы должны
обеспечивать питание всех потребителей предприятия при их номинальной нагрузке.
Число трансформаторов на подстанции определяется требованием надёжности
электроснабжения. С таким подходом наилучшим является вариант с установкой двух
трансформаторов, обеспечивающий бесперебойное электроснабжение потребителей
цеха любых категорий электроприемников.
Учитывая, что основную нагрузку инструментального завода составляют
электроприемники 2 категории, принимаем для питания всех цехов встроенные и
отдельно стоящие двухтрансформаторные ТП.
Мощность цеховых трансформаторов определяется следующим образом:
где 0,7 = коэффициент загрузки.
По справочнику выбираем тип трансформатора заданной мощности для каждого
цеха.
Несколько цехов, расположенных в непосредственной близости, с малыми
нагрузками объединяем в группу и выбираем для них общую ТП, рассчитанную на
суммарную нагрузку цехов группы. Для всех остальных цехов выбираем
трансформаторы, соответствующих типов, которые расположены непосредственно
внутри цехов.
После выбора типа трансформатора и определения его номинальной мощности
проверяем значение коэффициентов загрузки для нормального и аварийного режимов.
Как известно, перегрузка трансформатора в аварийном режиме не должна превышать
140 %.
Для этого используем следующие формулы:
- коэффициент загрузки номинальный
- коэффициент загрузки в аварийном режиме
Результаты выбора цеховых трансформаторов представлены в таблице 6. В
таблице 7 представлены паспортные данные выбранных цеховых трансформаторов.
Таблица 6 - Расчет и выбор цеховых трансформаторов
|
№ по плану
|
№ ТП
|
Категория потребителя
|
, кВА
|
Кол-во, шт.
|
, кВА
|
|
|
Тип
|
|
10,11,12,13,14
|
1
|
2
|
3791,9
|
2
|
4000
|
0,47
|
0,95
|
ТМ-4000/10
|
|
7,8
|
2
|
2
|
531,4
|
2
|
400
|
0,66
|
1,32
|
ТМ-400/10
|
|
5,6
|
3
|
2
|
911,5
|
2
|
630
|
0,71
|
1,42
|
ТМ-630/10
|
|
16,17,19,20
|
4
|
2
|
2221,7
|
2
|
1600
|
0,69
|
1,38
|
ТМ-1600/10
|
|
3,4,15
|
5
|
2
|
4305,3
|
2
|
4000
|
0,54
|
1,08
|
ТМ-4000/10
|
|
1,2
|
6
|
2
|
417,1
|
2
|
400
|
0,53
|
1,06
|
ТМ-400/10
|
Таблица 7 - Паспортные данные цеховых трансформаторов
|
Тип Т
|
Sн, кВА
|
Потери, кВт
|
Uкз, %
|
Ток ХХ, %
|
|
|
ХХ
|
КЗ
|
|
|
|
ТМ-400/10
|
400
|
0,95
|
5,5
|
4,5
|
2,1
|
|
ТМ-630/10
|
630
|
1,31
|
7,6
|
5,5
|
2
|
|
ТМ-1600/10
|
1600
|
2,8
|
18
|
5,5
|
1,3
|
|
ТМ-4000/10
|
4000
|
6,4
|
33,5
|
6,5
|
0,9
|
ТМ - трансформатор масляный, двухобмоточный, охлаждение с естественной
циркуляцией масла и воздуха.
Трансформатор для ГПП выбираем по суммарной нагрузке завода, равной
Через коэффициент загрузки определяем требуемую мощность для
трансформатора ГПП
,
где 0,7= коэффициент загрузки;
- число трансформаторов.
По шкале стандартных мощностей выбираем номинальную мощность
трансформатора ГПП равную 25000 кВА. Проверяем для выбранной мощности
трансформатора ГПП коэффициенты загрузки:
- коэффициент загрузки номинальный
коэффициент загрузки в аварийном режиме
В таблице 8 представлены паспортные данные выбранного трансформатора ГПП.
Таблица 8 - Выбор трансформаторов ГПП
|
Тип
|
Количество, шт
|
Sн, МВА
|
Uннн, кВ
|
Потери, кВт
|
Uкз, %
|
Ток ХХ, %
|
|
|
|
|
|
ХХ
|
КЗ
|
|
|
|
ТД-25000/110
|
2
|
25
|
115
|
6,3
|
31,5
|
121
|
10,5
|
0,75
|
ТД - трансформатор масляный, двухобмоточный, охлаждение с естественной
циркуляцией масла и принудительной циркуляцией воздуха.
электроприемник замыкание осветительный подстанция
Рисунок
2 - Структурная схема электроснабжения
7.
Расчет токов короткого замыкания
Расчет токов короткого замыкания (КЗ) необходим для выбора аппаратуры и
проверки элементов электроустановок (шин, изоляторов, кабелей и т. д.) на
электродинамическую и термическую устойчивость, а также уставок срабатывания
защит и проверки их на чувствительность срабатывания. Расчетным видом КЗ для
выбора или проверки параметров электрооборудования обычно считают трехфазное
КЗ.
В зависимости от назначения расчета токов КЗ выбирают расчетную схему
сети, определяют вид КЗ, местоположение точек КЗ на схеме и сопротивления
элементов схемы замещения.
При определении токов КЗ используют, как правило, один из двух методов:
· метод именованных единиц - в этом случае параметры схемы
выражают в именованных единицах (омах, амперах, вольтах и т. д.);
· метод относительных единиц - в этом случае параметры схемы
выражают в долях или процентах от величины, принятой в качестве основной
(базисной).
В данной курсовой работе будем использовать метод именованных единиц,
т.к. его применяют при расчетах токов КЗ сравнительно простых электрических
схем с небольшим числом ступеней трансформации. При этом необходимо привести
все электрические величины к напряжению ступени, на которой имеет место КЗ.
Составим схему замещения для расчета токов короткого замыкания.
Рисунок
3 - Схема замещения энергосистемы до точки короткого замыкания
Сопротивлением
воздушной ЛЭП от энергосистемы до ГПП завода, а также сопротивлениями кабельных
линий от ГПП до цеховых ТП можно пренебречь в виду их малости по сравнению с
сопротивлением системы.
Расчет
токов короткого замыкания в точках под номерами К3 - К8, т.е. за цеховыми
трансформаторами, проводится для проверки защитной аппаратуры, установленной на
отходящих линиях от ГПП. В этом расчете точки короткого замыкания выбраны таким
образом, чтобы определить параметры для проверки защитных аппаратов для
выбранных трансформаторов (причем с принятыми допущениями очевидно, что для
однотипных трансформаторов одинаковой мощности токи короткого замыкания
одинаковы).
Расчет токов
короткого замыкания для точки К1
Принимаем:
- Базисное напряжение Uб=115 кВ;
- Мощность системы по заданию 600 МВА;
- Реактивное сопротивление системы на стороне 110 кВ,
отнесенное к мощности системы, ХС* = 0,8.
Реактивное сопротивление системы на стороне 110 кВ:
Значение тока трехфазного короткого замыкания в точке К1:
Значение ударного тока трехфазного короткого замыкания в точке К1:
где Ку - ударный коэффициент, для выводов генератора
энергосистемы примем Ку = 2.
Расчет токов
короткого замыкания для точки К2
Принимаем:
- Базисное напряжение Uб = 6,3 кВ;
- Базисная мощность Sб = 25000
МВА.
Реактивное сопротивление системы:
Реактивное сопротивление трансформатора ГПП:
Значение тока короткого замыкания в точке К2:
Значение ударного тока короткого замыкания в точке К2:
где Ку = 1,5 для выводов низкого напряжения трансформатора ГПП
с номинальной мощностью 25 МВА.
Расчет токов
короткого замыкания для точки К3
Принимаем:
- Базисное напряжение UБ = 0,4 кВ;
- Базисная мощность Sб = 25000 МВА.
Реактивное сопротивление системы:
Реактивное сопротивление трансформатора ГПП:
Реактивное сопротивление трансформатора ТП-1:
Значение тока короткого замыкания в точке К3:
Значение ударного тока короткого замыкания в точке К3:
где Ку = 1,4 для выводов низкого напряжения трансформатора
ТП-1 с номинальной мощностью 100 кВА.
Для точек К4-К8 расчет аналогичный, результаты расчета токов короткого
замыкания представлены в таблице 9.
Точка К8 находится за трансформатором 6/3 кВ.
Таблица 9 - Расчет токов короткого замыкания
|
Точка КЗ
|
Хс, Ом
|
Х т ГПП, Ом
|
Хт, Ом
|
Iкз(3), кА
|
Iуз(3), кА
|
|
К1
|
17,63
|
-
|
-
|
3,76
|
10,63
|
|
К2
|
0,001
|
0,17
|
-
|
21,27
|
45,12
|
|
К3
|
0,00001
|
0,00029
|
0,0018
|
109,97
|
186,62
|
|
К4
|
|
|
0,018
|
12,61
|
21,4
|
|
К5
|
|
|
0,011
|
20,43
|
34,6
|
|
К6
|
|
|
0,0045
|
48,1
|
81,6
|
|
К7
|
|
|
0,0018
|
109,97
|
186,62
|
|
К8
|
|
|
0,018
|
12,61
|
21,4
|
|
К9 (6 кВ)
|
0,001
|
0,17
|
-
|
21,27
|
45,12
|
|
К10 (6 кв)
|
0,001
|
0,17
|
-
|
21,27
|
45,12
|
. Выбор
коммутационной аппаратуры
Произведем выбор защитных аппаратов (ЗА), установленных на низкой стороне
трансформаторов ГПП и, соответственно, на высокой стороне цеховых
трансформаторов (номинальное напряжение 6 кВ).
Работа электрических коммутационных аппаратов без повреждений может быть
обеспечена только при правильном выборе их по условиям работы в длительном
режиме при максимальной нагрузке и в режиме короткого замыкания в сети.
Электрические аппараты выбирают по каталогам, исходя из условий нормального
режима. Затем выбранные аппараты следует проверить по режиму максимальных токов
КЗ для точек, где предполагается установка коммутационного аппарата.
В качестве защитных коммутационных аппаратов используем высоковольтные
выключатели, устанавливаемые с разъединителями с двух сторон.
Высоковольтный
выключатель - защитно-коммутационный аппарат
<#"657272.files/image051.gif">
По справочнику подбираем тип выключателя и разъединителя, используя
условия, представленные в таблице 10.
Для трансформаторов ГПП выбираем по справочнику, кроме того,
трансформаторы тока.
Кроме того, необходимо выбрать секционный выключатель и разъединители для
коммутаций на шинах 6 кВ. Так как эти аппарат включаются в работу на нагрузку,
равную полной нагрузке завода, то их можно принять такими же как и для ГПП.
Таблица 10 - Условия выбора коммутационных аппаратов
|
Расчетные данные
|
Каталожные данные
|
Условие выбора
|
|
Uн.у , кВ
|
Uн.за. ,
кВ
|
Uн.у ≤ Uн.за.
|
|
Iн.у , А
|
Iн.за. ,
кВ
|
Iн.у ≤
Iн.за.
|
|
I(3)кз , кА
|
Iном.откл.
, кА
|
Iном.откл. ≥ I(3)кз
|
|
iуд , кА
|
iск , кА
|
iуд ≤
iск
|
Результаты расчета сведены в таблицах 11 - 13.
Таблица 11 - Выбор выключателей и разъединителей и трансформаторов тока
трансформаторов ГПП
|
Тип аппарата
|
Каталожные данные
|
Расчетные данные
|
Условие выбора
|
|
ВМПЭ-11-1250-31,5Т3
|
Uн.за. ,
кВ
|
11
|
Uн.у , кВ
Iн.у , А
I(3)кз , кА iуд , кА
|
6 1154,7 21,27 45,12
|
Uн.у ≤ Uн.за. Iн.у ≤ Iн.за. Iном.откл.
≥
I(3)кз iуд ≤
iск
|
|
Iн.за. ,
кВ
|
1250
|
|
|
|
|
Iном.откл.
, кА
|
31,5
|
|
|
|
|
iск , кА
|
80
|
|
|
|
|
РВР-10/2000 У3
|
Uн.за. ,
кВ
|
10
|
|
|
|
|
Iн.за. ,
кВ
|
2000
|
|
|
|
|
Iном.откл.
, кА
|
-
|
|
|
|
|
iск , кА
|
85
|
|
|
|
|
ТЛ - 10 - 1
|
Uн.за. ,
кВ
|
10
|
|
|
|
|
Iн.за. ,
кВ
|
1500
|
|
|
|
|
Iном.откл.
, кА
|
-
|
|
|
|
|
iск , кА
|
128
|
|
|
|
ВМПЭ - выключатель маломасляный, подвесное исполнение полюсов,
электромагнитный привод.
РВР - разъединитель внутренней установки рубящего типа.
ТЛ - трансформатор тока опорные-проходные, предназначенный для передачи
сигнала к электрическим измерительным приборам и/или устройствам защиты и
управления, а также для изолирования цепей вторичных соединений от высокого
напряжения в электрических установках переменного тока частоты 50 на класс
напряжения до 10 кВ.
Таблица 12 - Выбор выключателей и разъединителей цеховых трансформаторов
|
Номер ТП
|
Тип аппарата
|
Каталожные данные
|
Расчетные данные
|
Условие выбора
|
|
1, 5
|
МГГ-10-3150-45
|
Uн.за. ,
кВ
|
10
|
Uн.у , кВ
Iн.у , А
I(3)кз , кА iуд , кА
|
6 414,2 109,97 186,62
|
Uн.у ≤ Uн.за. Iн.у ≤ Iн.за. Iном.откл.
≥
I(3)кз iуд ≤
iск
|
|
|
Iн.за. ,
кВ
|
3150
|
|
|
|
|
|
Iном.откл.
, кА
|
45
|
|
|
|
|
|
iск , кА
|
120
|
|
|
|
|
РВФ - 10/1000
|
Uн.за. ,
кВ
|
10
|
|
|
|
|
|
Iн.за. ,
кВ
|
1000
|
|
|
|
|
|
Iном.откл.
, кА
|
-
|
|
|
|
|
|
iск , кА
|
100
|
|
|
|
|
4
|
ВК-630-31,5
|
Uн.за. ,
кВ
|
10
|
Uн.у , кВ
Iн.у , А
I(3)кз , кА iуд , кА
|
6 217,6 48,1 81,6
|
Uн.у ≤ Uн.за. Iн.у ≤ Iн.за. Iном.откл.
≥
I(3)кз iуд ≤
iск
|
|
|
Iн.за. ,
кВ
|
630
|
|
|
|
|
|
Iном.откл.
, кА
|
31,5
|
|
|
|
|
|
iск , кА
|
80
|
|
|
|
|
РВЗ - 10/1000
|
Uн.за. ,
кВ
|
10
|
|
|
|
|
|
Iн.за. ,
кВ
|
1000
|
|
|
|
|
|
Iном.откл.
, кА
|
-
|
|
|
|
|
|
iск , кА
|
81
|
|
|
|
|
2,6
|
ВПМ-10-20/630
|
Uн.за. ,
кВ
|
10
|
Uн.у , кВ
Iн.у , А
I(3)кз , кА iуд , кА
|
6 51,4 12,61 21,4
|
Uн.у ≤ Uн.за. Iн.у ≤ Iн.за. Iном.откл.
≥
I(3)кз iуд ≤
iск
|
|
|
Iн.за. ,
кВ
|
630
|
|
|
|
|
|
Iном.откл.
, кА
|
20
|
|
|
|
|
|
iск , кА
|
52
|
|
|
|
|
РВ - 6/400
|
Uн.за. ,
кВ
|
10
|
|
|
|
|
|
Iн.за. ,
кВ
|
400
|
|
|
|
|
|
Iном.откл.
, кА
|
-
|
|
|
|
|
|
iск , кА
|
41
|
|
|
|
|
13*,19*
|
МГГ-10-3150-45
|
Uн.за. ,
кВ
|
10
|
Uн.у , кВ
Iн.у , А
I(3)кз , кА iуд , кА
|
6 627,2 21,27 45,12
|
Uн.у ≤ Uн.за. Iн.у ≤ Iн.за. Iном.откл.
≥
I(3)кз iуд ≤
iск
|
|
|
Iн.за. ,
кВ
|
3150
|
|
|
|
|
|
Iном.откл.
, кА
|
45
|
|
|
|
|
|
iск , кА
|
120
|
|
|
|
|
РВФ - 10/1000
|
Uн.за. ,
кВ
|
10
|
|
|
|
|
|
Iн.за. ,
кВ
|
1000
|
|
|
|
|
|
Iном.откл.
, кА
|
-
|
|
|
|
|
|
iск , кА
|
100
|
|
|
|
|
3
|
ВПМ-10-20/630
|
Uн.за. ,
кВ
|
10
|
Uн.у , кВ
Iн.у , А
I(3)кз , кА iуд , кА
|
6 87,2 20,43 34,6
|
Uн.у ≤ Uн.за. Iн.у ≤ Iн.за. Iном.откл.
≥
I(3)кз iуд ≤
iск
|
|
|
Iн.за. ,
кВ
|
630
|
|
|
|
|
|
Iном.откл.
, кА
|
20
|
|
|
|
|
|
iск , кА
|
52
|
|
|
|
|
РВ - 6/400
|
Uн.за. ,
кВ
|
10
|
|
|
|
|
|
Iн.за. ,
кВ
|
400
|
|
|
|
|
|
Iном.откл.
, кА
|
-
|
|
|
|
|
|
iск , кА
|
41
|
|
|
|
ВММ - выключатель маломасляный со встроенным пружинным приводом и блоком
релейной защиты.
МГГ - выключатель масляный, горшковый (малообъёмный), генераторный.
ВК - выключатель маломасляный концевой.
РВ - разъединитель внутренней установки, без заземляющих ножей.
РВЗ - Разъединитель внутренней установки с заземляющими ножами.
РВФ - разъединитель внутренней установки, фигурный (проходные изоляторы).
Список
использованной литературы
1. Кабышев
А.В., Обухов С.Г. Расчет и проектирование систем электроснабжения / А.В.
Кабышев, С.Г. Обухов. - Томск, 2005. - 168 с.
. Крючков
И.П. Электрическая часть станций и подстанций: Справочные материалы для
курсового и дипломного проектирования. Учеб. Пособие для электроэнергетических
специальностей вузов / Крючков И.П., Кувшинский Н.Н, Неклепаев Б.Н.; Под ред.
Неклепаева - 3-е издание., перераб. и доп. - М.: энергия, 1978. - 456 с., ил.
. Правила
устройства электроустановок. - 7-е изд. М.: Энергоатомиздат, 2002.
. Справочник
по электроснабжению промышленных предприятий. Промышленные электрические сети./
Под общ. ред. А. А. Федорова и Г. В. Сербиновского. - М.: Энергия, 1980. - 576
с.
. Шеховцов
В.П. Расчет и проектирование схем электроснабжения. Методическое пособие для
курсового проектирования. - М.: ФОРУМ: ИНФРА - М, 2005. - 214 с. ил. -
(Профессиональное образование).
. Электрическая
часть электростанций и подстанций: Справочные материалы для курсового и
дипломного проектирования: Учебное пособие для вузов. - 4-е изд., перераб. и
доп. - М.: Энергоатомиздат, 1989.
Приложение 1
- Картограмма электрических нагрузок
Приложение 2
- Картограмма осветительной нагрузки
Приложение 3
- Местоположение ГПП и ТП
Приложение
4 - Принципиальная электрическая схема