Проектирование подстанции системы электроснабжения города на напряжение 110/35/10 кВ
Оглавление
ВВЕДЕНИЕ
. ВЫБОР
ВАРИАНТОВ СТРУКТУРНОЙ СХЕМЫ ПОДСТАНЦИИ
. ВЫБОР
ТИПА И МОЩНОСТИ ТРАНСФОРМАТОРОВ
.1 Перевод
суточных графиков потребления мощности
.2 Выбор
силовых трансформаторов подстанций
.3 Выбор
трансформаторов для первого варианта структурной схемы
.4 Выбор
трансформаторов для второго варианта структурной схемы
. ТЕХНИКО-ЭКОНОМИЧЕСКИЙ
РАСЧЕТ ВАРИАНТОВ
.1 Технико-экономический
расчет первого варианта структурной схемы
.2 Технико-экономический
расчет второго варианта структурной схемы
. ВЫБОР
ЧИСЛА ОТХОДЯЩИХ ЛИНИЙ
.1 Выбор
отходящих линий на стороне высокого напряжения
.2 Выбор
отходящих линий на стороне СН
. РАСЧЁТ
ТОКОВ КОРОТКОГО ЗАМЫКАНИЯ
.1 Определение
параметров схемы замещения
.2 Расчет
токов КЗ на шинах ВН
.3 Расчет
токов КЗ на шинах СН
.4 Расчет
токов КЗ на шинах НН
. РАСЧЕТ
КАБЕЛЬНОЙ СЕТИ НАГРУЗКИ НИЗКОГО НАПРЯЖЕНИЯ
.1 Выбор
кабеля для потребителей РП3
.2 Выбор
кабеля для потребителей РП1 и РП2
.3 Определение
термической стойкости кабеля
.4 Выбор
линейных реакторов
. ВЫБОР
СХЕМЫ И ТРАНСФОРМАТОРА СОБСТВЕННЫХ НУЖД
. ВЫБОР
СХЕМЫ РАСПРЕДЕЛИТЕЛЬНЫХ УСТРОЙСТВ
.1 Выбор
РУ на стороне ВН
.2 Выбор
РУ на стороне СН
.3 Выбор
РУ на стороне НН
. ВЫБОР
ПРОВОДНИКОВ И АППАРАТОВ
.1 Выбор
выключателей
.1.1 Выбор
выключателей на стороне ВН
.1.2 Выбор
выключателей на стороне СН
.1.3 Выбор
выключателей на стороне НН
.2 Выбор
секционного реактора
.3 Выбор
разъединителей.
.3.1 Выбор
разъединителей на стороне ВН
.3.2 Выбор
разъединителей на стороне СН
.3.3 Выбор
разъединителей на стороне НН
.4 Выбор
шин
.4.1 Выбор
шин на стороне ВН
.4.2 Выбор
шин на стороне СН
.4.3 Выбор
шин на стороне НН
.5 Выбор
трансформаторов тока
.5.1 Выбор
ТТ на стороне ВН
.5.2 Выбор
ТТ на стороне СН
.5.3 Выбор
ТТ на стороне НН
.6 Выбор
трансформаторов напряжения
.6.1 Выбор
ТН на стороне ВН
.6.2 Выбор
ТН на стороне СН
.6.3 Выбор
ТН на стороне НН
Заключение.
ПЕРЕЧЕНЬ
СОКРАЩЕНИЙ
ЛИТЕРАТУРА
ВВЕДЕНИЕ
Электрическая энергия находит широкое применение в промышленности,
народном хозяйстве и в быту. Она стала наиболее применимой в наше время - время
высоких технологий, технического и научного прогрессов. Электрическая энергия
удобна в передачи и распределении между приёмниками.
Источниками этого вида энергии являются различного рода электростанции,
такие как ТЭС, АЭС, ГЭС и т.д. Объединение электростанций на параллельную
работу и создание энергосистемы имеет большое значение для народного хозяйства
и даёт ряд технических и экономических преимуществ: повышает надёжность
электроснабжения, улучшает качество энергии, повышает экономичность производства
и т.д. Более 70% выработки в РФ приходится на ТЭС, хотя это существенно вредит
окружающей среде. В настоящее время ведутся широкие исследования в поиске
выгодного применения альтернативных источников для производства электроэнергии.
Потребители электрической энергии в нашей стране могут располагаться как
совокупно, так и на значительных расстояниях друг от друга. При этом необходимо
рационально распределить энергию между ними. Для чего и служат потребительские
станции (подстанции).
Подстанции подразделяются на следующие типы:
· узловые распределительные 110-500 кВ
(УРП)
· главные понизительные 110-200/6-10-35 кВ (ГПП)
· подстанции глубоких вводов 35-220/6-10 кВ (ПГВ)
· распределительные пункты 6-10 кВ (РП)
· цеховые трансформаторы 6-10/0,38-0,66 кВ (ТП).
Электрическая схема подстанции определяет основное электрическое
оборудование, входящее в неё и эксплуатационные свойства этого оборудования.
Требования, выдвигаемые на стадии проектирования и сформулированные в
Нормах технологического проектирования электростанций и подстанций (НТП),
следующие:
1) соответствие электрической схемы
условиям работы подстанции в энергосистеме, ожидаемым режимам;
2) удобство эксплуатации, а именно:
простота и наглядность схемы; минимальный объем переключений, связанных с
изменением режима; доступность электрического оборудования для ремонта без
нарушения режима установки;
3) удобство сооружения электрической
части с учетом очередности ввода в эксплуатацию трансформаторов, РП и линий;
4) возможность автоматизации установки в
экономически целесообразном объеме;
5) достаточная, экономически оправданная
степень надежности.
Подстанции являются важным звеном системы электроснабжения городов и
промышленных предприятий. Имеют широкую номенклатуру исполнения в зависимости
от мощности напряжения и назначения.
1.
ВЫБОР ВАРИАНТОВ СТРУКТУРНОЙ СХЕМЫ ПОДСТАНЦИИ
Выбор структурной схемы осуществим из расчета того, что схема должна
отвечать условию, поставленному в курсовом проекте, а также иметь как можно
меньшие потери электроэнергии в процессе эксплуатации электростанции. Для этого
выполняется технико-экономический расчет подстанции. Чтобы выбрать наиболее
эффективную схему, будем сравнивать две схемы. На рис. 1а с двумя
трехобмоточными трансформаторами с РПН, а на рис. 1б -представлена схема, состоящая
из четырех трансформаторов.
а) б)
Рисунок 1- Структурные схемы подстанции.
2.
ВЫБОР ТИПА И МОЩНОСТИ ТРАНСФОРМАТОРОВ
Силовые трансформаторы проектируются на так называемый номинальный режим
работы, т.е. в предположении, что трансформатор работает неограниченно долго,
без перерывов, в течение всего нормального срока службы при номинальных
значениях напряжения, мощности, частоты и при номинальных условиях охлаждающей
среды и места установки. Указанный идеализированный номинальный режим является
расчетным и не отражает полностью способность трансформатора нести в условиях
эксплуатации реальную нагрузку, отличающуюся от его номинальной мощности.
Реальные режимы трансформаторов, работающих на большинстве понижающих
подстанций, существенно отличаются от номинального. Основные отличия
заключаются в следующем:
) непрерывная, неизменная по величине и равная номинальной мощности
трансформатора, нагрузка практически не встречается,
) суточный график обычно характеризуется максимумами и спадами,
) максимум нагрузки в разрезе года обычно имеет место зимой.
Так как нормальный срок службы трансформатора определяется механическим
износом изоляции, который зависит главным образом от температуры, при которой
работает изоляция. В условиях реальной эксплуатации износ изоляции
трансформатора, максимальная нагрузка которого не превышает его номинальной
мощности, происходит значительно медленнее и срок службы трансформатора
существенно удлиняется по сравнению с нормальным. Столь большие физические
сроки службы (30-50 лет и более) не рационально с точки зрения морального
износа. Поэтому без всякого ущерба для расчетного срока службы (20-25 лет)
можно в целях более эффективного использования мощности трансформатора
систематически его перегружать. Кроме того, за счет запаса износа изоляции
допустимы и редкие аварийные перегрузки.
2.1
Перевод суточных графиков потребления
мощности
(1)
-
активная мощность соответсвующей ступени, Мвт;
-
активная максимальная мощность нагрузки Мвт;
-ордината
соответствующей ступени типового графика;
,
,
НН:
Зима:
0…6ч:
МВт
…12ч:
МВт
…16ч:
МВт
…24ч:
МВт
Лето:
0…6ч:
МВт
…16ч:
МВт
…24ч:
МВт
СН:
Зима:
0…4ч:
МВт
…8ч:
МВт
…16ч:
МВт
…20ч:
МВт
…24ч:
МВт
Лето:
0…8ч:
МВт
…16ч:
МВт
…24ч:
МВт
)
строим графики потребления активной мощности:
Для НН:
Для СН:
Рисунок 2 - Суточные графики потребления активной мощности: а)для НН, б)
для СН.
) далее переводим графики активной в графики полной мощности:
МВ∙А (2)
МВ∙А (3)
НН:
Зима:
0…6ч:
МВ A
…12ч:
МВ A
…16ч:
МВ А
…24ч:
МВ A
Лето:
0…6ч:
МВ A
…16ч:
МВ A
…24ч:
МВ A
СН:
Зима:
0…4ч:
МВ A
…8ч:
МВ A
…16ч:
МВ A
…20ч:
МВ A
…24ч:
МВ A
Лето:
0…8ч:
МВ A
…16ч:
МВ A
…24ч:
МВ A
4)
на основании расчетов построим графики потребления полной мощности:
Для НН: Для СН:

)Расчет полной мощности по сети ВН:
(4)
Зима:
0…4ч:
МВ A
…6ч:
МВ A
…8ч:
МВ A
…12ч:
МВ A
…16ч:
МВ A
…20ч:
МВ A
20…24ч:
МВ A
Лето:
0…6ч:
МВ A
…16ч:
МВ A
…24ч:
МВ A
)
Построим суточный график потребления полной мощности по сети ВН.
2.2 Выбор силовых трансформаторов подстанций
Выбор номинальной мощности трансформаторов и оценка допустимости
возникающих при эксплуатации режимов осуществляются с учетом нагрузочной
способности трансформаторов, перегрузок.
Под нагрузочной способностью понимают свойство трансформатора нести
нагрузку сверх номинальной при условиях эксплуатации, определяемых
предшествующей нагрузкой и температурой охлаждающей среды.
Допустимая нагрузка - неограниченная во времени длительная нагрузка, при
которой износ изоляции обмоток от нагрева не превосходит износ, соответствующий
номинальному режиму работы.
Перегрузка трансформатора - режим, вызывающий ускоренный износ изоляции.
Такой режим возникает, если нагрузка на данный трансформатор окажется больше
его номинальной мощности или температура охлаждающей среды больше принятой
расчетной на 20 0С и более. Перегрузки могут быть аварийными и
систематическими.
Аварийная перегрузка разрешается в аварийных случаях, например при отказе
одного из параллельно работающих трансформаторов. Длительная аварийная
перегрузка для трансформаторов с системами охлаждении М, Д, ДЦ и Ц допускается
на 40 % в течение не более 5 суток продолжительностью не более 6 часов в сутки.
Систематическая перегрузка трансформаторов возможна за счет неравномерной
нагрузки в течение суток. При недогрузке износ изоляции мал, при перегрузке
износ значительно усиливается. Допустимая систематическая перегрузка
определяется из условия, что износ изоляции за время максимальной нагрузки и
предшествующей недогрузки такой же, как при работе трансформаторов при
постоянной номинальной нагрузке, когда температура наиболее нагретой точки
обмотки не превышает +98 0С.
2.3 Выбор
трансформаторов для первого варианта структурной схемы
Номинальная мощность трансформаторов 110/35/10 кВ должна удовлетворять
требованию передачи максимальной мощности в сеть НН и в сеть СН, т.е.
Найдем предварительную мощность трансформаторов:
(5)
Таким образом, согласно формуле 2.4:
МВ∙А
По найденному значению намечаем к выбору трансформатор марки ТДТН-63
000/110 с параметрами, указанными в таблице 1.
Таблица 1 - Параметры
трехобмоточного трансформатора.
|
Тип
|
Sном, МВА
|
UНОМ обмоток, кВ
|
UК, %
|
DРК, кВт
|
|
|
|
|
ВН
|
СН
|
НН
|
В-С
|
В-Н
|
С-Н
|
В-С
|
В-Н
|
С-Н
|
|
|
|
|
ТДТН-63 000/110/35
|
63
|
115
|
38,5
|
11
|
10,5
|
17
|
6,5
|
-
|
290
|
-
|
70
|
0,7
|
|
|
|
|
|
|
|
|
|
|
|
|
|
|
|
|
Выполним проверку на перегрузочную способность выбранного типа
трансформаторов. Проверка на перегрузочную способность выполняется по зимнему
графику в следующей последовательности:
. На графике рисунка 4 проводим линию номинальной нагрузки (Sном = 63 МВА).
2. Пересечением
этой линии с графиком нагрузки выделим участок наибольшей перегрузки
продолжительностью h´
.
. Оставшуюся
часть графика разбиваем на интервалы длительностью
.
. Определяем
коэффициент начальной нагрузки k1 по формуле:
, (6)
где Sном - номинальная мощность
трансформатора (Sном = 63 МВА);
Si -
мощность ступени графика ниже линии номинальной нагрузки, МВА;
-
длительность интервала мощностью Si, ч.
5. Определяем
коэффициент перегрузки
по формуле:
, (7)
где Sном - номинальная мощность
трансформатора;
Sj -
мощность ступени графика выше линии номинальной нагрузки, МВА;
-
длительность интервала с мощностью Sj, ч.
6. Определяем
коэффициент максимальной перегрузки
по
формуле:
,(8)
где
- максимальная мощность на графике, МВА;
-
номинальная мощность трансформатора, МВА.
7. Сравниваем
значения
и
:
т.о.
8. Корректируем продолжительность перегрузки по формуле:
. (9)
ч.
. По
табл. П 4.2 для среднегодовой температуры -10°С, системы охлаждения Д,
и продолжительности перегрузки 8,72 часов, определяем
допустимый коэффициент превышения нагрузки
.
А-недопустимо при t=+40.
Так как коэффициент перегрузки k2 = 1,152 < kдоп =
2,59A, то окончательно принимаем к
установке трансформатор типа ТДТН-63000/110/35.
2.4 Выбор трансформаторов для второго варианта структурной схемы
Для схемы, изображенной на рисунке 1б, необходимо два типа
трансформаторов: два трансформатора напряжением 110/10 кВ и два трансформатора
напряжением 35/10 кВ.
А) Выбор трансформаторов напряжением 110/10 кВ.
Номинальная мощность трансформаторов 110/10 кВ должна удовлетворять
требованию передачи максимальной мощности в сеть НН и в сеть СН, т.е.
Найдем предварительную мощность трансформаторов по формуле (5):
.
По
найденному значению Sпред намечаем к выбору трансформатор марки ТДЦ-80
000/110 [1] с параметрами, указанными в таблице 2.
Таблица
2 - Параметры двухобмоточного трансформатора.
|
Тип трансформатора
|
Номинальное напряжение, кВ
|
Потери, кВт
|
Напряжение короткого
замыкания, %
|
Ток холостого хода, %
|
|
ВН
|
НН
|
холостого хода
|
короткого замыкания
|
|
|
|
ТДЦ-80 000/110
|
121
|
10,5
|
70
|
310
|
10,5
|
0,55
|
Так как номинальная мощность трансформатора больше максимальной
передаваемой мощности, т.е. трансформатор недогружен, то проверку выполнять не
будем и окончательно примем трансформатор ТДЦ-80 000/110.
Б) Выбор трансформаторов напряжением 35/10 кВ
Номинальная мощность трансформаторов 35/10 кВ должна удовлетворять
требованию передачи максимальной мощности в сеть СН, т.е.
Найдем предварительную мощность трансформаторов по формуле (5):
По
найденному значению Sпред намечаем к выбору трансформатор марки ТД-40
000/35 с параметрами, указанными в таблице 3.
Таблица
3 - Параметры трансформатора.
|
Тип трансформатора
|
Номинальное напряжение, кВ
|
Потери, кВт
|
Напряжение короткого
замыкания, %
|
Ток холостого хода, %
|
|
ВН
|
НН
|
холостого хода
|
короткого замыкания
|
|
|
|
ТД-40 000/35
|
38,5
|
10,5
|
31,0
|
165
|
8,5
|
0,4
|
Выполним проверку на перегрузочную способность выбранного типа
трансформаторов. Проверка на перегрузочную способность выполняется по зимнему
графику в следующей последовательности:
. На графике рисунка 3б проводим линию номинальной нагрузки (Sном = 40 МВА).
2. Пересечением
этой линии с графиком нагрузки выделим участок наибольшей перегрузки
продолжительностью h´
.
. Оставшуюся
часть графика разбиваем на интервалы длительностью
. Определяем
коэффициент начальной нагрузки k1 по формуле (6):
. Определяем
коэффициент перегрузки
по формуле (7):
.
. Определяем
коэффициент максимальной перегрузки
по ф-ле
(8):
.
. Сравниваем
значения
и
:
.
Следовательно,
принимаем коэффициент перегрузки
.
8. Корректируем продолжительность перегрузки по формуле (9):
ч.
. По
табл. П4.2 для среднегодовой температуры -10°С, системы охлаждения Д,
коэффициента начальной нагрузки
и
продолжительности перегрузки 10 часов, определяем допустимый коэффициент
превышения нагрузки
1,39.
Т.
к.
, то окончательно принимаем к установке трансформатор
ТД-40000/35.
3.
ТЕХНИКО-ЭКОНОМИЧЕСКИЙ РАСЧЕТ ВАРИАНТОВ
Очень важно принять наиболее экономичный вариант сети с лучшими
технико-экономическими показателями. Формула суммарных дисконтирован-ных затрат
на сооружение и эксплуатацию какого-либо объекта в течение расчетного периода
(Тр = 10 лет) имеет вид:
Зд = Dэкв∙Kсоор + Зпот , (10)
где Dэкв - эквивалентный дисконтированный
множитель;
Kсоор
- капиталовложения на сооружение объекта, млн. руб.;
Зпот - затраты на потери электроэнергии, млн. руб.
Капиталовложения на сооружение объекта определяются по формуле:
соор = 1,25∙Kтр + KРУ , (11)
где Kтр - стоимость трансформаторов, млн.
руб.;
KРУ -
стоимость РУ, млн. руб.
Зпот - затраты на потери электроэнергии, млн. руб.
, (12)
где арен - коэффициент отчислений на реновацию, %;
а - общие нормы отчислений от капиталовложений;
Е - норматив дисконтирования;
Тэ - время эксплуатации объекта до окончания расчетного периода, лет;
Тр - расчетный период, лет;
Dр.э.
- расчетный дисконтированный множитель за срок эксплуатации до окончания
расчетного периода, вычисляется по формуле:
, (13)
где Тс - время строительства объекта, лет.
Затраты на потери электроэнергии определяется по формуле:
, (14)
где Uпот - издержки на возмещение потерь
электроэнергии, млн. руб.
, (15)
где С - стоимость одного кВт∙ч энергии, руб./кВт∙ч;
- годовые
потери электроэнергии, кВт∙ч/год, определяются по формуле:
, (16)
где Nз, Nл - количество зимних и летних дней в году соответственно;
Si, Sj - нагрузка i-ой и j-ой
ступени зимнего и летнего графиков соответственно;
Sном -
номинальная мощность трансформатора, МВА;
Pх -
потери холостого хода, кВт;
Pк -
потери короткого замыкания, кВт;
k -
количество параллельно работающих трансформаторов.
3.1
Технико-экономический расчет первого
варианта структурной схемы
Расчетный дисконтированный множитель за срок эксплуатации до окончания
расчетного периода:
.
Для трансформатора с высшим напряжением 110 кВ принимаем следующие
величины для расчёта:
;
Эквивалентный дисконтированный множитель:
Капиталовложения на сооружение объекта:
Kсоор
= 1,25∙Kтр + KРУ = 1,25∙10,6∙2 + (5 + 3) = 34,5 млн. руб.
Годовые потери электроэнергии:
Издержки на возмещение потерь электроэнергии:
млн.
руб.
Затраты
на потери электроэнергии:
млн.
руб.
Суммарные
затраты на сооружение и эксплуатацию объекта:
млн.
руб.
3.2
Технико-экономический расчет второго
варианта структурной схемы
Расчетный дисконтированный множитель за срок эксплуатации до окончания
расчетного периода:
.
Эквивалентный
дисконтированный множитель:
Капиталовложения на сооружение объекта:
соор = 1,25∙Kтр + KРУ = 1,25∙(8,81∙2 + 2∙6)
+ (5 + 3) = 45 млн. руб.
Годовые потери электроэнергии для трансформаторов 110/35:
Годовые
потери электроэнергии для трансформаторов 35/10:
Издержки
на возмещение потерь электроэнергии:
млн.
руб.
Затраты
на потери электроэнергии:
млн.
руб.
Суммарные
затраты на сооружение и эксплуатацию объекта:
млн.
руб.
Так
как суммарные затраты на сооружение и эксплуатацию первого объекта меньше
соответствующих затрат на второй объект, то наиболее целесообразно использовать
первый вариант структурной схемы с двумя трехобмоточными трансформаторами
(рисунок 1а).
4.
ВЫБОР ЧИСЛА ОТХОДЯЩИХ ЛИНИЙ
4.1 Выбор отходящих линий на стороне высокого напряжения
Максимальная мощность на стороне ВН: Smax = 77,21 МВА; число отходящих одноцепных линий - 2,
длина линий: 95/70 км.
Выбор сечения проводов производится методом экономической плотности тока.
Продолжительность использования максимума нагрузки:
, (17)
где Nз и Nл - количество зимних и летних дней в году соответственно (Nз = 210, Nл = 155);
Si, Sj - нагрузка i-ой и j-ой
ступени зимнего и летнего графиков соответственно по сети ВН, МВА;
ti, tj - продолжительность ступени графика,
ч;
Smax -
максимальная мощность, передаваемая по сети ВН, МВА.
Следовательно:
Для
такой продолжительности максимума нагрузки находим экономическую плотность тока
для алюминиевых проводов и шин: jэк = 1,3
.
Предположим, что нагрузка распределена по линиям равномерно. Тогда
нормальный расчетный ток для одной двухцепной линии:
, (18)
где Uном - номинальное напряжение, кВ.
Экономическое
сечение провода, мм2:
; (19)
.
Предварительно
выбираем провод, марки АС 150/34, допустимый длительный ток Iдоп
= 445 А.
Проверку
осуществляем по допустимому току в режиме обрыва одной цепи линии. При этом
ток, протекающий по оставшейся в работе цепи линии:
; (20)
Т.к.
Imax < Iдоп, то окончательно принимаем провод АС 150/34, с
активным сопротивлением постоянному току r0 = 0,192
и индуктивным сопротивлением x0 = 0,416
.
Провода,
расположенные на открытом воздухе, по термической стойкости не проверяются.
4.2 Выбор отходящих линий на стороне СН
Максимальная мощность на стороне СН: Smax = 45,45 МВА; число отходящих двухцепных линий - 3,
длина линий: 15/20/30 км.
Выбор сечения проводов производится методом экономической плотности тока.
Продолжительность использования максимума нагрузки по формуле (17) для
сети среднего напряжения:
Для
такой продолжительности максимума нагрузки находим экономическую плотность тока
для алюминиевых проводов: jэк = 1
.
Предположим, что нагрузка распределена по линиям равномерно. Тогда
нормальный расчетный ток по формуле (18) для сети среднего напряжения с тремя
двухецпными линиями:
Экономическое
сечение провода по формуле (19):
.
Принимаем
ближайшее стандартное сечение 150 мм2 и предварительно выбираем провод марки АС
150/24, допустимый длительный ток Iдоп = 445 А.
Проверку
осуществляем по допустимому току в режиме обрыва одной цепи линии. При этом
ток, протекающий по оставшейся в работе цепи линии по формуле (20):
Т.к.
Imax < Iдоп, то окончательно принимаем провод АС 150/24, с
активным сопротивлением постоянному току r0 = 0,194
и индуктивным сопротивлением x0 = 0,398
.
Провода,
расположенные на открытом воздухе, по термической стойкости не проверяются.
5.
РАСЧЁТ ТОКОВ КОРОТКОГО ЗАМЫКАНИЯ
Для выбора ЭО, аппаратов, шин, кабелей, токоограничивающих реакторов
необходимо знать токи КЗ. При этом достаточно уметь определить ток трехфазного
КЗ в месте повреждения, а в некоторых случаях распределение токов в ветвях
схемы, непосредственно примыкающих к этому месту. При расчете определяют
начальное значение периодической составляющей для наиболее тяжелого режима
работы сети. Апериодическую составляющую учитывают приближенно, допуская при
этом, что она имеет максимальное значение в рассматриваемой фазе.
Расчет токов при трехфазном КЗ выполняют в следующем порядке:
1) для рассматриваемой установки
составляют расчетную схему;
2) по расчетной схеме составляют
электрическую схему замещения;
3) путем постепенного преобразования
приводят схему замещения к простому виду - так, чтобы каждый источник питания
или группа источников с результирующей ЭДС была связана с точкой КЗ одним
сопротивлением;
4) определяют начальное значение
периодической составляющей тока КЗ, затем ударный ток КЗ и при необходимости
периодическую и апериодическую составляющие тока КЗ для заданного момента
времени. Расчетная схема - это однолинейная схема ЭУ с указанием тех элементов
и их параметров, которые влияют на значение токов КЗ и поэтому должны
учитываться при выполнении расчетов. В схеме замещения электромагнитные связи
заменяются электрическими. Источники вводят в схему замещения как ЭДС и
сопротивления, остальные элементы - как сопротивления. Расчет токов КЗ можно
вести как в именованных (и.е.), так и в относительных (о.е.) единицах. В сетях
и установках до 1 кВ обычно производят расчет в и.е. В установках напряжением
более 1кВ принято все сопротивления короткозамкнутой цепи приводить к базисным
условиям и выражать в о. е. Относительное значение какой-либо величины - это
отношение ее к другой одноименной величине выбранной за единицу измерений.
5.1 Определение параметров схемы замещения
Составим электрическую схему замещения подстанции и определим ее
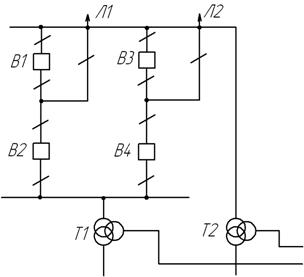
параметры в относительных единицах (о.е.) при базисных условиях.
Рисунок 5 - Схема подстанции
а) расчетная схема; б) электрическая схема замещения.
Исходные данные:
Л1: х0 = 0,416 Ом/км; l1 =
95 км; Л2: х0 = 0,416 Ом/км; l2 =
70 км.
Л3: х0 = 0,398 Ом/км; l3 =
15 км; Л4: х0 = 0,398 Ом/км; l4 =
20 км.
Л5: х0 = 0,398 Ом/км; l5 =
30 км.
Т: SТ = 63 МВА; UВН = 115 кВ; UСН =
38,5 кВ; UНН = 11 кВ;
Uк В-С
= 10,5%; Uк В-Н = 17%; Uк С-Н = 6,5%.
НГ: Енг = 0,85 о.е.; хнг = 0,35 о.е.; SНГ СН = 45,45 МВА; SНГ НН = 31,76 МВА.
Принимаем базисную мощность Sб = 2500 МВА; базисные напряжения ступеней:
(21)
Тогда
UбI = 115 кВ; UбII = 37 кВ; UбIII =
10,5 кВ.
Находим
базисные токи ступеней:
(22)


Определим параметры схемы замещения при базисных условиях:
Упрощаем
схему замещения:
Рисунок 6 - Упрощенная схема замещения
5.2 Расчет токов КЗ на шинах ВН
Рисунок 7 - Расчет токов КЗ на шинах ВН.
Приводим схему рисунка 7а к виду, изображенному на рисунке 7б.
Приводим
схему рисунка 7б к простейшему виду, изображенному на рисунке 6в.
Определяем
периодическую составляющую тока КЗ в начальный момент времени:
Постоянная
времени и ударный коэффициент: Tа = 0,02 с, Kуд = 1,608 .
Ударный
ток в точке K1:
. (23)
5.3
Расчет токов КЗ на шинах СН
Рисунок 8 - Расчет токов КЗ на шинах СН.
Приводим схему рисунка 8а к простейшему виду, изображенному на рисунке
8б.
Определяем
периодическую составляющую тока КЗ в начальный момент времени:
Постоянная
времени и ударный коэффициент: Tа = 0,02 с, Kуд = 1,608.
Ударный
ток в точке K2:
5.4 Расчет токов КЗ на шинах НН
Рисунок 9 - Расчет токов КЗ на шинах НН.
Приводим схему рисунка 9а к виду, изображенному на рисунке 9б.
Приводим
схему рисунка 9б к простейшему виду, изображенному на рисунке 8в.
Определяем
периодическую составляющую тока КЗ в начальный момент времени:
Постоянная
времени и ударный коэффициент: Tа = 0,02 с, Kуд = 1,608.
Ударный
ток в точке K3:
6.
РАСЧЕТ КАБЕЛЬНОЙ СЕТИ НАГРУЗКИ НИЗКОГО НАПРЯЖЕНИЯ
По суточному графику потребления полной мощности по сети НН (рисунок 3а)
определяется время максимальных потерь Tmax:
, (24)
где Nз и Nл - количество зимних и летних дней в году (Nз = 210, Nл = 155);
Si, Sj - нагрузка i-ой и j-ой
ступени зимнего и летнего графиков соответственно по сети НН, МВА;
ti, tj - продолжительность ступени графика,
ч;
Smax -
максимальная мощность, передаваемая по сети НН, МВА.
Тогда
Для
кабелей с бумажной изоляцией и алюминиевыми жилами экономическая плотность тока
jэк = 1,4 А/мм2 .
6.1 Выбор кабеля для потребителей РП3
Ток нормального рабочего режима кабелей РП3 определяется по формуле:
, (25)
где Рmax - максимальная мощность,
передаваемая с РП3, кВА;
Uном -
номинальное напряжение РП3, кВ;
cos j - коэффициент мощности, cos j = 0,85.
Наибольший
рабочий ток при отключении одной из линий:
Находим
экономическое сечение кабеля по формуле:
. (26)
Тогда
Предварительно
выбираем кабель марки АСБ - 10 - 3×50 . Допустимая токовая нагрузка для данной марки кабеля Iдоп
= 140 А.
Проверяем
выбранный кабель по условию:
(27)
где Kап - коэффициент аварийной
перегрузки, Kап = 1,2;
-
поправочный коэффициент на температуру окружающей среды,
= 0,94;
-
поправочный коэффициент на количество работающих кабелей, лежащих в земле,
= 1;
-
поправочный коэффициент для кабелей, работающих при номинальном напряжении,
=1.
Проверяем
условие: 1,2∙0,94∙1∙1∙140 = 157,92 > 101,89.
Условие
выполняется, следовательно, окончательно принимаем кабель марки АСБ - 10 - 3×50.
6.2 Выбор кабеля для потребителей РП1 и РП2
Ток нормального рабочего режима РП1 и РП2 определяется по формуле:
, (28)
где Рmax - максимальная мощность,
передаваемая с РП1 и РП2, кВА;
Uном -
номинальное напряжение РП1 и РП2, кВ;
cos j - коэффициент мощности, cos j = 0,85.
Наибольший
рабочий ток определяется при отключении одного из питающих кабелей и при
протекании тока через перемычку:
, (29)
где
и
-
максимальная мощность РП1 и РП2 соответственно.
.
Находим экономическое сечение кабеля по формуле:
. (30)
Тогда
Предварительно
выбираем кабель марки АСБ - 10 - 3×120. Допустимая токовая нагрузка для двух параллельно
работающих кабелей Iдоп = 2∙240 = 480А.
Проверяем выбранный кабель:
,2∙0,94∙1∙1∙480 = 541,44 > 203,77.
Условие выполняется, следовательно, окончательно принимаем кабель марки
АСБ - 10 - 3×120.
6.3 Определение термической стойкости кабеля
силовой трансформатор подстанция напряжение
Выбранный кабель необходимо проверить на термическую стойкость и на
основе расчетов сделать вывод о необходимости установки токоограничива-ющих
реакторов. Ток термической стойкости определяется по формуле:
(31)
где Iтерм. - ток термической стойкости, А;
С - коэффициент термической стойкости для данной марки кабеля;
S -
сечение кабеля, мм2;
tо.в.
- время отключения выключателя, с;
tр.з.
- время срабатывания релейной защиты, с;
Та - постоянная времени выключателя, с.
Для
выключателя серии ВЭ-10-1250/20 время отключения равно 0,075 с; время
срабатывания релейной защиты 0,4 с; коэффициент термической стойкости для
кабелей с бумажной изоляцией и алюминиевыми жилами равен 85
; Та = 0,02 с.
Для
кабеля АСБ - 10 - 3×50
Для
кабеля АСБ - 10 - 3×120
Проверяется
условие:
. Т.к. условие не выполняется (14,5 кА < 25,11 кА),
то необходима установка линейного реактора.
6.4 Выбор линейных реакторов
Для установки предварительно примем сдвоенные реакторы. На каждую ветвь в
сдвоенном реакторе приходится средняя токовая нагрузка:
; (32)
, (33)
где РРП1, РРП2, РРП3 - мощность, передаваемая через РП1, РП2 и РП3
соответственно.
;
.
Предварительно
выбираем реактор РБС-10-2×630-0,25. Номинальный ток ветви Iном.ветви = 630
А.
Определяем
требуемое сопротивление цепи до кабеля по формуле:
, (34)
где Uном - номинальное напряжение РП, кВ;
Iтерм
- ток термической стойкости кабеля, кА.
Результирующее сопротивление цепи до реактора:
. (35)
Требуемое
сопротивление реактора:
Окончательно
принимаем реактор РБС-10-2×630-0,25
с номинальными параметрами: хр = 0,25 Ом, Kсв = 0,46, Iдин
= 40 кА, Iтерм = 15,75 кА, tт = 8 с.
Определяем
фактическое значение тока КЗ на шинах РП:
; (36)
Проверяем
реактор на электродинамическую стойкость в режиме КЗ:
; (37)
.
Т.к.
iуд < Iдин (26,8 кА < 40 кА), то по электродинамической
стойкости выбранный реактор подходит.
Проверяем
реактор на термическую стойкость. Тепловой импульс:
; (38)
.
Расчетный
тепловой импульс:
; (39)
.
Т.к.
Вк.расч. < Bк (58,48 < 1984), то по термической стойкости
выбранный реактор подходит.
Остаточное
напряжение на шинах НН при КЗ за реактором:
; (40)
.
Потеря
напряжения при протекании наибольшего рабочего тока в нормальном режиме:
; (41)
,
что
соответствует норме 1,5 ÷
2%.
Таким
образом, выбранный реактор подходит по всем параметрам.
7.
ВЫБОР СХЕМЫ И ТРАНСФОРМАТОРА СОБСТВЕННЫХ НУЖД
Основными напряжениями, применяемыми в настоящее время в системе собственных
нужд, является 6 кВ (для электродвигателей мощностью более 200 кВт) и 0,4/0,23
кВ для электродвигателей меньшей мощности и освещения. Применение напряжения 3
кВ не оправдало себя. На двухтрансформаторных подстанциях для большей
надежности электроснабжения устанавливается два трансформатора собственных
нужд, которые присоединяются к сборным шинам НН. Предварительная мощность ТСН,
кВА, определяется по формуле:
, (42)
где Рс.н.max - максимальная
мощность собственных нужд, кВт;
Kпер -
коэффициент перегрузки, Kпер =
1,4;
cosj - коэффициент мощности, cosj = 0,88.
кВА.
Принимаем
к установке два трансформатора марки ТСЗ-250/10 с номинальными параметрами: UВН =
10,5 кВ, UНН = 0,4 кВ, uк% = 5,5 % .
Схема
собственных нужд подстанции изображена на рисунке 9.
8.
ВЫБОР СХЕМЫ РАСПРЕДЕЛИТЕЛЬНЫХ УСТРОЙСТВ
8.1 Выбор РУ на стороне ВН
На стороне ВН подстанций обычно используются схемы РУ кольцевого типа,
так как такие схемы обеспечивают достаточно высокую надежность электроснабжения
и наиболее экономичны, т.к. на каждое присоединение используется один
выключатель. Достоинством всех кольцевых схем является использование
разъединителей только для ремонтных работ. Количество операций разъединителями
в таких схемах невелико.
Одной из разновидностей кольцевых схем является схема четырехугольника. В
этой схеме используется 4 выключателя на 4 присоединения. Схема РУ ВН показана
на рисунке 11.
Рисунок 11. Схема РУ на стороне ВН.
8.2 Выбор РУ на стороне СН
Для РУ напряжением 35 кВ и выше с большим числом присоединений широко
применяется схема с двумя рабочими и обходной системами шин с одним
выключателем на цепь (рисунок 12). Установка отдельного ШСВ обеспечивает
большую оперативную гибкость. В нормальном режиме ШСВ включен. Такое
присоединение повышает надежность схемы, т.к. при КЗ на шинах ШСВ выключается
и, соответственно, отключается только половина присоединений. Схема с двумя рабочими
и обходной системами шин имеет большую ремонтопригодность и дает возможность
ревизии любой системы шин и любого выключателя без перерыва электроснабжения, а
также позволяет группировать присоединения произвольным образом.
Кроме указанных преимуществ, схема имеет и недостатки, среди которых
большое количество операций разъединителями при выводе в ремонт или ревизию и
достаточно большие затраты на сооружение РУ.
8.3 Выбор РУ на стороне НН
Для подстанций напряжением 6 - 10 кВ и для питания собственных нужд
подстанций широко применяется схема с одной системой сборных шин,
секционированная выключателем. На каждую цепь необходим один выключатель.
Достоинствами данной схемы являются: простота, экономичность, достаточно высокая
надежность, малое число операций с разъединителями.
9.
ВЫБОР ПРОВОДНИКОВ И АППАРАТОВ
В РУ ПС содержится большое число электрических аппаратов и соединяющих их
проводников.
При наборе токоведущих частей необходимо обеспечить выполнение ряда
требований, вытекающих из условия работы. Аппараты должны:
) длительно проводить рабочие токи без чрезмерного повышения температуры;
) противостоять кратковременному электродинамическому и тепловому
действию токов КЗ.
) выдерживать механические нагрузки, создаваемые собственной массой и
массой связанных с ним аппаратов, а также, возникающие в результате атмосферных
воздействий (ветер, дождь, жара, холод); эти требования учитываются при
механическом расчете линии электропередачи и РУ.
) удовлетворять требованиям экономичности электроустановки.
Один из важнейших вопросов - обеспечение термической стойкости аппаратов
и проводников. При работе происходит нагрев электрических аппаратов и
проводников, что является следствием потерь в них. Составляющими этих потерь
являются:
) потери в токоведущих частях обмоток, контактов;
) потери от вихревых токов в металлических частях;
) потери в магнитопроводе трансформаторов и электромагнитов;
) потери в диэлектриках;
Проверка токоведущих частей на термическую стойкость состоит в том, чтобы
убедиться, что ни в одном из режимов температура проводника не превысит
допустимой. При этом допустимые температуры в каждом из режимов различны и
определяются рядом требований:
) обеспечить экономически целесообразный срок службы изоляции;
) обеспечить надежную работу контактной системы;
) не допустить разрушения изоляции;
) не допустить заметного ухудшения механических свойств металла
токоведущих частей.
Таким образом, из условий работы, токоведущие элементы выбирают по
условиям рабочего режима и проверяют на термическую и электродинамическую
стойкость при токах КЗ.
Разъединитель - это коммутирующий аппарат, предназначенный для отключения
и включения электрической цепи без тока или с незначительным током, который для
обеспечения безопасности в отключенном положении имеет между контактами
изоляционный промежуток.
При ремонтных работах разъединителем создается видимый разрыв между
частями под напряжением и аппаратами, выведенными в ремонт.
Разъединители играют важную роль в схемах электроустановок, от надежности
их зависит надежность работы всей электроустановки, поэтому к ним предъявляют
следующие требования:
) создание видимого разрыва в воздухе, электрическая прочность которого
соответствует максимальному импульсному напряжению;
) электродинамическая и термическая стойкость при протекании токов КЗ;
) исключение самопроизвольных отключений;
) четкое включение и отключение при наихудших условиях работы.
Важным элементом электроустановки высокого напряжения является
заземление. В большинстве случаев (при напряжении до 500кВ) заземление
монтируется на общей раме с основным разъединителем и блокируется с ним
механически. Блокировка разрешает включение заземления только при отключенном
разъединителе и наоборот. Разъединители могут выполнятся с одним или двумя
заземляющими ножами. В установках со сборными шинами в качестве шинных
разъединителей выбирают разъединители с одним заземляющим ножом, в качестве
линейных - с двумя заземляющими ножами.
Специальными типами разъединителей являются короткозамыкатели и
отделители, применяемые на ПС, выполненных по упрощенным схемам.
Короткозамыкатель - это коммутационный аппарат, предназначенный для
создания искусственного КЗ в электрической цепи.
Короткозамыкатели создают искусственное КЗ на стороне высокого напряжения
подстанции с целью повышения чувствительности релейной защиты линии.
Отделители предназначены для автоматического отделения поврежденного
участка цепи в бестоковую паузу АПВ. Отделители внешне не отличаются от
разъединителей, но у него для отключения имеется пружинный привод. Отделителями
допускается отключать те же токи, что и разъединителями. Включение отделителя
осуществляется вручную. Отделители, так же как и разъединители могут иметь
заземляющие ножи с одной или двух сторон.
Выключатель - это коммутационный аппарат, предназначенный для включения и
отключения тока. Выключатель является основным аппаратом в электроустановках,
он служит для отключения и включения цепи в любых режимах: длительная нагрузка,
перегрузка, короткое замыкание, холостой ход, несинхронная работа. Наиболее
тяжелой и ответственной операцией является отключение токов КЗ и включение на
существующее короткое замыкание.
9.1 Выбор выключателей
Выключатели выбираются по условиям длительной работы и проверяются по
условиям КЗ.
Условиями выбора выключателя являются:
(43)
где Uсети - напряжение сети, кВ;
Uном -
номинальное напряжение выключателя, кВ;
Iраб.max - максимально возможный ток в месте
установки выключателя в рабочем режиме, кА;
Iном -
номинальный ток выключателя, кА.
Условия проверки электродинамической стойкости выключателя:
по способности выдерживать ударный ток КЗ:
, (44)
где iуд - ударный ток КЗ;
iпр.с.
- амплитудное значение предельного сквозного тока.
- по способности отключения периодической составляющей тока КЗ:
, (45)
где Iп,t - периодическая составляющая тока КЗ;
Iоткл.ном.
- номинальный ток отключения выключателя.
- по способности отключения апериодической составляющей тока КЗ:
, (46)
где iа,t - апериодическая составляющая тока КЗ;
βном - номинальное относительное
содержание апериодической составляющей тока КЗ.
- по термической стойкости:
, (47)
где
- тепловой импульс;
Iтерм
- ток термической стойкости;
tтерм
- время термической стойкости.
9.1.1 Выбор выключателей на стороне ВН
Максимальный рабочий ток:
, (48)
где Smax - мощность высшей ступени зимнего
графика нагрузки по сети ВН, МВА;
UВН -
напряжение сети ВН, кВ.
Предварительно
выбираем выключатель ВВБК-110Б-50 с номинальными параметрами: Uном
= 110 кВ; Iном = 3150 А; Iоткл.ном. = 50
кА; iпр.с. = 128 кА; tоткл = 0,06 с; Iтерм
= 56 кА; tтерм = 3 с.
Проверяем
выбранный выключатель на условия электродинамической стойкости:
.
По способности выдерживать ударный ток КЗ:
iуд = 8,6 кА
< iпр.с. = 128 кА.
.
По способности отключения периодической составляющей тока КЗ:
Iп,t =
3,78 кА < Iоткл.ном. = 56 кА.
.
По способности отключения апериодической составляющей тока КЗ:
,
где
iа,0 - начальное значение апериодической составляющей
тока КЗ;
t = tс.з. + tоткл. = 0,9 + 0,06 = 0,96 с;
с.з. - время срабатывания релейной защиты на шинах ПС.
.
4. По термической стойкости:
.
,3
кА∙с2 < 562∙3 = 9408 кА∙с2
Все условия выполняются, следовательно, выключатель выбран верно.
9.1.2 Выбор выключателей на стороне СН
Максимальный рабочий ток:
, (49)
где Smax - мощность высшей ступени зимнего
графика нагрузки по сети СН, МВА;
UСН -
напряжение сети СН, кВ.
Предварительно
выбираем выключатель ВМУЭ-35Б-25 с номинальными параметрами: Uном
= 35 кВ; Iном = 1000 А; Iоткл.ном. = 25
кА; iпр.с. = 25 кА; tоткл = 0,075 с;
Iтерм = 25 кА; tтерм = 4 с.
Проверяем
выбранный выключатель на условия электродинамической стойкости:
.
По способности выдерживать ударный ток КЗ:
уд
= 19,56 кА < iпр.с. = 25 кА.
2.
По способности отключения периодической составляющей тока КЗ:
п,t =
8,6 кА < Iоткл.ном. = 25 кА.
.
По способности отключения апериодической составляющей тока КЗ:
,
где
iа,0 - начальное значение апериодической составляющей
тока КЗ;
t = tс.з. + tоткл. = 0,9 + 0,075 = 0,975 с;
с.з. - время срабатывания релейной защиты на шинах ПС.
.
4. По термической стойкости:
.
,6
кА∙с2 < 252∙4 = 2500 кА∙с2
Все условия выполняются, следовательно, выключатель выбран верно.
9.1.3 Выбор выключателей на стороне НН
Максимальный рабочий ток:
, (50)
где Smax - мощность высшей ступени зимнего
графика нагрузки по сети НН, МВА;
UНН -
напряжение сети НН, кВ.
Предварительно
выбираем выключатель ВМПЭ-10-1000-31,5 с номинальными параметрами: Uном
= 10 кВ; Iном = 1000 А; Iоткл.ном. =
31,5 кА; iпр.с. = 80 кА; tоткл = 0,1 с; Iтерм
= 31,5 кА; tтерм = 4 с.
Проверяем
выбранный выключатель на условия электродинамической стойкости:
.
По способности выдерживать ударный ток КЗ:
уд
= 54,7 кА < iпр.с. = 80 кА.
.
По способности отключения периодической составляющей тока КЗ:
п,t =
24,16 кА < Iоткл.ном. = 31,5 кА.
.
По способности отключения апериодической составляющей тока КЗ:
,
где
iа,0 - начальное значение апериодической составляющей
тока КЗ;
t = tс.з. + tоткл. = 0,9 + 0,1 = 1,0 с;
с.з. - время срабатывания релейной защиты на шинах ПС.
.
. По термической стойкости:
.
17,263
кА∙с2 < 31,52∙4 =3969 кА∙с2
Все условия выполняются, следовательно, выключатель выбран верно.
9.2 Выбор секционного реактора
Так как периодическая составляющая тока КЗ на стороне НН меньше
номинального тока отключения выключателя ВМПЭ-10-1000-31,5, то секционный
реактор не нужен.
9.3 Выбор разъединителей
Разъединители выбирают по номинальному напряжению и номинальному току, а
в режиме КЗ проверяют их динамическую и термическую стойкость Условиями выбора
разъединителей являются:
(51)
где Uсети - напряжение сети, кВ;
Uном -
номинальное напряжение выключателя, кВ;
Iраб.max - максимально возможный ток в месте
установки выключателя в рабочем режиме, кА;
Iном -
номинальный ток выключателя, кА.
Условие проверки электродинамической стойкости разъединителей по
способности выдерживать ударный ток КЗ:
, (52)
где iуд - ударный ток КЗ;
Iтерм
- предельный ток термической стойкости, кА.
Условие проверки термической стойкости разъединителей:
, (53)
где Iдин - амплитуда тока электродинамической
стойкости (предельного сквозного тока), кА;
tтерм
- допустимое время протекания тока термической стойкости, с.
9.3.1 Выбор разъединителей на стороне ВН
Максимальный
рабочий ток разъединителей на стороне ВН равен соответствующему току
выключателя на стороне ВН:
.
Предварительно принимаем разъединитель РДЗ-110-1000-УЗ с номинальными
параметрами: Uном = 110 кВ; Iном = 1000 А; Iдин = 80 кА; Iтерм = 31,5 кА; tтерм = 3 с.
Выполняем проверку выбранного разъединителя:
. По способности выдерживать ударный ток КЗ:
.
.
По термической стойкости:
.
Все
условия выполняются, следовательно, разъединитель выбран верно.
9.3.2 Выбор разъединителей на стороне СН
Максимальный
рабочий ток разъединителей на стороне СН равен соответствующему току
выключателя на стороне СН:
.
Предварительно принимаем разъединитель РДЗ-35-1000-У3 с номинальными
параметрами:Uном = 35 кВ; Iном = 1000 А; Iдин =
63 кА; Iтерм = 25 кА;
tтерм
= 4 с.
Выполняем проверку выбранного разъединителя:
. По способности выдерживать ударный ток КЗ:
.
.
По термической стойкости:
.
Все
условия выполняются, следовательно, разъединитель выбран верно.
9.3.3 Выбор разъединителей на стороне НН
Максимальный
рабочий ток разъединителей на стороне НН равен соответствующему току
выключателя на стороне НН:
.
Предварительно принимаем разъединитель РВК-10-3000, с номинальными
параметрами: Uном = 10 кВ; Iном = 3000 А; Iдин =
200 кА; Iтерм = 60 кА;
tтерм
= 10 с.
Выполняем проверку выбранного разъединителя:
. По способности выдерживать ударный ток КЗ:
.
.
По термической стойкости:
.
Все
условия выполняются, следовательно, разъединитель выбран верно.
9.4 Выбор шин
Жесткими шинами называются жесткие неизолированные проводники. В закрытых
РУ 6-10 кВ ошиновка выполняется жесткими алюминиевыми шинами. Медные шины из-за
их высокой стоимости применяются только в агрессивных средах. Форму и размеры
поперечного сечения шин выбирают в соответствии с рабочим током, учитывая
явление поверхностного эффекта, а также требования термической и динамической
стойкости при КЗ.
Простейшая форма поперечного сечения шины - прямоугольная. Шины
изготовляют с поперечным сечением до 1200 мм2. Допустимый продолжительный ток
таких шин из алюминия равен 2070 А. При большем рабочем токе можно применить
составные проводники (пакет) из двух или трех полос с зазорами между ними.
Допустимый ток при этом увеличивается до 3200 и 4100 А. Недостатки составных
проводников: сложность монтажа, недостаточная механическая прочность вследствие
взаимодействия полос при КЗ, увеличение потерь мощности вследствие
поверхностного эффекта. При больших токах рекомендуются шины коробчатого
сечения, так как они обеспечивают меньшие потери от эффекта близости и
поверхностного эффекта, а также лучшие условия охлаждения. В РУ напряжением 35
кВ и выше с целью снижения потерь на корону следует применять шины круглого
сечения. В ОРУ следует применять гибкие шинопроводы (сталеалюминевые провода).
При этом накладывается дополнительное условие проверки шинопроводов на корону.
Выбор сечения шин производится по экономической плотности тока:
, (54)
где S - стандартное сечение шины, мм2;
Sэк -
экономически целесообразное сечение, мм2;
Iр -
длительный рабочий ток нормального режима, А;
По экономической плотности тока не выбираются:
· сборные шины электроустановок и ошиновка в пределах ОРУ и ЗРУ всех
напряжений;
· ошиновка резервных линий и резервных ТСН, так как они
включаются в работу временно;
· токоведущие части всех временных устройств;
· ошиновка в установках до 1000 В при числе часов использования
максимума нагрузки до 4000-5000.
Выбранные по экономической плотности тока шины проверяются:
по длительно допустимому току из условий нагрева;
на термическую стойкость при воздействии токов КЗ;
на динамическую стойкость при воздействии токов КЗ.
Сборные шины выбираются по длительно допустимому максимальному рабочему
току.
Выбор и проверка по длительно допустимому току.
Выбранные шины должны удовлетворять условию:
, (55)
где
- длительно допустимый рабочий ток для шин выбранного
сечения.
9.4.1 Выбор шин на стороне ВН
Шины
на стороне ВН выполняются из алюминиевых или сталеалюминевых проводов. Сечение
сборных шин выбирается по условию прохождения допустимого тока при максимальной
нагрузке на шинах, который равен максимальному току, протекающему через
разъединители и выключатели на стороне ВН:
.
Выбор
линейных шин проводим по экономической плотности тока. Находим рабочий ток:
. (56)
Продолжительность
использования максимума нагрузки для стороны ВН Tmax = 1992 ч.
Находим экономическую плотность тока jэк = 1,3 А/мм2.
Экономическое
сечение по формуле (54):
Принимаем
провод АС 400/22 с Iдоп = 830 А. На термическую стойкость провода,
находящиеся на открытом воздухе, не проверяются. По условию короны также не
проверяются.
9.4.2 Выбор шин на стороне СН
Шины
на стороне СН выполняются из алюминиевых или сталеалюминевых проводов. Сечение
сборных шин выбирается по условию прохождения допустимого тока при максимальной
нагрузке на шинах, который равен максимальному току, протекающему через
разъединители и выключатели на стороне СН:
.
Выбор
линейных шин проводим по экономической плотности тока. Находим рабочий ток:
. (57)
Продолжительность
использования максимума нагрузки для стороны СН Tmax = 5684 ч.
Находим экономическую плотность тока jэк = 1,0 А/мм2.
Экономическое
сечение по формуле (54):
Принимаем
провод АС 700/86 с Iдоп = 1180 А. На термическую стойкость провода,
находящиеся на открытом воздухе, не проверяются. По условию короны также не
проверяются.
9.4.3 Выбор шин на стороне НН
В закрытых РУ 6-10кВ ошиновку и сборные шины выполняют жесткими
алюминиевыми шинами. Сечение сборных шин выбирается по условию прохождения
допустимого тока при максимальной нагрузке на шинах:
.
Продолжительность
использования максимума нагрузки для стороны СН Tmax = 4774 ч.
Находим экономическую плотность тока jэк = 1,1 А/мм2.
Экономическое
сечение по формуле (51):
На
сборных шинах применяются шины коробчатого сечения. Предварительно принимаем
шины алюминиевые сечением 2×775 мм,
qст = 1550 мм2, Iдоп = 2820 А.
Проверяем
шины по термической стойкости:
, (55)
где Вк - тепловой импульс;
С
- коэффициент термической стойкости. Для алюминиевых шин коробчатого сечения
равен 85
[1];
.
Окончательно принимаем выбранную шину к установке.
9.5 Выбор трансформаторов тока
Трансформатор тока (ТТ) для питания измерительных приборов выбирают по
номинальным первичному и вторичному токам. В режиме КЗ необходимо проверить ТТ
на динамическую и термическую стойкость.
Условия выбора ТТ:
· - по номинальному напряжению: Uуст ≤ Uном;
· - по номинальному первичному току: Iраб.мах ≤ I1ном.
· - по
динамической стойкости:
,
где iуд - ударный ток КЗ;
-
кратность тока динамической стойкости;
I1н -
номинальный ток первичной обмотки.
· - по
термической стойкости:
,
где Вк - тепловой импульс;
- кратность
тока термической стойкости;
tтерм - время
термической стойкости;
Iт - ток
термической стойкости.
9.5.1 Выбор ТТ на стороне ВН
Максимальный рабочий ток Iраб.мах
= 0,4 кА, ударный ток iуд =
8,6 кА, тепловой импульс Вк = 13,3 кА∙с2.
Предварительно принимаем ТТ типа ТФЗМ-110-У1 с номинальными параметрами: U1н = 110 кВ; I1н = 600 А; I2н = 5 А; Iдин = 126 кА; Iт =
26 кА; tтерм = 3 с.
Трансформаторы тока устанавливаются в цепи ВН силовых трансформаторов и в
цепи секционного выключателя. Ко вторичной обмотке ТТ присоединяются
амперметры.
Проверка по динамической стойкости:
.
Проверка
по термической стойкости:
.
Устанавливаем
амперметр типа Э-377 мощностью 0,1 В∙А и ваттметр Д-335 мощностью 0,5 В∙А.
Сечение
соединительных проводов по условию прочности должно быть не менее 2,5 мм2,
поэтому принимаем кабель марки АКВРГ сечением 2,5 мм2 .
Окончательно
принимаем выбранный ТТ к установке.
9.5.2 Выбор ТТ на стороне СН
Максимальный рабочий ток Iраб.мах
= 0,75 кА, ударный ток iуд =
19,56 кА, тепловой импульс Вк = 73,6 кА∙с2.
Предварительно принимаем ТТ типа ТФЗМ-35-У1 [1] с номинальными
параметрами: U1н = 35 кВ; I1н = 600 А; I2н = 5 А; Iдин = 100 кА; Iт =
10 кА; tтерм = 3 с.
Проверка по динамической стойкости:
.
Проверка
по термической стойкости:
.
Присоединяемые
измерительные приборы приведены в таблице 4.
Таблица
4 - Измерительные прибор, присоединяемые к ТТ.
|
Прибор
|
Тип
|
Мощность фазы, В∙А
|
|
|
А
|
В
|
С
|
|
Амперметр
|
Э-377
|
0,1
|
0,1
|
0,1
|
|
Ваттметр
|
Д-335
|
0,5
|
-
|
0,5
|
|
Счетчик активной энергии
|
И-680
|
2,5
|
-
|
2,5
|
|
Счетчик реактивной энергии
|
И-673М
|
2,5
|
-
|
2,5
|
|
Итого
|
|
5,6
|
0,1
|
5,6
|
Сечение соединительных проводов по условию прочности должно быть не менее
2,5 мм2, поэтому принимаем кабель марки АКВРГ сечением 2,5 мм2 .
Окончательно принимаем выбранный ТТ к установке.
9.5.3 Выбор ТТ на стороне НН
Трансформаторы тока устанавливаются в цепи НН силового трансформатора. Ко
вторичной обмотке ТТ подключаются амперметр, ваттметр, счетчики активной и
реактивной мощности.
Максимальный рабочий ток Iраб.max = 1700А, ударный ток iуд = 27,3 кА, тепловой импульс Вк =
136,8 кА2 ∙с.
Предварительно принимаем ТТ типа ТЛМ-10У3 с номинальными параметрами: U1н = 10 кВ; I1н = 1500 А; I2н = 5 А; Iдин = 100 кА; Iт =
26 кА;
tтерм
= 3 с.
Проверка по динамической стойкости:
Проверка
по термической стойкости:
.
Присоединяемые
измерительные приборы приведены в таблице 4.
Сечение
соединительных проводов по условию прочности должно быть не менее 2,5 мм2,
поэтому принимаем кабель марки АКВРГ сечением 2,5 мм2.
Окончательно
принимаем выбранный ТТ к установке.
9.6 Выбор трансформаторов напряжения
Трансформаторы напряжения (ТН) для питания электроизмерительных приборов
выбираются по следующим параметрам:
по номинальному напряжению: U1 ≤ U1н,
-
по нагрузке вторичной цепи:
.
9.6.1 Выбор ТН на стороне ВН
На стороне ВН устанавливаются один вольтметр с переключением для
измерения фазного напряжения и три вольтметра для измерения междуфазного
напряжения. Предварительно выбираем для установки ТН марки НКФ-110-57 мощностью
400 В∙А.
Проверка по нагрузке вторичной цепи:
.
Сечение
соединительного кабеля выбирается из условия механической прочности. Принимаем
к установке кабель марки АКВРГ сечением 2,5 мм2, вольтметры типа Э-379
мощностью 2 В∙А .
Окончательно
принимаем выбранный ТН к установке.
9.6.2 Выбор ТН на стороне СН
На стороне СН к вторичным обмоткам ТН присоединяются один вольтметр с
переключением для измерения фазного напряжения и три вольтметра для измерения
междуфазного напряжения, катушки напряжения ваттметров, счетчиков активной и
реактивной мощности. На стороне СН предварительно выбираем ТН марки ЗНОЛ-35
мощностью 150 В∙А .
Проверка по нагрузке вторичной цепи:
.
Принимаем
к установке соединительный кабель марки АКВРГ сечением 2,5 мм2 . Перечень
измерительных приборов приведен в таблице 5.
Окончательно
принимаем выбранный ТН к установке.
Таблица
5 - Измерительные приборы, присоединяемые к ТН.
|
Прибор
|
Тип
|
Мощность катушки, ВА
|
Число катушек
|
Число приборов
|
Мощность, ВА
|
|
Вольтметр
|
Э-379
|
2
|
1
|
3
|
8
|
|
Ваттметр
|
Д-335
|
2
|
2
|
1
|
4
|
|
Счетчик активной мощности
|
И-675
|
3
|
2
|
1
|
6
|
|
Счетчик реактивной мощности
|
И-673М
|
3
|
2
|
1
|
6
|
|
Итого
|
-
|
-
|
-
|
-
|
24
|
9.6.3
Выбор
ТН на стороне НН
На стороне НН к вторичным обмоткам ТН присоединяются один вольтметр с
переключением для измерения фазного напряжения и три вольтметра для измерения
междуфазного напряжения, катушки напряжения ваттметров, счетчиков активной и
реактивной мощности. Перечень измерительных приборов приведен в таблице 5.
На стороне НН предварительно выбираем ТН марки НТМИ-10-66 мощностью 120 В∙А.
Проверка по нагрузке вторичной цепи:
.
Принимаем
к установке соединительный кабель марки АКВРГ сечением 2,5 мм2.
Окончательно
принимаем выбранный ТН к установке.
ЗАКЛЮЧЕНИЕ
В данном курсовом проекте был произведен расчет структурной схемы
подстанции 110/35/10 кВ. Структурная схема подстанции выбрана на основании
технико-экономического сравнения двух вариантов. При выборе оборудования
подстанции отдавалось предпочтение наиболее современным и надежным аппаратам и
проводникам с учетом перспективы возможного расширения и усовершенствования
подстанции. Все аппараты и проводники выбирались согласно отраслевым
стандартам.
Рассматривались два варианта структурной схемы: с двумя трехобмоточными
трансформаторами и с четырьмя двухобмоточными. На основании
технико-экономического сравнения выбран вариант схемы с двумя трехобмоточными
трансформаторами ТДТН-63 000/110/35, т.к. расходы на её сооружение и
эксплуатацию меньше соответствующих затрат второго варианта. Далее были
произведены выбор отходящих линий, расчет токов КЗ на шинах всех напряжений,
расчет кабельной сети низшего напряжения. Так как периодическая составляющая
тока КЗ на шинах НН больше тока термической стойкости выбранной марки кабеля,
то необходима установка линейных реакторов. Был выбран сдвоенный реактор марки
РБС-10-2×630-0,25. По максимальной мощности
собственных нужд выбрана схема и трансформатор собственных нужд подстанции
ТСЗ-250/10. Далее выбраны схемы распределительных устройств по принципу:
наименьшее количество выключателей на присоединение и возможно наибольшая надежность
электроснабжения потребителей. На стороне ВН используется кольцевая схема РУ,
на стороне СН - схема с двумя рабочими и обходной системами шин, на стороне НН
- схема с одной системой сборных шин, секционированной выключателем.
Заключительным этапом был выбор проводников и аппаратов (выключателей,
разъединителей, шин, трансформаторов тока и напряжения, присоединяемых к ним
контрольно-измерительных приборов).
В процессе проектирования освоены методы выбора проводников и аппаратов,
применяемых на подстанциях.
Выбранная схема подстанции удовлетворяет всем необходимым требованиям, а
именно: обеспечивает достаточную надежность электроснабжения потребителей,
учитывает перспективу возможного развития подстанции, обеспечивает возможность
проведения ремонтных и эксплуатационных работ на отдельных элементах схемы без
отключения соседних присоединений. Таким образом, поставленные задачи
выполнены, цели достигнуты.
ПЕРЕЧЕНЬ СОКРАЩЕНИЙ
ВЛ - воздушные линии;
ВН - высокое напряжение;
СН - среднее напряжение;
НН - низкое напряжение;
КЗ - коротко замыкание;
КЛ - кабельные линии;
ЛЭП - линии электропередач;
РУ - распределительное устройство;
Т - трансформатор;
ТКЗ - токи короткого замыкания;
ТСН - трансформатор собственных нужд;
ПС - подстанция;
РП - распределительный пункт;
АПВ - автоматическое повторное включение;
ОРУ - открытое рапределительное устройство;
ЗРУ - закрытое рапределительное устройство;
КРУН - комплектное рапределительное устройство наружного типа;
РПН - регулирование под нагрузкой;
ПУЭ - правила устройство электроустановок;
ГРУ - главное рапределительное устройство;
ЛИТЕРАТУРА
1. Электрическая часть станции и
подстанций; Справочные материалы, Учебное пособие для электрических
специальностей вузов/ Крючков И.П., Кувшинский Н.Н., Неклепаев Б. Н. Под ред. Неклепаева
Б. Н., 3-е изд. Перераб. и доп.,- М: Энергия, 1978- 456 с.
2. Электрическая часть станции и
подстанций : Учебное пособие для вузов/ Под ред., А. А. Васильева, 2-е изд.,
перераб. и доп.,- М: Энергоатомиздат 1990г.
3. Электрооборудование станции и
подстанций: /Л. Д. Рожкова, В. С. Козулин - 3-е изд., перераб. и доп.,- М:
Энергоатомиздат 1987.-648с.
4. Правила устройства электроустановок-
6-е издание переработано и доп.- М: Энергоатомиздат 1998г.
5. Проектирование электрической части
станций и подстанций : учебное пособие для вузов / Ю. Б. Гук, В. В. Контан, С.
С. Петрова. - Л: Энергоатомиздат: 1985-312 с.
6. Ресурсы сайта www.diarost.ru. ЗАО «Диарост». Прейскурант цен на трансформаторы.
. Торговая система
<http://www.b2b-energo.ru/market>. Прейскурант цен на ячейки ОРУ.
. Ресурсы сайта
www.energotehnika.net <http://www.energotehnika.net>. Технические
характеристики трансформаторов тока.
. Методические указания по
курсовому проектированию для студентов специальности 100400 - Электрическое
освещение/ Мар. гос. ун-т; сост. И.В.Максимова. - Йошкар-Ола., 2007. - 74 с.