Разработка технологического процесса получения отливки 'Шкив 525-32600 003 002' с применением САПР

  • Вид работы:
    Курсовая работа (т)
  • Предмет:
    Другое
  • Язык:
    Русский
    ,
    Формат файла:
    MS Word
    191,27 Кб
  • Опубликовано:
    2013-11-24
Вы можете узнать стоимость помощи в написании студенческой работы.
Помощь в написании работы, которую точно примут!

Разработка технологического процесса получения отливки 'Шкив 525-32600 003 002' с применением САПР

МИНИСТЕРСТВО ОБРАЗОВАНИЯ РУСПУБЛИКИ БЕЛАРУСЬ

УЧРЕЖДЕНИЕ ОБРАЗОВАНИЯ

«ГОМЕЛЬСКИЙ ГОСУДАРСТВЕННЫЙ ТЕХНИЧЕСКИЙ УНИВЕРСИТЕТ ИМЕНИ П.О.СУХОГО»

Механико-технологический факультет

Кафедра «Металлургия и литейное производство»






ПОЯСНИТЕЛЬНАЯ ЗАПИСКА

к курсовой работе

по дисциплине: «Системы автоматизированного проектирования технологических процессов, оснастки и оборудования»

на тему: «Разработка технологического процесса получения отливки «Шкив 525-32600 003 002» с применением САПР»

Разработал студент

группы ЗЛО-51

Ганюк Д. О.

Проверил преподаватель

Ткаченко А.В.


Гомель, 2013

Содержание

Введение

Глава 1. Технико-экономическое обоснование выбора технологического процесса

Глава 2. Анализ технологичности конструкции детали

Глава 3. Расчёт шихты

Глава 4. Выбор и расчёт литниковой системы

Глава 5. Расчёт веса груза

Глава 6. Расчет продолжительности затвердевания и охлаждения отливки.

Глава 7. Автоматизация оформления конструкционной и технической документации

Заключение

Список используемой литературы

ВВЕДЕНИЕ

Целью курсовой работы является разработка технологического процесса получения отливки, с использованием систем автоматизированного проектирования, углубление и расширение теоретических знаний в данной предметной области, а так же овладение навыками самостоятельного решения прикладной инженерной задачи с использованием компьютерных систем.

Системы автоматизированного проектирования и технологической подготовки производства являются главной составной наукоемкой частью любой интегрированной производственной среды. Создание и внедрение на предприятиях интегрированных систем автоматизированного проектирования является одним из наиболее важных факторов эффективной работы промышленных предприятий.

Основная функция САПР - осуществление автоматизированного проектирования на всех или отдельных стадиях проектирования объектов и их составных частей на основе применения математических и других моделей, автоматизированных проектных процедур и средств вычислительной техники.

Результатом проектирования в САПР является совокупность законченных проектных решений, удовлетворяющая заданным требованиям, необходимым для создания объекта проектирования. Функционирование САПР должно обеспечивать получение проектных документов, выполненных в заданной форме и содержащих проектные решения или результаты проектирования.

ГЛАВА 1. ТЕХНИКО-ЭКОНОМИЧЕСКОЕ ОБОСНОВАНИЕ ВЫБОРА ТЕХНОЛОГИЧЕСКОГО ПРОЦЕССА

Процесс разработки технологического процесса, является сложным и трудоёмким, так как он включает в себя: способ получения отливки, выбор материала модельных комплектов, выбор способа получения формы, способ производства стержней, получение расплава, процесс обрубки и зачистки отливки и т.д. Основным экономическим показателем рентабельности выбора технологического процесса является удельная себестоимость отдельных элементов этого процесса [7].

Для получения «Шкив 525-32600 003 002» целесообразнее использовать металлические модельные комплекты, так как в данном случае себестоимость металлического комплекта ниже удельной себестоимости деревянного модельного комплекта, потому что отливка относиться к крупносерийному производству. Удельная себестоимость это отношение себестоимости изготовления модельного комплекта к числу съёмов. Материал для изготовления модели СЧ 20 ГОСТ 1412-85 , так как он имеет большую прочность, высокую износостойкость и при этом относительно низкую стоимость. Стержневые знаки и подмодельные изготавливаются из конструкционной стали Ст.3 ГОСТ 380-05.

Форму получают на автоматической формовочной линии «HWS» с производительностью 70 форм/ч. В условиях крупносерийного и массового производства автоматические линии обладают высокой производительностью, практически полностью устраняют ручной труд, позволяют получить отливки высокого качества.

Стержень для отливки «Шкив 525-32600 003 002 получают в нагреваемой оснастке изготавливаются на стержневой пескодувной машине модели 2Б83. Машина выполняет следующие операции: надув, разогрев стержневого ящика и отверждение смесей, разборка, выдача стержней, сборка стержневого ящика. Состав стержневой смеси следующий:

Таблица 1 - Состав стержневой смеси

Наименование компонента

Колличество,%

Песок 1К.016; 1К,02 Смола КФ-90 Отвердитель КЧ-41 Сурик железный Стеорат кальция

100 4 0,44 2 0,3


Плавка производиться в среднечастотных тигельных индукционных печах «OTTO JUNKER» емкостью в 6 тонн, производительность одной такой печи до 12000 кг/ч, что удовлетворяет условию крупносерийного производства. Печи позволяют получать сплавы из чугунного литья, работают одновременно от одного печного трансформатора. Индукционные тигельные печи (ИТП) широко применяются в промышленности для плавки черных и цветных металлов как на воздухе, так и в вакууме и в защитных атмосферах.

Обрубка осуществляется гидроклином, после чего отливки отправляются на очистку на дробомётных машинах «STEM». Эффективная очистка достигается благодаря использования стальной дроби диаметром от 0,9 до 1,2 мм.

Из вышесказанного можно сделать вывод, что данный технологический процесс полностью обосновывает себя, так как позволяет наладить крупносерийное производство, с минимальным количеством затрат, так как были учтены удельная себестоимость, и трудоёмкости различных технологических операций.

ГЛАВА 2. АНАЛИЗ ТЕХНОЛОГИЧНОСТИ КОНСТРУКЦИИ ДЕТАЛИ

Задачей проектирования отливки является разработка такой технологии её получения, при которая при помощи простых приемов литейной технологии возможно изготовить отливку, удовлетворяющую предъявленным к ней требованиям. Главным и решающим показателем технологичности следует считать себестоимость литых деталей с учетом затрат на их механическую обработку и сборку. Для оценки технологичности необходимо провести тщательный анализ требований предъявляемых к отливки и классифицировать её по группам [8].

Отливка «Шкив 525-32600 003 002», изготавливается из серого чугуна марки СЧ20 ГОСТ 1412-85. Согласно ГОСТу марка СЧ20 имеет следующий химический состав [6]:

деталь шкив отливка конструкция

Таблица 2 - Химический состав сплава СЧ 20 ГОСТ 1412-85

С, %

Si, %

Мn, %

Р (не более) , %

S (He более) , %

3,3-3,5

1.4-2,2

0,7-1

0,2

0,15


Таблица 3 - Характеристика сплава СЧ 20 ГОСТ 1412-85

σизг, МПа

σсж,МПа

σв, МПа

τср, МПа

НВ, ед.

560

1100

245

300

163-229

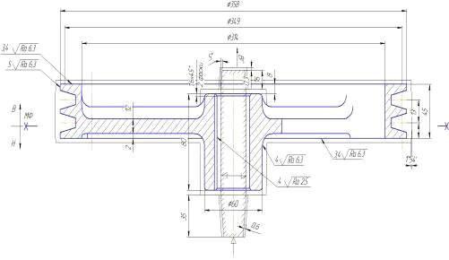
Внутренние полость - цилиндрической формы с гладкой прямолинейной поверхностью, без выступов и поднутрений, получается при помощи стержня 4-го класса сложности. Боковые поверхности оформляются при помощи болванов. Максимальный габаритный размер 358мм. Минимальная толщина стенки 8 мм. Масса отливки

Рисунок 1 - Эскиз «Шкив 525-32600 003 002»

Разъём формы должен обеспечивать наименьшее количество дефектов по перекосам, и чтобы сократить количество отделочных работ, протяженность литейных швов должна быть минимальной [9]. По-этому отливку необходимо расположить в двух полуформах, с линией разъёма проходящей перпендикулярно оси симметрии массивной частью бобышки вниз. Данная линия разъёма обеспечивает сборку формы без особых затруднений, надёжное крепление стержня, исключая его деформацию под действием сил тяжести и давления жидкого металла. Ещё одна причина, почему линия разъёма выбрана именно таким образом - необходимость обеспечивать минимальную высоту отливки в форме.

Далее следует выбрать внешние и внутренние литейные уклоны согласно ГОСТ 3212-92, для обеспечения более простого извлечение отливки из формы, без её разрушения. Уклоны назначаются на поверхности перпендикулярные плоскости разъема.

На все обрабатываемые поверхности назначаются припуски на механическую обработку по ГОСТ 26645-85 [2].

Рисунок 2 - Деталь с технологией

Деталь технологична для получения её методом литья, так как преимущественно равностенная, не имеет термических узлов, что способствует принципу направленного затвердевания. Деталь не имеет сложных выступов и поднутрений, которые бы препятствовали свободному извлечению отливки из полуформы. Конструкция детали позволяет получить внутреннюю полость с применением только одного стержня, что облегчает сборку формы и уменьшает её себестоимость.

ГЛАВА 3. РАСЧЁТ ШИХТЫ

Для обеспечения заданного химического состава и качества выплавляемого чугуна следует рассчитать шихту по принятому химическому составу жидкого чугуна с учетом угара элементов при плавке.

Шихту рассчитывают на 100 кг металлической завалки. Масса металлической шихты или завалки на данную программу складывается из масс:

годных отливок, необходимых по программе на месяц, квартал, год

или плавку;

бракованных отливок - брака внутреннего или внешнего, т.е. обнаруженного в литейном и механическом цехах;

литников, выпоров, прибылей;

угара и механических потерь металла при разливке.

Угар примесей в чугуне зависит от абсолютного содержания их в шихте и от режима плавки [4].

Серый чугун должен иметь следующий состав [6]:

Таблица 4 - Состав серого чугуна

C,%

Si,%

Mn,%

P,≤

S,≤

3,2-3,5

2,0-2,2

0,7-0,9

0,2

0,15


Угар элементов при плавке в индукционной печи: 10 % Si; 20 % Mn; 30 % S; 5 % С;

Рассчитаем состав шихты, т. е. определим процентное содержание компонентов в шихте. В соответствии с заданием шихту составляем из компонентов с учетом имеющихся шихтовых материалов и химического состава, подбираем массу отдельных компонентов.

Тогда в шихте должно быть:

Таблица 5 - Состав шихты

№ п/п

Наименование материала

Марка

Расход материала в %

Содержание элементов





С

Si

Mn

S

P





мат

ших

мат

ших

мат

ших

мат

ших

мат

ших

1

Чугун передельный

ПЛ1

13

4,00

0,52

1,20

0,16

0,60

0,08

0,01

0,001

0,08

0,01

2

Лом стальной

18

0,50

0,09

0,40

0,07

0,55

0,10

0,02

0,004

0,02

0,00

3

Лом чугунный

17А

21

3,30

0,69

2,20

0,46

1,45

0,30

0,04

0,008

0,10

0,02

4

Возврат

СЧ-20

22

3,50

0,77

2,00

0,44

0,70

0,15

0,02

0,004

0,10

0,02

5

Чугун литейный

Л-2

26

3,90

1,01

3,20

0,83

0,80

0,21

0,03

0,008

0,08

0,02

Итого в металле:


3,09


1,96


0,84


0,026


0,08


Ферросилиций

ФС-75

0,35

0,10

0,0004

75,0

0,26

0,40

0,001

0,03

0,0001

0,0002

7

Силикомарганец

ФМн-75

0,5

7,00

0,04

2,00

0,01

75,00

0,38

0,02

0,0001

0,06

0,0003

Итого в шихте:


3,12


2,23


1,22


0,026


0,08

Угар/пригар(+/-)


0,31


-0,34


-0,24


0,01


0,00

Итого в шихте с ферросилицием:


3,43


1,90


0,98


0,04


0,08

Требуемый хим. Состав

3,2-3,5

2,0-2,2

0,7-0,9

до 0,15

до 0,2


Содержание в чугуне основных элементов в % выражается следующими уравнениями [4]:

С = (1,3 + 0,00238 · tme + 0,027 · Мnme - 0,317 · Sime - 0,33 · Pme - 0,365 · Sme) · α β γ ;= 0,24 + 1,093 · Siш - 0,08 · CaCO3 - 0,064 · FeO;= -0,013 + 0,852 · Mnш + 0,006 · CaCO3 - 0,002 · FeO;

S = -0,008 + 1,349 · Sш + 0,018 · CaCO3 - 0,003 · FeO.

ГЛАВА 4. ВЫБОР И РАСЧЁТ ЛИТНИКОВОЙ СИСТЕМЫ

Одним из важнейших условий получения качественной отливки является правильное устройство литниковой системы. Литниковая система служит для плавного подвода расплава в полость литниковой формы и питания отливок в процессе затвердевания.

Литниково-питающей системой называют совокупность элементов литейной формы в виде каналов и полостей, предназначенных для плавного подвода расплава в форму, её заполнения и питания отливок в процессе кристаллизации.Правильный выбор конструкции литниково-питающей системы обеспечивает получение качественной отливки [9].

Правильно построенная литниковая система должна обеспечивать хорошее заполнение формы расплавом и питание отливки в процессе ее затвердевания; способствовать получению отливки с точными размерами, без поверхностных дефектов (засоров, ужимин, шлаковых включений и др.) и направленному затвердеванию отливки,расход металла на литниковую систему должен быть минимальным [4].

В зависимости от способа заполнения формы металлом литниково-питающие системы можно разделить на боковые и с подводом металла сверху и снизу. По соотношению площадей литниковые системы бывают расширяющиеся и сужающиеся. Для отливки «Шкив 525-32600 003 002» будет применяться боковой подвод металла, по линии разъёма, при этом питатели будут располагаться по касательной к цилиндрической части шкива, для уменьшения негативного воздействия металла на форму и стержень.

Расчёт сводится к определению площади наименьшего сечения стояка и питателей литниково-питающая системы с последующим определением соотношения площадей сечения остальных элементов системы [4].

Сечение питателя находим по формуле:

 

где G - масса жидкого металла на форму, кг;

-коэффициент расхода, зависящий от внутреннего сопротивления формы, =0,5 ;

-оптимальная продолжительность заливки формы, с;

Hр - расчетный металлостатический напор, см.

Масса жидкого металла на отливку определяется:

 

где Go - черновой вес отливки;

- коэффициент использования металла, =0,7

 

Оптимальная продолжительность заливки следующим образом для отливок массой до 500 кг :

 

где S - эмпирический коэффициент, зависящий от толщины стенки отливки;

S=1,3, т.к. средняя толщина стенки отливки составляет 13 мм.

 

Расчетный металлостатический напор зависит от размера отливки и его определяют из соотношения:

 

где Но - полный напор, см ;

С - общая высота отливки, см ;

Р - высота отливки в верхней полуформе, см .

 

 


 

 

Минимально допустимое  для отливок с толщиной стенок 10-40мм: 10…20 мм/сек

Соотношение сечений элементов литниковой системы для мелких отливок: Fпит : Fшл : Fст = 1,0 : 1,1: 1,2

Площадь шлакоуловителей:

 

 

Площадь стояка:

 

 

Диаметр верхнего сечения стояка:

 

 

Расчет чаши произведем по формуле:

 

где Dв - верхний диаметр чаши, см;

Hв - высота чаши, см.

 

Рисунок 3 - Эскиз литниковой системы

ГЛАВА 5. РАСЧЁТ ВЕСА ГРУЗА

При заполнении формы расплав создает давление на стенки формы, пропорциональное плотности и высоте его столба. Это может привести к тому, что под давлением расплава верхняя опока приподнимиться, в результате между верхней и нижней полуформами образуется щель, через которую расплав может вытечь.Сила действия на верхнюю опоку определяется из выражения [4]:

 

где Q - масса верхней полуформы, кг;

Vст - объём стержня без знаков, м3

Vст составил 0,029 м3

rст - плотность стержневой смеси, rст = 1500 кг/м3

r - плотность жидкого металла, r = 7200 кг/м3

К - коэффициент, учитывающий гидравлический удар, зависящий от металлоемкости формы, К=1,3;

Fотл - горизонтальная проекция отливки в плоскости разъёма,

Fотл =0,163 м2

 

Так как на линии HWS, вместо груза используются скобы, то они должны выдерживать нагрузку в 127 кг.

ГЛАВА 6. Расчет продолжительности затвердевания и охлаждения отливки

При анализе процесса формирования отливок в форме различают несколько стадий, характеризующих изменение состояния металла [4]:

-       1 стадия. Начало процесса, когда происходит заполнение формы расплавом и его частичное охлаждение в результате теплообмена с формой.

-       2 стадия. Охлаждение расплава после окончательного заполнения формы и отвода от неё тепла.

-       3 стадия. Процесс затвердевания расплава, который начинается при температуре ликвидуса и заканчивается при температуре солидуса. Во время затвердевания расплава происходит постепенное нарастание корки отливки. При этом фронт кристаллизации перемещается от наружной затвердевшей корки внутрь отливки, содержащей расплав.

-       4 стадия. Представляет собой процесс охлаждения в форме полностью затвердевшей отливки. При этом в ней идут структурные превращения. Последние, в зависимости от характера отливок (вида сплава, конфигурации отливки) могут сопровождаться и перераспределением термических напряжений, следствием которых являются холодные трещины.

Расчет ведём для сырой песчано-глинистой формы:

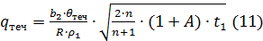
Удельная теплота течения определяется по формуле:

 

где b2 - коэффициент аккумуляции тепла материалом форы

 - разность между температурой заливки и температурой кипения

воды;

R - половина толщины стенки, м;

ρ - плотность жидкого металла; для чугуна 7200 кг/м3 ;

n - показатель степени параболы, n=2,9;

- время течения, с;

A - параметр, определяемый по формуле:

 

где U1 - влажность на границе сухой - влажный участок формы, в сотых долях.

 

 

С2 - удельная теплоемкость сухой формы, С2=1250 Дж/кг*град;

Ru - удельная теплота испарения влаги, rи = ;

 - разность температур на границах сухой - влажной зоны.

 

 

 

 

Время отвода теплоты перегрева можно рассчитать по упращёной формуле:

 

где  - плотность жидкого металла,

 - плотность жидкого металла,

 

 

 

Полное время затвердевания отливки определяется по формуле:

 


где  - удельная теплота кристаллизации с учетом понижения температуры;

 

;

;

=1050;

 =1200.

 

 

 

 

 

Общее время кристаллизации:

 

 

ГЛАВА 7. АВТОМАТИЗАЦИЯ ОФОРМЛЕНИЯ КОНСТРУКЦИОННОЙ И ТЕХНИЧЕСКОЙ ДОКУМЕНТАЦИИ

Текстовый материал пояснительной записки к курсовой работе оформлен в соответствии с действующим стандартом на оформление текстовых документов ГОСТ 2.105-95 [3]. Пояснительная записка написана с помощью компьютерных средств.

ЗАКЛЮЧЕНИЕ

В ходе курсовой работе был произведён анализ требований предъявляемых к детали «Шкив 525-32600 003 002», оценка её технологичности и технико-экономическое обоснование выбора технологического процесса её получения. Были разработаны технические литейные указания: назначены припуски на механическую обработку, формовочные уклоны, выбрана плоскость разъема, выбран тип литниково-питающей системы.

Далее был произведён расчёт шихты для СЧ 20 ГОСТ 1412-85 с применением Excel. После чего была рассчитана литниковая система, вес груза и продолжительность затвердевания и охлаждения отливки с применением MathCad. И автоматическое оформление конструкторской и технологической документации.

В итоге был сделан вывод что технологический процесс получения отливки «Шкив 525-32600 003 002» полностью обоснован, так как он позволяет наладить крупносерийное производство, с минимальной трудоёмкостью и является практически полностью автоматизированным.

Так же были полученны навыки разработки конструкторской документации с использованием компьютерных систем в соответствии с требованиями ГОСТ, ЕСКД.

СПИСОК ИСПОЛЬЗУЕМОЙ ЛИТЕРАТУРЫ

1.      ГОСТ 3.1125-88 «Правила графического выполнения элементов литейных форм и отливок».

.        ГОСТ 26645-85 «Отливки из металлов и сплавов. Допуски размеров, массы и припуски на механическую обработку».

.        ГОСТ 2.105-95. Единая система конструкторской документации. Общие требования к текстовым документам. - Москва : Изд-во стандартов, 1995

.        метод. указания к курсовой работе для студентов специальности «Машины и технология литейного производства» заоч. формы обучения / авт.-сост. А. В. Ткаченко. - Гомель : ГГТУ им. П. О. Сухого, 2007

.        Дмитрович, А. М. Справочник литейщика / А. М. Дмитрович. -Минск : Выш. шк., 1989

.        Справочник по чугунному литью / под ред. Н. Г. Гиршовича. - 3-е изд. - Ленинград : Машиностроение, 1978

.        Кечин В.А., Селихов Г.Ф., Афонин А.Н. «Проектирование производство литых заготовок»: Учеб. пособие / Владим. гос. ун-т. Владимир, 2002

.        «Технология литейного производства » под редакцией Ю.А.Степанова, М., «Машиностроение», 1983

.        Кукуй Д.М., Скворцов В.А., Эктова В.Н. «Теория и технология литейного производства». ― Мн.: Дизайн ПРО, 2000

Похожие работы на - Разработка технологического процесса получения отливки 'Шкив 525-32600 003 002' с применением САПР

 

Не нашли материал для своей работы?
Поможем написать уникальную работу
Без плагиата!
Без нейросетей!