Разработка технологического процесса изготовления отливки 'Опора' 8ТС 043051 из стали 25Л ГОСТ 977-88

  • Вид работы:
    Курсовая работа (т)
  • Предмет:
    Другое
  • Язык:
    Русский
    ,
    Формат файла:
    MS Word
    136,52 Кб
  • Опубликовано:
    2015-07-01
Вы можете узнать стоимость помощи в написании студенческой работы.
Помощь в написании работы, которую точно примут!

Разработка технологического процесса изготовления отливки 'Опора' 8ТС 043051 из стали 25Л ГОСТ 977-88

Содержание

Введение

1. Назначение, условия эксплуатации детали и технические условия на отливку

2. Разработка технологии изготовления отливки

2.1 Обоснование и выбор положения отливки в форме при заливке и плоскости разъема модели, формы

2.2 Определение величины припусков на обработку резанием

.3 Определение литейных уклонов

.4 Определение черновой массы отливки

2.5 Обоснование необходимости применения стержней, определение границ стержней: размеров, уклонов и зазоров стержневых знаков

2.6 Проектирование и расчет литниковой системы

.6.1 Обоснование необходимости и расчет прибылей отливки

2.6.2 Обоснование выбора места подвода расплава к отливке и конструкции литниковой системы

3. Выбор оборудования для изготовления форм и стержней

3.1 Расположение моделей на модельной плите, определение размеров и конструкции опок

3.2 Расчет литниковой системы

.3 Определение технологического выхода годного литья

4. Выбор материалов и смесей для изготовления форм и стержней

4.1 Обоснование метода уплотнения литейной формы, выбор формовочного оборудования и формовочной смеси

4.2 Обоснование способа изготовления стержней, выбор стержневого оборудования и стержневой смеси

4.3 Технологический процесс изготовления форм и стержней

. Разработка конструкции модельно-опочной оснастки

. Технология плавки и заливки (с расчетом шихты)

. Технология выбивки, обрубки, очистки и термообработки отливок

8. Основные мероприятия по технике безопасности, противопожарной технике и охране окружающей среды

Заключение

Литература

Введение

Литейное производство - одна из отраслей промышленности, продукцией которой являются отливки, получаемые в литейных формах при заполнении их жидким сплавом. Значение литейного производства исключительно велико. Нет ни одной отрасли машиностроения и приборостроения, где не применяли бы литые детали. В машиностроении масса литых деталей составляет около 50% массы машин и механизмов, в станкостроении - 80%. Это объясняется рядом преимуществ литейного производства по сравнению с другими способами получения заготовок. Литьем получают детали сложной формы, с фасонными внутренними полостями, которые нельзя или очень трудно получить другими способами, например ковкой. Литьем можно получить заготовки различной сложности с небольшими припусками, что уменьшает расход металла, сокращает затраты на механическую обработку и снижает себестоимость изделий. При современных литейных технологиях коэффициент использования металла достигает 95-97% в цветном литье и более 80% - в чугунолитейном производстве. Литейное производство и в будущем сохранит лидирующее положение среди заготовительных процессов. Для литейного производства современной России характерно: - 35% всех действующих литейных цехов выпускают литья менее 1,0 тысяч тонн в год, а 32% цехов - от 1,0 тысячи до 5,0 тысячи тонн в год. В песчано-глинистых формах за последнее время было изготовлено 67,5% всех отливок, а в формах из холоднотвердеющих смесей только 10,2%.

В настоящее время высокими темпами развивается производство стержней и форм из холоднотвердеющих смесей различного состава. Важным фактором повышения качества поверхности отливок явилось расширение применения вакуумно-пленочной формовки. Обеспечивается большой выпуск продукции в производстве отливок специальными способами литья: по выплавляемым моделям, по газифицируемым моделям, под высоким давлением, в оболочковые формы, кокиль.

Вытеснение ручного труда - важнейшая задача в литейном производстве, которая может быть решена в результате внедрения более совершенных машин и улучшения степени их использования, комплексной механизации и автоматизации производственного процесса. Около 8% литейного оборудования в литейном производстве эксплуатируется более 20 лет, а новое импортное составляет 6%. За последние 6 лет реконструкции подверглись более 50 литейных производств, таких как ОАО "Автоваз", ОАО "КамАЗ-Металлургия", ФГУП "ПО Уралвагонзавод" и другие.

По выделенным вредным отходам литейное производство занимает второе место после теплоэнергетики. Поэтому в последние годы меняются приоритеты в развитии технологических процессов литейного производства в сторону их совместимости с окружающей средой: применение регенерации отработанных смесей на местах их образования с возвратом (до 95%) в производство, утилизация твердых отходов и использование их в дорожном строительстве, создание замкнутых циклов водоснабжения.

Заданием на курсовое проектирование предусмотрена разработка технологического процесса изготовления отливки Опора 8ТС. 043051 из стали 25Л ГОСТ 977-88 литьем в песчаные формы, как наиболее распространенного способа получения литых заготовок.

Задачей курсового проектирования является использование прогрессивных технологий в литейном производстве при разработке технологических процессов, применения более эффективного и высокопроизводительного оборудования с целью повышения качества литья, улучшения условий труда, повышения производительности.

1. Назначение, условия эксплуатации детали и технические условия на отливку

По заданию курсового проектирования предусмотрено изготовление отливки Опора 8ТС. 043051 с годовой программой 21000 шт. отливок в год. Масса детали составляет 13,5 кг. Данная деталь относится к группе мелкого литья. По таблице 8 [4, с. 13] принимаем серийный тип производства на основании группы отливок и их массы.

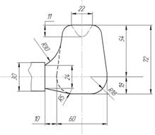
Габаритные размеры детали Опора 8ТС. 043051 - 320×176,5×130 мм, что позволяет располагать несколько отливок в форме. Масса детали 13,5 кг.

Деталь не имеет острых углов, сопряжения стенок выполняются плавными переходами, что уменьшает вероятность образования усадочных дефектов в отливке. Деталь выполняется литьем из стали 25Л, поэтому при затвердевании в результате усадки сплава возможно появление усадочных раковин, что требует дополнительного питания отливки, то есть установки прибыли.

Внутренняя поверхность отливки несложной конфигурации, поэтому может выполняться одним стержнем, с достаточным количеством стержневых знаков, что обеспечит хорошую устойчивость стержня во время заполнения формы металлом.

Деталь имеет шесть обрабатываемых поверхностей и четыре отверстия Ø26мм, выполняемые механической обработкой.

Анализ конструкции детали показывает, что деталь технологична и может быть выполнена методом литья.

Учитывая годовой выпуск отливок и серийный тип производства, для изготовления данной детали применяем получение заготовки литьем в песчаные формы.

2. Разработка технологии изготовления отливки

.1 Обоснование и выбор положения отливки в форме при заливке и плоскости разъема модели, формы

При определении плоскости разъема модели, формы руководствуются основными правилами проектирования:

) если позволяет конструкция отливки, ее необходимо располагать в одной, желательно нижней полуформе;

) поверхность разъема формы должна обеспечивать свободное извлечение модели из формы и удобство установки стержней;

) поверхность разъема формы при заливке желательно иметь горизонтальной;

) форма должна иметь минимальное количество стержней по возможности простой конфигурации;

) выбранный разъем формы должен обеспечивать удобство уплотнения, надежность установки стержней и возможность контроля сборки формы;

) отливку в форме располагать так, чтобы при заливке и затвердевании обеспечивалось направленное затвердевание металла;

) обрабатываемые части отливки при заливке и затвердевании металла должны быть расположены внизу, вертикально или наклонно;

) отливки цилиндрической формы, внешние и внутренние поверхности которых подвергаются обработке резанием, при заливке должны быть в вертикальном положении.

Деталь симметричная, поэтому линию разъема принимаю по оси симметрии отливки (рисунок 1).

Рисунок 1 - Вариант линии разъема и положение отливки в форме.

2.2 Определение величины припусков на обработку резанием

Припуски на механическую обработку назначаются на обрабатываемых поверхностях. Величина припуска зависит от сплава, класса точности, наибольшего габаритного размера отливки.

Величину припуска на обработку резанием определяем по ГОСТ Р 53464-2009, в зависимости от класса точности отливки.

Точность отливки

- 9 - 9 - 13 ГОСТ Р 53464-2009,

где 12 - класс размерной точности,

- степень коробления,

- степень точности поверхностей,

- класс точности массы.

Расчет припусков на обработку резанием указан в таблице 1.

Таблица 1 - Припуски на обработку резанием

Номинальный размер, мм

Класс размерной точности

Допуск линейных размеров, мм

Степень коробления элементов отливки

Допуск формы поверхностей отливки, мм

Степень точности поверхности отливки

Допуск неровности поверхности, мм

Ряд припуска, мм

Минимальный Литейный припуск, мм

Общий припуск на сторону, мм

1

2

3

4

5

6

7

8

9

10

(черт)

табл. 9

табл. 1

табл. 10

табл. 2

табл.11

табл. 3



табл. 6

Ø127

12

6,4

9

1,0

9

0,32

3-6

3

4,0

130

12

6,4

9

1,0

9

0,32

3-6

3

4,0

320

12

8,0

9

2,4

9

0,32

3-6

3

4,0

60

12

5,6

9

0,8

9

0,32

3-6

3

4,0



.3 Определение литейных уклонов

По ГОСТ Р 53465-2009 принимаю класс литейных уклонов для наружных поверхностей 18; для размера 65 ммугол формовочного уклона 47 мин 1,9 мм.

.4 Определение черновой массы отливки

Черновая масса отливки, кг, определяется по формуле:

отл = Qпр+ Qдет, (1)

где Qпр - масса припусков, кг;дет - масса детали, кг.

Масса припусков, кг, на механическую обработку определяется по формуле:

пр = V*p, (2)

где V - объем обрабатываемых поверхностей, м3;- плотность заливаемого металла, кг/м3 (для стали принять 7200 кг/м3).

Объем припусков на механическую обработку, м3, определяются по формуле:

пр = V1+V2+V3+4V4+4V5+V6+V7, (3)

где V1, V2, V3, V4, V5, V6, V7 - объемы обрабатываемых поверхностей, мм3.

Объемы припусков на механическую обработку в зависимости от обрабатываемых поверхностей определяется по формуле простых геометрических тел.

Объемы обрабатываемых поверхностей отливки указаны на рисунке 3.

Рисунок 3 - Эскиз обрабатываемых поверхностей отливки

Объем полого цилиндра V1, мм3, определяется по формуле:

V1 = π*(R2 - r2)*h, (4)

где π - постоянное число, равное 3,14;- максимальный диаметр отливки, мм;- минимальный диаметр отверстия, с учетом подприбыльного напуска, мм;

= 3,14*(602 - 512)*100 = 313686 мм3

Объем прямоугольной призмы V2, мм3, определяется по формуле:

= а*в*h, (5)

где а - длина выступа, мм;

в - ширина выступа, мм;- величина припуска, мм

= 70*60*4 = 16800 мм3

, мм3, определяется по формуле:

= (Vпрям+Vтр)*2, (6)

где Vпрям - объем прямоугольной призмы, мм3;тр - объем трапецеидальной призмы, мм3.

Объем прямоугольной призмы, мм3, определяется по формуле:

прям = а*в*h, (7)

где а - ширина прямоугольной призмы, мм;

в - длина прямоугольной призмы, мм;- высота прямоугольной призмы, мм

прям = 65*130*4 = 33800 мм3

Объем трапецеидальной призмы, мм3, определяется по формуле:

тр = (а+в)/2*h*c, (8)

где а, в - основания трапеции, мм;- высота трапеции, мм;

с - припуск на механическую обработку, мм

Vтр = (110+130)/2*16*4 = 7680 мм3= (33800+7680)*2 = 82960 мм3

, мм3, определяется по формуле сплошного цилиндра:

V4 = π*R2*h, (9)

где R - радиус цилиндра, мм;- высота цилиндра, мм;

так как отверстия четыре, то

V4 = 4*3,14*252*4 = 31400 мм3

, мм3, определяется по формуле сплошного цилиндра, так как отверстий четыре, то:

4V5 = 4*π*R2*h (10)

V5 = 4*3,14*132*25 = 59066 мм3

, мм3, определяется по формуле усеченного конуса:

6 = π*( R2 - r2)*h, (11)

где R - большой радиус, мм;- малый радиус, мм;- высота усеченного конуса, мм

= 3,14*(86,52 - 512)*4 = 61308,5 мм3=V6 = 61308,5 мм3пр = 313686+16800+82960+31400+53066+61308,5+61308,5 =

= 620529 мм3* 10-9 = 0,00062 м3пр = 0,00062*7200 = 4,45=4,5 кготл = 13,5+4,5 = 18 кг

По заводской технологии масса отливки равна 21 кг, по проекту - 18 кг. Экономия металла на одну отливку составляет 3 кг за счет снижения припусков на обработку резанием.

.5 Обоснование необходимости применения стержней, определение границ стержней: размеров, уклонов и зазоров стержневых знаков

Внешняя поверхность отливки Опора 8 ТС 043 051 выполняется формой, а внутренняя поверхность выполняется одним вертикальным стержнем с двумя стержневыми знаками.

Размеры знаков стержня и зазоры между знаками стержня и формой указаны на рисунке 2.

Высота нижнего знака hн определяется по таблице 7 ГОСТ 3212-92. Так как диаметр стержня равен 115 мм, а его длина 100 мм, то высоту нижнего стержневого знака принимаю hн = 35 мм.

Высота верхнего стержневого знака hв принимается равной высоте нижнего стрежневого знака; принимаю высоту верхнего стержневого знака hв =35 мм

Формовочный уклон на нижнем стержневом знаке α определяется по таблице 8 ГОСТ 3212-92; принимаю α = 100.

Формовочный уклон верхнего стержневого знака β принимаю равным нижнему стежневому знаку β = 100.

Зазор между нижним стержневым знаком и формой S определяется по таблице 3 ГОСТ 3212-92; принимаю S1 = 0,4 мм.

Зазор для верхнего знака пинимаю равным

S2= 1,5*S1 =0,6 мм.

Зазор между формой и стержнем принимаю равным

=1,5*S1 =0,6 мм.

Рисунок 2 - Размеры стержневых знаков

.6 Проектирование и расчет литниковой системы

.6.1 Обоснование необходимости и расчет прибылей отливки

При конструировании прибылей руководствуются основными правилами: - прибыль должна затвердевать позже питаемого узла отливки;

размеры прибылей следует назначать достаточными, чтобы компенсировать усадку отливок;

высота прибыли должна быть такой, чтобы вся усадочная раковина разместилась в ней.

Данная отливка изготовляется из стали, которая имеет повышенную усадку металла. Для питания отливки Опора 8ТС 043.051 устанавливаются две боковые цилиндрические прибыли от узлов отливки (рис. 3).

Диаметр прибыли, мм, определяется по формуле:

Дпр = (1,3...2,5)*Ду, мм (12)

где Ду - диаметр узла, мм. Ду =30 мм.

Дпр =2*30=60 мм

Высота прибыли, мм, принимается равной:

Нпр = (1,2…1,5)* Дпр, мм (13)

Нпр = 1,2*60= 72мм

Принимаю h1=(1/4)*Нпр=18мм, тогда h2=72-18=54мм; R=30мм; R1=h1=18мм; а=(1/5)*h2=54/5≈11мм; b=2а=22мм; t=0,7*Ду =0,8*30=24 мм; r=5мм.

Объем прибыли, м3, определяется по формуле:

приб = π*R2пр *Нприб, м3 (14)

где R2пр. - радиус прибыли, мм;

Нприб - высота прибыли, мм

приб =3,14*32,22*72*10-9= 0,000182 м3

Масса прибыли, кг, определяется по формуле:

пр = Vприб* p, кг (15)

где р - плотность заливаемого металла, кг/м3 (для стали принять 7200 кг/м3)

Qпр = 0,000182*7200=1,31 кгпр отл. =2*1,31=2,62 кг

Масса прибыли по проекту на одну отливку составляет 2,62 кг, а по заводской технологии 15 кг.

Рисунок 3 - Прибыль

.6.2 Обоснование выбора места подвода расплава к отливке и конструкции литниковой системы

При выборе способа подвода расплава в форму и разработке конструкции литниковой системы необходимо учитывать, что расплав должен поступать в форму плавно, без ударов о ее стенки и стержни, без завихрений, с заданной скоростью подъема уровня в форме и последовательным удалением воздуха и газов из формы. Также способ подвода расплава должен обеспечивать направленное затвердевание отливки с учетом ее конструкции и свойств сплава.

Для отливки Опора 8 ТС. 043 051 целесообразно подвести расплав по линии разъема, симметрично с двух сторон отливки в прибыль, что обеспечит равномерное заполнение формы. Литниковая система состоит из литниковой воронки, стояка, литникового хода и питателей.

3. Выбор оборудования для изготовления форм и стержней

.1 Расположение моделей на модельной плите, определение размеров и конструкции опок

Расположение моделей на модельной плите и определение размеров опок устанавливается после выбора положения отливки в форме, поверхности разъема, величины и конфигурации стержневых знаков.

Отливки на плоскости разъема формы следует располагать максимально плотно, соблюдая необходимую дистанцию между отливками, элементами литниковой системы и отливками, между отливками и краем опоки.

Опоки по конструкции подразделяют на цельнолитые, сварные и свертные; по форме - на прямоугольные, квадратные, фасонные, круглые; по массе - на ручные и крановые.

По ГОСТ 14986-69 принимаю опоки размером в свету: L = 710 мм, B = 600 мм, H = 300/300 мм. По конструкции принимаю цельнолитые, прямоугольные, крановые опоки. Такие опоки перемещают краном за цапфы. Опоки имеют центрирующие и направляющие втулки для соединения их по штырям. Для улучшения удаления газов из формы в стенках литых опок делают отверстия овальной формы. Также отверстия в стенках опок уменьшают их массу, не снижая при этом прочности опоки. Отверстия располагают в шахматном порядке.

3.2 Расчет литниковой системы

Литниковую систему для стальных отливок рассчитываем по методу Озанна-Диттера.

Расчет сводится к определению питателя - наиболее узкого места литниковой системы.

Суммарное сечение питателя, см2, определяется по формуле:

ΣFn = Qф/(µ * Т * 0,31 √ Нр), (16)

где Qф - черновая масса отливки с литниковой системой и прибылями, в кг;

µ - коэффициент сопротивления формы; принимаем µ = 0,7;

Т - продолжительность заливки формы, с;

Нр - расчетный статический напор металла, см.

Металлоемкость формы, кг, определяется по формуле:

ф = Qчерн * n + 0,1 * Qчерн * n + Qпр * n, (17)

где n - количество отливок в форме, шт; n = 2 шт.черн - масса отливки, кг; Qчерн = 18 кг.пр - масса прибылей на одну отливку, кг; Qпр = 2,62 кг.

ф = 18*2+0,1*18*2+2,62*2 = 44,84 кг

Продолжительность заливки формы, с, определяется в зависимости от массы отливки и толщины стенки по формулам: для стального литья:

Т = S*√δQф, (18)

где Qф - металлоемкость формы, кг;- эмпирический безразмерный коэффициент, зависящий от толщины стенки, массы и сложности отливки; принимаем S = 1,1;

δ - средняя толщина стенок, мм; δ = 26 мм.

T = 1,1 * 3√26*44,84 ≈ 11,6 с

Рассчитанную по формуле (18) продолжительность заполнения формы для стальных отливок надо уточнить путем проверки на допустимую линейную скорость подъема уровня расплава υл.р , которая должна быть не меньше допустимой скорости υкр. Значение υл.р находят по простому соотношению:

υл.р = С/ Т, мм/с (19)

где С - высота отливки, мм; С = 130 мм

υл.р = 130/11,6 = 11,2 мм/с

Для толщины стенки отливки, равной 26 мм υкр ≥ 10 мм/с. Согласно расчету υл.р = 11,2 мм/с, что соответствует допустимой линейной скорости подъема уровня расплава. Принимаю продолжительность заливки формы Т=12 сек. Высоту расчетного напора Нр, см, определяют в зависимости от способа подвода металла к отливке (см. рисунок 5) по формуле:

Нр = (2НС - Р)/2С = Н - Р/2С (20)

где Н - высота стояка от места подвода расплава в форму, см; Н = 30 см.

С - высота отливки, см; С = 13 см.

Р - высота отливки от места подвода расплава в форму, см; Р = 6,5 см.

При подводе расплава по плоскости разъема формы (по середине отливки)

Р = С/2, тогда высота стояка, см, определяется по формуле:

Нр = Н - С/8, (21)

Нр = 30 - 13/8 = 28,4 см

ΣFnит = 44,84/(0,7*12*0,31*) = 3,2 см

Т.к. в форме 4 питателя то Fnит = 3,2/4 = 0,8 см, сечение питателя показано на рисунке 7.

Рисунок 7 - Сечение питателя

Определив по формуле ΣFn, определяют сечения остальных элементов литниковой системы из соотношения для средних и мелких стальных отливок:

ΣFnит : Fшл : Fст = 1 : 1,1 : 1,15

Сечение шлакоуловителя, см2, определяется из соотношения:

ΣFnит : Fшл = 1 : 1,1шл = ΣFnит * 1,1 (22)

Fшл= 3,2*1,1 = 3,52 см

Сечение шлакоуловителя приведено на рисунке 8.

Рисунок 8 - Сечение шлакоуловителя

Сечение стояка, см2, определяется из соотношения:

ΣFnит : Fст = 1 : 1,15

Fст = ΣFnит * 1,15 (23)

Fст = 3,2*1,15 = 3,68 см

Диаметр стояка, мм, определяется по формуле:

Дст =  (24)

Дст =  = 2,16см ≈22 мм

Принимаю Дст =23 мм, Дв = 2,8*23=64,4≈65 мм, Нв =Дв =65 мм

.3 Определение технологического выхода годного литья

Технологический выход годного определяется по формуле:

ВГ= [(Qчерн * n)/( Qчерн * n + Qл.с + Qпр*n)] * 100%, (25)

где ВГ - технологический выход годного, %;черн. - масса отливки, кг;л.с - масса металла, расходуемого на литниковую систему, кг;пр - масса прибыли;- количество отливок в форме, шт.

Масса литниковой системы определяется по формуле:

Qл.с = Vл.с * ρ, кг (26)

где Vл.с - объем элементов литниковой системы, м³;

ρ - плотность заливаемого металла; принимаем р= 7200кг/м³.

Объем элементов литниковой системы определяют по формуле:

л.с = (Vвор + Vст + Vшл + Vпит)*10-6 , м³ (27)

где Vвор, Vст, Vшл, Vпит, Vпр - соответственно объемы воронки, стояка, шлакоуловителя, питалей, см³

Объем литниковой воронки, см3, определяется по формуле:

вор = π/3 * h (R² + R + r²), (28)

где R, r, h - соответственно наибольший и наименьший диаметры воронки и ее высота, см

Принимаю размеры воронки D=65 мм, d = 23 мм, h = D = 65 мм,

тогда R=5 см; r = 1,5 см; h= 10 см

вор = 3,14/3*3,25*(3,252 +3,25+1,152) = 52,3 см³

Объем стояка, м3, определяем по формуле:

Vст = Fст * h (29)

где Fст - площадь сечения стояка, см³

h - высота стояка, м; h = 170 мм=17 см.

ст = 3,68*17 = 62,56 см³

Объем шлакоуловителя, см3, определяем по формуле:

шл = Fшл* Lшл, (30)

где Fшл - площадь сечения шлакоуловителя, см³шл - длина шлакоуловителя, см; принимаю Lшл = 32 см

лх = 3,52*32 =112,64 см3

Объем питателей, см³, определяем по формуле:

пит = Σ Fпит * Lпит, (31)

где Σ Fпит = суммарное сечение питалей, см³пит - длина питателя (применяется самостоятельно в пределах 20-50 мм);

принимаю Lпит = 3 см

пит = 3,2*3 = 9,6 см³л.с = (337,6+122+348+15,9)*10-6 = 0,0002371 м³

Qл.с = 0,0002371 * 7200 = 1,7 кг

ВГ= [(18*2)/(18*2+1,7+2,62*2)]*100 % = 83,8%

За счет улучшения компоновки отливок в форме, уменьшения массы отливки, применения боковых прибылей выход годного составил 83,8%.

4. Выбор материалов и смесей для изготовления форм и стержней

.1 Обоснование метода уплотнения литейной формы, выбор формовочного оборудования и формовочной смеси

Используют следующие способы уплотнения литейных форм: верхнее и нижнее прессование, встряхивание, уплотнение пескометом, импульсный процесс уплотнения, уплотнение вибрацией и др.

В настоящее время широкое распространение получил процесс литья в ХТС. Технология литья в ХТС имеет следующие преимущества:

уменьшение в 3-4 раза объём формовочных смесей;

уход от организации смесеприготовительного отделения;

снижение объёма внутрицеховых транспортных операций;

отказ от громоздких ленточных транспортёров, эстакад, подземных траншей;

многократное использование формовочного песка;

высокое качество и точность отливок (исключение таких дефектов, как смещение, подутие, засоры, газовые раковины, нарушения геометрии).

Данный процесс формовки обеспечивает выполнение всех технических требований. Этот способ литья позволяет получать отливки любой конфигурации, размеров и массы. Относительно других видов литья этот способ более прост и дешев, а так же способствует вытеснению ручного труда.

Для приготовления формовочной смеси и заполнения полуформ применяю смеситель непрерывного действия марки СМ10. Эскиз смесителя СМ10 показан на рисунке 9. Техническая характеристика смесителя непрерывного действия марки СМ10 приведена в таблице 2.

Рисунок 9 - Эскиз смесителя СМ10

Таблица 2 - Техническая характеристика смесителя непрерывного действия марки СМ10

Наименование, показатель

Величина

Тип установки

смеситель непрерывного действия

Производительность, т/час

10

Мощность двигателя шнека, кВт

7,5

Количество насосов связующего, шт.

 1

Мощность двигателя насоса связующего, кВт

 0,25

Количество насосов отвердителя, шт.

2

Мощность двигателя насоса отвердителя, кВт

Вес смесителя, кг

 800

Вес панели управления

 300


Уплотнение формовочной смеси производится на вибростоле модели

СТ 1200. Осуществляется уплотнение при помощи вибрационной рамы, которая поднимается до соприкосновения с подопочной плитой через промежутки между роликами вибрационного стола. Эскиз вибростола СТ 1200 показан на рисунке 10.

Техническая характеристика вибростола модели СТ 1200 приведена в таблице 3.

Рисунок 10 - Эскиз вибростола СТ 1200

Таблица 3 - Техническая характеристика вибростола модели СТ 1200

Наименование показателя

Величина

Грузоподъемность, т

2

Габаритные размеры, мм

1300 х 800 х 600

Установленная мощность, кВт

2,25


Для изготовления форм отливки "Опора" 8ТС 043051 применяем ХТС по Фоскон-процессу.

Преимущества Фоскон-процесса по сравнению с ХТС на синтетических смолах:

практическое отсутствие вредных выбросов на рабочих местах и окружающую среду, прежде всего бензопирена и диоксида углерода;

обеспечение требуемого качества отливок;

возможность использования отечественных исходных материалов и универсального смесеприготовительного оборудования;

возможность использования отработанной смеси после механической регенерации;

отсутствие прилепаемости смеси к оснастке;

возможность использования песка с повышенной глинистой составляющей и смеси при минусовой температуре;

повышенная термостойкость и пониженная газотворность смеси.

Экономический эффект достигается за счет применения отечественных материалов, которые в 3-5 раз дешевле импортных синтетических смол.

Для изготовления форм отливки "Опора" 8ТС 043051 принимаю облицовочную и наполнительную смеси ХТС по Фоскон-процессу.

Состав и свойства формовочной облицовочной и наполнительной смеси приведены в таблицах 4, 5.

Таблица 4 - Состав и свойства формовочной облицовочной смеси

Состав смеси

Массовая доля, %

Песок формовочный сухой

100

Отвердитель-периклаз Фоскон 355

0,9-1,5

Концентрат Фоскон 350-связующее

4,5-5,5

Свойства

Влажность,%

2,0-2,3

Прочность на разрыв через 4 часа, кгс/см2

2,0-4,0

Прочность на разрыв через сутки, кгс/см2

5,0-10

Время твердения, мин

20-60


Таблица 5 - Состав и свойства формовочной наполнительной смеси

Состав смесиМассовая доля, %


Регенерат

100

Отвердитель-периклаз Фоскон 355

0,8-1,3

Концентрат Фоскон 350-связующее

5,0-6,0

Свойства

Влажность,%

2,0-2,3

Прочность на разрыв через 4 часа, кгс/см2

2,0-4,0

Прочность на разрыв через сутки, кгс/см2

2,0-5,0

Время твердения, мин

20-60


.2 Обоснование способа изготовления стержней, выбор стержневого оборудования и стержневой смеси

Для отливки "Опора" 8ТС 043051 принимаю процесс изготовления стержней из ХТС по Фоскон-процессу, так как этот процесс находит применение в крупносерийном производстве для изготовления стержней различной сложности и способствует уменьшения ручного труда. Отличие изготовления стержней из ХТС от обычного состоит в том, что в качестве связующего вводят в стержневую смесь синтетическую смолу. Приготовление смеси и заполнение ею стержневого ящика осуществляется смесителем непрерывного действия модели СМ5, уплотнение на вибростоле модели СТ 1200 (см. таблица 3).

Преимущества ХТС для изготовления стержней является устранение сушки стержней.

Техническая характеристика смесителя непрерывного действия модели СМ5 приведена в таблице 6.

Таблица 6 - Техническая характеристика смесителя непрерывного действия модели СМ5

Наименование, показатель

Величина

Тип установки

смеситель непрерывного действия

Производительность, т/час

5

Мощность двигателя шнека, кВт

4

Количество насосовсвязующего, шт

 1

Мощность двигателя насоса связующего, кВт

 0,12

Количество насосов отвердителя, шт

2

Мощность двигателя насоса отвердителя, кВт

 0,9

Масса смесителя, кг

 500

Масса панели управления, кг

 200


Для изготовления стержней для отливки "Опора" 8ТС 043051 применяю стержневую смесь по ХТС Фоскон-процессу, состав и свойства которой приведены в таблице 7.

Таблица 7 - Состав и свойства стержневой смеси

Состав смеси

Марка, ГОСТ, ТУ

Массовая доля, %

Песок формовочный сухой

3К2О3О3 или 3К2О2О3 ГОСТ 2138-91

100

Отвердитель-периклаз Фоскон 355

ТУ 2149-215-10964029-2004

0,9-1,5

Концентрат Фоскон 350-связующее

ТУ 113-08-606-87

4,5-5,5

Свойства смеси

Влажность,%

2,0-2,3

Прочность на разрыв через 4 часа, кгс/см2

2,0-4,0

Прочность на разрыв через сутки, кгс/см2

6,0-10

Время твердения, мин

20-60


4.3 Технологический процесс изготовления форм и стержней

Технологический процесс изготовления форм осуществляется в следующем порядке. На вибростол модели СТ 1200 устанавливают монтаж модели низа, после чего тщательно протирают поверхность модели разделительным покрытием Формол-400 ТУ 0258-005-11035757-2066. Устанавливают опоку на штыри по направляющей втулке. Заполняют опоку облицовочной смесью выше уровня модели на 100-150 мм и продолжают заполнять опоку наполнительной смесью. В процессе заполнения опоки смесью необходимо равномерно распределять смесь, регулируя подачу смеси направлением хобота смесителя. Заполнив опоку на 100-150 мм выше уровня шпон, включить вибратор. Время вибрации 1-3 мин в зависимости от частоты вибрации. Выключить вибростол и убрать скребком лишнюю смесь выше уровня шпон. Снять опоку вместе с подмодельной плитой с вибростола и отставить на площадку для затвердевания. На вибростол установить модель верха, после покрытия разделительным составом установить сифонный припас и оболочковые прибыли, и повторить процесс набивки низа формы. После отверждения форму вместе с моделью установить на приводной рольганг и произвести кантовку на ролловере. После кантовки произвести отделку полуформ, транспортировать готовые полуформы на пролет сборки форм для сборки.

Технологический процесс изготовления стержней по Фоскон-процессу на смесителе СМ5 и вибростоле модели СТ 1200. Установить стержневые ящики, с предварительно нанесенным разделительным покрытием ACMOS 118 222 на вибростол. Включить стартовую кнопку "Включено". Отвести шнек установки на коробку с отходами и включить "Смеситель-пуск", при выходе хорошо перемешанной смеси нажать кнопку "Смеситель-пауза" и перевести шнек на заполнение стержневых ящиков. Заполнить стержневые ящики смесью. Включит вибрацию на 1-2 минуты. После выключения вибрации убрать лишнюю смесь в коробку с отходом. Кантовка стержней производится через 20-60 минут. В случаях залипания смеси к поверхности ящика, подрыва и трещин производят ремонт стержня. Стержни берут в работу через сутки, когда они достигают наибольшей прочности.

После изготовления форм и стержней производят сборку форм. Осматривают полуформы с целью выявления дефектов, образовавшихся при транспортировании, исправляют дефекты. В верхней полуформе выполняют наколы методом сверления перфоратором и буром. Очищают нижнюю полуформу от мусора путем продувки сжатым воздухом. Окрашивают полуформы антипригарным покрытием GV-COANING, с последующей сушкой методом поджога. Устанавливают стержни в нижнюю полуформу, знаки центрового стержня забивают жидкостекольной смесью. Повторно очищают нижнюю и верхнюю полуформы. Поднимают и кантуют верхнюю полуформу, устанавливают литниковую воронку и облаживают ее облицовочной смесью. Обдувают верхнюю полуформу сжатым воздухом, производят спаривание верхней и нижней полуформ по штырям. Собранную форму транспортируют на заливочный участок.

5. Разработка конструкции модельно-опочной оснастки

В целях экономии металла в крупносерийном производстве используют модели из пластмассы. Применение пластмасс для модельной оснастки снижает трудоемкость их изготовления. Модели из пластмасс обладают высокой коррозийной стойкостью, небольшой массой и большой прочностью. Для изготовления модельной оснастки для отливки "Опора" 8ТС 043051 применяю пластмассу холодного отверждения на основе эпоксидной смолы марки ЭД-5. Для уменьшения массы модели и снижения расхода материала пластмассовые модели делаю полыми.

Выбор подмодельной плиты определяется типом машины, а также размерами и числом моделей которые необходимо на ней разместить. Чаще всего применяют односторонние плиты, на которых модели располагают только на одной стороне. Так как уплотнение литейной формы происходит на вибростоле СТ 1200, то принимаю подмодельные односторонние плиты габаритным размером 1300×800 мм из стали 25Л. Для центрирования опок применяю направляющие и центрирующие штыри.

6. Технология плавки и заливки (с расчетом шихты)

Для плавки стали в литейных цехах применяют основные и кислые электродуговые печи. Печи с основной футеровкой применяют при изготовлении отливок ответственного назначения из высоколегированной и жаропрочной стали. В них можно получать сталь с низким содержанием серы и фосфора. Для плавки стали в кислых электродуговых печах используют чистые по содержанию серы и фосфора шихтовые материалы. Но наиболее простой в обслуживании является печь с кислой футеровкой. Для изготовления стали 25Л применяю электродуговую печь марки ДСП-6 с кислой футеровкой, так как при кислом процессе электроплавки достигается большая стойкость футеровки, уменьшается расход электроэнергии и продолжительность плавки, сталь лучше раскисляется.

Технические параметры электродуговой печи марки ДСП-6 приведены в таблице 8.

Таблица 8 - Технические параметры печи марки ДСП-6

Параметры

Показатели

Номинальная емкость, т

6,0

Удельный расход электроэнергии, кВт/ч

480

Продолжительность расплавления под током, мин

55

Расход охлаждающей воды, л

30

Привод основных механизмов

Гидравлический


Расчет шихты для стальных отливок

Отливка "Опора" 8ТС 043051 выполняется из стали 25Л. Сталь 25Л имеет химический состав: 0,22-0,30% С, 0,20-0,50% Si, 0,45-0,90% Mn, до 0,04 % S, до 0,035% Р. Принимаем угар элементов в электрической печи Si-10%, Mn-25%. Масса металлической завалки 6000 кг.

Таблица 9 - Химический состав шихтовых материалов

Составляющие шихты

Содержание элементов, %


С

Si

Mn

S

Р

Отходы собственного производства

0,30

0,2

0,7

0,04

0,035

Кузнечного производства

0,25

0,2

0,6

0,04

0,035


Содержание элементов в шихте с учетом угара:

Углерода Сшихт = 0,25 + 0,25 = 0,5%

Кремния Siшихт = 0,2 + 0,2 * 0,10 = 0,22%

Марганца Mnшихт = 0,7 + 0,7 * 0,25 = 0,87%

Содержание элементов в шихте проверим расчетом (таблица 10).

Таблица 10 - Расчет содержания элементов в шихте

Шихтовые материалы

Содержание

Содержание элементов, %



С

Si

Mn

S

Р

Отходы собственного производства

40

0,30*0,4= 0,12

0,2*0,4=0,08

0,7*0,4=0,28

0,04*0,4=0,016

0,035*0,4=0,014

Кузнечного производства

60

0,25*0,6=0,15

0,2*0,6=0,12

0,6*0,6=0,36

0,04*0,6=0,024

0,035*0,6=0,021

Итого

100

0,27

0,2

0,64

0,04

0,035



Из таблицы видно, что углерода не хватает

,5 - 0,27 = 0,23%.

После окисления элементов Si и Mn в шихте останется по 0,05%, следовательно, кремния не хватает

,22 - 0,2 = 0,02%.

Марганца не хватает

,87 - 0,64 = 0,23%.

Недостающее количество элемента, кг, определяется по формуле:

доб. = (Qжид * α * 100%) / (а*р), (32)

гдежид - масса жидкого металла, кг;

α - количество недостающего элемента, %;

а - количество элемента в добавке, %;

р - усвояемость элемента, % (принимется 70-80%). Принимаю р=80%.

Недостающее количество углерода восполним электродным боем или передельным чугуном, с содержанием С 90%:

эл.боя = (6000 * 0,23 * 100) / (90*80) = 19,2 кг.

Недостающее количество кремния восполним ферросилицием марки ФС 45 с содержанием 45% Si, усваеваемость 80%, и марганца - ферромарганцем марки

Мн5 с содержанием 78% Mn, усваеваемость 80%. На металлозавалку следует добавить:

фс45 = (6000 * 0,02 * 100) / (45*80) = 3,3 кгМн 6 = (6000 * 0,23 * 100) / (78*80) = 22,1 кг

Для раскисления стали в ковше алюминием введем алюминий марки АК5М2, с содержанием Al 93%, усвояемостью 80%:

АК5М2 = (6000 * 0,05 * 100) / (93*80) = 4,03 кг

стальной опора отливка плавка

Технология плавки стали 25Л осуществляется в следующем порядке. После выпуска предыдущей плавки очищают летку, порог и подину печи от остатков металла и шлака. При помощи ручной трамбовки забивают летку влажным песком. Производят заправку подины и откосов печи.

Загрузку ведут с помощью бадьи с раскрывающимся дном, которую вводят в открытую печь сверху. Загрузку ведут, придерживаясь следующего правила: на дно печи засыпают часть легковесной шихты и стружку, затем загружают крупную и мелкую шихту, так чтобы шихта не была выше нижней кромки сводового кольца.

Плавление ведут путем проплавления колодцев при максимальной мощности трансформатора. В период плавления окисляется кремний, 40-60% марганца, частичное окисление фосфора, железа и углерода. После расплавления ¾ шихты, при необходимости, произвести подсадку печи шихтой. По мере накопления жидкого металла ввести в печь для наведения шлака 3-4 лопаты известняка и 8-10 лопат сухого песка. Отключить печь после расплавления 80-90% шихты и стащить кочергой с откосов печи остатки шихты. Включить печь, и после полного расплавления шихты залить пробу для экспресс-анализа на содержание углерода, фосфора, серы и меди. Если содержание фосфора превышает 0,050%, то необходимо произвести дефосфорацию (окисление фосфора). При окислении фосфора необходимо: при отключенной печи как можно полнее скачать первичный шлак, присадить в зеркало ванны железной руды и известняка для наведения высокоосновного железистого шлака. После включения и полного растворения сгустков шлака отключить печь и сделать выдержку 10-12 минут. Ввести в печь железной руды для вспенивания шлака. Наклонить печь и, применяя деревянный скребок, как можно полнее скачать шлак. Вновь навести кислый шлак присадкой сухого песка и известняка. Взять заливочной ложкой металл и залить пробу для экспресс-анализа на содержание фосфора и углерода. При неудовлетворительном анализе по фосфору операция по дефосфорации повторяется.

Окислительный период плавки. Включить печь и подогреть металл, используя полную мощность трансформатора, до начала самопроизвольного кипения металла в ванне.

Если в пробе после расплавления шихты углерода значительно больше требуемого, то окисление ванны проводить присадками железной руды и известняка небольшими порциями, поддерживая ровный энергичный "кип".

Последующая порция руды вводится только после усвоения предыдущей. Скорость окисления углерода будет в пределах 0,4-0,6% в час при соблюдении "спокойного кипа".

Присадка большого количества руды в недостаточно прогретый металл вызывает в дальнейшем очень бурный "кип" с выбросом металла из печи и разрушение футеровки. Руда должна быть кусковая, пыль необходимо отсеивать на сите с ячейкой 10×10 мм.

Вести окисление углерода до значения его содержания не менее 0,22% в стали 25Л.

Последняя порция руды должна даваться не позднее, чем за 10 минут до скачивания окислительного шлака, т.к. не менее 10 минут ванна должна кипеть "чистым кипом". Если в пробе углерода не больше 0,25-0,3% для стали 25Л, то "кип" разрешается проводить без присадки руды, если окисленность ванны достаточна и она хорошо кипит.

Поддерживать в течение всего окислительного периода жидкоподвижный и высокожелезистый шлак, который должен растекаться в лепёшки 3-6 мм и иметь в изломе чёрный цвет. Присадка известняка увеличивает жидкоподвижность шлака, а присадка песка - уменьшает её.

Скачать окислительный шлак на 60-80% и навести новый шлак присадкой в печь песка и известняка.

Взять заливочной ложкой пробу шлака. Ванна должна кипеть редким пузырем. Шлак должен быть жидкоподвижным, иметь зелёный и голубой цвет излома, тянуться в нити, растекаться в лепёшку толщиной 5-10 мм.

Если шлак не соответствует вышеуказанным требованиям его необходимо исправить присадками песка и известняка.

Выдержать металл в печи в течение 5-10 минут и взять повторную пробу шлака.

Взять заливочной ложкой пробу металла для экспресс-анализа на содержание углерода, фосфора и меди и, если содержание углерода соответствует нижнему пределу данной марки стали, приступить к доводке металла по химическому составу и раскислению.

Для заливки жидкого металла в формы использую стопорный литейный ковш емкостью 8 т. Из стопорных ковшей металл выпускается через донное отверстие в шамотном стакане.

Перед выпуском стали из печи футеровка ковша должна быть нагрета до 700-8000С. На дно ковша подается алюминий для окончательного раскисления стали. После выпуска из печи сталь выдерживают в ковше 7-15 минут для всплытия неметаллических включений и газов. До выдержки стали температура металла должна быть в пределах 1600-16400С, после выдержки - 1500-15800С. Если температура металла в ковше ниже 15000С плавку сливают в печь и подогревают до необходимой температуры, раскисляют, выпускают в ковш, производят замер температуры.

Заливку металла в форму производят следующим образом:

заливают металл непрерывной струей в воронку до полного ее заполнения;

по мере усадки металла, производят 2 раза доливку.

Время заливки формы составляет 20 сек.

Сразу после заливки форм, ломиком сбивают литниковые воронки.

После заливки формы отливка охлаждается и затвердевает. После затвердевания отливка должна некоторое время охлаждаться с формой, во избежание появления в отливках внутренних напряжений, образующихся при выбивке не достаточно остывших отливок. Время выдержки залитой формы 0,5 часов.

7. Технология выбивки, обрубки, очистки и термообработки отливок

Технология выбивки заключается в том, что затвердевшие и охладившиеся до температуры 700-7500С отливки извлекаются из формы. Форму разрушают и из отливки удаляют стержни, отделяют литники и прибыль; после чего очищают наружную и внутреннюю поверхность отливки от пригоревшей смеси. Выбивка относится к числу наиболее трудоемких и тяжелых операций при производстве отливок. Поэтому для выбивки отливок принимаю выбивную решетку марки AFW 3500×2500 грузоподъемностью 20 тонн.

Процесс очистки отливки включает в себя следующие операции: удаление стержней из отливок, отделение литников, выпоров и прибылей, очистку от приставшей формовочной смеси, удаление заусенцев и окалины после термической обработки, окончательный контроль качества отливок после очистки и обрубки.

Оборудование для выбивки, обрубки, очистки и термообработки отливок приведено в таблице 11.

Таблица 11 - Оборудование для окончательной обработки отливок

Наименование операции

Назначение операции

Используемое оборудование

Выбивка

Извлечение отливки из формы

Решетка выбивная инерционная модели AFW 3500×2500

Предварительная очистка

Последующие удаление смеси

Рубильный молоток ИП-4114.

Обрезка литников и прибылей

Отделение литников и прибылей

Газовый резак для ручной кислородной резки РЗУХ 1

Термообработка

Улучшение механических свойств отливки

Термическая печь

Окончательная очистка

Очистка от пригара и окалины

Дробеметный барабан модели 42213М

Исправление дефектов

Заварка дефектов на поверхности отливок

Электродуговая заварка

Зачистка

Удаление заусенцев

Шлифмашина модели 3М365

Для отливки "Опора" 8ТС 043051, изготовленной из стали 25Л, принимаю в качестве термообработки нормализацию. Нормализация выполняется путем нагрева до температуры 920-9800С и выдерживается в печи 4 часа. После чего охлаждается на открытом воздухе до полного остывания. При термообработке нормализацией снимаются внутренние напряжения, происходит измельчение микроструктуры, улучшается обрабатываемость отливок резанием.

8. Основные мероприятия по технике безопасности, противопожарной технике и охране окружающей среды

Основными вредными производственными факторами в литейных цехах являются пыль, выделяющиеся пары и газы, электромагнитное излучение, избыточная теплота, повышенный уровень шума и вибрации, движущиеся машины и механизмы, подвижные части оборудования.

Защита от вредного действия шума достигается снижением шума в источнике, рациональной планировкой производственного помещения, звукопоглощением, звукоизоляцией. Механический шум снижают, совершенствуя конструкцию машины - повышая точность, уменьшая зазоры; технологические процессы - заменяя обрубку детали плазменной резкой; используя смазочные материалы. В основе метода звукопоглощения лежит применение облицовки ограждающих поверхностей материалом, поглощающим звук. Для защиты работающих от ультразвука источники помещают в защитные кожухи, выносят в отдельное помещение, применяют средства индивидуальной защиты - противошумные вкладыши, наушники.

Устранение вредного воздействия вибрации достигается путем снижения вибрации в источнике, динамического гашения вибрации, виброизоляции. Снижение вибрации в источнике достигается путем изменения кинематики (заменой возвратно-поступательного движения вращательным); заменой технологического процесса безударным взаимодействием деталей (использованием бесступенчатого редуктора вместо шестеренчатого). В качестве виброизоляторов обычно используют стальные пружины или подставки, выполненные из упругих материалов. Для уменьшения передачи вибраций на руки при работе с ручным механизированным инструментом используют виброзащитные рукоятки, виброзащитные рукавицы, вкладыши и прокладки.

Для защиты работающих от теплового воздействия используют мероприятия: теплоизоляцию поверхностей, излучающих теплоту; теплоизоляцию и охлаждение рабочих мест; вентиляцию производственного помещения; распыление воды на рабочих местах; спецодежду и индивидуальные защитные экраны, очки; сокращают время нахождения нагретого металла, шлака в производственном помещении.

Рабочие должны быть обеспечены индивидуальными средствами защиты от попадания химических веществ на кожные покровы и слизистые оболочки, от превышения норм шума и пыли.

Применение различного механического оборудования и высокая плотность его размещения в цехе предполагает произвести разметку безопасных дорожек для прохода людей, с целью уменьшения случаев травматизма.

Взрыв или возгорание газообразных или смешанных горючих веществ, смесей наступает при определенном содержании этих веществ в воздухе. Основными мерами предупреждения взрывов является контроль концентрации пыли. Причем температура деталей оборудования, соприкасающихся с пылью должна быть ниже температуры воспламенения.

К первичным средствам пожаротушения должен быть обеспечен постоянный доступ. Места размещения первичных средств пожаротушения должны быть обустроены и обозначены указателями в соответствии с требованиями правил пожарной безопасности. При тушении пожара, возникшего на оборудовании, находящимся под электрическим напряжением, необходимо пользоваться углекислотными огнетушителями.

Литейное производство является крупным источником загрязнения окружающей среды пылегазовыми выбросами, а так же отходами формовочных и стержневых смесей.

Производственные помещения должны быть оборудовано общеобменной приточно-вытяжной и местной вытяжной механической вентиляцией. Для уменьшения степени загрязнения воздуха при использовании связующего в стержневых и формовочных отделениях устанавливают местную приточно-вытяжную вентиляцию над каждой машиной в соответствии с ГОСТ 12.4.021-75. Выбивку предполагают производить на выбивных решетках, входящих в комплект системы регенерации формовочных и стержневых смесей.

Заключение

В данном курсовом проекте разработан технологический процесс изготовления отливки "Опора" 8ТС 043051 из стали 25Л ГОСТ 977-88.

В разработанном технологическом процессе предусмотрено изготовление форм и стержней из ХТС по Фоскон-процессу. Заполнение форм, стержневых ящиков происходит при помощи смесителей непрерывного действия марок СМ10, СМ5. Уплотнение форм и стержней происходит на вибростоле модели СТ 1200.

За счет уменьшения припусков на механическую обработку, масса металла на одну отливку уменьшилась на 3 кг. Уменьшилась масса прибыли, за счет установки двух боковых прибылей.

В курсовой работе разработано новое расположение моделей на модельной плите, по 2 модели и применением опок размером: L=710мм, В=400мм, высота опок Н=300/300 мм.

Выход годного повысился за счет улучшенной компоновки отливок в форме, уменьшения массы отливок, уменьшения массы прибылей.

Литература

1. Болдин А.Н., Давыдов Н.И., Жуковский С.С. и др. Литейные формовочные материалы. Формовочные, стержневые смеси и покрытия: справочник. М.: Машиностроение, 2006. - 507 с.

. Давыдов Н.И. Литейные противопригарные покрытия: справочник. М.: Машиностроение, 2009. - 240 с.

. Жуковский С.С. Холоднотвердеющие связующие и смеси для литейных стержней и форм: справочник. - М.: Машиностроение, 2010. - 256 с.

. Могилев В.К., Лев О.Н. Справочник литейщика. - М.: Машиностроение, 1988 - 272 с.

. Производство стальных отливок. / Под ред. Л.Я. Козлова. - М.: МИСИС, 2003. - 304с.

. Теория и технология литейного производства: учебник / Д.М. Кукуй, В.А. Скворцов, Н.В. Андрианов. В 2 ч. Ч. 1 Формовочные материалы и смеси. - Минск: Новое знание; - М.: ИНФРА-М, 2011. - 384 с.; ил. - (Высшее образование).

. Теория и технология литейного производства: учебник / Д.М. Кукуй, В.А. Скворцов, Н.В. Андрианов. В 2 ч. Ч. 2 Технология изготовления отливок в разовых формах. - Минск: Новое знание; - М.: ИНФРА-М, 2011. - 406 с.; ил. - (Высшее образование).

. Технология литейного производства. Литье в песчаные формы: учебник / под ред. проф. А.П. Трухова. - М.: ACADEMA, 2005. - 525 с.

9. Трухов А.П., Маляров А.И. Литейные сплавы и плавка - М.: Издательский центр "Академия", 2004.

10. Технология литейного производства: Учебник / Б.С. Чурсин, Э.Б. Гофман, Ф.Г. Майзель и др. - Екатеринбург, 2000.

11. Труды восьмого съезда литейщиков России. Т. 1, т. 2. - Ростов-на-Дону, 23-27 апреля 2007 г.

12. Фролов К.В. Машиностроение: энциклопедия том IV - 5 Машиностроение и агрегаты металлургического производства - М.: Машиностроение 2004

13. Лисицына В.И. Методические рекомендации по выполнению курсового проекта по дисциплине "Технология литейного производства". - Новоческасск: НМЦ " НГПГК", 2009.

. ГОСТ 1869-72 Процессы литейного производства. Термины и определения.

. ГОСТ 3212-92 Комплекты модельные. Уклоны формовочные. Стержневые знаки. Допуски размеров.

. ГОСТ Р 53464-2009 Отливки из металлов и сплавов. Допуски размеров, массы и припуски на механическую обработку.

. ГОСТ 3.1125-88 Правила графического выполнения элементов литейных форм и отливок.

. ГОСТ 14973-69 - ГОСТ 15022-69 Опоки литейные цельнолитые стальные и чугунные. Конструкция и размеры.

. Журналы "Литейное производство" 2005-2010 гг.

. Журналы "Библиотечка литейщика" 2006-2008 гг.

21. Интернет - ресурсы.

Похожие работы на - Разработка технологического процесса изготовления отливки 'Опора' 8ТС 043051 из стали 25Л ГОСТ 977-88

 

Не нашли материал для своей работы?
Поможем написать уникальную работу
Без плагиата!
Без нейросетей!