Разработка технологического процесса изготовления детали 'Втулка'. Проектирование специальной оснастки
МИНИСТЕРСТВО
ОБРАЗОВАНИЯ И НАУКИ РОССИЙСКОЙ ФЕДЕРАЦИИ
Федеральное
государственное бюджетное образовательное учреждение высшего профессионального
образования
«ГОСУДАРСТВЕННЫЙ
УНИВЕРСИТЕТ-УЧЕБНО-НАУЧНО-ПРОИЗВОДСТВЕННЫЙ КОМПЛЕКС»
Кафедра
«Приборостроение, метрология и сертификация»
ПОЯСНИТЕЛЬНАЯ
ЗАПИСКА
к курсовому
проекту по дисциплине:
«Машиностроение»
Тема
курсового проекта:
«Разработка
технологического процесса изготовления детали "Втулка".
Проектирование
специальной оснастки»
Орёл 2013
АННОТАЦИЯ
В курсовом проекте выполнены следующие задания:
Анализ технологических свойств материала; анализ технологичности
конструкции; определение схем базирования и последовательности обработки
поверхностей, подлежащих дополнительной обработки; выбор СТО; определение
технологических режимов обработки поверхности на рабочих переходах; расчет
технически обоснованных норм времени; проектировании специальной оснастки;
расчёт усилия зажима и экономической эффективности.
Объём записки:
Количество страниц: 65;
количество рисунков: 7;
количество таблиц: 7;
количество приложений: 6;
количество листов графической части: 3.
Шифр студенческого билета: 091117
СОДЕРЖАНИЕ
Введение
. Разработка технологического
процесса изготовления детали
.1 Технологический контроль рабочего
чертежа
.2 Обоснование выбора способа
получения заготовки
.3 Оценка технологичности
конструкции детали
.4 Выбор вариантов обработки
поверхности детали
.5 Обоснование
технологического маршрута обработки детали
.6 Определение структуры
технологических операций
.7 Выбор средств
технологического оснащения для каждой операции
.8 Разработка операционных
эскизов
.9 Расчет припусков и
промежуточных технологических размеров
.10 Расчёт режимов резания,
усилий и моментов резания
.11 Расчёт технически
обоснованной нормы времени
. Проектирование спецоснастки
.1 Назначение, описание
конструкции и принципа действия приспособления
.2 Расчёт усилия зажима и
зажимного механизма
.3 Расчет экономического
эффекта от использования приспособления
Список использованных источников
Приложение
ВВЕДЕНИЕ
чертеж заготовка резание приспособление
Целью курсового проекта является разработка этапов технологической
подготовки производства детали «Втулка», осваиваемой в серийном производстве.
При этом необходимо провести анализ технологичности конструкции детали,
дать обоснование технологического маршрута, произвести выбор и проектирование
специальной оснастки, а также расчет норм времени по операциям.
Разработка любого технологического процесса является комплексной задачей,
для решения которой в конкретных условиях производства нужно найти оптимальный
вариант процесса изготовления. Оптимальным является такой вариант процесса,
который обеспечивает выполнение всех требований конструкторской документации на
данное изделие при наименьших производственных затратах.
Проектирование технологического процесса является важнейшим этапом
технологической подготовки производства продукции, который влияет на весь
жизненный цикл товара и способен стать определяющим при принятии решения о
производстве того или иного продукта. При проектировании технологического
процесса необходимо учитывать объём производства, назначение детали,
возможность обработки заготовки различными способами и обеспечение надлежащего
качества детали, а так же соответствие требованиям техническим условиям.
При анализе технологического процесса следует выяснить, правильно ли он
составлен для обеспечения требований чертежа и соблюдаются ли все требования
технологического процесса на производстве.
1. РАЗРАБОТКА ТЕХНОЛОГИЧЕСКОГО ПРОЦЕССА ИЗГОТОВЛЕНИЯ ДЕТАЛИ
.1 Технологический контроль рабочего чертежа
Технологический контроль чертежей сводится к тщательному их изучению.
Рабочие чертежи обрабатываемых деталей должны содержать все необходимые
сведения, дающие полное представление о детали, т. е. все проекции, разрезы и
сечения, совершенно четко и однозначно объясняющие ее конфигурацию, и возможные
способы получения заготовки. На чертеже должны быть указаны все размеры с
необходимыми отклонениями, требуемая шероховатость обрабатываемых поверхностей,
допускаемые отклонения от правильных геометрических форм, а также взаимного
положения поверхностей. Чертеж должен содержать все необходимые сведения о
материале детали, термической обработке, применяемых защитных и декоративных
покрытиях, массе детали и др. Таким образом, технологический контроль - важная
стадия проектирования технологических процессов, он способствует выяснению и
уточнению приведенных выше факторов.
Чертеж детали содержит две проекции с местными разрезами. Размеры на
чертеже указаны все, но не на всех указаны предельные отклонения, поэтому на
эти размеры примем 12 квалитет точности. На некоторых поверхностях нет сведений
о шероховатости, поэтому указываем их на чертеже.
Чертёж детали содержит необходимые виды, дающие полное представление о
детали. По своей конструкции деталь имеет большинство поверхностей открытых и
доступных для обработки.
После анализа чертежа принимаем решение об изготовлении заготовки методом
литья по выплавляемым моделям.
1.2 Обоснование выбора способа получения заготовки
Проанализируем
различные свойства материала Сталь 35Л. Химический состав, физико-механические
и технологические свойства показаны в следующих таблицах.
Таблица 1.1 - Химический состав Сталь 35Л по ГОСТ 977-75
|
Содержание химических элементов,
%
|
|
Обозначение химических
элементов
|
С
|
Si
|
Mn
|
Ni
|
S
|
P
|
Cr
|
Cu
|
|
0,32-0,4
|
0,20 - 0,52
|
0,4 - 0,9
|
≤0,3
|
≤0,045
|
≤0,04
|
≤0,3
|
≤0,3
|
Таблица 1.2 -
Характеристика физико-механических свойств Сталь 35Л по ГОСТ
977 -88
|
Наименование,
характеристика, условное обозначение, ед. измерения
|
|
Предел текучести σТ, МПа
|
Предел кратковременной
прочности σВ, МПа
|
Относительное удлинение δ, %
|
Относительное сужение ψ, %
|
Твердость НВ 10-1, МПа
|
Ударная вязкость КСU,
Дж/м2
|
|
280
|
500
|
15
|
25
|
137-229
|
350
|
Таблица 1.3 -
Характеристика технологических свойств материала Сталь 35Л
|
Марка материала ГОСТ
977-88
|
Наименование свойств
материала
|
|
Жидкотекучесть
|
Пластичность
|
Литейные свойства
|
Обрабатываемость резанием
|
Обрабатываемость давлением
|
Термическая обработка, °С
|
|
|
|
|
|
|
Температура плавления
|
Нормализация
|
Отпуск
|
Закалка
|
|
Сталь35Л
|
Да
|
Нет
|
Да
|
Да
|
Нет
|
1400-1500
|
860-880
|
600-630
|
860-870
|
Для получения заготовки из Стали35Л выбираем три способа литья: в
песчаные формы, в кокиль, по выплавляемым моделям.
Литье - процесс изготовления деталей заливкой расплавленного металла в форму.
Литейная форма представляет собой систему элементов, образующих рабочую
полость, при заливке которой расплавленным металлом формируется отливка. Формы
могут быть разового и многократного применения (постоянные), а также используемые
несколько раз (полупостоянные).
Литьё по выплавляемым моделям широко применяется в приборостроении
для изготовления отливок сложной конфигурации массой от нескольких граммов до
10-15 кг, с толщиной стенок 0,3-20мм и более, с точностью размеров до 9-го (СТ
СЭВ 145-75) квалитета при шероховатости поверхности от 80 до 1,25мкм (ГОСТ
2789-73).Для литья по выплавляемым моделям применяют различные сплавы, в
частности среднеуглеродистые стали. Процесс литья по выплавляемым моделям
заключается в изготовлении модели из легкоплавкого парафино-стеаринового
состава, которую покрывают тонкой керамической оболочкой, формуют, выплавляют в
горячей воде, а в образовавшуюся полость заливают жидкий металл.
В приборостроении литьём в кокиль получают в основном отливки с
толщиной стенки 5-12мм из алюминиевых, магниевых сплавов, бронзы и чугуна. В
отливках допускаются утолщения до 20-25мм, над которыми устанавливается
прибыль, компенсирующая усадку сплава. Кокиль - это металлическая форма
многоразового использования, что обеспечивает достаточно высокую
производительность процесса, но требует гораздо больших затрат на ее
изготовление. При использовании выбиваемых песчано-смоляных оболочковых
стержней возможна отливка в кокиль деталей со сложной внутренней поверхностью. Оболочковые
стержни в кокиле крепят рамкой, фиксаторами или втулкой.
Литьём в песчаные формы. В приборостроении литьем в песчаные формы
изготавливают небольшими сериями крупногабаритные детали из черных и цветных
сплавов. Отливка на обрабатываемых поверхностях должна иметь припуски на
обработку 2-5 мм.
Технологические возможности способов получения заготовки представлены в
таблице 1.4.
Таблица 1.4 - Технологические возможности способов получения заготовки из
Стали 35Л ГОСТ 977-88
|
Технологические возможности
способов получения заготовки
|
Способ получения заготовок
|
|
Литье в кокиль
|
Литье в песчаные формы
|
Литье по выплавляемым
моделям
|
|
1 Класс точности заготовки
по ГОСТ 977-88
|
5-11
|
8-10
|
5-7
|
|
Среднеэкономическое
значение
|
2 Квалитет точности
размера, IT
|
12-14
|
14-17
|
12-14
|
|
3 Шероховатость
поверхности,Rz,мкм
|
Rz=20-80
|
Rz=20-80
|
Rz=20-40
|
|
4 Глубина дефектного слоя,
мм
|
50
|
80
|
30
|
|
Минимальное значение, мм
|
5 Диаметра отверстия
|
8
|
8
|
2
|
|
6 Толщины стенок
|
8
|
8
|
2
|
|
7 Резьбы
|
6
|
5
|
12
|
|
8 Оптимальная толщина
стенок, мм
|
8-10
|
10
|
1,5-2,5
|
|
9 Технологические
|
Уклоны
|
8°
|
4°
|
0° -20°
|
|
Радиусы
|
0,5
|
0,2
|
0,5
|
|
10 Наиболее экономично для
типа производства
|
крупносерийное, серийное
|
серийное
|
крупносерийное, серийное,
мелкосерийное
|
Исходя из таблицы 1.4, наиболее подходящим способом является литьё по
выплавляемым моделям, так как данный способ имеет 12 квалитет точности,
наименьшее значение шероховатости поверхности Rz=20 мкм и минимальное значение
отверстия 2 мм, когда остальные способы имеют минимальное значение отверстия 8
мм. Так же литьё по выплавляемым моделям подходит для мелкосерийного
производства и требует наименьших затрат на заготовительную операцию, в том
числе на изготовление специальной оснастки. Технологические характеристики
выбранного способа представлены в таблице 1.5.
Таблица 1.5 - Технологические характеристики литья по выплавляемым
моделям
|
Способ получения заготовки
|
Литье по выплавляемым
моделям
|
|
Класс точности отливки по
ОСТ 1015
|
5
|
|
Среднеэкономическая
точность размеров заготовки, сформированных: - в одной части формы (штампа);
- в нескольких частей формы (штампа)
|
12
|
|
Величина пространственных
отклонений от заданной формы (коробление, смещение отверстий, удельная
кривизна)
|
Условное обозначение
|
Величина
|
1. Смещение отверстия,мкм на 1 мм 2. Коробление, мкм
на 1 мм 3. Удельная кривизна, мкм на 1 мм
5
,7
|
Глубина дефектного слоя
|
Н, мкм
|
100
|
|
Шероховатость поверхностей
|
Ra, мкм
|
12,5-6,3
|
|
Неуказанные литейные
|
радиусы
|
r, мм
|
1,3
|
|
уклоны
|
а,°
|
от 00 до 20/
|
1.3 Оценка
технологичности конструкции детали «Втулка»
Оценка технологичности конструкции может быть двух видов: качественной и
количественной. Качественная оценка характеризует технологичность конструкции
обобщенно на основании опыта исполнителя и допускается на всех стадиях
проектирования как предварительная. Количественная оценка технологичности
выражается числовыми показателями, которые оказывают существенное влияние на
отработку рассматриваемой конструкции на технологичность.
1.3.1 Качественный анализ технологичности
Анализ технологичности необходимо производить с учетом следующих
факторов, определяющих технологические требования к заготовкам: конфигурации
подвнутренних и внутренних поверхностей, соотношения толщин стенок,
конфигурации наружных поверхностей, соотношения толщин стенок и габаритных
размеров заготовки, глубин отверстий и их диаметров, геометрии наружных ребер,
диаметров отверстий и резьб, расстояний между ними, радиусовскругления,
уклонов, наличия и размеровплатиков и бобышек.
Конструкцию детали следует отрабатывать на технологичность комплексно,
учитывая зависимости от технологичности исходной заготовки детали, от каждого
вида обработки в технологическом процессе изготовления, от технологичности
сборочной единицы, в которую эта деталь входит как составная часть.
Проанализировав конструкцию детали «Втулка», с учетом ее функциональных
назначений необходимо отметить:
·
в конструкции
использованы унифицированные элементы формы детали, которые можно получить
стандартным инструментом;
·
для ответственных
поверхностей шероховатостьRa=1,6 мкм, остальные Ra=2,5 мкм;
·
ответственные
размеры по 8-му квалитету точности, остальные по 11 и 12 квалитету;
·
соотношения
диаметров отверстий и их глубины удовлетворяют требованиям технологичности (D/h ≥ 3) ;
·
деталь является
симметричной, что улучшает ее технологичность.
1.3.2
Количественный анализ технологичности
Количественная оценка технологичности конструкции детали выражается в
расчете числовых показателей, которые оказывают существенное влияние на технологичность.
Одним из таких показателей является комплексный показатель технологичности
детали, который определяется по формуле:
где
- коэффициент прогрессивности обработки детали;
-
параметр, зависящий от вида детали (оригинальная или унифицированная) и
количества оригинальных деталей данного наименования в изделии;
-
коэффициенты технологичности применительно соответственно к:
– заготовительной
операции -
;
– механической
обработке резанием -
;
– термической
обработке -
;
– нанесению
покрытия -
;
-
коэффициенты приведения, учитывающие долю трудоемкости по технологическим видам
производства соответственно:
– получение
заготовок -
;
– механическая
обработка -
;
– термическая
обработка -
;
– нанесение
покрытия -
.
Показатели технологичности конструкции детали применительно к
перечисленным видам производства определяются следующим образом:
, (1.2)
где
- параметр, характеризующий снижение показателя
технологичности из-за действия факторов на заготовительную операцию;
-
количество факторов, снижающих технологичность конструкции применительно к
заготовительной операции;
, (1.3)
где
- значение параметра, снижающего показатель
технологичности применительно к механической обработке;
-
количество факторов, снижающих технологичность при механической обработке;
, (1.4)
где
- значение параметра, снижающего показатель
технологичности применительно к термической обработке;
-
количество факторов, снижающих технологичность при термической обработке;
, (1.5)
где
- значение параметра, снижающего показатель
технологичности применительно к нанесению покрытия;
-
количество факторов, влияющих на снижение показателя технологичности при
нанесении покрытия.
Способ
получения заготовки-литье по выплавляемым моделям, тип
производства-мелкосерийное, по таблицам находим:

,6;
,4;
;
.
Для
того чтобы определить коэффициент использования материала необходимо найти
объем детали и объем припусков.
Коэффициент
использования материала будет равен:
Определяя
коэффициент, получим
:
По
таблицам определим коэффициенты 
,
снижающие технологичность:

-
отношение количества механически обрабатываемых поверхностей к общему
количеству поверхностей детали (литье по выплавляемым моделям и под давлением)
Св. 0,1

:
По
таблицам определим коэффициенты 
,
снижающие технологичность:

-
количество обрабатываемых поверхностей меньше 20 (5);

-
количество поверхностей с отклонением от параллельности не более 0,05 и
поверхностей с повышенными требованиями обработки - до 3;

- количество
видов механической обработки не более 2-х;

- для
выполнения операций требуются специальные приспособления;

-
отношение чистой массы детали к массе заготовки составляет 0,86 (свыше 0,85);

-
соответствующая группа материалов по обрабатываемости.

.
Данный
показатель технологичности детали 
является
удовлетворительным. Рекомендаций по улучшению технологичности детали нет, так
как использование другого способа получения заготовки, экономически не
оправдано.
1.4 Выбор
вариантов обработки поверхности детали
Сравнивая точность размеров и шероховатость поверхности с требуемыми,
приходим к выводу, что дополнительной механической обработке подлежат
поверхность 1-8, которые представлены в Приложении Б.
Поверхности, подлежащие дополнительной механической обработке:
Поверхность 1 - в размер 12,5H12
Поверхность 2 - в размер Ø34h11
Поверхность 3 - в размер 12Н12
Поверхность 4 - в размер 4Н12
Поверхность 5 - в размер Ø14h11
Поверхность 6 - в размер Ø7,6Н8
Поверхность 7 - в размер Ø4Н12
Поверхность 8 - в размер Ø2,8Н12
Рисунок 1.1 - План обработки поверхностей 1,3,4
Рисунок 1.2 - План обработки поверхностей 2,5
Рисунок 1.3 - План обработки поверхности 6
Рисунок 1.4 - План обработки поверхности 7
Рисунок 1.5 - План обработки поверхности 8
1.5
Обоснование технологического маршрута обработки детали
Технологический процесс - часть производственного процесса, содержащая
действия, по изменению и последующему определению состояния предмета
производства.
При разработке технологического маршрута необходимо учесть требования по
точности и шероховатости поверхностей. Необходимо также выбирать операции так,
чтобы затраты были наименьшими, а производительность наибольшая. При разработке
маршрута следует придерживаться следующих общих правил:
1. В первую очередь обрабатываются поверхности, которые служат базами при
последующей обработке.
2. Рекомендуется обрабатывать вначале поверхности, с которых снимается
наибольший слой метала. Это позволит вскрыть дефекты заготовки в начале
технологического процесса.
. Чем точнее должна быть поверхность, тем позже следует её обрабатывать.
Таким образом, уменьшается влияние деформации, вызванной перераспределением
напряжения в металле.
Для изготовления детали «Втулка» разработан технологический процесс. Операции
технологического процесса:
1 005 Заготовительная
010 Токарно-винторезная
015 Токарно-револьверная
020Вертикально-сверлильная
025Вертикально-сверлильная
030 Промывочная
035 Контрольная
Сначала
обрабатывается торцовая поверхность 1, так как затем по ней на последующих
операциях будет базироваться деталь. Затем зенкеруют и развертывают отверстие
7,6мм,
после его обработки с помощью контрольно-измерительного инструмента
контролируют диаметр отверстия. После чего сверлятся ещё 4 отверстия 
4 мм, и
производится их зенковка и контролируется их диаметр. После чего сверлятся ещё
1 отверстие
2,8 мм, и
контролируется их диаметр и межосевое расстояние.
В
соответствии с выбранными методами обработки составляем маршрутную карту,
которая представлена в Приложении Г.
1.6
Определение структуры технологических операций
Структура операции определяется следующими признаками:
) количеством заготовок одновременно устанавливаемых в приспособлении или
на станке (одно и многоместная);
) количеством инструментов, используемых при выполнении операции (одно
или многоинструментальная);
) последовательностью работы инструментов при выполнении операции.
Выбор структуры зависит от серийности производства и принятого принципа
формирования технологического процесса и технологических операций.
После уточнения структуры технологической операции определяют ее
составляющие элементы: установы, позиции, вспомогательные и технологические
переходы, количество инструментов и последовательность выполнения.
Одну и ту же заготовку можно обработать разными способами.
Технологический процесс обработки заготовки может содержать небольшое
количество операций с применением небольшого количества оборудования, однако
эта же заготовка может быть обработана на большем числе станков с большим
количеством операций. В первом случае количество переходов в операциях
характеризует их сложность, насыщенность, то есть степень концентрации.
Если количество переходов, выполняемых последовательно на станке,
значительно, такую организацию работы называют последовательной концентрацией
технологического процесса.
Если одновременно параллельно выполняют значительное число переходов в
одной операции, то такую организацию работы называют параллельной концентрацией
технологического процесса. Параллельная концентрация связана с использованием
многоинструментальных станков (многорезцовых, многошпиндельных.), что
обеспечивает высокую производительность, применение таких станков экономично
при большом выпуске изделий.
Если технологический процесс раздроблен на простейшие операции с
небольшим числом переходов в каждой, то он называется дифференцированным
технологическим процессом. Дифференциация применяется на отдельных этапах при
недостаточном оснащении специальным оборудованием, отсутствии квалифицированных
рабочих. В этом случае технологический процесс расчленен на простейшие
операции, преимущественно однопереходные или двухпереходные.
В разделе 1.4 были отмечены поверхности, подлежащие дополнительной
обработке после заготовительной операции. Данные поверхности следует
обрабатывать в следующей последовательности:
Токарно-винторезная операция -Установить и закрепить заготовку -1)
Подрезать поверхность 1- торец, начерно выдержав размер 13 мм,-2)Подрезать
поверхность начисто выдержав размер 12,5мм,-3) Обточить цилиндрическую
поверхность в размер Ø34H11 - Снять деталь.
2
Токарно - револьверная операция - Установить и закрепить заготовку - 1,2)
Подрезать поверхность 3 -торец, начерно и начисто, выдержав размер 12мм -3,4)
Подрезать поверхность4 начерно и начисто выдержав размер 4мм -2) Обточить
цилиндрическую поверхность в размер Ø14H11 - 5) Начерно
зенкеровать отверстие Ø7,6Н8, выдержав размер Ø7,09 мм - 6) Начисто зенкеровать, выдержав размер 
7,42 мм -
7) Развертывать окончательно в размер Ø7,6H8 - Снять деталь.
Вертикально-сверлильная
операция - Установить и закрепить заготовку в кондукторе - Сверлить 4 отверстия
Ø4Н12 глубиной 4 мм, выдержав размер 26 ± 0,1 мм
относительно центров отверстий.
Вертикально-сверлильная
операция - Установить и закрепить заготовку-Сверлить одно отверстие Ø2,8Н12 глубиной 6,4мм, выдержав размер 4 мм - Снять
деталь.
1.7 Выбор
средств технологического оснащения для каждой операции
Выбор модели станка, прежде всего, определяется его возможностью
обеспечить точность размеров и формы, а также качество поверхности
изготовляемой детали.
Выбор режущего инструмента осуществляется в зависимости от содержания
операций, выбранного оборудования и по возможности из стандартного режущего
инструмента.
Выбор СОЖ или определение целесообразности ее применения зависит от
конкретных условий резания (вида обработки, обрабатываемого материала и
материала инструмента, режимов резания и др.)[6].
1.7.1 Выбор станков
Для обработки поверхностей необходимо выбрать типы и модели станков.
Модели станков выбираются исходя из габаритов обрабатываемой заготовки (12х34
мм) [2]:
Для токарно - винторезной операции: токарно-винторезный станок 1П611.
Для токарно - револьверной операции: токарно - револьверный станок
1Д316П.
Для вертикально - сверлильной операции: вертикально - сверлильный станок
2Н106П.
Технические характеристики оборудования представлены в Приложении В.
1.7.2 Выбор режущего инструмента
При проектировании технологического процесса важен выбор режущего
инструмента, который обеспечивает необходимую точность и частоту при обработке
и повышает производительность.
Для подрезки торцов используется токарный проходной упорный резец по 73
2103-0021 ГОСТ 18879 -соответственно с пластинами из твёрдого сплава ВК8.
Для обточки наружного диаметра возьмем резец проходной упорный прямой
20х12х120 ВК8 ГОСТ 18879-73 - обозначение 2101-0009. Предназначен для обточки и
отрезки деталей или заготовок из сталей, чугунов или цветных металлов и сплавов
на универсальном и автоматизированным оборудовании.
Для зенкерования отверстия Ø7,6 мм возьмем зенкер 2320-2715 с
цилиндрическим хвостовиком ГОСТ 12489-71:
D = 7,4
мм - диаметр зенкера;
l = 75 мм
- длина рабочей части;
L = 117
мм - длина зенкера;
3 Для развертки отверстия Ø7,6 мм - развёртка машинная цельная типа
с цилиндрическим хвостиком. По ГОСТ 16086 - 70:
D = 7,6 мм,
L = 90 мм,
l = 18 мм.
4
Для зенкования отверстий 
4 мм
используем - зенковка с коническим хвостиком ГОСТ 14953-80 2353-0081:
D = 5 мм,
L = 50 мм,
l = 10 мм.
5
Для сверления 4 отверстий 
4 мм,
используем спиральное сверло короткой серии с цилиндрическим хвостиком
2300-5445 ГОСТ 4010-77
D = 4 мм- диаметр сверла;
l = 22 мм- длина рабочей части;
L = 55 мм - длина сверла;
Для
сверления отверстия
2,8 мм,
используем спиральное сверло длинной серии с цилиндрическим хвостиком 2300-6931
ГОСТ 4010-77
D = 2,8 мм- диаметр сверла;
l = 66 мм- длина рабочей части;
L =100 мм - длина сверла;
1.7.3
Выбор смазочно-охлаждающей жидкости (СОЖ)
Цель применения СОЖ - снижение изнашивания режущего инструмента,
улучшение качества обрабатываемой поверхности и повышение производительности
труда.
Современные смазочно-охлаждающие жидкости - это сложные многокомпонентные
(в среднем 8-10 составляющих) соединения продуктов нефтехимического и
химического производства. Они обладают рядом свойств, обеспечивающих при вводе
их в зону резания повышение стойкости инструмента, улучшение качества обработки
поверхности, уменьшение сил резания и способствующих удалению стружки.
В основе действия СОЖ на процесс резания лежат три эффекта: смазочный,
охлаждающий и моющий.
Смазочный эффект СОЖ состоит в уменьшении сил адгезии и трения на
поверхность контакта режущего инструмента с обрабатываемым материалом
вследствие образования адсорбированных пленок, а также пленок химических
соединений. Необходимым условием для проявления смазочного действия СОЖ
является способность веществ, входящих в их состав, проникать по капиллярам
(каналам) на поверхности контакта режущего инструмента и обрабатываемого
материала. При этом проникновению СОЖ могут способствовать вакуум, разность
давлений, силы химического взаимодействия, внешние электрические и магнитные
поля, вибрации и другие факторы.
Охлаждающий эффект СОЖ состоит в снижении температуры в зоне контакта
режущего инструмента с обрабатываемым материалом вследствие уменьшения
тепловыделения и улучшения теплоотвода. Уменьшение тепловыделения происходит
благодаря влиянию СОЖ на прочность отделяемого слоя металла и повышение его
хрупкости, то есть уменьшению работы, затрачиваемой на резание.
Моющий эффект СОЖ состоит в обеспечении непрерывного удаления из зоны
обработки продуктов резания: частиц износа инструмента, мелкой стружки и пыли,
карбидов, выломанных из структуры обрабатываемого металла. Особенно необходимо
моющее действие СОЖ при выполнении финишных операций, так как скопление
продуктов износа на режущих элементах снижает стойкость инструмента и качество
обработанной поверхности[6].
Деталь «Втулка» обрабатывается зенкерованием, сверлением. По справочнику
для данного материала детали (Сталь 35Л ГОСТ 977-75) находим наиболее
подходящий тип СОЖ - эмульсия (ЭМ)[12]. Выбираем марку СОЖ: 1,5 - 3% -ная
эмульсия из эмульсола Укринол-1 ТУ 38-101197-76.
1.7.4
Выбор измерительного инструмента
1. Штангенциркуль ЩЦ-I-125-0,1-1
ГОСТ166-89.
Штангенциркуль предназначен для измерения наружных и внутренних размеров
и разметки. ЩЦ-I - штангенциркуль
с двусторонним расположением губок для измерения наружных и внутренних размеров
с линейкой для измерения глубин.
Таблица 1.6 - Параметры штангенциркуля ЩЦ-I-125-0,1-1 ГОСТ166-89
|
Параметр
|
ЩЦ-I -125-0
|
0,1
|
|
Значение отсчета по нониусу,
мм
|
0,1
|
|
Вылет измерительных губок
для измерения внутренних размеров, мм, не менее
|
35
|
|
Вылет измерительных губок
для измерения внутренних размеров, мм, не более
|
42
|
|
Предел допускаемой
погрешности, мм
|
±0,1
|
. Калибр-пробка 8133-0920 H12
ГОСТ 14810-69.
Применяется для контроля диаметра отверстий Ø4H12 мм.
. Калибр-пробка 8133-0901H12
ГОСТ 14810-69.
Применяется для контроля диаметра отверстия Ø2,8H11мм.
4. Специальное приспособление для контроля межцентровых расстояний.
. Специальное приспособление для контроля отклонения оси отверстия от
перпендикулярности плоскости.
1.8
Разработка операционных эскизов
По ГОСТ 21495 - 76: базирование - придание заготовке или изделию
требуемого положения относительно выбранной системы координат.
Выбор баз необходим на всех стадиях создания изделия: при
конструировании, обработке, измерении, а так же при сборе. Это обстоятельство и
положено в основу классификации баз по назначению.
Классификация баз по назначению:
1. Конструкторская:
a. основная
b. вспомогательная
2. Технологическая
3. Измерительная
Конструкторская база - база, используемая для определения положения
детали или сборочной единицы в изделии.
Основная база - конструкторская база данной детали или сборочной единицы,
используемая для определения их положения в изделии.
Вспомогательная база - конструкторская база данной детали или сборочной
единицы, используемая для определения положения присоединяемого к ним изделия.
Технологическая база - база, используемая для определения положения
заготовки или изделия при изготовлении или ремонте.
Измерительная база - база, используемая для определения относительного
положения заготовки или изделия и средств измерения.
Схемы базирования строят с учётом выбранного метода дополнительной
обработки и типа оборудования, то есть используя графы, представленные выше.
Операционные эскизы с указаниемсхем базирования детали показаны на листе 2
графической части курсового проекта
1.9 Расчет
припусков и промежуточных технологических размеров
Припуском на обработку называется слой металла, подлежащий удалению с
поверхности заготовки в процессе обработки для получения готовой детали.
Общим припуском на обработку заготовки называется слой металла, удаляемый
с поверхности заготовки в процессе механической обработки с целью получения
готовой детали.
Межоперационный припуск - это слой металла, удаляемый с поверхности заготовки при выполнении
отдельной операции.
Припуск назначают для компенсации погрешностей, возникающих в процессе
предшествующего и выполняемого переходов технологического процесса изготовления
детали.
Припуск задается на сторону. Припуск определяют разностью между размерами
заготовки и готовой детали по рабочему чертежу.
Межоперационный припуск определяется разностью получаемых размеров на
предыдущей операции и данной операции [3].
Рассчитаем
припуск на поверхность, занося все полученные данные в таблицу 5[10]. По
справочной таблице найдем предельные отклонения для отверстия Ø7,6 мм, соответствующие квалитету точности H8.
Предельные отклонения будут равны: нижнее - 0, верхнее - +22 мкм, то есть отверстие 
.
Данная
поверхность - это поверхность вращения, следовательно, минимальный
припуск при обработке внутренней поверхности вращения:[10]
(1.10)
где

- высота
микронеровностей для элементарной поверхности на предшествующем переходе, мкм;

- глубина дефектного
поверхностного слоя для элементарной поверхности на предшествующем переходе,
мкм;

- суммарное значение
пространственных отклонений для элементарной поверхности на предшествующем
переходе, мкм;

- погрешность
установки заготовки на выполняемом переходе, мкм.
Технологический маршрут обработки поверхности 4 состоит из трех операций:
чернового, чистового зенкерования и чистового развертывания, выполняемые при
одной установке обрабатываемой заготовки. Заготовка базируется с прижимом к
торцевой поверхности.
Значения

и 
определяем
из таблицы для выбранного метода получения заготовки (литье по выплавляемым
моделям) [10]: Rz=30 мкм, T=170 мкм.
Найдем пространственное отклонение:
где

-коробление, мкм;

- смещение, мкм.
Коробление
отверстия следует учитывать как в диаметральном, так и в осевом сечение.
Поэтому:
где

- удельное
коробление;

-
диаметр отверстия;

- длина
отверстия.
Значение
удельного коробления заготовки найдем по таблице [10]: 
. Тогда:
По
таблице найдем значение смещения для литья по выплавляемым моделям: 
[5]
Суммарное
пространственное отклонение заготовки:

,
Величина
остаточного отклонения при последующей обработке определяется по формуле:
где

-
коэффициент уточнения(К1=0,05;К2=0,005; К3=0,002).
Остаточное
пространственное отклонение после чернового зенкерования:

,
Остаточное
пространственное отклонение после чистового зенкерования:

,
Остаточное
пространственное отклонение после чистового развертывание:

,
Находим
погрешность установки [11].
где

-
погрешность базирования;

-
погрешность закрепления.
При
обработке данного отверстия Ø7,6 мм
заготовка базируется по торцовой поверхности, и эта же поверхность является
конструкторской базой. Поэтому погрешность базирования 
.
По
таблице погрешность закрепления 
.Погрешность
установки учитывается только при расчете чернового припуска, так как деталь
обрабатывается без переустановки [11].
Значения
допусков для каждого перехода принимаем по таблицам в соответствии с классом
точности вида обработки[5]. Для чистового развертывания 
=22 мкм,
для чистового зенкерования 
=58 мкм,
для чернового 
=150 мкм,
допуск на отверстие в отливке 1-ого класса точности по ГОСТ 26645-85 составляет

1=400 мкм.
Рассчитываем минимальный припускна каждый переход(по формуле 1.10):
минимальный припуск под развертывание чистовое:
минимальный припуск под зенкерование чистовое:
- минимальный припуск под зенкерование черновое:
На основании полученных данных производится расчет номинальных припусков:

(1.15)
Номинальный
припуск под развертывание чистовое:
Номинальный
припуск под зенкерование чистовое:
Номинальный
припуск под зенкерование черновое:
Далее
рассчитаем значения максимальных припусков по формуле 1.16:

(1.16)
Максимальный
припуск под развертывание чистовое:

(мкм)
Максимальный
припуск под зенкерование чистовое:
Максимальный
припуск под зенкерование черновое:
Найдем
номинальные значения промежуточного технологического размера по формуле 1.17:

(1.17)
Результаты произведенных расчетов занесем в таблицу 1.7.
Таблица
1.7 - Расчет припусков и предельных размеров по технологическим переходам на
обработку отверстия 
|
Номер и содержание рабочего
перехода
|
Элементы припуска, мкм
|
Расчетный припуск 2Zmin,
мкм
|
Расчетный номинальный
припуск 2Zном, мкм
|
Допуск на изготовление Td,
мкм
|
Предельный размер, мм
|
Полученные предельные
припуски, мкм
|
|
   Amin
|
Amax
|
2Zmax
|
2Zmin
|
|
|
|
|
|
|
|
|
1. Получение отливки с
пролитым отверстием
|
32
|
100
|
200
|
-
|
-
|
-
|
400
|
6
|
6,64
|
-
|
-
|
|
2. Зенкерование черновое
|
40
|
40
|
10
|
50
|
676
|
1080
|
160
|
7,08
|
7,32
|
1226
|
676
|
|
3. Зенкерование чистовое
|
32
|
30
|
1
|
-
|
180
|
340
|
58
|
7,42
|
7,5
|
388
|
180
|
|
4. Развертывание чистовое
|
10
|
25
|
-
|
-
|
124
|
180
|
22
|
7,6
|
7,62
|
204
|
124
|
Номинальное значение общего припуска равно разности номинальных значений
диаметра отверстия у заготовки и у детали:
Наибольшее возможное значение общего припуска:
Наименьшее возможное значение общего припуска:
Построим схему расположения припусков (рисунок 1.6).
Рисунок
1.6 - Схема графического расположения припусков и допусков на обработку
отверстия 
1.10
Расчёт режимов резания, усилий и моментов резания
Расчет режимов резания для выполнения рабочего перехода на
вертикально-сверлильном станке.
На вертикально-сверлильном станке модели 2Н106П производится сверление
отверстияØ4 мм. Глубина обрабатываемой поверхности 4 мм. Для сверления
используем сверло спиральное короткой серии с цилиндрическим хвостиком
2300-5445 ГОСТ 4010-77.
Спиральное сверло D = 4
мм; материал режущей части - быстрорежущая сталь Р18. Геометрические элементы:
разновидность заточки - нормальная (Н); угол при вершине 2φ
= 118±3;угол наклона
поперечной режущей кромки ψ = 4÷60°.
Назначаем режим резания:
Глубина резания

(1.18)
где dотв - диаметр отверстия.
Используя формулу (1.18), находим глубину резания
Назначаем период стойкости сверла [16,с.114], Т=20мин
Назначаем подачу [16, с.110-111]
Подача ручная, по первой группе подач. Сверление при
Определяем расчетное значение скорости резания, в зависимости от режущих
свойств сверла [16, с.115]

(1.19)
где

-
значение скорости, выбираемое из таблицы (
;
К1
- коэффициент, зависящий от обрабатываемого материала(
);
К2
- коэффициент, зависящий от стойкости инструмента(
);
К3
- коэффициент, зависящий от отношения длины резания к диаметру(
.
Подставляем
найденные значенияиз таблиц в формулу (1.19) и получаем скорость резания
Определяем расчётную частоту (число оборотов) вращения шпинделя

(1.20)
Используя
формулу (1.20), находим
Расчетное
значение оборотов корректируем по паспорту станка (ряд частот, об/мин для
станка 2Н106П - 1000, 1400, 2000, 2800, 4000, 5600, 8000)

,
где

-
частота вращения, определяемая по паспорту станка

,
Далее рассчитываем фактическую скорость резания:

(1.21)
По
формуле (1.21), находим:
Должно выполняться следующее неравенство:

(1.22)
Так как выполняется неравенство (1.22), следовательно, расчет произведен
верно.
Рассчитаем осевую силу резания

(1.23)
где

-
коэффициент, зависящий от обрабатываемого материала (Кр=1) [16,
с.124]
Рассчитаем
крутящего момента

(1.24)
где
-
мощность резания по таблице (
[16,
с.127]

-
коэффициент, зависящий от обрабатываемого материала (Кр=1) [16,
с.128]
8 Рассчитаем
необходимую мощность станка
где

-
мощность резания по таблице; (
[16,
с.127]

-
коэффициент, зависящий от обрабатываемого материала; (Кр=1) [16,
с.128]
n - число
оборотов инструмента в минуту.
Для
станка 2Н106П мощность двигателя главного движения составляет 0,4 кВт, таким
образом можно сделать вывод, что станок выбран правильно и используется
эффективно, так как 
.
9 Определяем основное время на выполнение операции

(1.25)

, (мм)
(1.26)
где

- длина
рабочего хода обрабатывающего инструмента, мм
l- длина
обработанной поверхности, (l=4м)
∆-
перебег сверла;
y - врезание сверла (
) [16,
с.303].
Используя формулы (1.25) и (1.26), находим основное время на операцию
сверления одного отверстия:
Так как необходимо последовательно обработать 4 отверстий, следует
посчитать основное время на обработку всех отверстий:

(1.27)
Используя формулу (1.27), находим

.
1.11
Расчёт технически обоснованной нормы времени
Под технически обоснованной нормой времени понимается время, необходимое
для выполнения заданного объема работы (операции) при определенных
организационно-технических условиях и наиболее эффективном использовании всех
средств производства и передового опыта новаторов [6].
Определение норм времени на операцию сверления 4 отверстий Ø4 мм с использованием приспособления
Норма штучного времени для работ, выполняемых на металлорежущих станках,
определяется по формуле:
где

-
основное время, то есть время на выполнения рабочих переходов, мин;

-
вспомогательное время, то есть время, затрачиваемое на выполнение
вспомогательных переходов на выборочный контроль качества обрабатываемых
деталей, мин;

- время
технического обслуживания рабочего места, мин;

- время
организационного обслуживания рабочего места, мин;

- время
на отдых и естественные работы, мин.
Значение
основного времени было посчитано выше, поэтому записываем результат:

.
Определим вспомогательное время по формуле:
где

- время
на установку и закрепление, снятие заготовки;

-
вспомогательное время, связанное с переходом;

-
вспомогательное время, связанное с переходом, не включенным в комплекс;

-
вспомогательное время на контроль одной детали;
Время
на установку и снятие заготовки
определим
по таблице в справочнике [8] (карта 9). Деталь устанавливается в специальном
приспособлении. По таблице 
.
Вспомогательное
время 
,
связанное с переходом, найдем по таблице: 
(карта
27)(так как производится сверление по кондуктору, вид подачи - ручная,
наибольший диаметр просверливаемого отверстия - до 8 мм).
Вспомогательное
время 
,
связанное с переходом, не включенным в комплекс, включает (карта 41):
вспомогательное
время на установку режущего инструмента:
вспомогательное время на включение или выключение вращения шпинделя,
изменение частоты вращения:
вспомогательное время на остановку вращения шпинделя:
Вспомогательное время на измерение одной детали (учитываем, что 10%
деталей подвергаются измерению) (карта 51):
Вспомогательное время на измерение межцентрового расстояния:

(мин)
Вспомогательное
время будет равно:
Найдем оперативное время по формуле:
Определим значения времени на отдых и личные надобности, техническое и
организационное обслуживание рабочего места.
Время на техническое обслуживание рабочего места определяется по карте
42. Для сверлильного станка оно составит 3,5 % от оперативного времени (так как
наибольший диаметр просверливаемого отверстия - до 8 мм): [8]
Время на организационное обслуживание рабочего места определяется по
карте 43. Для сверлильного станка оно составит 3,5 % от оперативного времени:
[8]
Время перерывов на отдых и личные потребности определяется по карте 53.
Оно составит 7 % от оперативного времени (так как характер подачи - ручной, вес
детали - до 1 кг, оперативное время операции - до 0,5 мин): [8]
Определим штучное время по формуле 1.28:
Определим штучно-калькуляционное время по формуле:
где

-
подготовительно-заключительное время, мин;

- партия
деталей запускаемых в производство, шт. ( зависит от объема выпуска деталей, в
нашем случае для 5000 штук 
)
По
карте 42 определим подготовительно-заключительное время [17]:
Определяем
штучно - калькуляционное время:
Определение норм времени на операцию сверления 4 отверстий
Ø4мм без
использования приспособления
Норма штучного времени для работ, выполняемых на металлорежущих станках,
определяется по формуле (1.28).
Основное время будет таким же, как и при использовании приспособления:
Определим вспомогательное время по формуле:
где

- время
на установку и снятие заготовки;

-
вспомогательное время, связанное с переходом;

-
вспомогательное время, связанное с переходом, не включенным в комплекс;

-
вспомогательное время на измерение одной детали;

-
вспомогательное время на разметку детали.
Время
на установку и снятие заготовки
определим
по таблице в справочнике [17](карта 36). Без использования специального
приспособления деталь устанавливается на столе. По таблице 
.
Вспомогательное
время 
,
связанное с переходом, найдем по таблице: 
(карта
41)(так как производится сверление по разметке, вид подачи - ручная, наибольший
диаметр просверливаемого отверстия - до 8 мм).
Вспомогательное
время 
,
связанное с переходом, не включенным в комплекс, включает (карта 41):
вспомогательное
время на установку режущего инструмента:
вспомогательное время на включение или выключение вращения шпинделя,
изменение частоты вращения:
вспомогательное время на перемещение детали по столу:
вспомогательное время на остановку вращения шпинделя:
Вспомогательное время на измерение одной детали (учитываем, что 10%
деталей подвергаются измерению) (карта 51) включает:
вспомогательное время на контроль диаметра 1 отверстия калибром-пробкой:
вспомогательное время на измерение межцентрового расстояния:
Так как 10% деталей подвергаются измерению, то:
Вспомогательное
время на разметку детали 
:
Вспомогательное
время будет равно:
Найдем оперативное время по формуле (1.30):
Определим значения времени на отдых и личные надобности, техническое и
организационное обслуживание рабочего места.
Время на техническое обслуживание рабочего места определяется по карте
42. Для сверлильного станка оно составит 3,5 % от оперативного времени (так как
наибольший диаметр просверливаемого отверстия - до 8 мм) [17]:
Время на организационное обслуживание рабочего места определяется по
карте 43. Для сверлильного станка оно составит 3,5 % от оперативного времени
[17]:
Время перерывов на отдых и личные потребности определяется по карте 53.
Оно составит 7 % от оперативного времени (так как характер подачи - ручной, вес
детали - до 1 кг, оперативное время операции - до 1 мин) [8]:
Определим штучное время:
Определим штучно-калькуляционное время. Для этого сначала по карте 42
определим подготовительно-заключительное время [8]:
Определяем штучно-калькуляционное время по формуле (1.31):

2.
ПРОЕКТИРОВАНИЕ СПЕЦОСНАСТКИ
.1
Назначение, описание конструкции и принципа действия приспособления
При проектировании специального станочного приспособления необходимо
учитывать следующие требования:
приспособление должно обеспечивать заданную точность обработки;
использование приспособления должно сокращать затраты времени на
выполнение операции;
приспособление должно быть удобно и безопасно в эксплуатации, отвечать
требованиям эргономики;
конструкция приспособления должна состоять преимущественно из стандартных
деталей и сборочных единиц.
В данной курсовой работе была разработана конструкция специального
приспособления - для сверления отверстий (кондуктор с откидной крышкой и защелкой)
Кондуктор предназначен для сверления 4отв. Ø 4мм, расположенныхна Ø
26+0,1мм.Базовыми
поверхностями обрабатываемой детали являются торец и отверстие Ø
14,2.
Основание приспособления выполнено в виде прямоугольной плиты 1 с
уступом, установленной на опорах 3,4.
Обрабатываемую деталь устанавливают в отверстие Ø
14,2мм нижней плиты
1.Закрепление обрабатываемой детали осуществляется резьбовым конусом 8. Сверло
направляется с помощью кондукторных втулок 5, запрессованных в крышке 2.
Крышка 2 поднимается и опускается до упора 6 с помощью ручки 7 и далее
прижимается с помощью пружины 9 и зажима.
Простота конструкции, быстрота установки и закрепления детали являются
достоинствами данного проектируемого кондуктора.
Кондуктор устанавливается на столе вертикально-сверлильного станка.
2.2 Расчёт
усилия зажима и зажимного механизма
Рисунок 2.1- Схема действующих сил на заготовку при сверлении отверстия с
использованием кондуктора
Зажимной элемент приспособления предназначен для надежного закрепления
заготовки после ее базирования.
Рассчитаем усилие зажима.
В
процессе сверления отверстия момент резания 
и
окружное усилие на сверле 
стремятся
сместить заготовку, чему препятствует усилие зажима.
Для расчета усилия зажима составим уравнение моментов сил [12]:
где

-
коэффициент запаса (
);

-
крутящий момент силы резания, действующей при сверлении, Н·м;

-момент
трения, Н·м.
Крутящий
момент силы резания при сверлении заготовки определяется по формуле:
где

- сила,
создающая крутящий момент при сверлении, Н;

- радиус
сверла, м;

-
межцентровое расстояние (расстояние между центром заготовки и центром сверла),
м.
Сила,
создающая крутящий момент при сверлении, определяется по формуле:
где

-
крутящий момент, создаваемый сверлом при сверлении отверстия.
Определим
силу 
:
Определим
крутящий момент 
:
Уравнение
моментов силпримет вид:
где

-момент
трения по буртику, Н·м;

-момент
трения по отверстию, Н·м;

- усилие
зажима, Н;

-приведенный
радиус, м;

-радиус
отверстия, м;

-
коэффициенты трения;
Выразим
из уравнения 
:
Найдем
коэффициенты трения 
и 
по
справочным таблицам: [12]
Приведенный
радиус находим по формуле:

(2.6)
Определим
приведенный радиус:
Определим
усилие зажима по формуле (2.5):
Винт
изготавливается из стали 45 с применением отжига. Следовательно 
. На
винте используется стандартная резьба.
Зная
усилие зажима определим диаметр резьбы (
) по
формуле:
Подставив
значения в формулу 2.7 получим:
Конструктивно
примем диаметр резьбы равным 8 мм.
Определим
момент кручения приложенный к винту, для обеспечения усилия зажима 
. Так как
резьба является стандартной, то момент кручения, приложенный к винту будет
определяться по формуле:
Подставив
значения в формулу 2.8, получим:
Примем
длину рукоятки L=100мм =0,1 м. Определим нужную силу прикладываемую
рукой оператора, для обеспечения требуемого усилия зажима 
, по
формуле:
Подставив
значения в формулу 2.9, получим:
Таким
образом, данное усилие руки является приемлемым.
2.3 Расчет
экономического эффекта от использования приспособления
Годовой экономический эффект от использования специального приспособления
формируется за счет повышения производительности труда на операции, оснащенной
специальным приспособлением. Определенную долю в экономию от использования
специальной оснастки вносит снижение заработной платы основных рабочих.
Экономический эффект за год определяется по формуле:
где

экономия
от использования приспособления

-
затраты на его изготовления за год
Экономия
от использования приспособления определяется по формуле (2.10):
где

и 
-
соответственно штучное время на операцию без приспособления и с приспособлением,
мин;

- часовой
тарифный расход, руб/ч;

- годовой
выпуск изделия, шт.
Расходная
тарифная ставка находится, как:
где

и 
-
часовая тарифная ставка и коэффициент часовых затрат.
Из
таблиц выбираем часовую тарифную ставку и коэффициент часовых затрат [13]:
При
использовании оснастки ( тарифный разряд 2):
Без
оснастки ( тарифный разряд 3) :
Рассчитаем
расходную тарифную ставку:
Найдем
экономию от использования приспособления за операцию:
Рассчитаем
годовой расход от использования приспособления:
где

-
себестоимость приспособления, руб;

-
коэффициент амортизационных отчислений;

-
коэффициент учитывающий затраты на эксплуатацию и хранение.
Из
таблиц выбираем коэффициент амортизационных отчислений (при окупаемости в 2
года) и коэффициент учитывающий затраты на эксплуатацию и хранение [3]:
Себестоимость
приспособления рассчитывается по формуле:
где

-
количество деталей в приспособлении, шт.;

-
удельная себестоимость приспособления, руб.
Разработанное
специальное приспособление состоит из 17деталей, удельная себестоимость 
(так как
приспособление относится к 3 группе сложности) [13].
Определим
себестоимость приспособления:
Определим
годовой расход от использования приспособления:
С
учётом устаревания данных (1980 - 2013) данное значение необходимо умножить на
коэффициент пересчета 
:
Определим
экономический эффект за год:
Экономический
эффект от использования приспособления существенный, из этого следует
целесообразность применения данной оснастки при технологической операции.
ЗАКЛЮЧЕНИЕ
В данной курсовой работе был разработан технологический процесс
изготовления детали «Втулка». Заготовка детали была получена литьем по
выплавляемым моделям из Стали 35л и далее была обработана резанием. В
результате проведения анализа конструкции детали, заданных квалитетов точности
и параметров шероховатости сделан вывод о необходимости механической обработки
детали. Для этих целей использовались токарно-винторезный станок 1П611, токарно
- револьверный станок 1Д316П, настольный сверлильный станок 2Н106П. Также
составлена маршрутно-операционная карта изготовления детали.
Для обработкиповерхности6 (отверстия Ø7,6 мм)был произведен расчет
межоперационных припусков на механическую обработку.
Для сверления 4 отверстий Ø4 мм на вертикально-сверлильном станке
было сконструировано специальное приспособление -кондуктор. Для данного
приспособления был произведен расчет усилия зажима, а также была доказана
эффективность применения приспособления.
СПИСОК ИСПОЛЬЗОВАННЫХ ИСТОЧНИКОВ
1. Козлова, Л.Д. Лабораторный практикум по технологии
приборостроения : учебное пособие [Текст] /Л.Д. Козлова. - Орел: ОрелГТУ, 2006.
- 108 с.
. Краткий справочник металлиста/ Под общ.ред. П.П. Орлова,
Е.А. Скороходова. - 3 изд., перераб. и доп. - М.: Машиностроение, 1986. - 960
с.
. Справочник технолога - приборостроителя: В 2 т. - 2-е изд.,
перераб. и доп./Под ред. П. в. Сыроватченко. - М.: Машиностроение, 1980. - 607
с.
. Орлов, П.Н. Краткий справочник металлиста: Справочник
[Текст]/П.Н.Орлов, Е.А. Скороходов.; Под общ.ред. П.Н. Орлова. - М.:
Машиностроение, 1989.-960с.
5. Косилова, Г.И. Справочник технолога-машиностроителя
[Текст]: В 2-х т., Т.1, изд. 4-е, перераб. и доп/ под. общ. ред. А.Г.
Косиловой, Р.К. Мещерякова- М.: М. 1986. - 656 с.
6. Драгун, А. П. Режущий инструмент. - Л.: Лениздат, 1986. -
271 с
. Локтев, А.Д. Общемашиностроительные нормативы режимов
резания для технического нормирования работ на металлорежущих станках. Часть 1:
Справочник [Текст]/]/ Локтев А.Д. - М.: Машиностроение, 1974. - 416 с.
8. Общемашиностроительные нормативы времени вспомогательного
на обслуживание рабочего места и подготовительно-заключительного на работы,
выполняемые на малогабаритных металлорежущих станках. Мелкосерийное, серийное и
крупносерийное производство. Изд. 3-е. М.: НИИ труда, 1970. - 280 с.
9. Единый тарифно - квалификационный справочник работ и
профессий рабочих : справочник [текст]/ - М.: Омега - Л, 2006. - 187 с.
. Горбацевич, А.Ф., Шкред,В.А. Курсовое проектирование по
технологии машиностроения. - М.: Высшая школа,1983.- 288с.
. Аверьянов, И.Н. Проектирование и расчет станочных и
контрольно-измерительных приспособлений в курсовых и дипломных проектах:
Учебное пособие / И.Н. Аверьянов, А.Н. Болотеин, М.А. Прокофьев. - Рыбинск:
РГАТА,2010.- 220с., ил.
. Горохов, В.А. Проектирование и расчет приспособлений:
Учеб.пособие для вузов машиностроительных спец. - Мн.: Выш.шк., 1986. - 238 с.,
ил.
. Бабук, В.В. Проектирование технологических процессов
механической обработки в машиностроении [Текст]: Учебное пособие/под.общ. ред.
В.В. Бабука - М.: Высш. школа 1984. - 373 с.
14. Иващенко, И.А. Технологические размерные расчеты и
способы их автоматизации. - М.: Машиностроение, 1975. - 222 с., ил.
15. Жигалко, Н.И. Обработка материалов, станки и инструменты.
[Текст]: Учебное пособие для вузов / Н.И. Жигалко, Е.С. Яцура. - Мн.: Высш.
школа, 1984. - 373 с.
16. Барановский, Ю.В. Режимы резания металлов: Справочник
[Текст]/ Барановский Ю.В. - М.: Машиностроение, 1972. - 408 с.
. Общемашиностроительные нормативы режимов резания для
технического нормирования работ на металлорежущих станках. Часть I. Токарные, карусельные,
токарно-револьверные, алмазно-расточные, сверлильные, строгальные, долбежные и
фрезерные станки. Изд. 2-е, М.: «Машиностроение», 1974. - 406 с.
ПРИЛОЖЕНИЕ А
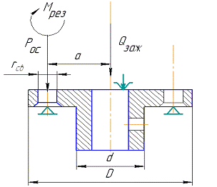
Чертёж детали
ПРИЛОЖЕНИЕ Б
Эскиз детали (обрабатываемые поверхности)
ПРИЛОЖЕНИЕ В
Характеристики технологического оборудования
1 Токарно - винторезный - станок Модель 1П611
Станок предназначен для выполнения разнообразных токарных и резьбовых
работ в центрах или в патроне.
Основные технические характеристики:
Наибольший наружный диаметр обрабатываемого изделия, ограничиваемого
станиной, в мм250
Наибольший наружный диаметр изделия обрабатываемого над суппортом, в
мм145
Наибольший диаметр прутка, обрабатываемого в патроне, в мм25
Наибольший диаметр прутка, обрабатываемого в цанге, в мм15
Расстояние между центрами, в мм500
Высота центров, в мм135
Наибольшее перемещение пиноли, в мм70
Диаметр отверстия в шпинделе, в мм26
Число скоростей шпинделя14
Пределы чисел оборотов шпинделя в минуту33,5-3000
Пределы продольных подач, в мм/об0,05-0,7
Пределы поперечных подач, в мм/об0,025-0,35
Наибольший угол поворота суппорта, в градусах±45
Наибольшее перемещение суппорта, в мм:
поперечное150
продольное580
Мощность главного электродвигателя, в кет1,7
Габариты станка (длина X ширина X высота), в мм1510Х700Х
Х1360
Вес станка в кг560
Оптовая цена станка в руб.1700*
2
Токарно-револьверный станок - Модель 1Д316П
Станок предназначен для легких токарных работ в условиях серийного и
мелкосерийного производства при изготовлении деталей из калиброванного прутка
диаметром до 18 мм или из штучных заготовок в трехкулачковом патроне при
диаметре заготовки до 80 мм.На станке можно производить следующие операции:
точение; растачивание; сверление; зенкерование; разворачивание; нарезание резьб
метчиками, плашками и по копиру и другие операции.
Технические характеристики:
Наибольший диаметр обрабатываемого прутка, мм 18
Наибольшее расстояние от переднего торца шпинделя до револьверной
головки, мм 250
Конец шпинделя по ГОСТ 12595-72 1-4Ц
Расстояние от основания станка до оси шпинделя, мм 1060
Максимальная подача прутка за один цикл, мм 50
Количество скоростей шпинделя 24(6рядов)
Количество автоматически переключающихся скоростей шпинделя в ряду 4
Частота вращения шпинделя, об/мин 100-4000
Количество ступней подач револьверного суппорта 6(2ряда)
Количество ступней подач, переключающихся автоматически в ряду 3
Пределы подач револьверного суппорта, мм/об 0,04;0,006;0,1; 0,16;0,25;0,4
Наибольший диаметр штучных заготовок, обрабатываемых в патроне, мм 80
Наибольшая длина обработки, мм 50
Наибольшая длина заправляемого прутка, мм 3000
Диаметр отверстия шпинделя, мм 31
Наибольшее продольное перемещение револьверного суппорта, мм 175
Число упоров револьверного суппорта 12
Число инструментальных гнезд в револьверной головке 12
Наибольшая длина нарезаемых резьб, мм 50
Наибольшее усилие подачи, кгс 250
Привод, габарит и масса станка
электродвигатель привода главного движения тип Т41-4/2-С1
мощность, кВт 1,7/2,2
частота вращения, об/мин 1400/2800
электродвигатель насоса охлаждения тип ПА-22
мощность, кВт 0,12
частота вращения, об/мин 2800
производительность, л/мин 22
Габарит(ДхШхВ) 2180х300х1100
Масса станка, кг 1260
3 Настольно-сверлильный станок - Модель 2Н106П
Предназначен для сверления, рассверливания, зенкерования и зенкования
отверстий в изделиях из черных и цветных металлов и неметаллических материалах.
Технические характеристики станка 2Н106П
Максимальный диаметр сверления, мм: 6;
Конус шпинделя: Морзе 1 АТ7М;
Наибольшее перемещение шпинделя, мм: 130;
Диапазон частот вращения шпинделя, об./мин: 1000 - 8000;
Количество частот вращения (скоростей) шпинделя: 8;
Наибольшее перемещение шпиндельной головки, мм: 150;
Расстояние от оси шпинделя до колонны, мм: 190;
Размер рабочей поверхности плиты, мм: 250х250;
Мощность привода главного движения, кВт: 0,6;
Класс точности: П;
Номинальное напряжение питания, В: 380;
Габаритные размеры, мм: 560x405x625;
Масса, кг: 80.