|
Наименование параметра и единица измерения
|
Ступени
|
|
Коническая
|
Цилиндрическая
|
Цепная
|
|
Передаточные числа
|
|
|
|
|
Номера шестерен и зубчатых колес
|
|
1
|
2
|
3
|
4
|
5
|
6
|
|
Частота вращения n,  730168,5168,536,536,511,46
|
|
|
|
|
|
|
|
Вращающие моменты Т, Нм
|
247,4
|
959,9
|
959,9
|
4703,5
|
4703,5
|
14000
|
|
Номер валов привода
|
2
|
3
|
4
|
|
Частота вращения n,  730
|
168,5
|
36,5
|
11,46
|
|
|
Расчетная мощность P,
кВт
|
18,91
|
18,32
|
17,82
|
16,84
|
|
Вращающие моменты Т, Нм
|
247,4
|
959,9
|
4703,5
|
14000
|
|
|
|
|
|
|
|
|
|
|
|
|
Рисунок 3.1 Кинематическая схема
привода
- электродвигатель; 2 - муфта; 3 -
двухступенчатый коническо-цилиндрический редуктор; 4 - цепная передача; 5 -
пластинчатый транспортер.
4. Расчет зубчатых
передач редуктора
Расчет произвожу по методике,
изложенной в [2, глава 5].
При проектировании многоступенчатых
редукторов расчет зацепления начинают с тихоходной ступени редуктора, так как
она нагружена большим моментом и имеет большее передаточное отношение, чем
быстроходная ступень.
Расчет тихоходной
ступени редуктора
Назначаю для колеса и
для шестерни сталь
,
улучшенную с твердостью для колеса
, для шестерни
.
В данном случае
вероятность обеспечения ресурса не задана, поэтому в качестве расчетной
контактной твердости материала принимаем ее среднее значение.
. (4.1)
для шестерни:
.
для колеса:
.
Оцениваем возможность
приработки колес:
; (4.2)
Условия приработки колес
выполнены.
Для определения
допустимых напряжений принимаем коэффициент запаса прочности
;
предел контактной выносливости зубьев
(4.3)
для шестерни
для колеса
.
Расчетное число циклов
напряжений
при
постоянном режиме нагружения:
; (4.4)
где:
частота
вращения того из колес, по материалу которого определяют допускаемые
напряжения,
;
число зацеплений зуба
за один оборот колеса (
равно
числу колес, находящихся в зацеплении с рассчитываемым);
число часов работы
передачи за расчетный срок службы,
.
для шестерни
;
для колеса
.
Базовое число циклов
напряжений рассчитываем в зависимости от твердости материала:
; (4.5)
для шестерни
;
для колеса
.
Находим коэффициент
долговечности
при
расчете по контактной выносливости.
При
коэффициент:
; (4.6)
для шестерни
;
для колеса
.
Определим допустимые
контактные напряжения:
; (4.7)
где:
коэффициент
безопасности, для зубчатых колес с однородной структурой
материала
;
для шестерни
;
для колеса
.
Вычисляем расчетное
допустимое контактное напряжение:
; (4.8)
где:
меньшее
из значений
и
,
.
.
В нашем случае
,
поэтому принимаем в качестве расчетного допустимые контактные напряжения колеса
.
Чтобы найти межосевое
расстояние передачи, принимаем коэффициент относительной ширины колес
,
расчетный коэффициент для косозубых передач
;
коэффициент, учитывающий неравномерность нагрузки по длине контактной линии
,
допустимое контактное напряжение
Тогда межосевое
расстояние:
; (4.9)
где:
расчетный
коэффициент;
передаточное число;
вращающий момент на
колесе,
;
коэффициент
неравномерности нагрузки по длине контактной линии;
допустимое контактное
напряжение,
.
Полученное значение
межосевого
расстояния округляем до ближайшего большего значения по ГОСТ 2185-66 и
принимаем
.
Определим необходимую
ширину зубчатого венца
; (4.10)
.
Принимаю ширину
зубчатого венца колеса
;
ширину венца шестерни принимаем на 3…5 мм больше чем у колеса, поэтому для
шестерни
.
Принимаю значение
нормального модуля зубчатых колес в пределах:
; (4.11)
.
В соответствии с ГОСТ
9563-60 назначаю
.
Предварительно принимаю
угол наклона зубьев
,
проверим условие, обеспечивающее двухпарное зацепление:
; (4.12)
-условие выполняется.
Определим суммарное
число зубьев:
; (4.13)
где:
суммарное
число зубьев шестерни и колеса;
угол наклона зубьев,
.
.
Принимаю
.
С целью сохранения
стандартных значений межосевого расстояния и модуля корректируем угол наклона
зубьев
; (4.14)
Находим число зубьев
шестерни и колеса:
;
(4.15)
для шестерни:
.
Значение округляем до
ближайшего целого числа, принимаю 
.
для колеса:
(4.16)
Определяем диаметры
делительных окружностей зубчатых колес:
; (4.17)
Проверим межосевое
расстояние:
; (4.18)
.
Рассчитаем диаметры
вершин колес:
; (4.19)
Вычислим диаметры впадин
колес:
; (4.20)
Вычислим силы,
действующие в зацеплении:
окружная сила
;
(4.21)
;
радиальная сила
;
(4.22)
;
осевая сила
;
(4.23)
.
Расчет быстроходной
ступени редуктора
Чтобы обеспечить смазку конической
передачи самоокунанием в масляную ванну, принимаем диаметр внешней делительной
окружности колеса в пределах:
; (4.24)
где:
межосевое
расстояние тихоходной ступени редуктора.
Принимаю:
.
Принимаю ширину венца
колеса и шестерни
;
Диаметр внешней
делительной окружности шестерни:
; (4.25)
Принимаю число зубьев
шестерни
,
тогда
Определим внешний
окружной модуль:
; (4.26)
.
Определяем внешнее
конусное расстояние:
; (4.27)
.
Угол делительного конуса
шестерни:
; (4.28)
Угол делительного конуса
колеса:
; (4.29)
.
Среднее конусное
расстояние:
; (4.30)
.
Коэффициент
относительной ширины:
; (4.31)
.
Средний делительный
диаметр колеса:
(4.32)
.
Средний делительный
диаметр шестерни:
.
Средний окружной модуль:
; (4.33)
.
Назначаю для колеса
Сталь 45 улучшенную твердостью
.
.
Расчетная контактная твердость
. С учетом условия
приработки колес для шестерни назначаю Сталь 50 улучшенную твердостью
.
Расчетная контактная твердость для шестерни
. Определим силы,
действующие в зацеплении:
окружная сила
(4.34)
осевая и радиальная силы
(4.35)
5. Компоновка и
предварительный расчёт валов редуктора
Компоновка редуктора
Расчет произвожу по
методике, изложенной в [2, п. 19.3].
Согласно расчету
тихоходной ступени редуктора вычерчиваем зацепление цилиндрических колес
(рисунок 5.1) при расчетном межосевом расстоянии
;
для полученных значений
.
Минимальный зазор между внутренней стенкой корпуса и торцевой поверхностью
зубчатых колес
; (5.1)
где:
толщина
стенки корпуса;
;
.
Принимаю толщину стенки
редуктора
.
Подставляя
в
формулу 5.1 получим:
Принимаю
.
Расстояние между торцом цилиндрической шестерни и ступицы конического колеса:
; (5.2)
.
Принимаю
.
Зацепление конической пары вычерчиваем по расчетным значениям
параметров конического зацепления:
. Первый этап компоновки
изображён на рисунке 5.1.
Предварительный расчет
валов редуктора
Расчет произвожу по
методике, изложенной в [2, п. 19.4].
В этом параграфе определяем,
предварительно, диаметры валов в различных сечениях. Полученные диаметры
согласовываем со стандартными размерами сопрягаемых деталей (муфты, подшипники,
уплотнения и др.). Вычерчиваем предварительное расположение валов редуктора
(рисунок 5.2).
Быстроходный вал
Находим диаметр выходного конца
вала:
; (5.3)
где:
допустимое
напряжение кручения,
Согласно схеме привода,
быстроходный вал редуктора соединяется с валом электродвигателя муфтой, поэтому
целесообразно согласовать диаметр вала с диаметром посадочного места одной из
полумуфт.
Выбор стандартных муфт
В приводе
предусматривается одна муфта, соединяющая электродвигатель с редуктором.
Принимаю муфту упругую втулочно-пальцевую (МУВП) ГОСТ 21424-93.
Расчетный момент для
выбора муфты:

(5.4)
где: 
- коэффициент режима
работы

- крутящий момент на
валу двигателя.

,
Так как муфта соединяет
вал двигателя 
мм с ведущим валом
редуктора, то их размеры должны быть согласованы с размерами муфты.
По расчётному моменту 
и диаметру вала 
принимаем муфту с 
, соединяющая валы с
диаметрами 50, 55, 56, 60, 63, 65.
Принимаю 
под вал редуктора и 
мм под вал двигателя.
Назначаю диаметр под
уплотнение
,
диаметр под подшипник
,
диаметр упорного буртика
.
Промежуточный вал
Определяем необходимый
диаметр вала для передачи момента от конического колеса к цилиндрической
шестерне по формуле 5.3:
.
Принимаем диаметр под
подшипник
,
под колесо
,
диаметр упорного буртика
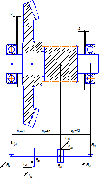
Тихоходный вал.
Находим диаметр выходного
конца вала, по формуле 5.3:
.
Согласовываем диаметр с
рядом нормальных линейных размеров, принимаю
.
.
Рисунок 5.1 Первый этап
компоновки
Рисунок 5.2
Предварительная компоновка валов редуктора
6. Выбор подшипников и
расчёт промежуточного вала
Расчет произвожу по
методике, изложенной в [2, п. 19.5].
Предварительно назначаем
шариковый радиально-упорный подшипник
, у которого
.
Располагаем подшипники на расстоянии
от внутренней стенки
корпуса редуктора по схеме установки «врастяжку». Из полюсов зацепления
конического и цилиндрического колес опускаем перпендикуляры на ось вала.
Измерением, определяем:
.
На основании полученной расчетной схемы (рисунок 6.1), находим реакции опор от
действующих сил в коническом и цилиндрическом зацеплениях.
Рисунок 6.1 Расчетная
схема промежуточного вала
Силы, действующие на
вал:
В плоскости
действуют
окружные силы:
Проверка:
В плоскости
действуют
радиальная и осевая силы:
Проверка:
Определяем суммарную
реакцию на опорах:
Определяем моменты в
опасном сечении вала и строим эпюры моментов (рисунок 6.2).
В плоскости действия
горизонтальных сил:
В плоскости действия
вертикальных сил:

Общий изгибающий момент:
Н∙мм;
Н∙мм;
Рисунок 6.2 Схема нагружения
промежуточного вала. Эпюры изгибающих и крутящих моментов
Проверяем диаметр вала к приложенным
моментам на опасных участках вала.
Наиболее опасным
участком промежуточного вала является сечение
или четвертая опора
подшипников. В сечении
действуют
изгибающие и вращающий моменты: в плоскости
,
в плоскости
,
вращающий момент
.
В нашем случае диаметр
вала в опасном сечении более чем достаточен.
Оцениваем долговечность
подшипников
.
Для подшипника
:
согласно
.
Внутренние осевые силы:
, [H]; (6.1)
где:
коэффициент
минимального осевого нагружения;
; (6.2)
для 3-й опоры:
для 4-й опоры:
Определяем, какая опора
является фиксирующей:
.
Из этого следует, что
фиксирующей опорой является третья; в этом случае результирующие осевые
составляющие:
Рассчитываем соотношения
,
согласно
;
где:
диаметр
шарика,
диаметр окружности
центров набора шариков;
(6.3)
Принимаю значение
коэффициента
,
согласно
Значение параметра
осевого нагружения:
;
для третьей опоры:
для четвертой опоры:
Из соотношения нагрузки
на третьей опоре
;
на четвертой опоре:
.
Эквивалентная нагрузка в
опорах:
, (6.4)
где:
коэффициент,
учитывающий влияние вращающегося кольца, при вращении внутреннего кольца
подшипника
;
коэффициент
безопасности, учитывающий характер нагрузки,
;
коэффициент
динамической радиальной нагрузки, зависящий от типа подшипника и номинального
угла контакта;
температурный
коэффициент,
,
;
и
соответственно
радиальная и осевая нагрузки;
коэффициент
динамической осевой нагрузки.
Определим долговечность
подшипников по наиболее нагруженной, четвертой опоре:
; (6.5)
где:
коэффициент,
корректирующего ресурс в зависимости от надежности,
;
коэффициент,
корректирующий ресурс в зависимости от условий работы подшипника
;
показатель степени
;
частота вращения
промежуточного вала.
.
Расчетный часовой ресурс
больше требуемого срока службы. Окончательно принимаем для промежуточного вала
редуктора подшипник
ГОСТ
831-75.
7. Расчет цепной
передачи
Расчет произвожу по
методике, изложенной в [2, п. 8.3].
Определим число зубьев
ведущей звездочки:
; (7.1)
где:
-число
зубьев ведущей звёздочки,
- передаточное отношение
цепной передачи;
Исходя из этого,
принимаю
Определим число зубьев
ведомой звездочки:
, (7.2)
где:
-число
зубьев ведущей звёздочки,
-число зубьев ведущей
звёздочки,
- передаточное отношение
цепной передачи;
Исходя из этого,
принимаю
.
Определим шаг цепи,
предварительно приняв двухрядную цепь:
, [мм] (7.3)
где:
вращающий
момент на ведущей звездочке, [
],
допустимое давление в
шарнирах цепи, так как частота вращения малой звёздочки n=36,5 
, то по [2, табл. 8.2]
принимаю
,
коэффициент рядности,
для двухрядной цепи
.
Определим коэффициент
эксплуатации:
(7.4)
где:
коэффициент
динамичности, учитывающий характер нагрузки, при нагрузке с умеренными толчками
,
коэффициент межосевого
расстояния или длины цепи, 
,
коэффициент наклона
передачи к горизонтали,
;
коэффициент,
учитывающий способ смазывания,
коэффициент,
учитывающий способ регулирования передачи, примем
;
коэффициент,
учитывающий режим или продолжительность работы, примем
.
Подставим значения коэффициентов
формулу 4.4:
Подставим полученные
значения в формулу 4.3 и определим шаг цепи:
.
Согласно ГОСТ 13568-97,
предварительно принимаю цепь
(рисунок 7.1), у которой
шаг цепи
,
разрушающая нагрузка
,
масса
цепи
,
опорная поверхность шарнира
.
Рисунок 7.1 Цепь типа 2ПР
- внутреннее звено; 2 - наружное
звено; 3 - соединительное звено;
- переходное звено; 5 - двойное
переходное звено; 6 - промежуточная пластина;
В соответствии с назначенной цепью
определим ее геометрические параметры.
Определим число звеньев
цепи:
; (7.5)
где,
межосевое
расстояние, выраженное в шагах,
,
примем
;
Определим межосевое
расстояние:
(7.6)
Определим длину цепи:
; (7.7)
.
Определим геометрические
размеры звездочек.
Диаметры делительной
окружности звездочек:
, [мм]; (7.8)
Диаметры окружности
выступов зубьев:
(7.9)
Диаметры окружности
впадин зубьев:
(7.10)
где:
диаметр
ролика,
;
Скорость цепи:
(7.11)
где:
количество
зубьев звёздочки,
шаг цепи,
частота вращения
звёздочки;
Окружная сила:
(7.12)
.
Проверочный расчет на
износостойкость:
(7.13)
где:
окружная
сила или полезная нагрузка передаваемая цепью, [
],
коэффициент
эксплуатации,
коэффициент рядности,
для двухрядной цепи
.
опорная поверхность
шарнира, [
],
допустимое давление в
шарнирах цепи, так как частота вращения
малой звёздочки n=36,5 
, то по [2, табл. 8.2]
принимаю
,
.
Проверяем прочность
цепи:
, [H]. (7.14)
где:
разрушающая
нагрузка, для принятой цепи
максимальная сила в
цепи, [
];
допустимый условный
коэффициент запаса прочности,
;
;
; (7.15)
где:
коэффициент
динамичности, учитывающий характер нагрузки, [H];
окружная сила, [H];
натяжение,
обусловленное силой тяжести, [H];
натяжение от
центробежных сил, [H];
Натяжение, обусловленное
силой тяжести:
; (7.16)
где:
коэффициент
провисания, для горизонтальных передач
,
межосевое расстояние,
;
масса 1 м. цепи,
;
ускорение свободного
падения:
.
.
Натяжение от
центробежных сил:
; (7.17)
.
Подставим полученные
значения в формулу 4.15:
.
Подставим полученные
значения в формулу 4.14 и проверим прочность цепи:
- условие прочности
выполнено.
(7.18)
.
Заключение
В курсовом проекте была
произведена модернизация привода пластинчатого конвейера для дозаторной камеры
рудника на более надежный состоящий из электродвигателя, муфты,
коническо-цилиндрического двухступенчатого редуктора, открытой цепной передачи
и приводной звездочки. Применение цепной передачи обуславливается следующими
достоинствами:
) возможность применения
в значительном диапазоне межосевых расстояний;
) меньшие, чем у
ременных передач, габариты;
) отсутствие скольжения;
) высокий КПД;
5) малые силы, действующие на валы,
так как нет необходимости в большом начальном натяжении;
) возможность легкой замены цепи;
В курсовом проекте были произведены
расчёты: тяговый расчёт конвейера, кинематический расчёт, расчёт зубчатых
передач редуктора, предварительный расчёт валов и компоновка редуктора, расчёт
промежуточного вала и выбор подшипников, расчёт цепной передачи. Расчёты и
достоинства модернизированного привода показали, что данный привод
целесообразно использовать для пластинчатого конвейера, предназначенного для
установки в дозаторной камере рудника.
Литература
горнотранспортный
конвейер пластинчатый привод
1. Барышев А.И.,
Стеблянко В.Г., Хомичук В.А. Механизация ПРТС работ. Курсовое и дипломное
проектирование транспортирующих машин: Учебное пособие/ Под общей редакцией
А.И. Барышева - Донецк: ДонГУЭТ, 2003 - 471 с., ил.
. Ерохин М.Н. Детали
машин и основы конструирования. - М.: Колос С, 2005. - 462 с.: ил. - (Учебники
и учеб. пособия для студентов высш. учеб. заведений).
. Иванченко Ф.К.
Конструкция и расчёт подъёмно-транспортных машин. - 2-е изд. перераб. и доп. -
К.: Выща шк. Головное изд-во, 1988. - 424 с.
. Кочетов В.Т., Павленко
А.Д., Кочетов М.В. Сопротивление материалов. - Ростов - на - Дону, Феникс,
2001. - 368 с.
. Курмаз Л.В., Скобейда
А.Т. Детали машин проектирование. Учебное пособие. - Минск: УП «Технопринт»,
2001. -292 с.