Анализ сборочной единицы
МІНІСТЕРСТВО
ОСВІТИ І НАУКИ УКРАЇНИ
ДОНЕЦЬКИЙ
НАЦIОНАЛЬНИЙ ТЕХНIЧНИЙ УНІВЕРСИТЕТ
Механічний
факультет
КафедраОПМ
КУРСОВИЙ
ПРОЕКТ
з
дисципліни «Взаємозамінність, стандартизація та технічні виміри»
на
тему: «Аналіз збірної одиниці»
Виконавець
Студент гр.ТМ-03а
Васюченко К.Г.
Консультант Проскуряков
С.В.
Донецьк
2006
Реферат
Курсова робота складається з: 24
рисунків(схем), 1 таблиці, 6 посилань.
Об’єкт дослідження: третій вал
трьохступеневого циліндрично-конічного редуктора.
Мета роботи: розробити та
обґрунтувати технічні вимоги збірної одиниці, її номінальні й допустимі
розміри.
В курсовому проекті опис збірної
одиниці, обґрунтовані й визначені посадки гладких циліндричних з’єднань,
посадки підшипників кочення, шліцьових та різьбових з’єднань, розрахований
розмірний ланцюг, а також додані креслення згідно до завдання.
ПОСАДКА, З’ЄДНАННЯ, ВАЛ, ДОПУСК,
РОЗМІРНИЙ ЛАНЦЮГ, КОЛІБР, ПІДШИПНИК, ШОРСТКІСТЬ, КОНТРОЛЬ.
Введение
В современном машиностроении большое
значение имеет организация разработки и выпуска машин и механизмов на основе
взаимозаменяемости, созидания и применения надежных средств измерения и
контроля.
Взаимозаменяемостью изделий (машин,
приборов, механизмов) называют их способность равноценно заменить при
применении любой из великого множества экземпляров изделий, их частей или
другой продукции другими равнозначными экземплярами.
Выполнение требований точности к
деталям и сборочным единицам изделий является важным требованием к обеспечению
взаимозаменяемости. Поэтому выполнение заданных требований к детали является
обязательным условием решения сборочной задачи конструирования и проектирования
механизмов. Средства и методы его решения может знать будущий конструктор.
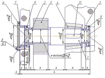
1. Описание сборочной единицы
цилиндрический конический редуктор сборочный
Данный узел является частью
трёхступенчатого цилиндрично-конического редуктора. Этот узел собирается в
такой последовательности: на вал 1 устанавливаются коническое колесо 4 на
шлицах и цилиндрическое колесо 5 с помощью шпонки 11, а также радиально-упорные
роликовые подшипники 9. Затем эта конструкция закрепляется в разъёмном корпусе,
один из подшипников упирается в стенку редуктора и фиксируется втулкой 3. С
другой стороны подшипник фиксируется втулкой 2, а между ним и глухой крышкой 6
находится регулировочный зазор. Крышка в корпусе фиксируется болтами 8 Между
крышкой и корпусом перед фиксацией устанавливают прокладку 7.
Рисунок 1 - Узел в сборе
2. Анализ гладких цилиндрических
соединений
.1 Зубчатое колесо (позиция 4).
Исходя из конструкции
соединения, посадка должна обеспечивать передачу нагрузок средней величины без
дополнительного крепления зубчатого колеса на валу. По рекомендации [5, стр.
20] принимаем посадку с натягом, с возможностью зборки прессованием или
способом термической дефформации: Ø102
В соответствии с ГОСТ
25346-82 покажем на схеме расположение полей допусков, граничные отклонения,
max и min размеры и натяги для соединения.
Рисунок 2-Схема
расположения полей допусков соединения вал -колесо
Верхнее отклонение
отверстия ES= +35мкм, нижнее отклонение отверстия EI=0 мкм, верхнее отклонение
вала es= +101мкм, нижнее отклонение еi= +79мкм
Определяем предельные
размеры отверстия:= D + ES = 102 + 0.035 = 102,035(мм),= D + EI = 102 + 0 =
102,000(мм).
Определяем предельные
размеры вала:= d + es = 102+0,101 = 102,101(мм),= d + ei = 102+0,79 =
102,79(мм).
Наибольший и наименьший
натяги соединения: =es - EI = 0,101 - 0 = 0,101(мм),=ei - ES = 0,079 - 0,035 =
0,044(мм).
Допуск посадки: TN =
Nmax - Nmin= 0,101 - 0,044=0,057(мм).
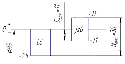
Втулка (позиция 3)
Исходя из конструкции
вала, втулка предназначена для центрирования зубчатого колеса и вала,
предотвращения их вибрации при вращении со средними скоростями. Посадку
выбираем с учётом посадки внутреннего кольца подшипника, принимаем посадку с
зазором: Ø85
.
В соответствии с ГОСТ
25346-82 покажем на схеме расположение полей допусков, граничные отклонения,
max и min размеры и зазоры для соединения.
Рисунок 3-Схема
расположения полей допусков соединения вал -втулка
Верхнее отклонение
отверстия ES=+90мкм, нижнее отклонение отверстия EI=+36мкм, верхнее отклонение
вала es=+11мкм, нижнее отклонение еi=-11мкм
Определяем предельные
размеры отверстия:= D + ES = 85 + 0,09 = 85,09(мм),= D + EI = 85 + 0,036 =
85,036(мм).
Определяем предельные
размеры вала:= d + es = 85+0,011 = 85,011(мм),= d + ei = 85 - 0,011 =
84,989(мм).
Наибольший и наименьший
зазоры соединения: =ES - ei = 0,09 +0,011 =0,101(мм),=EI - es = 0,036 - 0,011 =
0,025(мм).
Допуск посадки: TS =
Smax - Smin= 0,101 - 0,025=0,076(мм).
.3 Втулка (позиция 4)
Исходя из конструкции
вала, втулка предназначена для центрирования зубчатого колеса и вала,
предотвращения их вибрации при вращении со средними скоростями. Посадку
выбираем с учётом посадки внешнего диаметра D шлицевого вала, принимаем посадку
с зазором: Ø102
В соответствии с ГОСТ
25346-82 покажем на схеме расположение полей допусков, граничные отклонения,
max и min размеры и зазоры для соединения.
Рисунок 4-Схема
расположения полей допусков соединения вал -втулка
Верхнее отклонение
отверстия ES=+350мкм, нижнее отклонение отверстия EI=+0мкм, верхнее отклонение
вала es=-410мкм нижнее отклонение еi=-630мкм
Определяем предельные
размеры отверстия:= D + ES = 102 + 0,35 = 102,35(мм),= D + EI = 102 + 0 =
102(мм).
Определяем предельные
размеры вала:= d + es = 102 - 0,41 = 101,59(мм),= d + ei = 102 - 0,63 =
101,37(мм).
Наибольший и наименьший
зазоры соединения: =ES - ei = 0,35 - (-0,63) =0,98(мм),=EI - es = 0 - (-0,41) =
0,41(мм).
Допуск посадки: TS =
Smax - Smin= 0,98 - 0,41=0,57(мм).
.4 Крышка глухая
(позиция 6)
Исходя из конструкции
подшипникового узла вала, крышка предназначена для закрытия узла во время
работы редуктора и регулирования зазора между торцами подшипника и крышки во
время сборки вала. Посадка крышки должна обеспечивать min гарантированный зазор
для обеспечения подвижности в условиях запыления и загрязнения во время
регулирования зазора ∆А. Посадку выбираем с учётом посадки наружного
кольца подшипника, принимаем посадку с зазором: Ø150
В соответствии с ГОСТ
25346-82 покажем на схеме расположение полей допусков, граничные отклонения,
max и min размеры и зазоры для соединения.
Рисунок 5.-Схема
расположения полей допусков соединения крышка -корпус
Верхнее отклонение отверстия
ES=+40мкм, нижнее отклонение отверстия EI=+0мкм, верхнее отклонение вала
es=-145мкм нижнее отклонение еi=-395мкм
Определяем предельные
размеры отверстия:= D + ES = 150 + 0,04 = 150,04(мм),= D + EI = 150 + 0 =
150(мм).
Определяем предельные
размеры вала:= d + es = 150 - 0,145 = 149,855(мм),= d + ei = 150 - 0,395 =
149,605(мм).
Наибольший и наименьший
зазоры соединения: =ES - ei = 0,04 - (-0,395) =0,435(мм),=EI - es = 0 -
(-0,145) = 0,145(мм).
Допуск посадки: TS =
Smax - Smin= 0,435 - 0,145=0,29(мм).
3. Расчет посадок
подшипников качения
В соответствии с
заданной схемой, опорами для узла являются радиально-упорные роликовые
подшипники качения №6-7217.

Подшипники такой серии
характеризуются следующими геометрическими параметрами:
номинальный диметр
внутреннего кольца
мм;
номинальный диметр
внешнего кольца
мм;
номинальная ширина
подшипника
мм.
Данные подшипники
изготовляются по 6-му классу точности.
Подшипники качения
являются наиболее распространенными стандартными изделиями. Они обладают полной
внешней взаимозаменяемостью, т.е. взаимозаменяемостью по присоединительным
поверхностям, определяемым наружным диаметром наружного и внутренним диаметром
внутреннего колец подшипника, и неполной внутренней взаимозаменяемостью между
телами качения и кольцами. Полная взаимозаменяемость по присоединительным
поверхностям позволяет быстро монтировать и заменять изношенные подшипники.
Для заданного узла,
внешнее кольцо является местно нагруженным, следовательно, оно монтируется с
небольшим зазором, что устраняет заклинивание тел качения и способствует
постепенному поворачиванию кольца по посадочной поверхности. Последнее условие
необходимо для снижения уровня износа дорожки качения и продления срока службы
подшипников.
В соответствии с [1,
стр.110, табл1] принимаем посадку внешнего кольца Ø150
,
учитывая, что нагрузка спокойная или с умеренными толчками и вибрациями,
перегрузки - до 150%,отверстия в корпусе разъемные.
Рисунок 7.- Посадка
внешнего кольца подшипника
Верхнее отклонение
отверстия ES= +40мкм, нижнее отклонение отверстия EI= +0мкм, верхнее отклонение
вала es= 0 мкм нижнее отклонение еi= -15мкм
Определяем предельные
размеры отверстия:= D + ES = 150 + 0,04 = 150,04(мм),= D + EI = 150 + 0 =
150(мм).
Определяем предельные
размеры вала:= d + es = 150 + 0 = 150(мм),= d + ei = 150 - 0,015 = 149,985(мм).
Наибольший и наименьший
зазоры соединения: =ES - ei = 0,04 - (-0,015) =0,055(мм),=EI - es = 0 - 0 =
0(мм).
Допуск посадки: TS =
Smax - Smin= 0,055 - 0=0,055(мм).
Внутреннее кольцо
подшипника качения является циркуляционно нагруженным, вследствие чего
подшипник монтируется на вал с натягом. Это исключает возможность обкатки и
проскальзывания кольца по посадочной поверхности в процессе работы под
нагрузкой. Наличие зазора в этом случае может привести к проворачиванию кольца
относительно посадочного места и развальцеванию вала.
Посадка циркуляционно
нагруженного кольца подшипника выбирается по величине
-
интенсивности радиальной нагрузки на посадочную поверхность, которая
определяется по формуле:
,
где
-
расчетная радиальная нагрузка на опору. Она выбирается в соответствии с
вариантом задания.
В данном случае
Н;
В - ширина посадочного
места кольца подшипника.
=B - 2∙r=30,5 - 2∙2=26,5(мм)
где r - фаска
- динамический
коэффициент посадки, зависящий от характера нагрузки. Выбирается в соответствие
с [1, стр.111, табл2]. Принимая, что данный механизм работает с умеренными
толчками и вибрациями, а перегрузки не превышают 150% выбираем
.
- коэффициент,
учитывающий степень ослабления посадочного натяга при полом вале или
тонкостенном корпусе [1, стр.111, табл3]. Так как для заданного узла вал
является массивным, то принимаем
.
- коэффициент
неравномерности распределения радиальной нагрузки между рядами роликов в
двухрядных конических роликоподшипниках или сдвоенными шарикоподшипниками при
наличии осевой силы на опору [1, стр.112, табл4]. Так как в заданной схеме
применены однорядные подшипники то принимаем
.
Тогда:
Н/мм.
В соответствие с [1, стр.112,
табл5]принимаем посадку Ø85
.
Рисунок 8.- Посадка
внутреннего кольца подшипника
Верхнее отклонение
отверстия ES= 0 мкм, нижнее отклонение отверстия EI= -25мкм, верхнее отклонение
вала es=+11мкм нижнее отклонение еi= -11мкм
Определяем предельные
размеры отверстия:= D + ES = 85 + 0 = 85(мм),= D + EI = 85 - 0,025 =
84,975(мм).
Определяем предельные
размеры вала:= d + es = 85 + 0,011 = 85,011(мм),= d + ei = 85 - 0,011 =
84,989(мм).
Наибольший зазор и натяг
соединения: =ES - ei = 0 - (-0,011) =0,011(мм),=es - EI = 0,011 - (-0,025) =
0,036(мм).
Допуск посадки: Td =
Nmax + Smax= 0,036 + 0,011=0,055(мм).
4. Расчёт посадок для
шпоночных, резьбовых и шлицевых соединений
.1 Шпоночное соединение
Соединения втулок,
шкивов, муфт, рукояток и других деталей машин с валами может осуществляться
призматическими, клиновыми или сегментными шпонками. Эти соединения должны
передавать заданный крутящий момент; их применяют в случаях, если к точности
центрирования соединяемых деталей особых требований не предъявляется.
Рисунок 15.- Основные
параметры шпонки
Ширина шпонки b=28;
Высота шпонки h=16.
Выбираем посадку по
рекомендации [2.табл.4.65], по ширине (b) шпонки: поле допуска на ширину шпонки
h9, поле допуска на ширину паза N9, поле допуска на ширину паза втулки Js9.
Соответственно к таблице
ГОСТ 25346-82 покажем на схеме расположение полей допусков, граничные
отклонения, max и min номинальные размеры и натяги для соединения.
Рисунок 16. - Схема расположения
полей допусков шпоночного соединения
Посадка шпонки в тело
вала: 28
;
Верхнее отклонение
отверстия ES= 0 мкм, нижнее отклонение отверстия EI= -52мкм, верхнее отклонение
вала es=0 мкм нижнее отклонение еi= -52мкм
Определяем предельные
размеры отверстия:= D + ES = 28 + 0 = 28(мм),= D + EI = 28 - 0,052 =
27,948(мм).
Определяем предельные
размеры вала:= d + es = 28 + 0 = 28(мм),= d + ei = 28 - 0,052 = 27,948(мм).
Наибольший зазор и натяг
соединения: =ES - ei = 0 - (-0,052) =0,052(мм),=es - EI = 0 - (-0,052) =
0,052(мм).
Допуск посадки: Td =
Nmax + Smax= 0,052 + 0,052=0,104(мм).
Посадка шпонки в тело
колеса: 28
;
Верхнее отклонение
отверстия ES= +26 мкм, нижнее отклонение отверстия EI= -26мкм, верхнее
отклонение вала es=0мкм, нижнее отклонение еi= -52мкм.
Определяем предельные
размеры отверстия:= D + ES = 28 + 0,026 = 28,026(мм),= D + EI = 28 - 0,026 =
27,974(мм).
Определяем предельные
размеры вала:= d + es = 28 + 0 = 28(мм),= d + ei = 28 - 0,052 = 27,948(мм).
Наибольший зазор и натяг
соединения: =ES - ei = 0,026 - (-0,052) =0,078(мм),=es - EI = 0 - (-0,026) =
0,026(мм).
Допуск посадки: Td =
Nmax + Smax= 0,026 + 0,078=0,104 (мм).
.2 Резьбовое соединение
Резьбовые соединения
широко используются в конструкции машин, аппаратов, приборов, инструментов и
приспособлений различных отраслей промышленности.
Резьбовая поверхность
образуется при винтовом перемещении плоского контура определенной формы по
цилиндрической или конической поверхности. Резьба может быть получена на
наружной и внутренней поверхностях деталей.
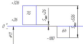
По заданию дана резьба:´
1,0 - 7G / 6h.
Определяем средние диаметры болта (d2) и гайки (D2) [2, с.667,
т.4.12], D2 = d - 1 + 0,35 = 11 - 1 + 0,35 = 10,35 мм
Определяем внутренние диаметры болта (d1) и гайки (D1)., D1 = d -
2 + 0,918 = 11 - 2 + 0,918 = 9,918 мм
В соответствии с [2, стр. 687-700, табл. 4,17] выбираем предельные
отклонения в соответствии с заданным шагом резьбы, диаметром резьбы, типом
основного отклонения и квалитетом.
Для гайки с точностью изготовления 7G, верхнее отклонение для
диаметра D2, ES= +216 мкм, нижнее отклонение для диаметра D2, EI= +26 мкм,
верхнее отклонение для диаметра D1 ES=+326мкм, нижнее отклонение для диаметра
D1 EI= +26 мкм, нижнее отклонение для диаметра D, EI=+26мкм
[2, с.698, т.4.16]
Рисунок 17.- Схема расположения полей допусков резьбы гайки
Для болта с точностью изготовления 6h, нижнее отклонение для
диаметра d2, ei= -112 мкм, нижнее отклонение для диаметра d, ei= -180 мкм,
верхние отклонения для диаметров d и d2, es= 0 мкм [2, с.688, т.4.16]
Рисунок 18.- Схема расположения полей допусков резьбы болта
Покажем на схеме расположение полей допусков, граничные отклонения,
max и min размеры и зазоры для соединения.
для среднего диаметра: Ø10,35
Рисунок 19. Схема расположения полей допусков для среднего
диаметра резьбового соединения
Определяем предельные размеры отверстия:max= D2 + ES = 10,35 +
0,216 = 10,566(мм),min = D2 + EI = 10,35 + 0,026 = 10,376(мм).
Определяем предельные размеры вала:max = d2+ es = 10,35 + 0 =
10,35(мм),min = d2 + ei = 10,35 - 0,112 = 10,238(мм).
Наибольший и наименьший зазоры соединения: =ES - ei = 0,216 -
(-0,112) =0,328(мм),=EI - es = 0,026 - 0 = 0,026(мм).
Допуск посадки: TS = Smax - Smin= 0,328 - 0,026=0,302(мм).
для внутреннего диаметра: Ø9,918
Определяем предельные размеры отверстия:max= D1 + ES = 9,918 +
0,326 = 10,244(мм),
Рисунок 20 Схема расположения полей допусков для внутреннего
диаметра резьбового соединенияmin = D1 + EI = 9,918 + 0,026 = 9,944(мм).
Определяем предельные размеры вала:max = d1+ es = 9,918 + 0 =
9,918(мм),min = d1 + ei = 9,918 - 0,180 = 9,738(мм).
Наибольший и наименьший зазоры соединения: =ES - ei = 0,326 -
(-0,18) =0,506(мм),=EI - es = 0,026 - 0 = 0,026(мм).
Допуск посадки: TS = Smax - Smin= 0,506 - 0,026=0,48(мм)
для наружного диаметра: Ø11
Рисунок 21 Схема расположения полей допусков для наружного
диаметра резьбового соединения
Определяем предельные размеры отверстия:= D + ES = 11 + 0,326 =
11,326(мм),= D + EI = 11 + 0,026 = 11,026(мм).
Определяем предельные размеры вала:= d+ es = 11 + 0 = 11(мм),= d +
ei = 11 - 0,180 = 10,82(мм).
Наибольший и наименьший зазоры соединения: =ES - ei = 0,326 -
(-0,18) =0,506(мм),=EI - es = 0,026 - 0 = 0,026(мм).
Допуск посадки: TS = Smax - Smin= 0,506 - 0,026=0,48(мм)
4.3 Шлицевое соединение
x92x102
x14
.
Центрирование по ширине b целесообразно при передачи больших
вращающих моментов, а также при реверсивном движении. Метод способствует более
равномерному распределению нагрузки между зубьями.
Наружный диаметр D: Ø102
В соответствии с ГОСТ 25346-82 покажем на схеме расположение полей
допусков, граничные отклонения, max и min размеры и зазоры для соединения.
Рисунок 22.-Схема расположения полей допусков наружного диаметра
шлицевого соединения
Верхнее отклонение отверстия ES=+350мкм, нижнее отклонение
отверстия EI=+0мкм, верхнее отклонение вала es=-410мкм нижнее отклонение
еi=-630мкм
Определяем предельные размеры отверстия:= D + ES = 102 + 0,35 =
102,35(мм),= D + EI = 102 + 0 = 102(мм).
Определяем предельные размеры вала:= d + es = 102 - 0,41 =
101,59(мм),= d + ei = 102 - 0,63 = 101,37(мм).
Наибольший и наименьший зазоры соединения: =ES - ei = 0,35 -
(-0,63) =0,98(мм),=EI - es = 0 - (-0,41) = 0,41(мм).
Допуск посадки: TS = Smax - Smin= 0,98 - 0,41=0,57(мм).
Внутренний диаметр d: Ø92
В соответствии с ГОСТ 25346-82 покажем на схеме расположение полей
допусков, граничные отклонения, max и min размеры и зазоры для соединения.
Рисунок 23.-Схема расположения полей допусков внутреннего диаметра
шлицевого соединения
Верхнее отклонение отверстия ES=+220мкм, нижнее отклонение
отверстия EI=+0мкм, верхнее отклонение вала es=-380мкм нижнее отклонение
еi=-600мкм
Определяем предельные размеры отверстия:= D + ES = 92 + 0,22 =
92,22(мм),= D + EI = 92 + 0 = 92(мм).
Определяем предельные размеры вала:= d + es = 92 - 0,38 =
91,62(мм),= d + ei = 92 - 0,6 = 91,4(мм).
Наибольший и наименьший зазоры соединения: =ES - ei = 0,22 -
(-0,6) =0,82(мм),=EI - es = 0 - (-0,38) = 0,38(мм).
Допуск посадки: TS = Smax - Smin= 0,82 - 0,38=0,44(мм).
Ширина шлица b: 14
В соответствии с ГОСТ 25346-82 покажем на схеме расположение полей
допусков, граничные отклонения, max и min размеры и зазоры для соединения.
Рисунок 24.-Схема расположения полей допусков по ширине шлицевого
соединения
Верхнее отклонение отверстия ES=+43мкм, нижнее отклонение
отверстия EI=+16мкм, верхнее отклонение вала es=-32мкм нижнее отклонение
еi=-59мкм
Определяем предельные размеры отверстия:= D + ES = 14 + 0,043 = 14,043(мм),=
D + EI = 14 + 0,016 = 14,016(мм).
Определяем предельные размеры вала:= d + es = 14 - 0,032 =
13,968(мм),= d + ei = 14 - 0,059 = 91,4(мм).
Наибольший и наименьший зазоры соединения: =ES - ei = 0,22 -
(-0,6) =0,82(мм),=EI - es = 0 - (-0,38) = 0,38(мм).
Допуск посадки: TS = Smax - Smin= 0,82 - 0,38=0,44(мм).
5. Расчёт размерной цепи
При конструировании механизмов, машин, приборов и других изделий,
проектировании технологических процессов, выборе средств и методов измерений
возникает необходимость проведении размерного анализа, с помощью которого
достигается правильное соотношение взаимосвязанных размеров и определяются
допустимые ошибки. Подобные геометрические расчеты выполняются с использованием
теории размерных цепей.
Так как роликовые радиально-упорные подшипники предпологают
высокую точность к центрированию по ширине, то данную размерную цепь решаем
методом регулирования, при котором предложенная точность исходного размера
достигается пренудительным изменением (регулированием) величины одного из
предварительно выбранных составляющих размеров, называемым компенсатором. В
данном случае роль компенсатора выполняет звено в виде прокладки.
Все размеры составных звеньев заданы. Принимаем их точность по 13
квалитету. Тогда:
уменьшающие звенья: А1=33,5+0,39; А4=30,5+0,15; А5=31,5+0,39;
А6=115+0,54; А7=120+0,54; А8=105+0,54; А9=31,5+0,39; А10=30,5+0,15;
увеличивающие звенья: А3=495,7-0,97
замыкающее звено: А∆=
Номинальный размер компенсатора находим:
Ак=А1+А∆+А4+А5+А6+А7+А8+А9+А10 -
А3=33,5+0,2+30,5+31,5+115+120+105+31,5+30,5 - 495,7=2(мм)
Диапазон компенсации:
Определим
координату середины диапазона компенсации. Координаты середины полей допусков:
увеличивающих
уменьшающих
замыкающего
Учитывая, что компенсатор увеличивающее звено:
Верхнее и нижнее граничные отклонения:
Тогда размер компенсатора:
Проверку проводим по формуле для верхнего граничного отклонения
для замыкающего звена:
Правильность решения доказана. Отклонения компенсатора найдены
верно.
Размер компенсатора минимальный можна принять за толщину
постоянной прокладки. Тогда:
Число сменных прокладок:
Приймем n=41, тогда толщина сменных прокладок:
Таким образом набор прокладок будет состоять из одной постоянной
прокладки и несколько сменных прокладок (от 0 до 41).
6. Расчет полей допусков шлицевых калибров
Годность деталей с допуском от IT6 до IT17, особенно при массовом
и крупносерийном производствах, наиболее часто проверяют предельными калибрами.
Шлицевые соединения контролируют, как правило комплексными проходными
калибрами. С помощью предельных калибров определяют не числовое значение
контролируемых параметров, а годность детали.
Для контроля отверстия используют калибр-пробку. А для контроля
вала калибр-кольцо.
Необходимо рассчитать калибры для шлицевого соединенияx92x102
x14
.
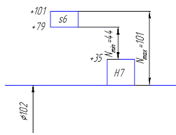
Нецентрирующий диаметр D - Ø102
.
Калибр-пробка Ø102Н12:= +350мкм;
EI=0мкм; zD=95мкм; HD=35мкм.
Рисунок 9.- Поле допуска калибра-пробки по нецентрирующему
диаметру D
Граничные размеры калибра:
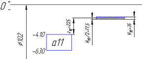
Калибр-кольцо Ø102а11= -410 мкм;
EI= -630 мкм; z1D=225мкм; H1D=35мкм.
Рисунок 10.- Поле допуска калибра-кольца по нецентрирующему
диаметру D
Граничные размеры калибра:
Нецентрирующий диаметр d - Ø92
Калибр-пробка Ø92Н11:= +220мкм;
EI=0мкм;
Рисунок 11.- Поле допуска калибра-пробки по нецентрирующему
диаметру d
Граничные размеры калибра:
Калибр-кольцо Ø92а11= -380 мкм;
EI= -600 мкм;
Рисунок 12.- Поле допуска калибра-кольца по нецентрирующему
диаметру d
Граничные размеры калибра:
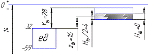
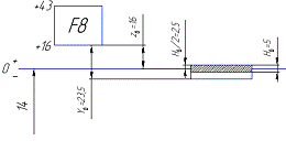
Ширина шлица b - 14
Калибр-пробка 14F8:= +43мкм; EI=16мкм; zb=16мкм; Hb=5мкм;
Yb=23,5мкм
Рисунок 13.- Поле допуска калибра-пробки по ширине b
Граничные размеры калибра:
Калибр-кольцо 14e8= -320 мкм; EI= -590 мкм; z1b=16мкм; H1b=8мкм;
Y1b=28мкм
Рисунок 14.- Поле допуска калибра-кольца по ширине b
Граничные размеры калибра:
7. Технические требования к детали
Зубчатое колесо.
Допуск торцевого биения зубчатого венца на диаметре делительной
окружности [3, стр.55].
Допуск радиального биения зубчатого венца [3, стр.59]
мм.
Допуск торцевого биения торца ступицы [3, стр.56]
мм.
Допуск симметричности расположения шлицевого зуба: Тс=2Т=2∙0,027=0,054≈0,05(мм)
Допуск параллельности расположения шлицевого зуба: Тп=0,5Т=0,5∙0,027=0,0135≈0,02(мм)
Контроль точности зубчатого колеса
. Конроль бокового зазора
Боковой зазор в зубчатом колесе определяется, как зазор, который
обеспечивает свободный поворот зубчатого колеса при неподвижном зубчатом
колесе. С целью обеспечения гарантированного бокового зазора совершается
дополнительное смещение выходного контура зубонарезного инструмента.
Боковой зазор можно контролировать хордовым зубомером, путем
измерения толщины зуба по постоянной хорде.
Определяем номинальную толщину зуба по постоянной хорде [3,
мтр.60]:
(мм).
Высота до постоянной хорды [3,стр.60]:
(мм).
Наименьшее отклонение отклонение толщины зуба по постоянной хорде
[3, стр.61]:
(мм).
Допуск на толщину зуба по постоянной хорде [3, стр.61]:
(мм).
Наибольшее отклонение толщины зуба по постоянной хорде:
(мм).
Таким образом толщина зуба по постоянной хорде, которая
проставляется в таблице параметров на рабочем чертеже: 
(мм).
Контроль кинематической точности
контроль колебания длины общей нормали Fw;
контроль радиального биения зубчатого колеса Fr;
контроль накопленной погрешнности шага Fpr;
Допуск на колебания длины общей нормали Fw=0,14 (мм) [5, стр.180,
т.2].
Определяем допуск на радиальное биение зубчатого венца Fr=0,071
(мм) [5, стр.59, т.7.19].
Для контроля радиального биения применяется биениеметр БВ-5050 [4,
стр.402, т.5].
Допуск на комплексную погрешность шага Fpr=0,056 (мм) [5, стр.182,
т.3].
Контроль плавности работы
В контрольный комплекс входят:
контроль колебания измеряемого межосевого расстояния на одном зубе
;
контроль отклонения шага зацепления
;
контроль отклонения шага
.
Определяем допуски на эти величины [5, стр.187, т.4]:
(мм);
(мм); 
(мм).
Для контроля параметров
и
,
применятся межосевометр МЦМ-630. Для контроля
- шагомер БВ 5043.
Контроль полноты контакта
Основным показателем есть суммарое пятно контакта.
Относительные размеры суммарного пятна контакта
по высоте зубьев
;
по длине зубьев
Контроль показателей совершается на контрольно - обкатном
приспособлении при зацеплении с образцовым колесом.
8. Технические требования к сборочной единице
Назначаем в зависимости от окружной скорости степень точности
зубчатого колеса и вала [6, с. 835, т. 5.2]:
8
степень точности
где v - окружная скорость передачи, м/с;- диаметр начальной
окружности, мм;- частота вращения, мин-1.
Виличина бокового зазора, которая соответствует температурной
компенсации определяется:
где aw=180мм - межосевое расстояние;, t2 - предельная температура
соответственно зубчатого колеса и корпуса:
-
коэффициенты линейного расширения для материалов соответственно зубчатого
колеса и корпуса.
,
Боковой зазор для размещения слоя смазки принимаем:
Таким образом боковой зазор выбираем из соотношения по [6, с. 863,
т. 5.16]:
Таким образом, вид сопряжения С, отклонения межосевого расстояния
В процессе эксплуатации передача должна работать плавно, без шума.
Осевая игра - осевое перемещение кольца подшипника из одного
крайнего положения в другое при неподвижном парном кольце. Выбирается в
зависимости от эксплуатационных характеристик опор. Принимаем осевую игру
0,3...0,4мм.
9. Выбор универсальных измерительных средств
Универсальные измерительные средства используются для измерения
различных геометрических параметров либо непосредственно, либо в сочетании с
предметными столиками, плитами, стойками, штативами, струбцинами и другими
дополнительными приспособлениями. Специальные средства позволяют осуществлять измерения
или контроль параметров определенного вида.
Необходимо проконтролировать линейные размеры и неответственные
диаметральные размеры зубчатого колеса.
Заключение
Результатом данной работы является полученный комплекс технических
требований к изготовлению отдельных элементов сборочного узла, разработаны
требования к сборочному узлу в целом, последовательность его сборки и
регулировки.
В работе также были подобраны и рассчитаны универсальные и
специальные измерительные средства для контроля размеров деталей узла.
Были выбраны и рассчитаны посадки гладких цилиндрических
соединений, посадки колец подшипников, шпоночных, шлицевых и резьбовых
соединений в зависимости от условий работы, назначены их типы соединений.
Разработан рабочий чертеж зубчатого колеса; рабочего калибра -
кольца и калибра - пробки.
Таким образом, результатом выполненной работы является полученный
комплекс характеристик узла, позволяющий при соблюдении соответствующих
требований заменить вышедшую из строя деталь на равноценный ей экземпляр без
потерь качества работы механизма.
Список используемой литературы
1. Перель Л.Я. Подшипники качения: Расчет, проектирование и
обслуживание опор: справочник. - М.: Машиностроение, 1983.-543с.
. Допуски и посадки. Справочник: в 2 ч./ Под ред. В.Д.
Мягкова. 6-е изд. - Л.: Машиностроение, 1983.Ч1, Ч2,-543 с.,477 с.
. Методические указания №369.
. Справочник по производственному контролю в машиностроении
/ Под ред. А.К. Кутай. - 3-е изд. - М.: Машиностроение, 1974. - 975 с.
. Взаимозаменяемость, стандартизация и технические
измерения. А.И. Якушев, Л.Н. Воронцов, Н.М. Федотов. - М.: Машиностроение,
1987. - 350 с.
. ГОСТ 25346-82 ЕСДП. Общие положения, ряды допусков и
основных отклонений.