Технология электромонтажных работ
Содержание
Введение
. Исходные данные, технические
характеристики проектируемого станка
2. Разработка и описание
электрической схемы. Чертеж электрической схемы
. Расчет мощности и выбор
электродвигателей приводов
. Расчет и выбор пускозащитной
аппаратуры
. Обоснование выбора
электроаппаратов управления
. Спецификация электрооборудования
. Расчет и выбора проводов и кабелей
. Разработка монтажной схемы. Чертеж
монтажной схемы
9. Монтаж и наладка
электрооборудования станка
10. Охрана труда
Литература
электрический привод пускозащитный
станок
Введение
Непрерывное развитие народного хозяйства
Республики Беларусь обуславливает высокие темпы роста электромонтажных работ по
сооружению новых, расширению, техническому перевооружения и реконструкции
действующих электроустановок.
Научно-технический процесс сопровождается
количественными и качественными изменениями в области электротехники.
Основными тенденциями современного
машиностроения является повышение мощности и быстроходности, автоматизации,
безотказная длительная работа, удобство и безопасность обслуживания,
экономичность при эксплуатации, минимальная масса и возможно наименьшая
стоимость.
Металлорежущие станки являются основным видом
заводского оборудования, предназначенного для производства современных машин, ,
их техническая оснащенность в значительной степени характеризует
производительную мощность станка.
Повышение эффективности производства во всех
отраслях народного хозяйства в значительной мере определяется применяемым
электрооборудованием.
Надежная бесперебойная работа
электрооборудования наряду с другими факторами обеспечивается, прежде всего,
применением качественных материалов, правильным выбором и регулировкой
оборудования, качественным монтажом оборудования и электропроводок, а также
качественными эксплуатацией и ремонтом.
Так как большинство операций по монтажу и
ремонту выполняют электромонтеры и электрослесари, то уровень их квалификации,
профессиональных навыков значительно влияет на качество выполняемых работ.
Немаловажную роль имеет так же правильный выбор инструмента, приспособлений и
материалов.
В настоящее время промышленность выпускает
довольно большой ассортимент электроаппаратуры, электротоваров и
электроматериалов, существенно отличающихся от приведенных в справочной
литературе 80-х и даже 90-х годов.
Качественный и современный ремонт является
наиболее действенным средством поддержания оборудования в надлежащем
технологическом состоянии, что позволяет продлить его работоспособность. Каждый
шестой рабочий в настоящее время занимается этим ремонтом в промышленности
машиностроения.
Производством станков во всей станкостроительной
промышленности занимается в четыре раза меньше людей, чем ремонтом станков. В
настоящее время есть предприятия, которые занимаются ремонтом нескольких
миллионов единиц электрооборудования. Эти предприятия практически составляют
целую отрасль промышленности, которые в квалифицированных кадрах ремонтников
нуждаются постоянно.
Электромонтер - ремонтник в своей практической
деятельности должен уметь не только установить причину и характер возникновения
неисправностей станка, но и определить способы их быстрого устранения. Для
этого он должен хорошо знать конструкцию и принцип работы электрооборудования,
современную технологию ремонта и способы модернизации поступающего в ремонт
электрооборудования. процессы, происходящие в электрических машинах и
аппаратах.
Поэтому учащимися в курсовом проектировании
необходимо ставить цель и добиваться наиболее полного внедрения в свои работы
этих новшеств. Станок модели 3А151 предназначен для наружного шлифования
цилиндрических изделий и пологих конусов. На станке этой модели предусмотрена
возможность установки приборов активного контроля. Станок модели 3А151
рассчитан на работу в условиях серийного и массового производства, но могут также
использоваться в единичном производстве.
В результате написания данного курсового проекта
необходимо научится модернизировать электрическую принципиальную схему станка в
связи с новым этапом научно-технического прогресса, выполнять и читать
монтажные схемы, производить сравнительный и технико-экономический анализ
принимаемых решений. Изучить ГОСТ для оформления графической текстовой
документации.
1.
Исходные данные и технические характеристики проектируемого станка
Назначение и конструкция станка 3А151:
Станок 3А151 - шлифовальный станок. Предназначен
для шлифования цилиндрических изделий и пологих конусов. На станке модели 3А151
можно выполнять следующие виды обработки:
продольное и врезное шлифование при ручном
управлении;
продольное шлифование с автоматикой поперечной
подачей, осущ. реверсе стола;
врезное шлифование до упора при
полуавтоматическом цикле работы.
На станке этой модели предусмотрена возможность
установки приборов активного контроля. Станок модели 3А151 рассчитан на работу
в условиях серийного и массового производства, но могут также использоваться в
единичном производстве.
Рис. 1 - Общий вид круглошлифовального станка
модели 3А151
Данный станок состоит из следующих составных
узлов:
. станина; 2. шлифовальная бабка;
. гидравлическое управление;
. механизм ручного перемещения стола;
. механизм поперечной подачи;
. передняя бабка; 7. задняя бабка;
. маслопровод; 91 - ограждение;
- принадлежности; 95 - эл. оборудование.
На станке могут применятся следующие величины
напряжений переменного тока:
силовая цепь - 220/380 В, 50 Гц;
цепь управления - 127 В, 50 Гц;
цепь местного освещения - 36 В, 50 Гц.
Технические характеристики станка 3А151:
Станок оборудован смесью электропривода.
Шлифовальный круг, гидронасос, насос охлаждения, насос смазки подшипников
шпинделя шлифовальной бабки, насос смазки направляющих станины и магнитный
сепаратор приводятся в движение асинхронными эл. двигателями трехфазного тока с
короткозамкнутым ротором, а изделие - эл. двигателем постоянного тока с
параллельной обмоткой возбуждения, который получает питание от блока магнитного
усилителя.
Скорость эл. двигателя привода изделия можно
регулировать в пределах от 250 до 2500 об/мин.
Станки выпускают с эл. оборудованием на
напряжение 220/380 В - в силовой цепи, 127 В - в цепи управления и 36 В - в
цепи местного освещения. Цепи управления и местного освещения получают питание
через понижающий трансформатор.
Габаритные размеры и вес станка модели 3А151:
Длина, мм ………….…….3100
Ширина, мм ………….…..2100
Высота, мм ………….…...1500
Вес, кг ……………………4200
В ходе выполнения данной работы я разработал
модернизацию: "Энергосберегающая схема".
2.
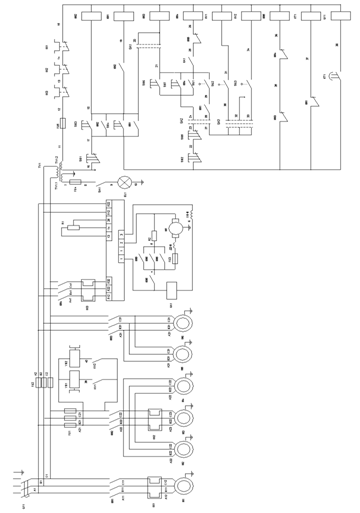
Разработка и описание электросхемы станка
Разработка принципиальной электрической схемы
модернизации станка:
Принципиальная схема - это схема электрических
соединений, выполненных в развернутом виде. Она является основной схемой
проекта, электрооборудования производственного механизма и дает общее
представление об электрооборудовании данного механизма, отражает работу системы
автоматического механизма, служит источником для составления схемы соединений и
подключений, разработки конструктивных узлов и оформления перечня элементов.
Составление принципиальной электрической схемы
производственного механизма производится на основании требований технического
задания. В процессе составления принципиальной электрической схемы уточняются
такие типы исполнения и технические данные электродвигателей, электромагнитов,
конечных выключателей, контактов и т.д.
На принципиальной схемы все элементы каждого
электрического устройства, аппарата или прибора показываются отдельно и
размещаются для удобства чтения схемы в различных ее местах в зависимости от
выполняемых функций.
На схеме показываются все электрические связи
между входящими в нее элементами электрооборудования производственного
механизма. На принципиальной схеме силовые цели обычно размещаются слева и
изображают толстыми линиями, а цепи помещают справа и чертят тонкими линиями.
Цепи управления в силовых схемах следует присоединять
к сети через понижающий трансформатор на 110 В или 24 (36)В.
Электрические машины и аппараты защищаются от
возможных коротких замыканий и допустимых перегрузок. Электрическая схема
построена так, что при перегорании предохранителей, обрыве цепей катушек,
прерывании контактов, возникающих в аварийных режимах работы электропривода.
Кроме этого, схема управления должна иметь бронированные связи для
предотвращения аварийных режимов при ошибочных действиях оператора, а также для
обеспечения заданной последовательности операций. В сложных схемах управления
необходимо предусмотреть сигнализацию и электроизмерительные приборы.
В силовую цепь входят следующие аппараты и их
части:
. Автоматические выключатели QF1;
. Силовые контакты магнитных пускателей КМ1, КМ2,
КМ3,КМ4;
. Двигатели М7 постоянного тока;
. Силовые контакты тепловых реле КК1, КК2, КК3;
. Предохранители FU1, FU2, FU3.
В цепь управления ходят следующие аппараты и их
части:
. Трансформатор TV1;
. Лампа местного освещения EL1;
. Предохранители FU4, FU5;
. Кнопки SB1-SB7;
. Конечный выключатель SQ1, SQ2, SQ3;
. Блокировочные нормально замкнутые контакты
KK1, KK2 ,KK3;
. Катушки магнитных пускателей КМ1-КМ5;
. Пакетные переключатели SA2, SA3, SA4.
В связи с модернизацией добавились следующие
элементы в цепи управления:
. Катушка реле времени КТ1;
. Катушка автоматического выключателя QF1;
. Нормально замкнутый контакт магнитного
пускателя КМ2;
. Нормально разомкнутый контакт реле времени
КТ1.
Работа электрической схемы станка:
Для пуска станка необходимо включить
автоматический выключатель QF1 и нажать кнопку SB3. При этом произойдет
включение эл. двигателей насосов: гидравлики М3, смазки подшипников шпинделя
шлифовальной бабки М4, смазки направляющих М2.
После того как камера подшипников наполняется
маслом, нажатием на кнопку SB4 включают эл. двигатель шлифовального круга М1.
Включение и отключение эл. двигателя изделия М7
могут осуществляться вручную с помощью кнопок SB6 и SB5, либо автоматически при
быстром подводе и отводе шлифовальной бабки.
При подводе шлифовальной бабки рычаг механизма
действует на микропереключатель SQ1, который включает эл. двигатель изделия М7.
При отводе шлифовальной бабки микропереключатель
SQ1 освобождается, эл. двигатель изделия М7 отключается.
Остановка эл. двигателя изделия М7 производится
в режиме динамического торможения.
Отключение всех эл. двигателей производится
воздействием на кнопку SB1.
Описание эл. схемы модернизации:
При подаче питания на цепь управления
запитывается катушка реле времени КТ1. При запуске двигателя контакт магнитного
пускателя КМ1 размыкается и на катушке реле времени КТ1 пропадает питание. При
холостом ходе двигателя происходит отчет времени, размыкается контакт КТ1 и
катушка автоматического выключателя теряет питание, автоматический выключатель
выключается.
3.
Расчет мощности и выбор электродвигателей приводов
Электропривод механизмов металлорежущих станков
выбирают в зависимости от их конструктивных особенностей, режимов работы
диапазона регулирования скорости.
Для главного привода легких и средних станков
характерна нагрузка с постоянной мощностью на всем диапазоне регулирования
скорости.
Для тяжелых станков начальная сеть диапазона
регулирования меньшими скоростями занимают нагрузку с постоянным моментом, а
остальная часть - нагрузка с постоянной мощностью.
Для привода подач и вспомогательных механизмов
обладает нагрузка с постоянным моментом трения.
Режимы работы приводов так же разные. Приводы
главных движений подач тяжелых станков работает, как правило, в продолжительном
режиме с переменной нагрузкой, легких и средних станков в
повторно-кратковременном режиме, вспомогательные приводы работают, как правило,
в кратковременном режиме. В зависимости от требуемого диапазона скорости
выбирают различные системы привода, в главных приводах вращательное движение
диапазона регулирования составляет 100:1 и может осуществляется от асинхронного
двигателя с короткозамкнутым ротором через многоступенчатую коробку передач
скоростей или от регулируемого электродвигателя постоянного тока с коробкой
скоростей на 2, 3 или 4 ступени.
Для тяжелых станков применяют регулируемый
электропривод постоянного тока, выполняемый по системе
прообразователь-электродвигатель.
Аналогичные решения принимают для привода подач
с той лишь позиции, что эти приводы имеют значительно меньше мощности и большие
диапазоны регулирования скорости, до величины 1000:1 и выше.
Вспомогательные приводы являются
нерегулируемыми, их обычно выполняют с асинхронными двигателями с
короткозамкнутым ротором.
Выбор двигателя к электроприводу состоит в
определении типа двигателя и номинальных данных:
мощности; -КПД;
номинальных значений напряжений и частоты;
номинального тока.
Правильный выбор электродвигателя привода
обеспечивает электроприводу продолжительную работу во всех заданных режимах.
Выбор двигателя связан с удовлетворением ряда
требований, определяемых параметров питающей сети, способа монтажа двигателя,
внешним условиям эксплуатационных режимов работы электропривода.
Номинальная мощность двигателя должна быть равна
или больше
мощности расчетной.
При выборе учитывают следующие показатели; род
тока, степень изменения нагрузки
на валу двигателя, допустимое изменение скорости вращения
во всем диапазоне нагрузок, характер момента сопротивлений, необходимость
реверса, режим работы электропривода.
Расчет мощности и выбор электродвигателей
осуществляется при помощи следующих формул:
) Электродвигатель шпинделя:
(3.1)
где
-
мощность на шпинделе;
- КПД трансмиссии.
(3.2)
где
-
момент сопративления;
- угловая скорость
трансмиссии.
(3.3)
где
-
скорость вращения на шпинделе.
2)Электродвигатель подач:
(3.4)
где 
-
тяговое усилие на столе при рабочих подачах;
- наибольшая
скорость быстрого перемещения;
- КПД передачи.
Производим расчет электродвигателя шпинделя для
этого воспользуемся формулами (3.1;3.2;3.3):
рад/с
Вт
кВт
Исходя из расчётов выбираем двигатель типа:
4А112М2У3 мощностью 7,5 кВт, КПД = 87,5 %, сosφ
= 0,88 ,3000 об/мин.
Мощность двигателя привода насоса охлаждения
определяется по формуле:
(3.5)
где
-
напор насоса, м;
- коэффициент
запаса;
- плотность
перекачиваемой жидкости, Н/м3;
- КПД насоса;
- КПД передачи.
Из таблицы выбираем двигатель типа 4АА56В2У3
мощностью 0.18 кВт, КПД = 66 %, cosφ
= 0.76, 3000 об/мин.
4.
Расчет и выбор пускозащитной аппаратуры
Расчет пускозащитной аппаратуры начинается с
определения номинального (
) или расчетного (
)
и пускового (
) токов двигателей.
, (4.1)
где
-
мощность двигателя, кВт;
- номинальное
напряжение питания, В;
- коэффициент
полезного действия;
- коэффициент
мощности двигателя.
, (4.2)
где
-
коэффициент пуска двигателя.
При защите проводов и кабелей плавкими
предохранителями (кроме кабелей, расположенных в земле) расчет электрической
сети начинают с выбора плавкой вставки.
Ток плавкой вставки должен быть больше
номинального тока нагрузки или равняться ему, то есть:
, (4.3)
Ток плавкой вставки проверяют на максимальный
ток нагрузки:
, (4.4)
Для предохранителей обычного типа, защищающих
ответвления к короткозамкнутым асинхронным двигателям с нормальными условиями
работы (редкие пуски, продолжительность разбега 5…10 с),
.
При защите двигателей с тяжелыми условиями
работы (частые пуски, с продолжительностью разбега до 40 с),
.
Максимальный ток в цепи с одним двигателем равен
его пусковому току. В каталогах обычно приводится кратность пускового тока
.
Тогда максимальный ток в цепи:
, (4.5)
где
-
номинальный ток двигателя.
Если предохранитель защищает линию, к которой
присоединены несколько двигателей, то в этом случае максимальный ток:
,
(4.6)
где
-
коэффициент одновременности;
- сумма номинальных
(рабочих) токов всех остальных двигателей;
- пусковой ток, при
котором
имеет
наибольшее значение.
Автоматические выключатели выбирают по
номинальному напряжению, току, назначению, числу плюсов, наличию необходимых
расцепителей и способу защиты от окружающей среды.
Номинальный ток теплового или комбинированного
расцепителя при длительном режиме работы двигателя выбирается из условия:
, (4.7)
При повторно кратковременном режиме работы
двигателя:
, (4.8)
Защитные устройства должны обладать
селективностью (избирательностью), т. е, плавкая вставка предохранителя должна
перегорать при повреждении только того участка, который защищает. Выполнение
этого условия достигается тем, что ток вставки предохранителя установленного на
группу токоприемников, должен быть больше не менее чем на одну ступень шкалы
стандартных токов плавких вставок токоприемников.
Выбор магнитных пускателей производится по
напряжению, току, наличию теплового реле возможности реверса, числу замыкающих
и размыкающих контактов в цепи управления. При выборе магнитного пускателя по
току необходимо чтобы ток электроприемников, которые он включает:
, (4.9)
Если в цепи управления используется большое
число вспомогательных контактов, чем то, что имеется в магнитном пускателе, то
необходимо или выбирать пускатель другой серии, или приставку контактную. Для
пускателей серии ПМЛ - приставки серии ПКЛ. На каждый пускатель можно
установить 2- или 4-х контактную приставку с различным набором замыкающих и
размыкающих контактов. Контактные приставки механически соединяются с пускателями
и фиксируются с помощью защелки.
Выбор теплового реле производится по возможности
совместности работы с уже выбранным магнитным пускателем и по току
несрабатывания:
, (4.10)
где
и
-
пределы регулировки тока несрабатывания теплового реле.
При выборе пакетных переключателей
(выключателей) учитывается напряжение, ток, число пар полюсов и способ защиты
от воздействия окружающей среды. Выбор по току аналогичен магнитному пускателю.
Технические характеристики двигателя 4А160М4У3:
-
кВт
%
В
Рассчитываем номинальный ток двигателя М1 по
формуле (4.1):
А;
А.
Выбираем магнитный пускатель КМ3: исходя из
условия
А
ПМЛ-1110:
где ПМЛ - обозначение серии пускателя;
- номинальный ток пускателя 25 А;
- нереверсивный без теплового реле;
- степень защиты IP54;
- 1 нормально-замкнутый и 1
нормально-разомкнутый контакт.
Выбираем тепловое реле КК1: исходя из условия
,
с пределом тока несрабатывания 13 - 19 А, РТЛ-102104:
где РТЛ - обозначение серии теплового реле;
- номинальный ток реле 16 А;
- ток несрабатывания 13 - 19 А;
- степень защиты контактов IP00;
- климатическое исполнение.
Выбираем автоматический выключатель QF1: исходя
из условия
А,
АЕ2020-10054У3А:
где 2 - номинальный ток 16А;
0 - трехполюсный с электромагнитным
расцепителем;
1 - без свободных контактов;
0 - без дополнительных расцепителей;
0 - без регулировки номинального тока тепловых
расцепителей и температурной компенсации;
- степень защиты IP54;
А - исполнение по износостойкости.
5.
Обоснование выбора электроаппаратов управления
Электрическими аппаратами
управления называются электрические устройства, предназначенные для управления
потоками энергии и информации, режимами работы контроля и защиты технических
систем и их компонентов.
К электроаппаратам управления
относятся те аппараты, которые установлены в цепи управления, сигнализации,
местного освещения. Это понижающие трансформаторы напряжения, кнопочные посты,
путевые и конечные выключатели, переключатели, электромагнитные муфты,
полупроводниковые приборы, лампы, светильники и т.д. электроаппараты управления
выбирают по напряжению, по роду и величине тока, по исполнению, по способу
защиты от воздействия окружающей среды, по типу контактов.
Аппараты управления выбираются
по напряжению: 110 В, 220 В, 380 В.
По роду тока: переменный,
постоянный.
По способу защиты от
воздействия окружающей среды: закрытые, открытые.
По числу контактов:
однополюсные, трёхполюсные, нормально замкнутые, нормально разомкнутые.
В цепи управления на
принципиальной схеме моего станка присутствуют следующие аппараты управления:
трансформатор, пакетные переключатели и выключатели, кнопочные станции, лампа
электрическая, конечные выключатели, реле времени.
При выборе электроаппаратов
управления пользуются следующими параметрами:
номинальный ток в цепи;
номинальное напряжение;
назначение;
климатическое исполнение;
сила тока и т.д.
Выбираю кнопочных поста ПКЕ
112-4, (SBl -SB7):
ПКЕ - серия кнопочного поста;
- для встройки в нишу;
- со степенью защиты;
- в металлическом корпусе;
- количество толкателей.
Выбираю реле времени ПВЛ-14,
(КТ1):
ПВЛ 14 -условное обозначение;
- выдержка времени при
включении;
- диапазон выдержки времени
10-100сек,
Выбираю конечные выключатели МП
11, (SQl - 3):
МП - серия конечного
выключателя;
- номер серии;
1 - степень защиты IР00.
Расчет сетевого трансформатора:
Входное напряжение:
=
380 В
Выходное напряжение:
=
36 В;
=
127 В;
Максимальный ток нагрузки:
А;
А;
Мощность вторичной обмотки:
Вт;
Вт;
Вт;
Магнитная индукция:
=
1,35 Тл;
Плотность тока:
=
2,0 А/мм2;
Коэффициент заполнения окна:
=
0,26;
Толщина стали: 0,1 мм;
Коэффициент заполнения сечения магнитопровода:
=
0,7;
Номинальный ток первичной обмотки:
А;
Диаметр провода в каждой обмотке:
мм;
мм;
мм;
Определяем число витков в обмотках
трансформатора:
= 2 см;
=
4 см;
см2;
= 3
=
6
=
6
вит.;
вит.;
вит.
7.
Расчет и выбор проводов и кабелей
Сечение фазных проводников в цепях переменного
тока и токоведущих проводников в цепях постоянного тока не должен быть менее
значений, указанных в таблице
Сечение нулевого рабочего проводника и
PEN-проводника, если они имеются, должны быть тем же самым, что и фазных
проводников:
в однофазных двухпроводных цепях независимо от
сечения;
в много и однофазных трехпроводных цепей при
сечении фазных проводников менее или равных 16 мм2 для медных и 25
мм2 для алюминиевых проводников.
В многофазных цепях, в которых сечение каждого
фазного проводника превышает 16 мм2 для медного и 25 мм2
для алюминиевого проводников, нулевой проводник может иметь меньшее по
сравнению с фазными проводниками сечение при одновременном выполнении следующих
условий: ожидаемый максимальный ток, включая гармоники, если они есть, в
нулевом проводнике при нормальной эксплуатации не превышает величины допустимой
нагрузки по току для уменьшенного сечения нулевого проводника. В
электроустановках до 1000 В для монтажа электрических цепей рекомендуется
применять провода марки ПВ - провод гибкий (жила многопроволочная, медная) с
поливинилхлоридной изоляцией.
Выбор проводов производится по расчетному току:
, (7.1)
где
-
мощность двигателя, кВт;
- напряжение
питания, В;
- коэффициент
мощности.
Выбираем провод для двигателя М1:
А.
В электроустановках до 1000 В для монтажа
электрических цепей рекомендуется применять провода марки ПВ3 - провод гибкий
(жила многопроволочная, медная) с поливинилхлоридной изоляцией. Так как Iном
=
IРрасч
= 14,4 А (для проводов), то при условии однорядной прокладки в лотках
необходимо выбирать по таблице 2.5 сечение медных проводов как проводов,
проложенных открыто. По условию
(7.2)
14,4 А < 15 А. Подходит сечение 0,75 мм2,
однако, согласно таблице 2.4, минимальное сечение медных изолированных проводов
силовой цепи стационарных и осветительных установок должно быть не менее 1,5 мм2.
Провода цепи управления, так как Iном
у=
0,9 А, выбираем по таблице 2.4 ПВ3 1х0,5.
. Разработка
монтажной схемы
Монтажные схемы являются основной документацией
для монтажа и эксплуатации всех узлов электроустановки. Монтажная схема
составляется по развернутой принципиальной схеме и плану размещения
электрических аппаратов на панели. Все условные обозначения и маркировка
проводов и зажимов принятые в развернутой схеме и на плане размещения
аппаратов, должны быть полностью перенесены на монтажную схему, которая
выполняется в строгом соответствии с развернутой схемой и нумерацией её цепей.
Монтажные схемы электромашин, аппаратов и
приборов должны отражать действительное расположение в нишах, конструкциях,
панелях указанного электрооборудования и его отдельных элементов и показывать
способы их соединений между собой.
Место укладки проводов выбираются на листе
монтажа самим монтажником. Если провода идут к аппарату, установленного на
другой панели, то стрелки указывают обозначения этого аппарата и номер панели,
к которой направляется этот провод. В цепях управления начертания вместо
изображения линий проводки между аппаратами делаются небольшой длины, линии на
которых указываются встречными стрелками. Около каждой стрелки ставится
"АДРЕС", условное обозначение аппарата или зажима, к которому идёт
второй конец провода, и номер (номер указан на принципиальной схеме), если
провод идёт к аппарату установленному на другой панели. Разъёмные электрические
соединения (зажимы аппаратов и наборы зажимов) изображаются на схемах
заштрихованными кружками. Неразъёмные электрические соединения проводов, с
каким либо устройством, аппаратом и т.п. получаемые путём пайки или холодного
опресования, изображаются на схемах зачерченным кружком.
В соответствии с этим монтажные схемы
выполняются как:
. монтажные схемы внутренних соединений отдельных
комплектов (панелей, пультов управления, блоков и т.д.);
2. монтажные схемы внешних соединений между
собой отдельных комплектов, машин, агрегатов и т.д
При выполнении монтажных схем следует
руководствоваться:
1. все провода должны присоединяться только к
зажимам машин, аппаратов, приборам или к специальным клемникам (зажимам),
выпускаемых для внешних присоединений; при этом к каждому зажиму следует
присоединять не более двух приборов.;
. на монтажной схеме изображаются контуры и
условные обозначения аппаратов с указанием номера зажимов в соответствии с
номерами присоединенных к ним проводов.
9.
Монтаж и наладка электрооборудования станка
Организация и подготовка электромонтажных работ
должна осуществляться в соответствии строительных норм и правил.
До начала монтажа станка должны быть проверены
наличие и готовность к работе подъемно-транспортых средств в зоне монтажа
электрических машин; подобран и испытан такелаж; подобраны механизмы и
приспособления.
Выгрузка станков с автомашины и других
транспортных средств выполняют при помощи кранов и автопогрузчиков. Об всех
обнаруженных дефектах электромонтажник ставит в известность бригадира, мастера
или руководителя монтажа.
Если электродвигатель не имеет наружных
повреждений, производят очистку его внутренних частей сжатым воздухом. При
продувке ротор поворачивают вручную, проверяя свободное движение в подшипниках.
Снаружи электродвигатель обтирают тряпкой, слегка смоченной в керосине.
Для увеличения устойчивости при использовании
станка в переносном варианте предусмотрены приставные ножки.
Когда станок используется как стационарный, он
устанавливается на фундаменте, глубина заложения которого выбирается в
зависимости от грунта, но не менее 400 мм.
После выверки станка фундаментные болты заливают
цементным раствором. После затвердевания раствора следует затянуть гайки
фундаментных болтов, проверяя положение станка по уровню. Затяжка болтов должна
производится равномерно и плавно. Затем подливается цементный раствор и ведется
окончательная отделка фундамента.
Коммутационные аппараты следует устанавливать в
местах, указанных в рабочих чертежах. Аппараты или опорные конструкции, на
которых они должны быть установлены. Ввод приводов, кабелей и труб в аппараты
не должны нарушать степень защиты оболочки аппаратов и создавать механических
воздействий и деформаций.
При установке нескольких аппаратов в блоке
должен быть обеспечен доступ для обслуживания каждого из них.
Пускорегулирующие аппараты должны быть прочно
закреплены и установлены вертикально. Предохранители монтируются на
распределительных щитах, пунктах (шкафах). Установка их выполняется по условию
и отвесу. Затяжка гаек и винтов производится до отказа, но с усилием не более
150 Н и без рывков. Предохранители не должны выпадать из стоек при приложенных
к ним усилиям.
Для осуществления реверса на двигателе,
двигатель подключается при помощи магнитного пускателя. При транспортировке или
долгом хранении могут ослабнут крепления, образоваться коррозия. Поэтому, перед
установкой магнитный пускатель следует проверить на наличие дефектов.
Внешним осмотром проверяют типы аппаратов и их
параметры катушки, отсутствие конвертирующей смазки , наличие всех деталей
магнитной системы, наличие крепления болтов , наличие и состояние
искрогасительных камер, наличие немагнитной прокладки или короткозамкнутого
витка.
Вручную проверяют отсутствие заедания подвижной
системы; одновременность замыкания и размыкания главных контактов, наличие и
размеры провалов главных и вспомогательных контактов. Правильность их действия,
плотность прилегания магнитопроводов, правильность работы и жесткость пружин.
Магнитные пускатели устанавливают на силовых
распределительных щитах по отвесу, вертикальное отклонение при этом не более 5
градусов. Поверхность контактов осматривается после опробования нагрузки, в
случае проявления наплывов обрабатывают напильником; при гудении катушки ее
заменяют или устраняют неполадку.
После окончания монтажа подписываются все
необходимые документы бригадой монтировавшей оборудование, и станок сдается в
эксплуатацию.
10.
Охрана труда
Классификация работ в электроустановках по
опасности поражения электрическим током.
Работы, производимые в действующих
электроустановках в отношении мер безопасности разбиваются на категории:
1. Выполняемые при полном снятии
напряжения.
2. Выполняемые без снятия напряжения вблизи
токоведущих частей.
. Выполняемые без снятия напряжения, но
вдали от токоведущих частей.
Ответственными за безопасность работ в
действующих электроустановках являются: лицо, выдающее наряд допуска;
производитель работ; наблюдающий; член бригады.
В зависимости от категорий надлежащих работ
должны быть выполнены технические и организационные мероприятия, обеспечивающие
безопасное ведение этих работ, а именно: снятие напряжения; заземление;
отключение; вывешивание предупреждающих плакатов; выдача нарядов допуска;
назначение наблюдающих.
Работа по нарядам и распоряжениям.
В электроустановках запрещается самопроизвольное
проведение работ или расширение рабочего места. Работы необходимо выполнять: по
наряду - допуску, составленному по специальной форме, (срок его действия - до
15 дней для предприятия Минэнерго, жилищного и коммунального хозяйства, до 5
дней - для промышленных предприятий других министерств); устному или
письменному распоряжению (разовое распоряжение со сроком действия не более 1
суток); с записью в оперативный журнал. Наряды и распоряжения учитываются в
специальном журнале.
Нарядом для работы в электроустановках
называется составленное на специальном бланке задание на её безопасное
производство, определяющее содержание, место, время её начала и окончания,
необходимые меры безопасности, состав бригад и лиц, ответственных за
безопасность выполнения работы.
Распоряжение - это то же задание на безопасное
производство работы, с указанием содержания работы, места, времени и лиц,
которым поручено ихвыполнение.По наряду выполняют работы на токопроводящих
частях под напряжением и со снятием напряжения, за исключением кратковременных
(не более 1 ч) работ, требующих участия не более трёх человек, которые
выполняют по распоряжению.
Наряд выписывается в двух, а при передаче его по
телефону или радио - в трёх экземплярах. В последнем случае лицо, давшее наряд,
оставляет один экземпляр у себя. Записи в наряде должны быть разборчивыми.
Исправление текста
недопускается. Допускающий вручает наряд производителю работы после допуска
бригады к работам. Наряд выдаётся на весь период работы. При перерывах в работе
наряд остаётся действительным, если не изменились условия,
относящиеся к подготовке и состоянию рабочего места. Изменение и расширение
рабочего места возможны только в том случае, если будет выписан новый наряд.
Ежедневно
по окончании работы наряд сдаётся дежурному, подписывается (закрывается)
руководителем и производителем работы.
Технические мероприятия, обеспечивающие
безопасность работ в электроустановках со снятием напряжения.
Целью технических мероприятий является
подготовка безопасного рабочего места. После разрешения старшего дежурного, в
оперативном управлении которого находится отключаемое оборудование, выполняют
мероприятия в следующем порядке:
. Отключают необходимые токопроводящие части и
принимают меры, исключающие ошибочную подачу напряжения к месту работы или
самопроизвольное включение коммутационной аппаратуры;
. На приводах ручного и на ключах дистанционного
управления коммутационными аппаратами вывешивают запрещающие плакаты "Не
включать работают люди", "Не включать - работа на линии",
"Не открывать работают люди".
. Проверяют отсутствие напряжения на отключённой
для работ части установки; если его нет, немедленно накладывают на обесточенные
токопроводящие части переносное заземление.
. Рабочее место ограждают переносными
ограждениями и вывешивают предостерегающие и разрешающие плакаты "Стой -
высокое напряжение".
Литература
1 Правила устройства
электроустановок/Минэнерго СССР - 6-е изд., перераб. и доп. - Энергоатомиздат,
1986 - 648 с.: ил.
2 Правила технической
эксплуатации электроустановок потребителей и Правила техники безопасности при
эксплуатации электроустановок потребителей, 4-е изд., перераб. и доп. - М.; Энергоатомиздат,
1986 г.
3 ГОСТ
30331.15-2001 (МЭК 364-5-52-93). МЕЖГОСУДАРСТВЕННЫЙ СТАНДАРТ. Электроустановки
зданий. Часть 5. ВЫБОР И МОНТАЖ ЭЛЕКТРООБОРУДОВАНИЯ. Глава 52. Электропроводки.
Дата введения 2003-03-01.
4 Электротехническая
продукция "Элос". Краткий каталог по текущему ассортименту. - Мн.;
ООО ПП Асобны дах, 2001 г.
5 Ус А.Г., Евминов Л.И.
Электроснабжение промышленных предприятий и гражданских зданий: Учебное
пособие. - Мн.: НПООО "ПИОН", 2002 г.
ВоронинаА.А., ШибенкоН.Ф.
Безопасность труда в электроустановках: Учеб. пособ. для сред ПТУ. - 4-е изд.,
перераб. и доп. - М.: Высш. Шк., 1984.
Баран А.Н., Качан Н.Г.,
Шедько А.М. Технология электромонтажных работ. Лабораторный практикум. - Мн.:
Дизайн ПРО, 2000.
Атабеков В.Б. Ремонт
трансформаторов, электрических машин и аппаратов: Учеб. для сред. ПТУ. - 2-е
изд., перераб. и доп. - М.: Высш. шк., 1988.
Кузнецов Б.В., Сацукевич
М.Ф. Справочное пособие заводского электрика - Мн.: Беларусь, 1978.
Трунковский Л.Е.
Обслуживание электрооборудования промышленных предприятий: Учебник для сред.
ПТУ. - 2-е изд. - М.: Высш. школа,1979.