Разработка технологии монтажа разъединителя РПД-500/3200У1
Введение
Одним из основных факторов технического
прогресса в народном хозяйстве является повышение степени электрификации всех
отраслей промышленности, транспорта, связи, сельского хозяйства. Важное
значение имеет расширение применения электроэнергии в быту. От того, насколько
грамотно и технически обосновано будет выполняться монтаж и эксплуатация
электрооборудования и электроустановок, во многом зависит успешное решение
задач технического прогресса, полноценной работы технологического оборудования,
экономии энергии вообще и электрической энергии в частности.
Современная технология электромонтажного
производства предусматривает производство работ в две стадии.
На первой стадии, которая выполняется
непосредственно на строительной площадке, устанавливают закладные и крепежные
части, а также монтируют коммуникации и производят сборку элементов
электроустановок в узлы и блоки.
На второй стадии все электромонтажные работы
выполняют непосредственно на строительной площадке. Они включают в себя сборку
узлов и блоков, подключение токоведущих жил и другое.
Монтаж разъединителей является сложным
процессом, включающий в себя ряд работ: ревизию, сборку, установку на рабочем
месте и ввод в эксплуатацию. Работы по монтажу разъединителей проводятся обычно
в два этапа: подготовительные работы и непосредственно монтажные работы.
Темой моего курсового проекта является:
«Разработка технологии монтажа разъединителя РПД - 500/3200У1».
электромонтажный разъединитель заземляющий тросовый
1. Характеристика монтируемого оборудования
.1 Назначение оборудования
Разъединители служат для отключения отдельных
участков электрической цепи после того, как этот участок обесточен силовым
выключателем. Не разрешается отключать разъединители при протекании через них
тока нагрузки, так как они не имеют устройств для гашения электрической дуги. В
отдельных случаях оговоренных Правилами технической эксплуатации,
разъединителями разрешается отключать небольшие токи холостого хода
трансформаторов и емкостные токи линии. Так же с помощью разъединителей создают
видимый разрыв цепи для отделения оборудования от токоведущих частей ошиновки
распределительного устройства.
Условия эксплуатации:
- относительная влажность воздуха до 100% при
температуре +25С;
толщина корки льда до 20 мм;
скорость ветра при гололёде до 15 м/с;
без гололёда до 40 м/с;
Расшифровка обозначений разъединителя серии РПД
- 500/3200У1:
Р - разъединитель;
П - подвесное исполнение;
Д - двухлучевая изоляция;
- номинальное напряжение, кВ;
- номинальный ток, А;
У - климатическое исполнение - умеренный;
- категория размещения - наружной установки.
1.2 Конструкция с подробным описанием и
поясняющими рисунками
Общий вид разъединителя представлен на рисунке
2.1
1 - привод ПД-00-2У1; 2 - шинная опора; 3 -
трансформатор тока; 4 - противовес; 5 - портал; 6 - тросовая система; 7 - блок;
8 - контакт подвижный; 9 - контакт неподвижный; 10 - гирлянда изоляторов; 11 -
заземлитель; 12 - стойка заземлителя;
Рисунок 2.1 - Общий вид разъединителя серии РПД
- 500/3200У1
В смонтированном виде разъединитель представляет
собой трёх полюсный аппарат с подвесными подвижными контактами. Подвижные
контакты подвешены к тросовой системе управления, при оперировании они
перемещаются вертикально, замыкая контакты разъединителя или создавая между
ними воздушный промежуток. Неподвижные контакты могут устанавливаться на шинных
опорах, а также на измерительных трансформаторах тока и напряжения.
Разъединитель состоит из главной токоведущей системы, изоляции и тросовой
системы управления. Главная токоведущая система содержит три неподвижных и три
подвижных контакта с токопроводами. Токопровод состоит из алюминиевых труб.
Тросовая система управления состоит из электродвигательного привода, каната,
противовеса и блоков. Контактное давление в разъёмном контакте главного контура
создаётся при опускании подвижного контакта в неподвижный за счёт массы
подвижного контакта.
.3 Принцип действия
В отключенном положении подвижный контакт
поджат. При включении разъединителя, вращением барабана привода поджимается
вверх противовес, а подвижные контакты под действием собственного веса
опускаются вниз и наконечники приходят в соприкосновение с кольцом - цепь
замкнута.
.4 Комплектация и основные монтажные
характеристики оборудования
Основные блоки:
заземляющие ножи;
изоляторы;
- неподвижный контакт;
- подвижный контакт;
привод.
Разъединитель поставляется с завода изготовителя
отдельными блоками. Отдельные блоки маркированы номерами. При сборке
разъединителя должны использоваться только блоки, имеющие соответствующую
маркировку.
Таблица 1.1 Техническая характеристика блоков
разъеденителя РПД - 500/3200У1
|
Блоки
|
Габариты,
мм
|
Масса,
кг
|
|
Заземляющие
ножи
|
3000×1500
|
900
|
|
Изоляторы
|
1350×1350
|
2250
|
|
Портал
|
3200×2000
|
1100
|
|
Привод
|
1275×750
|
150
|
Таблица 1.2 - Краткая техническая характеристика
разъединителя типа РПД - 500/3200У1
|
Основные
параметры
|
Данные
|
|
Номинальное
напряжение, кВ
|
500
|
|
Наибольшее
рабочее напряжение, кВ
|
525
|
|
Номинальный
ток, А
|
3200
|
|
Ток
электродинамической стойкости, кА
|
160
|
|
Ток
термической стойкости, кА
|
63
|
|
Время
протекания тока термической стойкости, с
|
2
|
|
Длина
пути утечки внешней изоляции, см
|
800
|
|
Масса,
кг
|
4400
|
|
Габаритные
размеры: мм
|
|
|
Длина
|
11465
|
|
Ширина
|
24000
|
|
Высота
|
11800
|
2. Разработка технологий монтажа
.1 Выбор способов доставки оборудования к месту
монтажа
Данный разъединитель изготовляют в городе
Екатеринбург, Россия. Для доставки разъединителя из города Екатеринбург в город
Балаково можно использовать различные способы доставки автомобильный,
железнодорожный и воздушный.
Наиболее выгодным и удобным способом перевозки
является автомобильный. Мы не используем транспортировку самолетом и поездом по
причине необоснованности затрат на перемещение на столь незначительное
расстояние в первом случае и использование большого количества дополнительного
погрузо- разгрузочного оборудования во втором.
.2 Выбор транспорта
Автомобиль для доставки на место монтажа
выбирается из условия грузоподъемности, она должна быть больше веса
разъединителя и внутренних габаритов машины. Разъединитель транспортируется 4
отдельными блоками, габариты самого большого блока 3200×2000,
а вес самого тяжелого блока составляет 2250 кг. По этим параметрам я выбираю
автомобиль ЗИЛ - 433360 бортовой. Технические характеристики которого указаны в
таблице 2.1.
Таблица 2.1 - Краткая техническая характеристика
автомобиля ЗИЛ-433360 бортовой
|
Показатели
|
ЗИЛ
- 433360 бортовой
|
|
Грузоподъемность,
кг
|
6000
|
|
Внутренние
размеры платформы, мм
|
3752х2326х575
|
|
Максимальная
скорость, км/ч
|
90
|
2.3 Выбор грузоподъемных механизмов
При определении грузоподъемности механизма
следует иметь в виду, что он должен обеспечить установку в проектное положение
не менее 80% монтируемого блока трансформатора. Также необходимо учитывать
расположение монтируемого оборудования по проекту.
По массе разъдинителя определяем, что
монтируемое оборудование относится ко 2 группе. По высоте разъединителя,
которая составляет около 12 м определяем высоту подъема крюка, по высоте
которого определяем вылет и длину стрелы.
Принимается автомобильный стреловой монтажный
кран КС - 2574. Некоторые технические характеристики крана указаны в таблице
2.2.
Таблица 2.2 - Краткая техническая характеристика
автомобильного стрелового монтажного крана КС - 2574
|
Показатели
|
КС
- 2574
|
|
Грузоподъемность,
кгс
|
6000
|
|
Вылет
стрелы, м
|
9,8
|
|
Длина
стрелы, м
|
15
|
|
База
автомобиля
|
ЗИЛ
- 433362
|
Выбираем лебедки с ручным и электроприводом.
Технические характеристики лебедок представлены в таблице 2.3, 2.4
Таблица 2.3 - Краткая техническая характеристика
лебедки с электроприводом
|
Грузоподъемность,
кгс
|
Диаметр
барабана, мм
|
Диаметр
каната, мм
|
Канатоемкость,
м
|
Частота
вращения, об/мин.
|
Масса
лебедки, кг
|
|
500
|
270
|
7,7
|
120
|
1420
|
119
|
Таблица 2.4 - Краткая техническая характеристика
лебедки с ручным приводом
|
Грузоподъемность,
кгс
|
Диаметр
барабана, мм
|
Диаметр
каната, мм
|
Канатоемкость,
м
|
Масса
лебедки, кг
|
|
500
|
150
|
8,8
|
75
|
200
|
.4 Выбор стропов
Принимается схема строповки, представленная на
рисунке 2.1
Рисунок 2.1 - Схема строповки монтируемого
трансформатора напряжения НКФ - 330
Определяем нагрузку на каждую ветвь стропа
(2.1)
где S
- нагрузка на одну ветвь стропа, кгс;
n - число ветвей
стропа;
Q - масса
поднимаемого груза, кг;
- косинус угла
между поверхностью груза и стропом.
Наибольшая масса монтируемого груза 2250 кг,
число ветвей принимается равным двум, исходя из схемы строповки, и
соответственно угол
=45о.
Подставляя известные данные в формулу (2.1):
Стальные проволочные канаты, применяемые при
такелажных работах, должны быть проверены расчетом.
Расчет каната на прочность производится по
формуле:
(2.2)
где P
- разрывное усилие каната в целом, принимаемое по сертификату кгс;
K - коэффициент
запаса прочности.

Для выполнения строповки принимается
стальной канат типа ТК 6
19=114 из
проволок с органическим сердечником. Диаметр каната равен 14,0 мм, диаметр
проволоки равен 0,9 мм, разрывное усилие каната не менее 9850 кгс, предел
прочности 160 кгс/м2.
.
Таким образом, проверка каната на
прочность выполняется.
Принятые решения по производству
монтажных работ и данные расчета такелажной оснастки позволяют составить
ведомости на потребное для монтажа оборудование, инструменты и материалы.
Ведомость на потребное монтажное оборудование представлена в таблице 2.5.
Таблица 2.5 - Ведомость потребного
монтажного оборудования
|
Наименование
и марка
|
Количество
|
Назначение
и примечание
|
|
Автомобиль
ЗИЛ - 433360 бортовой
|
1
|
Для
доставки трансформатора
|
|
Грузоподъемный
кран КС - 2574
|
1
|
Для
погрузо - разгрузочных работ
|
|
Лебедка
с электроприводом
|
2
|
Для
монтажа разъединителя
|
|
Лебедка
с ручным приводом
|
1
|
Для
монтажа разъединителя
|
Таблица 2.6 - Ведомость потребных монтажных
приспособлений
|
п.п.
|
Наименование
|
Количество,
шт.
|
Назначение
|
|
1
|
Строп
ТК 6×19
|
2
|
Строповка
блоков трансформатора в упаковке
|
|
2
|
Трансформатор
сварочный
|
1
|
Приварка
полосы заземления
|
|
3
|
Маска
защитная для электросварщика
|
1
|
Зашита
при сварочных работах
|
|
4
|
Электродержатель
для ручной дуговой сварки, 500А
|
1
|
Для
сварки
|
|
5
|
Рукавицы, пар
|
3
|
-
|
|
6
|
Пистолет
строительно-монтажный, комплект
|
1
|
Пристрелка
полосы заземления к стойке
|
|
7
|
Лестница
длиной,
3,4
м
|
1
|
Монтаж
разъединителя
|
|
8
|
Лестница
длиной, 3,4 м, раздвижная
|
1
|
Монтаж
разъединителя
|
|
9
|
Пояс
монтерский предохранительный
|
1
|
Монтаж
разъединителя
|
|
10
|
Динамометр,
20 кН
|
1
|
-
|
|
11
|
Электродержатель
с кабелем длиной до 3 м
|
1
|
-
|
|
12
|
Натяжной
монтажный зажим
|
3
|
-
|
|
13
|
Кабель
силовой переносной, 60 м
|
1
|
Для
питания монтажных механизмов
|
|
14
|
Брус
деревянный 100×100 мм,
общая длина 5 м
|
1
|
-
|
Таблица 2.7 - Ведомость потребных монтажных
инструментов
|
п.п.
|
Наименование
|
Количество,
шт.
|
Назначение
|
|
1
|
Ключи
гаечные с открытым зевом двусторонние, комплект.
|
2
|
Монтаж
разъединителя
|
|
2
|
Ключи
гаечные, торцовые со сменными головками, комплект
|
2
|
Монтаж
разъединителя
|
|
3
|
Плоскогубцы
комбинированные с изолирующими ручками
|
1
|
Монтаж
разъединителя
|
|
4
|
Отвертка
диэлектрическая
|
2
|
Монтаж
разъединителя
|
|
5
|
Отвертка
слесарно-монтажная
|
2
|
Монтаж
разъединителя
|
|
6
|
Станок
ножовочный
|
1
|
-
|
|
7
|
Приспособление
для рубки троса
|
1
|
-
|
|
8
|
Рулетка
измерительная металлическая
|
1
|
Проверка
расстояний
|
|
9
|
Зубило
|
2
|
-
|
|
10
|
Линейка
металлическая, 0,5 м
|
1
|
Проверка
расстояний
|
|
11
|
Уровень
гидростатический
|
1
|
Выверка
горизонтальности
|
|
12
|
Отвес
стальной строительный, 200 г
|
1
|
Выверка
вертикальности
|
|
13
|
Рамка
ножовочная ручная
|
1
|
Работы
с металлом
|
|
14
|
Полотно
ножовочное
|
2
|
Работы
с металлом
|
|
15
|
Напильник
драчевый плоский
|
2
|
Работы
с металлом
|
|
16
|
Напильник
драчевый круглый
|
2
|
Работы
с металлом
|
|
17
|
Топор
строительный
|
1
|
Плотничные
работы
|
|
18
|
Ножовка
широкая по дереву
|
1
|
Плотничные
работы
|
|
19
|
Лом-гвоздодер
|
2
|
Распаковка
оборудования
|
|
20
|
Молоток
слесарный, 0,5 кг
|
2
|
Очистка
мест сварки
|
|
21
|
Кувалда,
4 кг
|
1
|
-
|
|
22
|
Кисть
малярная КФ 75-1
|
1
|
Окраска
мест сварки и мест с поврежденной окраской
|
|
23
|
Щетка
ручная из проволоки
|
2
|
Очистка
поверхностей
|
|
24
|
Указатель
напряжения
|
1
|
Подключение
механизмов и оборудования
|
|
25
|
Нож
монтерский
|
3
|
-
|
|
26
|
Кернер
|
1
|
-
|
|
27
|
Электросверлилка
|
1
|
-
|
|
28
|
1
|
-
|
|
29
|
Набор
сверл, комплект
|
1
|
-
|
Таблица 2.8 - Ведомость потребных монтажных
материалов
|
п.п.
|
Наименование
|
Количество
|
|
1
|
Ветошь, кг
|
3
|
|
2
|
Бензин
неэтилированный
|
2
|
|
3
|
Смазка
ГОИ-54П, кг
|
0,9
|
|
4
|
Смазка
ЦИАТИМ - 20I, кг
|
1
|
|
5
|
Электроды
Э-42, кг
|
6
|
|
6
|
Краска
эмалевая цветная ПФ - 115, кг
|
1,5
|
|
7
|
Вазелин
технический, кг
|
1,5
|
|
8
|
Шкурка
шлифовальная бумажная, м2
|
0,5
|
|
9
|
Лента
изоляционная прорезиненная, кг
|
0,5
|
|
10
|
Шпагат,
кг
|
0,5
|
|
11
|
Сталь
листовая, м/кг
|
5
|
|
12
|
Дюбель
- гвоздь, шт
|
12
|
2.5 Организация и технология выполнения работ
.5.1 Общие указания
К началу монтажных работ должны бать выполнены:
подъездные пути к месту монтажа разъединителя;
фундаменты и несущие порталы, на которых
закрепляется тросовая система управления разъединителя;
монтаж трансформаторов тока и шинных опор, на
которых устанавливаются неподвижные контакты разъединтеля;
ошиновка ячейки ОРУ, в которой устанавливается
разъединитель, со спусками на токовую оттяжку;
силовая сеть 380/220 В;
контур заземленя.
.5.2 Подготовительные работы
Приемка монтажниками фундамента под привод,
несущего портала, стоек под заземляющие ножи разъединителя.
Внутри стойки портала не должно быть крестовин и
укосин, препятствующих свободному перемещению по вертикали противовеса и
тросов.
Разметка фундаментов под трансформаторы тока,
шинные опоры, на которых должны быть установлены в соответствии с проектом
неподвижные контакты разъединителя, уточняется с помощью отвеса. Отвес
закрепляется на траверсе портала, посередине между местами крепления
поддерживающих блоков двухлучевой гирлянды каждой фазы (на линии, совпадающей с
вертикальной осью подвижного контакта).Проверка готовности шинных опор и
трансформаторов тока к монтажу на них неподвижных контактов разъединителя.
Комплектование бригады в соответствии с
требованиями, предъявленными к верхолазным работам, ознакомление всех членов
бригады с технической документацией, объемом работ, принятой технологией.
Подготовка площадки для размещения узлов
разъединителя, монтажных механизмов и инвентарных устройств, доставка их на
место монтажа и размещение на площадке.
Распаковка ящиков с оборудованием, принятие мер
предосторожности, исключающих повреждение изоляторов и других частей, очистка
от загрязнения ветошью, смоченной в бензине или уайтспирите, осмотр узлов
разъединителя, выявление внешних дефектов.
При наличии повреждений, которые не возможно
устранить на месте, а также при отсутствии комплектующих, составляется акт и
сообщается заводу изготовителю. Подготовка к монтажу секций противовеса -
наполнение их бетоном и приваривание кронштейнов.
Выполнение в монтажно - заготовительной
мастерской следующих работ:
сварка поступающих с завода алюминиевых труб
токопровода (две трубы на полюс), соединяющего подвижной контакт с токовой
оттяжкой или шинной опрой;
заготовка тяги, соединяющей рычаг ножа
заземления с рычагом привода;
Указанные работы выполняются после
предварительного замера на смонтированном оборудовании. Установка кронштейна
привода заземлителя и кронштейна пружинного механизма на опорной стойке.
Подготовка к монтажу привода заземлителя в соответствии с “Техническим описанием
и инструкцией по эксплуатации”.
.5.3 Монтаж блоков, привода ПД - 00 - 2У1,
сборка гирлянд изоляторов, установка контактов разъединителя
Поднять вручную пеньковым канатом на портал
блоки 4 - 7, установить их, а также блоки 2 тросовой системы и закрепить
болтами на металлоконструкции.
Блоки могут быть установлены на портале
предварительно, до его подъема в проектное положение.
Кинематическая схема тросовых систем
разъединителя представлена рисунке 2.1
- привод типа ПД - 00 - 2У1; 2 - 7 - блоки; 8 -
противовес; 9 - талреп; 10 - канат; 11 - контакт неподвижный; 12 - гирлянда
двухлучевая; 13 коромысло.
Рисунок 3.1 - Кинематическая схема тросовых
систем разъединителя типа РПД - 500/3200У1
Выполнить монтаж привода ПД - 00 - 2У1:
застропить привод и автокраном установить на
фундамент в соответствии с установочным чертежом, выровнять по уровню и
закрепить;
залить в редукторы индустриальное масло марки 45
в гидротолкатель ТКп, смазать все трущиеся части смазкой ГОИ 54П;
насадить на вал привода барабан;
установить блок управления привода,
предусмотренный проектом;
подвести питание к двигателю и остальным цепям в
соответствии с электрической схемой.
Строповка привод ПД - 00 - 2У1 представлена на
рисунке 2.2
- привод; 2 - крюк крана; 3 - строп; 4 -
распорная рама из деревянного бруса 100×100
мм.
Рисунок 2.2 - строповка привода ПД - 00 - 2У1
Присоединить шину зазеления к болтам заземления,
привода и блока управления.
Выполнить ревизию и сборку гирлянд (на щитах
размером 5×1,5 м) :
осмотреть и отобрать изоляторы. Стеклянные
изоляторы не должны иметь видимых на глаз внутренних трещин, погнутых и
поврежденных пестиков. Обращается внимание на соосность стержня шапки
изоляторов. Изоляторы очищаются от грязи и краски ветошью, смоченной в бензине;
выполнить подбор и комплектование сцепной
арматуры;
скобы, серьги и т.п. не должны иметь трещин,
сколотых кромок и деформаций.
собрать изоляторы в гирлянды. При сборке все
замки в изоляторах расположить входными отверстиями вверх.
Застропить подвижный контакт за медное
контактное кольцо, установить краном на шинную опору или трансформатор тока и
закрепить болтами. Установить краном подвижный контакт разъединителя в
неподвижный.
- портал; 2 - блок; 3 - подвижный контакт; 4 -
неподвижный контакт; 5 - привод типа ПД - 00 - 2У1; 6 - трансформатор тока; 7 -
канат; 8 - противовес; 9 - гирлянда изоляторов.
Рисунок 2.3 - Монтаж тросовой системы управления
подвесного разъединителя РПД - 500/3200У1
.5.4 Монтаж тросовой системы управления
разъединителя типа РПД - 500/3200У1
Подать краном подготовленные для монтажа секции
противовеса внутрь металлоконструкции опоры портала. Соединить кронштейн
верхней секции противовеса (с отверстием в верхнем фланце) с блоком 11. Поднять
пеньковым канатом вручную и закрепить на верхней отметке металлоконструкции
портала монтажный блок 5 грузоподъемностью 5 тонн. Пропустить конец монтажного
троса через блок 4 и монтажный блок 5, присоединить его к блоку 11, используя
такелажную скобу грузоподъемностью 2 тонны. Второй конец троса, предварительно
сделав 2 петли на барабане привода сверху, зажать прижимными планками в месте
крепления отключающего каната разъединителя. Подтянуть конец включающего каната
через блок 2, не отрезая его во избежание больших отходов. Конец каната надеть
на коуш, закрепить тремя зажимами и подсоединить к блоку 11.
Приподнять верхнюю секцию противовеса, вращая
рукоятку ручного управления приводом, и поочередно присоединить среднюю, затем
нижнюю секции и талреп 12. Поднять противовес в положение разъединителя
“Отключено” в соответствии с проектом.
- портал; 2 - 4 - блок; 5 - блок монтажный
грузоподъемностью 5 т; 6 трос монтажный; 7 - противовес; 8 - привод ПД - 00 -
2У1; 9 - канат; 10 - гирлянда изоляторов; 11 - блок; 12 - талреп.
Рисунок 2.4 - Монтаж замкнутой тросовой системы
привода разъединителя РПД - 500/3200У1
До монтажа направляющего троса противовес
закрепить пеньковым канатом, чтобы не раскачивался. Протянуть через блок 3
канат 9 запасовать снизу на барабане привода таким образом, чтобы конец его
остался у щеки барабана и на нем было навито не менее 1,5 - 2 витков, не считая
витков, находящимися под прижимными планками. Закрепить канат на барабане
планками и срезать. При этом длина свободного конца от последней планки на
барабане должна быть не менее двух диметров каната.
Не разрешается свободный конец каната изгибать
род прижимной планкой или возле нее.
Передать ручным приводом нагрузку на включающий
канат и, таким образом ослабляя монтажный трос, демонтировать его и монтажный
блок.
Поднять и закрепить на металлоконструкции
портала два монтажных блока грузоподъемностью 1 т. В первую очередь монтируется
тросовая система дальнего от электролебедок полюса.
Пропустить концы тросов двух электролебедок
грузоподъемностью 0,5 тонны через монтажные блоки и подсоединить к сцепной
арматуре, находящейся на земле двухлучевой гирлянды.
Одновременным включением лебедок поднять гирлянду
в положение “Отключено”. Во избежание ударов гирлянды по шинной опоре или
трансформатору тока пользоваться оттяжкой (с применением ручной лебедки).
Зафиксировать гирлянды в поднятом положении при
помощи натяжных монтажных зажимов (для присоединения монтажного троса к
траверсе).
В соответствии с размерами, предусмотренными
проектом, уточненными непосредственными замерами, заготовить два каната разной
длины (отрезать, надеть концы на коуши, закрепить зажимами), соединяющих
гирлянды с блоком 3.
Поднять заготовленные канаты на портал и
прикрепить к гирлянде и блоку 3. Отсоединить монтажные тросы электролебедок и
снять монтажные блоки.
Монтаж гирлянды изоляторов представлен на
рисунке 2.5
- гирлянда изоляторов; 2 - монтажный блок; 3 -
трос лебедки; 4 - канат пеньковый; 5 - подвижный контакт; 6 - неподвижный
контакт; 7 - лебедка электрическая грузоподъемностью 0,5 т;
Рисунок 2.5 - Монтаж гирлянды изоляторов
Аналогично выполняется монтаж гирлянд изоляторов
второго и третьего полюсов. При этом монтируется по три каната: два -
соединяющих гирлянды с коромыслом 13 и один - от коромысла к блоку 3.
Вращая рукоятку ручного управления приводом,
поднять противовес и установить его в положение “Включено”.
Смонтировать отключающий канат - протянуть через
блок 4, надеть на коуш, зажать тремя зажимами, и прикрепить к талрепу 12.
Натянуть канат вручную на барабан привода
сверху, навить не мене 1,5 - 2 витков с края барабана, зажать прижимными
планками и отрезать.
Натянуть талрепом канат в замкнутой тросовой
системы. Усилие натяжения каната должно составлять 1,0 - 2,0 кН. При показании
на динамометре этого усилия канат ослабевает, что определяется в узле
сочленения коуш - талреп.
Закрепить на металлоконструкции опоры портала
кронштейны для крепления направляющего каната на высоте, определяемой заводской
и проектной документацией. Пропустить направляющий канат через отверстия в
верхнем фланце кронштейна противовеса. Надеть концы каната на коуши, зажать
тремя зажимами и прикрепить один конец каната через талреп к верхнему
кронштейну, а другой - к нижнему.
Произвести талрепом натяжение направляющего
каната. Усилие натяжения должно составлять 10,0 - 15,0 кН.
При прикладывании этого усилия к стальному
тросу, прикрепленному к коушу направляющего каната, между коушем и кронштейном
появляется зазор.
Присоединить грузы гирлянд с помощью канатов и
зажимов, имеющихся в них, к подвижным контактам.
Регулировка натяжения канатов представлена на
рисунке 2.6.
- портал; 2 - талреп; 3 - противовес; 4 -
стальной трос; 5 - динамометр; 6 - привод ПД - 00 - 2У1; 7 - направляющий
канат; 8 - кронштейн
Рисунок 2.6 - Регулировка натяжения каната в
замкнутой тросовой системе (а) и направляющего каната (б) разъединителей РПД -
500/3200У1
.5.5 Монтаж заземлителей
Застропить нож заземления и автокраном
установить в проектное положение на опору. Выверить положение подшипника по
уровню, используя, при необходимости, прокладки и закрепить нож болтами.
Присоединить с помощью оси и крепежа пружинный
механизм к рычагу заземляющего ножа, предварительно вывернуть тягу механизма.
Присоединить кронштейн пружинного механизма к
опорной колонне. При этом нож заземления находится в вертикальном положении.
Отрегулировать гайкой пластины пружинного механизма
положение ножа заземления таким образом, чтобы он в состоянии равновесия
находился под 60 градусов к горизонтали.
Закрепить на кронштейне привод и присоединить к
выходному фланцу привода рычаг, соединить его тягой с рычагом ножа заземления.
Отрегулировать при горизонтальном положении ножа
заземления в положении привода “Отключено” расположение рычагов привода, ножа
заземления и тяги таким образом, чтобы они лежали на одной прямой.
Регулировка производится разворотом рычага
привода и перемещением рычага ножа заземления вдоль оси. Установить неподвижные
контакты заземлителей. Застропить и установить автокраном неподвижный контакт
разъединителя, установленный на шинной опоре, и закрепить; присоединить шину к
контактному кольцу. К трансформатору тока неподвижный контакт крепится
кронштейном, шина присоединяется к линейному выводу трансформатора тока.
Строповка элементов заземлителя представлена на рисунке 2.7
- крюк крана; 2 - канат пеньковый; 3 - нож
заземления; 4 - неподвижный контакт заземлителя; 5 - подвижный контакт
заземлителя.
Рисунок 2.7 - Строповка элементов заземлителя
Проложить заземляющие стальные полюсы по стойкам
заземлителей, пристрелить строительно - монтажным пистолетом и присоединить их
к контактному выводу заземлителя.
.5.6 Регулировка разъединителя
Отрегулировать высоте и одновременность подъема
подвижных контактов так, чтобы разомкнутый промежуток между подвижными и
неподвижными контактами всех трех фаз был не менее 3,5 м.
Отрегулировать блок - контактами остановку
электродвигателя привода ПД - 00 - У1 при достижении крайнего включенного
положения так, чтобы обеспечивалось видимое ослабление (150 - 200 мм) канатов,
соединяющих изоляционные гирлянды с подвижными контактами.
Смазать блоки смазкой ГОИ - 54П.
Произвести контрольную проверку действия
разъединителя. Включить и отключить разъединитель рукояткой ручного
оперирования приводом 5 раз и электродвигателем привода при номинальном
напряжении 25 раз.
.5.7 Заключительные работы
Установить на блоки кожухи для защиты от
гололеда. Вырезать окно для выхода каната на кожухе привода.
Зачистить и покрасить сварные монтажные швы,
полосы заземления, восстановить окраску, поврежденную при монтаже.
Демонтировать и доставить на склад
электромонтажного участка механизмы, такелажные оборудования.
Убрать монтажную площадку.
Подготовить соответствующие документы на
передачу подвесных разъединителей в эксплуатацию.
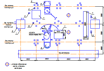
3. Разработка плана монтажной площадки
Объектом монтажа является разъединитель РПД -
500/3200У1. Для подъема и установки разъединителя применяется кран КС - 2574.
Наибольшая требуемая высота подъема груза
примерно 12 м, наибольшая длина стрелы крана 15 м, поэтому кран устанавливается
на расстоянии 9,8 м от опорной конструкции.
Открытые склады и навесы для хранения
оборудования, конструкций и материалов, закрытые склады, механическая
мастерская, а также помещения для рабочих находятся на территории завода вне
монтажной площадки, поэтому на плане не указываются.
План размещения оборудования и механизмов при
монтаже трансформатора напряжения представлен на рисунке 3.1
1 - Фундамент привода; 2-
фундамент портала; 3- сварочный аппарат; 4 - фундамент трансформатора тока; 5 -
стойка заземлителя; 6 - автогидроподъемник; 7 - площадка разгрузки; 8 -
автокран; 9 - электролебедка; 10 - фундамент шинной опоры
Рисунок 4.1 - План размещения оборудования и
механизмов при монтаже разъединителя РПД - 500/3200У1
4. Разработка сетевого графика электромонтажных
работ
В строительстве объектов больших размеров
линейные графики не могут обеспечить оперативного управления, увязки и
обеспечения производства многочисленных работ:
проектирования;
поставки оборудования;
строительства;
монтажа и др.
В настоящее время широко изучается и внедряется метод
сетевого планирования и управления (СПУ). Основой его служит сетевой график -
графическая модель процессов строительства.
Исходными данными для составления сетевого
графика служат:
физические объемы монтажных работ;
затраты труда на монтажные работы;
последовательность производства работы;
продолжительность монтажа объекта - директивный
срок.
Расчеты трудоемкости должны производиться по
единым нормам и расценкам (ЕНиР), ведомственным нормам и расценкам (ВНиР) и
укрупненным нормам и расценкам.
Данные сетевого графика представлены в таблице
4.1.
Схема сетевого графика представлена на рисунке
4.1
Таблица 4.1 - Расчет продолжительности
электромонтажных работ
|
Шифр
работы (по графику)
|
Наименование
работы
|
Трудоемкость
по нормам Нвр, чел.-час.
|
Состав
звена электромонтажников, n
|
Плановая
продолжительность работы в дн. Коэффициент, учитывающий работы на
высоте, k
|
|
|
0
- 3
|
Монтаж
опорной конструкции
|
1,44
|
Электромонтажники
6-го разряда - 1 4-го разряда - 1 3-го разряда - 1
|
0,075
|
1,25
|
|
0
- 1
|
Погрузка
автокраном деталей и узлов разъединителя и монтажного оборудования
|
2,17
|
Электромонтажники
6-го разряда - 1 4-го разряда - 1 3-го разряда - 1
|
0,09
|
1
|
|
1
- 4
|
Выгрузка
автокраном деталей и узлов разъединителя и монтажного оборудования
|
1,8
|
Электромонтажники
6-го разряда - 1 4-го разряда - 1 3-го разряда - 1
|
0,075
|
1
|
|
0
- 2
|
Погрузка
материалов инструментов вручную на автомашину
|
0,88
|
Электромонтажники
6-го разряда - 1 4-го разряда - 1 3-го разряда - 1
|
0,037
|
1
|
|
4
- 7
|
Выгрузка
материалов и инструментов вручную с автомашины
|
0,91
|
Электромонтажники
6-го разряда - 1 4-го разряда - 1 3-го разряда - 1
|
0,038
|
1
|
|
2
- 5
|
Укладка
деталей и узлов разъединителя по рабочим местам
|
4,6
|
Электромонтажники
6-го разряда - 1 4-го разряда - 1 3-го разряда - 1
|
0,192
|
1
|
|
3
- 6
|
Установка
силового ящика
|
0,9
|
Электромонтажники
6-го разряда - 1 4-го разряда - 1 3-го разряда - 1
|
0,038
|
1
|
|
6
- 8
|
Присоединение
проводов и подготовка к включению силового ящика
|
1,53
|
Электромонтажники
6-го разряда - 1 4-го разряда - 1 3-го разряда - 1
|
0,064
|
1
|
|
7
- 10
|
Прокладка
временных шин заземления к силовому ящику
|
5,04
|
Электромонтажники
6-го разряда - 1 4-го разряда - 1 3-го разряда - 1
|
0,21
|
1
|
|
10
- 11
|
Присоединение
шин заземления к аппаратам
|
0,52
|
Электромонтажники
6-го разряда - 1 4-го разряда - 1 3-го разряда - 1
|
0,022
|
1
|
|
12
- 13
|
Монтаж
разъединителя
|
220
|
Электромонтажники
6-го разряда - 1 4-го разряда - 2 3-го разряда - 2
|
6,875
|
1,25
|
|
7
- 9
|
Сварка
черных металлов при монтаже разъединителя
|
3,8
|
Электромонтажники
6-го разряда - 1 4-го разряда - 2 3-го разряда - 2
|
0,095
|
1
|
|
9
- 12
|
Сварка
цветных металлов при монтаже разъединителя
|
3
|
Электромонтажники
6-го разряда - 1 4-го разряда - 2 3-го разряда - 2
|
0,075
|
1
|
|
13
- 14
|
Монтаж
заземлителя рубящего типа
|
39
|
Электромонтажники
6-го разряда - 1 4-го разряда - 2 3-го разряда - 2
|
1,073
|
1,1
|
|
14
- 16
|
Сварка
при монтаже заземлителей
|
3,7
|
Электромонтажники
6-го разряда - 1 4-го разряда - 2 3-го разряда - 2
|
0,093
|
1
|
|
14
- 15
|
Прокладка
полосы заземления по железобетонным стойкам, с пристрелкой
строительно-монтажным пистолетом
|
2,17
|
Электромонтажники
6-го разряда - 1 4-го разряда - 2 3-го разряда - 2
|
0,054
|
1
|
|
16
- 18
|
Присоединение
полосы заземления сваркой к общему контуру заземления
|
0,84
|
Электромонтажники
6-го разряда - 1 4-го разряда - 2 3-го разряда - 2
|
0,021
|
1
|
|
15
- 17
|
Окраска
полосы заземления
|
0,66
|
Электромонтажники
6-го разряда - 1 4-го разряда - 2 3-го разряда - 2
|
0,017
|
1
|
|
18
- 19
|
Подключение
разъединителя к ошиновке высокого напряжения
|
0,55
|
Электромонтажники
6-го разряда - 1 4-го разряда - 2 3-го разряда - 2
|
0,014
|
1
|
|
Итого
|
|
|
|
9,157
|
|
|
|
|
|
|
|
|
|
|
|
|
Рисунок 5.1 - Сетевой график электромонтажных
работ разъединителя РПД - 500/3200У1
Благодаря сетевому графику продолжительность
работ сокращается на 0,658 дней, то есть на 5,26 часов.
5. Расчёт заземляющих устройств
Размеры ОРУ - 330 кВ и ОРУ - 220 кВ составляются
в соответствии с главной схемой (рисунок 6.3) - показаны на рисунке 5.1
Рисунок 5.1 - Размеры ОРУ - 330 кВ и ОРУ - 220
кВ
Размеры ОРУ находятся по следующим данным:
для ОРУ 330 кВ: шаг ячейки - 24 м; длина - 146,4
м;
для ОРУ 220 кВ: шаг ячейки - 12 м; длина - 24 м.
План заземляющей сетки показан на рисунке 5.2
Рисунок 5.2 - План заземляющей сетки
Площадь заземляющего устройства
(5.1)
Общая длина полос сетки:
(5.2)
Периметр сетки:
(5.3)
Рисунок 5.3 - Электрическая часть ОРУ=330/220 кВ
Число вертикальных заземлителей:
(5.4)
где Р - периметр сетки,м;
а - расстояние между вертикальными
заземлителями, принимаем 10 м.
Расчётное удельное сопротивление верхнего слоя
грунта
(5.5)
где Кс - коэффициент сезонности,
принимаем 1,25;
- удельное
сопротивление верхнего слоя грунта, принимаем 180
.
Ток однофазного короткого замыкания на землю
, (5.6)
где
-
ток трехфазного короткого замыкания, принимается из расчётов токов короткого
замыкания, принимаем 14600 А.
.
Коэффициент напряжения прикосновения
(6.7)
где
-
длина вертикального заземлителя, принимаем 5м;
S - площадь
заземляющего устройства,
;
общая длина полос
сетки,
;
M - параметр,
зависящий от
, принимаем 0,8.
Коэффициент, определяемый по сопротивлению тела
человека Rч = 1000 Ом и
сопротивлению растекания тока от ступеней Rс:
(5.8)
где
-
сопротивление тела человека;
- сопротивление
растекания тока от ступеней.
Потенциал на заземлителе:
, (5.9)
где
-
проходное допустимое напряжение, принимаем 200 В;
- коэффициент
напряжения прикосновения.
Допустимое сопротивление заземляющего устройства
, (5.10)
где
-
потенциал на заземлителе, В;
- ток однофазного
короткого замыкания, А;
Сторона квадрата модели
(6.11)
Число ячеек сетки на стороне квадрата
(5.12)
Принимается
16
шт.
Длина полос в расчётной модели:
, (5.13)
где
-
число ячеек сетки на стороне квадрата, шт.
Длина сторон ячеек модели
. (5.14)
где
-
сторона квадрата модели, м
Число вертикальных заземлителей по периметру
контура:
, (5.15)
где
-
длина сторон ячеек модели.
Принимается
64
шт.
Общая длина вертикальных заземлителей модели:
, (5.16)
где
-
число вертикальных заземлителей по периметру контура, шт.
Относительная глубина заземлителей
, (5.17)
где t
- глубина горизонтальных заземлителей, м.
Сопротивление сложного заземлителя:
, (5.18)
Эквивалентное сопротивление:
(5.19)
где
-
удельное сопротивление верхнего слоя грунта,
;
- удельное
сопротивление нижнего слоя грунта, принимаем 30
(6.20)
(5.21)
(5.21)
где
сопротивление
сложного заземлителя, Ом;
общая длина
вертикальных заземлителей модели, м.
Сопротивление заземляющего устройства с учётом
естественных заземлителей
, (5.22)
где
сопротивление
естественного заземлителя - трос опора, принимаем 2 Ом;
Напряжение прикосновения
(5.23)
Так как сопротивление заземлителя
превышает требуемое значение, то необходимо увеличение площади S, длины Lг, числа
вертикальных заземлителей nв и их длины.
Все это приводит к дополнительным расходам и на подстанциях трудно осуществимо.
Эффективной мерой уменьшения опасности прикосновения является подсыпка гравия
или щебня слоем 0,1 - 0,2 м у рабочих мест. Удельное сопротивление верхнего
слоя при этом резко возрастает до 5000
, что снижает ток, проходящий через
человека, так как возрастает сопротивление растеканию тока со ступеней Rс. В расчете,
соответственно, уменьшается коэффициент
и увеличивается допустимое
сопротивление заземляющего устройства.
Расчётное удельное сопротивление верхнего слоя
грунта
Ток однофазного короткого замыкания на землю
определяется по формуле (6.6)
.
Коэффициент напряжения прикосновения
определяется по формуле (6.7)
где M
- параметр, зависящий от
, принимаем 0,84.
Коэффициент, определяемый по сопротивлению тела
человека Rч = 1000 Ом и
сопротивлению растекания тока от ступеней Rс
определяется по формуле (6.8)
Потенциал на заземлителе определяется по формуле
(6.9)
Допустимое сопротивление заземляющего устройства
определяется по формуле (6.10)
Сторона квадрата модели определяется по формуле
(6.11)
Число ячеек сетки на стороне квадрата
определяется по формуле (6.12)
Принимается
16
шт.
Длина полос в расчётной модели определяется по
формуле (6.13)
Длина сторон ячеек модели определяется по
формуле (6.14)
Число вертикальных заземлителей по периметру
контура определяется по формуле (6.15)
Принимается
64
шт.
Общая длина вертикальных заземлителей модели
определяется по формуле (6.16)
Относительная глубина заземлителей определяется
по формуле (6.17)
Сопротивление сложного заземлителя определяется
по формуле (6.18)
Эквивалентное сопротивление определяется по
формулам (6.19), (6.20), (6.21)
Сопротивление заземляющего устройства с учётом
естественных заземлителей определяется по формуле (6.22)
Напряжение прикосновения определяется по формуле
(6.23)
Заземляющее устройство отвечает требованиям
безопасности.
6. Мероприятия по охране труда и технике
безопасности
Работы по монтажу разъединителей выполняют с
соблюдением требований технике безопасности согласно действующим нормам и правилам.
Перед началом работ мастер или прораб проводит
инструктаж на рабочем месте со всеми членами бригады, на котором разъясняется
задание, способы выполнения намечаемых работ, приемы пользования
предохранительными приспособлениями.
Такелажное оборудование, инвентарь и оснастка,
используемые при монтаже, должно иметь отметки об испытаниях в соответствии с
требованиями Госгортехнадзора.
К работе на высоте допускаются лица не моложе 18
лет и не старше 60 лет, прошедшие медицинский осмотр, о чем должна быть сделана
запись в удостоверении по технике безопасности.
Перед подъемом на портал электромонтажник обязан
надеть предохранительный пояс. При работе на высоте следует прикрепиться цепью
предохранительного пояса к конструкции портала.
К основным электрозащитным средствам в
электроустановках до 1 кВ относятся:
- изолирующие штанги; изолирующие и
электроизмерительные клещи;
- указатели напряжения;
- диэлектрические перчатки;
- изолированный инструмент.
К дополнительным электрозащитным средствам для
работы в электроустановках напряжением до 1 кВ относятся:
- диэлектрические галоши;
- диэлектрические ковры;
- изолирующие подставки и накладки;
- изолирующие колпаки.
К основным средствам электрозащиты в
электроустановках напряжением выше 1 кВ относятся:
- изолирующие штанги всех видов;
- изолирующие и электроизмерительные клещи;
- указатели напряжения;
- устройства и приспособления для обеспечения
безопасности труда при проведении испытаний и измерений в электроустановках;
- изолирующие устройства и приспособления для ремонтных
работ под напряжением в электроустановках напряжением 150 кВ и выше.
Средства защиты работающих в зависимости от
характера их применения подразделяют на две категории:
- коллективной защиты;
- индивидуальной защиты.
Электрозащитные средства коллективной защиты в
защиты от назначения подразделяют на классы:
- от повышенного уровня электромагнитных и
электрических полей;
- от повышенной напряженности
магнитных и электрических полей;
- от поражения электрическим током;
- от повышенного уровня статического
электричества.
К средствам защиты от повышенного уровня
электромагнитных излучений относятся:
- оградительные устройства;
- защитные покрытия;
- герметизирующие устройства;
- устройства автоматического контроля
и сигнализации;
- устройства дистанционного
управления;
- знаки безопасности.
К средствам защиты от повышенной напряженности
магнитных и электрических полей относятся:
- оградительные устройства;
- защитные заземления;
- изолирующие устройства и покрытия;
- знаки безопасности.
К средствам защиты от поражения электрическим
током относятся:
- оградительные устройства;
- устройства автоматического контроля
и сигнализации;
- изолирующие устройства и покрытия;
- устройства защитного заземления и
зануления;
- устройства автоматического
отключения;
- устройства выравнивания потенциалов
и понижения напряжения;
- устройства дистанционного
управления;
- предохранительные устройства;
- молниеотводы и разрядники;
- знаки безопасности.
К средствам защиты от повышенного уровня
статического электричества относятся:
- заземляющие устройства;
- нейтрализаторы;
- увлажняющие устройства;
- антиэлектростатические вещества;
- экранирующие устройства.
Средства индивидуальной защиты (СИЗ)
предназначены для защиты головы (защитные каски); глаз и лица (защитные очки и
щитки); органов дыхания (противогазы и респираторы) рук (рукавицы) и от падения
с высоты (предохранительные пояса и страховочные канаты).
Требования к персоналу II
группы по электробезопасности:
- элементарные технические знания об
электроустановке и оборудовании;
- отчетливое представление об
опасности электрического тока, опасности приближения к токоведущим частям;
- знание основных мер предосторожности
при работах в электроустановках;
- практические навыки оказания первой
медицинской помощи.
Требования к персоналу III
группы по электробезопасности:
- элементарные познания в общей электротехнике;
- знание электроустановки и порядка ее
технического обслуживания;
- знание общих правил техники
безопасности, правил допуска к работе, и специальных требований, касающихся
выполняемой работы;
- умение обеспечить безопасное ведение
работы и вести надзор за работающими в электроустановках;
- знание правил освобождения
пострадавшего от действия электрического тока, оказание первой медицинской
помощи и умение практически оказывать ее пострадавшему.
Требования к персоналу IV
группы по электробезопасности:
- знание электротехники в объеме
специализированного профессионального училища;
- полное представление об опасности
при работах в электроустановках;
- знание настоящих правил, правил
технической эксплуатации электрооборудования, устройства электроустановок и
пожарной безопасности в объеме занимаемой должности;
- знание схем электроустановок и
оборудования обслуживаемого участка, знание технических мероприятий,
обеспечивающих безопасность работ;
- умение проводить инструктаж,
организовывать безопасное проведение работ, осуществлять надзор за членами
бригады;
- знание правил освобождения
пострадавшего от действия электрического тока, оказания первой медицинской
полмощи и умение практически оказать ее пострадавшему;
- умение обучать персонал правилам
техники безопасности, практическим приемам оказания первой медицинской помощи.
Требования к персоналу V
группы по электробезопасности:
- знание схем электроустановок, компоновки оборудования
технологических процессов производства;
- знание настоящих правил, правил
пользования и испытаний средств защиты, четкое представление о том, чем вызвано
то или иное требование;
- знание правил технической
эксплуатации, правил устройства электроустановок и пожарной безопасности в
объеме занимаемой должности;
- умение четко обозначить и излагать
требования о мерах безопасности при проведении инструктажа работников;
- умение организовать безопасное
проведение работ и осуществлять непосредственное руководство работами в
электроустановках любого напряжения;
- умение обучать персонал правилам
техники безопасности, практическим приемам оказания первой медицинской помощи.
К техническим мероприятиям,
обеспечивающим безопасность работ, относятся: отключение напряжения, установка
ограждений и вывешивание плакатов; проверка отсутствия напряжения; установка
защитного заземления.
Отключение напряжения. Все
токоведущие части электроустановки, на которых будут производиться работы,
должны быть отключены.
Отключать напряжение следует
так, чтобы отключаемое оборудование отделялось со всех сторон от токоведущих
частей, находящихся под напряжением. При этом с каждой стороны должен быть
видимый разрыв. Работать на оборудовании, отделенном от токоведущих частей
только выключателем, запрещается.
Отключив напряжение, необходимо
принять меры, препятствующие обратной подаче напряжения. Для этого с
выключателей снимают оперативный ток, а приводы разъединителей запирают на
замок.
Установка ограждений и
вывешивание плакатов. На всех приводах выключателей и разъединителей и на
ключах управления, с помощью которых напряжение может быть подано к месту
работ, вывешивают плакаты «Не включать - работают люди!»
В закрытых распределительных
устройствах на сетчатых или сплошных ограждениях ячеек, соседних с местом
работы и противолежащих, вывешивают плакаты «Стой - высокое напряжение!». Если
эти ячейки не имеют ограждений, необходимо поставить переносный щит с надписью
«Стой - высокое напряжение!». Такие же щиты следует установить и во всех
остальных местах, куда ремонтному персоналу вход запрещен.
На открытых подстанциях место
работ ограждают канатом, на котором укрепляют плакат «Стой - высокое
напряжение!». При работе на высоте на общих конструкциях открытых подстанций
место работ ограждают плакатами «Стой - высокое напряжение!» так, чтобы путь по
конструкции к соседним токоведущим частям был закрыт. Внизу на конструкциях,
соседних с той, которая предназначена для подъема ремонтного персонала,
вывешивают плакаты «Не влезай - убьет!». На конструкции, где производят подъем
к месту работ, вывешивают плакат «Влезай здесь!».
У места, предназначенного для
выполнения работ, после окончания его подготовки помещают плакаты «Работать
здесь!».
Отсутствие напряжения на
отключенном оборудовании проверяется дежурном персоналом после установки
предупредительных плакатов, временных ограждений и присоединения переносных
заземлений к заземляющему контуру.
Литература
1.
О.Е. Атапина. Методические указания к курсовому проектированию по дисциплине
«Технология электромонтажных работ».
.
О.Е. Атапина. Методические указания к расчету заземляющих устройств для
курсового и дипломного проектирования.
.
О.Е. Атапина. Методические указания по выбору транспортных и грузородъемных
механизмов.
.
СНИП.
.
ГОСТ 2.105.-95, ЕСКД. Общие требования к текстовым документам. - ИПК:
Издательство стандартов, 1996.
6.
А. Ф. Зюзин, А. М. Вишток. Монтаж, эксплуатация и ремонт электрооборудования
промышленных предприятий и установок. - М.: Высшая школа, 1980.
7.
А. Ф. Зюзин, М. В. Антонов. Монтаж, эксплуатация и ремонт электрооборудования
промышленных предприятий и установок. - М.: Высшая школа, 1986.
8.
Справочник по организации и механизации электромонтажных работ на
электростанциях и подстанциях. Под ред. Н.А. Иванова, Н.Г. Этуса. - М.:
Энергоатомиздат, 1988.
9.
Н. Г. Этус, Л. Н. Махлина. Технология электромонтажных работ на электрических
станциях и подстанциях. - М.: Энергоиздат, 1982.
10.
ЕНиР. Сборник Е25: Электромонтажные работы