Расчет и проектирование элементов и узлов конструкций
РАСЧЕТ И
ПРОЕКТИРОВАНИЕ ЭЛЕМЕНТОВ И УЗЛОВ КОНСТРУКЦИЙ
РЕФЕРАТ
с.48, рис.19, табл.8 черт.1
БОЛТОВОЕ СОЕДИНЕНИЕ, СОЕДИНЕНИЕ С ЗАЗОРОМ, СОЕДИНЕНИЕ БЕЗ ЗАЗОРА, УЗЕЛ
ФЕРМЫ, ЗУБЧАТАЯ ПЕРЕДАЧА, ПРОМЕЖУТОЧНЫЙ ВАЛ, РЕДУКТОР, РАСЧЕТ И ПРОЕКТИРОВАНИЕ
В курсовой работе выполнены расчет и проектирование болтового соединения
фланцев барабана грузоподъемного крана, узла фермы в сварном и заклепочном
исполнении, промежуточного вала зубчатой передачи.
ОГЛАВЛЕНИЕ
ВВЕДЕНИЕ
. РАСЧЕТ
БОЛТОВЫХ СОЕДИНЕНИЙ
1.1 ОПИСАНИЕ
КОНСТРУКЦИИ
.2 ИСХОДНЫЕ
ДАННЫЕ
.3 РАСЧЕТ
БОЛТОВ
1.3.1
Болтовое соединение с зазором
.3.2 Болтовое
соединение без зазора
. РАСЧЕТ И
ПРОЕКТИРОВАНИЕ УЗЛА ФЕРМЫ
2.1.ОПИСАНИЕ
КОНСТРУКЦИИ
.2 ИСХОДНЫЕ
ДАННЫЕ
.3 РАСЧЕТ
УСИЛИЙ
.4 ВЫБОР
УГОЛКОВ
.5 РАСЧЁТ СВАРНОГО
СОЕДИНЕНИЯ
.6 РАСЧЕТ
ЗАКЛЁПОЧНОГО СОЕДИНЕНИЯ
3. РАСЧЕТ И
ПРОЕКТИРОВАНИЕ ПРОМЕЖУТОЧНОГО ВАЛА
3.1 Исходные данные и
расчеты
.2 Выбор материала
.3 Расчет допускаемых напряжений
3.3.1 Допускаемые контактные напряжения при расчете на
усталость
3.3.2 Допускаемые напряжения изгиба при расчете на усталость
3.4 Параметры зубчатых колес
.4.1 Определение межосевого расстояния
.4.2 Расчет прочности зубьев по контактным напряжениям
.4.3 Расчет прочности зубьев по напряжениям изгиба
3.5 Расчет вала
.5.1 Определение сил в зацеплении
.5.2 Определение длины вала
.5.3 Выбор расчетной схемы и определение расчетных нагрузок
3.6 Построение эпюр моментов
.6.1 Эпюры изгибающих моментов
.6.2 Эпюра крутящих моментов
.6.3 Эпюры суммарного и приведенного моментов
3.7 Построение теоретического
профиля вала
.8 Подбор подшипников
3.9 Построение реального профиля
вала
.10 Подбор шпонок
ЗаКЛЮЧЕНИЕ
ЛИТЕРАТУРА
фланец муфта зубчатый передача
ВВЕДЕНИЕ
Целью выполнения данной курсовой работы является приобретение знаний о
критериях прочности различных узлов машиностроительных конструкций,
приобретение навыков расчета и проектирования данных узлов.
Курсовая работа состоит из трех частей.
Задачей части 1 является расчет болтовых соединений фланцев муфты и
обечайки барабана механизма подъема грузоподъемного крана.
Через рассчитываемые болты передается крутящий момент от редуктора к
барабану и посредством указанного момента удерживается груз. Болтовое
соединение относится к ответственным узлам крана. В случае разрушения болтов
возможно падение груза и разрушение конструкций. Все это может привести к
аварии, несчастным случаям и значительным экономическим потерям.
Задачей части 2 является расчет и проектирования узла фермы.
Ферма - это стержневая система, все элементы которой работают в условиях
растяжения - сжатия. Она состоит из прямых стержней и нагружена в узлах
соединения стержней между собой. При неправильном расчете и конструировании
узла фермы возможны аварии, а, следовательно, экономические потери и
травмирование людей.
Задачей части 3 является расчет и проектирования промежуточного вала
зубчатой передачи и связанных с ним деталей: зубчатых передач, шпонок, опорных
подшипников.
Передача движения в данном задании осуществляется от ведущего вала через
пару цилиндрических зубчатых колес с передаточным числом i1. Крутящий момент от
промежуточного вала передается через зубчатую пару с передаточным числом i2 на
ведомый вал. В данном задании зубчатые колеса передачи прямозубые и крепятся на
валу при помощи шпонки. Опорами вала служат подшипники качения, смонтированные
в одном корпусе редуктора.
1. РАСЧЕТ
БОЛТОВЫХ СОЕДИНЕНИЙ
.1
ОПИСАНИЕ КОНСТРУКЦИИ
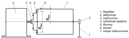
Рассчитываемое болтовое соединение является частью конструкции барабана
механизма подъема грузоподъемного крана. Узел с обозначением необходимых для расчета
размеров представлен на рис.1.
Рис.1. Схема рассчитываемого узла
1.2
ИСХОДНЫЕ ДАННЫЕ
Исходные данные для расчета (табл.1) приняты в соответствии с заданием
преподавателя.
Таблица 1. Исходные данные для расчета
|
№ п/п
|
Наименование параметра
|
Обозначение
|
Единица измерения
|
Величина
|
|
Грузоподъемность
|
Q
|
т
|
13
|
|
Характеристика полиспаста
|
a
|
-
|
1
|
|
Кратность полиспаста
|
m
|
-
|
2
|
|
Диаметр каната
|
dк
|
мм
|
600
|
|
Диаметр барабана по дну
канавки
|
Dбар
|
мм
|
12
|
|
Диаметр расположения болтов
|
Dбол
|
мм
|
540
|
|
Количество болтов
|
zбол
|
шт.
|
6
|
|
Характер установки болтов
|
с зазором и без зазора
|
1.3 РАСЧЕТ БОЛТОВ
.3.1
Болтовое соединение с зазором
В случае установки болтов с зазором (представлен на рис.2), момент от
фланца к барабану передается за счёт сил трения между фланцем муфты и фланцем
обечайки барабана. Для возникновения этих сил болт должен быть затянут с
соответствующим усилием. Без затяжки болтов детали могут сдвигаться на значение
зазора, что недопустимо. Следовательно, болты работают на растяжение.
Рис 2. Болтовое соединение с зазором
Условие прочности в этом случае будет иметь вид:
где
- напряжения в болте;
- допускаемые напряжения;
; где n - коэффициент запаса (для данного случая n=2);
- предел текучести.
Материал для изготовления используем сталь Ст3 с
= 240МПа, тогда:
= 240/2 = 120 МПа.
Действующие в болте напряжения:
где F- сила, действующая на болт; S - площадь сечения болта;
d -
внутренний диаметр резьбы болта.
Определим силу F:
P = Q*g/a*m,
P -
напряжение в канате; Q -
грузоподъёмность; g - ускорение
свободного падения; a - характеристика
полиспаста; m - кратность полиспаста: P = (13000*10)/(1*2) = 65000 H = 6,5*
H.
Силу трения
можно найти через равенство моментов сил трения и
сопротивления:

таким образом;
P*a*(
+
)/
= 6,5*
*1*(0,6+0,012)/2*0,6 = 3,3*
Н.
Силу прижатия фланцев находим из уравнения:
,
где
- коэффициент трения, принимаем
0,3.
= 3,3*
/0,3 = 11*
Н.
Так как сила прижатия фланцев действует на все болты в узле, то силу,
действующую на 1 болт, можно определить как силу прижатия фланцев, деленную на
количество болтов zбол =6
= 11*
/6 = 18*
Н.
По найденным значениям и из условия прочности определим внутренний
диаметр резьбы болта:
внутр
4*18*
/120*
*3,14
dвнутр
0,0138 м или dвнутр
13,8 мм.
Из проведенных расчетов следует, что в данном случае необходимо выбрать
болты с внутренним диаметром резьбы не менее 13,8 мм. Так как основным видом
крепежной резьбы является метрическая резьба, то выбираем ближайший больший
стандартный размер резьбы М16 с шагом 1,5 мм, у которого dвнутр = 14,1 мм[2].
Профиль метрической резьбы установлен ГОСТ 9150-81 и представляет собой
равносторонний треугольник с углом профиля 600. Вершины витков и
впадин притуплены по прямой или дуге окружности, что необходимо для уменьшения
концентрации напряжений, предохранения от повреждений в эксплуатации. [1, с.24]
Схема профиля резьбы представлена на рис.3:
Рис. 3. Схема метрической резьбы
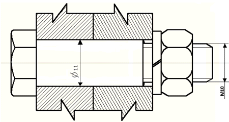
1.3.2 Болтовое соединение без зазора
Рис 4. Схема болтового соединения без зазора
При расчете прочности такого соединения не учитывают силы трения в стыке,
так как затяжка болта необязательна. Стержень болта рассчитывают по напряжениям
среза. В этом случае условие прочности имеет вид:
,
где
, - допустимые напряжения среза;
- напряжения в болте,
.
Для изготовления болтов также принимаем сталь Ст3. Допустимые напряжения
[σ]
для этого материала
рассчитаны в разделе 3.1; Таким образом, допустимые напряжения среза для стали
Ст3:
= 0,7*120 = 84 МПа.
Напряжения среза, действующие на болт, определяют по формуле:
,
где
- сила внешней нагрузки,
- диаметр среза,
i -
Количество плоскостей среза, в данном случае i =1.
Сила внешней нагрузки:
=6,5*
*1*(0,6+0,012)/2*0,6*6=5,52*
Н
Из условия прочности определим внутренний диаметр среза:
4*5,52*
/84*
*3,14
0,0091 м или
9,1 мм
Из приведенных расчетов следует, что необходимо выбрать специальный болт
с цилиндрической частью диаметром более 9,1 мм[2].
2. РАСЧЕТ
И ПРОЕКТИРОВАНИЕ УЗЛА ФЕРМЫ
2.1 ОПИСАНИЕ КОНСТРУКЦИИ
Рассчитываемый узел является частью конструкции раскосной фермы. Узел с
обозначением необходимых для расчета усилий представлен на рис.5.
Рис. 5. Схема узла фермы
2.2 ИСХОДНЫЕ ДАННЫЕ
В соответствии с заданием при расчетах были приняты следующие исходные
данные:
Таблица 2. Исходные данные
|
№
|
Параметр
|
Значение
|
Единица измерения
|
|
11
|
Длина l
|
1,0
|
м
|
|
22
|
Сила P
|
10
|
кН
|
|
33
|
Сила P1
|
P1
|
|
|
44
|
Сила P2
|
P2
|
|
|
55
|
Сила P3
|
-130
|
|
|
66
|
Сила P4
|
40
|
|
2.3 РАСЧЕТ УСИЛИЙ
Составим уравнения равновесия.
∑Y:-P-P3∙Cos450-P2∙Cos450=0 (1)
∑X:P1-P4-P3∙Sin450+P2∙Sin450=0. (2)
Из уравнения (1) получаем:
+130/√2- P2/√2=0,
P2= 116 кН.
Из уравнения (2) получаем:
P1-40 +130/√2+ P2/√2 =0,
P1
= -190 кН.
2.4 ÂÛÁÎÐ
ÓÃÎËÊÎÂ
Äàëåå, áóäåì
ïîíèìàòü ïîä
íîìåðîì ñòåðæíÿ
èíäåêñ ñîîòâåòñòâóþùåãî
óñèëèÿ, ïîêàçàííîãî
íà ðèñ. 5. À ñàìè
ñòåðæíè èçãîòîâëåíû
èç äâóõ ðàâíîïîëî÷íûõ
óãîëêîâ, êàê ïîêàçàíî
íà ðèñ.5. Âñå ñòåðæíè
âûïîëíåíû èç
ñòàëè ìàðêè Ñò3,
ó êîòîðîé äîïóñêàåìûå
íàïðÿæåíèÿ, ïðè
ðàñòÿæåíèè è
ñæàòèè,
.
Ñòåðæåíü 1 ðàáîòàåò
íà ñæàòèå, è ò.ê.
â êà÷åñòâå ñòåðæíÿ
1 èñïîëüçóåòñÿ
äâà ðàâíîïîëî÷íûõ
óãîëêà, óñèëèå
íà êàæäûé óãîëîê
áóäåò â äâà ðàçà
ìåíüøå, ÷åì íà
âåñü ñòåðæåíü.
 äàëüíåéøåì
èñïîëüçóþòñÿ:
- êîýôôèöèåíò
ïðîäîëüíîãî èçãèáà
öåíòðàëüíî ñæàòûõ
ýëåìåíòîâ, è
- ãèáêîñòü
ýëåìåíòà.
,
ãäå
ïðè [λ] = 120 [3], à
- ïëîùàäü
ñå÷åíèÿ óãîëêà.
Âûáèðàåì ðàâíîïîëî÷íûé
óãîëîê ¹12,5 ñ ïëîùàäüþ
ñå÷åíèÿ 22 ñ
è òîëùèíîé
ïîëêè 9ìì [4].
λ
,
ãäå i
,,
, ò.ê. ñòåðæíè
èçãèáàþòñÿ ïîä
óãëîì èç ïëîñêîñòè
ôåðìû, è
- äëèíà
ñòåðæíÿ. i=4,86 ñì [4].
λ =
.
Ïðèíèìàåì λ
= 90, φ=0,69 [3].
Âûáèðàåì ðàâíîïîëî÷íûé
óãîëîê ¹10 ñ òîëùèíîé
ïîëêè 7 ìì è ïëîùàäüþ
ñå÷åíèÿ 13,75
[4]. i = 3,88 ñì [4]
λ =
.
Ïðèíèìàåì λ
= 70, φ
= 0,81 [3]
Âûáèðàåì ðàâíîïîëî÷íûé
óãîëîê ¹9 ñ òîëùèíîé
ïîëêè 7 ìì è ïëîùàäüþ
ñå÷åíèÿ 12,28
[4]. i = 3,49 [4]
λ =
.
 èòîãå îñòàâëÿåì
äëÿ ñòåðæíÿ 1 ðàâíîïîëî÷íûé
óãîëîê ¹9 ñ òîëùèíîé
ïîëêè 7 ìì.
Ñòåðæåíü 2 ðàáîòàåò
íà ðàñòÿæåíèå.
 èòîãå âûáèðàåì
äëÿ ñòåðæíÿ 2 ðàâíîïîëî÷íûé
óãîëîê ¹7,5 ñ ïëîùàäüþ
ñå÷åíèÿ 7,39
è òîëùèíîé
ïîëîê 5ìì [4].
Ñòåðæåíü 3 ðàáîòàåò
íà ñæàòèå.
,
ãäå λ = 120, φ = 0,45 [3]
.
Âûáèðàåì óãîëîê
¹10 ñ òîëùèíîé ïîëîê
10 ìì è ïëîùàäüþ
ñå÷åíèÿ 19,24
[4].
i=3,84 ñì
[4].
λ =
.
Ïðèíèìàåì
ïðè λ
=90 [3].
Âûáèðàåì ðàâíîïîëî÷íûé
óãîëîê ¹9 ñ òîëùèíîé
ïîëîê 7ìì è ïëîùàäüþ
ñå÷åíèÿ 12,28
[4].
[4].
λ =
.
 èòîãå îñòàâëÿåì
äëÿ ñòåðæíÿ 3 ðàâíîïîëî÷íûé
óãîëîê ¹9 ñ òîëùèíîé
ïîëîê 7ìì è ïëîùàäüþ
ñå÷åíèÿ 12,28 êâ.ñì.
2.5 ÐÀÑרÒ
ÑÂÀÐÍÎÃÎ ÑÎÅÄÈÍÅÍÈß
Âûáèðàåì êîñûíêó
òîëùèíîé 7ìì,
êàê ìàêñèìàëüíóþ
òîëùèíó óãîëêà.
 äàííîì ñëó÷àå
ñâàðíîé øîâ áóäåò
íåñòàíäàðòíûì.
Íî âñå ðàâíî ãîðèçîíòàëüíûé
è âåðòèêàëüíûé
êàòåòû ðàâíû,
à ñðåç áóäåò èäòè
ïî ëèíèè S (ðèñ. 6). Óñèëèÿ
ïåðåäàþòñÿ íà
ñâàðíûå øâû ðàâíîìåðíî,
òàê êàê îñè äåéñòâèÿ
ñèë ñîâïàäàþò
ñ îñÿìè ïðîõîäÿùèìè
÷åðåç öåíòð òÿæåñòè
äàííîãî ñòåðæíÿ
(ñèñòåìû óãîëêîâ).
Ðèñ. 6. Ñõåìà
ñâàðíîãî øâà
Äëÿ ñòåðæíÿ 1 äëèíà
êàòåòîâ
=7ìì, ãäå
t - òîëùèíà
ïîëêè óãîëêà,
- òîëùèíà
êîñûíêè. Ñèëà
ñðåçà
.
Óñëîâèå ïðî÷íîñòè
íà ñðåç, ñ ó÷åòîì
òîãî, ÷òî êîë-âî
ïëîñêîñòåé ñðåçà
ðàâíî ÷åòûð¸ì,
âûãëÿäèò ñëåäóþùèì
îáðàçîì:
,
ãäå
, à
.
Îòñþäà ðàñ÷¸òíàÿ
äëèíà ñâàðíîãî
øâà âûðàæàåòñÿ
ñëåäóþùèì îáðàçîì:
.
 èòîãå ïîëó÷àåì
- äëèíà
ñâàðíûõ øâîâ
ñòåðæíÿ.
Äëÿ ñòåðæíÿ 2 äëèíà
êàòåòîâ
=5ìì,
,
.
.
 èòîãå ïîëó÷àåì
- äëèíà
ñâàðíûõ øâîâ
ñòåðæíÿ.
Äëÿ ñòåðæíÿ 3 äëèíà
êàòåòîâ
=7ìì,
,
.
.
 èòîãå ïîëó÷àåì
- äëèíà
ñâàðíûõ øâîâ
ñòåðæíÿ.
Ðèñ.
7. Ñõåìà óçëà ôåðìû
ñî ñâàðíûì ñîåäèíåíèåì
.6 ÐÀÑרÒ
ÇÀÊ˨ÏÎ×ÍÎÃÎ
ÑÎÅÄÈÍÅÍÈß
Âàðèàíò çàêëåïî÷íîãî
ñîåäèíåíèÿ êîòîðûé
íàèáîëåå ïîäõîäèò
äëÿ íàøåãî óçëà
ïðåäñòàâëåí íà
ðèñ.8.
Ðèñ. 8. Ñõåìà
çàêë¸ïî÷íîãî
ñîåäèíåíèÿ
Çàêë¸ïêè ðàáîòàþò
íà ñðåç, à ÷èñëî
ïëîñêîñòåé ñðåçà
ðàâíî îäíîìó.
Ñëåäîâàòåëüíî
óñëîâèå ïðî÷íîñòè
â ýòîì ñëó÷àå
áóäåò âûãëÿäåòü
ñëåäóþùèì îáðàçîì:
;
,
ãäå z - ÷èñëî
çàêë¸ïîê, à d - äèàìåòð
çàêë¸ïêè.
Äëÿ ðàñ÷¸òà çàêë¸ïî÷íîãî
ñîåäèíåíèÿ, íåîáõîäèìî
çàäàòü äèàìåòð
çàêë¸ïîê. Äèàìåòð
çàêëåïêè îïðåäåëÿåì
ïî ôîðìóëå d=2
. Âûáðàííàÿ
òîëùèíà êîñûíêè
, òîãäà
äèàìåòð âñåõ
çàêëåïîê d= 2
.
Ïðè ýòîì òàêæå
íàäî ó÷åñòü, ÷òî
êîëè÷åñòâî çàêë¸ïîê
íå ìîæåò áûòü
ìåíüøå äâóõ, èíà÷å
áóäåò øàðíèð;
à òàêæå òî, ÷òî
öåíòðû çàêë¸ïîê
äîëæíû ëåæàòü
íà ëèíèè, ïðîõîäÿùåé
÷åðåç öåíòð òÿæåñòè,
èíà÷å áóäóò âîçíèêàòü
äîïîëíèòåëüíûå
ìîìåíòû.
×èñëî çàêë¸ïîê
áóäåò îïðåäåëÿòüñÿ
âûðàæåíèåì:
.
Ñòåðæåíü 1:
Ñëåäîâàòåëüíî,
äëÿ ñòåðæíÿ 1(âåðõíèé
ïîÿñ) ïðèíèìàåì
÷èñëî çàêë¸ïîê
ðàâíîå 9.
Ñòåðæåíü 2:
Ñëåäîâàòåëüíî,
äëÿ ñòåðæíÿ 2 (ðàñêîñ)
ïðèíèìàåì ÷èñëî
çàêë¸ïîê ðàâíîå
7.
Ñòåðæåíü 3:
Ñëåäîâàòåëüíî,
äëÿ ñòåðæíÿ 3 (ðàñêîñ)
ïðèíèìàåì ÷èñëî
çàêë¸ïîê ðàâíîå
8.
3. ÐÀÑ×ÅÒ
È ÏÐÎÅÊÒÈÐÎÂÀÍÈÅ
ÏÐÎÌÅÆÓÒÎ×ÍÎÃÎ
ÂÀËÀ ÇÓÁ×ÀÒÎÉ
ÏÅÐÅÄÀ×È
Ðèñ. 10 Ñõåìà
ïðîìåæóòî÷íîãî
âàëà â îáùåì âèäå
3.1 ÈÑÕÎÄÍÛÅ
ÄÀÍÍÛÅ È ÐÀÑרÒÛ
Òàáëèöà 3. Èñõîäíûå
äàííûå
|
Ïàðàìåòðû
|
|
Ìêð,
Í×ì
|
n, îá/ìèí
|
i1
|
i2
|
φ1
|
φ2
|
Âèä çàöåïëåíèÿ
|
|
|
|
|
900
|
130
|
4,5
|
5,0
|
270
|
0
|
ïðÿìîçóáîå
|
1,2
|
1,1
|
1,3
|
ãäå Ìêð - êðóòÿùèé
ìîìåíò, ïåðåäàííûé
îò ïðîìåæóòî÷íîãî
âàëà ÷åðåç çóá÷àòóþ
ïàðó ñ ïåðåäàòî÷íûì
÷èñëîì i2 íà âåäîìûé
âàë II; n - ÷èñëî îáîðîòîâ
âàëà â ìèíóòó;
i1, i2 - ïåðåäàòî÷íûå
÷èñëà; φ1, φ2 - óãëû ìåæäó
îñÿìè çóá÷àòûõ
êîëåñ; l1, l2, l3
- ñîîòâåòñòâåííî
ðàññòîÿíèÿ ìåæäó
ëåâîé îïîðîé è
êîëåñîì, êîëåñîì
è øåñòåðíåé, øåñòåðíåé
è ïðàâîé îïîðîé;
Âê - øèðèíà êîëåñà;
Âø - øèðèíà øåñòåðíè.
Îïðåäåëèì ìîìåíò
Ì è ÷èñëî îáîðîòîâ
n äëÿ êîëåñà
è øåñòåðíè âåäóùåãî
è âåäîìîãî âàëîâ:
; (1)
, (2)
ãäå i -
ïåðåäàòî÷íîå
÷èñëî;
- ÷èñëî
îáîðîòîâ øåñòåðíè;
- ÷èñëî
îáîðîòîâ êîëåñà;
- êðóòÿùèé
ìîìåíò øåñòåðíè;
- êðóòÿùèé
ìîìåíò êîëåñà;
- êîýôôèöèåíò
ïîëåçíîãî äåéñòâèÿ,
ïðèíèìàåì
=0,97 [6].
Äëÿ ïåðåäà÷è
I: íà âàëó
çàêðåïëåíî êîëåñî,
ïîýòîìó
=
è
. Ñîãëàñíî
ôîðìóëàì (1),(2) ïîëó÷èì:
=
=585 îá/ìèí;
=
.
Äëÿ ïåðåäà÷è
II: íà âàëó
çàêðåïëåíà øåñòåðíÿ,
ïîýòîìó
=
è
. Ñîãëàñíî
ôîðìóëàì (1),(2) ïîëó÷èì:
=
= 26 îá/ìèí;
=
.
Òàáëèöà 4. Õàðàêòåðèñòèêè
ïðîìåæóòî÷íîãî
âàëà
|
Ìîìåíò
íà êîëåñå, Í ì
|
Ìîìåíò
íà øåñòåðíå, Í
ì
|
×èñëî
îáîðîòîâ êîëåñà,
îá/ìèí
|
×èñëî
îáîðîòîâ øåñòåðíè,
îá/ìèí
|
|
Ïåðâàÿ
ïåðåäà÷à
|
900
|
206,2
|
130
|
585
|
|
Âòîðàÿ
ïåðåäà÷à
|
4365
|
900
|
26
|
130
|
3.2 ÂÛÁÎÐ
ÌÀÒÅÐÈÀËÀ
Âûáîð ìàòåðèàëà
äëÿ êîëåñ è øåñòåðåí
çàâèñèò îò âåëè÷èíû
êðóòÿùåãî ìîìåíòà,
êîòîðûé äåéñòâóåò
íà íèõ. Åñëè Ì
>200 êÍ - ýòî òÿæåëîíàãðóæåííàÿ
ïåðåäà÷à.  íàøåì
ñëó÷àå âñå êðóòÿùèå
ìîìåíòû áîëüøå
200.
Äëÿ êîëåñà è øåñòåðíè
ïåðåäà÷è I âûáèðàåì Ñòàëü
40Õ ÃÎÑÒ 8479-70. Äëÿ êîëåñà
âûáèðàåì ñå÷åíèå
ïîêîâêè 501-800 ìì, òâåðäîñòü
=390, äëÿ øåñòåðíè
- ñå÷åíèå ïîêîâêè
101-321 ìì, òâåðäîñòü
=
+50= =390+50= 440[1].
Äëÿ êîëåñà è øåñòåðíè
ïåðåäà÷è II âûáèðàåì Ñòàëü
40Õ ÃÎÑÒ 8479-70.
Äëÿ êîëåñà âûáèðàåì
ñå÷åíèå ïîêîâêè
501-800 ìì, òâåðäîñòü
=390, äëÿ øåñòåðíè
- ñå÷åíèå ïîêîâêè
101-321 ìì, òâåðäîñòü
=
+50= =390+50= 440[1].
3.3 ÐÀÑ×ÅÒ
ÄÎÏÓÑÊÀÅÌÛÕ
ÍÀÏÐ߯ÅÍÈÉ
3.3.1 Äîïóñêàåìûå
êîíòàêòíûå íàïðÿæåíèÿ
ïðè ðàñ÷åòå íà
óñòàëîñòü
Äîïóñêàåìîå
êîíòàêòíîå íàïðÿæåíèå
îïðåäåëÿåòñÿ
ôîðìóëîé
, (3)
ãäå
- êîýôôèöèåíò
áåçîïàñíîñòè,
ïðèíèìàåì
=1,1 [1];
- êîíòàêòíîå
íàïðÿæåíèå,
=2ÍÂ+70, (4)
- êîýôôèöèåíò
äîëãîâå÷íîñòè,
îãðàíè÷åí 1£
£2,6 (åñëè
<1 , òîãäà ïðèíèìàåì
=1, åñëè
>2,6 , òîãäà ïðèíèìàåì
=2,6 [6]).
=
, (5)
ãäå
- áàçîâîå ÷èñëî
öèêëîâ, áåðåòñÿ
â çàâèñèìîñòè
îò òâåðäîñòè
Í;
- êîýôôèöèåíò
èíòåíñèâíîñòè
ðåæèìà äëÿ çóá÷àòûõ
ïåðåäà÷ (êîíòàêòíàÿ
äîëãîâå÷íîñòü),
ïðèíèìàåì äàëåå
=0,25[6];
-ñóììàðíîå
÷èñëî öèêëîâ
ïåðåìåíû íàïðÿæåíèé.
=
; (6)
ãäå
- êîýôôèöèåíò,
çàâèñÿùèé îò
âèäà íàãðóçêè
- îäíîñòîðîííÿÿ
èëè äâóõñòîðîííÿÿ,
ïðèíèìàåì
=3600 (îäíîñòîðîííÿÿ
íàãðóçêà);
- ÷àñòîòà
âðàùåíèÿ;
- ÷èñëî
çóá÷àòûõ êîëåñ
â çàöåïëåíèè,
ïðèíèìàåì
=1;
-íîðìà
âðåìåíè ðàáîòû
ïåðåäà÷è, äëÿ íàøåãî
ðàñ÷åòà ïðèíèìàåì
=10000 ÷.
Äëÿ ïåðåäà÷è
I:
) Îïðåäåëèì äîïóñêàåìîå
êîíòàêòíîå íàïðÿæåíèå
äëÿ êîëåñà.
Ñîãëàñíî ôîðìóëå
(4) íàõîäèì
=2
+70=2·390+70=850 ÌÏà.
Ïðèíèìàåì
=20
[6], n=130 îá/ìèí = 2,17 îá/ñåê.
Íàéäåì ïî ôîðìóëå
(6)
=
=3600·2,17·1·10000=78,12
, òîãäà
ïî ôîðìóëå (5) ïîëó÷àåì
=
=
=1,04
Ïî ôîðìóëå (3) îïðåäåëèì
:
=
=803,6 ÌÏà.
) Îïðåäåëèì äîïóñêàåìîå
êîíòàêòíîå íàïðÿæåíèå
äëÿ øåñòåðíè.
Ñîãëàñíî ôîðìóëå
(4) íàõîäèì
=2
+70=2·440+70=950 ÌÏà.
Ïðèíèìàåì
=30,6
[6], n=585 îá/ìèí =9,75 îá/ñåê.
Ïî ôîðìóëå (6)
=
=3600·9,75·1·10000=351
, òîãäà
ïî ôîðìóëå (5) ïîëó÷àåì
=
=
=0,84<1, ïðèíèìàåì
=1.
Ïî ôîðìóëå (3) îïðåäåëèì
:
=
=863,64 ÌÏà.
Äëÿ ïåðåäà÷è
II:
)Îïðåäåëèì äîïóñêàåìîå
êîíòàêòíîå íàïðÿæåíèå
äëÿ êîëåñà.
Ñîãëàñíî ôîðìóëå
(4) íàõîäèì
=2
+70=2·390+70=850 ÌÏà.
Ïðèíèìàåì
=20,0
[6], n=26 îá/ìèí =0,43 îá/ñåê.
Íàéäåì ïî ôîðìóëå
(6)
=
=3600·0,43·1·10000=15,48
, òîãäà
ïî ôîðìóëå (5) ïîëó÷àåì
=
=
=1,08.
Ïî ôîðìóëå (3) îïðåäåëèì
:
=
=834,54 ÌÏà.
)Îïðåäåëèì äîïóñêàåìîå
êîíòàêòíîå íàïðÿæåíèå
äëÿ øåñòåðíè.
Ñîãëàñíî ôîðìóëå
(4) íàõîäèì
=2
+70=2·440+70=950 ÌÏà.
Ïðèíèìàåì
=30
[6], n=130 îá/ìèí =26 îá/ñåê.
Íàéäåì ïî ôîðìóëå
(6)
=
=3600·26·1·10000=936
, òîãäà
ïî ôîðìóëå (5) ïîëó÷àåì
=
=
=0,71<1, ïðèíèìàåì
=1.
Ïî ôîðìóëå (3) îïðåäåëèì
:
=
=863,64 ÌÏà.
3.3.2 Äîïóñêàåìûå
íàïðÿæåíèÿ èçãèáà
ïðè ðàñ÷åòå íà
óñòàëîñòü
Äîïóñêàåìîå
íàïðÿæåíèå èçãèáà
îïðåäåëÿåòñÿ
ôîðìóëîé
, (7)
ãäå
- ïðåäåë âûíîñëèâîñòè
çóáüåâ ïî íàïðÿæåíèÿì
èçãèáà;
=1,8ÍÂ; (8)
- êîýôôèöèåíò,
ó÷èòûâàþùèé
âëèÿíèå äâóñòîðîííåãî
ïðèëîæåíèÿ íàãðóçêè,
ïðèíèìàåì
=1 - îäíîñòîðîííÿÿ
íàãðóçêà [1];
- êîýôôèöèåíò
áåçîïàñíîñòè,
ïðèíèìàåì
=1,6 [1];
- êîýôôèöèåíò
äîëãîâå÷íîñòè,
îãðàíè÷åí 1£
£2,08 (åñëè
<1 , òîãäà
ïðèíèìàåì
=1, åñëè
>2,08 , òîãäà
ïðèíèìàåì
=2,08 [6]).
ãäå
- êîýôôèöèåíò
èíòåíñèâíîñòè
ðåæèìà äëÿ çóá÷àòûõ
ïåðåäà÷ (èçãèáíàÿ
äîëãîâå÷íîñòü),
ïðèíèìàåì äàëåå
=0,143[6];
-ñóììàðíîå
÷èñëî öèêëîâ
ïåðåìåíû íàïðÿæåíèé.
Äëÿ ïåðåäà÷è
I:
) Îïðåäåëèì äîïóñêàåìîå
íàïðÿæåíèå èçãèáà
äëÿ êîëåñà.
Ñîãëàñíî ôîðìóëå
(8) íàõîäèì
=1,8
=1,8·390=702ÌÏà.
Íàéäåì ïî ôîðìóëå
(6)
=
=3600·2,17·1·10000=78,12
, òîãäà
ïî ôîðìóëå (9) ïîëó÷àåì
=
=
=0,83<1, ïðèíèìàåì
=1.
Ïî ôîðìóëå (7) îïðåäåëèì
:
=
=438,75 ÌÏà.
) Îïðåäåëèì äîïóñêàåìîå
íàïðÿæåíèå èçãèáà
äëÿ øåñòåðíè.
Ñîãëàñíî ôîðìóëå
(8) íàõîäèì
=1,8
=1,8·440=792ÌÏà.
Íàéäåì ïî ôîðìóëå
(6)
=
=3600·9,75·1·10000=351
, òîãäà
ïî ôîðìóëå (9) ïîëó÷àåì
=
=
=0,65<1, ïðèíèìàåì
=1.
Ïî ôîðìóëå (7) îïðåäåëèì
:
=
=495 ÌÏà.
Äëÿ ïåðåäà÷è
II:
) Îïðåäåëèì äîïóñêàåìîå
íàïðÿæåíèå èçãèáà
äëÿ êîëåñà.
Ñîãëàñíî ôîðìóëå
(8) íàõîäèì
=1,8
=1,8·390=702ÌÏà.
Íàéäåì ïî ôîðìóëå
(6)
=
=3600·0,43·1·10000=15,48
, òîãäà
ïî ôîðìóëå (9) ïîëó÷àåì
=
=
=1,1.
Ïî ôîðìóëå (7) îïðåäåëèì
:
=
=482,6ÌÏà.
) Îïðåäåëèì äîïóñêàåìîå
íàïðÿæåíèå èçãèáà
äëÿ øåñòåðíè.
Ñîãëàñíî ôîðìóëå
(8) íàõîäèì
=1,8
=1,8·440=792ÌÏà.
Íàéäåì ïî ôîðìóëå
(6)
=
=3600·26·1·10000=936
, òîãäà
ïî ôîðìóëå (9) ïîëó÷àåì
=
=
=0,55<1, ïðèíèìàåì
=1.
Ïî ôîðìóëå (7) îïðåäåëèì
:
=
=495 ÌÏà.
Òàáëèöà 5. Äîïóñêàåìûå
íàïðÿæåíèÿ
|
Êîëåñî
|
Øåñòåðíÿ
|
|
, ÌÏà
|
, ÌÏà
|
, ÌÏà
|
, ÌÏà
|
|
Ïåðåäà÷à
I
|
803,6
|
438,75
|
863,64
|
495
|
|
Ïåðåäà÷à
II
|
834,54
|
482,6
|
863,64
|
495
|
|
|
|
|
|
|
3.4 ÏÀÐÀÌÅÒÐÛ
ÇÓÁ×ÀÒÛÕ ÊÎËÅÑ
3.4.1 Îïðåäåëåíèå
ìåæîñåâîãî ðàññòîÿíèÿ
Ãàáàðèòû ïåðåäà÷è
îïðåäåëÿåò ïðåèìóùåñòâåííî
ìåæîñåâîå ðàññòîÿíèå,
êîòîðîå íàõîäèòñÿ
ïî ôîðìóëå
, (10)
ãäå Å - ìîäóëü
óïðóãîñòè ñòàëè,
ïðèíèìàåì Å=
Ïà[1];
- êîýôôèöèåíò
øèðèíû êîëåñà
îòíîñèòåëüíî
ìåæîñåâîãî ðàññòîÿíèÿ;
- êîýôôèöèåíò
êîíöåíòðàöèè
íàãðóçêè ïðè
ðàñ÷åòàõ ïî êîíòàêòíûì
íàïðÿæåíèÿì, ïðè÷åì
=f(
), ãäå
- êîýôôèöèåíò
øèðèíû øåñòåðíè
îòíîñèòåëüíî
äèàìåòðà
=0,5(i+1)
. (11)
Øèðèíà çóá÷àòîãî
êîëåñà çàâèñèò
îò ìåæîñåâîãî
ðàññòîÿíèÿ è
îïðåäåëÿåòñÿ
ïî ôîðìóëå:
. (12)
Îñíîâíîé õàðàêòåðèñòèêîé
ðàçìåðîâ çóáüåâ
ÿâëÿåòñÿ ìîäóëü
. (13)
Çíà÷åíèå m îêðóãëÿþò
äî öåëîãî ÷èñëà
è áåðóò â ñîîòâåòñòâèè
ñî ñòàíäàðòîì.
×èñëî çóáüåâ
íà øåñòåðíè -
âû÷èñëÿþò
ñîãëàñíî ôîðìóëå:
, (14)
òîãäà ÷èñëî
çóáüåâ íà êîëåñå
ðàâíî
. (15)
Çíà÷åíèÿ
è
íåîáõîäèìî
îêðóãëèòü äî öåëîãî
÷èñëà.
Äèàìåòðû êîëåñà
è øåñòåðíè îïðåäåëÿþòñÿ
ïî ôîðìóëå
. (16)
Äëÿ ïåðåäà÷è
I:
×òî áû íàéòè
ìåæîñåâîå ðàññòîÿíèå
íåîáõîäèìî îïðåäåëèòü
êîýôôèöèåíòû
,
,
. Ïðèíèìàåì
=0,2 ,
=20 [1]. Ñîãëàñíî
ôîðìóëå (11)
=0,5(i+1)
= 0,5(4,5+1)0,2=0,55 . Â ñîîòâåòñòâèè
ñ
ïðèíèìàåì
=1,07 [1].
Îïðåäåëèì ìåæîñåâîå
ðàññòîÿíèå ñîãëàñíî
ôîðìóëå (10):
=
=0,198 ì =198 ìì, ïðèíèìàåì
=200 ìì. Òîãäà
ïî ôîðìóëå (12)
=
=40 ìì.
Ìîäóëü îïðåäåëÿåòñÿ
ïî ôîðìóëå (13)
=
=2 ìì
×èñëî çóáüåâ
íà øåñòåðíè âû÷èñëÿþò
ñîãëàñíî ôîðìóëå
(14)
=
=36,36 , ïðèíèìàåì
=37.
×èñëî çóáüåâ
íà êîëåñå âû÷èñëÿþò
ñîãëàñíî ôîðìóëå
(15)
=
=163,64, ïðèíèìàåì
=164.
Äèàìåòðû êîëåñà
è øåñòåðíè îïðåäåëÿþòñÿ
ïî ôîðìóëå (16)
ìì;
ìì.
Ðàññìîòðèì
îòíîøåíèÿ
=i;
a =
ìì, òî
åñòü äèàìåòðû
ïîäîáðàíû âåðíî.
Äëÿ ïåðåäà÷è
II:
Îïðåäåëèì êîýôôèöèåíòû
,
,
. Ïðèíèìàåì
=0,2 ,
=20 [3]. Ñîãëàñíî
ôîðìóëå (11)
=0,5(i+1)
= 0,5(5+1)0,2=0,6. Â ñîîòâåòñòâèè
ñ
ïðèíèìàåì
=1,07 [3].
Îïðåäåëèì ìåæîñåâîå
ðàññòîÿíèå ñîãëàñíî
ôîðìóëå (10):
=
=0,334 ì=334ìì, ïðèíèìàåì
=340 ìì. Òîãäà
ïî ôîðìóëå (12)
=
=68 ìì.
Ìîäóëü îïðåäåëÿåòñÿ
ïî ôîðìóëå (13)
=
= 3,4 ìì, ïðèíèìàåì
= 4 ìì.
×èñëî çóáüåâ
íà øåñòåðíè âû÷èñëÿþò
ñîãëàñíî ôîðìóëå
(14)
=
=30. ×èñëî
çóáüåâ íà êîëåñå
âû÷èñëÿþò ñîãëàñíî
ôîðìóëå(15)
=
=150
Äèàìåòðû êîëåñà
è øåñòåðíè îïðåäåëÿþòñÿ
ïî ôîðìóëå(16)
ìì;
ìì.
Ðàññìîòðèì
îòíîøåíèÿ
=i,
ìì, òî åñòü
äèàìåòðû ïîäîáðàíû
âåðíî.
3.4.2 Ðàñ÷åò
ïðî÷íîñòè çóáüåâ
ïî êîíòàêòíûì
íàïðÿæåíèÿì
Ïîñëå ðàñ÷åòà
ìåæîñåâîãî ðàññòîÿíèÿ
íåîáõîäèìî ïðîâåðèòü
ïåðåäà÷ó ïî êîíòàêòíûì
íàïðÿæåíèÿì, ïðè÷åì
ðàñ÷åò âåäåòñÿ
ïî øåñòåðíå, òàê
êàê çóáüÿ øåñòåðíè
÷àùå âõîäÿò â
çàöåïëåíèÿ.
£
, (17)
ãäå
- óãîë çàöåïëåíèÿ,
äàëåå ïðèíèìàåì
=
;
- êîýôôèöèåíò
ðàñ÷åòíîé íàãðóçêè
ïðè ðàñ÷åòàõ
ïî êîíòàêòíûì
íàïðÿæåíèÿì,
, (18)
ãäå
- êîýôôèöèåíò
äèíàìè÷åñêîé
íàãðóçêè ïðè
ðàñ÷åòàõ ïî êîíòàêòíûì
íàïðÿæåíèÿì.
Ðàñõîæäåíèÿ
ìåæäó
è
ìîãóò
áûòü íå áîëåå
4%.
Ïðîâåäåì ðàñ÷åò
äëÿ ïåðåäà÷è I.
Ïðèíèìàåì
=1,15 [1],
=1,07. Òîãäà
ïî ôîðìóëå (18)
.
Îïðåäåëèì ïî
ôîðìóëå (17) íàïðÿæåíèå
íà øåñòåðíå
=
ÌÏà, ñðàâíèâàåì
ñ
=803,6ÌÏà:
.
Ðàñõîæäåíèÿ
ìåæäó
è
íå ïðåâîñõîäÿò
4%.
Ïðîâåäåì ðàñ÷åò
äëÿ ïåðåäà÷è II.
Ïðèíèìàåì
=1,15 [1],
=1,07. Òîãäà
ïî ôîðìóëå (18):
.
Îïðåäåëèì ïî
ôîðìóëå (17) íàïðÿæåíèå
íà øåñòåðíå
=
ÌÏà ñðàâíèâàåì
ñ
=834,54 ÌÏà:
Ðàñõîæäåíèÿ
ìåæäó
è
íå ïðåâîñõîäÿò
4%.
3.4.3 Ðàñ÷åò
ïðî÷íîñòè çóáüåâ
ïî íàïðÿæåíèÿì
èçãèáà
Ðàñ÷åò ïðî÷íîñòè
çóáüåâ ïî íàïðÿæåíèÿì
èçãèáà íîñèò
ïðîâåðî÷íûé õàðàêòåð
, (19)
ãäå
- êîýôôèöèåíò
ôîðìû çóáà, êîòîðûé
ïðèíèìàåòñÿ
â çàâèñèìîñòè
îò ñóììàðíîãî
êîëè÷åñòâà çóáüåâ
íà êîëåñå è øåñòåðíè;
- êîýôôèöèåíò
êîíöåíòðàöèè
íàãðóçêè ïðè
ðàñ÷åòàõ ïî íàïðÿæåíèÿì
èçãèáà ïðè÷åì,
=f(
);
[1] (äëÿ ïåðåäà÷
áåç ñìåùåíèÿ,
x∑=0);
- êîýôôèöèåíò
ðàñ÷åòíîé íàãðóçêè
ïðè ðàñ÷åòàõ
ïî íàïðÿæåíèÿì
èçãèáà.
, (20)
ãäå
- êîýôôèöèåíò
äèíàìè÷åñêîé
íàãðóçêè ïðè
ðàñ÷åòàõ ïî íàïðÿæåíèÿì
èçãèáà.
Ïðîâåäåì ðàñ÷åò
äëÿ ïåðåäà÷è I.
Ïðèíèìàåì
=1,15
=1,07 [1]. Òîãäà
ïî ôîðìóëå (20):
, òîãäà
ïî ôîðìóëå (19):
.
Ïðîâåäåì ðàñ÷åò
äëÿ ïåðåäà÷è II.
Ïðèíèìàåì
=1,15
=1,07 [3]. Òîãäà
ïî ôîðìóëå (20):
, òîãäà
ïî ôîðìóëå (19):
.
Òàêèì îáðàçîì,
ïîëó÷åííûå ðàçìåðû
êîëåñ è øåñòåðíåé
óäîâëåòâîðÿþò
âñåì ïðîâåðêàì.
Îáúåäèíèì âñå
ïîëó÷åííûå äàííûå
â òàáëèöó
Òàáëèöà 6. Ïàðàìåòðû
çóá÷àòîé ïåðåäà÷è
|
Êîëåñî
|
Øåñòåðíÿ
|
|
ìì
|
|
, ìì
|
,ìì
|
|
, ìì
|
|
Ïåðåäà÷à
I
|
324
|
164
|
40
|
74
|
37
|
40
|
|
|
Ïåðåäà÷à
II
|
600
|
150
|
68
|
120
|
30
|
68
|
|
|
|
|
|
|
|
|
|
|
3.5 ÐÀÑ×ÅÒ
ÂÀËÀ
3.5.1 Îïðåäåëåíèå
ñèë â çàöåïëåíèè
Òàê êàê â äàííîì
çàäàíèè ïðÿìîçóáîå
çàöåïëåíèå, îñåâàÿ
ñèëà ðàâíà íóëþ.
Íîðìàëüíàÿ ñèëà
íàïðàâëåíà ïî
ëèíèè çàöåïëåíèÿ
ê ðàáî÷èì ïîâåðõíîñòÿì
çóáüåâ. Ïðè ýòîì
íîðìàëüíàÿ ñèëà
ðàñêëàäûâàåòñÿ
íà îêðóæíóþ è
ðàäèàëüíóþ ñèëû,
êîòîðûå âû÷èñëÿþòñÿ
ïî ñëåäóþùèì
ôîðìóëàì:
; (21)
, (22)
ãäå Ìêð - êðóòÿùèé
ìîìåíò; d - äèàìåòð
çóá÷àòîãî êîëåñà.
Äëÿ ïåðåäà÷è
I.
Ïî ôîðìóëå (21) îïðåäåëÿåì
îêðóæíóþ ñèëó:
Í
Èç ôîðìóëû (22) ðàäèàëüíàÿ
ñèëà ðàâíà:
.
Äëÿ ïåðåäà÷è
II.
Âû÷èñëÿåì ïî
ôîðìóëå (21) îêðóæíóþ
ñèëó:
, èç ôîðìóëû
(22) ðàäèàëüíàÿ ñèëà
ðàâíà:
.
3.5.2 Îïðåäåëåíèå
äëèíû âàëà
Îïðåäåëÿåì ðàññòîÿíèÿ
ìåæäó îïîðàìè
è çàöåïëåíèÿìè:
Ñîãëàñíî òàáëèöå
1:
Îáùàÿ äëèíà
âàëà L=
=74,8+48+88,4=211,2 ìì.
3.5.3 Âûáîð
ðàñ÷åòíîé ñõåìû
è îïðåäåëåíèå
ðàñ÷åòíûõ íàãðóçîê
Ñîñòàâëÿåì
ðàñ÷åòíóþ ñõåìó
ïðîìåæóòî÷íîãî
âàëà (ðèñ. 11.)
Îïðåäåëÿåì ðåàêöèè
îïîð. Âû÷èñëÿåì
è ñòðîèì ýïþðû
èçãèáàþùèõ,
êðóòÿùåãî è ïðèâåäåííîãî
ìîìåíòîâ. Ýïþðà
ìîìåíòîâ - ýòî
ãðàôèê, êîòîðûé
ïîêàçûâàåò, êàê
ìåíÿåòñÿ ìîìåíò
ïî äëèíå âàëà.
Âàë ìîæíî ïðåäñòàâèòü
êàê áàëêó íà äâóõ
îïîðàõ, íàãðóæåííóþ
ñèëàìè â äâóõ
ïëîñêîñòÿõ. Ñëåäîâàòåëüíî,
íåîáõîäèìî ðàññìîòðåòü
âàë îòäåëüíî ïëîñêîñòÿõ
XOY è XOZ.
Ðèñ. 11 Ðàñ÷åòíàÿ
ñõåìà âàëà
Ðèñ. 12 Ñõåìà
äåéñòâèÿ ñèë
Ðàññìîòðèì
ñèëû, äåéñòâóþùèå
â ïëîñêîñòè XOY (Ðèñ
12.).
Ðàññìîòðèì
ïðîåêöèþ íà ãîðèçîíòàëüíóþ
ïëîñêîñòü. Îïðåäåëÿåì
ðåàêöèè îïîð, êîòîðûå
íàõîäÿòñÿ èç
óñëîâèÿ ðàâåíñòâà
ìîìåíòîâ.
Çàïèøåì ñóììó
ìîìåíòîâ îòíîñèòåëüíî
òî÷êè À:
.
Çàïèøåì ñóììó
ìîìåíòîâ îòíîñèòåëüíî
òî÷êè Â:
;
Í.
Ïðîâåðêà äåëàåòñÿ
ïî óñëîâèþ ðàâåíñòâà
ïðîåêöèé:
Í.
Ðàññìîòðèì
ñèëû, äåéñòâóþùèå
â ïëîñêîñòè XOZ (ðèñ
12.).
Çàïèøåì ñóììó
ìîìåíòîâ îòíîñèòåëüíî
òî÷êè À:
.
Çàïèøåì ñóììó
ìîìåíòîâ îòíîñèòåëüíî
òî÷êè Â:
;
Í.
Ïðîâåðêà:
Í.
Ñ÷èòàåì ñóììàðíûå
ðåàêöèè RA, RB è
HA:
;
;
.
Òàáëèöà 7. Ñèëû
â çàöåïëåíèè
|
, Í
|
, Í
|
, Í
|
, Í
|
|
Ïåðåäà÷à
I
|
2021,85
|
5555,56
|
8093,7
|
9378,8
|
|
Ïåðåäà÷à
II
|
5459,55
|
15000
|
8093,7
|
9378,8
|
3.6 ÏÎÑÒÐÎÅÍÈÅ
ÝÏÞÐ ÌÎÌÅÍÒÎÂ
.6.1 Ýïþðû
èçãèáàþùèõ
ìîìåíòîâ
Òàê êàê ñèëû
äåéñòâóþò íà
âàë â äâóõ ïëîñêîñòÿõ,
ñëåäîâàòåëüíî,
ýïþðû íåîáõîäèìî
òàêæå ñòðîèòü
â äâóõ ïëîñêîñòÿõ
XOY è XOZ.
Ðàññìîòðèì
ñèëû, äåéñòâóþùèå
â ïëîñêîñòè XOZ(ñì. ðèñ.12).
Íàïèøåì ñóììó
ìîìåíòîâ äëÿ
1-ãî ó÷àñòêà:
, ãäå 0 £õ£
Ì(0)=0;
Ì(
)=
Íì
Ñóììà ìîìåíòîâ
äëÿ 2-ãî ó÷àñòêà:
, ãäå 0 £õ£
Ì(0)=
Íì;
Ì(
)=
Íì
Ñóììà ìîìåíòîâ
äëÿ 3-ãî ó÷àñòêà:
, ãäå 0 £õ£
Ì(0)=
Íì;
Ì(
)=
=811,6Íì
Ïîñòðîèì ýïþðó
èçãèáàþùèõ
ìîìåíòîâ â âåðòèêàëüíîé
ïëîñêîñòè:
Ðèñ.13 Ýïþðà èçãèáàþùèõ
ìîìåíòîâ â âåðòèêàëüíîé
ïëîñêîñòè
Ðàññìîòðèì
ñèëû, äåéñòâóþùèå
â ïëîñêîñòè XOY(ñì.ðèñ.12).
Íàïèøåì ñóììó
ìîìåíòîâ äëÿ
1-ãî ó÷àñòêà:
, ãäå 0 £õ£
;
Ì(0)=0;
Ì(
)=-
H ì.
Ñóììà ìîìåíòîâ
äëÿ 2-ãî ó÷àñòêà:
, ãäå 0 £õ£
;
Ì(0)=
Í ì ;
Ì(
)=
Í ì.
Ñóììà ìîìåíòîâ
äëÿ 3-ãî ó÷àñòêà:
, ãäå 0
õ
;
Ì(
)=
Í ì.
Ì(0)=
Í ì;
Ïîñòðîèì ýïþðó
èçãèáàþùèõ
ìîìåíòîâ â ãîðèçîíòàëüíîé
ïëîñêîñòè:
Ðèñ.14 Ýïþðà èçãèáàþùèõ
ìîìåíòîâ â ãîðèçîíòàëüíîé
ïëîñêîñòè
.6.2 Ýïþðà
êðóòÿùèõ ìîìåíòîâ
Êðóòÿùèé ìîìåíò
ïåðåäàåòñÿ âàëó
êîëåñîì è ñíèìàåòñÿ
øåñòåðíåé, íî
ìîìåíòû íà íèõ
îäèíàêîâû, ñëåäîâàòåëüíî,
ýïþðà êðóòÿùåãî
ìîìåíòà áóäåò
âûãëÿäåòü ñëåäóþùèì
îáðàçîì:
Ðèñ.15 Ýïþðà êðóòÿùèõ
ìîìåíòîâ
3.6.3 Ýïþðû
ñóììàðíîãî è
ïðèâåäåííîãî
ìîìåíòîâ
Ñóììàðíûé ìîìåíò,
äåéñòâóþùèé
íà âàë, áóäåò íàõîäèòüñÿ
ïî ôîðìóëå:
; (23)
ïðè÷åì îí íàõîäèòñÿ
äëÿ êàæäîãî ñå÷åíèÿ.
Ðàññ÷èòàåì
ñîãëàñíî
ôîðìóëå (23) äëÿ ñå÷åíèÿ
1
Í.
Ðàññ÷èòàåì
ñóììàðíûé ìîìåíò
ñîãëàñíî
ôîðìóëå (23) äëÿ ñå÷åíèÿ
2:
Í ì.
Ðàññ÷èòàåì
ñóììàðíûé ìîìåíò
ñîãëàñíî
ôîðìóëå (23) äëÿ ñå÷åíèÿ
3:
Í ì.
Ðàññ÷èòàåì
ñîãëàñíî
ôîðìóëå (30) äëÿ ñå÷åíèÿ
4
Í ì.
Ïîñòðîèì ýïþðó
ñóììàðíîãî ìîìåíòà:
Ðèñ.16 Ýïþðà ñóììàðíûõ
ìîìåíòîâ
Ïðèâåäåííûé
ìîìåíò (äëÿ êàæäîãî
ñå÷åíèÿ) íàõîäèòñÿ
ïî ôîðìóëå:
. (24)
Íàéäåì
ñîãëàñíî
ôîðìóëå (24) äëÿ ñå÷åíèÿ
1
Í ì.
Íàéäåì
ñîãëàñíî
ôîðìóëå (24) äëÿ ñå÷åíèÿ
2
Í ì.
Íàéäåì
ñîãëàñíî
ôîðìóëå (24) äëÿ ñå÷åíèÿ
3
Í ì.
Íàéäåì
ñîãëàñíî
ôîðìóëå (24) äëÿ ñå÷åíèÿ
4
Í ì.
Ïîñòðîèì ýïþðó
ïðèâåäåííîãî
ìîìåíòà:
Ðèñ. 17 Ýïþðà ïðèâåä¸ííûõ
ìîìåíòîâ
3.7 ÏÎÑÒÐÎÅÍÈÅ
ÒÅÎÐÅÒÈ×ÅÑÊÎÃÎ
ÏÐÎÔÈËß ÂÀËÀ
Äëÿ èçãîòîâëåíèÿ
âàëà âûáèðàåì
óãëåðîäèñòóþ
ñòàëü 45 ÃÎÑÒ 8479-70
[1].
Ïî ïðèâåäåííîìó
ìîìåíòó îïðåäåëÿþòñÿ
ìèíèìàëüíî äîïóñòèìûå
äèàìåòðû âàëà
â îïàñíûõ ñå÷åíèÿõ
ïî ñëåäóþùåé
ôîðìóëå:
, (25)
ãäå [σ] - äîïóñêàåìîå
íàïðÿæåíèå ìàòåðèàëà,
êîòîðîå âû÷èñëÿåòñÿ
ïî ñëåäóþùåé
ôîðìóëå:
, ãäå σÒ - ïðåäåë
òåêó÷åñòè äëÿ
ñòàëè 45: σÒ=360Ìïà [1]; S - êîýôôèöèåíò
çàïàñà, ðàâíûé
1,5.
Îïðåäåëèì äèàìåòðû
âàëà ïî ôîðìóëå
(25) ïîäñòàâëÿÿ ñîîòâåòñòâóþùèå
çíà÷åíèÿ êðóòÿùåãî
ìîìåíòà:

;

;

;

;
Ïîñòðîèì òåîðåòè÷åñêèé
ïðîôèëü âàëà (ðèñ.
18).
Ðèñ. 18 Òåîðåòè÷åñêèé
ïðîôèëü âàëà
.8 ÂÛÁÎÐ
ÏÎÄØÈÏÍÈÊÎÂ
Âûáèðàåì ðîëèêîâûå
ðàäèàëüíûå îäíîðÿäíûå
ïîäøèïíèêè, òàê
êàê ó íàñ îòñóòñòâóþò
îñåâûå íàãðóçêè,
è íàøè îïîðû íàõîäÿòñÿ
â îäíîì êîðïóñå.
Ïîäøèïíèêè ïîäáèðàåì
ïî äèíàìè÷åñêîé
ãðóçîïîäúåìíîñòè
C, êîòîðàÿ ðàññ÷èòûâàåòñÿ
ïî ñëåäóþùåé
ôîðìóëå:
(25),
ãäå P - ýêâèâàëåíòíàÿ
íàãðóçêà, êîòîðàÿ
âû÷èñëÿåòñÿ
ïî ñëåäóþùåé
ôîðìóëå:
(26),
ãäå V - êîýôôèöèåíò
âðàùåíèÿ, ðàâíûé
1 (ïðè âðàùåíèè
âíóòðåííåãî
êîëåñà),T - òåìïåðàòóðíûé
êîýôôèöèåíò,
ðàâíûé 1 ïðè ðàáî÷åé
òåìïåðàòóðå ïîäøèïíèêà
t<100o,δ - êîýôôèöèåíò
áåçîïàñíîñòè,
êîòîðûé ïðèíèìàåì
1.4 [4] (äëÿ ñðåäíåãî
ðåæèìà ðàáîòû),a,
Fr - ðàäèàëüíàÿ
è îñåâàÿ íàãðóçêè
â îïîðàõ, Fa=0,
→ ïðèíèìàåì
X=1, Y=0 [4],h - íîìèíàëüíàÿ
äîëãîâå÷íîñòü,
êîòîðóþ ìû ïðèíÿëè
ðàâíîé 10000 ÷àñàì-
÷àñòîòà âðàùåíèÿ,
ðàâíàÿ 130îá/ìèí,-
ïîêàçàòåëü ñòåïåíè,
êîòîðûé äëÿ ðîëèêîâûõ
ïîäøèïíèêîâ ðàâåí
10/3.
Ïî ôîðìóëàì
(26) è (25) ðàññ÷èòûâàåì
ýêâèâàëåíòíóþ
íàãðóçêó è äèíàìè÷åñêóþ
ãðóçîïîäúåìíîñòü
â îïîðàõ À è Â:
Òîãäà â ñîîòâåòñòâèè
ñ ÃÎÑÒ 8328-75 ìû âûáèðàåì
ïîäøèïíèêè, äàííûå
î êîòîðûõ ïðèâåäåíû
â òàáëèöå 5.
Òàáëèöà 8. Ïàðàìåòðû
ïîäøèïíèêîâ
|
Òèï:
2307
|
Òèï:2308
|
|
ÑA, êÍ
|
d1,ìì
|
D1,ìì
|
B1,ìì
|
CB,êÍ
|
d2,ìì
|
D2,ìì
|
B2,ìì
|
|
53,66
|
35
|
80
|
21
|
63,15
|
40
|
90
|
23
|
3.9 ÏÎÑÒÐÎÅÍÈÅ
ÐÅÀËÜÍÎÃÎ ÏÐÎÔÈËß
ÂÀËÀ
Òàê êàê ó íàñ
óæå âûáðàíû ïîäøèïíèêè,
òî ìîæíî ñêàçàòü,
÷òî äèàìåòð âàëà
íà îïîðå À áóäåò
ðàâåí äèàìåòðó
âíóòðåííåãî
êîëüöà ïîäøèïíèêà,
òî åñòü
=35ìì, à íà
îïîðå Â:
=40ìì. Êîíñòðóêòèâíî
ïðèíèìàåì
=50ìì ,
=50ìì. Ñ ó÷åòîì
òîãî, ÷òî ïîäøèïíèêè
è çóá÷àòûå êîëåñà
äîëæíû óïèðàòüñÿ
â âàë, ïðèíèìàåì
ïðîìåæóòî÷íûå
äèàìåòðû
ìì,
=65 ìì
=45 ìì
Ðèñ.19 Ïðàêòè÷åñêèé
ïðîôèëü âàëà
3.10 ÏÎÄÁÎÐ
ØÏÎÍÎÊ
Äëÿ çàêðåïëåíèÿ
çóá÷àòîãî êîëåñà
è øåñòåðíè íà
âàëó íåîáõîäèìû
øïîíêè. Âûáèðàåì
ïðèçìàòè÷åñêèå
øïîíêè, èçãîòîâëåííûå
èç ñòàëè 45,ñ ïðåäåëîì
òåêó÷åñòè
ÌÏà.
; (30)
t=
£[t], (31)
ãäå
- íàïðÿæåíèå
ñìÿòèÿ; [
] -äîïóñêàåìîå
íàïðÿæåíèå ñìÿòèÿ;
[
]=0,8
=0,8·315=252ÌÏà;
[t] - äîïóñêàåìîå
êàñàòåëüíîå
íàïðÿæåíèå; [t]=0,6[
]=0,6·252=151,2ÌÏà;
ñ - ÷èñëî øïîíîê;
h - âûñîòà
øïîíêè;
- ðàáî÷àÿ
äëèíà øïîíêè;
, (32)
ãäå
- äëèíà øïîíêè;
ïðèíèìàåòñÿ
=
-(5…10) ìì [1]; b - øèðèíà
øïîíêè; d - äèàìåòð âàëà.
Îïðåäåëèì ïàðàìåòðû
è êîëè÷åñòâî
øïîíîê äëÿ çóá÷àòîãî
êîëåñà.
Âûáèðàåì øïîíêó
ñå÷åíèåì b x h=14 x9 . Íàéäåì äëèíó
øïîíêè:
=
- 5 = 40 - 5=35 ìì;
ïðèíèìàåì
=35ìì. Ðàáî÷àÿ
äëèíà øïîíêè
ñîãëàñíî ôîðìóëå(32):
=35 - 14=21ìì. Íàéäåì
êîëè÷åñòâî øïîíîê
èç ôîðìóëû(31):
, ïðèíèìàåì
ñ=1.
Ïðîâåðèì øïîíêó
íà ñìÿòèå:
Óñëîâèå
íå âûïîëíÿåòñÿ,ñëåäîâàòåëüíî
ïðèíèìàåì ñ=2.
Ïðîâåðèì øïîíêè
íà ñìÿòèå:
Îêîí÷àòåëüíî
âûáèðàåì 2 øïîíêè
14õ9õ35 ÃÎÑÒ 23360-78.
Îïðåäåëèì ïàðàìåòðû
è êîëè÷åñòâî
øïîíîê äëÿ øåñòåðíè.
Âûáèðàåì øïîíêó
ñå÷åíèåì b x h=14 x 9 . Íàéäåì äëèíó
øïîíêè:
=
- 7=68 - 5= 63 ìì;
ïðèíèìàåì
=63ìì. Ðàáî÷àÿ
äëèíà øïîíêè
ñîãëàñíî ôîðìóëå(32):
=63 - 14=49ìì. Íàéäåì
êîëè÷åñòâî øïîíîê
èç ôîðìóëû(31):
, ïðèíèìàåì
ñ=1.
Ïðîâåðèì øïîíêó
íà ñìÿòèå:

;
Îêîí÷àòåëüíî
âûáèðàåì 1 øïîíêó
14 x 9 x 63 ÃÎÑÒ 23360-78.
ÇÀÊËÞ×ÅÍÈÅ
 ðåçóëüòàòå
âûïîëíåíèÿ êóðñîâîé
ðàáîòû áûëè ðàññ÷èòàíû
è ñïðîåêòèðîâàíû
áîëòîâûå ñîåäèíåíèÿ
ñ çàçîðîì è áåç
çàçîðà, óçåë ôåðìû,
ïðîìåæóòî÷íûé
âàë çóá÷àòîé
ïåðåäà÷è.
Ïî ÷àñòè 1.  ðåçóëüòàòå
âûïîëíåííîãî
ðàñ÷åòà áîëòîâîãî
ñîåäèíåíèÿ ôëàíöåâ
áàðàáàíà ñëåäóåò:
â ñëó÷àå óñòàíîâêè
áîëòîâ ñ çàçîðîì
äîëæíû
áûòü èñïîëüçîâàíû
áîëòû ñ ðåçüáîé
Ì16 è áîëåå;
â ñëó÷àå óñòàíîâêè
áîëòîâ áåç çàçîðà
äîëæíû
áûòü èñïîëüçîâàíû
áîëòû ñ ðåçüáîé
Ì10 è öèëèíäðè÷åñêîé
÷àñòüþ äèàìåòðîì
11.
Ïî ÷àñòè 2. Äëÿ
çàäàííûõ óñèëèé
è êîíñòðóêöèè
ôåðìû áûëè ïðèíÿòû
ñëåäóþùèå ñòåðæíè:
äëÿ ïîÿñà óãîëêè
¹9 ñ òîëùèíîé ïîëîê
7 ìì, äëÿ ïðàâîãî
ðàñêîñà óãîëêè
¹7,5 ñ òîëùèíîé
ïîëîê 5 ìì, à äëÿ
ëåâîãî ðàñêîñà
óãîëêè ¹9 ñ òîëùèíîé
7 ìì. Áûëà âûáðàíà
êîñûíêà ñ òîëùèíîé
7 ìì. Äëèíû ñâàðíûõ
øâîâ: íà ïîÿñå
- 155 ìì, íà ïðàâîì
ðàñêîñå-165 ìì, à
íà ëåâîì ðàñêîñå
- 140 ìì.  ñëó÷àå çàêë¸ïî÷íîãî
ñîåäèíåíèÿ, ïðåäñòàâëåííîãî
íà ðèñ. 5, êîëè÷åñòâî
çàêë¸ïîê (ñ äèàìåòðîì
14 ìì) íà ïîÿñå - 9, íà
ïðàâîì ðàñêîñå
- 7, íà ëåâîì ðàñêîñå-8.
Ïî ÷àñòè 3.  ðåçóëüòàòå
âûïîëíåííîãî
ðàñ÷åòà ïàðàìåòðîâ
ïðîìåæóòî÷íîãî
âàëà, çóá÷àòîé
ïåðåäà÷è, øïîíîê,
îïîðíûõ ïîäøèïíèêîâ
ñëåäóåò:
Îáùàÿ äëèíà
âàëà L=211,2 ìì, ìàòåðèàë:
óãëåðîäèñòàÿ
ñòàëü 45 ÃÎÑÒ
8479-70.
Ïàðàìåòðû çóá÷àòîé
ïåðåäà÷è óêàçàíû
â òàáëèöå 6 Äëÿ
êîëåñà è øåñòåðíè
ïåðåäà÷è I âûáèðàåì Ñòàëü
40Õ ÃÎÑÒ 8479-70. Äëÿ êîëåñà
âûáèðàåì ñå÷åíèå
ïîêîâêè 501-800 ìì, òâåðäîñòü
HB =390, äëÿ øåñòåðíè
- ñå÷åíèå ïîêîâêè
101-321 ìì, òâåðäîñòü
HB =440. Äëÿ êîëåñà è
øåñòåðíè ïåðåäà÷è
II âûáèðàåì
Ñòàëü 40Õ ÃÎÑÒ
8479-70. Äëÿ êîëåñà âûáèðàåì
ñå÷åíèå ïîêîâêè
501-800 ìì, òâåðäîñòü
HB =390, äëÿ øåñòåðíè
- ñå÷åíèå ïîêîâêè
101-321 ìì, òâåðäîñòü
HB =440
Äëÿ çàêðåïëåíèÿ
çóá÷àòîãî êîëåñà
è øåñòåðíè íà
âàëó âûáåðåì
ïðèçìàòè÷åñêóþ
øïîíêó 14 x 9 x
63 ÃÎÑÒ 23360-78. Ìàòåðèàë:
ñòàëü 45
Âûáèðàåì ðîëèêîâûå
ðàäèàëüíûå îäíîðÿäíûå
ïîäøèïíèêè, ïàðàìåòðû
êîòîðûõ ïðèâåäåíû
â òàáëèöå 5.
ËÈÒÅÐÀÒÓÐÀ
1. ÈÂÀÍÎÂ
Ì.Í. Äåòàëè ìàøèí
- 5-å èçä., ïåðåðàá.
- Ì.: Âûñø. øê., 2008
2. ÃÎÑÒ
24705-2004 Ðåçüáà
ìåòðè÷åñêàÿ
. Ñïðàâî÷íèê
ïî êðàíàì Ãîõáåðã
Ì.Ì. ò.I
. ÃÎÑÒ
8509-93 Óãîëêè ñòàëüíûå
ãîðÿ÷åêàòàíûå
ðàâíîïîëî÷íûå
. ÃÎÑÒ
14797-85 Çàêë¸ïêè ñ ïîëóêðóãëîé
ãîëîâêîé (ïîâûøåííîé
òî÷íîñòè)
. Ãîõáåðã
Ì.Ì., Ñïðàâî÷íèê
ïî êðàíàì, Ò. 2, Ë,
2008, 594 ñ.
. Àíóðüåâ
Â.È., Ñïðàâî÷íèê
êîíñòðóêòîðà-ìàøèíîñòðîèòåëÿ,
Ò. 2, Ì, 2009, 560 ñ.
Ðàçìåùåíî
íà Allbest.ru