Расчет и проектирование привода механизма тяговой лебедки для перемещения КЛА на стартовой площадке

  • Вид работы:
    Курсовая работа (т)
  • Предмет:
    Другое
  • Язык:
    Русский
    ,
    Формат файла:
    MS Word
    49,39 Кб
  • Опубликовано:
    2013-10-17
Вы можете узнать стоимость помощи в написании студенческой работы.
Помощь в написании работы, которую точно примут!

Расчет и проектирование привода механизма тяговой лебедки для перемещения КЛА на стартовой площадке

Введение

Редуктором называют механизм, выполненный в виде отдельного агрегата, служащий для понижения угловой скорости и соответственно повышения крутящих моментов.

Редуктор - неотъемлемая составная часть современного оборудования.

В приводах общемашиностроительного назначения, разрабатываемых при курсовом проектировании, редуктор является основным и наиболее трудоемким узлом.

Коническо-цилиндрические двухступенчатые редукторы развернутой схемы применяются обычно в интервале передаточных чисел 8..40. Простота конструкции обусловила их широкое применение в промышленности. Несимметрическое расположение колес относительно опор вызывает концентрацию нагрузки по длине зуба, поэтому такие редукторы требуют жестоких валов.

Заданием курсового проекта является расчет и проектирование основных узлов редуктора. Расчет на прочность и выносливость шестерни и зубчатых колес. Подбор и расчет основных узлов валов и подбор подшипников. Проектирование узла редуктора с двигателем и барабаном в сборе.

Заданием курсового проекта является расчет и проектирование привода механизма тяговой лебедки для перемещения КЛА на стартовой площадке.

1. Определение мощности двигателя и элементов исполнительного органа.

S=6100H;

V=0,6 м/с;

T=18000 час;

n=6.

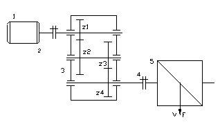
Рис. 1.1. Схема привода

1-      электродвигатель;

2-      муфта упругая втулочно-кольцевая (МУВП);

-        2-х ступенчатый редуктор с цилиндрическими зубчатыми колесами;

-        зубчатая муфта;

-        узел барабана тяговой лебедки;

1.1 Определение разрывного усилия и выбор диаметра троса

, где n=6 и ;

Согласно [2] по таблице выбираем стальной канат по ГОСТ 3067-74

dК=6,2 мм, соответствующий

Fразр=36000 кгс.

1.2 Определение диаметра барабана

редуктор подшипник вал передаточный

Dбар=(20…25)*dК, принимаем Dбар=20*dК=20*6,2=124 мм;

Принимаем окончательно Dбар=130 мм.

Определение числа оборотов барабана:

;

1.3 Определение общего передаточного отношения редуктора и разбивка его по ступеням

UP=U12*U34=12 U12=5 U34=3

nДВ=nб*Uр.=1433 (об/мин)

Мощность двигателя определяется, как

 ; где

 КПД муфты;

 КПД пары подшипников;

 КПД цилиндрической зубчатой передачи;

 КПД троса (трение троса о барабан);


По ГОСТ 19523-81 принимаем асинхронный электродвигатель серии 4А закрытого обдуваемого исполнения мощностью 3 кВт типа 4А100S4Х3.

nДВ=1500 об/мин.

2. Расчет первой ступени редуктора

2.1 Проектировочный расчет цилиндрического зацепления

кВт

n1=1500 об/мин

материал: 40X

Принимаем Z1 первой ступени равное 18

Тогда Z2=U12*Z1 =5*18=90.

N2=n1/U12=300 об/мин

Определение числа циклов перемены напряжений шестерни и колеса:


Определяем допускаемые напряжения:

а) контактные:


б) изгибные:


в) предельные:


Определение коэффициентов расчетной нагрузки:


Начальный (делительный) диаметр шестерни:


Модуль зацепления:


по ГОСТ 9563-60 принимаем модуль m=2 (мм), тогда


Проверочный расчет

Проверка передачи на контактную выносливость:

получили недогрузку порядка 5%, что допустимо.




т.к. 73,776<84,485 проверяем зуб шестерни:


Проверка передачи на контактную и изгибную прочность при действии максимальной нагрузки:


Определение геометрических и других размеров шестерни и колеса.

Определение диаметра вала (и отверстия под вал) в колесе:

 


Подбор шпонки: по ГОСТ8788-68 принимаем шпонку призматическую с размерами bh=169,5

  (МПа)

 (мм)

принимаем lшп= 20 (мм)

3. Расчет второй ступени редуктора

.1 Проектировочный расчет цилиндрического зацепления

кВт

n3=300 об/мин

материал: 40X

Принимаем Z3 первой ступени равное 20

Тогда Z4=U34*Z3 =3*20=60.

N2=n3/U34=100 об/мин

Определение числа циклов перемены напряжений шестерни и колеса:

Определяем допускаемые напряжения:

а) контактные:


б) изгибные:


в) предельные:


Определение коэффициентов расчетной нагрузки:


Начальный (делительный) диаметр шестерни:


Модуль зацепления:



по ГОСТ 9563-60 принимаем модуль m=3 (мм), тогда


Проверочный расчет

Проверка передачи на контактную выносливость:


получили недогрузку порядка 5,5%, что допустимо.

Проверка зубьев передачи на изгибную выносливость:


т.к. 74,2<84,971 проверяем зуб шестерни:


Проверка передачи на контактную и изгибную прочность при действии максимальной нагрузки:


Определение геометрических и других размеров шестерни и колеса.

Определение диаметра вала (и отверстия под вал) в колесе:

 


Подбор шпонки: по ГОСТ8788-68 принимаем шпонку призматическую с размерами bh=169,5

  (МПа)

 (мм)

принимаем lшп=30 (мм)

4. Проверочный расчет валов и подбор подшипников

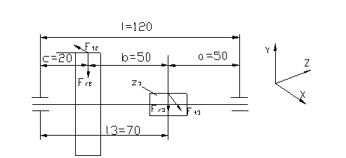
Рабочий эскиз 2-х ступенчатого конически-цилиндрического редуктора:


Принимаем для валов материал 40Х с d>5 мм.

; ;

4.1 Расчет реакций в опорах редуктора

Расчетная схема 1-го вала.


Определим значения: Ft и Fr для 1-го вала.

Ft1=2*T1/dW1=2*33045/50=1322H.r1=Ft1*tga=1322*0.364=480H.

Нагрузка в горизонтальной плоскости.


Fax=Ft1*b/a+b=1322*100/20+100=6710Н.

Fбx=Ft1*a/a+b=1322*20/20+100=1422Н.их=Ft1*b*a/a+b=1322*100*20/20+100=13230H.

Нагрузка в вертикальной плоскости.

ay=Fr1*b/a+b=480*100/20+100=2500Н.бy=Fr1*a/a+b=480*20/20+100=580Н.иy=Fr1*b*a/a+b=480*100*20/20+100=48100H.и=(Mиy2+ Mиx2)1/2=55070H.пр=(Mи2+(a*T)2)1|2=109020Нмм a=2.84;а=(Fах2+ Fay2)1/2=1001H.б=(Fбх2+ Fбy2)1/2=409H

Расчетная схема 2-го вала


Fax=Ft3*a-Ft2*(a+b)/l=3489*50-1322*100/195=303H.t2=-Ft1;t2=2*T2/dw2=1322H.r2=Fr1;

Нагрузка в горизонтальной плоскости


Ft3=2*T2/dw3=3489H.r3=Ft3*tgaw=3489*0.364=1270H.бх=Ft2*c-Ft3*(c+b)/l=1322*20-3489*70/195=-1864H.ay=Fr2*(b+a)+Fr3*a/l=468*70+1270*50/195=780H.бy=Fr3*(c+b)+Fr2*c/l;r2=Ft2*tga=1287*0.364=468H.t2=2*T2/dw2=1287H.

Нагрузка в вертикальной плоскости


T2=9550*P/n2*=9550*5/401*0.98*0.99=115.82Hмм.

T3=T2*U2**=115820*60/20*0.98*0.99=337105Hмм.

Fr3=Ft3*tga=3405*0.364=1240H.t3=2*T3/dw3=3405H.бу=Fr3*(c+b)+Fr2*c/l=1240*125+468*55/195=927H.

Определение суммарных реакций в опорах 2-го вала.

А=(FAX2+FАY2)1/2=835Н.Б=(FБX2+FБY2)1/2=2083Н.

Расчетная схема 3-го вала


Fay=Fr3*b/l+b=1240*70/71=827Н.бy=Fr3*a/l+b=1240*50/71=413Н.

Fax=Ft3*b/l+b=3405*70/71=2270Н.бx=Ft3*a/l+b=3405*50/71=1135Н.A=(FAX2+FAY2)1/2=2430H.Б=(FБX2+FБY2)1/2=1210H.

Нагрузка в горизонтальной плоскости


Нагрузка в вертикальной плоскости


4.2 Выбор подшипников по динамической грузоподьемности

При частоте вращения n>=1 об/мин подшипники выбирают по динамической грузоподъемности. Выбор подшипников по динамической грузоподъемности состоит в проверке его расчетной долговечности при заданных условиях работы.

Номинальная долговечность подшипника в миллионах оборотов:

;

Здесь С - каталожная динамическая грузоподъемность данного типа размера подшипника в Н.

Р - эквивалентная расчетная нагрузка на подшипнике в Н;

р - степенной показатель, для шарикоподшипников=3;

Номинальная долговечность подшипника (r) Lh связана с долговечностью L зависимостью: Lh=106*L/60*n.

Для радиально-упорных роликоподшипников:

Р=(X*V*Fr+Y*Fa)*K*Kт.

r - радиальная нагрузка на подшипнике Н;a - осевая нагрузка на подшипнике Н;- коэффициент безопасности;=1 - коэффициент вращения при вращении внутреннего кольца подшипника;=1 - коэффициент безопасности;т=1.1 (если t=150oC) - температурный коэффициент;

=(1*V*Fr+Y*Fa)*Ko*Kt=1*1*Fr*1*1.1=1,1*Fr (при Fa=0);

- отсюда находим С.

где р=3; при Fa=0; Y=0; X=1;

4.3 Определение динамической грузоподьемности подшипников для 1-го вала редуктора

FA=1001H;

FБ=409H;1=1500 об/мин;

Определение эквивалентной расчетной на подшипнике:

Для опоры А:

P=(X*V*Fr+Y*Fa)*Ko*KT;

a=0; X=0.56; V=1 (при вращении внутреннего кольца);r=1001H; Ko=1.2 (легкие толчки) KT=1.05 (для 1250С);

P=X*V*Fr*Ko*KT=0.56*1*1001*1.2*1.05=707H;h=106*L/60*n; L=60*Lh*n/106=60*6000*1445/106=520;

=707*5201/3=5684H где р=3;

Находим каталожную статическую С0 и динамическую С грузоподъемности для подшипника диаметров 3 серии ширин 0 (средней серии).

Для подшипников 304 - С0=7940Н;

C=12500H. табличные данные.

Расчетное значение С=5684Н; При конструировании устроил бы подшипник легкой серии(204); C=10000H;

Ввиду того, что нагрузка на 2-ю опору 1-го вала в 2.5 раза меньше, расчет подшипника не ведем, принимая тот же подшипник, что и в 1-ой опоре - (304).

4.4 Расчет подшипников для опоры 2-го вала редуктора

FA=835H;

FБ=2083H;2=300 об/мин;

Определение эквивалентной расчетной на подшипнике:

P=(X*V*Fr+Y*Fa)*Ko*KT;

a=0; X=0.56; V=1 (при вращении внутреннего кольца);r=2083H; Ko=1.2 (легкие толчки) KT=1.05 (для 1250С);

P=X*V*Fr*Ko*KT=0.56*1*2083*1.2*1.05=1470H;h=106*L/60*n; L=60*Lh*n/106=60*6000*400/106=144;

=1470*5,24=7700H где р=3;

Для подшипников 306 - С=22000Н табличные данные.

Расчетное значение С=7700Н - в 3 раза меньше, устанавливаются в опорах 2-го вала подшипники особо легкой серии(106) у которых С=10400Н ГОСТ 8338-75.

4.5 Расчет подшипников для опоры 3-го вала редуктора

FA=2430H;

FБ=1210Н;

n3=100 об/мин;

Для n=100 при Lh=6300; C/P=3.91; C=3.91*P;

Определение эквивалентной расчетной на подшипнике:

FA=Fr=0; X=0.56; V=1 (при вращении внутреннего кольца);

Ko=1.2 (легкие толчки) КТ=1,05 (для 1250С);


C=3.91*1714=6702H;

Для подшипников 309 - С=37800Н табличные данные.

Расчетное значение С=6702Н в 5 раз меньше, устанавливаю в опорах 3-го вала подшипники особой серии диаметров 1 узкой серии ширины 7.7000109 у которых

С=10500Н.

5. Выбор крышек под подшипники в опорах редуктора


Для первого вала Dкр=50; d=25 мм; (подш. №7305)

С=d - диаметр винта (болта);

Принимаем диаметр болта крепления крышки: d=6 мм;

Для второго вала Dкр=60; d=30 мм; (подш. №7307)

Для третьего вала Dкр=85; d=45 мм; (подш. №7309)

Заключение

В процессе выполнения курсового проекта (расчета двухступенчатого редуктора) я получил следующие технологические данные характеризующие данный механизм.

Список используемой литературы

1. «Расчет и проектирование зубчатых передач», Харьков: ХАИ 1978 г.

. Анурьев В.И. «Справочник конструктора - машиностроителя: в 3-х т.» - М.: Машиностроение, 1980 г.

. Киркач Н.Ф., Баласанян Р.А. «Расчет и проектирование деталей машин» - Харьков: Основа, 1991 г.

Похожие работы на - Расчет и проектирование привода механизма тяговой лебедки для перемещения КЛА на стартовой площадке

 

Не нашли материал для своей работы?
Поможем написать уникальную работу
Без плагиата!
Без нейросетей!