Розрахунок струмів несиметричних та симетричних коротких замикань
ЗАВДАННЯ
на курсовий проект (роботу) студентові
. Тема проекту (роботи): «Розрахунок струмів несиметричних та симетричних
коротких замикань»
. Термін здачі студентом закінченого проекту (роботи).
. Вихідні дані до проекту (роботи): Розрахунок КЗ в електроустановках
напругою вищою за 1кВ: варіант 7; ЕС1: 2 генератори потужністю 241.3 МВА,
потужність трансформаторів 250 МВА; система: Skз = 3000 МВA, S номс = 1900 МВА;
Х0 = 0,4 Ом/км,2; ЕС2: 2 генератори потужністю 31,25 МВА, потужність
трансформаторів 63 МВА. Розрахунок КЗ в електроустановках напругою до 1 кВ:
варіант 16; трансформатор: Sном = 2500 кВА, Uк = 6,5%, Pк = 23.5 кВт; КЛ5,КЛ6:=
0,13 мОм/м, х0 =0,058 мОм/м, l = 65 м; А5,А6: r = 0,74 мОм , х = 0,55 мОм; ШР:=
0,1 мОм/м, х0 =0,13 мОм/м,; А1-А4: r = 1,3 мОм, х = 0,85 мОм; А7, А8: r = 0,12
мОм
х = 0,084мОм; КЛ7-КЛ8: r0 = 0,32 мОм/м, х0 = 0,064 мОм/м; ШМ: r0 = 0,014
мОм/м
х0 = 0,006 мОм/м; система: S номс = ∞, x"* = 0
. Зміст рорахунково - пояснювальної записки (перелік питань, що їх
належить розробити):При розрахунках трифазного КЗ в електроустановках напругою
вищою за 1 кВ необхідно визначити: а) надперехідний струм, I"; b) діюче
значення періодичної складової струму КЗ__для моментів часу t = 0.1 c; t = 0.5
c; In0,1; In0,5; c) ударний струм КЗ, iy; d) I" методом вузлових
потенціалів за допомогою ЕОМ (програма Емаг1). При розрахунках
несиметричного_КЗ для заданого виду КЗ “n” в електроустановках напругою вищою
за 1 кВ необхідно_визначити: а) надперехідний струм КЗ, Ik(n); b) ударний струм
КЗ, iy; с) побудувати векторні діаграми струмів КЗ і напруг по місцю
несиметричного КЗ. Всі вищезгадані розрахунки необхідно провести методом
відносних одиниць з використанням приблизного зведення. При розрахунках
трифазного КЗ в електроустановках напругою до 1кВ необхідно визначити: а)
надперехідний і ударний струми КЗ від енергосистеми; б)надперехідний і ударний
струми підживлення точки КЗ від двигунів. Розрахунки провести методом
іменованих одиниць.Після завершення всіх розрахунків необхідно зробити
висновки.
. Перелік графічного матеріалу (з точним зазначенням обов’язкових
креслень) схеми заміщення електричних мереж, схеми заміщення прямої, зворотньої
та нульової послідовностей, векторні діаграми струмів КЗ і напруг по місцю
несиметричного КЗ.
6. Дата видачі завдання.
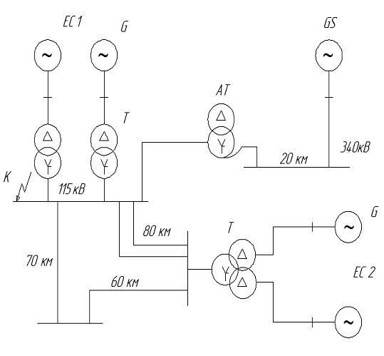
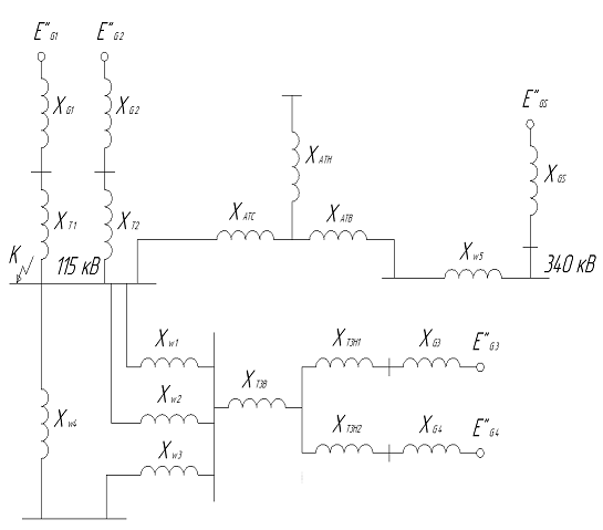
Рисунок 1 - Розрахункова схема електричної мережі напругою вище 1кВ
Таблиця 1 - Вихідні дані для електричної мережі напругою вище 1кВ
|
Варіант
|
ЕС1
|
ЕС2
|
Система
|
Х0, Ом/км
|
|
Генератори
|
Трансфор-матори
|
Генератори
|
|
|
|
кіль-кість од.
|
потужність, МВА
|
потужність, МВА
|
потужність, МВА
|
Ikc(3), кА
|
Ikc(1), кА
|
S номс, МВА
|
|
|
7
|
2
|
241.3
|
250
|
31,25
|
7.5
|
7
|
1900
|
0,4
|
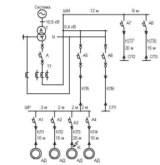
Рисунок 2 - Розрахункова схема електричної мережі 0,4 кВ
Таблиця 2 - Дані для розрахунків електричної мережі 0,4 кВ
|
Варіант
|
Трансформатор
|
КЛ5, КЛ6
|
А5, А6
|
А7, А8
|
|
S ном, кВА
|
Uк,%
|
Pк ,кВт
|
r, мОм/м
|
х, мОм/м
|
l, м
|
r, мОм
|
х, мОм
|
r, мОм
|
х, мОм
|
|
16
|
2500
|
6,5
|
23.5
|
0,13
|
0,058
|
65
|
0,74
|
0,55
|
0,12
|
0,084
|
|
r0, мОм/м
|
х0, мОм/м
|
S номс
|
x"*
|
r, мОм/м
|
х, мОм/м
|
r, мОм
|
х, мОм
|
r0, мОм/м
|
х0, мОм/м
|
r0, мОм/м
|
|
0,1
|
0,13
|
∞
|
0
|
2,4
|
0,084
|
1,3
|
0,85
|
0,32
|
0,064
|
0,014
|
Таблиця 3 -
Дані асинхронних двигунів
|
Асинхронні двигуни АД
|
|
Рном, кВт
|
Uном, В
|
cosφ
|
η
|
I*пуск
|
Sном, %
|
М*пуск
|
|
55
|
380
|
0,9
|
0,92
|
6,5
|
1,3
|
1,2
|
РЕФЕРАТ
Об’єктом дослідження є електроенергетична система, де трапилось КЗ.
Мета роботи - навчитися розраховувати трифазне КЗ в електроустановках
напругою вищою за 1 кВ, несиметричного КЗ для заданого виду КЗ “n” в
електроустановках напругою вищою за 1 кВ, трифазне КЗ в електроустановках
напругою до 1 кВ.
Метод дослідження - метод відносних одиниць з використанням приблизного
зведення для мереж напругою понад 1 кВ і метод іменованих одиниць для мереж до
1 кВ.
Наведено схеми заміщення елементів схеми електропостачання; методи
перетворення схем заміщення; розрахунок еквівалентної ЕРС та результуючого
опору схеми відносно точки КЗ; розрахунок ударного струму КЗ; визначення струму
симетричного КЗ у довільний момент часу; метод вузлових потенціалів за
допомогою ЕОМ; схеми заміщення прямої, зворотньої та нульової послідовностей і
розрахунок опорів їх елементів; векторні діаграми струмів КЗ і напруг по місцю
однофазного КЗ; розрахунок надперехідного і ударного струмів КЗ від
енергосистеми в електроустановках напругою до 1 кВ.
ПЕРЕЛІК Х ПОЗНАЧЕНЬ, СИМВОЛІВ, ОДИНИЦЬ, СКОРОЧЕНЬ ТА
ТЕРМІНІВ
|
 Надперехідна
ЕДС системи, генераторів n-ого номера
|
|
|
Iб ,iу, I , I , , Iпуск*, , , , I”кз-
базисний струм, ударний струм, діюче значення надперехідного струму,
надперехідний струм n - го виду КЗ, вектор струму, кратість пускового струму
АД, надперехідний струм 3-фазного КЗ, надперехідний струм від АД, ударний
струм від системи, надперехідний струм КЗ
|
|
|
ку
|
-ударний коефіцієнт
|
|
Мпуск*
|
-кратність пускового
моменту АД
|
|
∆Pмех
|
-механічні втрати у АД
|
|
, rа, rшм, rд, rА-активний опір цехової кабельної
лінії, активний опір автоматичного вимикача, активний опір магістрального
шинопроводу, орпір дуги, активний опір АД
|
|
|
Sб, Sном
|
-базисна потужність,
номінальна потужніть
|
|
Та
|
-постійна часу
|
|
Uб, -базисна напруга, вектор напруги
|
|
|
xGS ,хРЕЗ, x0W, , ха, хш, хс-опір енергоситстеми, результуючий опір,
опрі кабельної лінії у розрахунках нульової послідовності,індуктивний опір
цехової кабельної лінії, реактивний опір автоматичного вимикача, індуктивний
опір магістрального шинопроводу, опір енергосистеми
|
|
ВСТУП
В електроенергетичних системах виникають короткі замикання (КЗ) та інші
порушення нормального режиму роботи, які викликають появу електромагнітних
перехідних процесів. На підставі розрахунків і досліджень електромагнітних
перехідних процесів вирішуються практично всі важливі питання проектування та
експлуатації систем електроспоживання.
Розрахунок коротких замикань в електроустановках потрібен для вибору
електрообладнання, як силового так і обладнання вторинної комутації.
Курсова робота сприяє закріпленню та поглибленню теоретичних знань і
набуття практичних навичок розрахунку струмів КЗ при симетричних та
несиметричних КЗ. Сучасний рівень досліджень перехідних процесів вимагає
застосування ЕОМ і в курсовій роботі виконуються розрахунки КЗ з використанням
пакета прикладних програм для ЕОМ.
1. ВИБІР ВІДСУТНІХ ПАРАМЕТРІВ ОБЛАДНАННЯ
Відсутні параметри вибираємо з [1]
Таблиця 1.1 - Параметри турбогенераторів
|
Тип турбогенератора
|
Sном, МВА
|
Uном, кВ
|
cosφном
|
x"d
|
|
|
ЕС1
|
ТГВ- 2000 МТ
|
241.3
|
15,75
|
0,85
|
0,225
|
0,2744
|
|
ЕС2
|
ТВС - 32 Т3
|
31,25
|
10,5
|
0,8
|
0,13
|
0,159
|
Таблиця 1.2 - Параметри трансформаторів
|
Тип трансформатора
|
Sном, МВА
|
Напруга обмотки, кВ
|
Uк,%
|
|
|
|
ВН
|
СН
|
НН
|
ВН-СН
|
ВН-НН
|
СН-НН
|
|
АТ
|
АТДЦТН - 250000/330/158
|
250
|
330
|
158
|
10,5
|
10.5
|
54
|
42
|
|
ЕС2
|
ТРДН - 63000/110
|
63
|
115
|
10.5
|
10,5
|
10.5
|
10.5
|
-
|
|
ЕС1
|
ТДЦ -250000/110
|
250
|
121
|
-
|
15,75
|
-
|
10.5
|
-
|
2 РОЗРАХУНОК СТРУМІВ ТРИФАЗНОГО КЗ В ЕЛЕКТРОУСТАНОВКАХ НАПРУГОЮ ВИЩОЮ ЗА
1 КВ
При розрахунку струмів КЗ нехтуємо впливом активного опору кола,
насиченням магнітних кіл, впливом несиметрії трифазної системи, перехідним
опором по місцю КЗ, ємнісною провідністю ліній, зміною швидкості обертання
роторів генераторів.
2.1 Знаходження надперехідного струму трифазного
кз
Складання схеми заміщення
Схема заміщення складається за розрахунковою схемою і являє собою схеми
заміщення всіх елементів розрахункової схеми, з’єднаних між собою відповідно
розрахунковій схемі. При цьому трансформаторні зв’язки замінюють електричними з
використанням зведення опорів елементів і ЕРС до якого - небудь одного
базисного ступеня напруги.
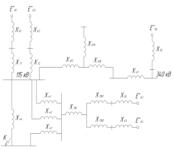
Рисунок 2.1 - Схема заміщення електричної мережі
Розрахунок опорів елементів схеми заміщення у відносних одиницях з
використанням приблизного зведення
За базисний ступінь напруги приймаємо ступінь, де знаходиться точка КЗ:б
= 115 кВ
За базисну потужність приймаємо потужність відповідно до порядку
потужності генераторів системи:б = 1000 МВА
Базисний струм на базисному ступені напруги розраховується:
Iб
=
(2.1)
Iб
=
кА
Розраховуємо опір генераторів і двигунів:
xG
= x"d ·
(2.2)
де
x"d - паспортне значення надперехідного опору генератора за віссю d,
в.о.;ном - номінальна потужність генератора, МВА= xG2 =
= xG4 =
Розраховуємо
опір трансформаторів:
=
(2.3)
де
Uk% - напруга КЗ трансформатора, %;ном - номінальна потужність трансформатора,
МВА= xT2 =
Опір двообмоткового трансформатора з розщепленою низькою обмоткою:
xTВ
= 0,125·
Н = 1,75·
xTВ=
0,125·
Н= 1,75·
Опір автотрансформатора:
XАТВс
=
АТВс =
Розраховуємо реактивний опір повітряних ліній:
xw
= x0· l·
(2.4)
де
x0 - індуктивний питомий опір, Ом/км;ном - середня номінальна напруга лінії,
кВ;- довжина лінії, км.= xW2 =
=
=
=
Визначаємо
опір системи:
xgS=
(2.5)=
Розрахунок надперехідних ЕРС синхронних генераторів
Для синхронних генераторів, які працювали до КЗ з перезбудженням відносне
значення надперехідної ЕРС E″ визначається за формулою:
E″
=
(2.6)
де
U =
, I =
;(0), I(0), φ - напруга, струм та кут зсуву фаз між ними для
доаварійного режиму СГ, кВ, кА, град. ;ном, Iном - номінальні напруга і струм
СГ, кВ, кА.
При
розрахунках ЕРС СГ слід прийняти, що генератори в доаварійному режимі працювали
з номінальними параметрами:(0) = Uном; I(0) = Iном .″g1 = E″g2 =
″g3 = E″g4 =
У
приблизних розрахунках ЕРС системи приймаємо рівною 1:″GS = 1
Визначення
результуючого опору схеми відносно точки КЗ і еквівалентної ЕРС, знаходження
надперехідного струму трифазного КЗ
Для
визначення результуючого опору схеми відносно точки КЗ і еквівалентної ЕРС
необхідно проводити перетворення схеми заміщення. Згортання схеми заміщення
відносно точки КЗ проводиться шляхом застосування стандартних формул складання
послідовних, паралельних кіл, перетворення зірки у еквівалентний трикутник і
навпаки.
(2.7)
(2.8)
(2.9)
(2.10)
Рисунок
2.2 - Схема заміщення після застосування стандартних формул складання
послідовних і паралельних кіл
(2.11)
Надперехідний
струм трифазного КЗ визначається за формулами:
"kg1=
(2.12)
"kg1
=
кА
"kg2=
(2.13) "kg2=
кА
"kgs=
(2.14)
"kgs=
кА
кА (2.15)
2.2 Знаходження діючого значення періодичної
складової струму КЗ для моментів часу t = 0.1 c; t = 0.5 c; In0,1; In0,5
Діюче значення періодичної складової струму КЗ для моменту часу t Int
визначають з урахуванням електричної віддаленості генераторів гілки від точки
КЗ.
Для цього потрібно знайти відношення
- для
кожної вітки. Струм КЗ Inо знаходиться за формулою (2.26), а струм Iном - за
формулою:
ном
=
(2.16)
де
Sном∑ - сумарна номінальна повна потужність всіх генераторів вітки, МВА;б
- напруга базисного ступеня, де виникло КЗ, кВ.
Iном1
=
кАном2 =
кАномgs
=
кА
кА;
кА;
кА.
.25
та 24.8 > 1, це означає, що ці точки КЗ електрично невіддалені від
генераторів цих віток і струм Int необхідно визначити з використанням методу
типових кривих [4]. За типовими кривими для заданного моменту часу t знаходимо
відношення
= γt і потім Int:
Int = γt · Inо (2.17)
Для I1 : γ0,1 = 0.88, γ0,5 =
0.9
I1n0,1 = γ0,1 · I1nо = 0.88 · 7.7 = 6.8 кАn0,5 =
γ0,5 · I1nо =
0.9 · 7.7 = 6.9 кА
Для I2 : γ0,1 = 0.8, γ0,5 = 0.75
I2n0,1 = γ0,1 · I2nо = 0,8 · 7.8 = 6.24 кАn0,5 =
γ0,5 · I1nо =
0.75 · 7.8 = 5.85 кА
Для IномGS: 0,15 < 1, це відповідає значній електричній віддаленості
КЗ від генераторів та струм Int буде дорівнювати:
= Inо (2.18)
,1 = In0,5 = Inо = 1.4 кА
2.3 Знаходження ударного струму КЗ, iу
Ударний струм КЗ від генераторів кожної вітки визначаємо за формулою:
iу
=
· kу · Inо (2.19)
де
kу - ударний коефіцієнт, який визначається з [2].уgs =
· 1,965 · 7.8 = 21.6 кАуg1 =
· 1,6 · 7.7 = 17.3 кАуg2 =
· 1,78 · 1.4 = 3.5 кА
2.4 Знаходження I" методом вузлових потенціалів
за допомогою ЕОМ (програма Емаг1)
Вихідна
схема заміщення з заданою точкою КЗ приводиться до виду зручного для
моделювання на ЕОМ.
Рисунок 2.3 - Схема для моделювання на ЕОМ
Вузли в схемі нумеруються в довільному порядку, також довільно визначаються
напрямки струмів у міжвузлових вітках, але номер вузла, номер ЕРС джерела та
номер опора вітки джерела повинні співпадати. Точка КЗ моделюється вводом у
схему фіктивної вітки джерела з ЕРС рівною 0 та опором джерела, рівним за
значенням додатковому опору Δx(n) . Для трифазного КЗ Δx(n) = 0.
Згідно методу вузлових потенціалів розраховуються струми у міжвузлових
вітках (I) і у вітках джерел (і).
Вихідними даними для розрахунків є:
1. Кількість вузлів у схемі - N = 4;
2. Кількість міжвузлових віток у схемі - M = 4;
. Матриця П - форми, яка формується наступним чином:- елемент
матриці дорівнює +1, якщо струм Ij у j - ій вітці направлений від вузла і;
дорівнює -1, якщо струм Ij направлений до вузла і; дорівнює 0, якщо струм Ij не
зв’язаний з вузлом і.
.
Матриця - стовпчик ЕРС джерел
│Е│=
(E”g1, Еg2, Еgs, 0) (2.20)
│Е│=
(1, 06; 1,1; 1; 0);
.
Діагональна матриця опорів віток джерел
│х│=
(Х1, Х2, Х5, Х3) (2.21)
│х│=
(0,68; 0.72; 3.57; 0);
.
Діагональна матриця опорів міжвузлових віток
│Z│=
(Z1, Z2, Z3, Z4) (2.22)
│Z│=
(0; 0; 0; 0);
.
Базисний струм
Іб
= 5.02 кА
.
Коефіцієнт несиметрії, m(n)(3) = 1
Результати
розрахунків:
Струм
у вітці 1 І = -12.26 кА;
Струм
джерела 1 і = 7.83 кА;
Струм
у вітці 2 І = -4.56 кА;
Струм
джерела 2 і = 7.7 кА;
Струм
у вітці 3 І = -3.18 кА;
Струм
джерела 3 і = 1.4 кА;
Струм
у вітці 4 І = -20.1 кА;
Струм
джерела 4 і = -16.9 кА;
3. РОЗРАХУНОК НЕСИМЕТРИЧНОГО КЗ В ЕЛЕКТРОУСТАНОВКАХ НАПРУГОЮ ВИЩЕ 1КВ
3.1 Знаходження надперехідного струму
однофазного КЗ
Складання схем заміщення прямої, зворотньої та нульової послідовностей і
розрахунок опорів їх елементів
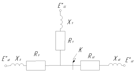
На рисунку 3.1 зображена розрахункова схема електричної мережі та точка
однофазного КЗ. Для заданого виду і місця КЗ складають схеми заміщення прямої,
зворотньої та нульової послідовностей. Схема заміщення прямої послідовності
відповідає схемі, яка складається для розрахунку трифазного КЗ. У схемі
враховується ЕРС усіх генеруючих елементів. Опори елементів схеми заміщення
прямої послідовності визначаємо за такими ж формулами, що і опори елементів при
симетричному КЗ.
Рисунок 3.1 - Схема заміщення прямої послідовності
Iб
=
(3.1)
Iб
=
кА″G1 = E″G2 = 1,06″G3 = E″G4
= 1,1″S = 1
Опори
схеми заміщення прямої послідовності відповідають опорам, розрахованих у
розділі 2.
Схема
заміщення зворотньої послідовності подібна схемі заміщення прямої
послідовності, але ЕРС усіх генеруючих елементів дорівнює нулю.
Значення
опорів зворотньої послідовності генераторів обчислюються за формулою:
(3.2)
х2G1
= х2G2 =
х2G3
= х2G4 =
Опори
трансформаторів, повітряних та кабельних ліній у схемі зворотньої послідовності
відповідають їх величинам у схемі прямої послідовності.
Рисунок
3.2 - Схема заміщення зворотньої послідовності
Складання
схеми заміщення нульової послідовності треба починати від точки КЗ, послідовно
простежуючи шляхи протікання струмів нульової послідовності. У схему заміщення
увійдуть лише ті елементи схеми, через які протікають струми нульової
послідовності. Схема нульової послідовності в значній мірі визначається
з’єднанням обмоток трансформаторів і автотрансформаторів.
Опір
нульової послідовності синхронного генератора х0 ≈ (0,15 ÷ 0,16)
x"d. Але, як правило, генератор
підключається до обмотки трансформатора, з’єднаної у трикутник, тому струми
нульової послідовності крізь генератори не протікають і їх опір в схемах
нульової послідовності не враховують. Опір нульової послідовності
трансформаторів і автотрансформаторів визначається конструкцією трансформатора
та схемою з’єднання обмоток [2] .
Опір
нульової послідовності повітряної лінії х0 значно перебільшує опір прямої
послідовності х1.
Рисунок
3.3 - Схема заміщення нульової послідовності
В
практичних розрахунках звичайно приймають:
одноколова
лінія зі сталевими тросами:
х0
= 3,5 · хw (3.3)
W1
= 1.2·3.5 = 4.2W3 = 1.8·3.5=6.3W4 = 3.5· 2.1 = 7.4W5 = 3.5·
0.07 = 0.25
(3.4)
де:
Визначення
результуючих опорів схем прямої, зворотньої та нульової послідовностей відносно
точки КЗ і еквівалентної ЕРС, знаходження надперехідного струму однофазного КЗ
Результуючі
опори прямої, зворотньої та нульової послідовностей визначаються за схемами
заміщення відповідних послідовностей шляхом перетворення їх відносно точки КЗ.
Знайдемо
результуючий опір прямої послідовності і еквівалентну ЕРС:
Рисунок
3.4 - Схема заміщення прямої послідовності після застосування стандартних
формул складання послідовних і паралельних кіл
х1
= 0.68
х2
= 0.72
x6
=
(3.5)
=
(3.6)
=
(3.7)
=
x7+x4 (3.8)
=0.42+2.65=3.07
=
(3.9)
(3.10)
Рисунок
3.5 - Схема заміщення прямої послідовності після застосування стандартних
формул складання послідовних і паралельних кіл
(3.11)
(3.12)
Рисунок
3.6 - Найпростіша схема заміщення прямої послідовності
Знайдемо
результуючий опір зворотньої послідовності
Рисунок
3.7 - Схема заміщення зворотньої послідовності після застосування стандартних
формул складання послідовних і паралельних кіл
(3.13)
(3.14)
(3.15)
(3.16)
Рисунок
3.8 - Схема заміщення зворотньої послідовності після застосування стандартних
формул складання послідовних і паралельних кіл
Рисунок
3.9-Найпростіша схема заміщення зворотньої послідовності
(3.17)
Знайдемо
результуючий опір нульової послідовності
надперехідний
напруга енергосистема несиметричний
Рисунок 3.10 - Схема заміщення нульової послідовності після застосування
стандартних формул складання послідовних і паралельних кіл
(3.18)
(3.19)
Перерахуємо
опори обмоток автотрансформатора:
(3.20)
(3.21)
(3.22)
(3.23)
(3.24)
(3.25)
(3.26)
(3.27)
(3.28)
(3.29)
Рисунок
3.11 - Найпростіша схема заміщення нульової послідовності
(3.30)
Згідно
правила еквівалентності прямої послідовності [2] несиметричне КЗ можна
розглядати як симетричне, але електрично віддалене від реальної точки КЗ на
додатковий опір (шунт) Δх(n) , який залежить від виду КЗ “n”.
=
· Iб (3.31)
= m(n) ·
(3.32)
де
I
- діюче значення надперехідного струму прямої
послідовності несиметричного КЗ виду “n”, кА;″рез - еквівалентна ЕРС, що
визначається зі схеми прямої послідовності, в.о.;рез - результуючий індуктивний
опір схеми прямої послідовності відносно точки КЗ, в.о.;
Δх(n) - додатковий індуктивний опір, який визначається за видом КЗ,
в.о.;
- надперехідний струм n - го виду КЗ;(n) -
коефіцієнт, який залежить від виду КЗ:
=
=1.54
Додатковий
індуктивний опір для однофазного КЗ визначається за формулою:
=
(3.33)
=
де
x2рез - результуючий індуктивний опір схеми зворотньої послідовності відносно
точки КЗ, в.о.;рез - результуючий індуктивний опір схеми нульової послідовності
відносно точки КЗ, в.о.
=
кА
=
кА
3.2 Знаходження ударного струму однофазного КЗ,
iу(1)
Ударний струм при несиметричному КЗ розраховується як і при трифазному КЗ
(2.19)
i
=
(3.34)
=
кА
3.3 Знаходження I" методом вузлових потенціалів
за допомогою ЕОМ (програма Емаг1)
Вихідна
схема заміщення прямої послідовності з заданою точкою КЗ приводиться до виду
зручного для моделювання на ЕОМ.
Рисунок 3.12 - Схема для моделювання на ЕОМ
Вузли в схемі нумеруються в довільному порядку, також довільно
визначаються напрямки струмів у міжвузлових вітках, але номер вузла, номер ЕРС
джерела та номер опора вітки джерела повинні співпадати. Точка КЗ моделюється
вводом у схему фіктивної вітки джерела з ЕРС рівною 0 та опором джерела, рівним
за значенням додатковому опору Δx(n) . Для трифазного КЗ Δx(n) = 0.
Згідно методу вузлових потенціалів розраховуються струми у міжвузлових
вітках (I) і у вітках джерел (і).
Вихідними даними для розрахунків є:
. Кількість вузлів у схемі - N = 4;
2. Кількість міжвузлових віток у схемі - M = 4;
3. Матриця П - форми, яка формується слідуючим способом:- елемент
матриці дорівнює +1, якщо струм Ij у j - ій вітці направлений від вузла і;
дорівнює -1, якщо струм Ij направлений до вузла і; дорівнює 0, якщо струм Ij не
зв’язаний з вузлом і.
4.
Матриця - стовпчик ЕРС джерел
│Е│=
(Е1, Е2, Е3, Е4) (3.35)
│Е│=
(1.08; 1; 1,1; 0);
.
Діагональна матриця опорів віток джерел
│х│=
(X1, X2, X3, X4) (3.36)
│х│=
(0,68; 0.72; 2,65; 1,06);
.
Діагональна матриця опорів міжвузлових віток
│Z│=
(Z1, Z2, Z3, Z4) (3.37)
│Z│=
(0; 2,1; 1.8; 1.2);
.
Базисний струм
Іб
= 5,02 кА
8. Коефіцієнт несиметрії, m(n)
m(1,1) = 1.54
Результати розрахунків:
Струм у вітці 1 І = -0.852 кА; Струм у вітці 3 І = 1.238 кА;
Струм джерела 1 і = 1.61 кА; Струм джерела 3 і = 0.892 кА;
Струм у вітці 2 І = 0.346 кА; Струм у вітці 4 І = -2.462 кА;
Струм джерела 2 і = 1.198 кА; Струм джерела 4 і = -3.70 кА;
3.4 Побудова векторних діаграм струмів КЗ і
напруг по місцю несиметричного КЗ
Граничними умовами для двофазного КЗ на землю є
;
;
Рисунок
3.13- Векторна діаграма струмів двофазного КЗ на землю
Струми
симетричних складових:
(3.38)
(3.39)
(3.40)
(3.41)
(3.42)
Напруги
симетричних складових:
(3.43)
Рисунок
3.14- Векторна діаграма напруг двофазного КЗ на землю
4.
РОЗРАХУНОК СТРУМІВ ТРИФАЗНОГО КЗ В ЕЛЕКТРОУСТАНОВКАХ НАПРУГОЮ ДО 1КВ
4.1 Розрахунок надперехідних і ударних струмів КЗ від
енергосистеми та підживлення точки КЗ
В
електроустановках до 1 кВ рекомендовано за основу брати ступінь нижчої напруги.
Розрахунок струмів КЗ здійснюють в іменованих одиницях, опори виражаються в
міліомах, потужність - у кіловольт-амперах, струм - в кілоамперах, напруга в
кіловольтах.
Точність
розрахунку струмів КЗ залежить від того, наскільки вірно було оцінено й повно
враховані всі опори кола КЗ. Розрахунок струмів КЗ необхідно починати із
складання схеми заміщення, котра включає всі елементи короткозамкненого кола.
Необхідно враховувати активні і індуктивні опори ліній, шинопроводів, силових
трансформаторів, первинних обмоток трансформаторів струму, струмових котушок
автоматичних вимикачів, активний опір дуги в місці КЗ і різних контактних
з’єднань. Система вводиться в схему заміщення як джерело з постійним ЕРС і
нульовим внутрішнім опором.
Складаємо
схему заміщення.
Рисунок
4.1 - Схема заміщення
Номінальний
струм системи визначається:
ном
=
(4.1)
де
Sном т - номінальна потужність трансформатора, кВАном - номінальна напруга
системи:ном = 0,4 кВном =
кА
Розрахунок
опорів
Опори
кабельних ліній розраховуються:
= 
(4.2)
де
- індуктивний питомий опір, мОм/м;
- довжина
кабельної лінії, м;
-
індуктивний опір кабельної лінії, мОм
(4.3)
де
- активний опір кабельної лінії, мОм;
-
активний питомий опір, мОм/м
= 0,084 ∙
10 = 0,84 мОм
= 0,084 ∙
15 = 1,26 мОм
= 0,084 ∙
20 = 1,68 мОм
= 0,084 ∙
10 = 0,84 мОм
= 0,058 ·
65 = 3.77 мОм
= 2,4 ·
10 = 24 мОм
= 2,4 ·
15 = 36 мОм
= 2,4 ·
20 = 48 мОм
= 2,4 ·
10 = 24 мОм
= 0,13 ·
65 = 8.45 мОм
Опори
автоматичних вимикачів - задані величини:
ха5
= 0,55 мОма5 = 0,74 мОм
Опори
шинопроводів розраховуються на основі значень активного і індуктивного опору,
віднесених до одиниці довжини шинопроводу:
хшр
= x0шр · lшр (4.4)
де
x0шр - індуктивний питомий опір шинопроводу, мОм/м
шр
= r0шр · lшр (4.5)
де
r0шм - активний питомий опір шинопроводу, мОм/м
хшр1
= 0,13 · 3 = 0,39 мОм
хшр2
= 0,13 · 2 = 0,26 мОм
хшр3
= хшр4 = 0,13 · 2 = 0,26 мОмшр1 = 0,1 · 3 = 0,3 мОмшр2 = 0,1 · 2
= 0,2 мОмшр3 = rшр4 = 0,1 · 2 = 0,2 мОм
Повний,
активний та індуктивний опір силового трансформатора, що приведено до ступені
нижчої напруги:
т
=
· 106 (4.6)т
=
· 106 (4.7)
де
ΔPk
- втрати КЗ в трасформаторі, кВт
хт
=
(4.8)
т=
мОмт=
мОм
хтр
=
мОм
Опір
системи приймається рівним нулю, бо в даному випадку система розглядається як
джерело нескінченної потужності:
хс
= 0 мОм
Опори
автоматичного вимикача А вибираються з довідника [3] за номінальним значенням
струму (4.1):
ха
= 0,05 мОма = 0,1 мОм
Опір
дуги:д = 20 мОм
Активний
опір асинхронного двигуна визначається за формулою:
АД
= r1 + 0,96 ∙ r2 (4.9)=
(4.10)=
(4.11)ном
=
(4.12)
∆Pмех
= 0,01 ∙ Pном (4.13)
∆Pмех
= 0,1 ∙ 55 = 5,5 кВтном =
= 100,92
кА=
= 54,78 мОм
r2
=
= 56,98 мОмАД = 54,78 + 0,96 ∙ 56,98 = 109,5 мОм
Індуктивний
опір асинхронного двигуна визначається за формулою:
АД
=
(4.14)
АД
=
= 316,2 мОм
Для
визначення результуючого опору схеми відносно точки КЗ необхідно проводити
перетворення схеми заміщення. Згортання схеми заміщення відносно точки КЗ
проводиться шляхом застосування стандартних формул складання послідовних,
паралельних кіл, перетворення зірки у еквівалентний трикутник і навпаки.
Рисунок
4.2 - Схема заміщення після застосування стандартних формул складання
послідовних і паралельних кіл
(4.15)
мОм
(4.16)
мОм
(4.17)
мОм
(4.18)
мОм
(4.19)
мОм
(4.20)
мОм
(4.21)
мОм
(4.22)
мОм
(4.22)
мОм
(4.23)
мОм
(4.24)
мОм
(4.25)
мОм
(4.26)
мОм
(4.27)
мОм
(4.28)
мОм
(4.29)
мОм
(4.30)
мОм
(4.31)
мОм
Рисунок
4.3 - Схема заміщення після застосування стандартних формул складання
послідовних і паралельних кіл
(4.32)
мОм
(4.33)
мОм
Рисунок
4.4 - Схема заміщення після перетворення зірки в еквівалентний трикутник
Надперехідна ЕРС системи визначається
(4.34)
В
Надперехідна ЕРС асинхронного двигуна визначається за формулою:
Е
= 0,9 ∙
(4.35)
В
Надперехідний струм трифазного КЗ від системи визначається:
(4.36)
кА
Надперехідний
струм підживлення точки КЗ асинхронними двигунами визначається за формулою:
(4.37)
кА
Ударний
струм від системи:
(4.38)у
= 1 + e
(4.39)
Та
=
(4.40)
Та
=
су =
кА
Ударний
струм від АД:
(4.41)
(4.42)
Та
=
(4.43)
Та
=
с
кА
ВИСНОВКИ
Розрахунок перехідних процесів - це необхідна умова рішення багатьох
задач, які виникають під час проектування і експлуатації систем
електропостачання. Ці задачі зв’язані з дослідженням електромагнітних
перехідних процесів, вибором принципів дії автоматичних засобів протиаварійного
керування, аналізом електромеханічних перехідних процесів з метою розробки
методів для забезпечення безперервної роботи промислових підприємств в різних
режимах системи електропостачання.
На основі дослідження і розрахунків перехідних процесів практично
вирішуються найважливіші питання проектування, спорудження та експлуатації
систем електропостачання:
вибір економічно вигідних систем передачі, розподілення та споживання
електричної енергії;
випробування апаратури і систем електропостачання в перехідних режимах;
визначення часу протікання перехідного процесу та його вплив на змінення
параметрів елементів системи;
забезпечення стійкості зміни одного режиму іншим;
оцінка стійкості режиму, який настав після закінчення перехідного
процесу.
На основі досліджень і розрахунків перехідних процесів слід проектувати
такі системи електропостачання, в яких перехідні процеси закінчувались би
бажаним стійким нормальним режимом.
З урахуванням перехідного процесу повинні забезпечуватись такі змінення
параметрів режиму системи електропостачання, за яких не знижувались би суттєво
показники електропостачання. Тому дуже важливе зменшення часу протікання
перехідного процесу, виключення можливості виникнення нових перехідних
процесів, забезпечення зміни перехідного процесу надійним режимом.
Для вирішення складних задач і проведення традиційних розрахунків
перехідних процесів в наш час широко застосовуються засоби обчислювальної
техніки.
Великі можливості при дослідженні і розрахунку перехідних процесів дають
методи моделювання і експериментального дослідження реальних систем
електропостачання.
Таблиця 4.1 - Результати розрахунків струмів кз в електричних установках
напругою вище та до 1 кВ
|
Місце та тип КЗ
|
I”кз
|
iy
|
|
ЕУ (U>1 кВ) симетричне
кз
|
19.4 кА
|
42.4 кА
|
|
ЕУ (U>1 кВ) несиметричне
кз
|
3.6 кА
|
9.54 кА
|
|
ЕУ (U<1 кВ)
|
От GS: 4.55 кА
|
От АД: 1.78 кА
|
От GS: 6.44 кА
|
От АД: 2.2 кА
|
|
|
|
|
|
ПЕРЕЛІК ВИКОРИСТАНОЇ ЛІТЕРАТУРИ
1. Б.Н.
Неклепаев, И.П. Крючков. Электрическая часть электростанций и подстанций:
Справочные материалы для курсового и дипломного пректирования. - М.:
Энергоатомиздат,1989. - 608с.
2. Переходные
процессы в системах электроснабжения: Учебник / В.Н. Винославский, Г.Г. Пивняк,
Л.И. Несен и др.; под ред. В.Н. Винославского. - К.: Вища шк. 1989. - 422с.
3. Справочник
по проектированию электроснабжения / / Под ред. Ю.Г. Барыбина и др. - М.:
Энергоатомиздат, 1990. - 576 с.
. Гост
27514 - 87. Короткие замыкания в электроустановках. Методы расчета в
электроустановках переменного тока напряжением свыше 1 кВ. Госстандарт. М.,
1988.
. Стп
15-96. Стандарт підприємства. Пояснювальна записка до курсових і дипломних
проектів. Вимоги і правила оформлення.
. Правила
устройства электроустановок / Минэнерго СССР - 6-е изд., перераб. и доп. - М.:
Энергоатомиздат, 1987. - 648с.
. Ульянов
С.А. Электромагнитные переходные процессы в электрических системах. - М.:
Энергия, 1970 - 520с.
. Методичні
вказівки до лабораторних робіт з дисципліни Електромагнітні перехідні процеси
Укл.: І.Ю. Война. Запоріжжя: ЗДТУ, 1999. - 36 с.