|
ВВ/TEL-10-20-630
|
|
 , В , А , А
|
|
|
|
2000
|
250
|
180000
|
8. Розрахунок та побудова зовнішніх
та регулювальних характеристик перетворювача
Побудова зовнішніх характеристик
перетворювача [1,10]:
У режимі безперервного струму
навантаження 
:
(8.1)
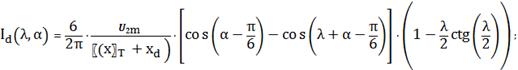
У режимі граничного струму
:
(8.2)
(8.3)
У режимі уривчастого струму 
:
(8.4)
(8.5)
де 
- приведений до вторинної обмотки
індуктивний опір розсіювання фази трансформатора;

- індуктивний опір якірного ланцюгу;

- активний опір фаз трансформатору;

- активний опір згладжуючого
реактору;
л - кут провідності вентилів
на інтервалі повторювання кривої напруги 
;

- амплітуда лінійної напруги;
(8.6)
(8.7)

(8.9)

Рис. 8.1. Зовнішні
характеристики перетворювача у режимі безперервного струму (для 
).
9. Розрахунок та побудова
енергетичних характеристик перетворювача
Побудова діаграми струму
мережі [2].
Коефіцієнти 
і 
для трифазної мостової с схеми
визначаються, як:
(9.1, 2)

(9.3)
Рис. 9.1. Діаграма струму мережі.
Побудова спектру гармонік 
Діюче значення кожної
гармоніки визначаються:

(9.4)
де 
- кут керування ( для даної схеми 
).
Рис. 9.2. Спектр гармонік 
.
Побудова графіків залежностей
складових потужності від кута керування [1].
Повна потужність, яка
споживається з мережі, без урахування втрат:
(9.5)
Повна потужність без врахування
спотворення:
Активна потужність:

(9.6)
Рис. 9.3. Графік залежності 
для 
Реактивна потужність:

(9.7)
Рис. 9.3. Графік залежності 
для 
Потужність спотворення:
(9.8)
Повна потужність з урахуванням
спотворень:
(9.9)
Рис. 9.4. Графіки залежності 
для 
Побудова графіків залежностей
коефіцієнтів потужності 
, зсуву 
та спотворення 
:
(9.10)
(9.11)
(9.12)
Рис. 9.5. Графіки залежностей

, 
та 
.
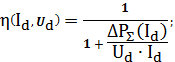
Побудова графіків залежностей
ККД від струму 
, та напруги 
:
(9.13)
де 
- сумарні втрати потужності у
перетворювачі.
Сумарні втрати потужності у
перетворювачі:

(9.14)
де 
, 
, 
, 
- втрати потужності відповідно в
трансформаторі, реакторах, вентилях та захисних елементах.
Втрати потужності в
трансформаторі:
(9.15)
де 
, 
- втрати потужності холостого ходу
та короткого замикання трансформатору.
Втрати потужності в
реакторах:

(9.16)
Потужність спотворення:
де 
та 
- відповідно втрати потужності в
згладжуючи та зрівнювальних реакторах, що розраховуються як:
Втрати потужності у вентилях:

(9.17)
де 
- число вентилів у схемі (
;
Втрати потужності у захисних
елементах:

(9.18)
де 
, 
, 
- відповідно втрати потужності у
резисторах додаткового діодного мосту та RC - контурів, якими охоплені тиристори;
Рис. 9.6. Графік залежності
ККД від струму 
.
Рис. 9.7. Графік залежності
ККД від напруги 
.
перетворювач
трансформатор реактор
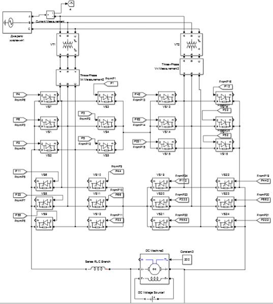
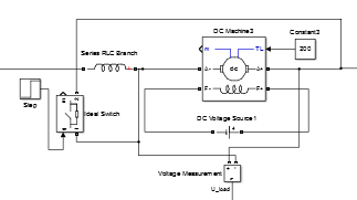
10. Моделювання роботи перетворювача
Моделювання роботи
перетворювача забезпечує, достатню для аналізу, візуалізацію побудови системи
керування перетворювача та його роботу взагалі. Для моделювання даного
перетворювача використовуємо пакет MATLAB-Simulink. В результаті моделювання
отримаємо осцилограми: струму живлення, струму та зворотної напруги на
тиристорі VS1, струму та напруги на навантаженні. Модель перетворювача буде
досліджено при роботі на активно-індуктивне навантаження без електродвигуна та
з електродвигуном для нормального та аварійного режиму роботи. Кут керування
при моделюванні 


Рис. 10.2. Блок-схема
10.1 Нормальний режим роботи
перетворювача
Рис. 10.3. Осцилограми струму
живлення, струму та напруги на навантаженні (без двигуна).
Рис. 10.4. Осцилограми струму та
зворотної напруги на тиристорі VS1 (без двигуна).
Рис. 10.5. Осцилограми струму
живлення, струму та напруги на навантаженні (з двигуном).
Рис. 10.6. Осцилограми струму та
зворотної напруги на тиристорі VS1 (з двигуном).
.2 Аварійний режим роботи
перетворювача
В якості аварійного режиму
змоделюємо внутрішнє коротке замикання тиристора VS5 фази С та коротке
замикання всього навантаження. Забезпечуємо вказаний режим за допомогою ключа,
що в певний момент часу шунтує потрібний тиристор або навантаження. За час
настання аварії приймемо половину часу моделювання (tк.з.=0.1 с.).
Рис. 10.7. блок-схема забезпечення
короткого замикання на тиристорі VS7.
Рис. 10.8. Осцилограми струму
живлення, струму та напруги на навантаженні (без двигуна) при к.з. на тиристорі
VS7.
Рис. 10.10. Осцилограми струму та
зворотної напруги на тиристорі VS9 (без двигуна) при к.з. на тиристорі VS7.
Рис. 10.12. Осцилограми струму
живлення, струму та напруги на навантаженні (з двигуна) при к.з. на тиристорі
VS7.
Рис. 10.14. Осцилограми струму та
зворотної напруги на тиристорі VS9 (з двигуном) при к.з. на тиристорі VS7.
Також змоделюємо такий аварійний
режим, як к.з. на навантаженні перетворювача. Струм під час такого аварійного
режиму описується наступним чином [2].
Миттєве значення струму в будь-який
момент часу:
(10.1)
де 
та 
- відповідно доаварійний струм та
усталений струм к.з.;

- постійна часу 
.
Усталене значення струму к.з.
перетворювача:
(10.2)
де 
- приведений до вторинної сторони
сумарний реактивний опір фази.
Рис. 10.16. блок-схема
забезпечення короткого замикання навантаження.
Рис. 10.18. Осцилограми
струму та зворотної напруги на тиристорі VS9.
Рис. 10.17. Осцилограми
струму та напруги на навантаженні під час к.з. навантаження.
Висновки
В даній курсовій роботі був
розрахований перетворювач змінного струму в постійний.
У пояснювальній записці наведений
аналіз роботи схеми перетворювача та приведені розрахунки перетворювального
трансформатору, тиристорів, згладжуючого реактору, елементів захисту від перенапруг,
елементів захисту від аварійних струмі та виконаний вибір цих елементів за
розрахованими значеннями.
Також були розраховані та побудовані
зовнішні, регулювальні та енергетичні характеристики перетворювача.
За допомогою використання
програмного пакету MATLAB-Simulink здійснено моделювання схеми перетворювача в
нормальному та в аварійному режимах. По отриманим осцилограмам проведений
аналіз роботи перетворювача в аварійному режимі.
Розроблена та приведена принципова
електрична схема перетворювача з всіма елементами захисту.
Література
1. Сіноліций А.П., Філіпп Ю.Б.,
Кольсун В.А. Методичні вказівки до виконання курсового проекту з дисципліни
«Керовані перетворювачі автоматизованих електроприводів». - Кривий Ріг: ДВНЗ
«КНУ», 2011. -100 с.
2. Полупроводниковые
выпрямители /Е.И. Беркович, В.Н. Ковалев, Ф.И. Ковалев и др./ Под ред. Ф.И.
Ковалева и Г.П. Мостковой. - М.: Энергия,
1978 -448 с.
. Чебовский О.Г., Моисеев
Л.Г.. Недошивин Р.П. Силовые полупроводниковые приборы: Справочник. - М.:
Энергоиздат, 1985. -400 с.
4. Шипилло В.П., Автоматизированный
вентильный электропривод. -М.: Энергия,
1969. -400 с.