Система управління імпульсного перетворювача постійної напруги
Вступ
Принцип дії і характеристики
імпульсного підвищувального перетворювача постійної напруги
Принцип дії імпульсних
перетворювачів постійної напруги (ІППН) полягає в періодичному підключенні та
відключенні (комутації) кола навантаження до первинного джерела електроенергії
з напругою
.
Здійснюється це за допомогою електронних силових ключів - транзисторів, діодів,
тиристорів. Середні напруга
та струм
навантаження
залежать від проміжків часу підключення джерела напруги
до
накопичувального елемента схеми ІППН.
Період перетворення
.
;
- час розімкненого стану ключа;
-час замкненого стану ключа (енергія
від джерела
надходить до
схеми)
- відносна тривалість імпульсу.
При зміні
можна
досягти стабілізації або відрегулювати вихідну напругу ІППН. Даний спосіб
регулювання напруги при постійній частоті проходження імпульсів називається
широтно-імпульсною модуляцією (ШІМ).
ІППН в порівнянні зі
стабілізаторами безупинної дії має такі переваги:
· Більший коефіцієнт
корисної дії (ККД).
· Менші маса та
габарити.
ІППН в порівнянні зі стабілізаторами
безупинної дії має такі недоліки:
· Наявність пульсацій
та додаткових перешкод, що зумовлено імпульсним регулюванням.
· Гірші динамічні
характеристики.
· Відносна
складність.
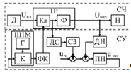
Структурна схема ІППН показана на
рис. 1.1.
Рис.1.1
Складові частини структурної схеми
ІППН:
ІР - імпульсний регулятор, через
який енергія передається від джерела Д до навантаження Н; Д - джерело; Н -
навантаження; ДН - дільник напруги; ДС - датчик струму; СЗ - струмовий захист;
ПН - підсилювач неузгодженості; ШІМ - широтно-імпульсний модулятор; ФК -
формуючий каскад. ІР містить: Кл - силові ключі; Ф - фільтруючі реактивні
елементи. ШІМ містить: Г - генератор трикутної напруги; К - компаратор.
Силову частину СЧ ІППН
утворюють електричні кола, що містять елементи ІР і з'єднують джерело Д з
навантаженням Н. Схема управління СУ формує сигнал управління силовими ключами
таким чином, щоб стабілізувати вихідну напругу Для цього відстежується фактичне
значення
та
порівнюється з задавальним сигналом
. Окрім цього СУ виконує функцію
струмового захисту.
Сигнал на виході ДН, що
пропорційний напрузі на навантаженні, порівнюється із сигналом
. Різниця
між
і
після
підсилення в ПН попадає на ШІМ, на виході якого утворюються прямокутні імпульси
з шириною,пропорційною напрузі регулювання
. Модульовані за шириною імпульси
надходять на ФК, який відповідно до них створює необхідний сигнал управління
силовими ключами.
Силові ключі Кл періодично
підключають з частотою перетворення джерело Д до елементів Ф, відбираючи
енергію від нього визначеними “порціями”. Завдяки згладжувальній дії Ф до
навантаження Н енергія надходить рівномірно.
Якщо струм силового ключа
перевищує певне значення, ТЗ зменшує напругу
.
Типова силова схема
знижувального ІППН, в якому використовується один керований ключ - транзистор,
показані на рис. 1.2.
Рис.1.2.
Основні принципи роботи
знижувального ІППН.
У знижувальному ІППН вихідна
напруга завжди менша за вхідну. Коли транзистор VT відкрито черговим імпульсом
струму бази
тривалістю
(рис. 1.3),
енергія від джерела
надходить до
навантаження
і
накопичується в дроселі L та конденсаторі С фільтра. Спад напруги на
транзисторі
при цьому
невеликий, порядку І В, та відповідає напрузі насичення
транзистора.
До діода VD прикладено зворотну напругу
, близьку за величиною до вхідної.
Струм дроселя
наростає за
експоненціальним законом від мінімального
до максимального
значень.
Таким же чином змінюється і
струм транзистора
. По
закінченні імпульсу
, що
відкриває, транзистор VT закривається, відключаючи дросель від джерела вхідної
напруги. Струм через нього спадає. Як тільки струм дроселя починає
зменшуватися, напругою його самоіндукції відкривається діод VD. В цей час
дросель підключений паралельно навантаженню і фільтрувальній ємності. Контур
струму замикається через діод. Струм дроселя зменшується за експоненціальним
законом від максимального до мінімального значення. Протягом даного проміжку
часу
струм діода
є струмом
дроселя. Далі, після закінчення паузи
, транзистор знову відкривається і
процеси повторюються. Струм дроселя при цьому має сталу
та змінну (
) складові.
Практично уся змінна складова цього струму проходить через конденсатор С (струм
на рис.
1.З). Стала складова замикається через навантаження. Дросель у даній схемі весь
період фільтрує вихідну напругу. Тому знижувальна схема забезпечує принципово менші
пульсації вихідної напруги в порівнянні з підвищувальною та інвертувальною.
Рис. 1.3.
Статичні характеристики ІППН
для безперервних струмів дроселя задаються у вигляді:
,
- відносна тривалість імпульсу;
- відносна величина опору втрат;
,
,
- динамічний опір відкритих
напівпровідникових ключів;
- активний опір у колі дроселя.
Для знижувального ІППН має
місце така формула:
;
На рис. 1.4 приведено
регулювальні характеристики знижувального ІППН (
) для
(безперервна
лінія) і
(пунктирна
лінія).
Рис. 1.4.
Регулювальна характеристика
знижувального IППН лінійна і слабко залежить від втрат
у колі.
Характеристики
лінійні.
При заданих
вони
визначаються коефіцієнтом передачі ІППН
. Зовнішні характеристики можна одержати,
якщо покласти
та
і змінювати
опір навантаження
.
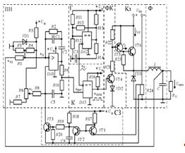
Система управління імпульсним
перетворювачем постійної напруги
Принципова схема СУ ІППН з
підключенням основних елементів силової частини показана на рис. 1.5.
Мал.1.5
Пунктирними лініями виділено
блоки, що відповідають структурній схемі на мал.1.1. Різниця між понижувальним,
підвищувальним та інвертувальним ІППН полягає в схемі ФК. На мал.1.5. показана
схема, що відповідає знижувальному ІППН.
Транзисторна пара
,
є керованим
ключем ІР (транзистор
у схемі на
мал.1.2). Керуючий струм
для нього
формується двокаскадним імпульсним підсилювачем, який виконано на транзисторі
, який
входить до схеми ФК.
Його колекторний струм
близький до
нуля, тому транзистори
,
теж
знаходяться в закритому стані. При появі на вході ФК напруги
високого
рівня, відкривається транзистор
струмом, який протікає крізь його
базу від позитивного полюса живлення СУ з напругою
крізь
резистор
. Резистори
і
потрібні
для утворення позитивних імпульсів на виходах компараторів
і
. Це
пов'язано з тим, що ці компаратори типу 521СА3 (LM111) або 554СА3 (LM311) мають
так звані виходи з відкритим колектором. Діод
потрібен для збільшення приблизно
на 0,6 В потенціалу відкривання транзистора
у схемі понижуючого ІППН. Завдяки
цьому транзистор надійно запирається компаратором
. В колі
колектор-емітер
, діод
, резистор
протікає
струм бази
. Тому
транзистор
також
відкритий. Струм колектора
надходить до бази транзистора
і відкриває
його.
Звідси робимо висновок, що
стосовно стану силового ключа
,
ФК є неінвертуючою ланкою. Коли
напруга
низького
рівня - це відповідає
закритому стану ключа,
високого рівня - відкритому. Треба сказати, що транзистори
і
повинні
мати на порядок вищу швидкодію ніж транзистор
. Це буде дотримуватися за умовою
вибору транзисторів з параметрами
МГц,
МГц.
Модульовані за шириною
імпульси
(мал. 1.6.)
створюються за допомогою компаратора, який порівнює трикутну напругу
, що
надходить на негативний вхід з напругою регулювання
з виходу
ПН, що прикладена до позитивного входу. Коли напруга
більше за
напругу
, на виході
компаратора має бути низький рівень
.
Мал.1.6
При
<
, компаратор
переключається на високий рівень
. Напруга
міняється
порівняно повільно. Напруга
, що прикладена до входу
компаратора, викликає на його виході періодичну послідовність прямокутних
імпульсів
, ширина
котрих залежить від рівня
.
Задавальний генератор Г побудовано на компараторі
. Частота
коливань генеруємої їм напруги
задає частоту перетворення. До
виходу компаратора з відкритим колектором підключено в якості навантаження
резистор
. Резистори
,
,
утворюють
коло позитивного зворотного зв'язку, завдяки якому компаратор працює як тригер
Шмітта. Елементи інерційного негативного зворотного зв'язку
і
задають
частоту коливань. Припустимо, що конденсатор
розряджено і на виході компаратора
високий рівень напруги, близький до напруги
. Дільник, який складається з
резисторів
та
, задає
рівень постійної складової напруги на неінвертуючому вході компаратора. При
він
дорівнює
. При високій
напрузі на виході на неінвертуючому вході напруга
трохи
більше за
.
Конденсатор
повільно
заряджається струмом через резистори
та
. Як тільки напруга на конденсаторі
перевищить
напругу на неінвертуючому вході
, компаратор різко переключається на
низький рівень. Конденсатор почне повільно розряджатися через резистор
. На
неінвертуючому вході при переключенні компаратора напруга знизиться до рівня
, трохи
меншого за
. При
досягненні напругою на конденсаторі рівня
, компаратор знову переключиться на
високий рівень і далі процеси будуть періодично повторюватися. На виході
компаратора при цьому буде напруга прямокутної форми, а на конденсаторі буде
напруга, що близька до трикутної -
. Її розмах дорівнює різниці порогів
переключення тригера Шмітта
, а середній рівень - половині
напруги живлення. Величина резистора
обирається такою, щоб ширина петлі
гістерезису тригера була приблизно
, тобто
;
, що і
визначає розмах
. Більше
його значення приведе до додаткової нелінійності контуру регулювання через
значну відмінність експонентної напруги від лінійно-трикутної форми. Менший розмах
обумовить
великі відхилення інтегруючого підсилювача за межі області регулювання при
перехідних процесах і меншу точність роботи компаратора ШІМ
.
Підсилювач неузгодженості ПН
містить операційний підсилювач (ОП)
, дільник зсуву (
,
), елементи
паралельного зворотного зв'язку (
,
,
,
) та обмежуючий дільник
,
. Резистори
,
та
можна
класифікувати також як дільник напруги ДН. Стабілітрон
разом з
резистором
є джерелом
опорної напруги
. Резистором
встановлюється
задавальна напруга
, що
визначає необхідну вихідну напругу ІППН.
необхідне для обмеження зміни
.
Конденсатор
разом з
резистором
визначає
постійну часу зростання задавальної напруги
с.
ОП
у даній
схемі включення являє собою інвертуючу пропорційно-інтегруючу ланку. Необхідна
амплітудно-частотна характеристика (АЧХ) створюється елементами
,
та
. Дільник
,
обмежує
максимальну напругу
у
відповідності з умовою
.
Поступаючий на вхід ПН сигнал з напругою
визначає напругу дільника
в точці
з'єднання
,
,
, що
прикладена до інвертуючого входу ОП.
2. Вхідні дані
|
Початкові дані
|
П1
|
|
Номінальна вхідна напруга , В-
|
|
|
Нестабільність середнього значення вхідної
напруги  0.2
|
|
|
Амплітуда пульсацій на вході 0.1
|
|
|
Значення вихідної напруги  , В15; 18;
24
|
|
|
Змінна складова вихідної напруги , В0.5
|
|
|
ККД
|
0.92
|
|
Частота перетворення , кГц10
|
|
3. Розрахунок
силової частини імпульсних перетворювачів постійної напруги
.1 Визначення
вхідної напруги та коефіцієнтів заповнення імпульсів
Оскільки вхідна напруга не задана,
задаємося максимальним коефіцієнтом заповнення:
Визначаємо мінімальну вхідну
напругу:
де попередньо взяте
- напруга
насичення регулюючого транзистора VT6,
- стала складова напруги uL на
дроселі (спадання напруги на його активному опорі).
Номінальна вхідна напруга:
Максимальна вхідна напруга:
Мінімальне і номінальне значення
коефіцієнтів заповнення імпульсів:

.2 Визначення
індуктивності дроселя і ємності фільтрувального конденсатора
Мінімальна індуктивність дроселя,
при якій струм залишається безупинним при мінімальному струмі навантаження,
повинна задовольняти нерівності :
Номінальна індуктивність дроселя
визначається виразом:
де
- розмах
пульсацій струму в дроселі фільтра.
Візьмемо
, тоді
Ємність конденсатора фільтра:
.3 Визначення
струмів реактивних елементів
Амплітудне та діюче значення струмів
через конденсатор П1:
Мінімальні, максимальні та
середні значення струму дроселя:
3.4 Визначення
амплітуди викиду вихідної напруги (максимально можливе значення без компенсації
регулюванням та урахування втрат)
Викид вихідної напруги
відбувається при різкому зменшенні струму навантаження від
до
. Енергія,
накопичена в дроселі при проходженні
більшого струму, при
зменшенні навантаження віддається до фільтрувальної ємності, яка заряджається
при цьому до більшої напруги.
.5 Вибір регулюючого
транзистора VT6
Умови для вибору транзистора
такі:
Відповідно до цього вибираємо
як VT6 транзистор типу KT847А, n-p-n, з параметрами:
.6 Вибір комутуючого діода
VD3
Умови для вибору діода:
Обираємо діод типу 2Д213А з
параметрами:
.7 Розрахунок
струмів регулюючого транзистора
Відпорний і
запірний струми регулюючого транзистора. Базовий струм транзистора відповідно
визначається так:
Амплітуда запірного струму
дорівнює:
де
.
.8 Визначення часу
вмикання і вимикання регулюючого транзистора
де
.
.9 Визначення втрат
потужності на регулюючому транзисторі
Втрати потужності на
регулюючому транзисторі складаються в основному із втрат потужності в режимі
насичення (статичні втрати) та при вмиканні - вимиканні транзистора (динамічні
втрати):
Потужність втрат повинна бути
меншою за потужність, яку здатен розсіяти транзистор:
.
.10 Визначення
втрат потужності на комутуючому діоді
Втрати потужності
на комутуючому діоді складаються також із статичних та динамічних утрат:
.11 Розрахунок максимальної
потужності
де
-
максимальна температура середовища;
- тепловий опір
перехід-середовище(повітря).
.12 Розрахунок параметрів і
вибір транзистора VT5
Струм колектора транзистора
можна оцінити таким чином:
Умови для вибору транзистора
VT5 такі:
Вибираємо: транзистор типу
КТ814Г, p-n-p, з параметрами:
4. Розрахунок системи
управління
.1 Розрахунок параметрів і
вибір елементів формуючого каскаду ФК
Струм колектора транзистора VT4:
де взято
.
За умовами
вибираємо як VT4 транзистор
типу КТ3151В9, n-p-n, з параметрами:
Напругу живлення Uж СУ обрано
рівною 12 В.
Як VD2 підходить будь-який
малопотужний кремнієвий діод з допустимим прямим струмом, не меншим за
максимальний струм колектора VT4 (
). Вибираємо діод КД522 з
параметрами:
. Резистор
R21 необхідний для обмеження струму колектора відкритого транзистора VT4 на
рівні
:
де
.
Резистор R16 є колекторним
навантаженням компаратора DA3 і задає струм бази транзистора VT4:
Максимальний вихідний струм
компаратора 521СА3
. Тому для
величини R16 існує обмеження:
.
.2 Розрахунок
генератора
Якщо прийняти, що ширина зони
переключення компаратора DA2 у даній схемі становить 1/3 від перепаду напруги
на його вході
, то період
коливань:
, де
- стала
часу.
Вихідна напруга
має
коливання, симетричні відносно половинного рівня напруги
. Тому опори
подільника, який задає режим,
.
Струм подільника, який
підключається до аналогового входу мікросхеми, звичайно обирається з умови:
. Для
компаратора 521СА3 (554СА3):
. Візьмемо:
. Тоді:
На неінвертувальний
вхід DА4 через резистор R13 передається 1/3 перепаду вихідної напруги, тому R13
= R11=R12 = 6,2 кОм.
Задаємося умовою
R14 = R13 і знаходимо значення частотозадавальної ємності С3:
Уточнюємо значення R14:
Опір колекторного навантаження
компаратора DA2 обираємо з умови:
Передбачається, що
точні значення частот перетворення встановлюються під час настройки ІППН,
оскільки елементи схеми мають деякий розкид параметрів.
.3 Розрахунок
підсилювача неузгодженості
Підсилювач неузгодженості ПН
виконаний на ОП DA1 загального призначення з параметрами, які відповідають
умовам
або
,
де
- залишкова
напруга ОП, яка при класичній схемі включення визначається за співвідношеннями:
Як DA1 вибираємо ОП типу
140УД6 з параметрами:
Режим DA1 у схемі ІППН задає
джерело опорної напруги на стабілітроні VD1 з баластовим резистором R5
Рекомендується . Візьмемо Uоп = 9 В. Вибираємо придатний за напругою
стабілізації малопотужний стабілітрон типу Д818Г з параметрами
. Баластовий
резистор можна визначити так:
Мінімальна задавальна напруга
визначає мінімальну синфазну напругу на входах DA1, тому візьмемо
.
Вхідний подільник ПН
складається з опорів R1, R3, R4. Деякій напрузі зворотного зв'язку изз
відповідає вхідний струм Ід, який проходить через опір R1. Максимальне значення
струму вхідного подільника з метою забезпечення достатньої точності роботи ОП
задається з умови
. Вхідний
опір ПН визначається таким чином:
Визначаємо інші елементи подільника:
,
де
.
Коефіцієнт передачі вхідного
подільника:
.
Задавальне коло
складається зі змінного опору R6, який визначає зміну заданої напруги, та
опорів R7 і R8. Задаємося величиною змінного опору:
Опір R8 служить для
компенсації спадання напруги на елементах подільника від протікання вхідних
струмів ОП:
Стала часу
повинна
бути порядку часток секунди. Приймаємо
. Тоді:
.4 Розрахунок
широтно-імпульсного модулятора
Широтно-імпульсний модулятор
виконано на компараторі DA3 типу 521СА3(554СА3). За своїми параметрами даний компаратор
підходить для роботи в схемі ІППН на частотах до 100 кГц. Обмежувальний
подільник утворено двома резисторами R9 и R10. Струм подільника вибирається з
наступних умов:
імпульс
індуктивність модулятор конденсатор
Візьмемо
.
Опори подільника
визначаються таким чином:
5. Розрахунок енергетичних
параметрів та стійкості імпульсних перетворювачів
.1 Розрахунок енергетичних
параметрів імпульсних перетворювачів
ІППН можна представити у
вигляді передаточної ланки, в якій є входи і виходи. Якщо мати на увазі основну
функцію ІППН - стабілізацію заданої величини вихідної напруги, то вхідною
величиною можна вважати напругу
, вихідною - напругу на навантаженні
. Поряд з
цими величинами можна вказати й інші, які впливають на роботу ІППН або
характеризують його параметри, наприклад: напруга живлення
, вихідний
струм
, зміна
температури навколишнього середовища. Для визначення будь-якого параметра ІППН
(або системи взагалі) потрібно як вхідні та вихідні величини розглядати ті, які
найбільше залежать від даного параметра. Наприклад, при визначенні коефіцієнта
зниження пульсацій вхідною і вихідною величинами ІППН будуть змінні складові
напруги живлення
та напруги
на навантаженні
.
Статичні параметри ІППН
характеризують його при роботі в сталому режимі або коли вхідні і вихідні
величини змінюються досить повільно. До найбільш значущих статичних параметрів
ІППН можна віднести вихідний опір
, коефіцієнт стабілізації
і коефіцієнт
корисної дії (ККД)
.
Для визначення вихідного
опору потрібно визначити залежність між збільшеннями вихідної напруги ІППН
і вихідного
струму
, тому
що
. Структурна
схема ІППН у сталому режимі показана
на рис. 5.1. На схемі
зображено кілька вхідних впливів:
- зміна задавальної напруги;
- зміна
напруги живлення;
- зміна
струму навантаження.
Рис. 5.1.
Вважається, що зміни мають
сталий характер. Вихідна величина - зміна вихідної напруги
. Спочатку
візьмемо, що
і
. Тоді
, звідки
.ПН -
статичний коефіцієнт передачі ПН, обумовлений посиленням ОП на низьких
частотах:
.
ШІМ - коефіцієнт
передачі ШІМ, який пов'язує зміну коефіцієнта заповнення γ
зі
зміною напруги регулювання Uрег на виході ПН:
.
СЧγ - коефіцієнт
передачі силової частини відносно зміни коефіцієнта заповнення при номінальному
його значенні:
.
Kε - коефіцієнт
передачі прямого зв'язку, тобто власне СУ від заданої напруги до відносної
ширини імпульсів γ
на
базі VT6 і силової частини ІППН:
.
СЧ - деякий еквівалентний
опір силової частини, який відбиває активні втрати в силових колах ІППН і
диференціальних опорах ключових елементів:
.
Коефіцієнт стабілізації
показує відносну нестабільність вихідної напруги ІППН проти нестабільності
вхідної:
,
де
- коефіцієнт
передачі силової частини відносно зміни вхідної напруги ІППН.
.
Враховуючи це,
.
Важливим показником
ефективності ІППН є ККД. Визначаємо його для номінальної вихідної напруги і
максимального струму навантаження:СЧ - втрати в силовій частині, PСУ - витрати
потужності на систему управління.
.
.2 Розрахунок стійкості
імпульсних перетворювачів
Реакція ІППН на змінні в часі
(непостійні) впливи (головним чином вхідна напруга) характеризується
динамічними параметрами. Це можуть бути параметри. перехідних процесів і
частотні характеристики. Розглянемо їх з метою визначення запасу стійкості.
Розраховані параметри елементів схем задовольняють необхідні статичні
характеристики. Разом з тим ІППН являє собою замкнуту по управлінню систему
автоматичного регулювання (CAP).
Структурна схема ІППН для
малих приростів величин показана на рис. 5.2.
Рис 5.2.
Структурні ланки позначені
передавальними функціями у формі зображень за Лапласом:
підсилювач неузгодженості:
;
широтно-імпульсний модулятор:
;
ланка запізнювання:
.
ЛАЧХ і ЛФЧХ розімкнутої по
управлінню системи ІППН відповідає підношенню збільшення вихідної напруги до
збільшення заданої напруги
. Необхідне значення вихідної
напруги дорівнює заданому. Запишемо ПФ ІППН без 33 у вигляді
.
Коефіцієнт
затухання ξ,
фільтруючого кола ІППН залежить від навантаження:
.
Спочатку визначимо частоту
ідеального резонансу силового фільтра:
.
Сталі часу розраховуємо за
частотами:
;
;
;
.
Елементи частотної корекції
ПН визначаються за спряженими частотами сформованої ЛАЧХ:
,
де за рис. 5.3
;
;
;
Побудова ЛАЧХ
Ланка запізнювання:
;
пропорційно-диференційна
ланка, яка входить до ПН:
;
інерційна ланка, яка входить
до ПН:
;
інтегруюча ланка, яка входить
до ПН:
;
коливальна ланка (силова
частина):
.
.
.
Побудова ЛАЧХ за допомогою
асимптот:
.
.
Визначаємо за рис. 5.3. та
рис. 5.4. запаси стійкості:
,
.
Рис.5.3.
Висновок
В результаті
виконання курсового проекту була розрахована система управління імпульсного
перетворювача постійної напруги.
Деякі розрахунки
були виконані за приблизними формулами, тому у реальності деякі параметри
можуть бути дещо інші. Отримані значення щодо стабілізації напруги свідчать про
досить ефективну стабілізуючу здатність ІППН. Але не було ураховано усіх
дестабілізуючих факторів. При спільній дії всіх дестабілізуючих факторів
реальна нестабільність вихідної напруги може бути порядку часток одиниць
відсотків від номінального значення.
Розрахований ККД приблизно рівний
тому, який був на меті досягнення. Але розраховані значення ККД отримано за
наближеними формулами. ККД реальних ІППН у номінальному режимі буде трохи
вищий.
При аналізі СУ ІППН були побудовані
та використані ЛАЧХ та ЛФЧХ. Аналізуючи ЛАЧХ та ЛФЧХ було досягнуто потрібних
значень параметрів, що вимагали цього.
Усі результати
розрахунків та аналіз дає можливість зробити висновок, що електронні елементи
були підібрані вірно і система управління ІППН відповідає поставленим вимогам
проектування.
Список використаної
літератури
1.
Діоди і тиристори / Під заг. ред.
О.О. Чернишова. - М.: Енергія, 1980. - 176 с.
2.
Мелешин В.І. Транзисторна
перетворювальна техніка. - Москва: Техносфера, 2005. - 632 с.
3.
Напівпровідникові пристрої: Довідник
/ Під заг. ред. М.М. Горюнова. - М.: Енергоатоміздат, 1983. - 904 с.
4.
Павлов Г.В., Обрубов А.В.,
Покровский М.В. Розрахунок систем управління імпульсних перетворювачів
постійної напруги: Методичні вказівки. - Миколаїв: УДМТУ, 2003. - 52 с.
5.
Силові напівпровідникові пристрої:
Довідник. - М.: Енергія, 1980. - 512 с.