Релейная защита и автоматика ГПП 110/6 кВ
МИНИСТЕРСТВО ОБРАЗОВАНИЯ И НАУКИ РОССИЙСКОЙ ФЕДЕРЦИИ
ФЕДЕРАЛЬНОЕ АГЕНТСТВО ПО ОБРАЗОВАНИЮ
ГОСУДАРСТВЕННОЕ ОБРАЗОВАТЕЛЬНОЕ УЧРЕЖДНИЕ
ВЫСШЕГО ПРОФЕССИОНАЛЬНОГО ОБРАЗОВАНИЯ
ТАГАНРОГСКИЙ ТЕХНОЛОГИЧЕСКИЙ ИНСТИТУТ
ЮЖНОГО ФЕДЕРАЛЬНОГО УНИВЕРСИТЕТА
Факультет естественно-научного и гуманитарного образования
Кафедра электротехники и мехатроники
КУРСОВОЙ
ПРОЕКТ
КП-ТТИ-140610-06-2012
на тему:
«Релейная защита и автоматика ГПП 110/6 кВ»
Таганрог 2012
г.
1. ЗАДАНИЕ НА
КУРСОВОЙ ПРОЕКТ
Разработать защиту силового трансформатора T1 (T2)
главной понизительной подстанции ГПП промышленного предприятия, защиту
отходящих ЛЭП 10кВ, АВР секционного выключателя.
Задание выполнить в следующем объеме:
. Пояснительная записка
.1. Рассчитать токи КЗ в объеме, необходимом для выбора уставок релейных
защит и проверки чувствительности.
.2. Выбрать места установки и типы релейной защиты.
.3. Выбрать типы трансформаторов тока, определить уставки защиты,
проверить чувствительность, выбрать типы, реле защиты.
.4. Разработать схему АВР секционного выключателя, составить
принципиальную схему АВР, выбрать типы реле.
.5. Описать порядок работы релейной защиты и автоматики разработанного
варианта.
В курсовом проекте необходимо выбрать защиты:
для линии питающей ТП-10/0,4 кВ цеха блоком линия-трансформатор;
выбрать защиты для линии 10кВ питающей ДСП мощностью 3,5 МВА, длина
кабельной линии 0,4 км; Защиту выполнить на реле РТ-80, двухрелейную;
защиту синхронного электродвигателя 10кВ мощностью 630 кВт, длина
кабельной линии 0,7 км. Защиту выполнить на микропроцессорном терминале
«СИРИУС-Д».
Для выбора защит, питающих цеховые ТП-10/0,4кВ принятьдва трансформатора
мощностью по 630 кВА, длинна кабельной линии 0,5 км, напряжение короткого
замыкания трансформатора равно 5,5%.
Сопротивление на шинах 10кВ принять, которое получилось в результате
расчётов токов короткого замыкания. Схему защиты линии 10кВ питающей цеховые
трансформаторы принять рис.10.
Для расчёта уставок АВР применить схему рис.7. Для нечётных вариантов
рассчитать уставки АВР1,для чётных вариантов АВР2.
. Графическая часть.
На отдельных листах формата А4 выполнить:
1. принципиальную электрическую схему релейной защиты силового
трансформатора ГПП;(см. приложение 1-2 методических указаний)
2. принципиальную схему защиты линии 10кВ, питающей цеховые ТП;(см.
рис.6 методических указаний)
. принципиальную схему защиты линии ДСП. ( выполнить на реле
РТ-80.);
. принципиальную схему защиты синхронного
электродвигателя.(выполнить на микропроцессорном терминале «СИРИУС-Д»
. схему АВР секционного выключателя.(см.рис. 7;8 методических
указаний)
. схему селективности релейной защиты ГПП.
Примечание: Варианты заданий приведены в табл.1, принципиальные
электрические схемы ГПП представлены на рис.1-4. В схемах вариантов, отмеченных
звездочкой, на стороне высшего напряжения ВН трансформатора вместо отделителя и
короткозамыкателя установлен выключатель (показан пунктиром).
На титульном листе должен быть указан вариант задания, в самом начале
пояснительной записки необходимо записать содержание курсового проекта, задание
на курсовой проект, исходные данные, вариант задания по ГПП (таблица 1. данные
для варианта курсового проектирования). После задания и исходных данных,
следует схема ГПП с присоединениями по низкой стороне, длинами кабельных линий
и наименованиями потребителей (цеховые ТП, ДСП, синхронный электродвигатель).
В конце курсового проекта - приложения по выбранным схемам защит
присоединений, схема(карта) селективности и использованная литература.
Исходные данные занесены в таблицу 1.
Таблица 1.Исходные данные
|
№ варианта
|
Схема рис.
|
Система
|
Сеть
|
Трансформатор T1, T2
|
Реактор LR
|
Линия W1,W2
|
|
|
SКЗ макс SКЗ мин
|
Uср.м, кВ
|
U вн, кВ
|
U нн, кВ
|
Тип и Sн,
кВ*А
|
uк, %
|
uк, % мин
|
uк, % макс
|
xр.м, Ом
|
ll, км
|
x0 , Ом/км
|
|
6
|
2
|
3000/2500
|
115
|
115 ± 16%
|
10,5-10,5
|
ТРДН-25000
|
10,5
|
9,84
|
11,72
|
-
|
30
|
0,4
|
- максимальное напряжение
(кВ);
- минимальное напряжение
6 (кВ).
Напряжение короткого замыкания трансформатора, соответствующее крайним
эксплуатационным положениям РПН:
Uк%
макс= 11,72%;
Uк%
мин = 9,84% .
Напряжение с низкой стороны трансформатора Uнн=10,5кВ.
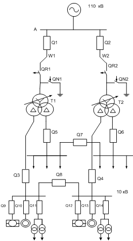
2. Принципиальная схема ГПП 110/10 кВ
Рис.1 Схема ГПП с трансформаторами ТРДН - 25000 кВА 115 ±16%/10,5Y/
-10,5
3. Выбор места установки и типа релейной защиты
Согласно ПУЭ п.3.2.51. силовой трансформатор должен
быть защищен от:
1)
многофазных
замыканий в обмотках и на выводах;
2)
однофазных
замыканий на землю в обмотках с заземленной нейтралью;
3)
витковых
замыканий обмоток;
4)
токов в обмотках
обусловленных внешних КЗ;
5)
токов в обмотках
обусловленных перегрузкой;
6)
понижения уровня
масла.
На трансформаторе мощностью 40МВА согласно ПУЭ:
п.3.2.53 устанавливается газовая защита;
·
п.3.2.54
продольная дифференциальная защита без выдержки времени;
- п.3.2.59 максимальная токовая защита с
комбинированным пуском напряжения и без него;
п.3.2.61 защита от токов в обмотках обусловленных внешними
КЗ со стороны питания и со стороны каждой секции.
3.1 Газовая защита. (Основная защита)
Газовая защита реагирует на образование газов,
сопровождающих повреждение внутри кожуха, а так же действует при чрезмерном
понижении уровня масла. Газовое реле одной парой контактов действует на сигнал,
другой парой действует на отключение силового трансформатора от источников
питания, т.е. с высокой и низкой стороны.
3.2 Продольная дифференциальная защита.
(Основная защита)
На силовых трансформаторах мощностью 16 МВА и выше, как правило, по
условиям обеспечения чувствительности монтируется (устанавливается)
дифференциальная защита трансформатора на реле ДЗТ-11, ЯРЭ-2201 или
микропроцессорные защиты трансформаторов. На трансформаторах до 16 МВА
применяют (если удовлетворяет коэффициент чувствительности) дифференциальную
защиту на реле РНТ-565. Это реле имеет меньшую стоимость по сравнению с ДЗТ-11.
Для нашего расчёта дифференциальную защиту силового трансформатора
мощностью 25 МВА принимаем на реле ДЗТ-11 и если будет удовлетворять
коэффициент чувствительности ПУЭ, то можно расчётом выбора уставок ограничиться
т.к. стоимость ДЗТ-11 ниже чем ЯРЭ-2201 и тем более микропроцессорных защит. По
надёжности работы ДЗТ-11 не уступает другим дорогим защитам. Но если коэффициент
чувствительности не будет удовлетворять ПУЭ (при сквозных токах короткого
замыкания в минимальных режимах системы и крайних положениях РПН
трансформатора, то расчёт выбора типа защит продолжается, но по другим условиям
выбора уставок срабатывания.
4. Схема замещения для расчета токов короткого
замыкания
Составляем схему замещения для расчётов короткого замыкания в
максимальном и минимальном режимах для различных положений РПН силового
трансформатора, так как схема подключения Т1 и Т2 идентичны, то составляем
схему замещения сопротивлений элементов цепи для расчётов тока короткого
замыкания только для одного трансформатора (Т1).
Рис. 2 Схемы замещения: а) для максимального режима; б) для минимального
режима; в) для среднего положения РПН минимального режима
5. Расчет токов короткого замыкания
Расчёт сопротивлений для схем замещения сопротивлений системы, (Ом):
а) в максимальном режиме
б) в минимальном режиме
Сопротивление питающей линии, (Ом)
Сопротивление силового трансформатора:
а) при среднем положении РПН
Так как силовой трансформатор с расщеплённой обмоткой, то в формуле
принимается 50% от полной мощности,
т.е.
.
б) при крайних положениях РПН
Расчёт 3-х фазного и 2-х фазного короткого замыкания в точках К-1 и К-2
для различных положений РПН, максимального и минимального режимов
энергосистемы.
Расчёт токов КЗ для максимального режима
Для двухфазного КЗ
Расчёт токов КЗ для минимального режима
Определяем ток двухфазного КЗ в минимальном режиме в точках К-1 и К-2
Расчёт токов КЗ для минимального режима при среднем положении РПН трансформатора
в точке К-2
Расчётные значения токов КЗ сводим в таблицу 2.
Таблица 2
|
Режим схемы замещения
|
Точка короткого замыкания
|
|
|
|
а) Максимальный режим
|
К-1
|
4,05
|
3,52
|
|
К-2
|
0,74
|
0,64
|
|
б) Минимальный режим
|
К-1
|
3,84
|
3,3
|
|
К-2
|
0,36
|
0,3
|
|
в) Минимальный режим, РПН в среднем положении
|
К-2
|
0,52
|
0,45
|
6. Выбор типов трансформатора тока
Определяем коэффициенты трансформации трансформаторов тока по стороне 110
кВ и 10 кВ силового трансформатора.
Первичный ток трансформатора тока по стороне 110 кВ для дифзащиты
определяется из условия
Где 1,2 - учитывает возможность длительного перегруза силового
трансформатора;
I1
т-ра - номинальный
ток силового трансформатора по обмотке 110 кВ;
Ксх=
- коэффициент схемы соединения вторичных обмоток
трансформаторов тока по стороне 110 кВ (соединены в треугольник Ксх=
), для того, чтобы во вторичных
цепях ТТ протекал номинальный ток.
Первичный ток трансформаторов тока определяем
Принимаем ближайшее стандартное значение
А. Коэффициент трансформации ТТКI = 300/5, соединение в треугольник Ксх
=
.
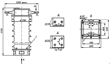
Выбираем трансформатор тока на номинальное напряжение 110 кВ в открытых
распределительных устройствах (наружной установки) типа ТФМ-110-II-У1
(трансформатор тока, с фарфоровой покрышкой, для защит) рисунок 3.
Таблица 3 - Сравнение данных ТФМ-110-II-У1
|
Условия выбора и проверки трансформатора тока
|
Расчётные величины
|
Каталожные данные
|
|
Uуст ≤ Uном
|
110 кВ
|
110 кВ
|
|
;
|
А
|
400А
|
|
|
10,5 кА
|
124 кА
|
Таким образом выбираем трансформатор тока в цепи силового трансформатора
с высокой стороны ТФМ-110-II-У1 (трансформатор тока на 110 кВ для наружных
установок, Трансформатор тока в фарфоровой покрышке маслонаполненный
предназначен для питания электрических измерительных приборов, защитных
устройств в электрических системах переменного тока частотой 50 или 60 Гц
напряжением 35-750кВ).
Первичный ток трансформаторов тока по стороне 10 кВ определяем
Ксх = 1, т.к. вторичные обмотки трансформаторов
тока соединены в звезду.
Принимаем ближайшее значение первичного тока трансформатора тока I1 = 1000А, KI = 1000/5.
Выбираю трансформатор типа ТОЛ-10-1000/5УЗ (предназначены для установки в
комплектных распределительных устройствах (КРУ) и служат для передачи сигнала
информации измерительным приборам или устройствам защиты и управления, для
изолирования цепей вторичных соединений от высокого напряжения в электрических
установках переменного тока на класс напряжения до 10 кВ частотой 50 Гц.)
рисунок 4.
Рисунок 4 - Внешний вид трансформатора тока типа ТОЛ-10 УХЛ2.1 2 0,5
1000/5
Сравнение расчётных и каталожных данных заносим в таблицу 4.
Таблица 4 - Сравнение данных ТОЛ-10-I-1
|
Условия выбора и проверки трансформатора тока
|
Расчётные величины
|
Каталожные данные
|
|
Uуст ≤ Uном
|
10 кВ
|
10кВ
|
|
;
|
990 А
|
1000 А
|
|
|
20,4 кА
|
100 кА
|
При принятых значениях КТТ токи в цепях защиты будут равны:
По стороне 110 кВ
По стороне10 кВ
Определяем ток срабатывания защиты из условий отстройки от броска тока
намагничивания силового трансформатора
,
Где Котс.бр = 1,5 (для ДЗТ-11).
Ток срабатывания реле в плече со стороны 110 кВ
Определяем расчётное число витков на стороне высокого напряжения
Принимаем W1 = 19 (витков)
по стороне 110 кВ.
Определяем расчётное число витков на стороне НН (10 кВ)
Принимаем W2 = 17 (витков) по стороне 10 кВ.
Определяем расчётное число витков тормозной обмотки реле, включаемой в
плечо защиты со стороны низкого напряжения (10 кВ)
Принимаем WТ = 9 (витков).
Уточняем ток срабатывания защиты со стороны 110 кВ, так как расчётное
число витков W1 расч= 18,5, а принятое число витков W1 = 19.
Определяем коэффициент чувствительности при КЗ в минимальном режиме в
среднем положении РПН при двухфазном КЗ (таблица 2 режим в)
Кч удовлетворяет требованиям ПУЭ и руководящим указаниям по
релейной защите трансформаторов.
Проверяем Кч при двухфазном КЗ в минимальном режиме РПН в
крайнем положении (таблица 2 режим б)
Кч удовлетворяет требованиям ПУЭ и руководящим указаниям по
релейной защите трансформаторов.
Следовательно применяю дифференциальную защиту на реле ДЗТ-11
<#"606740.files/image057.gif">
Рисунок 6 - схемы подключения реле тока: а) ДЗТ-11; б) ДЗТ-11/2; в)
ДЗТ-11/3; г) ДЗТ-11/4;д) ДЗТ-11/3
7. Максимальная токовая защита трансформатора
МТЗ предназначена для защиты трансформатора от внешних
КЗ и является резервной защитой. Время действия (время срабатывания МТЗ) должна
быть согласована с МТЗ отходящих ЛЭП-10 кВ и МТЗ секционного выключателя.
Поэтому, если на отходящих ЛЭП время срабатывания МТЗ tсз = 0,5 с (для отстройки времени перегорания плавких вставок
предохранителей цеховых ТП-10/0,4 кВ), то время срабатывания МТЗ трансформатора
устанавливаемой на высокой стороне будет равно
tсзлэп- время срабатывания МТЗ отходящей ЛЭП 10 кВ и равном 0,5 с;
tсзсв - время срабатывания МТЗ секционного выключателя равное 1,0
с.
Время срабатывания МТЗ ввода 10 кВ
Время срабатывания МТЗ устанавливаемой со стороны
обмотки 110 кВ
Окончательно принимаем время срабатывания МТЗ-110 tсзвн = 2,0 с.
Определяем ток срабатывания защиты МТЗ-110. Ток
срабатывания отстраивается от максимального рабочего тока и от тока самозапуска
высоковольтных двигателей
Котс = 1,2 - коэффициент
отстройки или коэффициент надёжности;
Кзап - 1,5÷2,0 - коэффициент самозапуска
электродвигателей, которые остаются подключенными после глубоких посадок
напряжения или исчезновении напряжения;
Кв = 0,85 - коэффициент возврата реле
РТ-40;
Iраб макс - максимальный рабочий ток при условии, что в работе
остаётся один силовой трансформатор на ГПП.
Iраб макс можно определить по расчётной полной мощности, если
неизвестна расчётная мощность, то с допустимой 40% перегрузкой силового
трансформатора.
В нашем случае максимальный рабочий ток трансформатора
определили из условия, что всю нагрузку ГПП переключили на один трансформатор,
тогда
Определяем ток срабатывания МТЗ
Проверяем коэффициент чувствительности при КЗ в точке
К-2 (на шинах 10кВ) в минимальном режиме (таблица 2 режим б)
Кч не удовлетворяет требованиям ПУЭ и руководящим указаниям по
релейной защите трансформаторов.
Поэтому необходимо применить МТЗ с блокировкой по
напряжению, в этом случае определяем ток срабатывания защиты по формуле:
а)
б)
Определяем ток срабатывания токового реле МТЗ
(подключается ко вторичным обмоткам трансформаторов тока 110 кВ соединённых в
звезду Ксх=1, КI=300/5).
а)
- выбираем токовое реле РТ-40/6 с
диапазоном уставок (1,5±6,0) А, выставляем
.
Рисунок 9 - а) внешний вид реле РТ-40; б)
электрическая схема подключения реле РТ-40.
Для того чтобы выставить ток
необходимо последовательно соединить
две обмотки реле и выставить на шкале значение 2,9 А.
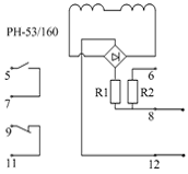
б) Определяем напряжение срабатывания реле РН-54/160
(реле подключается к вторичным обмоткам трансформатора напряжения с коэффициентом
трансформации
На реле РН-54/160 с диапазоном уставок по напряжению
(40÷160)
В выставляем Uср = 40 В.
Проверяем коэффициент чувствительности МТЗ с
блокировкой по напряжению
Кч удовлетворяет требованиям ПУЭ так как МТЗ является
резервной.
Рисунок 10 - Внешний вид реле напряжения типа
РН-54/160
Рисунок 11 - электрическая схема подключения реле РН-54/160
Для трансформаторов с расщеплённой обмоткой необходимо устанавливать МТЗ
в каждой обмотке.
Определяем ток срабатывания МТЗ с блокировкой по напряжению по стороне
10кВ в расщеплённой обмотке.
Определяем ток срабатывания реле РТ-40.
Принимаем
РТ-40/10 с пределами срабатывания
(2,5-10)А
Определяем напряжение срабатывания защиты
Напряжение срабатывания реле будет
.
Принимаем реле РН-54/160.
Проверяем коэффициент чувствительности
Где
кз двухфазный в мин. режиме приведённый к стороне 10кВ.
МТЗ 10кВ удовлетворяет ПУЭ. Эта защита является
основной защитой секции шин 10кВ. Время срабатывания защиты из условия
отстройки от времени действия защиты отходящих ЛЭП-10кВ и времени срабатывания
защиты секционного выключателя
8. Защита трансформаторов от перегрузки
Защита устанавливается на каждой расщепленной обмотке трансформатора и
действует на сигнал.
Первичный ток срабатывания МТЗ от перегрузи
Ток срабатывания реле
Выбираем реле РТ-40/6 с пределами уставок (1,5-6,0) А,
выставляем на реле Iср =4,2 А, tсз = 9 с с действием на сигнал.
На трансформаторе устанавливается газовая защита I и II ступени на реле РГ43-66 или реле Бухгольца (рисунок 12). I ступень действует на сигнал, II ступень газовой защиты на отключение
трансформатора.
Рисунок 12 - Газовое реле Бухгольца
9. 3ащита кабельной линии,
питающей силовые трансформаторы 10/0,4кВ цеха
На кабельных линиях предусматривается: МТЗ с выдержкой
времени, токовая отсечка, защита от однофазных замыканий на землю, действующих
на сигнал. В цеху установлены два трансформатора ТМ-630-10/0,4 кВ. uкз%=5,5%, длина кабельной линии L=0,5 км. (ввиду незначительной
протяжённости кабеля, сопротивлением кабельной линии можно пренебречь)
9.1 Максимальная токовая защита
Ток срабатывания защиты выбирается по условию
отстройки от максимального тока нагрузки с учетом самозапуска двигателей.
Производим расчёт на примере одной кабельной линии (к
КЛ подключены 2 трансформатора 10/0,4 кВ мощностью 630 кВА), при ремонтных
работах на одном из них в работе остаются 1 трансформатор с 40% перегрузом.
Определяем коэффициент трансформации трансформаторов
тока:
=51 А, первичный ток ТТ
= 100 А;
= 100/5 = 20. Выбираем трансформатор
тока типа ТВЛМ-10 рисунок 13.
Рисунок 13 - Внешний вид трансформатора тока типа ТВЛМ-10
Таблицу 5 - Сравнение данных ТВЛМ-10
|
Условия выбора и проверки трансформатора тока
|
Расчётные величины
|
Каталожные данные
|
|
Uуст ≤ Uном
|
10кВ
|
10кВ
|
|
;
|
51 А
|
100 А
|
Определяем
= 0,5 с: защиту выполняем по схеме
неполной звезды на реле РТ40/10, Iср = 5,4 А, диапазон регулирования (2,5÷10);
с реле ЭВ-133 (рисунок 14) с диапазоном регулирования
(0,25÷3,5)
с выставляем tсз = 0,5 с.
Рисунок 14 - Внешний вид реле ЭВ-133
Для определения Кч МТЗ необходимо
рассчитать ток КЗ в минимальном режиме за силовым трансформатором 10/0,4 кВ,
мощностью 630 кВА.
в минимальном режиме равно:
Это сопротивление на шинах 10 кВ приведённое к
напряжению 115 кВ, его необходимо привести к напряжению10,5кВ, поэтому Хс
приведённое к напряжению 10кВ будет равно
Хт-ра - сопротивление трансформатора 630
кВА, у которого Uк% = 5,5%
Определяем Кч МТЗ
МТЗ удовлетворяет ПУЭ как резервная защита
трансформаторов 630 кВА.
9.2 Токовая отсечка
При схеме работы кабельной линии, блоком с
трансформатором токовую отсечку необходимо отстроить от тока КЗ. за
трансформатором. В этом случае токовая отсечка защищает полностью кабельную
линию и часть силового трансформатора 630 кВА 10/0,4 кВ. При этом коэффициент
чувствительности проверяем при минимальном токе КЗ в месте установки ТО и Кч
≥ 2.
Определяем ток срабатывания защиты ТО по формуле
- ток КЗ за силовым трансформатором
630 кВА 10/0,4 кВ в максимальном режиме, т.е. при Хс макс
(сопротивление системы в максимальном режиме), силовой трансформатор 25 МВА в
крайнем положении РПН (Хт-раминимальное значение).
Определяем
. Сопротивление кабельной линии
ввиду её незначительной протяжённости (0,5 км) не учитываем.
Сопротивление
и
были ранее определены, но они были
приведены к напряжению 115 кВ, их необходимо привести к ступени напряжения
10,5кВ по следующей формуле (Х' - приведённое сопротивление)
= 4,4 (Ом) (см. а) Схема замещения
для максимального режима);
= 73 (Ом) (см. а) Схема замещения
для максимального режима);
Таким образом
Защиту выполняем на реле РТ-40/20 по схеме неполной
звезды.
Проверяем коэффициент чувствительности
- ток короткого замыкания в точке
К-2 (режим б) таблица 2).
= 300 (А) (ток КЗ в точке К-2 в
минимальном режиме, приведены к ступени напряжения 115 кВ).
- необходимо привести к напряжению
10,5кВ
Кч = 3,4> 2 - удовлетворяет требованиям
ПУЭ и руководящим указаниям по релейной защите.
трансформатор кабельный ток замыкание
Pиc.6. Схема защиты линия 10 кВ,
питающей трансформатор 10/0,4 кВ:
Q -
выключатель; КЛ - кабельная линия;
ТА1 - ТА3 - трансформаторы тока;
KA1 - KA5 - реле тока типа РТ-40;
КТ - реле времени типа ЭВ-122 или ЭВ-132;
К - реле промежуточное типа РП-23 или РП-25I;
КH1, КН2 - реле указательные типа
РУ-21;
КZ -
контакт реле положения выключателя "Отключено"
10. 3ащита линии, питающей дуговую сталеплавильную печь
В настоящее время во всем мире для массовой выплавки стали и ферросплава
в основном применяют дуговые сталеплавильные печи.
В них выплавляют основную часть высококачественных легированных и
высоколегированных сталей (сталей электропечного сортамента), которые
затруднительно либо невозможно выплавлять в конвертерах и мартеновских печах.
Основные достоинства дуговых печей, позволяющих выплавлять такие стали,
заключаются в возможности:
· Быстро нагреть металл, благодаря чему в печь можно вводить большие
количества легирующих добавок.
· Иметь в печи восстановительную атмосферу и безокислительные
шлаки (в восстановительный период плавки), что обеспечивает малый угар вводимых
в печь легирующих элементов.
· Возможность более полно, чем в других печах, раскислять
металл, получая его с более низким содержанием оксидных неметаллических
включений, а также получать сталь с более низким содержанием серы в связи с ее
хорошим удалением в безокислительный шлак.
· Плавно и точно регулировать температуру металла.
Выбираю печь ДСП-3 мощностью
Рисунок 16 - Внешний вид печи ДСП-3
Для защиты линий, питающих дуговые сталеплавильные
печи от междуфазных коротких замыканий предусматривается максимальная токовая
защита мгновенного действия ТО, которая осуществляется двумя реле типа РТ-80,
включенными по схеме неполной звезды. Ток срабатывания отстраивается от
номинальных токов сталеплавильной печи по формуле
Для защиты от сверхтоков перегрузки устанавливается
максимальная токовая защита с ограниченно-зависимой выдержкой времени.
Параметры выбираются такими, чтобы при токе
выдержка времени защиты была порядка
t = 10 с.
- коэффициент надёжности для реле
РТ-80;
.
Выбираем РТ-85/1:
пределы срабатывания индуктивного элемента (4; 5; 6;
7; 8; 9; 10) - выставляем уставку
;
уточняем ток срабатывания защиты МТЗ
;
определяем кратность n электромагнитного элемента
Принимаем n =2
ток срабатывания электромагнитного элемента равен
tсз = 10 при токе Iср = 6 (А), следовательно, tуст реле = 4 с при кратности тока Кр
= Iр/Iср = 2, время срабатывания будет 10 с.
Рисунок 16 а)- Внешний вид реле РТ-85/1; б)- схема соединения РТ-85/1
11. Защита синхронного электродвигателя 10кВ
мощностью 630 кВт
Назначение
Микропроцессорное устройство защиты «Сириус-Д», предназначено для
выполнения функций релейной защиты, автоматики, управления и сигнализации
синхронных и асинхронных электродвигателей напряжением 6-35 кВ. Устройство
предназначено для установки в релейных отсеках КРУ, КРУН и КСО, напанелях и в
шкафах в релейных залах и пультах управления электростанций и подстанций 6-35
кВ.
Устройство «Сириус-Д» является комбинированным микропроцессорным
терминалом релейной защиты и автоматики.
Применение в устройстве модульной мультипроцессорной архитектуры наряду с
современными технологиями поверхностного монтажа обеспечивают высокую надежность,
большую вычислительную мощность и быстродействие, а также высокую точность
измерения электрических величин и временных интервалов, что дает возможность
снизить ступени селективности и повысить чувствительность терминала.
Реализованные в устройстве алгоритмы функций защиты и автоматики, а также
схемы подключения устройства разработаны по требованиям к отечественным
системам РЗА в сотрудничестве с представителями энергосистем и проектных
институтов, что обеспечивает совместимость с аппаратурой, выполненной на
различной элементной базе, а также облегчает внедрение новой техники
проектировщикам и эксплуатационному персоналу.
Функции защиты, выполняемые устройством:
Трехступенчатая максимальная токовая защита (МТЗ) от междуфазных
повреждений с контролем двух или трех фазных токов.
Защита от перегрузок
Защита минимального напряжения
Защита от однофазных замыканий на землю
Согласно ПУЭ на синхронных двигателях напряжением
свыше 1000В предусматривается: защита от междуфазных коротких замыканий, от
перегрузок, от понижения напряжения, защита от однофазных замыканий на землю.
3ащита от междуфазных коротких замыканий.
Защита от междуфазных коротких замыканий выполняется
при помощи токовой отсечки без выдержки времени, отстроенной от пусковых токов.
Для СД-630кВт
Проверяется коэффициент чувствительности при
двухфазном КЗ на выводах электродвигателя (т.е. при КЗ на шинах низкого
напряжения ввиду незначительной длины кабельной линии питающей
электродвигатель) по формуле:
К
установке принимаем реле РТ-40 с пределом уставок 12,5-50 или терминал
микропроцессорной защиты например «СИРИУС-Д»
Защита
от перегрузок отстраивается от номинального тока.
Для
СД-630кВт

Выдержку
времени принимаем равной 10 сек., с целью предотвращения действия защиты при
пуске двигателя.
Защита
минимального напряжения устанавливается на электродвигателях, которые
необходимо отключать при понижении напряжения для обеспечения самозапуска
ответственных электродвигателей или самозапуск которых недопустим по условиям
техники безопасности или особенностями технологического процесса. Защита
выполняется с помощью реле РН-54/160 или на микропроцессорных устройствах
релейной защиты например «СИРИУС-Д»
Где
Uн.д
-номинальное напряжение двигателя
m- Мmах/Мmin=1,66кратность
максимального момента электрического двигателя.
-
коэффициент трансформации ТН.
Защита от однофазных замыканий на землю с действием на сигнал.
Такой вид защиты осуществляется с помощью
трансформаторов тока нулевой последовательности ТЗЛ и реле РТ-40 или «СИРИУС-Д»
с действием на сигнал.
Первичный ток срабатывания защиты определяется по
формуле
- коэффициент надёжности, равный 1,2
для реле РТ-40;
- коэффициент учитывающий бросок
зарядного тока КЛ в момент включения,
при наличии выдержки времени;
- ёмкость в фарадах фазы кабельной
линии (0,535 км).
- фазное напряжение.
Определяем ёмкостный ток кабельной линии длиной L=0,535 км
Ток срабатывания защиты будет равен
12. Автоматическое включение
резерва (АВР)
АВР предусматривают на подстанциях от раздельно
работающих секций шин от которых получают питание электроприёмники 1 категории.
АВР содержит пусковой орган, орган выдержки времени, орган контроля напряжения
на резервном источнике питания, реле контроля на секции, потерявшей питание и
цепь однократности действия АВР.
12.1 Реле однократности
включения
Выдержка времени промежуточного реле однократности
включения tов
от момента снятия напряжения с его обмотки до
размыкания контакта должна с некоторым запасом превышать время включения tвкл выключателя резервного источника
питания:
tов= tвкл+ tзап,
где tзап - время запаса, принимаемое равным
0,3-0,5с
12.2 Пусковой орган
минимального напряжения
Напряжение срабатывания реле минимального напряжения Uср выбирается так, чтобы пусковой орган
срабатывал только при полном исчезновении напряжения и не приходил в действие
при понижении напряжения, вызванных КЗ или самозапуске электродвигателей:
Uсз= (0,25-0,4)Uн
где Uн
-номинальное
напряжение электроустановки (10кВ).
Это условие удовлетворяет для АВР2 с целью обеспечения
его срабатывания только после неуспешного действия ABP1.
Выдержка времени АВР2 определяется из выражения
где
-время действия МТЗ силового трансформатора,
-время срабатывания АПВ силового
трансформатора с высокой стороны (110кВ) принимаем равным 2,5 с.
Выбираем реле времени ЭВ-143.
Определяем напряжение срабатывания защиты
где:
- коэффициент возврата реле минимального напряжения;
- коэффициент отстройки;
коэффициент трансформации
трансформатора напряжения (10000/100).
Принимаем реле РН-54/160
13. Описание порядка работы релейной защиты и
автоматики
Рассмотрим по порядку каждую из защит силового трансформатора:
·
газовая защита:
при повреждениях внутри силового трансформатора происходит замыкание контактов
газового реле (ГР) KSG1, срабатывает
указательное реле (УР) KH1,
которое сообщает персоналу о срабатывание ГР, срабатывает промежуточное реле
(ПР) KL1, которое своими контактами замыкает
цепь отключения выключателя Q1;
·
дифференциальная
защита (ДЗ): при нарушении в зоне действия ДЗ - зона от места установки ТА с
высокой стороны до места установки ТА с низкой стороны - (например, при КЗ на
ошиновке силового трансформатора или при его внутренних повреждениях)
происходит замыкание контактов ДЗТ-11 KAW1, срабатывает ПР KL1,
замыкая своими контактами цепь отключения выключателя Q1;
·
МТЗ с блокировкой
по напряжению: при отдаленных КЗ происходит понижение напряжения, срабатывает
реле напряжения KLV1 и реле тока KA1, запускается реле времени KT1 и после замыкания его контактов
срабатывает ПР KL1, замыкая
своими контактами цепь отключения выключателя Q1;
·
защита от
перегрузки: при увеличении тока нагрузки Iн от допустимого тока Iдоп срабатывает токовое реле KA3, которое запускает реле времени KT3, которое через 9с замкнет свои контакты и сработает УР,
сообщающее персоналу о перегрузке.
Заключение
В результате выполнения данной курсовой работы были выбраны различные
виды защит для защиты силового трансформатора и для защиты отходящих линий. Для
каждого вида защит были рассчитаны уставки и проверено условие чувствительности
к минимальным токам короткого замыкания.
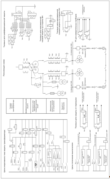
Приложение 1
Приложение 2
Схема селективности