Расчет транзисторного усилителя по схеме с общим эмиттером
Содержание
Задание
Расчет транзисторного усилителя по схеме с ОЭ
Определяем амплитуду тока коллектора транзистора
Напряжение покоя определяем неравенства
Определяем напряжение питания
Задание
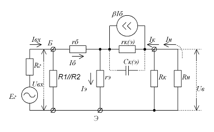
Рассчитать каскад транзисторного усилителя напряжения,
принципиальная схема которого изображена на рис. 1.
Рис.1
Исходные данные:
1) напряжение на выходе каскада
(напряжение на нагрузке);
) сопротивление нагрузки
;
) нижняя граничная частота
;
) допустимое значение коэффициента частотных искажений каскада в
области нижних частот
.
Примечание.
Считать, что каскад
работает в стационарных условиях (
;
). При расчете влиянием температуры на
режим транзистора пренебрегаем.
Определить:
1) тип транзистора;
) режим работы транзистора;
) сопротивление коллекторной нагрузки
;
) сопротивление в цепи эмиттера
;
) напряжение источника питания
;
) сопротивления делителя напряжения
и
стабилизирующие режим работы транзистора;
) емкость разделительного конденсатора
;
) емкость конденсатора в цепи эмиттера
;
) коэффициент усиления каскада по напряжению.
Расчет
транзисторного усилителя по схеме с ОЭ
1. Определяю значение сопротивления
для повышения коэффициента усиления
Ом.
. Определяем значение сопротивления
Выбираем значение
в пределах

.
Примечание. Полученные значения сопротивлений
и
уточняю из параметрического ряда
сопротивлений Е24 (приложение 1).
. Выбираю тип транзистора.
При выборе транзистора руководствуюсь следующими соображениями:
а) Определяю предельно-допустимый ток.
где
- наибольшая возможная амплитуда тока
нагрузки;
наибольший допустимый ток коллектора,
приводится в справочниках,
- амплитуда выходного напряжения.
б) Определяю предельно-допустимое напряжение коллектор-эмиттер.
Выбор предельно-допустимого напряжения коллектор-эмиттер произвожу
по напряжению питания усилителя.
.
где
- наибольшее допустимое напряжение между
коллектором и эмиттером приводится в справочниках.
Но поскольку напряжение питания предстоит еще определить, то
воспользуюсь приближенной формулой его расчета:
Выбираею транзистор КТ3102А:
в) Для выбранного типа транзистора необходимо выписать из
справочных данных (приложение 3) значения коэффициентов усиления по току для ОЭ
и
(или
и
). В некоторых справочниках дается
коэффициент усиления
по току для схемы ОБ и начальный ток
коллектора
. Тогда
(при выборе режима работы транзистора необходимо выполнить
условие
).
г) Для каскадов усилителей напряжения обычно применяют маломощные
транзисторы.
д) К заданному диапазону температур удовлетворяет любой
транзистор.
Примечание. Произведенный
выбор транзистора носит ориентировочный характер и в процессе расчета требует
проверки.
. Определяем параметры режима покоя транзистора.
Приняв сопротивление конденсатора
равным нулю, то можно использовать для расчета тока
эквивалентную схему замещения рис.4.
Определяем
амплитуду тока коллектора транзистора
║
,
где
║
.
Выбираем
, где
должно превышать область нелинейных искажений в режиме отсечки
(на рисунке 3, б - начальный нелинейный участок на входной характеристике
).
kmin=5 мА.
транзисторный усилитель схема напряжение
Напряжение
покоя определяем неравенства
,
где
напряжение на коллекторе, соответствующее области нелинейных
начальных участков выходных характеристик транзистора.
Определяем
напряжение питания
По второму закону Кирхгофа для основной цепи транзисторного
усилителя (рис.2) для режима покоя составим уравнение:
,
где
- падение напряжения на сопротивлении
в режиме покоя,
- падение напряжения на электродах транзистора коллектор -
эмиттер в режиме покоя.
Падение напряжения на сопротивлениях
и
определяются из уравнений:
,
.
Ток эмиттера в режиме покоя равен:
.
Поскольку ток базы
в десятки раз меньше
, то для упрощения расчетов примем
.
Тогда уравнение для определения напряжения источника питания
примет вид:
По полученному значению напряжения питания
выбираем стабилизированный источник
питания на базе микросхемы (приложение 2). Стабилизированный источник питания
целесообразно выбирать с фиксированным напряжением питания, а указанным
допуском отклонения можно пренебречь.
Например. К142ЕН9В
имеет
В. Принимаем
В.
. Строю линию нагрузки и определяю режим работы транзистора.
Режим работы транзистора по постоянному току определяется по
нагрузочной прямой
, построенной на семействе выходных статических
(коллекторных) характеристик для схемы с ОЭ. Построение нагрузочной прямой
показано на рис.2 (а). Нагрузочная прямая строится по двум точкам:
точка покоя (рабочая) и
, определяемая значением напряжения
источника питания
. Координатами
являются ток покоя
и напряжения покоя
(т.е. ток и напряжение, соответствующие
нулевому входному сигналу
).
Определяем положение рабочей точки
по значению тока базы
, полученной для рабочей точки
на выходной характеристике.
Строю линию нагрузки по переменному току, которая проходит через
точку
и точки 1, 2, полученные
на пересечении прямых
и
(точка 2) и прямых
и
(точка 1).
На входной статической характеристике для схем ОЭ (рис.2, б)
откладываю точки
и
по значениям
и
, найденных на выходной характеристике.
Определяю значение
и наибольшие амплитудные значения
входного напряжения
, необходимые для обеспечения заданного
значения
.
Точка (П): (Uкэп=5,1В;
Iкп16,6 мА)
Точка (1): (Iкп+Ikm;
Ukэп-Uвых. m) → (16,6+11,6; 5,1-3,1) →
(28,2;
);
Точка (2): (Iкп-Ikm;
Ukэп+Uвых. m) → (16,6-11,6; 5,1+3,1) →
(5; 8,2);
Точка (П’): П’=
Iбп = кп*ΔIб=3,2*25*10-6 = 0,08 мА;
Точка (1’): 1’ = Iб1 = к1* ΔIб = 5,5 *25*10-6 = 0,137 мА;
Точка (2’): 2’ = Iб2 = к2* ΔIб = 1,1*25*10-6 = 0,03 мА;вхт =
Iбт= Iбп-Iб2 = 0,13-0,03 = 0,107 мА;вхт
= Uбэт = Uбэп-Uбэ2 = 0,72-0,65 =
0,07 В;
Примечание. После
построения линий нагрузок проверяю, чтобы выполнялись следующие условия:
рабочая точка при изменении выходного напряжения не заходила в области
недопустимых значений определяемых предельно - допустимой мощностью
. Линия
строится по зависимости
, где
(1)
Определяется из справочной литературы точки
и
на входной характеристике должны находиться на линейном участке.
По формуле 1 определяю координаты точек для построения линии
допустимой мощностью
.
точка а:
координаты (5: 50)
точка б:
координаты (10: 25)
точка в:
координаты (20: 12,5)
Определяю входное сопротивление
транзисторного каскада переменному току (без учета делителя
напряжения
и
):
Рассчитываю сопротивления делителя
и
. Для уменьшения шунтирующего действия делителя на входную цепь
каскада по переменному току принимаю
, где
.
Тогда
,
