Расчет линейных электрических цепей

  • Вид работы:
    Контрольная работа
  • Предмет:
    Физика
  • Язык:
    Русский
    ,
    Формат файла:
    MS Word
    1,7 Мб
  • Опубликовано:
    2013-01-31
Вы можете узнать стоимость помощи в написании студенческой работы.
Помощь в написании работы, которую точно примут!

Расчет линейных электрических цепей














КОНТРОЛЬНЫЕ РАБОТЫ №№ 1, 2, 3.

ЭЛЕКТРОТЕХНИКА

Вариант 5

Задача 1

Для разветвленной линейной электрической цепи постоянного тока с одним источником электрической энергии определить токи, мощность, развиваемую источником энергии.

Дано:

U = 60 V

r1 = 13 Ом; r2 = 9 Ом; r3 = 8 Ом; r4 = 7 Ом; r5 = 15 Ом; r6 = 14 Ом.

Решение:

Рис. 1.1. Метод свертывания

В соответствии с методом свёртывания, отдельные участки схемы упрощаем и постепенным преобразованием приводим схему к одному эквивалентному (входному) сопротивлению, включенному к зажимам источника. Схема упрощается с помощью замены группы последовательно и параллельно соединенных сопротивлений одним эквивалентным их сопротивлением. Определяем ток в упрощенной схеме, затем возвращаемся к исходной схеме и определяем в ней токи.

Последовательно упрощаем схему:

R46 = R4 + R6 = 7 + 14 = 21 Ω (рис 1.2)

Рис. 1.2

R346 =  =  = 5.793 Ω (рис. 1.3)

Рис. 1.3

R5346 = R5 + R346 = 15 + 5.793 = 20.793 Ω (рис. 1.4)

Рис. 1.4

R 25346 =  =  = 6.281 Ω

R Э =  =  = 4.235 Ω (рис 1.5)

Рис. 1.5

Ток I в неразветвленной части цепи:

I = U/Rэ = 60/4,235 = 14,168 А.1 = U/R1 = 60/13 = 4.615 A2 = U/R2 = 60/9 = 6.66(6)

Ток I5 находим по закону Кирхгофа:

I5 = I - I1 - I2 = 14.168 - 4.615 - 6.667 = 2.886 A

Находим Ubc

bc = U - I5R5 = 60 - 2.886*15 = 16.71 V, тогда3 = Ubc/R3 = 16.71/8 = 2.089 A46 = I4 = I6 = Ubc/R46 = 16.71/21 = 0.796 A

Проведем проверку по законам Кирхгофа:

I5 = I4 + I3 = 0.796 + 2.089 = 2.889 A.

Найдем мощность источника: P = U*I = 60*14.168 = 850 Вт

Метод пропорциональных величин:

Возьмем электрическую схему 2, зададимся произвольным значением тока  в сопротивлении R46, наиболее удаленном от источника питания. По заданному току  = 1 А и сопротивлению R26 = 21 Ом определим напряжение

Ubc/ =  R46 = 1*21 = 21 В.

Далее определяем

I3/ = Ubc/ /R3 = 21/8 = 2.625A

Далее по закону Кирхгофа:

I5/ - I3/ - I4/ = 05/ = I3/ + I4/ = 2.625 + 1 = 3.625 A

Находим Uab/

ab/ = Ubc + I5/ R5 = 21 + 3.625*15 = 75.375 V, тогда1/ = Uab //R1 = 75.375/13 = 5.798 A2/ = Uab //R2 = 75.375/9 = 8.375 A

По закону Кирхгофа:

/ = I1/ + I2 /+ I5 / = 5.798 + 8.375 + 3,625 = 17.79 A

Вычислим коэффициент подобия К = U/ U/ = 60/75.375 = 0.796 и умножаем на него полученные при расчете значения токов и находим действительные значения токов цепи: I4; 6 = 0.796 A

I3 = 2,625*0,796 = 2.0895 A

I5 = 3,625 * 0.796 = 2.8855A

I2 = 8.375 *0.796 = 6.6665 A

I1 = 5.798 * 0.796 = 4.615 A

Таким образом, получили тот же результат.

Ответ:

4; 6 = 0.796 A3 = 2.0895 A5 =2.8855A2 = 6.6665 A1 = 4.615 A= 850 Вт

Задача 2

Расчет разветвленной цепи постоянного тока с несколькими источниками электрической энергии

Для заданной цепи

.   Составить уравнения для определения токов путем непосредственного применения законов Кирхгофа.

2.      Определить токи в ветвях методом контурных токов.

.        Определить режим работы активных элементов и составить баланс мощностей.

Дано:

Е1 = 60 В

Е2 = 200 В

r1 = 6 Ом r2 = 3 Ом r3 = 19 Ом r4 = 22 Ом r5 = 17 Ом r6 = 24 Ом

Рис. 2.1 Исходная схема

Решение

Преобразуем схему к удобному наглядному виду.

Рис. 2.2

Решение начинаем с выбора условно-положительных направлений токов во всех ветвях цепи.

.Составим систему уравнений по законам Кирхгофа: в цепи 4 узла (У) и 3 контура (К), поэтому число уравнений в системе

n = (У - 1) + К = (4 - 1) + 3 = 6) - I1 + I3 + I5 = 0) I1 + I2 - I6 = 0) - I3 - I4 + I6 = 0) - I1R1 - I3R3 - I6R6 = - E1 A) - 6I1 - 19I3 - 24I6 = - 60) I2R2 + I4R4 + I6R6 = E2 ⇒ B) 3I2 + 22I4 + 24I6 = 200) I3R3 - I4R4 - I5R5 = 0 C) 19I3 - 22I4 - 17I5 = 0

Получаем расчетную матрицу 6х6:


Решая систему программным модулем Multisim 10.1. получаем

I1 = - 4,96875 A2 = 8,73333 A3 = - 0,0284 A4 = 3,79309 A5 = - 4,9404 A6 = 3,76467 A

2. Метод контурных токов

Перед составлением уравнений зададимся направлением контурных токов IF, IB, IC.

Составим уравнения контурных токов:

A)     IA (R1 + R3 + R6) - IBR6 - IСR3 = -E1

B)      - IAR6 + IB(R2 + R4 + R6) - ICR4 = E2)         - IAR3 - IBR4 + IC(R3 + R4 + R5) = 0

Подставив численные значения в приведенные уравнения и решая их. получим:

IA = 4,97 А

IВ = 8,733 А

IС = 4,94 А

Рис. 2.3 Схема для расчета контурных токов

Реальные токи в исходной цепи определяем по контурным токам, причем

I1 = - IA = - 4,97 A6 = -IA + IB = -4,97 + 8,73 = 3,76 A2 = IB = 8,73 A3 = -IA + IC = - 4,97 + 4,94 = - 0,03 A4 = IB - IC = 8,73 - 4,94 = 3,79 A5 = - IC = - 4,94 A.

Знак минус у токов показывает, что их истинные направления противоположны направлениям, принятыми на рис. 1, но эти направления следует оставить. Получили практически тот же результат, что и полученный выше при помощи программного обеспечения Multisim.10.1.

Контроль:

Первый закон Кирхгофа:

Узел а: - I1 + I3 + I5 = 4,97 - 0,03 - 4,94 = 0

Узел b: I1 + I2 - I6 = -4,97 +8,73 - 3,76 = 0

Узел с: - I3 - I4 + I6 = 0,03 - 3,79 + 3,76 = 0

Узел d: I4 - I5 - I2 = 3,79 +4,94 - 8,72 = 0

. Расчет баланса мощностей.

Для источника напряжения сравниваем направления тока через источник и ЭДС источника: если они совпадают, то мощность источника положительна противном случае мощность источника записывают со знаком минус. Для данной цепи мощность источников равна:

Рист = E1I1 + E2I2 = 60* (-4,97) + 200*8,73 = 1447,8 Вт

Мощность активных приемников всегда положительна

Pпр = I12R1 + I22R2 + I32R3 + I42R4 + I52R5 + I52R5 = 148,205+ 228,639 +

0,017 + 316,01 + 414,861 + 339,302 = 1447,034 Вт

То есть баланс сходится (баланс считается выполненным, если расхождение между Рист и Рпр не более 3%). Условие выполнения баланса:

большая - Рменьшая)х100%/Рменьшая = (1447,8 - 1447,034)х100%/1447,034 =

,053%

Ответ:

I1 = - 4,97 A2 = 8,73 A3 = - 0,03 A4 = 3,79 A5 = - 4,94 A.6 = 3,76 A

Задача 3

В однородном магнитном поле помещена катушка, силовые линии поля параллельны оси катушки. Размеры катушки: R2 = 80 см, R1 = 84 см. магнитная индукция изменяется во времени по закону показанному на рис. 3. 2. Максимальное значение магнитной индукции В m, число витков w и время полного цикла изменения магнитной индукции Т заданы. необходимо построить график изменения ЭДС е( t) индуктируемой в катушке.

Дано:

w = 240

Bm = 1.9 Тл

Т = 0,01 с.

Рис. 3.1

Рис. 3.2

Решение.

По закону электромагнитной индукции ЭДС, индуктируемая в витке, сцепленном с изменяющимся магнитным потоком:

Е = dФ/dt

Если магнитное поле однородное, и его силовые линии нормальны к плоскости витка, то магнитный поток Ф, сцепленный с витком, определяется как

Ф = В S

E = -S(dB/dt)

Из графика видно, что

В течение времени от t = 0 до t = T/10 значение магнитной индукции растет с постоянной скоростью от нуля до Bm /2 = 1.9/5 = 0,95 Тл. Таким образом, в этот промежуток времени

(dB/dt) = const = B/(T/10) = 0,95/(0.01/10) = 950 Тл.

Площадь, ограничиваемая витком

S = π(R1 - R2)2 = 3.14(0.84 - 0.8)2 = 0.005024 m3

ЭДС, индуктируемая в витке:

Е = - S(dB/dt) = - 0.005*950 = - 4.75 B

В течение времени от t = T/10 до t = T/5 значение магнитной индукции постоянно, поэтому

(dB/dt) = 0= -S(dB/dt) = 0

В течение времени от t = T/5 до t = 3T/10 значение магнитной индукции растет с постоянной скоростью с Bm /2 = 0,95 Тл до Bm = 1,9 Тл. В этот промежуток времени

(dB/dt) = (Bm/2)/(T/10) = 0,95/(0.01/10) = 950 Тл

E = -S(dB/dt) = - 0.005*950= - 4,75 B.

В течение времени от t = 3T/10 до t = T/2 значение магнитной индукции убывает с постоянной скоростью с Bm = 1,9 Тл до нуля В этот промежуток времени

(dB/dt) = - Bm/(T/5) = - 1,9/(0.01/5) = - 950 Тл= -S(dB/dt) = - 0.005*(-950) = 4,75 B.

Следующий участок Т/2 зеркальносимметричен:

В течение времени от t = Т/2 до t = 7T/10 значение магнитной индукции падает с постоянной скоростью от нуля до - Bm = - 1.9 Тл. Таким образом, в этот промежуток времени

(dB/dt) = const = B/(T/10) = - 1,9/(0.01/5) = - 950 Тл.

Е = - S(dB/dt) = - 0.005*(- 950) = + 4.75 B

В течение времени от t = 7T/5 до t = 4T/5 значение магнитной индукции растет с постоянной скоростью с - Bm = - 1,9 Тл до - Bm /2 = - 0,95 Тл. В этот промежуток времени

(dB/dt) = (Bm/2)/(T/10) = - 0,95/(0.01/10) = - 950 Тл

E = -S(dB/dt) = - 0.005*(- 950) = + 4,75 B.

В течение времени от t = 4T/5 до t = 9T/10 значение магнитной индукции постоянно, поэтому

(dB/dt) = 0= -S(dB/dt) = 0

В течение времени от t = 9T/10 до t = T значение магнитной индукции растет с постоянной скоростью с - Bm /2 = - 0,95 Тл до нуля В этот промежуток времени

(dB/dt) = - Bm /2/(T/10) = - 0,95/(0.01/10) = - 950 Тл= -S(dB/dt) = -0.005*(-950) = 4,75 B.

Рис. 3.3 Зависимость ЭДС

Задача 4

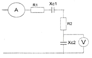
Расчет неразветвленной цепи синусоидального тока

Напряжение на зажимах цепи изменяется по закону

U = 400 sin (wt + 750)

Необходимо:

.   Определить показания приборов, указанных в схеме.

2.      Определить закон изменения тока в цепи;

.        Определить закон изменения напряжения между точками, к которым подключен вольтметр;

.        Определить активную, реактивную и полную мощности, потребляемую цепью из сети;

.        Построить векторную диаграмму.

Дано:

R1 = 9 Om

XС1 = 12 Om

R2 = 8 Om

XС2 = 8 Om

Рис. 4.1 Исходная схема

Решение

. Задана схема с последовательным соединением активных и емкостных элементов.

Рассмотрим схему (рис. 4.2)

Сопротивление цепи с последовательным соединением R и С:

Рис. 4.2 Расчетная схема

Данную задачу можно свести к цепи, содержащей одно активное и одно емкостное сопротивление (рис. 4.3).

Рис. 4.3 свернутая схема

Общее активное сопротивление

R = R1 + R2 = 9 + 8 = 17 Ом

Общее емкостное сопротивление

ХС = ХС1 + ХС2 = 12 + 8 = 20 Ом

Сопротивление всей цепи

Z =  =  = 26.25 Ом

При решении задачи пользуемся двумя формами записи комплексных чисел - показательной и алгебраической:

 = A exp(jφ) = A1 + jA21 = A*cosφ; A2 = A*sinφ;

A = ; φ =

Общее сопротивление цепи в комплексной форме:

общ = R1 +R2 - jXC1 - jXC2 = 9 + 8 - 12j - j8 = 17 - j20 = 26.25 exp{-

j49.6350}

Определим комплексное значение напряжения:

 =  exp{j750} =  exp{j750} = 282.842 exp{j750} = 73.2 + j273.2

Определим ток в цепи

I = /общ =  =  =  

=  = - 6.124 + j8.8656 = 10.775exp{j124,635o}

Таким образом, показания амперметра будут: IА = 10,775 А

Находим теперь падения напряжения на каждом элементе схемы:

UR1 = R1 = (-6.124+j8.8656)*9 = - 55.116 +j79.79 = 96.9757 Exp

{j124.6350}

UC1 = jXC1 = (-6.124+j8.8656)*(-j12) = 106.387 +j73.488 =

.3exp{j34.6350}

UR2 = R2 = (-6.124+j8.8656)*8 = - 48.992 +j70.925 = 86.2 {j124,6350}C2 = jXC2 = (-6.124+j8.8656)*(-j8) = 70.925 +j48.992 =

.2exp{j34.6350}

На основании расчетов показания вольтметра на R2 UR2 = 86.2 B

Искомые законы изменения:

Ток в цепи

I = - 6.124 + j8.8656 = 10.775exp{j124,635o}

Напряжение на зажимах вольтметра

UR2 = - 48.992 +j70.925 = 86.2 exp{j145.3650}

Вычислим мощности в цепи.

У обоих конденсаторов активные сопротивления равны нулю, поэтому в этих элементах отсутствуют активные мощности. Остается вычислить их реактивные мощности

QC1 = IUC1 = 10.775*129.3 = 1393.2 Вар

QC2 = IUC2 = 10.775*86,2 = 928,805 Вар

Реактивная мощность цепи

Q = - (QC1 +QC2) = -1393.2 - 928.805 = - 2322.005 Вар

Сопротивления R имеют только активную мощность:

РR1 = IUR1= 10,775*96,9757 = 1044,913 Вт

РR2 = IUR2= 10,775*86,2 = 928,805 Вт

Активная мощность цепи

Р = Р1 + Р2 = 1044,913 + 928,805 = 1973,718 Вт

Полная мощность всей цепи

S =  =  = 3047,5 В*А = 3,0475 кВА


Построение векторной диаграммы:

По действительной оси отложим вектор тока в масштабе в 1 см - 1 А.

Откладываем вектора напряжений, учитывая, что вектор напряжения в активном сопротивлении совпадает по фазе с током; в емкостном - опережает на угол π/2.

Выберем масштаб напряжения: в 1 см - 10 В.

Произведем сложение векторов, получаем:

Итоговый ток  = 28,3 см, тогда I = *М( I) = 28,3*10 = 283 В φ = 750, что вполне совпадает с расчетным значением.

Задача 5

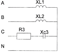
Цепь переменного тока с параллельным соединением приемников

Задана цепь переменного тока с переменным соединением приемников.

Дано:

U = 220 В

R1 = 12 Ом

XL1 = 11 Ом

XC1 = 20 Ом

R2 = 10 Ом

XL2 = 8 Ом

XC2 = 16 Ом

R3 = 15 Ом

XL3 = 20 Ом

XC3 = 12 Ом

Необходимо:

.   начертить схему цепи для решения;

2.      определить все токи;

.        построить векторную диаграмму;

.        сопоставить значения тока I в неразветвленной части цепи, полученной из векторной диаграммы, с расчетным значением;

.        определить активную, реактивную и полную мощности, потребляемые цепью из сети. цепь ток напряжение усилитель

Решение

Рис. 5.1 Исходная схема

Рис. 5.2 Расчетная схема

При решении задачи пользуемся двумя формами записи комплексных чисел - показательной и алгебраической:

 = A exp(jφ) = A1 + jA21 = A*cosφ; A2 = A*sinφ;

A = ; φ =

Общее сопротивление ветвей:

Z1 = R1 + j(XL1 - XC1) = 12 - 9j

Z2 = R2 + j(XL2 - XC2) = 10- 7j

Z3 = R3 + j(XL3 - XC3) = 15+8j

Общее сопротивление цепи:

 =  =  =

 =  = 7.2 - 1.245j

Характер входного сопротивления активно-ёмкостной, на это указывает наличие действительной части (Re) и отрицательной мнимой (Im).

Комплекс действующего значения входного напряжения:

U = U(cosφ +jsinφ) = 220(cos00 + jsin0o) = 220 + 0j;

Действующие комплексные токи в цепи

I1 = U/Z1 = 220/(12 - 9j) =  = 11.73(3) + 8.8j = 14.66(6)exp{j370}

I2 = U/Z2 = 220/(10 - 7j) =  = 14,765 + 10,336j =

,023)exp{j350}3 = U/Z3 = 220/(15 + 8j) =  = 11,419 - 6,09j = 12,941exp{-j280}= I1 + I2 + I3 = 11.73(3) + 8.8j +14.765 + 10.336j +11.419 - 6.09j = 37.917

+ 13.046j = 40.1 exp{j190}

Построение векторной диаграммы:

По действительной оси отложим вектор напряжения в масштабе в 1 см - 10 В.

Откладываем вектора токов, учитывая, что вектор тока в активном сопротивлении совпадает по фазе с напряжением; в индуктивном - отстает на угол π/2; в емкостном - опережает на угол π/2.

Выберем масштаб тока: в 1 см - 2 А.

Произведем сложение векторов, получаем:

Итоговый ток  = 20 см, тогда I = *М( I) = 20*2 = 40 см φ = 200, что вполне совпадает с расчетным значением.

Рис. 5.3 Векторная диаграмма токов

Рис. 5.4 Векторная диаграмма токов, полученная в программном модуле

Определим мощности:

Активная мощность всей цепи:

Р = UIcosφ = 220*40.1*cos190 = 8341.365 Wt

Она слагается из мощностей ветвей:

Р1 = UI1 cosφ1 = 220*14,66(6) *cos370 = 2576,93 Wt

Р2 = UI2 cosφ3 = 220*18,023 *cos350 =3247,987 Wt

Р3 = UI3 cosφ3 = 220*12,941 *cos(-280 ) = 2513,769 Wt

ΣР = 2576,93 + 3247,987 + 2513,769 = 8341,366 Вт

Реактивная мощность всей цепи:

Q = UIsinφ = 220*40.1 * sin190 = 2872,162 Вар

Она равна алгебраической сумме реактивных мощностей всех ветвей:

Q1 = UI1 sinφ1 = 220*14,66(6) * sin370 = 1941,856 Вар

Q2 = UI2 sinφ2 = 220*18,023 * sin350 = 2274,265 Вар

Q3 = UI3 sinφ3 = 220*12,941 * sin(-280 ) = - 1336,595 Вар

ΣQ = 1941,856 + 2274,265 - 1336,595 = 2872,162 Вар

Полная мощность всей цепи

S =  =  = 8822 В*А = 8,822 кВА.

S = 8341.365 + j2872.162

Задача 6

Расчет трехфазной цепи при соединении приемников «звездой»

К трехфазному источнику с симметричной системой фазных напряжений включена цепь с элементами и параметрами

Сопротивления линейных и нейтрального проводов пренебрежимо малы.

Uл = 380 В

XL1 = 9 Ом

XL2 = 4 Ом

R3 = 7 Ом

XC3 = 7 Ом

Необходимо определить токи в линейных и нейтральном проводах и построить векторную диаграмму.


Решение

Рис. 6.1 Расчетная схема

На рис. 6.1. проставлены токи, линейные ( UAB, UBC, UAC ) и фазные ( UA, UВ UС ) напряжения.

Запишем значения сопротивлений в каждой фазе

ZA = j9 = 9ехр {j900}

ZB = j4 = 4exp{j900}

ZC = 7 - j7 = 9.9exp{-j450}, т.е нагрузка несимметрична.

Найдем проводимости в фазах

YA = 1/ZA = 1/j9 = -j9/81 = -j0.111 = 0.11(1)exp{-j900}

YB = 1/ZB = 1/j4 = -j4/16 = -j0.25 = 0.25exp{-j900}

YC = 1/ZC = 1/(7 - j7) = (7 + j7) /98 = 0.071 + j0.071 = 0.101exp{j450}

В силу того, что источник имеет симметричную систему фазных напряжений, то значение фазных напряжений будет Uф = Uл/ = 380/1,414 = 220 В, но они будут отличаться по фазе. Пусть вещественная ось направлена вертикально вверх, тогда

UA = 220 B

UB = 220 exp{-j1200}B = - 110 - j190.526

UC = 220 exp{-240o} B = 220 exp{120o} B = -110 +j190.526

Если сопротивление ZN = 0, то YN = , то получается UN = 0 и токи в фазах:

IA = UA /ZA = 220/9exp{j900} = 24.444exp{-j900} = -j24.444

IB = UB /ZB = 220exp{-j1200}/4exp{j900} = 55exp{-j2100} = 55exp{j1500}

= - 47.631 + j27.5

IC = UC /ZC = 220exp{j1200}/9.9exp{-j450} = 22.22exp{j1650} = - 21.465 +

j5.75

Ток в нейтрали находим по закону Кирхгофа:

IN = IA + IB + IC = -j24.444 -47.631 +j27.5 -21.465 +j5.75 = - 69.1 +j8.806 =

69,34ехр{j172.70}

Построение векторной диаграммы.

Действительная ось Re U направлена по UА.

Выберем масштаб

М(U) в 1см 20 В

M(I) в 1 см 5 А

IN = *M(І) = 14 cm*5 = 70 А, что вполне приемлемо с расчетом.

Рис. 6.2 Векторная диаграмма

Векторная диаграмма, полученная в программном модуле:


Ответ:

IA =24.444exp{-j900} = -j24.444

IB =55exp{-j2100} = 55exp{j1500} = - 47.631 + j27.5


Задача 7

Расчет трехфазной цепи при соединении приемников «треугольником»

К трехфазному источнику с симметричной системой фазных напряжений включена цепь с элементами и параметрами

Uл = 380 В

R1 = 21 Ом

R2 = 29 Ом

XC3 = 13 Ом

Необходимо определить фазные и линейные токи, построить топографическую диаграмму напряжений и показать на ней векторы токов.


Решение

Рис. 7.1 расчетная схема

Выразим фазные сопротивления в комплексной форме:

Zab = 21 Ом

Zbс = 29 Ом

Zса = - j13 = 13 exp{-j90o} Ом.

Линейные напряжения:

UAB = 380 exp{j00 }B

UBC= 380 exp{-j1200} B = -190 - j329 B

UCA= 380 exp{j1200} B = -190 +j329 B

Тогда фазные токи приемника:

Iab = UAB/ Zab = 380exp{j0o}/21 = 18.095 exp{j0o} = 18.095 A

Ibc = UBC/ Zbc = 380exp{-j120o}/29 = 13.1 exp{-j120o} = - 6.5 - j11.2 A

Ica = UCA/ Zca = 380exp{j120o}/(13 exp{-j900}) = 29.23 exp{j210o} = - 25.2

j14.5A

Линейные токи приемника определяются через разности фазных:

IA = Iab - Ica = 43.4 + j14.6 = 45.8 exp{18.60}, AB = Ibc - Iab = -24.5 - j11.2 = 27.1 exp{-j155.20}, AC = Ica - Ibc = -18.7 - j3.2 = 19 exp{-j1700}, A

Мощность фаз:

Sab=Uab*Iab= 6876 eхр {j 0} = 6876+j 0 В*А

Sab= 6876 В*А Pab= 6876 Вт Qab= 0 Вар

Sbc = Ubc*Icb= 4979 exp{j 0} = 4979+j 0 В*А

Sbc= 4979 В*А Pbc= 4979 Вт Qbc= 0 Вар

Sca=Uca*Ica= 11108 exp{-j 89,9} = 0- j 11107 В*А

Sca= 11108 В*А Pca= 0 Вт Qca= - 11107 Вар

Мощность всей цепи:

S=Sab+Sbc+Sca= 11856 - j 11107,6 В*А= 11856 Вт Q= -11107 Вт

Эти же мощности определяем по другим формулам:

=Pab+Pbc+Pca=Iab2*Rab+Ibc2*Rbc+Ica2*Rca=11856 Вт=Qab+Qbc+Qca=Iab2*Xab+Ibc2*Xbc+Ica2*Xca=-11107 Вар

Баланс мощностей сходится, значит, задача решена верно!

Строим векторную диаграмму


Масштабы на векторной диаграмме:

М(U) в 1см 40 В

M(I) в 1 см 4 А

А = *M( I) = 11,4 cm*4 = 45.6 A,B = *M( I) = 6,8 cm*4 = 27,2 A,

IC = *M( I) = 4,8 cm*4 = 19,2 A, что вполне приемлемо с расчетом.

В программном модуле:

Ток:


Напряжения:


Масштабы на векторной диаграмме:

Ответ:

Фазные токи

Iab = 18.095 exp{j0o} = j18.095 A

Ibc =13.1 exp{-j119.9o} = - 6.5 - j11.2 Aca = 29.23 exp{j210o} = - 25.2 - j14.5A

Линейные токи

A = Iab - Ica = 43.4 + j14.6 = 45.8 exp{18.60}, AB = Ibc - Iab = -24.5 - j11.2 = 27.1 exp{-j155.20}, AC = Ica - Ibc = -18.7 - j3.2 = 19 exp{-j1700}, A

Задача 8.

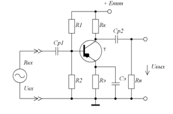
Расчет биполярного транзистора p-n-p типа

Определить коэффициент усиления по напряжению KU и току KI, а также входного Rвх и выходного Rвых сопротивлений каскада, выполненного на транзисторе p-n-p типа по схеме с общим эмиттером (ОЭ).

Дано:

Rэ = 0,8 кОм

rвх. тр. = rвх. э. = 124 Ом - входное сопротивление транзистора

k = 57 - коэффициент усиления по току транзистора = β (!!!)

S, = 59 *10-6 См -выходная проводимость транзистора

Решение

Представим каскад с общим эмиттером (ОЭ) - рис. 8.1.

RЭ = 0,8 кОм значит каскад со стабилизацией точки покоя.

Рис. 8.1 каскад с ОЭ

Входное сопротивление каскада:

Rвх = Uвх / Iвх

Обойдём входную цепь каскада:

Uвх = ΔІБ rвх.э + ΔІЭ RЭ = ΔІБ [rвх.э +(β+1)RЭ], так как

ΔІЭ = ΔІБ + ΔІК = (1+ β)ΔІБ, тогда

Rвх = rвх.э + (β + 1)RЭ = 124 + (57 + 1) *800 = 46524 Ом = 46,524 кОм

Выходное сопротивление

Rвых находим по теореме об эквивалентном генераторе: это сопротивление между выходными выводами усилителя при отключении всех источников сигнала (источники напряжения обрываются, источники тока закорачиваются). Положим Uвх = 0, тогда ΔІБ = 0. Сопротивление между выходными выводами

Rвых = RК = 1/S = 1/59*10-6 = 16,949 кОм.

Коэффициент усиления по напряжению в режиме холостого хода

КU.x.x. = Uвых / Uвх при Rн = . Пользуясь законои Ома, выразим напряжения через токи:

КU.x.x. = = β RК /(rвх.э + (1 + β) RЭ) = 57*16,949*103/(124 +

*0,8*103) = 20,765

Вычислим дополнительные усилительные характеристики каскада:

Коэффициент усиления по напряжению

Принимаем сопротивление генератора источника сигнала 10 кОм, сопротивление нагрузки 5 кОм, тогда

KU = Uвых/EГ = КUx.x.  = 20,765* =

,765*0,823*0,228 = 3,893.

Коэффициент усиления по току

КI = iвых / iвх = KUx.x. = 0,994* = 2,12.

Коэффициент усиления по мощности

КР = KU* КI = 3,893*2,12 = 8,25.

Задача 9

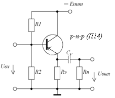
Расчет однокаскадного низкочастотного усилителя

Составить схему однокаскадного низкочастотного усилителя и рассчитать коэффициенты усиления по току Ki , напряжению Ku , мощности Kp, а также входное Rвх и выходное Rвых сопротивления для заданного варианта схемы включения транзистора по его h-параметрам для рабочей точки. Сопротивление нагрузки Rн, внутреннее сопротивление генератора сигналов Rг заданы.

Дано:

Тип транзистора: П14

Схема включения: ОК

h11 = 775 Ом

h12 = 1 Ом

h21 = -25 Ом

h22 = 20*10-6 Ом

Rн = 1,25 кОм

Rг = 30 кОм

Решение

Рис. 9.1 Схема однокаскадного усилителя на транзисторе П14 (p-n-p типа); эмиттерный повторитель

В каскаде с общим коллектором (ОК) достигаются высокие значения Rвх при низких значениях Rвых. Но за это преимущество в «жертву» приносится другой параметр: в схеме с ОК КU  1. Каскад с ОК не усиливает сигнала по напряжению, а используется лишь как вспомогательный каскад, связывающий схему с ОЭ с маломощным источником сигнала (RГ относительно велико), либо с низкоомной нагрузкой (Rн относительно мало). несмотря на вспомогательную роль, выполняемую каскадом с ОК в усилителях, применяется такая схема довольно часто.

Схема каскада с ОК приведена на рис. 9.1. Коллектор транзистора подключается к источнику питания (- Епит = ЕК). в эмиттерную цепь введен резистор RЭ, создающий отрицательную обратную связь (ООС), стабилизирующую точку покоя ВАХ. Нагрузка Rн подключается к эмиттерной цепи. В классе усиления А на вход подаются входное напряжение Uвх и напряжение смещения Uсм.

Источник сигнала (генератор) Uвх присоединен между базой и общим проводом, нагрузка - между эмиттером и общим проводом. Общий провод через источник питания ЕК, который имеет нулевое сопротивление для переменных составляющих, связан с коллектором. Поэтому схема схема с ОК еще называется эмиттерным повторителем.

В режиме покоя Uвх = 0. Напряжение Uсм вызывает ток базы IБ.П, в эмиттерной цепи пойдет ток IЭ.П, создающий падение напряжения на RЭ. для того, чтобы в режиме покоя Uвх = 0, необходимо в цепь нагрузки ввести источник компенсирующего напряжения Uкомп = UЭ.П. в режиме покоя к эмиттерному переходу транзистора приложено напряжение UБЭ.П = Uсм - UЭ.П.

При подаче входного сигнла токи и напряжения транзистора получат приращения. При положительном (или отрицательном) сигнале Uвх, токи базы и эмиттера увеличатся (уменьшатся), возрастет (уменьшится) падение напряжения на RЭ. приращение напряжения на нем соответствует выходному сигналу, который будет положительным (отрицательным). Полярность входного и выходного сигнала в схеме с ОК совпадают, каскад является неинвертирующим усилителем. К эмиттерному переходу транзистора приложено управляющее напряжение ΔUБЭ = Uвх - Uвых. Сигнал Uвых подается на вход как сигнал ООС: ΔUОС = Uвых. Так как при работе транзистора UБЭ всегда положительно, то Uвых  Uвх, т. е. KU = Uвых /Uвх  1.

Для расчета усилительных параметров каскада построим схему замещения в соответствии с правилами.

Рис. 9.2 Схема замещения каскада с ОК в h- параметрах

Для транзистора П14 согласно справочным данным выберем:

Германиевые плоскостные транзисторы типа П14 предназначены для усиления электрических сигналов промежуточной частоты. Выпускаются в цельнометаллических герметизированных сварных патронах со стеклянными изоляторами. Вес 2г.

Проводимость p-n-p

Рис. 9.3 Транзистор П14

Входное сопротивление при КЗ на выходе, f = 1000 Гц 40 Ом (< 32 Ом)

Входное сопротивление при Iк = 1 мА, f = 270 Гц; rвх.э = 3 кОм

Выходное сопротивление - rвых = 50 кОм

RЭ = 10…30 кОм (выбираем 20 кОм)

Входное сопротивление.

Rвх = Uвх /Δ IБ.

Обойдем входную цепь каскада

U вх = ΔІБ rвх.э + ΔІЭ (RЭ // RН) = ΔІ Б[rвх.Э + h21Э (RЭ // RН)]

Тогда окончательно:

Rвх  = 3*103+25 = 32411,765 Ом

Rвх = 3*103 + 25*20*103 = 503 кОм  500 кОм

Коэффициент усиления по напряжению в режиме холостого хода

КU.x.x. = h21Э RЭ /(rвх + h21Э RЭ) = 25*20*103/(3000 + 25*20*103) = 0,994

Выходное сопротивление

Его находим по теореме об эквивалентном генераторе, для этого положим еГ = 0 (т. е. закоротим источник). Сопротивление между выходными выводами пр приложении напряжения ΔUвых

Rвых = RЭ //

Тогда из схемы замещения

 = ΔІБ(r + R) =  (,

в результате получаем:

Rвых = RЭ // = (20*103) //  = (20000) // (1320) =  =

,274 Ом.  1,24 кОм.

КоЭффициент усиления по напряжению

KU = Uвых/EГ = КUx.x.  = 0,994* =

,994*0,51932*0,502 = 0,259.

Коэффициент усиления по току

КI = iвых / iвх = KUx.x. = 0,994* = 13.

Коэффициент усиления по мощности

КР = KU* КI = 0,259*13 = 3,367.

Список использованной литературы:

1. Атабеков Г.И. Теоретические основы электротехники, ч. 1 Линейные электрические цепи, - М.: Энергия, 178. - 592 с.

2.      Зевеке Г.В. Ионкин П.А. Нетушил А.В. Страхов С.В. Основы теории цепей, - М.: Энергия, 1989 - 582 с.

.        Нейман Л.Р. Демирчан К.С. Теоретические основы электротехники т. 1. - М.: Энергоиздат, 1981 - 536 с.

.        Сборник задач и упражнений по теоретическим основам электротехники/ Под ред. Ионкина П А. - М.: Энергоиздат, 1982 - 766 с.

.        Шебес М.Р. Каблукова М.Н. Задачник по теории линейных цепей. - М.: ВШ, 1990 - 544 с.

.        Шебес М.Р. Теория линейных электрических цепей в упражнениях и задачах. - М.: ВШ, 1967. - 654 с

.        Полупроводниковые приборы: транзисторы. Справочник/Под ред. Н.Н. Горюнова,-М.: Энергоатомиздат, 1983.

.        Лавриненко В.Ю. Справочник по полупроводниковым приборам. - Киев: Техника, 1980.

.        Справочник радиолюбителя-конструктора, - М.: Энергия, 1977

Похожие работы на - Расчет линейных электрических цепей

 

Не нашли материал для своей работы?
Поможем написать уникальную работу
Без плагиата!
Без нейросетей!