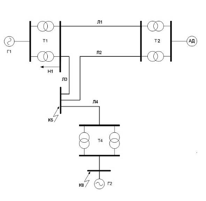
Расчет значений токов коротких замыканий

  • Вид работы:
    Курсовая работа (т)
  • Предмет:
    Физика
  • Язык:
    Русский
    ,
    Формат файла:
    MS Word
    1,49 Мб
  • Опубликовано:
    2013-02-25
Вы можете узнать стоимость помощи в написании студенческой работы.
Помощь в написании работы, которую точно примут!

Расчет значений токов коротких замыканий

Задание

 

В данной курсовой работе для заданной схемы (рис.2) необходимо:

·        рассчитать сверхпереходный и ударный токи трёхфазного короткого замыкания;

·        расчитать значение тока двухфазного короткого замыкания на землю для заданного момента времени;

·        построить векторные диаграммы токов и напряжений в месте короткого замыкания и на шинах ближайшего к месту к.з. генератора.

Исходные данные.

Мощность генератора Г1:                                          Рн = 9 МВт;

Коэффициент нагрузки:                                             cosj = 0,8;

Номинальное напряжение генератора Г1:                         Uн = 10,5 кВ;

Сверхпереходное сопротивление генератора Г1 :   = 0,28;

Мощность генератора Г2:                                          Рн = 4 МВт;

Коэффициент нагрузки:                                             cosj = 0,8;

Номинальное напряжение генератора Г1:                         Uн = 6,3 кВ;

Сверхпереходное сопротивление генератора Г1 :   = 0,22;

Сверх перходная э.д.с. генераторов Г1 и Г2:           Е'' = 1,13;

Мощность трансформатора Т1:                                Sн = 10 МВ×А;

Высокое напряжение:                                                 Uвн = 115 кВ;

Низкое напряжение:                                                   Uнн = 11 кВ;

Напряжение короткого замыкания:                                    Uк = 10,5 %;

Мощность трансформатора Т4:                                Sн = 10 МВ×А;

Высокое напряжение:                                                 Uвн = 115 кВ;

Низкое напряжение:                                                   Uнн = 6,6 кВ;

Напряжение короткого замыкания:                                    Uк = 10,5 %;

Мощность трансформатора Т3:                                Sн = 2,5 МВ×А;

Высокое напряжение:                                                 Uвн = 115 кВ;

Низкое напряжение:                                                   Uнн = 6,6 кВ;

Мощность трансформатора Т2:                                Sн = 2,5 МВ×А;

Высокое напряжение:                                                 Uвн = 115 кВ;

Низкое напряжение:                                                   Uнн = 6,6 кВ;

Напряжение короткого замыкания:                                    Uк = 10,5 %;

Мощность асинхронного двигателя АД:                            Рн = 0,8 МВт;

Номинальное напряжение асинхронного двигателя АД:Uск = 6 кВ;

Сверхпереходное сопротивление

асинхронного двигателя АД:                                               = 0,2;

Сверх перходная э.д.с. асинхронного двигателя АД: Е'' = 0,9;

Мощность нагрузки Н1:                                            Sн = 80 МВ×А;

Длина линии Л1:                                                                  l1 = 22 км;

Длина линии Л2:                                                                  l2 = 15 км;

Длина линии Л3:                                                                  l3 = 8 км;

Длина линии Л4:                                                                  l4 = 11 км;

Сопротивление обобщённой нагрузки:                     Х* = 0,35;

Сверх перходная э.д.с. обобщённой нагрузки:                  Е* = 0,85;

Удельное сопротивление линии:                                = 0,4 Ом/км;

Точка трёхфазного короткого замыкания                         К8;

Точка двухфазного короткого замыкания на землю         К5;

Время переходного процесса                                              t = 0,3 с.

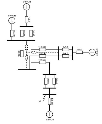
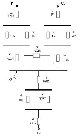
Рис. 1. Расчетная схема системы

Введение


Переходные процессы возникают в электрических системах как при нормальной эксплуатации (включение и отключение нагрузок, источников питания, отдельных цепей, производство испытаний и т.д.). Их изучение необходимо, прежде всего для ясного представления причин возникновения и физической сущности этих процессов, а также для разработки практических критериев и методов их количественной оценки, с тем чтобы можно было предвидеть и заранее предотвратить опасные последствия таких процессов.

Основная задача современных систем электроснабжения- обеспечение бесперебойного и надежного снабжения потребителей электроэнергией высокого качества. В этой связи все возрастающее значение приобретают вопросы исследования, расчета и оптимального управления переходными процессами в электрических системах и особенно аварийными процессами при коротких замыканиях.

При проектировании и эксплуатации электрических установок и систем, для решения многих технических вопросов и задач требуется предварительно произвести расчет электромагнитных переходных процессов и, в частности процессов при внезапном коротком замыкании.

Расчет электромагнитных процессов в системе электроснабжения при коротких замыканиях предусматривает определение токов и напряжений в той или иной короткозамкнутой цепи при заданных (расчетных) условиях. В зависимости от назначения расчета находят указанные параметры для интересующего момента времени или вычисляют их изменения в течение переходного процесса в зависимости от поставленной задачи. При этом рассчитывают токи короткого замыкания в отдельных или точках цепи с целью определения наиболее характерного для того или иного электрооборудования расчетного аварийного режима.

Расчеты токов короткого замыкания необходимы для следующих целей:

·        выявление условий работы потребителей при возможных коротких замыканиях;

·        выбора аппаратов и проводников и их проверка по условиям короткого замыкания;

·        проектирование и настройка устройств релейной защиты и автоматики;

·        сопоставления, оценки и выбора схем электрических соединений;

·        координации и оптимизации значений токов коротких замыканий и т.д.

Целью данной курсовой работы является выработка у студентов практических навыков в определении токов в энергосистемах при различных видах коротких замыканий.

При выполнении курсовой работы необходимо:

·        определить сверхпереходный и ударный токи при трехфазном коротком замыкании;

·        определить значения периодической слагающей тока при несимметричных коротких замыканиях для заданного момента времени;

·        построить векторные диаграммы токов и напряжений в месте короткого замыкания и на стороне низкого напряжения трансформатора, ближайшего к точке несимметричного короткого замыкания.

1. Расчёт трёхфазного короткого замыкания

.1 Составление схемы замещения

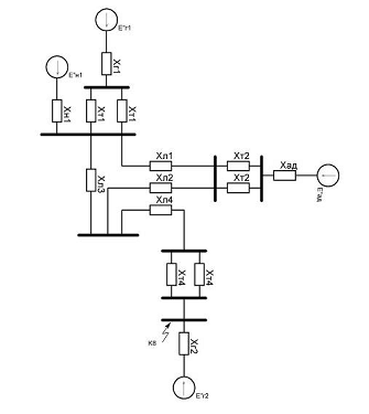
Рис. 1.1. Схема замещения системы

.2 Расчёт индуктивных сопротивлений схемы замещения

Расчет сопротивлений элементов системы осуществляется в относительных единицах, отнесенных к базисным условиям. Определим базисные условия.

Базисная мощность Sб = 100 МВ×А;

Базисное напряжение Uб = 10,5 кВ;

Базисный ток .

Определим полную мощность генераторов Г1, Г2

.


1.2.1 Сопротивление генератора Г1

.

1.2.2 Сопротивление генератора Г2


1.2.3 Сопротивление трансформатора Т1

.

1.2.4 Сопротивление трансформатора Т4

.

1.2.5 Сопротивление трансформатора Т2

1.2.6 Сопротивление нагрузки Н1

.

1.2.7 Сопротивление асинхронного двигателя АД


1.2.8 Сопротивление линии Л1

.

1.2.9 Сопротивление линии Л2

.

1.2.10 Сопротивление линии Л3

.

1.2.11 Сопротивление линии Л4

.

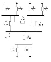
Рис. 1.2. Схема замещения для расчета трехфазного короткого замыкания

.3 Преобразование схемы замещения

Преобразования схемы замещения осуществляется в направлении от источников питания к точке короткого замыкания. Используются следующие методы преобразования: последовательное и параллельное сложение сопротивлений; преобразование треугольника сопротивлений в эквивалентную звезду, и наоборот; замена генерирующих ветвей с различными значениями э.д.с. и присоединенных к общему узлу одной ветвью с эквивалентной э.д.с.; применение коэффициентов распределения и т.д.

1.3.1 Параллельное сложение сопротивлений 3,4 и последовательное сложение полученного сопротивления с сопротивлением 1

.

1.3.2 Параллельное сложение сопротивлений 5,8 и последовательное сложение полученного сопротивления с сопротивлением 10

.

1.3.3 Параллельное сложение сопротивлений 7,6 и последовательное сложение сопротивления 14

.

1.3.4 Преобразование треугольника сопротивлений Х13, Х12, Х11 в эквивалентную звезду сопротивлений Х18, Х19, Х20

;

;

.

Рис. 1.3. Схема замещения системы после первого преобразования

1.3.5 Последовательное сложение сопротивлений 20,16

;

1.3.6 Последовательное сложение сопротивлений 19,17

.

Рис. 1.4. Схема замещения системы после второго преобразования

1.3.7 Преобразование звезды сопротивлений Х18, Х9, Х15, в эквивалентный треугольник сопротивлений Х23, Х24, Х25

;

.

Рис. 1.5. Схема замещения системы после третьего преобразования

1.3.8 Определение коэффициентов распределения

;

;

;

;

;

;

;

.

Рис. 1.6. Схема замещения системы после четвертого преобразования

1.3.9 Источники э.д.с.  и  заменяем эквивалентным источником э.д.с.

.

1.3.10 Параллельное сложение сопротивлений 2,28

.

Рис. 1.7. Схема замещения системы после пятого преобразования

1.3.11 Определение результирующего э.д.с.

.

1.3.12 Определение результирующего сопротивления

.

Рис. 1.8. Схема замещения системы после щестого преобразования

1.4 Определение сверхпереходного тока короткого замыкания

.

.5 Составление схемы замещения для расчёта активных сопротивлений элементов системы

Рис. 1.9. Схема замещения системы

1.6 Определение активного результирующего сопротивления

Для определения активного результирующего сопротивления rрез относительно точки к.з. значения активных сопротивлений элементов системы взяты из таблицы 4[1]. Данный расчет необходим для определения: постоянной времени, ударного коэффициента и ударных токов.

1.6.1 Активное сопротивление генератора Г1 и Г2

.


1.6.2 Активное сопротивление трансформатора Т1

.

1.6.3 Активное сопротивление трансформатора Т4


1.6.4 Активное сопротивление трансформатора Т2

.         .

1.6.5 Активное сопротивление нагрузки Н1

.

1.6.6 Активное сопротивление асинхронного двигателя АД

1.6.7 Активное сопротивление линии Л1


1.6.8 Активное сопротивление линии Л2


1.6.9 Активное сопротивление линии Л3


1.6.10 Активное сопротивление линии Л4


1.7 Преобразование схемы замещения

1.7.1 Параллельное сложение сопротивлений 3,4 и последовательного сопротивления 1

.

1.7.2 Параллельное сложение сопротивлений 5,8 и последовательное сложение полученного сопротивления с сопротивлением 10

.

1.7.3 Параллельное сложение сопротивлений 7,6 и последовательное сложение полученного сопротивления с сопротивлением 14

.

1.7.4 Преобразование треугольника сопротивлений r13, r12, r11 в эквивалентную звезду сопротивлений r18, r19, r20

;

;

.

Рис. 1.10. Схема замещения системы после первого преобразования

1.7.5 Последовательное сложение сопротивлений 20,16

;

1.7.6 Последовательное сложение сопротивлений 27,19

.

Рис. 1.11. Схема замещения системы после второго преобразования

1.7.7 Преобразование звезды сопротивлений r18, r9, r15, в эквивалентный треугольник сопротивлений r23, r24, r25

;

.

Рис. 1.12. Схема замещения системы после третьего преобразования

1.7.8 Определение коэффициентов распределения

;

;

;

;

;

;

;

.

Рис. 1.13. Схема замещения системы после четвертого преобразования

1.7.9 Параллельное сложение сопротивлений 2,28

.

Рис. 1.15. Схема замещения системы после пятого преобразования

1.7.10 Определение результирующего сопротивления

.

.8 Определение постоянной времени

 

.9 Определение ударного коэффициента

.

.10 Определение ударного тока

1.10.1 Базисный ток

.

1.10.2 Мгновенное значение ударного тока в относительных единицах

.

1.10.3 Мгновенное значение ударного тока в именованных единицах

.

1.10.4 Сверхпереходный ток в именованных единицах

 кА.

1.10.5 Наибольшее действующее значение ударного тока

напряжение ток короткий замыкание

 кА.

2. Расчёт короткого двухфазного замыкания на землю

Согласно заданию необходимо рассчитать двухфазное короткое замыкание на землю (точка К9), используя метод симметричных составляющих. В этом случае для исследуемой системы электроснабжения необходимо составить схемы замещения прямой, обратной и нулевой последовательностей.

.1 Составление схемы замещения прямой последовательности

Схема замещения прямой последовательности соответствует схеме замещения, составляемой для расчета трехфазного к.з. Началом схемы прямой последовательности является точка нулевого потенциала, а ее концом- точка короткого замыкания.

В схему замещения прямой последовательности генераторы вводят своими сверхпереходными сопротивлениями d; нагрузки в ней должны отсутствовать,за исключением крупных двигателей, синхронных компенсаторов и нагрузок, расположенных вблизи места короткого замыкания, которые рассматриваются как генераторы равновеликой мощности.

Рис. 2.1. Схема замещения прямой последовательности

.2 Расчёт параметров схемы замещения

2.2.1 Сопротивление генератора Г1

.

2.2.2 Сопротивление генератора Г2

2.2.3 Сопротивление трансформатора Т1

.

2.2.4 Сопротивление трансформатора Т4

.

2.2.5 Сопротивление трансформатора Т2

.

2.2.6 Сопротивление асинхронного двигателя АД


2.2.7 Сопротивление линии Л1

.

2.2.8 Сопротивление линии Л2

.

2.2.9 Сопротивление линии Л3


2.2.10 Сопротивление линии Л4

2.3. Преобразование схемы замещения прямой последовательности

2.3.1 Параллельное сложение сопротивлений 3,4 и последовательное сложение полученного сопротивления с сопротивлением 1

.

2.3.2 Параллельное сложение сопротивлений 5,8 и последовательное сложение полученного сопротивления с сопротивлением 9

.

2.3.3 Параллельное сложение сопротивлений 6,7 и последовательное сложение полученного сопротивления с сопротивлением 13

.

2.3.4 Преобразование треугольника сопротивлений Х12, Х11, Х10, в эквивалентную звезду сопротивлений Х17, Х18, Х19


Рис. 2.2. Схема замещения системы после первого преобразования

2.3.5 Последовательное сложение сопротивлений 14,19 и 15,18 и 16,2


2.3.6 Преобразование звезды сопротивлений Х20, Х21, Х17, в эквивалентный треугольник сопротивлений Х23, Х24, Х25

;

.

Рис. 2.3. Схема замещения системы после второго преобразования

2.3.7 Результирующее сопротивление прямой последовательности

;

2.3.8 Определение коэффициентов распределения

;

;

.

2.4 Составление схемы замещения обратной последовательности

Схема замещения обратной последовательности составляется аналогично схеме замещения прямой последовательности, но э.д.с. всех генерирующих элементов приравнивается к нулю. Генераторы в ней учитываются своими сопротивлениями обратной последовательности .

Сопротивление обратной последовательности генератора

.

Рис. 2.4. Схема замещения обратной последовательности

.5 Расчёт параметров схемы замещения

2.5.1 Сопротивление генераторов Г1 и Г2

.


2.5.2 Сопротивление трансформатора Т1

.

2.5.3 Сопротивление трансформатора Т4

.

2.5.4 Сопротивление трансформатора Т2

.

2.5.5 Сопротивление асинхронного двигателя АД


2.5.6 Сопротивление линии Л1

.

2.5.7 Сопротивление линии Л2

.

2.5.8 Сопротивление линии Л3

2.5.9 Сопротивление линии Л4

.6. Преобразование схемы замещения

2.6.1 Параллельное сложение сопротивлений 3,4 и последовательное сложение полученного сопротивления с сопротивлением 1

.

2.6.2 Параллельное сложение сопротивлений 5,8 и последовательное сложение полученного сопротивления с сопротивлением 9

.

2.6.3 Последовательное сложение сопротивлений 6,7 и параллельное сложение полученного сопротивления с сопротивлением 13

.

2.6.4 Преобразование треугольника сопротивлений Х12, Х11, Х10, в эквивалентную звезду сопротивлений Х17, Х18, Х19


Рис. 2.5. Схема замещения системы после первого преобразования

2.6.5 Последовательное сложение сопротивлений 14,19 и 15,18 и 16,2

2.6.6 Преобразование звезды сопротивлений Х20, Х21, Х17, в эквивалентный треугольник сопротивлений Х23, Х24, Х25

;

.

Рис. 2.6. Схема замещения системы после второго преобразования

2.6.7 Результирующее сопротивление обратной последовательности

;

2.6.8 Определение коэффициентов распределения

;

;

.

2.7 Составление схемы замещения нулевой последовательности

Схема нулевой последовательности в значительной степени определяется соединением обмоток участвующих в ней трансформаторов и автотрансформаторов, т.к. ток нулевой последовательности является по существу однофазным током, разветвленным между тремя фазами и возвращающимся через землю. Ток нулевой последовательности может протекать от точки к.з. только в сторону обмоток, соединенных в . В схему замещения соответственно войдут лишь те элементы схемы, через которые протекают токи нулевой последовательности.

Составление схемы нулевой последовательности следует начинать от точки , где возникла несимметрия , считая , что в этой точке все фазы замкнуты между собой накоротко и к ней приложено напряжение нулевой последовательности .

Рис. 2.7. Схема замещения нулевой последовательности

2.8 Расчёт параметров схемы замещения

2.8.1 Сопротивление трансформатора Т1


2.8.2 Сопротивление трансформатора Т4

.

2.8.3 Сопротивление трансформатора Т2


2.8.4 Сопротивление линии Л1

.

2.8.5 Сопротивление линии Л2

.

2.8.6 Сопротивление линии Л3

.

2.8.7 Сопротивление линии Л4

.

2.9 Преобразование схемы замещения

2.9.1 Параллельное сложение сопротивлений 6,7 и последовательное сложение полученного сопротивления с сопротивлением 13

.

2.9.2 Преобразование треугольника сопротивлений Х12, Х11, Х10 в эквивалентную звезду сопротивлений Х17, Х18, Х19

;

;

.

Рис. 2 18. Схема замещения системы после первого преобразования

2.9.3 Параллельное сложение сопротивлений 5,8 и последовательное сложение полученного сопротивления с сопротивлением 18

.

2.9.4 Параллельное сложение сопротивлений 3,4 и последовательное сложение полученного сопротивления с сопротивлением 19

.

Рис. 2.9. Схема замещения системы после второго преобразования

2.9.5 Преобразование звезды сопротивлений Х20, Х21, Х17, в эквивалентный треугольник сопротивлений Х22 Х23 Х24

;

.

Рис. 2.10. Схема замещения системы после третьего преобразования

2.9.6 Результирующее сопротивление нулевой последовательности

;

2.10 Определение расчетных реактивностей

В соответствии с методом расчетных кривых необходимо предварительно определить расчетные сопротивления ветвей схемы прямой последовательности. При определении расчетных сопротивлений необходимо считать, что в соответствии с правилом эквивалентности прямой последовательности, ток прямой последовательности любого нессиметричного короткого замыкания может быть определен как ток при трехфазном коротком замыкании в точке удаленной от действительной точки короткого замыкания на дополнительное сопротивление , значение которого зависит от вида короткого замыкания.

2.10.1 Дополнительная реактивность

.

2.10.2 Расчетная реактивность первой генерирующей ветви

.

2.10.3 Расчетная реактивность второй генерирующей ветви

.

2.10.4 Расчетная реактивность асинхронного двигателя

.

2.11 Определение тока короткого замыкания в заданный момент времени

Для нахождения периодической слагающей тока в месте короткого замыкания широко используется метод расчетных кривых. Данный метод основан на применении специальных кривых, которые дают для произвольного момента процесса короткого замыкания при различной расчетной реактивности схемы относительные значения периодической слагающей тока в месте короткого замыкания .

.11.1 Относительные величины тока прямой последовательности, найденные по расчетным кривым соответственно для первой, второй и третьей ветви


2.11.2 Номинальный ток первой генерирующей ветви, приведенной к напряжению ступени, где произошло          короткое замыкание

 А.

2.11.3 Номинальный ток второй генерирующей ветви, приведенной к напряжению ступени, где произошло          короткое замыкание

.

2.11.4 Номинальный ток синхронного компенсатора, приведенного к напряжению ступени, где произошло короткое замыкание


2.11.4 Величина периодической слагающей тока прямой последовательности в месте короткого замыкания

.

3. Построение векторных диаграмм токов и напряжений в месте короткого замыкания и на зажимах генератора

.1 Построение векторной диаграммы токов в месте короткого замыкания

Найденная величина периодической слагающей тока прямой последовательности определит, очевидно, длину вектора Ia1; обычно этот вектор считают совмещённым с положительным направлением действительной оси. Положения векторов Ib1 и Ic1 определяются с помощью комплексного оператора .

3.1.1 Определение векторов токов соответствующих последовательностей

Вектора токов прямой последовательности

 А;

 А;

 А.

Вектора токов обратной последовательности

 А;

 А;

 А.

Вектора токов нулевой последовательности

 А.

3.1.2 Определение векторов фазных токов

;


3.1.3 Определение коэффициента, определяющего отношение тока аварийной фазы к току прямой последовательности

.

3.1.4 Определение величины токов аварийных фаз

 А.

Рис. 3.1. Векторная диаграмма токов в месте короткого замыкания.

3.2 Построение векторной диаграммы напряжений в месте короткого замыкания

3.2.1 Определение базисного сопротивления

 Ом.

3.2.2 Определение дополнительной реактивности в именованных единицах

 Ом.

3.2.3 Определение векторов напряжений соответствующих последовательностей

Вектор напряжения прямой последовательности

 В.

Вектор напряжения обратной последовательности

 

 В.

Вектор напряжения нулевой последовательности

 В.

Определение напряжения неповреждённой фазы в месте короткого замыкания

В.

Определение векторов фазных напряжений

 В;

;

.

.3 Построение векторной диаграммы токов на зажимах генератора

Векторные диаграммы токов и напряжений строятся для генератора ближайшего к месту короткого замыкания. При этом предварительно необходимо выполнить распределение токов и напряжений в схемах каждой последовательности. При распределении токов целесообразно пользоваться коэффициентами распределения.

Определение реактивностей соответствующих последовательностей генерирующей ветви в именованных единицах

Ближайшим к месту к.з. является гидрогенератор Г2, который связан с местом к.з. через средее сопротивление ветви:


где - сопротивления прямой и обратной последовательностей от места к.з. до генератора (не включая сопротивление генератора Г2), выраженные в относительных единицах. Эти сопротивления необходимо преставить в именованных единицах.

Реактивность прямой последовательности

 Ом.

Реактивность обратной последовательности

 Ом.

Определение токов соответствующих последовательностей для генерирующей ветви

Ток обратной последовательности

 А.

Ток прямой последовательности

 А.

Определение векторов падений напряжений соответствующих последовательностей на участке от точки короткого замыкания до генератора

Вектор падения напряжения прямой последовательности

 В.

Вектор падения напряжения обратной последовательности

 В.

Определение векторов напряжений соответствующих последовательностей на шинах генератора, приведенное к высокой стороне трансформатора

Вектор напряжения прямой последовательности

 В.

Вектор напряжения обратной последовательности

 В.

Определение векторов напряжений прямой и обртной последовательностей фаз В и С


При определении трансформированных фазных величин нужно иметь введу, что токи и напряжения при переходе через трансформатор изменяются не только по величине, но и по фазе в зависимости от соединения его обмоток. Исходя из данных n = 11, k = 10,45, где n - группа соединений обмоток, k - коэффициент трансформации

Вектор тока фазы А


где k-коэффициент трансформации трансформатора, ;

, - среднее номинальное напряжение высокой и низкой сторон трансформатора Т4;

n- группа соединения обмоток трасформатора, n=11 для группы соединения .

Вектор тока фазы А прямой последовательности

 А.

Вектор тока фазы А обратной последовательности

 

А.

Вектор тока фазы В


Вектор тока фазы В прямой последовательности

 

 А.

Вектор тока фазы В обратной последовательности

 А.

Вектор тока фазы С

Вектор тока фазы С прямой последовательности

 А.

Вектор тока фазы С обратной последовательности

 А.

.4 Построение векторной диаграммы напряжений на зажимах генератора

Определение векторов фазных напряжений на зажимах генератора

Вектор напряжения фазы А


Вектор напряжения фазы А прямой последовательности

 В.

Вектор напряжения фазы А обратной последовательности

В.

Вектор напряжения фазы В


Вектор напряжения фазы В прямой последовательности

 В.

Вектор напряжения фазы В обратной последовательности

 В.

Вектор напряжения фазы С


Вектор напряжения фазы С прямой последовательности

 В.

Заключение

При сравнении полученных значений сопротивлений прямой, обратной и нулевой последовательностей видно, что сопротивление прямой последовательности меньше обратной и нулевой. Это связанно с тем, что вектор напряжения обратной последовательности изменяется с двойной частотой и направлен в противоположную сторону. Сопротивление, через которое заземлена нейтраль трансформатора и генератора, должно быть введено в схему нулевой последовательности утроенной величиной. Это обусловлено тем, что схему нулевой последовательности составляют для одной фазы, а через указанное сопротивление протекает сумма токов нулевой последовательности всех трёх фаз. Поэтому в расчётах сопротивление нулевой последовательности больше прямой и обратной Х = 1,988, Х = 2,160, Х = 0,267. Поскольку разница между сопротивлениями прямой и обратной последовательности небольшая в работе были приняты одинаковые их значения.

Как видно из расчётов ток трёхфазного КЗ значительно больше тока двухфазного КЗ. Поэтому всё электрооборудование станций и подстанций следует рассчитывать по току трёхфазного КЗ.

Анализируя векторную диаграмму токов на зажимах генератора следует отметить, что при повреждённых фазах В и С ток в фазе В больше тока фазы С. Это обусловлено взаимным влиянием магнитных полей проводников фаз В и С.

Можно проследить, что векторные диаграммы токов и напряжений деформируются по мере удаления от места короткого замыкания. Наибольшее искажение векторных диаграмм напряжений и токов всегда получается в месте короткого замыкания. Для точек, расположенных ближе к генератору, это искажение становится всё меньшим. Полностью симметричной сохраняется система векторов ЭДС.

Список литературы

1. Ульянов С.А., Электромагнитные переходные процессы в электрических системах, «Энергия», 1970.

. Шепелевич. Е.И., Каратун В.С., Методические указания к выполнению курсовых работ, «КПИ», 1979.

. Ладвищенко Б.Г., Жененко Г.Н., Методические указания и задания к курсовым работам по дисциплине «Переходные процессы в электрических системах», «КПИ», 1979.

Похожие работы на - Расчет значений токов коротких замыканий

 

Не нашли материал для своей работы?
Поможем написать уникальную работу
Без плагиата!
Без нейросетей!