Расчет токов короткого замыкания
Аннотация
В данной курсовой работе рассчитываются
начальное сверхпереходное и установившееся значения тока трехфазного короткого
замыкания методом эквивалентных ЭДС и определяются токи при трёхфазном коротком
замыкании методом типовых кривых. Производится сравнение результатов двух
методов. Также определяются токи короткого замыкания при несимметричных режимах
методом типовых кривых, и производится построение диаграмм токов и напряжений
при несимметричных видах короткого замыкания.
Записка содержит: __ страниц, в том числе 35
рисунков, 4 таблиц, и 2 приложения.
Содержание
Введение
1. Определение
токов трехфазного короткого замыкания методом эквивалентных ЭДС в моменты
времени
и
1.1 Определение начального
сверхпереходного тока
.1.1 Составление схемы замещения
1.1.2 Определение параметров схемы
замещения
.1.2.1 Определение приведенных
сопротивлений схемы замещения
1.1.3 Преобразование схемы замещения
без учета нагрузок
.1.4 Определение характера нагрузок
.1.5 Преобразование схемы замещения
с учетом нагрузок
.1.6 Определение начального
сверхпереходного и ударного токов
1.2 Определение тока установившегося
короткого замыкания
1.2.1 Предварительный выбор режимов
работы генераторов и преобразование схемы замещения
.2.2 Определение токов короткого
замыкания в ветвях генераторов
.2.3 Проверка правильности выбора
режимов работы генераторов
2. Определение токов трехфазного
короткого замыкания методом типовых кривых
.1 Составление схемы замещения и ее
преобразование
.2 Определение токов
2.3 Сравнение результатов расчета
сверхпереходного и установившегося токов короткого замыкания, методом
эквивалентных ЭДС и методом типовых кривых
2.4 Построение графика зависимости
. Расчет всех видов несимметричных
коротких замыканий методом типовых кривых
.1 Составление схемы прямой
последовательности
.2 Составление схемы обратной
последовательности
.3 Составление схемы нулевой
последовательности
.4 Расчет двухфазного короткого
замыкания
.4.1 Определение результирующих
сопротивлений
.4.2 Определение токов в ветвях
генераторов и суммарного тока короткого замыкания
.4.3 Определение фазных токов и
фазных напряжений в месте короткого замыкания
.4.4 Сравнение коэффициентов
несимметрии
.5 Расчет двухфазного короткого
замыкания на землю
.5.1 Определение результирующих
сопротивлений
.5.2 Определение токов в ветвях
генераторов и суммарного тока короткого замыкания
.6 Расчет однофазного короткого
замыкания
.6.1 Определение тока прямой и
обратной последовательности
.6.2 Определение фазных токов и
фазных напряжений в месте короткого замыкания
Приложение А: диаграммы токов и
напряжений несимметричных коротких
замыканий
Приложение Б: Графики зависимостей
токов несимметричных коротких
замыканий от времени
Заключение
Список использованных источников
Введение
ток
короткое замыкание
При переходе от одного режима работы системы к
другому изменяется электромагнитное состояние элементов системы и нарушается
баланс между механическим и электромагнитным моментами на валах генераторов и
двигателей. Переходный процесс характеризуется совокупностью электромагнитных и
механических изменений в системе, которые взаимно связаны и представляют собой
единое целое. Тем не менее очень часто переходный процесс делят на две стадии:
на первой стадии из-за большой инерции вращающих машин в ЭС преобладают
электромагнитные изменения, эта стадия длится от нескольких сотых до 0.1 … 0.2
секунд и называется электромагнитным переходным процессом; на второй стадии
проявляются механические свойства системы, которые оказывают существенное
влияние на переходные процессы, эта стадия называется электромеханическим
переходным процессом.
Наиболее частой причиной возникновения аварийных
переходных процессов является короткое замыкание.
Таблица 1 - Вероятность коротких замыканий в
электрических системах
|
Вид
короткого замыкания
|
Относительная
вероятность короткого замыкания (%) в сетях различных напряжений, кВ
|
|
6…20
|
35
|
110
|
220
|
500
|
|
Однофазное
|
61
|
67
|
83
|
88
|
95
|
|
Двухфазное
|
17
|
18
|
5
|
3
|
2
|
|
Двухфазное
на землю
|
11
|
7
|
8
|
7
|
2
|
|
Трёхфазное
|
11
|
8
|
4
|
2
|
1
|
Причины возникновения коротких замыканий:
1) нарушение изоляции электрооборудования;
2) механические повреждения элементов
электрической сети;
) преднамеренные короткие замыкания;
) перекрытия токоведущих частей животными
или птицами;
) ошибки персонала подстанций при
проведении переключений.
Последствия коротких замыканий:
1) системная авария, вызванная нарушением устойчивости
системы.
2) термическое повреждение
электрооборудования, связанное с его недопустимым нагревом токами КЗ.
3) механическое повреждение
электрооборудования, вызываемое воздействием больших электромагнитных сил между
токоведущими частями.
4) ухудшение условий работы потребителей.
5) наведение при несимметричных КЗ в
соседних линиях связи и сигнализации ЭДС, опасных для обслуживающего персонала.
Расчёты токов КЗ необходимы для достижения
следующих целей:
1) определение условий работы потребителей в аварийных
режимах;
2) выбора аппаратов и проводников и их
проверки по условиям электродинамической и термической стойкости;
) проектирования и настройки устройств
релейной защиты и автоматики;
) проектирования и проверки защитных
устройств;
) сопоставления, оценки и выбора схемы
электрических соединений;
) определения влияния линий
электропередачи на линии связи;
) определение числа заземленных нейтралей
и их размещение в ЭС;
) выбора разрядников;
) анализа аварий;
) подготовки к проведению различных
испытаний в ЭС.
1. Определение токов трехфазного
короткого замыкания методом эквивалентных ЭДС в моменты времени
и
.1 Определение начального
сверхпереходного тока
.1.1 Составление схемы замещения
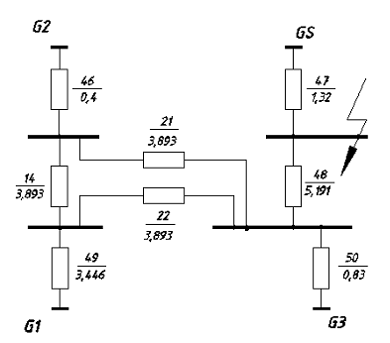
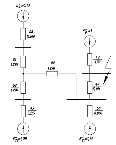
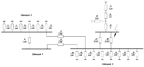
Рисунок 1 - Схема замещения
1.1.2 Определение параметров схемы замещения
Выбор базисных условий:
Sб =1000 МВА ; Uб
=121кВ
Базисный ток определяется по формуле:
; (1.1)
где Sб - базисная
мощность;
Uб - базисное
напряжение;
Базисное сопротивление определяется
по формуле:
; (1.2)
Определение коэффициентов
трансформации трансформаторов и автотрансформаторов для точного приведения.
Коэффициент трансформации
определяется по формуле:
; (1.3)
где
- напряжение обмотки
трансформатора, расположенной со стороны основной ступени (ступень, где
рассматривается короткое замыкание);
- напряжение обмотки трансформатора,
расположенной со стороны приводимого элемента;
;
;
;
;
.
.1.2.1 Определение приведенных
сопротивлений схемы замещения
Определение сопротивлений трансформаторов и
автотрансформаторов.
(1.4)
Станция №1.
Станция №2.
Станция №3.
Система.
(1.5)
(1.6)
(1.7)
Определение сопротивлений линий.
(1.8)
где x0 - погонное
сопротивление линии, Ом/км;
l - длина линии,
км
Определение сопротивлений
генераторов станций и питающей системы.
(1.9)
где Xd” -
сверхпереходная реактивность.
Станция №1.
Станция №2.
Станция №3.
Система.
(1.10)
Определение сопротивления реактора.
(1.11)
Определение ЭДС источников.
(1.12)
Станция №1.
Турбогенераторы с
.
Станция №2.
Турбогенераторы с
.
Станция №3.
Гидрогенераторы.
Система.
1.1.3 Преобразование схемы замещения без учета
нагрузок
Рисунок 2 - Первый этап преобразования
Рисунок 3 - Второй этап
преобразования
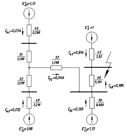
Рисунок 4 - Третий этап преобразования
Рисунок 5 - Четвёртый этап преобразования
Рисунок 6 - Итоговая схема
Начальный сверхпереходный ток:
.
Начальный сверхпереходный ток в
именованных единицах:
.
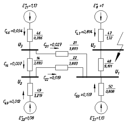
.1.4 Определение характера нагрузок
Токи в ветвях определяются с помощью
коэффициентов распределения.
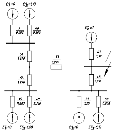
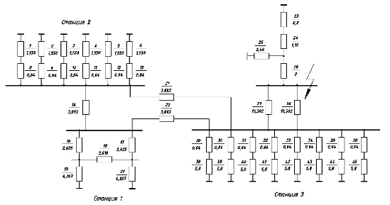
Рисунок 7 - Итоговая схема
Рисунок 8 - Первый этап развертывания схемы
Рисунок 9 - Второй этап развертывания схемы
Рисунок 10 - Третий этап развертывания схемы
Рисунок 11 - Четвёртый этап развертывания схемы
Определение значений напряжений в месте
подключения нагрузок.
Из полученных значений остаточных
напряжений следует вывод, что ни одна из нагрузок не является генерирующей, так
как все значения напряжений удовлетворяют условию (1.13).
(1.13)
Таким образом, все нагрузки
включаются в схему замещения с ЭДС равной нулю и разбиение сверхпереходного
тока на ток от генераторов
и ток подпитки от нагрузки
не
происходит.
Определяются приведённые значения сопротивлений
нагрузок по формуле:
(1.14)
где
- обобщённая нагрузка.
.1.5 Преобразование схемы замещения
с учетом нагрузок
Для уменьшения количества однотипных
преобразований дальнейшая рабочая схема принимается уже частично
преобразованной.
Рисунок 12 - Первый этап преобразования
Рисунок 13 - Второй этап преобразования
Рисунок 14 - Третий этап преобразования
Рисунок 15 - Четвёртый этап
преобразования
.1.6 Определение начального сверхпереходного и
ударного токов
Из итоговой схемы замещения (рисунок
15) находится суммарный ток в месте короткого замыкания
.
Ударного ток определяется по
формуле:
(1.15)
где kу - ударный
коэффициент.
.2 Определение тока установившегося короткого
замыкания
Дополнительные данные, необходимые для расчёта,
приведены в таблице 1.
Таблица 1- Дополнительные данные
|
Станция
№1
|
Станция
№2
|
Станция
№3
|
|
,
А200620670
|
|
|
|
|
, А41217401190
|
|
|
|
|
ОКЗ
|
0,49
|
0,499
|
1,42
|
|
0,10,160,145
|
|
|
|
|
222,06
|
|
|
|
|
X2
|
0,16
|
0,22
|
0,232
|
Станция №1:
Станция №2:
Станция №3:
Полученные результаты сведены в
таблицу 2.
Таблица 2 - Полученные результаты
|
Станция
№1
|
Станция
№2
|
Станция
№3
|
|
2,0412,0040,704
|
|
|
|
|
1,9411,8440,559
|
|
|
|
|
388,21143,28374,53
|
|
|
|
|
1,0611,5223,177
|
|
|
|
|
2,1223,0446,545
|
|
|
|
|
1,8982,6354,781
|
|
|
|
|
48,67712,28812,861
|
|
|
|
|
0,0180,1330,294
|
|
|
|
ЭДС нагрузок в установившемся режиме короткого
замыкания равны нулю. Выполняется пересчёт сопротивлений обобщенных нагрузок.
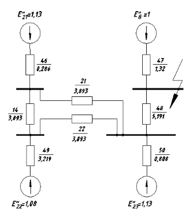
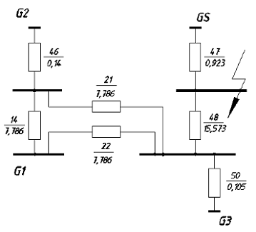
1.2.1 Предварительный выбор режимов работы
генераторов и преобразование схемы замещения
Исходя из того, что генераторы трёх
станций достаточно далеко расположены от точки короткого замыкания, можно
предположить, что все генераторы работают в режиме РНН, и, следовательно,
учитываются в схеме замещения следующими параметрами: 
Исходная схема замещения для расчета
установившегося режима короткого замыкания представлена на рисунке 16.
Рисунок 16 - Исходная схема замещения для
расчёта установившегося режима КЗ
Рисунок 17 - Первый этап преобразования
Рисунок 18 - Второй этап
преобразования
Рисунок 19 - Третий этап преобразования
Рисунок 20 - Четвертый этап преобразования
Рисунок 21 - Итоговая схема
1.2.2 Определение токов короткого
замыкания в ветвях генераторов
1.2.3 Проверка правильности выбора
режимов работы генераторов
Таблица 3 - Проверка правильности
выбора режимов работы генераторов
Проверка показала, что режимы работы генераторов
выбраны правильно.
2. Определение токов трехфазного короткого
замыкания методом типовых кривых.
.1 Составление схемы замещения и ее
преобразование
Схема замещения принимается частично
преобразованной.
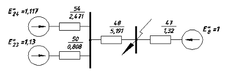
Рисунок 22 - Схема замещения
Рисунок 23 - Первый этап преобразования
Рисунок 24 - Итоговый этап преобразования
2.2 Определение токов.
< 2
< 2
< 2
.3 Сравнение результатов расчета
сверхпереходного и установившегося токов короткого замыкания, методом
эквивалентных ЭДС и методом типовых кривых
Результаты сравнения сведены в таблицу 4.
Таблица 4 - Сравнение результатов расчета
|
Метод
эквивалентных ЭДС
|
Метод
типовых кривых
|
%
|
|
,кА4,5474,5410,13
|
|
|
|
|
,кА4,4944,5411,04
|
|
|
|
2.4 Построение графика зависимости
Рисунок 25 - График зависимости
3 Расчет всех видов несимметричных коротких
замыканий методом типовых кривых
.1 Составление схемы прямой последовательности
Рисунок 26 - Схема замещения прямой
последовательности
Определение суммарного сопротивления
.2 Составление схемы обратной
последовательности
Для схемы обратной
последовательности сопротивления генераторов равны
. ЭДС
источников принимаются равными 0.
Производится пересчет сопротивлений
генераторов
Станция №1
Станция №2
Станция №3
Рисунок 27 - Схема замещения обратной
последовательности
Рисунок 28 - Первый этап преобразования
Рисунок 29 - Второй этап преобразования
Рисунок 30 - Третий этап преобразования
Рисунок 31 - Итоговый этап преобразования
Определение суммарных сопротивлений
Суммарное сопротивление схемы обратной
последовательности без учета ветвей, где нейтрали трансформаторов разземлены:
;
Суммарное сопротивление схемы
обратной последовательности:
.3 Составление схемы нулевой последовательности
В схеме нулевой последовательности производится
пересчет сопротивлений системы, линий, нагрузки.
Рисунок 32 - Схема замещения нулевой
последовательности
Перерасчёт сопротивлений линии, системы и
нагрузки
Рисунок 33 - Первый этап преобразования
Рисунок 34 - Второй этап преобразования
Рисунок 35 - Итоговый этап преобразования
Определение суммарного сопротивления
.4 Расчет двухфазного короткого замыкания
.4.1 Определение результирующих сопротивлений
.4.2 Определение токов в ветвях
генераторов и суммарного тока короткого замыкания
;
;
;
;
;
;
;
,
,
,
< 2, следовательно КЗ удаленное
и ток не изменяется во времени.
;
;
;
;
.
.4.3 Определение фазных токов и
фазных напряжений в месте короткого замыкания
;
;
;
;
;
.
.4.4 Сравнение коэффициентов
несимметрии
;
;
Разница в значениях составляет 0,058
%, что меньше 5 %, следовательно, расчет произведен верно.
.5 Расчет двухфазного короткого
замыкания на землю
.5.1 Определение результирующих
сопротивлений
3.5.2 Определение токов в ветвях генераторов и
суммарного тока короткого замыкания
;
;
;
;
;
Значение тока прямой последовательности в ветви
с разземленной нейтралью берётся из расчета двухфазного короткого замыкания:
;
Находятся суммарные токи прямой
последовательности по группам ветвей с различным состоянием нейтрали:
;
;
Определяется суммарный ток прямой
последовательности в месте КЗ:
;
Находится ток обратной последовательности по
группам ветвей с различным состоянием нейтрали:
Определяется суммарный ток обратной
последовательности в месте КЗ:
;
Находится значение тока нулевой
последовательности в группе ветвей с заземленными нейтралями, который
одновременно является суммарным током нулевой последовательности в месте
короткого замыкания:
;
Находится значение фазного тока и
фазного напряжения в месте короткого замыкания:
;
кА
Напряжение прямой последовательности
, кВ:

кВ;
Напряжение в фазе А
, кВ:
кВ;
.
Сравнение коэффициентов несимметрии:
;
.
Разница в значениях составляет 1,12
%, что меньше 5 %, следовательно, расчет произведен верно.
.6 Расчет однофазного короткого
замыкания
.6.1 Определение тока прямой и
обратной последовательности
Ток обратной последовательности
, кА:
.
Ток прямой последовательности
, кА:
.
.6.2 Определение фазного тока и
фазных напряжений в месте короткого замыкания
;
;
Напряжение прямой последовательности
, кВ:

кВ
Напряжение обратной
последовательности
, кВ:
кВ;
Напряжение нулевой
последовательности
, кВ:
кВ;
Напряжение в фазе А
равно нулю,
кВ:
;
Напряжение в фазе В
, кВ:

кВ.
Напряжение в фазе С
, кВ:

кВ.
Сравнение коэффициентов несимметрии:
;
;
Разница в значениях составляет 0,75
%, что меньше 5 %, следовательно, расчет произведен верно.
Заключение
В курсовой работе был произведен
расчет токов короткого замыкания. Для симметричных коротких замыканий методами
эквивалентных ЭДС и типовых кривых, а для несимметричных - методом типовых
кривых. Сравнив результаты расчета установлено, что метод эквивалентных ЭДС,
точнее, чем метод типовых кривых. Выяснено, что наибольший ток при трехфазном
коротком замыкании. Для несимметричного короткого замыкания - при двухфазном на
землю. Наибольшее различие коэффициентов несимметрии при двухфазном на землю
замыкании. Данное расхождение допустимо. Также были построены векторные
диаграммы токов и напряжений.
Список использованных источников
1. Куликов Ю.А. «Переходные процессы
в электрических системах» М. Мир, 2003г.
. Пилипенко В.Т. «Методические
указания к курсовой работе по дисциплине переходные процессы» РИК ГОУ ОГУ,
2004г.
. «Правила устройства электроустановок»
М. Энергоатомиздат. 2003г.
. Ульянов С.А. «Электромагнитные
процессы в электрических системах» М.Энергия, 1970г.
. Неклепаев Б.Н., Крючков И.П.
«Руководящие указания по расчету токов
короткого замыкания и выбору
электрооборудования».
. Идельчик, В.И. Электрические
системы и сети: Учебник для вузов.-М.: Энергоатомиздат, 1989.-522с.
. СТП 101-00. Общие требования и
правила оформления выпускных квалификационных работ, курсовых проектов (работ),
отчетов по РГР, по УИРС, по производственной практике и рефератов. - Взамен СТП
2069022.101-88, СТП 2069022.102-93, СТП 2069022.103-92, СТП 2069022.105-95, СТП
2069022.108-93; Введен 25.12.2000г. - Оренбург: ОГУ, 2000. - 62 с.
Приложение А
Построение диаграмм токов и напряжений
несимметричных коротких замыканий
Двухфазное короткое замыкание
Рисунок А1 - Диаграмма токов при двухфазном
коротком замыкании
Рисунок А2 - Диаграмма напряжений при двухфазном
коротком замыкании
Двухфазное короткое замыкание на землю
Рисунок А3 - Диаграмма токов при двухфазном
коротком замыкании на землю
Рисунок А4 - Диаграмма напряжений при двухфазном
коротком замыкании на землю
Однофазное короткое замыкание
Рисунок А5 - Диаграмма токов при однофазном
коротком замыкании
Рисунок А6 - Диаграмма напряжений при однофазном
коротком замыкании
Приложение Б
Графики зависимостей токов несимметричных
коротких замыканий от времени
Рисунок Б1