Разработка схемы электропитания потребителя переменного тока низкого напряжения
МИНИСТЕРСТВО
ПУТЕЙ СООБЩЕНИЯ
РОССИЙСКОЙ
ФЕДЕРАЦИИ
ДАЛЬНЕВОСТОЧНЫЙ
ГОСУДАРСТВЕННЫЙ
УНИВЕРСИТЕТ
ПУТЕЙ СООБЩЕНИЯ
Кафедра:
«Электроснабжение транспорта»
Курсовая работа
На тему: «Разработка схемы
электропитания потребителя переменного тока низкого напряжения»
Выполнил
Хомяков Сергей Михайлович
Шифр: КТ-11-ИВТ(БТ) 416
Проверил
Бобышев Григорий Евгеньевич
2012 год
Введение
Целью
выполнения курсовой работы является получение навыков в составлении
электрических схем для потребителей однофазного и трехфазного тока, умение
выполнять расчеты элементов электрических установок.
Работа
выполняется на базе теоретического материала, изучаемого в курсе “Общая
энергетика”. Курсовая работа включает разработку схемы электропитания группы
однофазных потребителей от цепи трехфазного тока, выбор сечения питающих
проводов, упрощенный расчет трехфазного трансформатора необходимой мощности,
составление схемы включения измерительных приборов, выбор коммутационной
аппаратуры низкого напряжения и предохранителей защиты. Аналогом подобной
задачи является электроснабжение подъезда жилого дома.
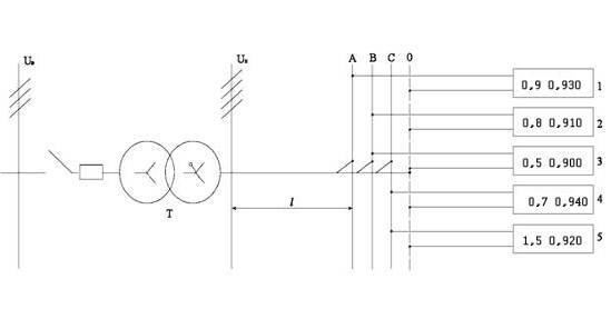
Исходные
данные
Напряжённость
первичная: 6,0 кВ
Напряжённость вторичная: 0,38 кВ
Длина кабеля: 1,8 км
Нагрузки потребителя:=0.9 кВтj1=0,93=0,8 кВтj2=0,91=0,5 кВтj3=0,90=0,7 кВтj4=0,94=1,5 кВтj5=0,92
Определение
мощности трехфазного потребителя
Учитывая, что
к проводам трёхфазной системы подключено разное количество однофазных
потребителей, необходимо найти мощность потребителей подключенных к каждой
фазе. В этом случае активная фазная мощность будет равна суммарной активной
мощности потребителей подключенных к этой фазе:
Рф = Р1 + … + Рn , кВт (1)
Где Р1 … Рn -
мощность потребителя.
Суммарная активная мощность фазы A:А=P1 , кВт
PА=0,9 , кВт
Суммарная активная мощность фазы B:= P2 + P3 , кВт= 0,8 + 0,5 = 1,3 ,
кВт
Суммарная активная мощность фазы C:С = P4 + P5 , кВтС = 0,7 +
1,5 = 2,2 , кВт
Аналогично рассчитывается фазная реактивная мощность:
ф = P1*tgj1+…
Pn*tgjn , кВАр (2)
где j - угол сдвига фазы тока относительно напряжения.
Фазная реактивная мощность фазы A:А = P1*tgj1 , кВАрА = 0,9*tg(arcos(0,93) = 0,355 , кВАр
Фазная реактивная мощность фазы B:= P2*tgj2+P3*tgj3 , кВАр= 0,8*tg(arcos(0,91))+0,5*tg(arcos(0,90)) = 0,606 ,
кВАр
Фазная реактивная мощность фазы C:= P4*tgj4+P5*tgj5 , кВАр= 0,7*tg(arcos(0,94))+1,5*tg(arcos(0,92)) = 0,892 ,
кВАр
Посчитаем полную мощность каждой фазы:
Полная мощность фазы:
, кВА
(3)
Полная
мощность фазы A:
, кВА
, кВАр
Полная
мощность фазы B:
, кВАр
, кВАр
Полная
мощность фазы C:
, кВАр
, кВАр
Полная
мощность трёхфазной цепи потребителей:
Активная:
=PA+PB+PC
, кВт (4)
=0,9+1,3+2,2
= 4,4 , кВт
Реактивная
Q=QA+QB+QC
,кВАр (5)
=0,355+0,606+0,892
= 1,853 , кВАр
Полная мощность потребляемая трёхфазной системой потребителей:
, кВа
, кВа
Выбор
сечения проводов с проверкой по потере напряжения
Расчёт
сечения проводов обычно проводится по трём условиям:
По
допустимому нагреву, допустимой потере напряжения и механической прочности.
Учитывая, что заданная питающая линия выполняется, как правило, кабелем или
проводами, прокладываемыми в трубах, расчёт сечения проводов в настоящей работе
будет проводиться только по допустимому нагреву с проверкой по величине
допустимых потерь напряжения.
При
прохождении электрического тока по проводу или кабелю в нём выделяется
значительное количество тепла за счёт потери мощности в проводящих жилах и
изоляции. Максимальный ток, при котором устанавливается температура проводника
соответствующая нормам, называется длительной токовой нагрузкой. Для выбора
сечения проводника по нагреву в рассматриваемом случае необходимо определить
максимальный длительный рабочий ток провода для наиболее загруженной фазы:
, А (6)
где
Sфн - мощность наиболее загруженной фазы.фн - Номинальное фазное напряжение
и
сравнить его с допустимым током [I] по справочным данным.
А
Провод
с ближайшим Iраб имеет сечение 1,5 мм2 Þ qпринятое=1,5
мм2.
Выбранное сечение проводов по нагреву проверяется по величине потерь
напряжения в них:
(7)
Где
l - длина линии в метрах;
g - удельная проводимость провода м/Ом мм2 :
для
меди g = 57.
q - принятое сечение проводника в мм2.
Рассчитаем потери напряжения для сечения qпринятое=1,5 мм2.
Потери
напряжения при qпринятое=1,5 мм2 слишком велики увеличим сечение:
Потери
напряжения при qпринятое=35 мм2 Соответствуют требованиям Þ S = 35 мм2.
Рассчитаем внутренний диаметр трубы, в которой будем прокладывать провода
по формуле
, мм (8)
Где
D - Внутренний диаметр в мм,- Наружный диаметр проводов.
Т.к. в трубе
проходят три фазных провода и нулевой то
провода
возьмём одинаковые, поэтому dn один и равен
23,607 мм
Упрощённый
расчет трехфазного трансформатора необходимой мощности
Исходными
данными для расчета трансформатора являются:
Напряжение
питающей цепи Uв , напряжение вторичной обмотки Uн ,
Частота
питающей сети f = 50 гц ,полная мощность трансформатора Sрасч .
Полную
расчетную мощность трансформатора находят по фазной мощности наиболее
загруженной фазы Sфн с учётом перспективного увеличения нагрузки.
кВА, (9)
Где
Kn = 1,2 - коэффициент , учитывающий перспективное увеличение
нагрузки
Эскиз
магнитопровода трансформатора приведён на рис.1.
Рассчитаем
полную мощность трансформатора:
кВА
Для предварительного выбора размеров магнитопровода можно применять
следующие становления:
= A*B , см2= (4)*A см./A = 1,3;= Hc/K , см;= 1,5;
Сечение стержня магнитопровода:
, см2 (10)
где
Bc - магнитная индукция в сердечнике, (1,0 тл).
Сечение
ярма принимается на 10% больше сечения стержня.
трехфазный
трансформатор электропитание провод

, см2
, см
, см
, см
,
, см.
Количество витков в обмотках определяется по формулам:
Для первичной обмотки
Витков (11.1)
Для
вторичной обмотки
, Витков
(11.2)
Где
Qc.Ф -Фактически принятое значение стержня;ф и U2ф - Фазные напряжения первичной и вторичной обмотки соответственно.
Количество витков в обмотках:
Для первичной обмотки
, Витков
Для вторичной
обмотки
, Витков
Расчётные
токи первичной и вторичной обмоток:
,А
А (12)
, А
, А
Сечение
проводов первичной и вторичной обмоток
, мм2
, мм2 (13)
где d - плотность тока в обмотке А/мм2(3
А/мм2)
, мм2
, мм2
При помощи справочника
выберем диаметры проводов без изоляции.=0,62 мм, d2=2,44 мм.
При помощи справочника
выберем диаметры проводов с изоляцией.
Это будет провод ПЭВ-1, тогда:и1
= 0,62 + 0,05 = 0,67 мми2 = 2,44 + 0,1 = 2,54 мм
Для проверки возможности размещения обмоток на магнитопроводе
трансформатора необходимо в зависимости от принятого сечения проводов,
Вычислить расчетную площадь, занимаемую первичной и вторичной обмотками
по формуле:
Fобм = Fобм1 + Fобм2 мм2. (14)
Где

мм2,
мм2,
Площадь
окна сердечника фактически приходящаяся на одну фазу
мм2, (15)
тогда отношения расчетной и фактической площади окна сердечника должно
быть такое
. (16)
Fобм
= 0,672 *
+ 2,542 *
=3676,9899
мм2,
, что не
соответствует требованиям.
Поэтому
уменьшим С до 8См и Hc до 11 см
Тогда
мм2
и
а
это уже соответствует требованиям.
Выбор
предохранителей защиты
Для защиты потребителей малой мощности в сетях низкого напряжения широко
используются предохранители. Плавкая вставка предохранителя при перегрузках
должна сгореть раньше, чем выйдут из строя элементы электроустановки и
отключить защищаемый аппарат. Номинальный ток плавкой вставки отстраивают от
длительного рабочего тока по условию:
в ³ 1,1*Iраб (17)
Посчитаем сначала рабочие токи для каждого потребителя:
(18)
Где
P - мощность потребителя.фн - номинальное фазное напряжение
.
При
помощи справочника в зависимости от Iраб, выбираем сечения проводников
используемых потребителями и сводим в табл.1
Табл.1
Выбор сечения проводников в зависимости от рабочего тока
|
1
|
2
|
3
|
4
|
5
|
4,418
|
4,014
|
2,536
|
3,400
|
7,445
|
|
Сечение
|
1
|
1
|
1
|
1
|
1
|
Потом рассчитаем Iв по формуле (17)
Табл.2 Выбор предохранителей защиты
|
1
|
2
|
3
|
4
|
5
|
|
Iраб
|
4,418
|
4,014
|
2,536
|
3,400
|
7,445
|
|
Iв = 1,1* Iраб
|
4,860
|
4,415
|
2,790
|
3,740
|
8,189
|
|
Тип предохранителя
|
Пр-2(6)
|
Пр-2(6)
|
Пр-2(6)
|
Пр-2(6)
|
Пр-2(10)
|
Разработка схемы включения необходимых приборов
Помимо всего прочего необходимо обеспечить измерение тока и напряжения в
начале питающей линии и активной энергии у каждого однофазного потребителя.
Схема включения необходимых приборов(вольтметров, амперметров и счётчиков)
приведена на рис.1
Информация об использованных приборах приведена в табл.3
Табл. 3
|
№, Наименование аппарата
|
Тип аппарата
|
Uн ³ Uраб
|
Iн ³ Imax
|
|
1.Рубильник
|
РБ - 31
|
3кв = 3кв
|
|
|
2.Автомат(5шт) 1 2 3 4 5
|
А - 3710Б А - 3710Б А -
3710Б А - 3710Б А - 3710Б
|
220 = 220 в 220 = 220 в 220
= 220 в 220 = 220 в 220 = 220 в 220 = 220 в
|
20 ³ 16 А 10 ³9 А 10 ³ 9 А 10 ³ 9 А 10 ³ 9 А
|
|
3.Предохранители(5шт) 1 2 3
4 5
|
ПР-2 ПР-2 ПР-2 ПР-2 ПР-2
|
220 = 220 в 220 = 220 в 220
= 220 в 220 = 220 в 220 = 220 в 220 = 220 в
|
20 ³ 16 А 10 ³9 А 10 ³ 9 А 10 ³ 9 А 10 ³ 9 А
|
|
4.Амперметр(3шт)
|
Э 30/2
|
|
30>15 А
|
|
5.Вольтметр(3шт)
|
Э 110
|
600 > 220 в
|
|
|
6.Счётчик(5шт)
|
СО - 2
|
220 = 220 в
|
20>15 А
|
Заключение
В данной курсовой работе по дисциплине «Введение в электроэнергетику»
были выполнены задания и закреплены теоретические знания по пяти разделам:
. Определение мощности трехфазного потребителя
. Выбор сечения проводов с проверкой по потере напряжения
. Выбор предохранителей защиты
. Разработка схемы включения необходимых приборов
В первом разделе производился расчет мощностей (реактивной, активной)
потребителей в трехфазной цепи переменного тока. Также была рассчитана полная
мощность каждой фазы и полная мощность потребляемая трёхфазной системой
потребителей.
Во втором разделе был рассчитан максимальный длительный рабочий ток
провода для наиболее загруженной фазы. По нагреву выбрали сечение провода ,
затем увеличили его в связи с большой потерей напряжения в нём. Также был
рассчитан внутренний диаметр трубы в которой проложена линия.
В третьем
разделе был произведён расчёт трёхфазного понижающего трансформатора. По
полученным размерам был составлен точный рисунок трансформатора(рис.1 на
стр.10)
В четвёртом разделе рассчитали рабочие токи всех потребителей.
В зависимости от них выбрали типы используемых предохранителей и сечение
проводников используемых потребителями.
В пятом разделе разработали схему включения необходимых электроприборов.
Составили таблицу с характеристическими данными всех используемых приборов.
Проделав эту работу мы получили базовые знания необходимые в нашей
специальности.
Список литературы
1. Фоков К.И.
Методические указания к выполнению курсовой работы. Хабаровск 1994.
. Неклепаев
Б.Н. , Крючков Н.П. Электрическая часть электростанций и подстанций.
Энергоатомиздат. 1989.
. Справочник
по электроснабжению и электрооборудованию. Под ред. Фёдорова А.А т.2.
Энергоатомиздат. 1987.
. Барыбина
Ю.Г. и др. Справочник по проектированию электроснабжения. Энергоатомиздат.
1990.