Проектирование схемы управления регулятором хода бесколлекторного электродвигателя

  • Вид работы:
    Практическое задание
  • Предмет:
    Физика
  • Язык:
    Русский
    ,
    Формат файла:
    MS Word
    160,22 Кб
  • Опубликовано:
    2013-02-08
Вы можете узнать стоимость помощи в написании студенческой работы.
Помощь в написании работы, которую точно примут!

Проектирование схемы управления регулятором хода бесколлекторного электродвигателя

Содержание

Введение

Классификация электродвигателей

Классификация систем автоматического управления

Основные функции систем управления

Устройство бесколлекторного электродвигателя постоянного тока

Применение бесколлекторного электродвигателя постоянного тока

Создание печатной платы

Основные элементы схемы

Заключение

Список литературы


Введение

Без электроники сегодня никуда. С каждым днем количество приборов, работающих от электричества, всё возрастает. Например, электродвигатели, еще в XVIII веке электромоторы существовали только в теории. Заводы и мануфактуры этого времени использовали только ручной труд. Но в наше время без электродвигателя невозможна работа какого-либо производства. Электродвигатели - получили широкое применение не только во многих отраслях промышленности, но и в предметах и устройствах, окружающих нас каждый день. Фены, вентиляторы, насосы, некоторые виды транспорта - вот лишь некоторый перечень устройств, работающих не без помощи электродвигателей.

Электродвигатель является основным элементом электрического привода производственного механизма. Соответствие его конструктивных и технических данных условиям работы механизма является необходимым требованием, выполнение которого обеспечивает максимальную стоимость электрооборудования, высокую надежность работы и наименьшие потери электроэнергии в эксплуатации.

Современный автоматизированный электропривод (АЭП) - сложная система автоматического управления (САУ)

Автоматическое управление в технике, совокупность действий, направленных на поддержание или улучшение функционирования управляемого объекта без непосредственного участия человека в соответствии с заданной целью управления.

Система автоматического управления (САУ) поддерживает или улучшает функционирование управляемого объекта. В ряде случаев вспомогательные для САУ операции (пуск, остановка, контроль, наладка и т.д.) также могут быть автоматизированы. САУ функционирует в основном в составе производственного или какого-либо другого комплекса.

Эти системы должны собирать информацию о ходе технологического процесса, обработать ее на основании заданного алгоритма, вырабатывать и выдавать управляющие воздействия на устройство, обеспечивающее целесообразный ход технологического процесса.

В данной работе проектируется схема электрического регулятора хода бесколлекторного электродвигателя постоянного тока.

Классификация электродвигателей

В зависимости от вида тока, используемого в электрической машине, все двигатели подразделяются на двигатели постоянного и переменного тока.

Двигатель постоянного тока - электрическая машина постоянного тока, преобразующая электрическую энергию постоянного тока в механическую энергию.

Двигатель постоянного тока классифицируется

.        по наличию щёточно-коллекторного узла:

1.1    коллекторные двигатели;

.2      бесколлекторные двигатели.

Щёточно-коллекторный узел - узел электрической машины, обеспечивающий электрическое соединение цепи ротора с цепями, расположенными в неподвижной части машины. Состоит из коллектора (набора контактов, расположенных на роторе) и щёток (скользящих контактов, расположенных вне ротора и прижатых к коллектору).

         По типу возбуждения

.1      Двигатели с параллельным возбуждением;(обмотка якоря включается параллельно обмотке возбуждения)

.2      Двигатели последовательного возбуждения;(обмотка якоря включается последовательно обмотке возбуждения)

.3      Двигатели смешанного возбуждения.(обмотка возбуждения включается частично последовательно частично параллельно обмотке якоря)

Двигатели переменного тока - электрический двигатель, питание которого осуществляется переменным током.

Двигатели переменного тока классифицируются

         По принципу работы

.1      синхронные

.2      асинхронные

         По количеству фаз

.1      однофазные - запускаются вручную, или имеют пусковую обмотку, или имеют фазосдвигающую цепь;

.2      двухфазные

.3      трехфазные

.4      многофазные

Классификация систем автоматического управления

Развитие технологического прогресса в различных отраслях промышленности связана с усложняющейся технологией производства, с повышением требований к качеству продукции при более сложных процессах технического изготовления, что привело к большому количеству разнообразных систем управления электроприводами. В связи с этим возникает необходимость их классификации, позволяющая более рациональное их изучение.

Системы управления различают по назначению:

·        поддержания постоянства регулируемой переменной, системы программного управления

·        следящие системы

Эта классификация относится к замкнутым системам. Она не включает в себя простейших систем и не учитывает систем, обеспечивающих оптимизацию, самонастройку и комплексную автоматизацию.

Системы управления различают по роду аппаратуры:

·        релейно-контакторные

·        с электромашинными усилителями

·        с магнитными усилителями

·        с электронными и полупроводниковыми преобразователями

Системы управления различают по виду сигналов информации и управления:

·        непрерывные (аналоговые)

·        дискретные (импульсные, цифровые, релейные системы).

Системы управления подразделяют иногда по виду силового преобразователя или основной аппаратуры:

·        Системы электромашинного управления или системы Г-Д, ЭМУ-Д;

·        Системы тиристорный преобразователь - двигатель (ТП-Д);

·        Системы дроссельного управления;

·        Системы магнитный усилитель - двигатель (МУ-Д);

·        Система преобразователь частоты - двигатель (ПЧ-Д);

·        Системы релейно-контакторного управления;

·        Системы «бесконтактного» управления.

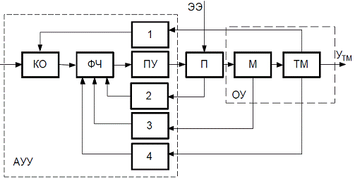
Схема автоматической системы управления представлена на рис. 1


Рисунок 1 - Схема автоматической системы управления

В основной прямой части системы имеем: КО - командный орган; ФЧ -функциональная часть (может включать электронный блок, в котором идёт обработка и преобразование обратных связей); ПУ - промежуточный усилитель; М- электрическая машина; П - преобразователь; ТМ - технологический механизм; 1 - главная обратная связь (ОС), жёсткая; 2-4 - вспомогательные ОС, (гибкие); ЭЭ -электрическая энергия; ОУ - объект управления. ОУ, П, АУУ в своем взаимодействии можно рассматривать как электромеханическую автоматическую систему управления ЭП, или СУ.

АУУ состоит из КО, подающего сигналы управления на задание или изменение режима работы, ФЧ, которая преобразует командные сигналы, формируя требуемый закон управления и выполняет основную функцию АУУ, ПУ, усиливающего сигнал управления до требуемого значения управления преобразователем П. Преобразованная ЭЭ в силовом преобразователе П поступает на электродвигатель М и далее в виде механической энергии поступает по кинематическим связям на технологическую машину ТМ. Элементы структуры охвачены обратными связями 1-4 для поддержания или изменения режима работы ТМ.

Основные функции систем управления

1.      Управление системами пуска, торможения и реверсирование ЭП;

.        Поддержание постоянства (стабилизация) заданной величины (скорости, мощности, момента и др.) в статике и динамике;

.        Слежение за вводимыми в систему произвольно меняющихся входными сигналами (следящее управление);

.        Отработка заданий программы (программное управление);

.        Выбор целесообразных режимов работы ЭП (адаптивное регулирование);

.        Автоматическое управление комплексами машин и механизмов, определённых общим технологическим процессом.

Статор

Статор классического трехфазного БКЭПТ содержит три обмотки. Во многих двигателях обмотки разделяются на несколько секций, что позволяет уменьшить пульсации вращающего момента.

Электрическая схема замещения статора показана на Рис.2

 

 

 










Рисунок 2. Электрическая схема замещения статора (три фазы, три обмотки)

Он состоит из трех обмоток, каждая из которых содержит три последовательно включенных элемента: индуктивность, сопротивление и обратная э.д.с

Ротор

Ротор БКЭПТ состоит из четного числа постоянных магнитов. Количество магнитных полюсов в роторе также оказывает влияние на размер шага вращения и пульсации вращающего момента. Чем большее количество полюсов, тем меньше размер шага вращения и меньше пульсации вращающего момента. Могут использоваться постоянные магниты с 1..5 парами полюсов. В некоторых случаях число пар полюсов увеличивается до 8. Статор и ротор трехфазного, трехобмоточного БКЭПТ показаны на рис. 3








Рисунок 3. Статор и ротор трехфазного, трехобмоточного БКЭПТ

Датчик Холла

Для оценки положения ротора в корпус двигателя встраиваются три датчика Холла. Датчики установлены под углом 120° по отношению друг к другу. С помощью данных датчиков возможно выполнить 6 различных переключений.

Коммутация фаз зависит от состояния датчиков Холла.

Подача напряжений питания на обмотки изменяется после изменения состояний выходов датчиков Холла. При правильном выполнении синхронизированной коммутации вращающий момент остается приблизительно постоянным и высоким.

Сигналы датчиков Холла в процессе вращения показаны на рис.4








Рисунок 4. Сигналы датчиков Холла в процессе вращения

Коммутация фаз

В целях упрощенного описания работы трехфазного БКЭПТ рассмотрим только его версию с тремя обмотками. Как было показано ранее, коммутация фаз зависит от выходных значений датчиков Холла. При корректной подаче напряжения на обмотки двигателя создается магнитное поле и инициируется вращение. Наиболее распространенным и простым способом управления коммутацией, используемый для управления БКЭПТ, является схема включения-отключения, когда обмотка либо проводит ток, либо нет. В один момент времени могут быть запитаны только две обмотки, а третья остается отключенной. Подключение обмоток к шинам питания вызывает протекание электрического тока. Данный способ называется трапецеидальной коммутацией или блочной коммутацией.

Для управления БКЭПТ используется силовой каскад, состоящих из 3 полумостов.

Схема силового каскада показана на рис. 5.

Рисунок 4. Силовой каскад

По считанным значениям датчиков Холла определяется, какие ключи должны быть замкнутыми.

У двигателей с несколькими полями электрическое вращение не соответствует механическому вращению. Например, у четырехполюсных БКЭПТ четыре цикла электрического вращения соответствуют одному механическому вращению.

От силы магнитного поля зависит мощность и частота вращения двигателя. Регулировать частоту вращения и вращающий момент двигателя можно за счет изменения тока через обмотки. Наиболее распространенный способ управления током через обмотки является управление средним током. Для этого используется широтно-импульсная модуляция (ШИМ), рабочий цикл которой определяет среднее значение напряжения на обмотках, а, следовательно, и среднее значение тока и, как следствие, частоту вращения.

Применение бесколлекторного электродвигателя постоянного тока


Главное преимущество бесколлекторных двигателей - отсутствие вращающихся и переключающихся контактов, как следствие, основные достоинства бесконтактных двигателей:

·        высокая надежность работы, поскольку отсутствует щеточный узел,

·        большой ресурс электродвигателя ограничен, практически, только ресурсом подшипников.

·        линейность регулировочной характеристики и меньший уровень электромагнитного шума по сравнению с коллекторными двигателями постоянного тока

·        применение в конструкции электродвигателя балансировочных колец потенциально может обеспечить стабильность работы при очень высоких скоростях вращения (десятки тысяч оборотов в мин).

Области применения БКЭПТ:

Нефтегазовая промышленность - отсутствие искрообразующих элементов и, как следствие, высокая взрывобезопасность делают бесколлекторные идеальным силовым элементом в запорном оборудовании нефте- и газопроводов

Муниципальная отрасль - низкая стоимость бесколлекторных двигателей и их обслуживания, надежность и долговечность делают их применение чрезвычайно привлекательным в условиях ограниченного бюджета

Автомобильная промышленность - использование бесколлекторных двигателей при производстве автомобильной фурнитуры (стеклоподъемники, стеклоочистители, подъем и опускание кресел и т.д.) позволяет существенно снизить габариты и массу таких устройств.

Наружная реклама - автоматические жалюзи, презентационная техника, вращающиеся витрины с приводом на основе бесколлекторных двигателей компактны и бесшумны

Медицинское оборудование - бесшумность и низкий уровень электромагнитных излучений делают его незаменимым в медицинскомоборудовании, высокие скорости вращения делают эти двигатели чрезвычайно востребованными в стоматологическом оборудовании.

Системы автоматического управления и робототехника - наличие встроенного датчика угла поворота позволяет создавать обратную связь двигателей и систем управления, что делает бесколлекторный двигатель удобным при построении систем автоматического управления.

регулятор электродвигатель автоматический ток

Создание печатной платы


Моя задача состоял в создании схемы электрического регулятора хода бесколлекторного электродвигателя.

Создание макета печатной платы производилось в программе Geda

Собственно, весь процесс создания самой платы был разделен на пять основных этапов:

предварительная подготовка заготовки (очистка поверхности, обезжиривание);

нанесение тем или иным способом защитного покрытия;

удаление лишней меди с поверхности платы (травление);

очистка заготовки от защитного покрытия;

сверление отверстий, покрытие платы флюсом, лужение.

·        Предварительная подготовка заготовки

Данный этап является начальным и заключается в подготовке поверхности будущей печатной платы к нанесению на нее защитного покрытия. В целом за продолжительный промежуток времени технология очистки поверхности не претерпела сколько-нибудь значительных изменений. Весь процесс сводится к удалению окислов и загрязнений с поверхности платы с использованием различных абразивных средств и последующему обезжириванию.

Для удаления сильных загрязнений можно использовать мелкозернистую наждачную бумагу («нулевку»), мелкодисперсный абразивный порошок или любое другое средство, не оставляющее на поверхности платы глубоких царапин. Иногда можно просто вымыть поверхность печатной платы жесткой мочалкой для мытья посуды с моющим средством или порошком (для этих целей удобно использовать абразивную мочалку для мытья посуды, которая похожа на войлок с мелкими вкраплениями какого-то вещества; часто такая мочалка бывает наклеена на кусок поролона). Кроме того, при достаточно чистой поверхности печатной платы можно вообще пропустить этап абразивной обработки и сразу перейти к обезжириванию.

В случае наличия на печатной плате только толстой оксидной пленки ее можно легко удалить путем обработки печатной платы в течение 3-5 секунд раствором хлорного железа с последующим промыванием в холодной проточной воде. Следует, однако, отметить, что желательно либо производить данную операцию непосредственно перед нанесением защитного покрытия, либо после ее проведения хранить заготовку в темном месте, поскольку на свету медь быстро окисляется.

Заключительный этап подготовки поверхности заключается в обезжиривании. Для этого можно использовать кусочек мягкой ткани, не оставляющей волокон, смоченный спиртом, бензином или ацетоном. После обезжиривания плату следует промыть в проточной холодной воде. Качество очистки можно контролировать, наблюдая за степенью смачивания водой поверхности меди. Полностью смоченная водой поверхность, без образования на ней капель и разрывов пленки воды, является показателем нормального уровня очистки. Нарушения в этой пленке воды указывают, что поверхность очищена недостаточно.

·        Нанесение защитного покрытия

Нанесение защитного покрытия является самым важным этапом в процессе изготовления печатных плат, и именно им на 90 % определяется качество изготовленной платы

.Использование «технологии лазерного принтера и утюга». Данная технология появилась сравнительно недавно, однако сразу получила широчайшее распространение в силу своей простоты и высокого качества получаемых плат. Основу технологии составляет перенос тонера (порошка, используемого при печати в лазерных принтерах) с какой-либо подложки на печатную плату.

Первый этап использования данной технологии заключается в печати зеркального изображения рисунка печатной платы на подложке. Параметры печати принтера при этом должны быть установлены на максимальное качество печати (поскольку в этом случае происходит нанесение слоя тонера наибольшей толщины). В качестве подложки используется обычная бумага для факсов.

Подложка предварительно размачивается в воде и потом постепенно отделяется Перенос тонера на плату заключается в прикладывании подложки с тонером к предварительно очищенной плате с последующим нагревом до температуры, немного превышающей температуру плавления тонера. Возможно огромное количество вариантов как это сделать, однако наиболее простым является прижим подложки к плате горячим утюгом. При этом для равномерного распределения давления утюга на подложку рекомендуется проложить между ними несколько слоев плотной бумаги. Очень важным вопросом является температура утюга и время выдержки. : тонер должен успеть достаточно расплавиться, чтобы прилипнуть к поверхности платы, и в то же время должен не успеть дойти до полужидкого состояния, чтобы края дорожек не расплющились. После «приварки» тонера к плате необходимо отделить подложку.

·        Травление

Известно много составов для химического стравливания меди. Все они отличаются скоростью протекания реакции, составом выделяющихся в результате реакции веществ, а также доступностью необходимых для приготовления раствора химических реактивов.

В нашем случае использовался раствор хлорного железа.

.Хлорное железо (FeCl) - пожалуй, самый известный и популярный реактив. Сухое хлорное железо растворяется в воде до тех пор, пока не будет получен насыщенный раствор золотисто-желтого цвета (для этого потребуется порядка двух столовых ложек на стакан воды). Процесс травления в этом растворе занял примерно полчаса. Время зависит от концентрации раствора, температуры и перемешивания. Перемешивание значительно ускоряет протекание реакции. Также реакция ускоряется при подогревании раствора. По окончании травления плату необходимо промыть большим количеством воды (для нейтрализации остатков кислоты).

·        Очистка заготовки, сверление, нанесение флюса, лужение

После завершения травления и промывки платы необходимо очистить ее поверхность от защитного покрытия. Сделать это можно каким-либо органическим растворителем. В моем случае это производилось ацетоном

Далее необходимо просверлить все отверстия. Делать это нужно остро заточенным сверлом. Прижимное усилие в процессе сверления не должно быть слишком большим, чтобы на обратной стороне платы не образовывались бугорки вокруг отверстий.

Следующим этапом является покрытие платы флюсом с последующим лужением. Можно использовать специальные флюсы промышленного изготовления (лучше всего смываемые водой или вообще не требующие смывания) либо просто покрыть плату слабым раствором канифоли в спирте. В моем случае лужение производилось погружением в расплав припоя в ванночке заполненной небольшим количеством сплава Розе. Расплав должен быть полностью покрыт сверху слоем глицерина во избежание окисления припоя. Для нагревания ванночки использовалась электроплитка. Плата погружается в расплав, а затем вынимается с одновременным удалением излишков припоя.

Основные элементы схемы

Основными элементами схемы являются резисторы конденсаторы полевые транзисторы в количестве 6 штук , которые необходимы для преобразования из постоянного тока в переменный, так же в данной схеме присутствуют драйвера.

Заключение

На данном этапе была спроектирована схема управления регулятора хода бесколлекторного электродвигателя. Была создана силовая часть данной схемы, которая в дальнейшем будет дорабатываться и модернизироваться.

Список литературы

Справочник по электрическим машинам В двух томах Под общей редакцией доктора технических наук И. П. Копылова и кандидата технических наук

Б. К. Клокова Том 1 МОСКВА ЭНЕРГОАТОМИЗДАТ 1988

Системы управления электроприводами Учебное пособие для студентов высших учебных заведений, Селиванов В.А.

Системы управления электроприводов, Терехов В. М., 2005.

Выбор электродвигателей для производственных механизмов, Кючев В.И.

Выбор электродвигателей к производственным механизмам, Кузнецов Б.В. Издательство: Беларусь. 1984

Интернет ресурсы://electro-motors.net/stati/proiz_prim_eldv.html Производство и применение электродвигателей://www.gaw.ru/html.cgi/txt/app/micros/avr/AVR492.htm Управление бесколлекторным электродвигателем://ra3ggi.qrz.ru/PCB/make_pcb.htm Технология изготовления печатных плат

Похожие работы на - Проектирование схемы управления регулятором хода бесколлекторного электродвигателя

 

Не нашли материал для своей работы?
Поможем написать уникальную работу
Без плагиата!
Без нейросетей!