Проектирование одноосного балансирующего робота Segway

  • Вид работы:
    Дипломная (ВКР)
  • Предмет:
    Информационное обеспечение, программирование
  • Язык:
    Русский
    ,
    Формат файла:
    MS Word
    2,45 Мб
  • Опубликовано:
    2013-06-24
Вы можете узнать стоимость помощи в написании студенческой работы.
Помощь в написании работы, которую точно примут!

Проектирование одноосного балансирующего робота Segway

Введение

В настоящее время человек не может обойтись без высокотехнологичного оборудования. Придумано огромное число моделей, различающихся по стоимости, дизайну и по многим другим параметрам. В нашей жизни мы не можем обойтись без электронных устройств.

Целью данной дипломной работы является разработка системы управления равновесием, разработка микропрограммы балансирующего одноосного робота, а так же его конструкция.

Данный робот может применяться где угодно, так как обладает множеством достоинств. Например, в повседневной жизни его можно использовать как:

средство передвижения;

средство доставки и транспортировки.

Его достоинствами являются: компактность, простое управление, быстродействие, бесшумность, не требуется топливо (только подзарядка), тем самым робот является экологически чистым.

1. Теоретическая часть

.1 История робототехники

Историю робототехники как прикладной науки о разработке и производстве автоматизированных технических систем можно условно разделить на две части: популярную и актуальную.

Популярная история робототехники ведет свое повествование от мифа о железных слугах Гефеста, «Франкенштейна» Мери Келли, через удивительные часовые механизмы в виде поющих бронзовых фазанов и целых движущихся городов к роботам на Марсе и гуманоидному роботу Asimo корпорации Honda.

Актуальная история робототехники включает в себя историю развития только тех идей и технологий, которые оказали наибольшее влияние на конструирование современных роботов, таких как сварочные линии автомобильных кузовов или автономные межпланетные исследовательские станции.

История серьезной робототехники начинается с появлением атомной промышленности почти сразу по окончании второй мировой войны. Индустрия тех лет еще не способна произвести высокоточные программируемые манипуляторы; роботы пока не могут выполнять работу за конвейером. Однако время диктует свое. Поставленная задача - обезопасить работу персонала с радиоактивными препаратами - успешно решается при помощи манипуляторов, копирующих движения человека-оператора. Это еще не совсем роботы, поскольку они по-прежнему состоят только из механических деталей: используются ременные и шевронные передачи. Современное название таких устройств - копирующие манипуляторы или MSM (master-slave manipulators).

Первый действительно существовавший в железе индустриальный робот принадлежит Полларду. 29 октября 1934 года, Уиллард Л.Г. Поллард подал в бюро патентов заявку об изобретении нового полностью автоматического устройства для окраски поверхностей. Патент состоял из двух частей: электрической управляющей системы и механического манипулятора. Программа задавала скорость вращения приводов глубиной вмятин на плотной перфоленте, а механическая часть робота представляла собой параллельный манипулятор по типу пантографа всего с двумя приводами.

Часто в литературе выделяют несколько поколений роботов. Однако, это имеет непрямое отношение к развитию технологий.

К роботам первого поколения обычно причисляют все копирующие и программируемые манипуляторы. Такие машины выполняют жесткую программу и чаще называются промышленными роботами.

Роботы второго поколения оснащены датчиками для выполнения более интеллектуальных функций.

К роботам третьего поколения относятся автономные мобильные роботы с самостоятельной адаптивной программой.

Датой рождения первого по-настоящему серьезного робота, о котором услышал весь мир, можно считать 18 мая 1966 года. В этот день Григорий Николаевич Бабакин, главный конструктор машиностроительного завода имени С.А.Лавочкина в подмосковных Химках, изобрел «Луноход-1», луноход 8ЕЛ в составе автоматической станции E8 №203, - первый в истории аппарат, успешно покоривший лунную поверхность 17 ноября 1970.

1.2 История возникновения сигвея

Сигвей начали изобретать еще в советское время с такого транспортного средства - гирокар. Это автомобиль, имеющий два (или более) колёса, расположенных в одну линию, а так же внутри у него находится гироскоп. Гироскоп: «Это быстро вращающееся твёрдое тело (ротор), ось вращения которого способна изменять ориентацию в пространстве. При этом скорость вращения гироскопа значительно превышает скорость поворота оси его вращения. Основное свойство такого гироскопа - способность сохранять в пространстве неизменное направление оси вращения при отсутствии воздействия на неё моментов внешних сил». В качестве простого примера можно привести юлу. Если толкнуть раскрученный волчок, он не упадёт. Только «отшатнётся» в сторону. Так же работает и гироскоп с маховиком. На рис. 1 изображен гироскоп.

Рисунок 1 - Гироскоп

Самую знаменитую попытку построить гирокар в истории предпринял русский инженер и изобретатель Пётр Петрович Шиловкий в 1914 году. Он изобрел свой гирокар в Англии на заводах Wolseley.

Итак, менее чем за год на заводе Wolseley был построен автомобиль Wolseley Gyrocar (рис.2) конструкции графа Шиловского. Для парковки были предусмотрены дополнительные выдвижные колёсики по бокам. 27 ноября 1913 года двигатель завели, колёсики убрали, и водитель-испытатель проехал несколько метров. Машина не опрокинулась.

Рисунок 2 - Wolseley Gyrocar

Следующий опыт заключался в том, что несколько здоровых мужчин сели в гирокар и попытались его раскачать и перевернуть - но он стоял на земле жёстче четырёхколёсной машины.

Это было совершенно естественно: ведь обычная машина не переворачивается благодаря собственному весу и достаточному количеству точек опоры - но при этом она вполне может шататься. Энергия же, вырабатываемая вращающимся маховиком, заметно превышала все усилия людей в кузове и держала кузов в состоянии почти полной неподвижности.

Осмелевшие испытатели во главе с Шиловским загрузились в гирокар и объехали сначала завод, а потом выехали в город. Закончилась их поездка тем, что машина заглохла и опрокинулась. Но главное было сделано: гирокар работал.

В качестве эксперта был приглашён знаменитый пионер гиротранспорта Луис Бреннан. Он пришёл в восторг от гирокара и честно признался, что никогда не думал о применении гироскопа в дорожном, а не в рельсовом транспорте. Гирокар запатентовали в ряде стран мира. 28 апреля 1914 года в Лондоне была проведена публичная демонстрация гирокара (рис.3).

Рисунок 3 - Публичная демонстрация гирокара

Она собрала толпы зевак, и вроде как даже инвесторы заинтересовались разработкой Шиловского, но… грянула I мировая война. И всё - никому оригинальная машина стала не нужна. А гирокар в какой-то момент был похоронен в земле. Совершенно буквально, чтобы во время войны его не повредило. Его просто закопали.

После войны Шиловский вспомнил про свой гирокар, который по-прежнему ржавел где-то под землёй на территории завода Wolseley.

В 1938 году гирокар был извлечён из-под земли, очищен, отреставрирован и помещён в музей Wolseley (рис.4).

Рисунок 4 - Отреставрированный гирокар Шиловского

В 1962 году американский энтузиаст Луис Суинни на площадях компании Gyro Transport Systems построил гирокар Gyro-X (рис. 5). Дизайн разработал сотрудник Ford Алекс Тримулоус (легенда авангарда в автодизайне), а гироскоп - инженер Томас Саммерс. Лёгкая, очень скоростная машина, почти мотоцикл, не произвела какого - либо впечатление на потенциальных инвесторов. Судьба её неизвестна - скорее всего, её уничтожили в том же году. Сохранилось лишь несколько фотографий и полная техническая документация, доказывающая то, что эта машина была способна на движение.

Рисунок 5 - Гирокар Gyro-X

А дело Петра Петровича Шиловского всё-таки живёт. Потому что весь мир сегодня ездит на «Сигвеях». Думаю, Шиловский, добился своего: гироскопический транспорт существует и пользуется популярностью.

Презентация первого самобалансирующего робота произошла 3 декабря 2001 года. В этом необычном средстве передвижения не было ни коробки передач, ни тормозов, ни руля. Однако между двумя колесами располагался компьютер, система сенсоров и гироскопов. Малейшее движение, отклонение водителя - и робот мгновенно реагировал. Наклон вперед - и вы едете, наклон назад - тормозите. Что может быть проще и удобнее!

Первый электрический самобалансирующийся робот с двумя колёсами, расположенными по обе стороны изобретённый Дином Кейменом <#"656387.files/image006.gif">

Рисунок 6 - Современная конструкция сигвея

Первый серийный сигвей был официально представлен в 2002 году. Первые модели сигвеев "Эйч Ти Ай 167" (HT i167) и "Ай 180" (i180) имели стационарный столб руля. Управление осуществлялось благодаря вращающимся ручкам-акселераторам. До современных моделей все же было еще далеко. За 8 лет было выпущено достаточно вариаций и модификаций сигвеев. Так же было изобретено инвалидное кресло "АйБот" (iBOT), военном роботе на этой же технологии, сигвей с сиденьем, сигвей для детей и других моделях. Современные модели были выпущены в 2006 году. Это сигвей "Ай 2" <#"656387.files/image007.gif">

Рисунок 7 - Аналитическая модель обратного маятника

Сила тяжести при малейшем отклонении маятника от вертикали смещает его все далее из вертикального положения, не позволяя ему вернуться обратно. Обратный маятник нелинейный. Он не устойчив в исходном состоянии (в малом), но устойчив в большом. Поэтому он перейдет в нижнее положение и станет качаться вокруг него. Здесь и далее все величины, направленные вправо, вдоль оси абсцисс, а также по часовой стрелке, считаются положительными.

Уравнение маятника вытекает из рис. 7 в соответствии со вторым законом Ньютона для вращающейся материальной точки:


Обратим внимание на знак правой части уравнения. Он положительный, показывая, что угловое ускорение груза маятника направлено в ту же сторону, что и угловое отклонение, и действие компоненты силы тяжести, отклоняющей маятник. В результате, маятник неустойчив при верхнем положении груза, а устойчив при нижнем.

Маятник в отсутствие сопротивления воздуха не зависит от массы грузика.

В принципе, управлять положением маятника и, в частности, приводить его в вертикальное положение уже можно, путем его обдува потоком воздуха.

Шарнир обратного маятника закреплен на подвижной тележке некоторой массы, способной перемещаться по горизонтальной оси в плоскости качания маятника. Требуется, воздействуя на тележку, переводить маятник из некоторого произвольного положения в вертикальное, грузом вверх.

Рисунок 8 - Обратный маятник с тележкой

Перемещая опору маятника можно заставить его колебаться в перевернутом состоянии, поэтому он называется обратным. Стрелка внизу показывает скорость и направление движения тележки, на которой закреплен шарнир маятника.

1.3 Теория управления шаговыми двигателями

Шаговые двигатели уже давно и успешно применяются в самых разнообразных устройствах. Их можно встретить в дисководах, принтерах, плоттерах, сканерах, факсах, а также в разнообразном промышленном и специальном оборудовании. В настоящее время выпускается множество различных типов шаговых двигателей на все случаи жизни. Однако от правильно выбора тип шагового двигателя и определения его параметров, зависит работоспособность проектируемой системы. Также не менее важно правильно выбрать схему драйвера и алгоритм его работы, который зачастую определяется программой микроконтроллера.

Шаговый двигатель - это электромеханическое устройство, которое преобразует электрические импульсы в дискретные механические перемещения.

Шаговые двигатели относятся к классу бесколлекторных двигателей постоянного тока. Как и любые бесколлекторные двигатели, они имеют высокую надежность и большой срок службы, что позволяет использовать их в критичных, например, индустриальных применениях. По сравнению с обычными двигателями постоянного тока, шаговые двигатели требуют значительно более сложных схем управления, которые должны выполнять все коммутации обмоток при работе двигателя. Кроме того, сам шаговый двигатель - дорогостоящее устройство, поэтому там, где точное позиционирование не требуется, обычные коллекторные двигатели имеют заметное преимущество.

Одним из главных преимуществ шаговых двигателей является возможность осуществлять точное позиционирование и регулировку скорости без датчика обратной связи. Однако это подходит только для систем, которые работают при малом ускорении и с относительно постоянной нагрузкой. В то же время системы с обратной связью способны работать с большими ускорениями и даже при переменном характере нагрузки. Если нагрузка шагового двигателя превысит его момент, то информация о положении ротора теряется и система требует базирования с помощью, например, концевого выключателя или другого датчика. Системы с обратной связью не имеют подобного недостатка.

Наряду со всеми достоинствами, существуют и недостатки шаговых двигателей.

шаговым двигателем присуще явление резонанса

возможна потеря контроля положения ввиду работы без обратной связи

потребление энергии не уменьшается даже без нагрузки

затруднена работа на высоких скоростях

невысокая удельная мощность

относительно сложная схема управления.

Существуют три основных типа шаговых двигателей:

двигатели с переменным магнитным сопротивлением

двигатели с постоянными магнитами

гибридные двигатели

Определить тип двигателя можно даже на ощупь: при вращении вала обесточенного двигателя с постоянными магнитами (или гибридного) чувствуется переменное сопротивление вращению, двигатель вращается как бы щелчками. В то же время вал обесточенного двигателя с переменным магнитным сопротивлением вращается свободно. Гибридные двигатели являются дальнейшим усовершенствованием двигателей с постоянными магнитами и по способу управления ничем от них не отличаются. Определить тип двигателя можно также по конфигурации обмоток. Двигатели с переменным магнитным сопротивлением обычно имеют три (реже четыре) обмотки с одним общим выводом. Двигатели с постоянными магнитами чаще всего имеют две независимые обмотки. Эти обмотки могут иметь отводы от середины. Иногда двигатели с постоянными магнитами имеют 4 раздельные обмотки.

В шаговом двигателе вращающий момент создается магнитными потоками статора и ротора, которые соответствующим образом ориентированы друг относительно друга. Статор изготовлен из материала с высокой магнитной проницаемостью и имеет несколько полюсов. Полюс можно определить как некоторую область намагниченного тела, где магнитное поле сконцентрировано. Полюса имеют как статор, так и ротор. Для уменьшения потерь на вихревые токи магнитопроводы собраны из отдельных пластин, подобно сердечнику трансформатора. Вращающий момент пропорционален величине магнитного поля, которая пропорциональна току в обмотке и количеству витков. Таким образом, момент зависит от параметров обмоток. Если хотя бы одна обмотка шагового двигателя запитана, ротор принимает определенное положение. Он будет находиться в этом положении до тех пор, пока внешний приложенный момент не превысит некоторого значения, называемого моментом удержания. После этого ротор повернется, и будет стараться принять одно из следующих положений равновесия.

Существует несколько способов управления фазами шагового двигателя.

Первый способ обеспечивается попеременной коммутации фаз, при этом они не перекрываются, в один момент времени включена только одна фаза (рис. 9а). Этот способ называют ”one phase on” full step или wave drive mode. Точки равновесия ротора для каждого шага совпадают с «естественными» точками равновесия ротора у незапитанного двигателя. Недостатком этого способа управления является то, что для биполярного двигателя в один и тот же момент времени используется 50% обмоток, а для униполярного - только 25%. Это означает, что в таком режиме не может быть получен полный момент.

Рисунок 9 - Различные способы управления фазами шагового двигателя

Второй способ - управление фазами с перекрытием: две фазы включены в одно и то же время. Его называют ”two-phase-on” full step или просто full step mode. При этом способе управления ротор фиксируется в промежуточных позициях между полюсами статора (рис. 9б) и обеспечивается примерно на 40% больший момент, чем в случае одной включенной фазы. Этот способ управления обеспечивает такой же угол шага, как и первый способ, но положение точек равновесия ротора смещено на полшага.

Третий способ является комбинацией первых двух и называется полушаговым режимом, ”one and two-phase-on” half step или просто half step mode, когда двигатель делает шаг в половину основного. Этот метод управления достаточно распространен, так как двигатель с меньшим шагом стоит дороже и очень заманчиво получить от 100-шагового двигателя 200 шагов на оборот. Каждый второй шаг запитана лишь одна фаза, а в остальных случаях запитаны две (рис. 9в). В результате угловое перемещение ротора составляет половину угла шага для первых двух способов управления. Кроме уменьшения размера шага этот способ управления позволяет частично избавиться от явления резонанса.

Есть так же еще способы управления шаговым двиготелем.

Полушаговый режим. Основным принципом работы шагового двигателя является создание вращающегося магнитного поля, которое заставляет ротор поворачиваться. Вращающееся магнитное поля создается статором, обмотки которого соответствующим образом запитываются.

Для двигателя, у которого запитана одна обмотка, зависимость момента от угла поворота ротора относительно точки равновесия является приблизительно синусоидальной. Эта зависимость для двухобмоточного двигателя, который имеет N шагов на оборот (угол шага в радианах S = (2*pi)/N), показана на рис. 10.

Рисунок 10 - Зависимость момента от угла поворота ротора для одной запитанной обмотки

Реально характер зависимости может быть несколько другой, что объясняется неидеальностью геометрии ротора и статора. Пиковое значение момента называется моментом удержания. Формула, описывающая зависимость момента от угла поворота ротора, имеет следующий вид:

T = - Th*sin((pi/2)/S)*Ф),

где T - момент, Th - момент удержания, S - угол шага, Ф - угол поворота ротора.

Если к ротору приложить внешний момент, который превышает момент удержания, ротор провернется. Если внешний момент не превышает момента удержания, то ротор будет находиться в равновесии в пределах угла шага. Нужно отметить, что у обесточенного двигателя момент удержания не равен нулю вследствие действия постоянных магнитов ротора. Этот момент обычно составляет около 10% максимального момента, обеспечиваемого двигателем. Иногда используют термины «механический угол поворота ротора» и «электрический угол поворота ротора». Механический угол вычисляется исходя из того, что полный оборот ротора составляет 2*pi радиан. При вычислении электрического угла принимается, что один оборот соответствует одному периоду угловой зависимости момента. Для приведенных выше формул Ф является механическим углом поворота ротора, а электрический угол для двигателя, имеющего 4 шага на периоде кривой момента, равен ((pi/2)/S)*Ф или (N/4)*Ф, где N - число шагов на оборот. Электрический угол фактически определяет угол поворота магнитного поля статора и позволяет строить теорию независимо от числа шагов на оборот для конкретного двигателя. Если запитать одновременно две обмотки двигателя, то момент будет равен сумме моментов, обеспечиваемых обмотками по отдельности (рис. 11).

Рисунок 11 - Зависимость момента от угла поворота ротора для двух запитанных обмоток

При этом если токи в обмотках одинаковы, то точка максимума момента будет смещена на половину шага. На половину шага сместится и точка равновесия ротора (точка e на рис. 11). Этот факт и положен в основу реализации полушагового режима. Пиковое значение момента (момент удержания) при этом будет в корень из двух раз больше, чем при одной запитанной обмотке.

Th2 = 2 0.5*Th1,

где Th2 - момент удержания при двух запитанных обмотках, Th1 - момент удержания при одной запитанной обмотке.

Именно этот момент обычно и указывается в характеристиках шагового двигателя.

Величина и направление магнитного поля показаны на векторной диаграмме (рис. 12).

Рисунок 12 - Величина и направление магнитного поля для разных режимов питания фаз

Оси X и Y совпадают с направлением магнитного поля, создаваемого обмотками первой и второй фазы двигателя. Когда двигатель работает с одной включенной фазой, ротор может занимать положения 1, 3, 5, 7. Если включены две фазы, то ротор может занимать положения 2, 4, 6, 8. К тому же, в этом режиме больше момент, так как он пропорционален длине вектора на рисунке. Оба эти метода управления обеспечивают полный шаг, но положения равновесия ротора смещены на полшага. Если скомбинировать два этих метода и подать на обмотки соответствующие последовательности импульсов, то можно заставить ротор последовательно занимать положения 1, 2, 3, 4, 5, 6, 7, 8, что соответствует половинному шагу.

По сравнению с полношаговым режимом, полушаговый режим имеет следующие преимущества: более высокая разрешающая способность без применения, более дорогих двигателей; меньшие проблемы с явлением резонанса. Резонанс приводит лишь к частичной потере момента, что обычно не мешает нормальной работе привода. Недостатком полушагового режима является довольно значительное колебание момента от шага к шагу. В тех положениях ротора, когда запитана одна фаза, момент составляет примерно 70% от полного, когда запитаны две фазы. Эти колебания могут явиться причиной повышенных вибраций и шума, хотя они всё равно остаются меньшими, чем в полношаговом режиме.

Для полушагового режима очень важным является переход в состояние с одной выключенной фазой. Чтобы заставить ротор принять соответствующее положение, ток в отключенной фазе должен быть уменьшен до нуля как можно быстрее. Длительность спада тока зависит от напряжения на обмотке в то время, когда она теряет свою запасенную энергию. Замыкая в это время обмотку на источник питания, который представляет максимальное напряжение, имеющееся в системе, обеспечивается максимально быстрый спад тока.

Для увеличения скорости спада тока при управлении униполярными двигателями подавление выбросов ЭДС самоиндукции предпочтительнее осуществлять не диодами, а варисторами или комбинацией диодов и стабилитрона, которые ограничат выброс на большем, но безопасном для транзисторов уровне.

Микрошаговый режим обеспечивается путем получения поля статора, вращающегося более плавно, чем в полно- или полушаговом режимах. В результате обеспечиваются меньшие вибрации и практически бесшумная работа вплоть до нулевой частоты. К тому же меньший угол шага способен обеспечить более точное позиционирование. Существует много различных микрошаговых режимов, с величиной шага от 1/3 полного шага до 1/32 и даже меньше. Шаговый двигатель является синхронным электродвигателем. Это значит, что положение равновесия неподвижного ротора совпадает с направлением магнитного поля статора. При повороте поля статора ротор тоже поворачивается, стремясь занять новое положение равновесия.

Рисунок 13 - Зависимость момента от угла поворота ротора в случае разных значений тока фаз

Если одновременно запитаны две обмотки двигателя, но токи в этих обмотках не равны (рис. 13), то результирующий момент будет

= (a2 + b2)0.5,

а точка равновесия ротора сместится в точку

x = (S / (pi/2)) arctan(b / a),

где a и b - момент, создаваемый первой и второй фазой соответственно, Th - результирующий момент удержания, x - положение равновесия ротора в радианах, S - угол шага в радианах.

Смещение точки равновесия ротора говорит о том, что ротор можно зафиксировать в любой произвольной позиции. Для этого нужно лишь правильно установить отношение токов в фазах. Именно этот факт используется при реализации микрошагового режима. Ещё раз нужно отметить, что приведенные выше формулы верны только в том случае, если зависимость момента от угла поворота ротора синусоидальная и если ни одна часть магнитной цепи двигателя не насыщается.

Результатом использования микрошагового режима является более плавное вращение ротора на низких частотах. На частотах в 2 - 3 раза выше собственной резонансной частоты ротора и нагрузки, микрошаговый режим дает незначительные преимущества по сравнению с полу- или полношаговым режимами. Причиной этого является фильтрующее действие инерции ротора и нагрузки. Система с шаговым двигателем работает подобно фильтру нижних частот. В микрошаговом режиме можно осуществлять только разгон и торможение, а основное время работать в полношаговом режиме. К тому же, для достижения высоких скоростей в микрошаговом режиме требуется очень высокая частота повторения микрошагов, которую не всегда может обеспечить управляющий микроконтроллер. Для предотвращения переходных процессов и потери шагов, переключения режимов работы двигателя (из микрошагового режима в полношаговый и т.п.) необходимо производить в те моменты, когда ротор находится в положении, соответствующем одной включенной фазе.

На практике при осуществлении каждого шага ротор не сразу останавливается в новом положении равновесия, а осуществляет затухающие колебания вокруг положения равновесия. Время установления зависит от характеристик нагрузки и от схемы драйвера. Во многих приложениях такие колебания являются нежелательными. Избавиться от этого явления можно путем использования микрошагового режима. На рис. 14 показаны перемещения ротора при работе в полношаговом и микрошаговом режимах.

Рисунок 14 - Перемещения ротора в полношаговом и микрошаговом режимах

Видно, что в полношаговом режиме наблюдаются выбросы и колебания, в то время как в микрошаговом режиме их нет. Однако и в этом режиме график положения ротора отличается от прямой линии. Эта погрешность объясняется погрешностью геометрии деталей двигателя и может быть уменьшена путем проведения калибровки и последующей компенсации путем корректировки токов фаз.

Идеальный шаговый двигатель при питании фаз синусоидальным и косинусоидальным током должен вращаться с постоянной скоростью. У реального двигателя в таком режиме будут наблюдаться некоторые колебания скорости. Связано это с нестабильностью воздушного зазора между полюсами ротора и статора, наличием магнитного гистерезиса, что приводит к погрешностям величины и направления магнитного поля и т.д. Поэтому положения равновесия и момент имеют некоторые отклонения. Эти отклонения зависят от погрешности формы зубцов ротора и статора и от примененного материала магнитопроводов.

Конструкция некоторых двигателей оптимизирована для наилучшей точности в полношаговом режиме и максимального момента удержания. Специальная форма зубцов ротора и статора спроектирована так, чтобы в положении равновесия для полношагового режима магнитный поток сильно возростал. Это приводит к ухудшению точности в микрошаговом режиме. Лучшие результаты позволяют получить двигатели, у которых момент удержания в обесточенном состоянии меньше.

Если измерить положения равновесия ротора при вращении двигателя по и против часовой стрелки, то получатся несколько разные результаты. Этот гистерезис связан в первую очередь с магнитным гистерезисом материала сердечника, хотя свой вклад вносит и трение. Магнитный гистерезис приводит к тому, что магнитный поток зависит не только от тока обмоток, но и от предыдущего его значения. Погрешность, создаваемая гистерезисом, может быть равна нескольким микрошагам. Поэтому в высокоточных приложениях при движении в одном из направлений нужно проходить за желаемую позицию, а затем возвращаться назад, чтобы подход к нужной позиции всегда осуществлялся в одном направлении.

Эти проблемы наиболее ярко выражены для двигателей с большим количеством полюсов.

Еще один источник погрешностей позиционирования - это ошибка квантования ЦАП, с помощью которого формируются токи фаз. Дело в том, что ток должен формироваться по синусоидальному закону, поэтому для минимизации погрешности линейный ЦАП должен иметь повышенную разрядность.

Даже если ЦАП точно сформировал синусоидальное опорное напряжение, его нужно усилить и превратить в синусоидальный ток обмоток. Многие драйверы имеют значительную нелинейность вблизи нулевого значения тока, что вызывает значительные искажения формы и, как следствие, значительные ошибки позиционирования.

Иногда контроллеры шаговых двигателей позволяют корректировать форму выходного сигнала путем добавления или вычитания из синуса его третьей гармоники. Однако, такая подстройка должна, производится индивидуально под конкретный двигатель, характеристики которого должны быть перед этим измерены.

Из-за этих ограничений микрошаговый режим используется в основном для обеспечения плавного вращения (особенно на очень низких скоростях), для устранения шума и явления резонанса.

Синусоидальный ток фаз может быть обеспечен применением специальных драйверов.

Для питания обычного двигателя постоянного тока требуется лишь источник постоянного напряжения, а необходимые коммутации обмоток выполняются коллектором. С шаговым двигателем всё сложнее. Все коммутации должен выполнять внешний контроллер. В настоящее время примерно в 95% случаев для управления шаговыми двигателями используются микроконтроллеры. В простейшем случае для управления шаговым двигателем в полношаговом режиме требуются всего два сигнала, сдвинутые по фазе на 90 градусов. Направление вращения зависит от того, какая фаза опережает. Скорость определяется частотой следования импульсов. В полушаговом режиме всё несколько сложнее и требуется уже минимум 4 сигнала. Все сигналы управления шаговым двигателем можно сформировать программно, однако это вызовет большую загрузку микроконтроллера. Поэтому чаще применяют специальные микросхемы драйверов шагового двигателя, которые уменьшают количество требуемых от процессора динамических сигналов. Типично эти микросхемы требуют тактовую частоту, которая является частотой повторения шагов и статический сигнал, который задает направление. Иногда еще присутствует сигнал включения полушагового режима. Для микросхем драйверов, которые работают в микрошаговом режиме, требуется большее количество сигналов.

Мощность, которая требуется от драйвера, зависит от размеров двигателя и составляет доли ватта для маленьких двигателей и до 10-20 ватт для больших двигателей. Максимальный уровень рассеиваемой мощности ограничен нагревом двигателя. Максимальная рабочая температура обычно указывается производителем, но можно приблизительно считать, что нормальной является температура корпуса 90 градусов.

Для данного размера шагового двигателя место, занимаемое обмотками, ограничено. Поэтому очень важно сконструировать драйвер так, чтобы для данных параметров обмоток обеспечить наилучшую эффективность.

Схема драйвера должна выполнять три главных задачи:

иметь возможность включать и выключать ток в обмотках, а также менять его направление

поддерживать заданное значение тока

обеспечивать как можно более быстрое нарастание и спад тока для хороших скоростных характеристик.

1.4 Теория микропроцессорного управления

Современное техническое оборудование предполагает обязательное использование ЭВМ в профессиональной деятельности инженера, конструктора или технолога. Уникальность применения МПС состоит, прежде всего, в том, что, не изменяя как таковое физическое устройство ЭВМ, ее аппаратуру, можно заставить компьютер выполнять самые различные функции, превращая его либо в систему автоматического проектирования сложных устройств, либо в обучающее устройство, либо в игровой автомат.

Важно помнить, что главный смысл компьютерной революции заключается в качественно новом характере повышения уровня автоматизации в большинстве сфер производственной деятельности, что позволяет повысить производительность труда, снизить себестоимость выпускаемой продукции и значительно сократить ручные операции.

При создании автоматизированных систем различного назначения в качестве их основы широко используются два класса средств цифровой техники:

а) устройства с жесткой структурой, выполненные на базе цифровых логических схем;

б) электронные вычислительные машины (ЭВМ).

Устройства с жесткой структурой обычно содержат большое число интегральных схем (ИС) малой и средней степени интеграции. Эти схемы устанавливаются на платах, а их выводы соединяются в соответствии с реализуемыми функциями. Любое изменение функций требует изменения схемы (т. е. перепайки соединений, замены ИС), конструкции, проверочных тестов. Поэтому главные недостатки устройств с жесткой структурой - большое время проектирования и изготовления и трудности внесения изменений.

Системы на основе ЭВМ могут легко перестраиваться с реализации одной функции на другую, для этого достаточно составить и занести в память новую программу. При использовании серийных ЭВМ это значительно сокращает сроки проектирования, изготовления и настройки системы. Однако высокая стоимость ЭВМ часто делает экономически нецелесообразной разработку цифровых систем на основе этого подхода.

Успехи полупроводниковой технологии привели к появлению больших интегральных схем (БИС) с плотностью размещения компонентов до десятков тысяч транзисторов на кристалле. Использование БИС позволяет значительно повысить эффективность цифровых систем - увеличить их производительность и надежность, уменьшить габариты, массу, потребляемую мощность. Таким образом, появляется возможность устройства с жесткой аппаратной логикой выполнять на основе заказных специализированных БИС. Но стоимость заказных БИС, определяемая объемом их выпуска, является слишком высокой для изготовителей БИС. Поэтому, как правило, заказные БИС экономически невыгодны ни для изготовителей ИС, ни для изготовителей цифровых систем. Применение заказных БИС может быть оправдано или при весьма ответственном назначении цифровой системы или при высокой серийности системы или отдельных БИС, например калькуляторов, электронных часов.

Указанные обстоятельства привели к появлению нового подхода к проектированию цифровых систем - на основе программируемой логики. Этот подход предполагает использование при построении систем стандартной универсальной БИС (одной или нескольких), работающих под программным управлением, которая получила название микропроцессора (МП). Таким образом, если разработчик систем на основе устройств с жесткой структурой для реализации необходимых функций может пользоваться только аппаратными средствами, то при построении систем на основе программируемой логики он получает в свое распоряжение, как аппаратные, так и программные средства.

Цифровые электронные устройства строятся на схемах способных находиться в двух состояниях. Если этим состояниям поставить в соответствие символы 1 и 0, то любому числу, букве или символу можно приписать определенное сочетание единиц и нулей. Представление чисел с помощью двух цифр 1 и 0 получило название двоичной или бинарной системы счисления (в основании системы лежит число 2). Каждый разряд двоичной записи числа называют битом.

Любое число в системе с любым основанием можно записать в виде суммы, где слагаемыми являются весовые коэффициенты, умноженные на значащую цифру.

Существуют различные критерии для классификации ЭВМ, из которых наиболее распространены следующие:

По назначению: общего пользования (универсальные), ориентированные на решение разнообразных задач.

По быстродействию: малые (до 100 тыс. операций в секунду), средние (до 500 тыс.), большие (до 1,5 млн.), сверхбольшие (свыше 1,5 млн. операций в секунду).

Здесь указано быстродействие центрального процессора. Реальное быстродействие ЭВМ существенно ниже за счет “медленных” устройств ввода-вывода.

По составу оборудования: базовые, включающие стандартный минимальный комплект для поставки потребителю; типовые, включающие комплект оборудования, наиболее используемый в настоящее время; специализированные, включающие комплект оборудования, поставляемого по спецификации заказчика.

Применение МП позволило создать новый класс вычислительной техники - микропроцессорные системы, обобщенная логическая структура которых приведена на рис. 15.

Рисунок 15 - Обобщенная логическая структура МП

Центральное место в этой структуре занимает микропроцессор, который выполняет арифметические и логические операции над данными, осуществляет программное управление процессом обработки информации, организует взаимодействие всех устройств, входящих в систему. Работа МП происходит под воздействием сигналов схемы синхронизации и начальной установки, часто выполняемой в виде отдельного кристалла.

Показанный на рис. 15 МП может представлять собой или однокристальный МП с фиксированной системой команд или многокристальный МП с микропрограммным управлением.

Представленная на рис. 15 структура отражает магистрально-модульный принцип организации микропроцессорных устройств и систем. Отдельные блоки являются функционально законченными модулями со своими встроенными схемами управления, выполненными в виде одного или нескольких кристаллов БИС или СБИС. Межмодульные связи и обмен информацией между модулями осуществляются посредством коллективных шин (магистралей), к которым имеют доступ все основные модули системы. В каждый данный момент времени возможен обмен информацией только между двумя модулями системы.

2. Практическая часть

.1 Составление структурной схемы системы управления

Структурная схема разрабатывается на начальных стадиях проектирования и предшествует разработке схем других типов. Структурная схема определяет основные функциональные части изделия, их назначение и взаимосвязи между ними. Схема отображает принцип действия изделия в самом общем виде.

Действительное расположение составных частей на структурной схеме не учитывают и способ связи не раскрывают. Построение схемы должно давать наглядное представление о:

состав изделия,

последовательности взаимодействия функциональных частей в изделии.

На схеме (рис. 16) приняты следующие обозначения для функциональных частей изделия:

МК - микроконтроллер;

СИП - стабилизирующий источник питания;

ДШД - драйверы шаговых двигателей;

ШД - шаговые двигатели;

ДТ - датчик тока;

Компаратор;

ИОН - источник опорного напряжения;

Гироскоп/Акселерометр;

Индикаторы;

ПСДУ - приемник системы дистанционного управления;

ПДУ - пульт (передатчик) системы дистанционного управления, предназначенный для взаимодействия с человеком - оператором.

Рисунок 16 - структурная схема

2.2 Практическая реализация управления шаговыми двигателями

Драйвер шагового двигателя должен решать две основные задачи: это формирование необходимых временных последовательностей сигналов и обеспечение необходимого тока в обмотках.

Далее будет использоваться следующая терминология: «контроллер» - микросхема, ответственная за формирование временных последовательностей; «драйвер» - мощная схема питания обмоток двигателя. Однако термины «драйвер» и «контроллер» могут также обозначать законченное устройство управления шаговым двигателем.

На практике можно обойтись и без специализированных микросхем. Например, все функции контроллера можно реализовать программно, а в качестве драйвера применить набор дискретных транзисторов. Однако при этом микроконтроллер будет сильно загружен, а схема драйвера может получиться громоздкой. Несмотря на это, в некоторых случаях такое решение будет экономически выгодным.

Самый простой драйвер требуется для управления обмотками униполярного двигателя. Для этого подходят простейшие ключи, в качестве которых могут быть использованы биполярные или полевые транзисторы. Достаточно эффективны мощные МОП-транзисторы, управляемые логическим уровнем, такие как IRLZ34, IRLZ44, IRL540. У них сопротивление в открытом состоянии менее 0.1ом и допустимый ток порядка 30А. Существуют также специальные микросхемы, которые содержат внутри несколько мощных транзисторных ключей. Необходимо отметить, что эти микросхемы пригодны не только для питания обмоток шаговых двигателей, но и для питания любых других нагрузок.

Кроме простых микросхем драйверов существуют и более сложные микросхемы, имеющие встроенный контроллер, PWM-регулировку тока и даже ЦАП для микрошагового режима.

Схема управления ключами может быть выполнена на дискретных компонентах или в виде специализированной микросхемы. Довольно популярной микросхемой, реализующей ШИМ-стабилизацию тока, является L297 фирмы SGS-Thomson.

Микросхема L297 сильно разгружает управляющий микроконтроллер, так как от него требуется только тактовая частота CLOCK (частота повторения шагов) и несколько статических сигналов: DIRECTION - направление (сигнал внутренне синхронизирован, переключать можно в любой момент), HALF/FULL - полушаговый/полношаговый режим, RESET - устанавливает фазы в исходное состояние (ABCD = 0101), ENABLE - разрешение работы микросхемы, V ref - опорное напряжение, которое задает пиковую величину тока при ШИМ-регулировании. Кроме того, имеется несколько дополнительных сигналов. Сигнал CONTROL задает режим работы ШИМ-регулятора. При его низком уровне ШИМ-регулирование происходит по выходам INH1, INH2, а при высоком - по выходам ABCD. SYNC - выход внутреннего тактового генератора ШИМ. Он служит для синхронизации работы нескольких микросхем. Также может быть использован как вход при тактировании от внешнего генератора. HOME - сигнал начального положения (ABCD = 0101). Он используется для синхронизации переключения режимов HALF/FULL. В зависимости от момента перехода в полношаговый режим микросхема может работать в режиме с одной включенной фазой или с двумя включенными фазами.

Ключевое регулирование реализуют и многие другие микросхемы. Некоторые микросхемы обладают теми или иными особенностями, например драйвер LMD18T245 фирмы National Semiconductor не требует применения внешнего датчика тока, так как он реализован внутри на основе одной ячейки ключевого МОП-транзистора.

Выбор типа драйвера. Максимальный момент и мощность, которую может обеспечить на валу шаговый двигатель, зависит от размеров двигателя, условий охлаждения, режима работы (отношения работа/пауза), от параметров обмоток двигателя и от типа применяемого драйвера. Тип применяемого драйвера сильно влияет на мощность на валу двигателя. При одной и той же рассеиваемой мощности драйвер с импульсной стабилизацией тока обеспечивает выигрыш в моменте на некоторых скоростях до 5 - 6 раз, по сравнению с питанием обмоток номинальным напряжением. При этом также расширяется диапазон допустимых скоростей.

Технология приводов на основе шаговых двигателей постоянно развивается. Развитие направлено на получение наибольшего момента на валу при минимальных габаритах двигателя, широких скоростных возможностей, высокого КПД и улучшенной точности. Важным звеном этой технологии является применение микрошагового режима.

На практике немаловажным является и время разработки привода на основе шагового двигателя. Разработка специализированной конструкции для каждого конкретного случая требует значительных затрат времени. С этой точки зрения предпочтительней применять универсальные схемы управления на основе PWM стабилизации тока, несмотря на их более высокую стоимость.

Для управления шаговым двигателем при помощи микроконтроллера был применён силовой каскад, так как сам микроконтроллер не выдержит нагрузки, если подключить униполярный шаговый двигатель напрямую к его портам. В силовом каскаде в качестве ключевых транзисторов выбраны контроллеры с 9-канальными драйверами HA13408, способные коммутировать ток до 1,5 А. Силовой каскад является промежуточным звеном между микроконтроллером и двигателем.

Далее представлена схема (рис. 17) и внешний вид (рис. 18) драйвера.

Рисунок 17 - Схема драйвера

Рисунок 18 - Внешний вид драйвера

2.3 Особенности системы управления на микроконтроллере

Программное обеспечение контроллера движения предназначено для решения основных системных задач и задач управления движением робота. Оно должно обеспечивать выполнение следующих функций: поддержка аппаратных средств; управление электроприводом; расчет траектории движения; наблюдение за состоянием системы; взаимодействие с терминальным устройством; выполнение системных подпрограмм; выполнение управляющих программ пользователя.

Рисунок 19 - Программное обеспечение контроллера

Под поддержкой аппаратных средств понимается набор подпрограмм, обеспечивающих взаимодействие с электрооборудованием системы управления и периферийными устройствами. Данные подпрограммы предназначены для реализации таких задач как опрос датчиков, организация работы интерфейсов передачи данных, опроса состояния тележки и других компонентов системы управления. Кроме того, на данном уровне выполняется задача синхронизации расчетных процессов, реализуемых на контроллере движения согласно разработанной таблице приоритетов.

Управление электроприводом включает опрос каналов обратной связи, алгоритмы координатных преобразований, расчет параметров регуляторов, формирование управляющих сигналов, коммутацию силовых ключей.

К основным типам двигателей, используемых в настоящее время в роботах, следует отнести: шаговые, постоянного тока, вентильные. В перспективе возможно использование асинхронных двигателей как наиболее дешевых и надежных. Алгоритмы управления указанными типами двигателя должны быть реализованы непосредственно в контроллере движения. Это позволит получать информацию о переменных состояния двигателей и электромеханической системы в целом. К основным опрашиваемым параметрам относятся токи, моменты и координаты двигателей. Они могут быть использованы для создания сложных алгоритмов управления и наблюдения за его текущим состоянием.

Средства наблюдения предназначены для осуществления обмена информацией о состоянии отдельных компонентов системы управления, а также для защиты от возможных сбоев в работе аппаратного и программного обеспечения. К ним относятся сторожевые таймеры, внешние датчики и измерители физических величин, позволяющие определить возникновение различных проблемных ситуаций, а также программные счетчики и параметры, необходимые для первичной оценки поведения робота и выполнения задач движения.

Средства взаимодействия с терминальным устройством предназначены для обмена данными и управляющей информацией с пользователем посредством терминального устройства. К ним относятся различные буферы для передачи информации, средства интерфейса с переменными состояния системы. Взаимодействие осуществляется по существующим в составе системы управления средствам передачи данными между блоком управления и терминального устройства.

Для выполнения системных подпрограмм высокого уровня, необходимых для обеспечения работы системы управления, существует уровень программного обеспечения, выполняемый на контроллере движения в фоновом режиме и осуществляющий обновление различных данных, наблюдение за характеристиками системы управления, а также синхронизацию процессов в пользовательских программах. Критические задачи, требующие немедленной реакции, такие как обработка ошибок, могут выполняться с более высоким уровнем приоритета.

В связи с тем, что для работы системы управления робота необходимо обеспечивать выполнение различных задач, возникает вопрос о распределении между ними временного ресурса. На рисунке 22 показано распределение выполняемых процессов по уровням приоритетов и примерное соотношение частот их обновления в рамках одного приоритета. Основные задачи, связанные с взаимодействием с оборудованием системы управления и коммутацией управляемых двигателей, относятся к наиболее высокому приоритету. Такое решение позволяет поддерживать систему управления в рабочем состоянии независимо от времени, которое будут занимать задачи более низких уровней.

Рисунок 20 - Распределение задач программного обеспечения контроллера движения по уровням приоритета

Задачи второго уровня отвечают за формирование траектории движения и обновление состояния системы управления через системные программы. Предоставление им данного приоритета позволяет гарантировать, что они будут выполняться с определенной частотой.

Задачи фонового режима выполняются в свободное от выполнения других задач время. Это позволяет избежать блокировки выполнения важных задач в случае возникновения сбоев в работе системных программ и обмене данными с терминальным устройством.

2.4 Гироскоп и его подключение к микроконтроллеру

Положение робота определяется с помощью акселерометра и гироскопа MPU6050.

Семейство датчиков MPU-6000 является первым, в мире интегрированным 6-координатным решением на базе технологии MotionProcessing, которое позволяет избавиться от меж координатной разориентации гироскопа и акселерометра, которая присуща дискретному решению. В устройстве объединены трех координатный гироскоп и трех координатный акселерометр на одном кремниевом кристалле, а также процессор Digital Motion Processor, способный обрабатывать 9-координатные алгоритмы MotionFusion. Алгоритмы собирают информацию с магнитометров и других датчиков через шину I2C без участия системного процессора. Датчики MPU-6000 имеют такие же размеры и распиновку, как и нынешнее семейство MPU-3000 3-координатных гироскопов, что позволяет легко провести апгрейд.

Для наиболее точного трекинга быстрых и медленных движений пользователь сам может запрограммировать режимы: ±250, ±500, ±1000, ±2000°/сек для гироскопа и ±2g, ±4g, ±8g, ±16g для акселерометра.

Семейство MPU-6000 состоит из двух версий: MPU-6000 и MPU-6050, которые абсолютно идентичны, за исключением двух моментов. MPU-6050 поддерживает связь через интерфейс I2C с частотой до 400 кГц и имеет разъем VLOGIC, определяющий уровни напряжения на интерфейсе. MPU-6000 имеет кроме поддержки I2C поддержку интерфейса SPI на частоте до 20 МГц и разъем питания VDD, так же цифровой вход через разъем FSYNC с поддержкой GPS и электронной стабилизации видеоизображения. Размер датчиков был уменьшен до революционных 4х4х0,9 мм (QFN). Среди дополнительных возможностей датчиков можно отметить встроенный датчик температуры и внутри кристальный осциллятор с колебанием рабочей температуры ±1%.

Данные модули можно использовать в навигационных GPS устройствах.


Рисунок 21 - Блок-схема MPU-6000 и MPU-6050

Гироскоп MPU-6050 подключают к микроконтроллеру по интерфейсу TWI (иное наименование стандартизированного фирмой Philips интерфейса I2C).

Любой сеанс передачи по протоколу 12С начинается с состояния линии, именуемого Start (когда сигнал на линии SDA меняется с лог. 1 на лог. 0 при высоком уровне на линии SCL). Заканчивается сеанс сигналом Stop (состояние линии SDA меняется с лог. 0 на лог. 1 при высоком уровне на линии SCL). Между этими сигналами линия считается занятой, и только ведущий (тот, который выдал сигнал Start) может управлять ею 1. Сама информация передается уровнями на линии SDA (в обычной положительной логике, старший разряд первым), причем смена состояний может происходить только при низком уровне на SCL, а при высоком уровне на ней происходит считывание значения бита. Любая смена уровней SDA при высоком уровне SCL будет воспринята как либо Start, либо Stop.

Процесс обмена всегда начинается с передачи ведущим байта, содержащего адрес устройства (также начиная со старшего разряда), который содержится в семи старших битах. Первый (младший) бит этого байта называется R/W и несет информацию о направлении обмена: если он равен 0, то далее ведущий будет передавать информацию, т. е. писать (W), если равен 1 - читать (R), т.е. ожидать данные от ведомого. Все посылки (и адресные, и содержащие данные) сопровождаются девятым битом, который передается последним и называется битом квитирования. Во время действия этого девятого импульса адресуемое устройство (т. е. ведомый, который имеет нужный адрес после посылки адреса ведущим, или ведущий, если данные направлены к нему, и т. п.) обязано сформировать ответ (АСК) низким уровнем на линии SDA. Если такого ответа нет (NACK), то можно считать, что данные не приняты, и фиксировать сбой на линии.

Обмен информации по интерфейсу 12С показан на рис. 22.

Рисунок 22 - Обмен информации по интерфейсу 12С

2.5 Разработка принципиальной схемы системы управления

На принципиальной схеме устройство изображается в виде системы, составленной из отдельных функциональных элементов, которые соединены между собой особым образом. Различные функции устройства на схемах рисуют в виде отдельных блоков с помощью упрощенных обозначений, поэтому на них наглядно показан путь прохождения сигнала.

Принципиальные схемы в простой и понятной форме отображают внутреннее устройство аппаратуры.

Принципиальные схемы отличаются от схем другого типа, которые называются "схемами электрических соединений" или еще ее называют структурной схемой. Дело в том, что информация, которую содержит схема электрических соединений, необходима для технического обслуживания устройства, а для работы с ним, как правило, не нужна.

На принципиальных схемах обязательно показаны все радиотехнические элементы устройства и изображаются все соединения, включая силовой разъем и заземление, а на схеме электрических соединений эти разъемы часто опускают. Принципиальная схема должна содержать все элементы цепи, а на схеме электрических соединений обычно показывают лишь самые важные функциональные элементы, например, усилитель мощности, вместо транзисторов, диодов, емкостей и резисторов, из которых он состоит.

Пользователи, имеющие определенную техническую квалификацию, могут использовать принципиальные схемы и схемы электрических соединений в качестве дополнительных инструментов. Принципиальная схема имеет очень большое значение и дополняет схему электрических соединений, если нужно определить, какие функции выполняют различные участки схемы. В то же время, информация, которую дает схема электрических соединений, может оказаться полезной при согласовании нестандартных устройств.

В процессе проектирования систем автоматизации различных технологических процессов принципиальные электрические схемы разрабатывают обычно в следующем порядке:

) на основании функциональной схемы автоматизации составляют четко сформулированные технические требования, предъявляемые к принципиальной электрической схеме;

) применительно к этим требованиям устанавливают условия и последовательность действия схемы;

) каждое из заданных условий действия схемы изображают в виде тех или иных элементарных цепей, отвечающих данному условию действия;

) элементарные цепи объединяют в общую схему;

) производят выбор элементов;

) корректируют схему в соответствии с возможностями принятой аппаратуры;

) проверяют в схеме возможность возникновения ложных или обходных цепей или ее неправильной работы при повреждениях элементарных цепей или контактов;

) рассматривают возможные варианты решения и принимают окончательную схему применительно к имеющейся аппаратуре.

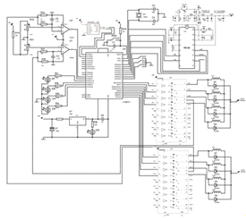
Рисунок 23 - Принципиальная схема

2.6 Описание работы принципиальной схемы

К клемме источника питания 24В, подключаются средние выводы обмоток и туда же включаются защитные диоды. Диоды D1-D8 стоят для того, чтобы гасить скачки обратного напряжения после закрытия транзистора. Иначе есть вероятность, что ЭДС самоиндукции возникающая во время выключения питания обмотки, пробьет транзистор.

Микросхемы драйверов шаговых двигателей DA4, DA составные, в них транзисторы Q1-Q8 объединены в триады. Также драйвер можно заменить транзисторными ключами BD677A, BD679A, BD681 или КТ829Б.

Сопротивления R14- R17 выбираются в зависимости от тока светодиодов. L1-L8 это обмотки ШД, номера обмоток обозначены условно.

Номинальное напряжение питания ШД 24В, были произведены подключения на 12В и 20В, обмотки и транзисторы при этом нагреваются сильно, для уменьшения нагрева были установлены на теплоотводящий элемент, с применением теплопроводящей пасты КПТ-8.

Для питания элементов используется стабилизатор напряжения L7805CV (+5В, 1.5А).

Светодиод D13 осуществляет информационную функцию - подано питание на плату. Светодиоды D9-D12 выводят техническую информацию, приведённую в приложении. Кнопка “Reset” производит сброс МК.

На плате используются два вида питания 5В и 24В.

2.7 Разводка печатной платы

Основная задача трассировки: по заданной схеме соединений проложить необходимые проводники на плоскости (плате, кристалле и т. д.), чтобы реализовать заданные технические соединения с учетом заранее заданных ограничений. Основными являются ограничения на ширину проводников и минимальные расстояния между ними.

Трассировка печатных плат - это пошаговый процесс прокладки проводников в одном из многочисленных САПР печатных плат. Существует три способа трассировки:

ручной. Человек самостоятельно с помощью определенных программных инструментов наносит рисунок проводников на чертеж платы.

автоматический. Программа самостоятельно прокладывает проводники, используя ограничения, наложенные разработчиком. Разработчик контролирует результат. При необходимости корректирует исходные параметры задачи и повторяет трассировку. Корректировка включает изменение расположения компонентов, предварительную отрисовку цепей вручную и т.п. На данный момент все современные системы проектирования имеют сложные и эффективные системы автоматической трассировки.

интерактивный. Человек указывает роботу последовательность действий в сложных участках трассировки, контролируя пошагово результат, а автоматика делает черновую работу по отрисовке цепи и контролю правил трассировки. Интерактивная трассировка печатных плат может использоваться как для полностью ручной трассировки, так и для доработок печатной платы после автоматической трассировки.

Для трассировки печатной платы выбрана программа Proteus. Первым шагом было составление принципиальной схемы.

Рисунок 24 - Принципиальная схема

Элементы на плате можно расставить в ручном или автоматическом режиме. Расстановку делаем в ручном режиме.

Далее нужно ограничить размер печатной платы. Это делается на слое Board Edge с помощью инструментов 2d-графики.

Рисунок 25 - Слой Board Edge

После этого первым делом необходимо настроить стратегию трассировки.

Рисунок 26 - Окно настройки трассировки сетки

И так, возвращаемся к плате. Для включения трассировки нажимаем кнопку [autorouter].

Появляется окно. Здесь меняем шаг сетки, обычно ставят 20 или 25.

Рисунок 27 - Окно выбора шага сетки

На этом этапе заканчивается трассировка печатной платы.

Рисунок 28 - Трассировка печатной платы

Для того чтобы распечатать рисунок на заготовку надо зайти в Output à Set Output Aria и выделяем площадь, которую надо распечатать. Далее Output à Print, там выбираем, какую сторону печатать, зеркально или нет, и печатаем.

2.8 Разработка конструкции устройства

Конструкция балансирующего одноосного робота состоит из:

шаговых электродвигателей;

несущей рамы;

аккумуляторов;

системы управления;

двух колес, расположенных соосно.

Робот представляет собой одноосную конструкцию. Система приводов колес и управления тележкой заключена в корпус прямоугольной формы, закрепленный на раме.

Проектирование конструкции началось с подбора шаговых электродвигателей, величина шага, которая равная 7,5° согласно расчетам оказалась достаточной для решения поставленной задачи, а так же вращающий момент создаваемый двигателем при заданном диаметре колес и массе тележке с запасом в 50% соответствует расчетным данным.

Следующий этап создание несущей рамы.

Несущая рама - это плоская или пространственная стержневая система, элементы которой жестко соединены между собой во всех или некоторых узлах.

Рама имеет нижнюю и верхнюю платформы, установленные параллельно друг другу и скрепленные с помощью шпилек.

На нижней платформе установлены шаговые приводы колес и аккумуляторы питания. На верхней платформе расположены печатные платы системы управления. Корпус робота закреплен шпильками к верхней платформе.

2.9 Разработка управляющего алгоритма для робота

Благодаря интерфейсу TWI микроконтроллер автоматически опрашивает гироскоп, с частотой 100 раз в секунду, определяет нарушение балансировки при изменении положения корпуса робота. Для этой цели используется система гироскопических датчиков наклона. Их сигналы поступают на микроконтроллер, которые вырабатывают управляющие двигателями воздействия. Каждое колесо робота приводится во вращение своим электродвигателем.

При нажатии кнопки "вперед" на вход микроконтроллера поступает сигнал, приводящий к включению определенной последовательности переключения обмоток двигателя, и робот двигается в указанном направлении. Одновременно с этим действием происходит опрос датчиков гироскопа отслеживающее положение корпуса робота и в зависимости от данных, корректирует его положение за счет подачи определенных сигналов на обмотки двигателя. Положение влево и вправо отрабатывается за счет переключение обмоток противоположно друг другу, т.е. одно колесо поворачивается в одну сторону другое в другую. Положение назад противоположно положению вперед. Для корректной балансировки в программе используется ускорение, значение которого определяется от данных гироскопа.

Рисунок 29 - Блок - схема алгоритма

2.10 Разработка управляющей программы для микроконтроллера

Для создания управляющих программ требуется наличие текстового редактора, позволяющего оператору вводить, анализировать и отлаживать управляющую программу, написанную на специально разработанном языке программирования.

Программа для данной системы управления разработана на языке AVR Assembler, который обеспечивает выполнение вышеизложенных задач. Ассемблер - это не универсальный язык программирования, подобно C или Pascal, а просто набор сокращенных команд и не большое количество алгоритмов, по которым последовательность команд процессора, записанных в мнемоническом виде, может объединяться в программу. Программа сначала получается в текстовом формате (её ещё называют «исходным текстом», «исходным кодом», или просто «исходником»). Этот формат должен представлять собой «чистый текст» в однобайтовой кодировке.

Далее программу компилируют с помощью собственно ассемблера (assembler- сборщик)- так называется программа, которая переводит текст с мнемоническими обозначениями в последовательность команд и данных, записанных уже в двоичной форме, и пригодную для загрузки в память контроллера. В принципе операция компиляции (иногда ее в данном случае еще называют ассемблированием) лишняя и служит только для удобства человеческого восприятия исходного текста программ.

Набор средств языка определяет набор макрокоманд, анализируемых контроллером движения при вводе программы для ее перевода в набор команд контроллера движения. Учитывая особенности управления балансирующего одноосного робота, на язык описания управляющей программы накладывается ряд требований, связанных с использованием в составе программы различных координатных систем и управлением движением, как отдельных осей, так и роботом в целом.

Программирование - процесс создания программы работы системы и сохранение её в постоянной памяти управляющего контроллера. Для сохранения программы в памяти контроллера применяются специальные адаптеры - программаторы.

Программаторы делятся на последовательные и параллельные. Помимо этого для моделей семейства Mega есть еще способ программирования с помощью JTAG - стандартизированного (IEEE Std 1149.1-1990) интерфейса для отладки и тестирования микроконтроллерных устройств.

Последовательные программаторы еще называют ISP (In-System Programmer, что переводится, как "внутрисистемный программатор"), потому что они обычно не предполагают специального устройства для подсоединения и питания программируемой микросхемы, а заканчиваются обычным плоским кабелем с двухрядным штырьковым разъемом типа IDC, который подсоединяется к специально предусмотренной штыревой части, располагаемой прямо на плате вашего устройства. Точно такие же разъемы служат для подсоединения периферии к материнским платам ПК. Название IDC относится к варианту в корпусе, в бескорпусном двухрядном варианте эти разъемы именуется PLD, в однорядном - PLS. Питание на программатор при этом поступает от самой схемы.

Такой вариант очень удобен для отладки - МК находится в "родном" окружении, и сразу после программирования автоматически начинает работать. Причем внешние элементы (с некоторыми оговорками) процессу программирования обычно не мешают. Этот способ программирования и позволяет превратить любую схему в отладочный модуль. Недостаток последовательного способа программирования - дополнительная площадь, которую будут занимать элементы на плате, а также некоторое снижение помехоустойчивости.

Программирование системы управления осуществляется по последовательному интерфейсу SPI. Шина связи микроконтроллера с программатором содержит шесть сигналов, представленных в таблице 1.

Таблица 1

Сигнал

Расшифровка

Функция

Назначение

SCK

Serial Clock

Вход МК

Тактовый сигнал

MOSI

Master Out-Slave In

Вход МК

Информационный сигнал в МК

MISO

Master In - Slave In

Выход МК

Информационный сигнал из МК

GND

Ground

Общий

Общий

RES

Reset

Вход МК

Логический «0»

VCC

Voltage Common Collector

Питание

Напряжение питания


2.11 Листинг программы

.include "m16def.inc"

.def tmp=r16

.def tmp0=r20

.def ToPort=R17

.def counter=R18

.def counter1=r22

.def nulreg=R19

.def Rezhim=R21

.def currentRezhim=R23 //описание регистровstart

.org OC1Aaddr // вектора прерыванийPrer

.org OC0addrocr:R16,high (RAMEND)SPH,R16R16,low (RAMEND)SPL,R16

//инилицизация стекаtmp,(1<<WGM01)|(1<<CS00)|(1<<CS02)

out TCCR0,tmptmp,79; 79

out OCR0,tmp

//настройка тамера нулевого

ldi tmp, (1<<OCIE1A)|(1<<OCIE0)timsk, tmptmp, (1<<WGM12)|(1<<CS12)|(1<<CS10)

out TCCR1B, tmp

//настройка таймера первого

ldi currentrezhim,5ToPort, 255OCR1AL, ToPortOCR1AH, ToPortnulregcounter

//опрос кнопок:Rezhim,1knopki:Rezhim,2knopki:Rezhim,3knopki:Rezhim,4knopki

//опрос режима:end:zh, high (Table)zl, low (Table)zl, counterzh, nulregzlzhToPort, z+OCR1AL, ToPortToPort, zOCR1AH, ToPortcountercounter, 255exit_intcounter, 0tmp, (1<<OCIE1A)timsk, tmp

//перебор обмоток_int:tmp,OCR1AHtmp0,TCNT1Htmp0,tmpexit_int2

breq cp_low

//выход из прерываний

Clear_tcnt:tmpTCNT1L,tmpTCNT1H,tmp

//очистка регитра tcntexit_int2_low:tmp,OCR1ALtmp0,TCNT1Ltmp0,tmpClear_tcnt_int2::Rezhim,1Notrezhim1zh, high (Led_Table1)zl, low (Led_Table1)lable1: Rezhim,2Notrezhim2zh, high (Led_Table2)zl, low (Led_Table2)lable1: Rezhim,3Notrezhim3zh, high (Led_Table3)zl, low (Led_Table3)lable1: Rezhim,4Notrezhim4zh, high (Led_Table4)zl, low (Led_Table4)lable1: Rezhim,5zh, high (Led_Table5)zl, low (Led_Table5)

//чтение из таблиц Led_Tablerezhim,currentrezhimlable1tmp, (1<<OCIE1A)|(1<<OCIE0)timsk, tmpToPort, 255OCR1AL, ToPortOCR1AH, ToPortnulregcountercurrentrezhim,Rezhim

//сравнение режима:zl, counter1zh, nulregzlzhToPort, zPortb, ToPortcounter1counter1, 4exit_int1counter1_int1:_Table1:

.dw 0b0000000000110011

.dw 0b0000000001100110

.dw0b0000000011001100

.dw0b0000000010011001_Table2:

.dw 0b0000000011001100

.dw 0b0000000001100110

.dw0b0000000000110011

.dw0b0000000010011001_Table3:

.dw 0b0000000000111100

.dw 0b0000000001100110

.dw0b0000000011000011

.dw0b0000000010011001 _Table4:

.dw 0b0000000011000011

.dw 0b0000000001100110

.dw0b0000000000111100

.dw0b0000000010011001_Table5:

.dw 0b0000000000000000

.dw 0b0000000000000000

.dw0b0000000000000000

.dw0b0000000000000000:

.dw 16275

.dw 8138

.dw 5425

.dw 4069

.dw 3255

.dw 2713

.dw 2325

.dw 2034

.dw 1808

.dw 1628

.dw 1480

.dw 1356

.dw 1252

.dw 1163

.dw 1085

.dw 1017

.dw 957

.dw 904

.dw 857

.dw 814

.dw 775

.dw 740

.dw 708

.dw 678

.dw 651

.dw 626

.dw 603

.dw 581

.dw 561

.dw 543

.dw 525

.dw 509

.dw 493

.dw 479

.dw 465

.dw 452

.dw 440

.dw 428

.dw 417

.dw 407

.dw 397

.dw 388

.dw 378

.dw 370

.dw 362

.dw 354

.dw 346

.dw 339

.dw 332

.dw 326

.dw 319

.dw 313

.dw 307

.dw 301

.dw 296

.dw 291

.dw 286

.dw 281

.dw 276

.dw 271

.dw 267

.dw 263

.dw 258

.dw 254

.dw 250

.dw 247

.dw 243

.dw 239

.dw 236

.dw 233

.dw 229

.dw 226

.dw 223

.dw 220

.dw 217

.dw 214

.dw 211

.dw 209

.dw 206

.dw 203

.dw 201

.dw 198

.dw 196

.dw 194

.dw 191

.dw 189

.dw 187

.dw 185

.dw 183

.dw 181

.dw 179

.dw 177

.dw 175

.dw 173

.dw 171

.dw 170

.dw 168

.dw 166

.dw 164

.dw 163

.dw 161

.dw 160

.dw 158

.dw 156

.dw 155

.dw 154

.dw 152

.dw 151

.dw 149

.dw 148

.dw 147

.dw 145

.dw 144

.dw 143

.dw 142

.dw 140

.dw 139

.dw 138

.dw 137

.dw 136

.dw 135

.dw 133

.dw 132

.dw 131

.dw 130

.dw 129

.dw 128

.dw 127

.dw 126

.dw 125

.dw 124

.dw 123

.dw 122

.dw 121

.dw 121

.dw 120

.dw 119

.dw 118

.dw 117

.dw 116

.dw 115

.dw 115

.dw 114

.dw 113

.dw 112

.dw 111

.dw 111

.dw 110

.dw 109

.dw 109

.dw 108

.dw 107

.dw 106

.dw 106

.dw 105

.dw 104

.dw 104

.dw 103

.dw 102

.dw 102

.dw 101

.dw 100

.dw 100

.dw 99

.dw 99

.dw 98

.dw 97

.dw 97

.dw 96

.dw 96

.dw 95

.dw 95

.dw 94

.dw 94

.dw 93

.dw 92

.dw 92

.dw 91

.dw 91

.dw 90

.dw 90

.dw 89

.dw 89

.dw 88

.dw 88

.dw 88

.dw 87

.dw 87

.dw 86

.dw 86

.dw 85

.dw 85

.dw 84

.dw 84

.dw 83

.dw 83

.dw 83

.dw 82

.dw 82

.dw 81

.dw 81

.dw 81

.dw 80

.dw 80

.dw 79

.dw 79

.dw 79

.dw 78

.dw 78

.dw 78

.dw 77

.dw 77

.dw 76

.dw 76

.dw 76

.dw 75

.dw 75

.dw 75

.dw 74

.dw 74

.dw 74

.dw 73

.dw 73

.dw 73

.dw 72

.dw 72

.dw 72

.dw 71

.dw 71

.dw 71

.dw 70

.dw 70

.dw 70

.dw 70

.dw 69

.dw 69

.dw 69

.dw 68

.dw 68

.dw 68

.dw 68

.dw 67

.dw 67

.dw 67

.dw 66

.dw 66

.dw 66

.dw 66

.dw 65

.dw 65

.dw 65

.dw 65

.dw 64

.dw 64

.dw 64

.include "m16def.inc"

.def SLA=r19

.def DATA=r18

.def Read=r20

.def Write=r21

.def TWIstate=r22

.def status=r16

.def tmp=r17

.def RegNum=r23

; Чтение/Запись

.equ i2crd = 1 ;1-чтение

.equ i2cwr = 0 ;0-запись

.equ adr=0b1101

; Коды статуса

.equ START = 0x08 ;после старта

.equ RESTART = 0x10 ;после повторного старта

.equ SLA_ACKW = 0x18 ;после передачи адреса+запись

.equ SLA_ACKR = 0x40 ;после передачи адреса+чтение

.equ DATA_ACKW = 0x28 ;после приема данных записи

.equ DATA_ACKR = 0x50 ;после приема данных чтения

.equ DATA_NACKR = 0x58 ;после приема данных чтения

.equ SLA_R = (adr<<4)+000+i2crd ;адрес на запись

.equ SLA_W = (adr<<4)+000+i2cwr ;адрес на чтение

.equ RezultAdress=0x60

.equ FirstReg=0x75;0x3B

.equ CountReg=1;14init

.org TWIaddr ;прерывание TWIprer

.org $30:r16,HIGH(RAMEND) sph,r16 r16,LOW(RAMEND) spl,r16 r16 DDRD,r16

ldi r16,72TWBR,r16

//инициализация стека и натройка портов

ldi RegNum,FirstRegXL,RezultAdressXH,0x00,2r16,(1<<TWINT)|(1<<TWSTA)|(1<<TWEN)|(1<<TWIE)

out TWCR,r16

//отправка стартаYL,$75YH,0

//место оперативной памяти

end:

; ld tmp,Y

; out PORTD,tmpend

/*rcall SendStart SLA,SLA_WAdrWRDATA,0x6BSendDataDATA,0b00000000SendDataSendStart SLA,SLA_WAdrWRDATA,0x41SendData SendStart SLA,SLA_RAdrRDGetDataDATA,TWDRPORTD,DATAStop */:status,TWSR

andi status,0xF8

//сравнение кодов статуса

cpi status,START ;08START_or_RESTARTstatus,RESTART ;10notRESTART_or_RESTART:,2notST2,SLA_WTWDR,tmp tmp,(1<<TWINT)|(1<<TWEN)|(1<<TWIE)TWCR,tmp ,3exitTWIint:,6notST6,SLA_WTWDR,tmp tmp,(1<<TWINT)|(1<<TWEN)|(1<<TWIE)TWCR,tmp ,7exitTWIint:,9notST9,SLA_RTWDR,tmp tmp,(1<<TWINT)|(1<<TWEN)|(1<<TWIE)TWCR,tmp ,10exitTWIint:stateError:status,SLA_ACKW ;18Not_SLA_ACKWTWIstate,3notST3tmp,0x6BTWDR,tmp tmp,(1<<TWINT)|(1<<TWEN)|(1<<TWIE) TWCR,tmp ,4exitTWIint:TWIstate,7notST7tmp,RegNumTWDR,tmp RegNumRegNum,FirstReg+CountRegl1RegNum,FirstReg , RezultAdress: tmp,(1<<TWINT)|(1<<TWEN)|(1<<TWIE) TWCR,tmp ,8exitTWIint:stateError

//вывод данных_SLA_ACKW:status,DATA_ACKW ;28notDATA_ACKW,4notST4tmp,0TWDR,tmp tmp,(1<<TWINT)|(1<<TWEN)|(1<<TWIE) TWCR,tmp ,5exitTWIint:,5notST5tmp,(1<<TWINT)|(1<<TWSTA)|(1<<TWEN)|(1<<TWIE)TWCR,tmp,6exitTWIint:,8notST8tmp,(1<<TWINT)|(1<<TWSTA)|(1<<TWEN)|(1<<TWIE)TWCR,tmp,9exitTWIint:stateError

//отправка стартов_ACKW:status,SLA_ACKR ;40Not_SLA_ACKRTWIstate,10notST10tmp,(1<<TWINT)|(1<<TWEN)|(1<<TWIE) TWCR,tmp ,11exitTWIint:stateError_SLA_ACKR:status,DATA_NACKR ;58Not_DATA_NACKRTWIstate,11notST11,TWDR,DATAtmp,portdtmp,0b11000000data,0b00111111tmp,dataportd,tmp

;out portd,dataportd,pd6portd,pd6tmp,(1<<TWINT)|(1<<TWEN)|(1<<TWIE)|(1<<TWSTO)TWCR,tmptmp,(1<<TWINT)|(1<<TWEN)|(1<<TWIE)|(1<<TWSTA)TWCR,tmp,6exitTWIint:stateError_DATA_NACKR:exitTWIint:portd,7:

/* : r16,(1<<TWINT)|(1<<TWSTA)|(1<<TWEN)TWCR,r16 :r16,TWCRr16,TWINT wait1r16,TWSR r16,0xF8r16,START error :TWDR,SLA r16,(1<<TWINT)|(1<<TWEN) TWCR,r16 :r16,TWCRr16,TWINT wait2 r16,TWSR r16,0xF8r16,SLA_ACKW error:TWDR,SLA r16,(1<<TWINT)|(1<<TWEN) TWCR,r16 :r16,TWCRr16,TWINT wait3r16,TWSR r16,0xF8r16,SLA_ACKR error:TWDR,DATA r16,(1<<TWINT)|(1<<TWEN) TWCR,r16 :r16,TWCRr16,TWINT wait4r16,TWSR r16,0xF8r16,DATA_ACKW error: r16,(1<<TWINT)|(1<<TWEN) TWCR,r16 :r16,TWCRr16,TWINT wait5r16,TWSR r16,0xF8r16,DATA_NACKR error: r16,(1<<TWINT)|(1<<TWEN)|(1<<TWSTO)TWCR,r16 error:portd,7:SendStart SLA,SLA_WAdrWRDATA,0x6BSendDataDATA,0b00000000SendData:SendStart SLA,SLA_WAdrWRData,ReadReadSendData SendStart SLA,SLA_RAdrRDGetDataX+,DataStop Read,0x49cykle

end:end*/

3. Экономическая часть

.1 Метод сетевого планирования и управления

Метод сетевого планирования и управления является методом решения задач исследования операций, в которых необходимо оптимально распределить сложные комплексы работ (например, строительство большого промышленного объекта, выполнение сложного проекта и т.п.).

Методы СПУ используются при планировании сложных комплексных проектов, например, таких как:

строительство и реконструкция каких-либо объектов;

выполнение научно-исследовательских и конструкторских работ;

подготовка производства к выпуску продукции;

перевооружение армии;

развертывание системы медицинских или профилактических мероприятий.

Характерной особенностью таких проектов является то, что они состоят из ряда отдельных, элементарных работ. Они обуславливают друг друга так, что выполнение некоторых работ не может быть начато раньше, чем завершены некоторые другие. Например, укладка фундамента не может быть начата раньше, чем будут доставлены необходимые материалы; эти материалы не могут быть доставлены раньше, чем будут построены подъездные пути; любой этап строительства не может быть начат без составления соответствующей технической документации и т.д.

СПУ состоит из трех основных этапов.

. Структурное планирование.

. Календарное планирование.

. Оперативное управление.

Структурное планирование начинается с разбиения проекта на четко определенные операции, для которых определяется продолжительность. Затем строится сетевой график, который представляет взаимосвязи работ проекта. Это позволяет детально анализировать все работы и вносить улучшения в структуру проекта еще до начала его реализации.

Календарное планирование предусматривает построение календарного графика, определяющего моменты начала и окончания каждой работы и другие временные характеристики сетевого графика. Это позволяет, в частности, выявлять критические операции, которым необходимо уделять особое внимание, чтобы закончить проект в директивный срок. Во время календарного планирования определяются временные характеристики всех работ с целью проведения оптимизации сетевой модели, которая улучшает эффективность использования какого-либо ресурса.

В ходе оперативного управления используются сетевой и календарных графики для составления периодических отчетов о ходе выполнения проекта. При этом сетевая модель может подвергаться оперативной корректировке, вследствие чего будет разрабатываться новый календарный план остальной части проекта.

3.2 Сетевой график и его построение

Сущность метода сетевого планирования и управления (СПУ) заключается в особом моделировании исследуемого процесса, а именно - создаётся информационно-динамическая модель задачи.

В качестве такой модели в методе СПУ используется графическая модель в виде сетевого графика. Весь комплекс операций в модели расчленён на отдельные, чётко определённые работы. Сетевой график изображается в виде ориентированного графа (множество вершин, соединённых направленными дугами).

Термин «работа» может иметь следующие значения:

. действительная работа, требующая затрат времени и ресурсов на определённую операцию;

. «ожидание» - т.е. процесс, не требующий затрат труда, но занимающий время (например, процесс отвердения бетона, высыхание краски и т.п.);

. фиктивная работа, которая указывает на логическую связь между двумя или несколькими операциями, не требующая ни затрат времени, ни ресурсов. Она изображается на графике пунктирной линией (стрелкой) и указывает на то, что начало последующей операции, зависит от результатов предыдущей.

По своей физической природе работы можно рассматривать как:

− действие: заливка фундамента бетоном, составление заявки на материалы, изучение конъюнктуры рынка;

− процесс: старение отливок, травление плат;

− ожидание: ожидание поставки комплектующих, пролеживание детали в очереди к станку.

По количеству затрачиваемого времени работа, может быть:

− действительной, т.е. требующей затрат времени;

− фиктивной, не требующей затрат времени и представляющей связь между какими-либо работами: передача измененных чертежей от конструкторов к технологам, сдача отчета о технико-экономических показателях работы цеха вышестоящему подразделению.

Событие - момент времени, когда завершаются одни работы и начинаются другие. Событие представляет собой результат проведенных работ и, в отличие от работ, не имеет протяженности во времени. Например, фундамент залит бетоном, старение отливок завершено, комплектующие поставлены, отчеты сданы и т.д.

Таким образом, начало, и окончание любой работы описываются парой событий, которые называются начальным и конечным событиями. Поэтому для идентификации конкретной работы используют код работы (i, j), состоящий из номеров начального (i-го) и конечного (j-го) событий, например (2,4); (3,8); (9,10).

Рисунок 30 - Пример 1

На этапе структурного планирования взаимосвязь работ и событий изображаются с помощью сетевого графика, где работы изображаются стрелками, которые соединяют вершины, изображающие события. Работы, выходящие из некоторого события, не могут начаться, пока не будут завершены все операции, входящие в это событие.

Рисунок 31 - Пример 2

Событие, не имеющее предшествующих ему событий, т.е. с которого начинается проект, называют исходным событием.

Событие, которое не имеет последующих событий и отражает конечную цель проекта, называется завершающим.

Рисунок 32 - Пример 3

При построении сетевого графа необходимо следовать следующим

правилам:

длина стрелки не зависит от времени выполнения работы;

стрелка не обязательно должна представлять прямолинейный отрезок;

для действительных работ используются сплошные, а для фиктивных - пунктирные стрелки;

каждая операция должна быть представлена только одной стрелкой;

не должно быть параллельных работ между одними и теми же событиями, для избежание такой ситуации используют фиктивные работы;

следует избегать пересечения стрелок;

не должно быть стрелок, направленных справа налево;

номер начального события должен быть меньше номера конечного события;

не должно быть тупиковых событий, кроме завершающего;

не должно быть циклов.

Поскольку работы, входящие в проект могут быть логически связаны друг с другом, то необходимо всегда перед построением сетевого графика дать ответы на следующие вопросы:

какие работы необходимо завершить непосредственно перед началом рассматриваемой работы?

какие работы должны непосредственно следовать после завершения данной работы?

какие операции могут выполняться одновременно с рассматриваемой работой?

Таблица 2- Перечень работ и событий

События

Работы

Распределение тем дипломной работы

Анализирование предстоящей работы

Выбор темы дипломной работы

0.2 Сопоставление сложности предлагаемых тем с возможностями и интересами

Распределение и утверждение руководителей дипломных работ

0.3 Подписание заявления об утверждении темы дипломной работы

Тема и руководитель дипломной работы утверждены

3.4 Поиск общей информации, поиск элементной базы, поиск аналогов оборудования и составление пояснительной записки

Сбор информации по теме дипломной работы

 4.5 Поиск информации  Работа со специальной литературой

Разработка системы управления

5.7 Проектирование печатных плат, написание программы, подбор элементов.

Описана структурная схема работы устройства

6.7 Разработка принципиальной схемы  6.8 Разработка чертежей и структурной схемы.

Проектирование системы управления

7.9 Схема включения кварца и микроконтроллера.

Изготовление системы управления

8.10 Изготовление печатных плат, монтаж элементов, сборка корпуса.

Изготовление конструкции корпуса

9.11 Выбор материала, уточнение размеров, сборка.

Написание программы

10.13 Работа в программе AVR Sudio 4

Разработка чертежей

11.13 Разработка чертежей системы управления

Разработка части дипломной работы о безопасности и экологичности устройства

12.13 Работа со специальной литературой.

Разработка экономической части дипломной работы

13.14 Работа со специальной литературой, расчеты, а так же утверждение и подписание

Подписаны и утверждены все части дипломного проекта и чертежи

14.15 Утверждение и подписание экономической части проекта

Пояснительная записка готова

15.16 Оформление дипломного проекта

Дипломный проект готов

16.17 Распечатка дипломного проекта


3.3 Временные оценки

По каждой работе, включаемой в сетевой график, определяется потребность и материальных и трудовых ресурсах для ее выполнения, а также устанавливается продолжительность выполнения (временные оценки).

Продолжительность выполнения работ устанавливается либо с помощью действующих нормативов, либо по аналогии с ранее выполнившимися работами, либо на основе мнения специалисток. Следует иметь в виду, что в ряде случаев, когда время, необходимое для выполнения работ, связано с благоприятными или неблагоприятными условиями, в которых могут выполняться эти работы, используется усредненное время.

При использовании двух оценок (оптимистической и пессимистической) усредненное время для выполнения работ можно определить по формуле:

ож = (3tmin+2tmax)/5,

где tож - ожидаемое время выполнения данной работы;- оптимистическая оценка, т.е. продолжительность выполнения работ при наиболее благоприятных условиях;- пессимистическая оценка, т.е. продолжительность выполнения работы при самом неблагоприятном стечении обстоятельств;

К усредненным оценкам продолжительности выполнения работ прибегают при проведении научно-исследовательских, экспериментальных, опытно-конструкторских работ, работ по изготовлению и испытанию новых опытных образцов и т.п., когда сроки их выполнения зависят от многочисленных обстоятельств, не все из которых можно с достаточной точностью предвидеть. В этих случаях приходится использовать мнение специалистов по данным работам.

При установлении временных оценок специалисты определяют только продолжительности выполнения работ, но не их сроки. Более того, в целях недопущения субъективности оценки специалисты на данной стадии не должны быть осведомлены о желательных сроках выполнения работ. При построении сетевых графиков необходимо соблюдать определенные правила.

Таблица 3- Расчетные значения сетевого графика

Начальное событие, i

Конечное событие, j

Ожидаемое время, tож

0

1

2

0

2

2

0

3

2

1

4

7

2

4

7

3

4

7

4

5

7

4

6

7

4

7

7

5

8

3

6

8

3

7

8

3

8

 9

4

8

11

10

9

10

4

10

12

6

11

13

10

12

13

6

13

14

4

14

15

5

15

16

6

16

17

4


Рисунок 33 - Сетевой график выполнения дипломной работы

На основании вышеизложенного можно утверждать, что методы сетевого планирования и управления обеспечивают руководителей и исполнителей на всех участках работы обоснованной информацией, которая необходима им для принятия решений по планированию, организации и управлению. А при использовании вычислительной техники СПУ является уже не просто одним из методов планирования, а автоматизированным методом управления производственным процессом.

4. Безопасность и экологичность работы

.1 Краткое назначение робота и требование к оператору

Дипломная работа посвящена разработке равновесного балансирующего одноосного робота (далее робота). Это электрическое транспортное средство с системой самобалансировки и с дистанционным управлением.

Управление организованно по средствам радиоприёмника-передатчика стандартным консольным элементом управления (аналоговым джойстиком). Роботом управляет оператор.

Компактные размеры и способность поддерживать равновесие позволяют роботу не занимать много места.

Равновесный балансирующий одноосный робот относится к напольному безрельсовому колесному транспорту, безопасность эксплуатации которого определяют «Межотраслевые правила по охране труда при эксплуатации промышленного транспорта (напольного безрельсового колесного транспорта)».

Правила распространяются на операторов, эксплуатирующих или обеспечивающих эксплуатацию промышленного напольного безрельсового колесного транспорта внутри (между корпусами, цехами, участками, отделениями, службами, складами, торговыми залами и другими объектами) организации, а так же устанавливают единые требования безопасности к рабочим местам и организации работ к однотипным производственным процессам при эксплуатации и обслуживании транспортных средств.

Оператор, эксплуатирующий промышленный напольный безрельсовый колесный транспорт обязан:

соблюдать требования охраны труда;

правильно применять средства индивидуальной и коллективной защиты;

проходить обучение безопасным методам и приемам выполнения работ, инструктаж по охране труда, стажировку на рабочем месте и проверку знаний требований охраны труда;

немедленно извещать своего непосредственного или вышестоящего руководителя о любой ситуации, угрожающей жизни и здоровью людей, о каждом несчастном случае, происшедшем на производстве, или об ухудшении состояния своего здоровья, в том числе и о появлении признаков острого профессионального заболевания (отравления);

проходить обязательные предварительные (при поступлении на работу) и периодические (в течение трудовой деятельности) медицинские осмотры (обследования).

Оператор, эксплуатирующий промышленный напольный безрельсовый колесный транспорт, должен быть обучен, аттестован, допущен к самостоятельной работе в установленном порядке и ему создаются условия для безопасного и безаварийного производства работ, включая техническое и организационное обеспечение этих работ, обеспечение средствами защиты от воздействия опасных и вредных производственных факторов, четкое распределение обязанностей и ответственности среди исполнителей работ.

4.2 Выявление вредных и опасных производственных факторов и их источники

Основными опасными и вредными производственными факторами по ГОСТ 12.0.003-74* "ССБТ. Опасные и вредные производственные факторы. Классификация" при эксплуатации транспортных средств являются:

а) движущиеся транспортные средства, перевозимые грузы;

б) повышенная загазованность и запыленность воздуха рабочей зоны;

в) неблагоприятный микроклимат;

г) повышенные уровни шума рабочей зоны;

д) недостаточная освещенность;

е) токсические воздействия паров электролита;

ж) пожароопасность вследствие неисправности в системе питания

двигателя или аккумулятора;

з) режим труда и отдыха.

Источником опасности движущихся транспортных средств является, скорость движения транспортных средств, ширина проездов состояние транспортных путей, интенсивности людских потоков. В производственных помещениях с использованием робота скорость движения транспортных средств не должна превышать 5 км/ч, а расстояние от границы проезжей части до элементов конструкции зданий и оборудования должно быть не менее 0,5 м, при движении людей - не менее 0,8 м.

Повышенная загазованность создается выбросами окиси углерода в отработанных газах транспортных средств с бензиновыми двигателями и дымность транспортных средств с дизельными двигателями.

Неблагоприятный микроклимат создается отклонениями от допустимых значений температуры, влажности и скорости движения воздуха помещения в котором эксплуатируется робот.

Шум создается двигателями транспортного средства и оборудованием, находящимся в производственном помещении.

В производственных помещениях и на местах производства работ с повышенным уровнем шума для оповещения и опознания движущегося транспортного средства дополнительно к звуковой сигнализации применяется световая сигнализация.

4.3 Оценка воздействия на человека вредных и опасных факторов и меры, предусмотренные для создания безопасных условий труда

Шум рабочей зоны

Интенсивное шумовое воздействие на организм человека неблагоприятно влияет на протекание нервных процессов, способствует развитию утомления, изменениям в сердечно - сосудистой системе и появлению шумовой патологии, среди многообразных проявлений которой ведущим клиническим признаком является медленно прогрессирующее снижение слуха по типу кохлеарного неврита.

В машиностроительных предприятиях, где целесообразно использование робота источниками шума являются работающие станки и механизмы, двигатели, электрические машины. По результатом аттестации рабочих мест средний уровень шума этим предприятиям соответствует 96 дБА.

Допустимые шумовые характеристики рабочих мест регламентируются ГОСТ 12.1.003-83 "Шум, общие требования безопасности" (изменение I.III.89) и СН 2.2.4/2.1.8.562-96.

По характеру спектра шумы подразделяются на широкополосные и тональные. По временным характеристикам шумы подразделяются на постоянные и непостоянные.

В данной дипломной работе источником шума являются шаговые двигатели транспортного средства и шум станков и агрегатов производственного помещения, в котором используется робот.

Шаговым двигателям свойственен нежелательный эффект, называемый резонансом. Явление резонанса появляется в шаговом двигателе, благодаря периодичности и дискретности усилий, которые прикладываются к его ротору. Это явление однозначно является негативным, и оно возникает абсолютно во всех ШД, в виде падения крутящего момента, появления шума и вибраций. Причина появления резонанса в данном случае - это совпадения частоты шагов с собственной частотой ротора двигателя. Резонанс может привести к снижению синхронности работы, пропуску шагов или даже полной остановке двигателя. Для устранения резонанса используется современные контроллеры шаговых двигателей с функцией подавления резонанса.

В качестве общей характеристики шума на рабочих местах (табл. 4) в целях нормировании применяется оценка уровня звука в дБ(А), зависящая от тяжести и напряженности труда работника.

Таблица 4 - Предельные уровни звука, дБ (А), на рабочих местах

Категория напряженности труда

Категория тяжести труда


I. Легкая

II. Средняя

III. Тяжелая

IV. Очень тяжелая

I. Мало напряженный

80

80

75

75

II. Умеренно напряженный

70

70

65

65

III. Напряженный

60

60

-

-

IV. Очень напряженный

50

50

-

-


Характер работы оператора соответствует категории труда по напряженности - умеренно напряженный, а по тяжести труда - средний труд II степени. Уровень шума на рабочем месте оператора по нормам таблицы 4 не должен превышать 70дБА. Для снижения уровня шума используется звукоизолирующая кабина.

Учитывая, что уровень шума предприятия 96 дБА. Необходимо разработать мероприятия по борьбе с шумом.

Необходимые мероприятия по борьбе с шумом - это технические мероприятия, которые проводятся по трем главным направлениям:

устранение причин возникновения шума или снижение его в источнике;

ослабление шума на путях передачи;

непосредственная защита работающих.

Снижение шума в источнике достигается путем совершенствования конструкции или схемы той части оборудования, которая производит шум, использования в конструкции материалов с пониженными акустическими свойствами, оборудования на источнике шума дополнительного звукоизолирующего устройства или ограждения, расположенного по возможности ближе к источнику.

Значительным эффектом снижения шума от оборудования дает применение акустических экранов, отгораживающих шумный механизм от рабочего места или зоны обслуживания машины.

Одним из наиболее простых технических средств борьбы с шумом на путях передачи является звукоизолирующая кабина, которая защищает оператора робота от шума предприятия.

Учитывая, что с помощью технических средств в настоящее время не всегда удается решить проблему снижения уровня шума большое внимание уделяться применению средств индивидуальной защиты (беруши, наушники и др.). Эффективность средств индивидуальной защиты может быть обеспечена их правильным подбором в зависимости от уровней и спектра шума, а также контролем над условиями их эксплуатации.

4.4 Микроклимат

Микроклимат производственных помещений, в которых используется робот, определяется сочетанием температуры, влажности, подвижности воздуха, температуры окружающих поверхностей и их тепловым излучением. Параметры микроклимата определяют теплообмен организма человека и оказывают существенное влияние на функциональное состояние различных систем организма, самочувствие, работоспособность и здоровье.

Температура в производственных помещениях является одним из ведущих факторов, определяющих метеорологические условия производственной среды.

Высокие температуры оказывают отрицательное воздействие на здоровье человека. Работа в условиях высокой температуры сопровождается интенсивным потоотделением, что приводит к обезвоживанию организма, потере минеральных солей и водорастворимых витаминов, вызывает серьезные и стойкие изменения в деятельности сердечно - сосудистой системы, увеличивает частоту дыхания, а также оказывает влияние на функционирование других органов и систем - ослабляется внимание, ухудшается координация движений, замедляются реакции и т.д.

При воздействии на организм человека отрицательных температур наблюдается сужение сосудов пальцев рук и ног, кожи лица, изменяется обмен веществ. Параметры микроклимата производственных помещений зависят от теплофизических особенностей технологического процесса, климата, сезона года, условий отопления и вентиляции. Метеорологические условия для рабочей зоны производственных помещений регламентируются ГОСТ 12.1.005-88 "Общие санитарно-гигиенические требования к воздуху рабочей зоны" и Санитарными правилами и нормами СанПиН 2.2.4.548-96.

Принципиальное значение в нормах имеет раздельное нормирование каждого компонента микроклимата: температуры, влажности, скорости движения воздуха.

В рабочей зоне оператора робота должны обеспечиваться параметры микроклимата, соответствующие оптимальным значениям.

Таблица 5 - Оптимальные величины показателей микроклимата на рабочих местах производственных помещений

Период года

Категория работ по уровню энергозатрат, Вт

Температура воздуха, °С

Температура поверхностей, °С

Относительная влажность воздуха, %

Скорость движения воздуха, м/с

Холодный

Iа (до 139)

22 - 24

21 - 25

60 - 40

0,1


Iб (140 - 174)

21 - 23

20 - 24

60 - 40

0,1


IIа (175 - 232)

19 - 21

18 - 22

60 - 40

0,2


IIб (233 - 290)

17 - 19

16 - 20

60 - 40

0,2


III (более 290)

16 - 18

15 - 19

60 - 40

0,3

Теплый

Iа (до 139)

23 - 25

22 - 26

60 - 40

0,1


Iб (140 - 174)

22 - 24

21 - 25

60 - 40

0,1


IIа (175 - 232)

20 - 22

19 - 23

60 - 40

0,2


IIб (233 - 290)

19 - 21

18 - 22

60 - 40

0,2


III (более 290)

18 - 20

17 - 21

60 - 40

0,3


Основные процессии машинного производства имеют категорию II а, б, а оператор робота категории I а, поэтому параметры микроклимата, реализуемые на предприятии не соответствуют условиям труда оператора.

Борьба с неблагоприятным влиянием производственного микроклимата осуществляется с использованием технологических, санитарно-технических и медико-профилактических мероприятий.

К группе санитарно-технических мероприятий относятся средства локализации тепловыделений и теплоизоляции, направленные на снижение интенсивности теплового излучения и тепловыделений от оборудования.

Применяемыми средствами снижения тепловыделений являются:

покрытие нагревающихся поверхностей и парогазотрубопроводов теплоизоляционными материалами (стекловата, асбестовая мастика, асботермит и др.); герметизация оборудования; применение отражательных, теплопоглотительных и теплоотводящих экранов;

устройство вентиляционных систем;

использование индивидуальных средств защиты.

К медико-профилактическим мероприятиям относятся: организация рационального режима труда и отдыха; обеспечение питьевого режима; повышение устойчивости к высоким температурам путем использования фармакологических средств (прием дибазола, аскорбиновой кислоты, глюкозы), вдыхания кислорода; прохождение предварительных при поступлении на работу и периодических медицинских осмотров.

Мероприятия по профилактике неблагоприятного воздействия холода должны предусматривать задержку тепла - предупреждение выхолаживания производственных помещений, подбор рациональных режимов труда и отдыха, использование средств индивидуальной защиты, а также мероприятия по повышению защитных сил организма.

В районе со среднемесячной температурой наружного воздуха в самый холодный месяц года -15 °С и ниже наружные ворота в производственных помещениях дооборудуются тепловой завесой.

Для обеспечения оптимальных условий труда оператора в производственном цехе кабина оператора оборудуется кондиционером.

4.5 Освещенность производственных помещений

сигвей драйвер гироскоп микроконтроллер

Правильно спроектированное и выполненное производственное освещение улучшает условия работы, снижает утомляемость, способствует повышению производительности труда и качества выпускаемой продукции, безопасности труда и снижению травматизма на участке.

Освещение рабочего места - важнейший фактор создания нормальных условий труда. В зависимости от источника света производственное освещение может быть двух видов естественное и искусственное.

Естественное освещение подразделяется на (боковое, осуществимое через световые проемы в наружных стенах; верхнее, осуществимое через аэрационные и зенитные фонари, проемы в перекрытиях; комбинированное, когда к верхнему освещению добавляется боковое. Искусственное освещение может быть двух систем - общее и комбинированное, когда к общему освещению добавляется местное, концентрирующее световой поток непосредственно на рабочих местах.

Проектируемый участок имеет общее искусственное освещение с равномерным расположением светильников, т.е. с одинаковыми расстояниями между ними.

Источниками света являются дуговые ртутные лампы ДРЛ (дуговые ртутные), они представляют собой ртутные лампы высокого давления с исправной цветностью. Лампа состоит из кварцевой колбы (пропускающей ультрафиолетовые лучи), которая заполнена парами ртути при давлении 0.2/0.4 Мпа, с двумя электродами и внешней стеклянной колбы, покрытой люминофором.

Необходимые уровни освещенности нормируются в соответствии со СНиП 23-05-95 "Естественное и искусственное освещение" в зависимости от точности выполняемых производственных операций, световых свойств рабочей поверхности и рассматриваемой детали, системы освещения".

4.6 Расчет светильной установки системы общего освещения

Наименьший размер объекта различения оператора равный 0.5 - 1 мм, соответствует зрительной работе средней точности (IV разряд). Для зрительной работы средней точности необходима освещенность 400 лк.

Для расчета общего равномерного освещения при горизонтальной рабочей поверхности основным является метод коэффициента использования.

Для механических цехов с комбинированной освещенностью 400 лк, при высоте помещения 5м, выбираем дуговые ртутные люминесцентные лампы ДРЛ.

Этим лампам соответствует светильник РСП 05.

Определим расстояние между соседними светильниками или их рядами

= h *1,25 м, (1.1)

где 1,25 - величина, зависящая от кривой светораспределения светильника.- расчетная высота подвеса светильников, h=3,5 м от уровня пола.

= 3.5*1.25 = 4.375 м

Принимаем L = 4м.

Определим необходимое значение светового потока лампы:

, (1.2)

где Ен - нормируемая освещенность: Ен = 400 лк- освещаемая площадь цеха = 720 м2

Кз - коэффициент запаса с учетом запыленности выбран: Кз = 1.5;- коэффициент неравномерности освещения для ламп ДРЛ: Z = 1.11;- число светильников = 63 шт.

в - зависит от типа светильника, индекса помещения i, коэффициента отражения n, стен с и других условий освещенности. Принимаем равной 0,59.

Подставляя известные величины в формулу (1.2), получим:

По рассчитанному световому потоку выбираем лампу ДРЛ-250.

Определение мощности светильной установки:

= Pл*N Вт, (1.3)

где Рл - мощность лампы, Рл = 125 Вт.

Подставляя известные величины в формулу (1.3), получим:

= 125*63 = 7875 Вт.

4.7 Аккумуляторные батареи

Литий - ионный аккумулятор (Li-ion) - тип электрического аккумулятора, который широко распространен в современной бытовой электронной технике и находит свое применение в качестве источника энергии в электромобилях. Аккумуляторы крайне чувствительны к превышению напряжения при заряде, аккумулятор может загореться. При всех своих положительных свойствах Li-ion,батареи имеют и отрицательные стороны. Вот основные:

Главными недостатками современных литий - ионных батарей является их высокая стоимость и все еще низкая экологичная безопасность;

Использование Li-ion аккумуляторов в электромобиле не может иметь массовый характер, так как производство лития ограниченно;

Литиевые батареи достаточно быстро стареют, вне зависимости от того работает ли аккумулятор или просто лежит без дела.

Холод способствует быстрому разряду батареи. В тоже время низкая температура (3-5 С) является важным фактором, сдерживающим потерю емкости при их хранении.

Основными требованиями к процессам обслуживания аккумуляторных батарей:

Для транспортирования аккумуляторных батарей при их обслуживании должны применяться ручные грузовые тележки, платформы которых исключают возможность падения батарей при транспортировании.

Для осмотра аккумуляторных батарей и контроля степени их зарядки необходимо пользоваться переносными светильниками во взрывобезопасном исполнении на напряжение в сети не выше 42 В, термометром, ареометром, нагрузочной вилкой и т.п.

Зарядка аккумуляторных батарей проводится в специально отведенных для этого местах или помещениях, оборудованных вытяжной вентиляцией, средствами пожаротушения и нейтрализации пролитого электролита. Зарядка аккумуляторных батарей производится при открытых пробках аккумуляторных банок и включенной вытяжной вентиляции.

Аккумуляторные батареи, устанавливаемые на зарядку, соединяются проводами с наконечниками, обеспечивающими плотный контакт с клеммами батареи и исключающими искрение.

Подключение аккумуляторной батареи к зарядному устройству и ее отключение производится при выключенном зарядном устройстве.

После окончания работ, связанных с обслуживанием или ремонтом аккумуляторных батарей, необходимо тщательно с мылом вымыть руки, лицо и принять душ.

При обслуживании аккумуляторных батарей не допускается:

а) курить, пользоваться в помещении зарядной станции открытым огнем, нагревательными электрическими приборами;

б) хранить бутыли с серной кислотой или сосуды со щелочью в количествах, превышающих суточную потребность; хранить порожнюю тару из-под них;

в) хранить в одном помещении и совместно производить зарядку кислотных и щелочных аккумуляторов;

г) хранить продукты питания и принимать пищу в помещении аккумуляторной.

Работники, обслуживающие аккумуляторные батареи, обучены, обеспечены специальной одеждой и другими средствами индивидуальной защиты и допущены к работе в установленном порядке.

При замене аккумуляторных батарей на транспортных средствах с электрическим приводом должна применяться изолированная подвеска. При использовании рычажного подъемника аккумуляторные батареи должны сниматься с транспортного средства с принятием мер, исключающих замыкание элементов или клеммных выводов аккумуляторных батарей.

4.8 Режим труда и отдыха

Разработка режима труда и отдыха основана на понятии рабочего времени и времени отдыха. Кроме того, важным вопросам является назначение перерывов (частота и их продолжительность).

Динамика работоспособности человека - это научная основа разработки рационального режима труда и отдыха, а так же величина переменная и связано это с изменениями характера протекания физиологических и психических функций в организме.

Высокая работоспособность при любом виде деятельности обеспечивается только в том случае, когда трудовой ритм совпадает с естественной периодичностью суточного ритма физиологических функций организма. В связи с установившейся суточной периодикой жизнедеятельности в различные отрезки времени организм человека неодинаково реагирует на физическую и нервно-психическую нагрузку, а его работоспособность и производительность труда в течение суток подвержены определенным колебаниям. В соответствии с суточным циклом наивысший уровень работоспособности отмечается в утренние и дневные часы с 8 до 20 часов. Минимальная работоспособность (в ночные часы). Особенно неблагоприятен промежуток от 1 до 3(4 часов ночи).

Для оператора с большими физическими усилиями или повышенным нервным напряжением должен делать следующие перерывы: первый и второй по 5 мин через каждый час работы, перерыв на прием пищи 30 мин через 2,5-3 ч после второго перерыва и третий 10 мин через 1,5 ч после перерыв на обед и четвертый на 10 мин за 1 ч до окончания работы (В, Г, Д, Е).

Недопустим перенос перерывов на конец рабочего дня с правом ухода с работы раньше конца смены. Излишне длительные перерывы (по 30-40 мин) ведут к нарушению рабочей обстановки и трудового ритма и требуют дополнительного времени и усилий на повторное врабатывание.

Существенное значение имеет и форма отдыха. Отдых может быть активным и пассивным. Для оператора, у которого работа с небольшими физическими усилиями рекомендуется активный перерыв. Кроме регламентируемых внутрисменных перерывов между трудовыми действиями целесообразно делать паузы продолжительностью в несколько секунд. Наличие микропауз обеспечивает необходимую ритмичность в работе, способствует поддержанию оптимального темпа, напряженности труда и снижения утомления.

В периоды развивающегося утомления вводят регламентированные перерывы в работе, способствующие восстановлению физиологических функций организма. Снижение работоспособности, обусловленное развитием утомления в середине рабочего дня, предотвращается введением перерыва на обед достаточной длительности.

Перерыв на обед предназначен не только для приема пищи, но и для отдыха. Наиболее целесообразно его предоставлять в середине рабочего дня и не позже чем через 3-4 ч (при 6-8-часовом рабочем дне) с отклонениями в пределах 30 мин. Оптимальная длительность обеденного перерыва должна быть от 30 до 60 мин. Согласно научным данным, время для нормального приема пищи во время обеда составляет 18-20 мин. Кроме того, необходимо еще 10-15 мин на санитарно-гигиенические процедуры (личные надобности), дорогу от рабочего места до столовой и обратно и на получение обеда. Возможные затраты времени на отдельные элементы обеденного перерыва при различной его продолжительности показаны в табл. 6. Длительность обеденного перерыва должна устанавливаться с учетом удаленности от рабочих мест помещений столовых, количества в них посадочных мест, пропускной способности, обусловливающих необходимый отдых для снятия утомления. Несоблюдение нормативной длительности обеденных перерывов приводит к внутрисменным потерям от 3 до 5 % рабочего времени.

Таблица 6 - Затраты времени на отдельные элементы обеденного перерыва при различной его продолжительности

Элементы затрат времени

Длительность перерыва, мин


60

45

30

Санитарно-гигиенические процедуры

2

2

2

Пользование гардеробом для одежды

5

3

2

Переход от места работы и обратно

15

13

6

Получение обеда

10

7

7

Прием пищи

18

15

13

Отдых после обеда

10

5

-


Эффективность режимов труда и отдыха во многом зависит от функциональных изменений в организме человека в течение суток. В различные отрезки времени организм человека не одинаково реагирует на физическую и нервно-психическую нагрузку, его работоспособность и производительность труда в течение суток подвержены колебаниям. Поэтому при проектировании суточного режима определяется количество смен в рабочем дне, продолжительность смены, ее начало и окончание. Количество смен в рабочем дне устанавливают дифференцированно по сезонам года в зависимости от вида выполняемых работ и их напряженности.

В данной части дипломной работы были рассмотрены все этапы расчета оптимальных условий на рабочем месте, параметры освещения в помещении. При расчетах были соблюдены требования и условия соответствующих СанПиН и СНиП. В результате проделанной работы было установлено оптимальное расположение светильников в производственном помещении, был выполнен расчет освещенности и необходимого количества ламп для ее обеспечения. В расчете используются лампы дневного света. Анализируя полученные в работе данные можно сделать вывод о том, что для рассматриваемого рабочего места пользователя были обеспечены оптимальные условия освещения.

Заключение

Итогом дипломной работы по теме: «Разработка равновесного балансирующего одноосного робота» стало создание робота. В ходе работы над проектом были решены следующие задачи. Проведен анализ имеющейся информации по данной теме, использовались справочники по теоретической механике, электронике, охране труда и т.д. При проектировании данной системы использовались знания по начертательной геометрии и навыки работы в программном обеспечении Компас. В ходе конструирования робота были использованы подручные средства.

В ходе испытаний робот показал свою надежность и простоту в эксплуатации. Мобильность и малозатратность разработки позволяет её широко использовать. Серьёзных недостатков в эксплуатации выявлено не было.

Список литературы

1.     Шило В.Л. Популярные цифровые микросхемы. - Чел.: Металлургия, 1989. - Т.1. - 350 с.

2.      Мортон Д. Микроконтроллеры AVR. Вводный курс.

.        Евстифеев А.В. Микроконтроллеры AVR Семейства MEGA.-М.: Додэка-ХХ1, 2007. - 592 с.

.        Гребнёв В.В. Микроконтроллеры AVR фирмы Atmel. - М.: Радиософт, 2002.-176 с.

.        А.В. Белов. Микроконтроллеры AVR в радиолюбительской практике, 2007.

.        Кенио Т. Шаговые двигатели и их микропроцессорные системы управления. - М.: Мир, 1987.

.        Шпак Ю.А. Программирование на языке С для AVR и PIC микроконтроллеров. МК-Пресс, Киев, 2006.

.        Баранов В.Н. Применение микроконтроллеров AVR. Схемы, алгоритмы, программы.

.        Справочник Конструктора - машиностроения. Том 3 издание 5. Анурьев В.И. - М.: Машиностроение, 1978г., стр. 85.

.        Великанов К.М., Власов В.Ф., Карандашова К.С. Экономика и организация производства в дипломных проектах, 3-е изд. Л.: Машиностроение, 1977, 207 с.

.        Гармат-Курек Л.И. Экономическое обоснование дипломных проектов. «Высшая школа», М. - 1979.

.        «Анализ несчастных случаев на производстве. Охрана труда, практикум» 98/2 М.

.        Евтушенко Н.Г., Кузьмин А.П. «Безопасность жизнедеятельности в условиях чрезвычайных ситуаций» М. 94.

.        Белов С.В. Безопасность жизнедеятельности: учебник для вузов С.В. Белов, А.В. Ильницкая, А.Ф. Козьяков. - 4-е изд. испр. и доп. М.: Высшая школа, 2004. - 606 с.

Похожие работы на - Проектирование одноосного балансирующего робота Segway

 

Не нашли материал для своей работы?
Поможем написать уникальную работу
Без плагиата!
Без нейросетей!