Проект конденсационной электростанции
Введение
Энергетика - сектор экономики, охватывающий сложную совокупность
процессов преобразования и передачи энергии от источников природных
энергетических ресурсов до приемников энергии включительно и представляет собой
сложный развивающийся объект, исследование которого возможно только на основе
системного подхода.
Энергетика сегодня занимает в жизни общества такое место, что не возможно
оценить отказ от его благ. Основным назначением электрических станций является
выработка электрической энергии для снабжения ею промышленного и
сельскохозяйственного производства, коммунального хозяйства и транспорта. Часто
электростанции обеспечивают также предприятия паром и горячей водой.
Вместе с тем и очень высока цена энергии: ее производство и транспорт.
Повышение технического уровня тепловых электростанций, на основе применения
энергетического оборудования, с высокими технико-экономическими показателями,
комплексной автоматизации технологических процессов, совершенствования
проектных решений, направленных на снижение стоимости сооружения и
экологической безопасности, - основная задача повышения эффективности
отечественной теплоэнергетики, эта проблема останется актуальной и в
перспективе, так как тепловым электростанциям, составляющим в настоящее время
основу электроэнергетики России, ещё длительное время будет принадлежать
ведущая роль в производстве тепла и электроэнергии.
1. Описание тепловой схемы и подготовка данных к расчёту
В данной работе представлен проект КЭС для г. Иркутска электрической
мощностью 660 МВт. КЭС работает на Ирша - бородинском буром угле (Б2). На
станции установлены три моноблока с турбоагрегатами типа К-200-130 и
прямоточными котлоагрегатами типа ПК-47-3.
Турбина К-200-130 имеет семь нерегулируемых отборов пара, используемых
для подогрева конденсата и питательной воды в четырех ПНД, в деаэраторе и трёх
ПВД. А так же сетевой воды в сетевом подогревателе. Турбина состоит из трёх
цилиндров, имеет сопловое парораспределение и промежуточный перегрев пара после
ЧВД.
Тепловая
схема конденсационной станции высокого давления с промежуточным перегревом
пара. Мощность 660 МВт, турбина мощностью 200 МВт. Устанавливаем прямоточный
котёл типа ПК-47-3 с давлением пара 13.7 МПа и температурой 565
и промежуточным перегревом пара до 565
. На станции установлено три блока «Котёл-Турбина».
Турбина рассчитана для работы под давлением
МПа и
температурой
. Абсолютное давление в конденсаторе
МПа.
Промежуточный
перегрев пара производится до
при
абсолютном давлении
МПа. Из пятого отбора
допускается
отбор для подогрева сетевой воды. Подогрев питательной воды осуществляется в
трёх ПВД, дренаж которых по каскадной схеме направляется в деаэратор,
работающий от третьего отбора через редуктор, дросселирующий пар с 11.3 до
5.88бар. Три ПНД включены по каскадной схеме со сбросом дренажа после шестого
подогревателя при помощи дренажного насоса в трубопровод основного конденсата
турбины между пятым и шестым подогревателями. Дренаж последнего (по давлению),
седьмого, подогревателя отводится в конденсатор турбины.
Схемой
предусмотрен отпуск тепла для отопления и горячего водоснабжения. Сетевой
подогреватель питается паром из пятого отбора турбины. Восполнение потерь
конденсата производится химически обессоленной водой.
Рисунок
1.1 - Принципиальная тепловая схема блока К-200-130
1.1
Основные характеристики блока мощностью 200 МВт
Таблица 1.1 - Основные параметры блока и парогенератора
|
№
|
Наименование параметров
|
Численные значения
|
|
1
|
Развиваемая мощность, МВт
|
220
|
|
2
|
Параметры пара через РК:
давление, МПа температура, С
|
12.75 565
|
|
3
|
Параметры свежего пара
после РК: давление, МПа температура, С
|
12.25 565
|
|
4
|
Удельный абсолютный расход
тепла, кДж/(кВтч)
|
8135
|
|
5
|
Расход питательной воды,
т/ч
|
636
|
|
6
|
КПД турбины блока по
отсекам при номинальной мощности, %
|
84.5 88.2 86.6
|
|
7
|
Параметры промперегрева:
давление, МПа температура, С
|
2.25 565
|
|
8
|
Давление на выходе из
турбины в конденсатор, МПа
|
0.0035
|
|
9
|
Количество регенеративных
отборов, шт.
|
7
|
|
10
|
Расход пара через СК
турбины моноблока при номинальной мощности, кг/с
|
156
|
|
11
|
Парогенератор ПК 47-3:
Паропроизводительность, т/ч
|
640
|
|
12
|
Параметры пара: давление,
МПа температура, С
|
13.7 570
|
|
13
|
Параметры пара
промперегрева: давление, МПа температура, С
|
2.19 570
|
|
14
|
Температура питательной
воды, С
|
230
|
|
15
|
КПД парогенератора, %
|
90.5
|
1.2
Определение параметров нерегулируемых отборов
Таблица 1.2 - Характеристики отборов при номинальных значениях параметров
пара и мощности турбины
|
Номер отбора
|
Подогреватель
|
Параметры нерегулируемых
отборов
|
|
|
Давление, МПа
|
Температура, С
|
Расход отбираемого пара,
т/ч
|
|
I
|
ПВД 1
|
3.66
|
397
|
26
|
|
II
|
ПВД 2
|
2.35
|
340
|
35
|
|
III
|
ПВД 3
|
1.13
|
478
|
24
|
|
IV
|
ПНД 4
|
0.594
|
391
|
18
|
|
V
|
ПНД 5
|
0.255
|
290
|
19
|
|
VI
|
ПНД 6
|
0.121
|
207
|
24
|
|
VII
|
ПНД 7
|
0.0245
|
77
|
21
|
1.3
Определение энтальпии в отборах
Энтальпии в отборах ЦВД находятся по формуле, кДж/кг:
Энтальпии
в отборах ЦСД находятся по формуле, кДж/кг:
Энтальпии
в отборах ЦНД находятся по формуле, кДж/кг:
1.4
Построение процесса расширения пара на i-s диаграмме
Построение
процесса расширения пара на i-s диаграмме с учётом определённых
энтальпий в нерегулируемых отборах:
2.
Определение параметров
.1
Определение параметров по элементам схемы
Определение параметров по элементам схемы покажем на примере
подогревателя высокого давления ПВД-1.
Давление
пара в отборе
. Принимая потерю давления 5 %, находим давление пара
у подогревателя, бар:
Температура
насыщения греющего пара, °С:
Энтальпия
конденсата греющего пара, кДж/кг:
Температура
питательной воды за подогревателем с учётом недогрева, °С:
Энтальпия
питательной воды, кДж/кг:
Энтальпия
греющего пара (из i-s диаграммы), кДж/кг:
Использованный
теплоперепад на турбине, кДж/кг:
Аналогичным
образом рассчитываем параметры по другим элементам. Результаты сводим в таблицу
3.1.
Таблица
3.1 Параметры по элементам схемы
|
СП
|
2.55
|
3043
|
2.4
|
126.07
|
123.07
|
529.637
|
515.2
|
996
|
|
К
|
0,035
|
2410
|
0,035
|
26.7
|
26.7
|
112
|
112
|
1629
|
|
ПНД-7
|
0.245
|
2661
|
0.23
|
63.11
|
60.11
|
264.17
|
251.6
|
1378
|
|
ПНД-6
|
1.21
|
2895
|
1.15
|
103.56
|
100.56
|
434.13
|
421
|
1144
|
|
ПНД-5
|
2.55
|
3043
|
2.4
|
126.07
|
123.07
|
529.637
|
515.2
|
996
|
|
ПНД-4
|
5.94
|
3227.5
|
5.6
|
156.16
|
153.16
|
658.88
|
641.13
|
811
|
|
Д
|
11.3
|
3418
|
5.88
|
158
|
158
|
667
|
667
|
621
|
|
ПВД-3
|
11.3
|
3418
|
10.7
|
182.85
|
180.85
|
775.78
|
754.04
|
621
|
|
ПВД-2
|
23.5
|
3106
|
22.3
|
217.96
|
215.96
|
934.21
|
904
|
419
|
|
ПВД-1
|
36.6
|
3212
|
34.8
|
242.2
|
240.2
|
1048.198
|
1005.5
|
313
|
|
Наименование величины
|
Давление отборного
пара, бар
|
Энтальпия пара,
кДж/кг
|
Давление у
подогревателя, бар
|
Температура насыщения
гр.пара, 0С
|
Температура воды за
подогревателем, 0С
|
Энтальпия конденсата
гр.пара, кДж/кг
|
Энтальпия воды за подогревателем,
0С
|
Использован.
теплоперепад, кДж/кг
|
.2 Расчёт
установки по подогреву сетевой воды
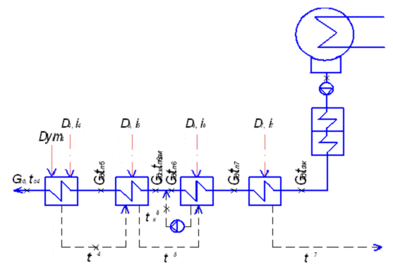
В блоке предусмотрен отпуск тепла для отопления и горячего водоснабжения
города. Схема отпуска тепла представлена на рисунке 2.2.1. Схема состоит из
одного подогревателя поверхностного вида и ПВК. Пар на сетевой подогреватель
подаётся из V-го отбора. Дренаж греющего пара
подогревателя направляется в деаэратор.
Рисунок
2.2.1 - Установка по подогреву сетевой воды
-
энтальпия пара, подаваемого в подогреватель, кДж/кг;
-
энтальпия конденсата пара подогревателя, кДж/кг;
Определяем
температуру сетевой воды за подогревателем с учётом недогрева:
,
где:
- температура насыщения греющего пара.
-
недогрев воды в сетевом подогревателе.
Расход
сетевой воды находим по формуле, кг/с:
,
где:
- тепло на производство энергии за счёт отборов пара,
определяется как, при наличии на станции трёх моноблоков, МВт:
,
где:
- тепло из отборов турбины.
Максимальная
теплота, МВт:
,
где:
, принимаем 0.6
Отсюда,
расход сетевой воды равен, кг/с:
Расход
пара на сетевой подогреватель, кг/с:
где:
- КПД теплообменника.
Дренаж
греющего пара подогревателя направляется в деаэратор.
.3
Определение расхода пара на турбину
Коэффициент недоиспользования мощности отопительного отбора:
где:
- энтальпия пара сетевого подогревателя, кДж/кг;
-
энтальпия пара в конденсаторе, кДж/кг;
-
энтальпия пара пароперегревателя,кДж/кг.
Расход
пара на турбину, кг/с:
где:
- использованный теплоперепад, кДж/кг;
-
номинальная мощность турбины, кВт;
-
электромеханический КПД;
-
коэффициент регенерации принимаем равным
=1,15 (с
последующим уточнением).
.4 Баланс
пара и конденсата
Расход пара на эжектор принят 0,5 % от расхода пара на турбину, кг/с:
Расход
пара на уплотнения турбины принят 1 % от расхода пара на турбину, кг/с:
Утечки
пара и конденсата можно принять 2% от расхода пара на турбину, кг/с:
Расход
перегретого пара, кг/с:
Расход
питательной воды, кг/с:
3. Расчёт
схемы регенеративного подогрева питательной воды
.1 Расчёт
подогревателей высокого давления
Рисунок 3.1 - Схема подогревателей высокого давления
ПВД - 1
,
- энтальпии пара, греющего ПВД - 3, ПВД - 2 и ПВД -
1, соответственно, кДж/кг;
,
- энтальпии конденсата греющего пара ПВД -3, ПВД - 2
и ПВД - 1, соответственно, кДж/кг;
,
,
,
-
энтальпии питательной воды за питательным насосом, за ПВД - 1 и за ПВД - 2,
ПВД-3 соответственно, кДж/кг;
Уравнение
теплового баланса ПВД - 1:
,
отсюда:
- расход пара на утечки, кг/с.
-
энтальпия пара на утечки, принимаем
, отсюда:
,
Тогда
расход пара на ПВД - 1 составит, кг/с:
ПВД
- 2
Уравнение
теплового баланса ПВД - 2:
Из
уравнения теплового баланса находим расход пара на ПВД-1, кг/с:
ПВД
- 3
Уравнение
теплового баланса ПВД - 3:
Из
уравнения теплового баланса находим расход пара на ПВД-3, кг/с:
где:
, кДж/кг,
где:
,
отсюда:
,
тогда:
следовательно,
расход пара на ПНД - 3 составит, кг/с:
3.2 Расчёт
деаэратора
В деаэратор поступает:
Рисунок - 3.2.1 Схема деаэратора
- расход
пара на сетевой подогреватель.
-
энтальпия конденсата греющего пара.
-
энтальпия конденсата греющего пара.
-
энтальпия пара.
- пар из
третьего отбора.
Основной
конденсат из четвёртого отбора в количестве
с
энтальпией
Уравнение материального баланса деаэратора:
Уравнение
теплового баланса деаэратора:
,
где:
,
тогда
получим:

Следовательно,
расход основного конденсата составит, кг/с:
3.3 Расчёт
подогревателей низкого давления
Рисунок 3.3.1 Схема подогревателей низкого давления
где:
,
,
,
,
и
-
энтальпии основного конденсата за соответствующими ПНД, узлом смешения и
эжектором с охладителем уплотнений, кДж/кг; Подогрев основного конденсата в
эжекторе принимаем 4оС и в охладителе уплотнений - 2 оС;
,
,
и
- расходы пара на соответствующие ПНД, кг/с;
,
,
и
- энтальпии пара на соответствующие ПНД, кДж/кг;
Уравнение
теплового баланса ПНД - 4:
,
где:
Расход
пара на ПНД - 4 (из уравнение теплового баланса), кг/с:
Уравнение
теплового баланса ПНД - 5:
Расход
пара на ПНД - 5 (из уравнение теплового баланса), кг/с:
Уравнение
теплового баланса ПНД - 6:
Расход
пара на ПНД - 6 (из уравнение теплового баланса), кг/с:
Расход
пара на ПНД - 6 (из уравнение теплового баланса), кг/с:
Уравнение
теплого баланса для точки смешения:
Уравнение
теплового баланса ПНД - 7:
,
где:
,
отсюда:
Расход
пара на уплотнения конденсатора, кг/с:
,
3.4
Определение расхода пара в конденсатор и погрешности расчёта ПТС
Расход пара на конденсатор, кг/с:
,
,
где:
,
отсюда:
,
Следовательно
расход пара на конденсатор составляет:
Уравнение
теплового баланса узла смешения:
Найдём
энтальпию за узлом смешения, кДж/кг:
Подставив
значение
в найдём расход пара на ПНД-2, кг/с:
Подставив
значение
в найдём расход пара на ПНД-1, кг/с:
Проверка
по балансу мощности
Расчётная
электрическая мощность турбоагрегата, МВт:

Погрешность
расчета составляет:
Погрешность
не превышает 2 %, следовательно коэффициент регенерации уточнять не надо.
.5 Уточнение расхода пара на турбину, кг/с
,
,
тогда:
4. Расчёт
технико-экономических показателей работы станции
.1 Старая
методика
Расходуемая тепловая мощность турбоустановки, МВт:
где:
- секундный расход пара на турбоустановку, кг/с;
-
количество пара, прошедшее через промперегрев, кг/с;
-
энтальпия острого пара(по давлению и температуре острого пара), кДж/кг;
-
энтальпия пара после и до промперегрева, кДж/кг.
Тепло,
отданное тепловому потребителю, кВт:
где:
- энтальпия после сетевого подогревателя, кДж/кг.
Затраты
тепла на выработку электроэнергии, МВт:
КПД
турбоустановки по производству электроэнергии:
КПД
станции по производству электроэнергии:
КПД
станции по производству и отпуску тепла:
Удельный
расход топлива на производство электроэнергии, кг/кВтч:
Удельный
расход натурального топлива на производство электроэнергии, кг/кВтч:

Удельный
расход топлива на производство тепла, кг/ГДж:
Удельный
расход натурального топлива на производство тепла, кг/ГДж:
Удельный
расход тепла, кДж/кВтч:
Удельный
расход пара, кг/кВтч:
.2 Новая
методика
Коэффициенты ценности тепла:
Увеличение
расхода тепла на производство электроэнергии, кВт:
Расход
тепла на собственные нужды турбоагрегата, кВт:
Коэффициент
отнесения затрат топлива энергетическими котлами на производство
электроэнергии:
Количество
отпущенной электроэнергии с шин электростанции, кВт:
Расход
электроэнергии на собственные нужды, кВт:
Расход
топлива на выработку электроэнергии, кг/с:
Расход
топлива на выработку тепла, кг/с:
где:
- расчетный расход топлива на работу парогенератора
Удельный
расход топлива на выработку электроэнергии, кг/кВт·ч:
Удельный
расход топлива на выработку тепла, кг/ГДж:
5. Выбор
вспомогательного оборудование в приделах ПТС
.1
Регенеративные подогреватели
Подогреватель высокого давления выбираем по заводским данным, так чтобы
их характеристики удовлетворяли значениям, полученным в ходе расчета ПТС.
ПВД - 1: ПВ-900-380-18-1, где 900 - площадь поверхности теплообмена, м2;
380 максимальное давление в трубной системе, бар; 70 - максимальное давление в
корпусе, бар.
ПВД - 2: ПВ-1200-380-43
ПВД - 3: ПВ-900-380-66
Подогреватели низкого давления:
ПНД - 4: ПН-350-14-7-III
ПНД - 3: ПН-350-16-7-II
ПНД -
2: ПН-350-16-7-I
ПНД -
1: ПН-250-16-7-I
.2
Деаэратор
По найденному расходу питательной воды Gпв=176.6 кг/с выбираем деаэратор смешивающего типа повышенного
давления ДП-1000-М-2 с характеристиками:
емкость деаэраторной колонки - 17 м3,
производительностью - 1000 т/ч,
давление - 7 бар
.3 Сетевые подогреватели
Подогреватели сетевой воды выбираем по расчетному пропуску воды, давлению
пара в корпусе и температуре пара на входе и воды на выходе.
Расчетный пропуск сетевой воды Gсв=180.1
кг/с.
Тип: ПСВ-315-3-23 с характеристиками:
расчетный пропуск воды - 725 т/ч;
поверхность
нагрева - 315 м
;
число
ходов - 2;
вес
без воды - 11.646 т.
.4 Выбор
питательных насосов
Для блочных электростанций производительность питательных насосов
выбирают по расходу питательной воды на блок с запасом 6-8%, т/ч:
Напор
питательного насоса принимается на 30-50% больше, чем номинальное давление пара
перед турбиной, м:
Выбираем
питательный электронасос ПЭ-720-185/200 в количестве (на 1 блок): 1 рабочий
1 резервный.
Характеристики:
· Производительность - 720 м3/ч
· Номинальная мощность - 5000 кВт
· Частота вращения - 2900 об/мин
· КПД - 81,5 %
5.5 Выбор
конденсатных насосов
Конденсатные насосы устанавливают в количестве 2-3 на турбину, при двух -
каждый на 100 % -ную производительность, а при трех - на 50 % -ную.
За
расчетную производительность принимают расход конденсата в летний период,
кг/с. Принимаем напор конденсатных насосов - 160 м.
вод. ст.
Выбираем
конденсатный насос КСВ 320-160, количеством (на блок) 2 шт., с характеристиками:
· Производительность - 320 м3/ч
· Напор - 160 м. вод. ст.
· Частота вращения 1500 об/мин
· Мощность - 186 кВт
· КПД - 75 %
.6 Выбор циркуляционных насосов
Выбираем
насос типа ОП 6-110 Э в количестве двух штук с характеристиками:
· Производительность - 14760-38160 м3/ч
· Напор - 7,5-12,7 м.вод.ст.
· Частота вращения 485 об/мин
· КПД - 80-87 %
5.7 Выбор
сетевых насосов
Выбор производится по производительности и напору. Сетевые насосы
устанавливаются в количестве двух на турбину, рассчитывая их на 50 % -ную
производительность.
Производительность сетевого насоса, м3/ч:
Выбираем
сетевые насосы СЭ-500-70 с характеристиками:
· Производительность - 500 м3/ч
· Напор - 70 м.вод.ст.
· Допустимый кавитационный запас - 10 м.вод.ст.
· Частота вращения 3000 об/мин
· Потребляемая мощность - 120 кВт
· КПД - 82 %
· Температура
перекачиваемой воды - 180
С
6.
Проектирование топливного хозяйства
В качестве топлива на КЭС по заданию используется бурый уголь Б2 Ирша -
Бородинского месторождения со следующими характеристиками.
Таблица 6.1 Характеристика Ирша - Бородинского угля:
|
Wр, %
|
Aр, %
|
Sрк+ор, %
|
Cр, %
|
Hр, %
|
Nр, %
|
Oр, %
|
Qнр, кДж/кг
|
Vг, %
|
|
33.0
|
7.4
|
0.2
|
42.6
|
3.0
|
0.6
|
14.4
|
15650
|
48
|
.1
Определение расхода топлива на ТЭС
Расчетный расход топлива на работу парогенераторов блока, кг/с:
Расчетный
расход топлива на КЭС, кг/с:
.2
Приемные разгрузочные устройства
По
расходу топлива на станции используем один вагоноопрокидыватель роторного
трехопорного типа.
Характеристика
вагоноопрокидывателя:
· Число опрокидываний за 1 час - 30;
· Теоретическая характеристика - 2790/1800 т/ч;
· Мощность электродвигателей -362 кВт;
· Габариты - 17-8.9-7.95 м.
6.3
Ленточные конвейеры
Из приёмного устройства топливо подаётся в котельную двумя параллельными
линиями (нитками) ленточных конвейеров, одна из которых рабочая, вторая -
резервная.
Суточный расход топлива на блок составляет, т/сут:
Расчетная
часовая производительность каждой нитки, т/ч:
где:
T =21ч - число часов работы топливоподачи.
Производительность
ленточного конвейера (приближенно), т/ч:
где:
b - ширина ленты (принимаем 1м);
c - скорость
ленты (принимаем 2.5м/с);
-
насыпной вес топлива (принимаем 0.85т/м3);
= 345 -
коэффициент, учитывающий угол естественного откоса.
Мощность
на вал приводного барабана ленточного конвейера без сбрасывающего устройства
определяются по формуле, кВт:
где:
Z=50 - длина конвейера между центрами приводного и
концевого барабанов, м;
H=5 - высота
подъема по вертикали между центрами приводного и концевого барабанов, м;
-
коэффициент, зависящий от длины ленты ;
-
коэффициент, зависящий от ширины ленты.
Мощность,
потребляемая электродвигателем приводной станции, кВт:
где:
=1,25 - коэффициент запаса(т.к горизонтальный);
=0,95 -
КПД электродвигателя;
=0,96 -
КПД редуктора.
.4
Дробилки
Применяем
на проектируемой станции двухступенчатое дробление. Ввиду высокой влажности
топлива используем молотковые не забивающиеся дробилки с подвижными дробильной
и отбойной плитами и с очистными устройствами. По расходу топлива на котельный
агрегат по расчетному расходу топлива выбираем дробилки типа СМ-170Б с
характеристиками:
· Производительность - 200 т/ч;
· Размеры ротора
длина - 1600 мм
диаметр - 1300 мм
· Частота вращения ротора - 750 об/мин;
· Мощность электродвигателя - 150 кВт;
· Масса - 14,8 т.
Емкость бункера сырого угля, м3:
где
=10 - число часов работы парогенератора на топливе,
запасенном в бункерах;
=0,8 -
коэффициентом заполнения;
=0,85 -
насыпной вес угля.
Для
подачи угля из бункера используем ленточный питатель пыли с шириной ленты 800
мм, длиной 2 м. Производительность при высоте слоя 0,2 м 270 м3/ч,
требуемая мощность - 4,5 кВт.
.5
Топливные склады
Емкость склада угля рассчитываем на двухнедельный расход при 20 часах
работы в сутки всех котлов.
Площадь, непосредственно занятую штабелями, ориентировочно определяем по
формуле, м2 :
где:
- запас топлива на складе (принимаем 30сут);
- высота
штабеля(принимаем 15м);
-
насыпной вес топлива, т/м3;
=0,8-0,9
- коэффициент, учитывающий угол откоса (сползания) топлива в штабеле.
.6 Выбор
механизмов системы пылеприготовления
Для сжигания Ирша - Бородинского бурого угля применяем замкнутую систему
пылеприготовления с прямым вдуванием пыли, с использованием молотковых мельниц.
Устанавливаем четыре мельницы на блок.
Расчетная производительность мельницы, т/ч:

где:
- количество мельниц на котле;
-
коэффициент размолоспособности.
Выбираем
мельницу типа ММТ 1500/3230/740, имеет следующие характеристики:
· Производительность - 39.7 т/ч;
· Частота вращения - 980 об/мин.
6.7
Дутьевые вентиляторы и дымососы
Для каждого котла моноблоков устанавливаем один дымосос и один
вентилятор.
Теоретический объем воздуха, Нм3/кг:
Теоретический
объем азота, Нм3/кг:
Теоретический
объем трехатомных газов, Нм3/кг:
Теоретический
объем водяных паров, Нм3/кг:
Теоретический
объем продуктов сгорания, Нм3/кг:
Производительность
дутьевого вентилятора определяется по формуле, м3/с:
где:
- коэффициент избытка воздуха в топке, принимаем
равным 1.25;
- присос
воздуха в топке, принимаем равным 0.05;
- присос
воздуха в системе пылеприготовлении принимаем равным 0;
-
относительная утечка воздуха в ВЗП принимаем равным 0.05
-
температура холодного воздуха.
Расчетная
производительность дымососа, м3/с:

Принимаем
суммарный перепад давления по воздушному тракту Hпот = 4 кПа. Тогда расчетный напор дутьевого вентилятора,
кПа:
Выбираем
дутьевой вентилятор типа ВДН-20-II с характеристиками:
· Производительность - 222/173 м3/ч;
· КПД - 82 %;
· Частота вращения - 980/740 об/мин;
· Мощность - 400/170 кВт;
Принимаем суммарный перепад давления по газовому тракту Hпот=3 кПа. Тогда расчетный напор
дымососа, кПа:
Выбираем
дымосос типа ДН-22
2 с характеристиками:
· Производительность - 285 м3/ч;
· КПД - 83 %;
· Частота вращения - 744 об/мин;
· Мощность - 345 кВт;
· Полное давление - 3300 Па.
7. Золоулавливание
Улавливание твердых частиц из потока дымовых газов осуществляется
электрофильтром ЭГД 2-128-9-6-4-200-5 с горизонтальным движением дымовых газов,
двухъярусный, с двумя секциями, 128 газовых проходов в двух ярусах, при этом
скорость газов в активном сечении составит 1.3 м/с, что позволит электрофильтру
работать КПД около 99%.
Расход летучей золы, поступающей в золоуловитель (с одного блока), кг/ч:
где:
- 0.95 - доля золы уносимая газами;
- зольность
топлива, %;
- 0.5 %
потеря с механическом недожогом.
Расход
летучей золы в дымовую трубу, кг/ч:
где
- КПД золоуловителя, %.
8.
Золоудаление
Удаление
шлака из-под топок устанавливаемых котлоагрегатов осуществляется непрерывно с
помощью скребкового транспортера, передвигающегося в заполненной водой ванне. С
транспортерами шлак сбрасывается на шлакодробилку, где дробится на куски не
более 50 мм, затем поступает в самотечный канал.
Суммарное
количество золы и шлака, удаляемое с электростанции, т/ч:
Расход
золы, т/ч:
Расход
шлака, т/ч:
Расход
воды, т/ч:
Расчетный
расход пульпы, т/ч:
где
,
и
- соответственно удельный вес шлака, золы и воды, т/м3.
Диаметр
шлакозолопровода, м:

где:
=1.7 - расчетная скорость пульпы, м/с.
По
расчетному расходу пульпы выбираем багерный насос типа 3Гр-8 с
характеристиками:
· Производительность - 35-75 м3/ч;
· Давление на выходе из насоса - 0.17-0.135 МПа;
· Мощность на валу насоса - 3.33-4.7 кВт;
· Мощность электродвигателя - 10 кВт;
· Частота вращения ротора - 1450 об/мин.
9. Расчет выбросов и выбор дымовой трубы
Выбор высоты и количества устанавливаемых на электростанции труб
производиться таким образом, чтобы загрязнение приземного слоя воздуха
выбросами из труб не превышало предельно допустимых концентраций вредных
примесей.
Выбросы золы всей станции, кг/с:
Выбросы
оксидов азота, кг/с:
где:
- коэффициент, зависящий от режима работы котла;
-
поправочный коэффициент, учитывающий качество сжигаемого топлива и способ
шлакоудаления.
Выбросы
оксидов серы, кг/с:
где
- доля оксидов серы, которая улавливается летучей
золой в газоходах котла;
- доля
оксидов серы, которая улавливается в золоуловителе.
Влияние
скорости осаждения вредных веществ в атмосфере:
где:
F - безразмерный коэффициент, учитывающий скорость
осаждения вредных веществ в атмосфере:
- для
газообразных выбросов,
- для
золы.
Приведенная
масса вредных примесей, кг/с:
Суммарная
масса вредных примесей пересчитывается на выбросы оксидов серы. Отношение
среднесуточных ПДК в этой формуле являются коэффициентами, учитывающими
вредность золы и оксидов азота по сравнению с оксидами серы.
Минимально
допустимая высота трубы определяется по формуле, м:
где:
A - коэффициент учитывающий условия вертикального и
горизонтального рассеяния (конвективной диффузии) примеси в воздухе, принимаем
равным 200;
F - безразмерный
коэффициент, учитывающий характер выбрасываемых загрязнений;
m - коэффициент,
учитывающий влияние скоростей выхода газов из устья трубы;
N - количество
дымовых труб;
Vг - суммарный объем дымовых газов, выбрасываемых из
трубы, м3/с;
-
разность температур выходящих из трубы дымовых газов и окружающего воздуха, оС.
Далее
находим следующие коэффициенты:
где:
D=7,2 - диаметр устья трубы, м.
Скорость
газов в устье дымовой трубы, м/с:
Скорость
ветра на высоте10 м над уровнем земли ,м/с:
При
N=1
<
, следовательно принимаем дымовую трубу высотой 200м,
изготовленную из железобетона, с диаметром устья 7.2 м.
Эффективная
высота дымовой трубы, м:
где
- скорость ветра над уровнем земли, м/с
-
коэффициент, учитывающий возрастание скорости ветра с высотой трубы, по высоте
выбранной трубе принимаем 1.63
10.
Индивидуальное задание
.1 Выбор
системы пылеприготовления
Поскольку влажность заданного топлива, Ирша - Бородинского бурого угля,
составляет 33%, то рекомендуется сушка его смесью воздуха с газами.
Таблица 10.1 - Характеристики исходного топлива и угольной пыли
|
Бассейн
|
Влажность пыли приведённыеКоэффициент размолоспособности Рекомендуемая тонина помола
|
|
|
|
|
|
Влажность Зольность
|
|
|
|
|
Ирша - Бородинское
|
12-16
|
8.82
|
2.34
|
1.2
|
55-60
|
Применяем замкнутую схему пылеприготовления, с прямым вдуванием пыли.
Рисунок 10.1 - Система пылеприготовления с прямым вдуванием.
На рисунке 10.1 цифрами обозначены следующие элементы:
1. Бункер сырого угля;
. Питатель угля;
5. Устройство для исходящей сушки;
. Мигалка;
. Мельница;
. Сепаратор;
11. Клапан присадки холодного воздуха;
12. Горелка;
. Короб вторичного воздуха;
. Парогенератор;
16. Воздухопровод горячего воздуха;
. Воздухоподогреватель;
. Дутьевой вентилятор;
. Взрывной клапан;
. Течка сырого угля;
. Отсекающий шибер;
. Шибер с быстрозакрывающимся устройством;
. Заглушка;
. Трубопровод аварийной присадки холодного воздуха;
. Трубопровод холодного воздуха для уплотнения вала мельницы.
Выбираем мельницы типа ММТ 1500/3230/720. Поскольку производительность
котельного агрегата превышает 400т/ч, устанавливаем 4 мельницы на блок.
Характеристики ММТ 1500/3230/720:
· производительность - 39.7 т/ч
· число оборотов - 980 об/мин.
Рисунок 10.2 - Молотковая мельница тангенциального типа
На рисунке 10.2 - цифрами обозначены следующие элементы:
. Корпус;
. Ротор;
. Вал;
. Била;
. Биладержатели;
. Опорные подшипники;
. Электродвигатель;
. Соединительная муфта;
. Подвод и отвод охлаждающей вал воды;
. Опорная рама.
10.2
Тепловой баланс сушильно-мельничной системы
Приходные статьи баланса, кДж/кг:
,
где:
-
физическое тепло, внесённое сушильным агентом, кДж/кг.
- тепло, выделившееся в результате работы размалывающих
органов, кДж/кг.
- физическое тепло присосов холодного воздуха, кДж/кг.
,
где:
Первое
слагаемое - учитывает тепло, внесённое с воздухом, кг/кг.
Второе
слагаемое - учитывает тепло,внесённое с газами, кг/кг.
где:
- расход
воздуха, кг/кг
-
теоретический объём воздуха, Нм
/кг.
,
Таблица
10.2.1 - Характеристика Ирша - Бородинского угля:
|
Wр, %
|
Aр, %
|
Sрк+ор, %
|
Cр, %
|
Hр, %
|
Nр, %
|
Oр, %
|
Qнр, кДж/кг
|
Vг, %
|
|
33.0
|
7.4
|
0.2
|
42.6
|
3.0
|
0.6
|
14.4
|
15650
|
48
|
где:
-
коэффициент подачи пылевоздушной смеси, принимается в зависимости от типа
горелок, в данном случае выбрана прямоточная щелевая, тогда коэффициент
принимаем 0.55.
-
плотность воздуха,
отсюда:
,
тогда:
Топка
с твёрдым шлакоудалением при сушке топлива смесью воздуха стопочными газами.
-
температура воздуха, равная выбранной ранее температуре подогрева(
)
С;
-
теплоёмкость воздуха, определяется как функция от температуры воздуха(
);
-
температурная характеристика золы,
;
-
температура уходящих газов,
;
-
температура газов, для расчёта принимаем
.
Тепло,
выделившееся в результате работы размалывающих органов, кДж/кг.
,
где:
-
коэффициент, учитывающий долю энергии, переходящей в тепло в процессе размола,
для ММТ
;
-
удельный расход энергии на размол, он равен
.
тогда:
Физическое
тепло присосов определяется как, кДж/кг:
,
где:
-
коэффициент присоса;
-
температура холодного воздуха;
-
теплоёмкость холодного воздуха.
тогда:
Тепло,
затрачиваемое на подогрев топлива, кДж/кг:
,
где:
-
температура сушильного агента,
С;
-
температура на выходе из сушильно-мельничной системы,
;
-
температура сырого топлива, принимается равной температуре холодного воздуха.
отсюда:
Потери
тепла от охлаждения установки в окружающую среду, кДж/кг:
,
где:
-
часовая потеря тепла на охлаждение установки.
Тепло,
затраченное на испарение влаги, кДж/кг:
,
где:
-
количество испаренной влаги на 1кг сырого топлива, определяется как, кг/кг:
,
отсюда:
Тепло,
уносимое из установки с сушильным агентом, кДж/кг:
Определение
из балансового уравнения искомой величины:
,
отсюда:
,
отсюда:
,
где:
,
следовательно:
,
тогда:
Балансовое
уравнение:
10.3
Пересчёт производительности углеразмольных мельниц
За эталонное топливо принимаем бурый уголь.
Таблица 10.3.1 - Характеристики эталонного топлива(‘)
Таблица 10.3.2 - Характеристики заданного топлива(“)
Производительность, т/ч:
,
где:
-
поправочные коэффициенты, учитывающие влияние влажности топлива на его
размолоспособность.
.3.1
Расчёт заданного топлива
,
где:
-
константа, характеризующая максимальную влажность топлива.
,
где:
- средняя
влажность размалываемого топлива.
,
отсюда:
отсюда:
,
тогда:
-
поправочный коэффициент, учитывающий влияние влажности топлива на его
размолоспособность.
,
отсюда:
10.3.2
Расчёт эталонного топлива
,
где:
,
где:
,
отсюда:
отсюда:
,
тогда:
,
отсюда:
Значит,
производительность составит, т/ч:
.4
Определение сушильной производительности мельницы
,
где:
,
где:
-
разрежение перед мельничным вентилятором, принимается из промежутка
;
-
барометрическое давление;
-
температура смеси на входе в мельничный вентилятор;
- влагосодержание сушильного агента на входе в
мельницу.
,
где:
-
влагосодержание воздуха;
-
влагосодержание газов.
,
отсюда:
отсюда:
10.5
Определение производительности мельничного вентилятора, м
/с:
,
где:
-
плотность воздуха;
-
плотность газов.
тогда:
,
Значит,
сушильная производительность мельницы равна:
11.
Генеральный план
Генеральный
план - план размещения основного и вспомогательного оборудования (строений,
цехов, сооружений) на площадке, отведённой для строительства электростанции.
Генеральный
план представлен на листе 1 графической части и включает следующие
производственные и подсобные здания и сооружения: главный корпус с размещаемыми
на открытом воздухе дымососами, системами газоочистки и дымовыми трубами,
включающий в себя турбинное и котельное отделение; электрический щит управления
(повышающие трансформаторы и распред. устройства); ХВО; мазутное хозяйство;
ацетилено-кислородную установку; водородные рессиверы; насосную станцию;
помещения и сооружения топливно-транспортного цеха; железнодорожные подъездные
пути; служебные помещения и сооружения подсобного значения; мастерские, гараж,
пожарная охрана; бытовой корпус, и т. д. Все здания и сооружения размещаются в
пределах основной ограды.
12.
Компоновка главного корпуса
Компоновка главного корпуса - взаимное расположение помещений и
установленного в них оборудования.
Поперечный разрез главного корпуса представлен на листе 2 графической и
включает:
·
цех
парогенераторов,
·
машинный зал,
·
бункерное
помещение,
·
деаэраторное
помещение,
·
главный щит
управления.
В главный корпус подается топливо, подлежащее использованию, вода для
охлаждения отработавшего пара турбоагрегатов и для других целей. Из главного
корпуса отводится охлаждающая вода после конденсаторов, дымовые газы котла,
выводится конечная продукция - электрическая энергия и тепловая энергия с паром
и горячей водой. При разработке компоновки главного корпуса необходимо
обеспечить:
·
надёжность и
бесперебойность, экономичность эксплуатации, безопасные условия работы
персонала;
·
возможность
быстрого и качественного проведения ремонтов оборудования;
·
быстрое и дешёвое
сооружение электростанции и увеличение её мощности.
Компоновка главного корпуса должна, по возможности, легко осуществить
технологическую схему станции.
Заключение
электростанция топливный тепловой энтальпия
В данном курсовом проекте был выполнен проект КЭС для г. Иркутска
электрической мощностью 660 МВт, максимальной отопительной мощностью 120 МВт.
КЭС работает на Ирша - Бородинских бурых углях (Б2).
На станции установлены три моноблока с турбоагрегатами типа К-200-130 и
прямоточными котлоагрегатами типа ПК-47-3.
При выполнении курсового проекта были произведены следующие расчеты:
. Расчет принципиальной тепловой схемы с уточнением коэффициента
регенерации по небалансу электрической мощности;
. Расчет технико-экономических показателей проектируемой станции;
. Расчет выбросов вредных веществ в атмосферу.
Был также произведен расчет и выбор на основании данных, полученных при
расчете вспомогательного оборудования (регенеративных подогревателей,
деаэратор, насосы, сетевой подогреватель), элементов транспортного хозяйства
(система топливо подачи, дутьевой вентилятор, дымосос), дымовой трубы.
Список
использованных источников
1 Михайленко С.А., Цыганок А.П. Тепловые электрические
станции: Учебное пособие. - Красноярск: ИПЦ КГТУ, 2003г. 300с.
Цыганок А.П., Михайленко С.А. Проектирование тепловых
электрических станций: Учебное пособие. - Красноярск: КРПИ, 1991г. 119с.
Паровая турбина К-200-130 ХТГЗ./ Под ред. С.П. Соболева. -
М.: Энергия, 1980г. 192с.
Цыганок А.П. Тепловые и атомные электрические станции:
Учебное пособие: В 2 ч. Ч. 2. - Красноярск: ИПЦ КГТУ, 2000г. 123с.
Ривкин С.Л., Александров А.А. Теплофизические свойства воды и
водяного пара. - М.: Энергоатомиздат, 1984г.
Котельный агрегат: Справочно-нормативные данные по курсовому
проектированию для студентов специальности 100500 / Сост. И.С. Деринг, В.А.
Дубровский, Т.И. Охорзина. - Красноярск: КГТУ, 2000г. 40с.
Тепловой расчет котельных агрегатов (Нормативный метод)/ Под
ред. Н.В. Кузнецов и др. - М.: Энергия, 1973г.
Рыжкин В.Я. Тепловые электрические станции - М.:
Энергоатомиздат, 1987г.
Паротурбинные энергетические установки: Отраслевой каталог
/Под ред. Н.Н. Ермашов и др.- М.: 1988г.
Е.А.Бойко, И.С. Деринг, Т.А. Охорзина - Красноярск: ИПЦ КГТУ,
1995г. - 96с. Тепловой расчёт парового котла.
Е.А.Бойко, И.С. Деринг, Т.А. Охорзина - Красноярск, 2006г.
45с. Котельные установки и парогенераторы (выбор и расчёт систем
пылеприготовления и горелочных устройств котельных агрегатов).