Проектирование принципиальной схемы конденсационной электростанции и выбор электрооборудования
Оглавление
Введение
Задание к курсовой работе
. Разработка главной электрической схемы КЭС
.1 Выбор генераторов
.2 Разработка вариантов структурной схемы станции
.3 Выбор блочных трансформаторов и автотрансформаторов
связи
.4 Окончательный выбор структурной схемы КЭС
. Расчет токов трехфазного короткого замыкания и
ударных токов
.1 Расчет тока трехфазного короткого замыкания и
ударных токов на шинах РУ ВН 500 кВ
.2 Расчет тока однофазного короткого замыкания на шинах
РУ ВН 500 кВ
.3 Расчет тока трехфазного короткого замыкания и
ударных токов на шинах РУ СН 220 кВ
.4 Расчет тока однофазного короткого замыкания на шинах
РУ CН 220 кВ
.5 Расчет тока трехфазного короткого замыкания и
ударных токов в цепи генератора №6 20 кВ.
. Выбор коммутационных аппаратов
.1 Выбор выключателей для генераторной цепи 20 кВ
.2 Выбор выключателей для шин РУ ВН 500 кВ
.3 Выбор выключателей для шин РУ CН 220 кВ
.4 Выбор разъединителей
.5 Выбор измерительных трансформаторов
.6 Выбор токопроводов генератора
.7 Выбор электрических схем РУ повышенных напряжений
Заключение
Список литературы
Введение
конденсационная
электростанция электрический ток замыкание
Главная электрическая схема электростанции в значительной мере определяет
основные качества электрической части станции:
Надежность - свойство объекта выполнять заданные функции (выдачу мощности
в энергосистему, тепло - и электроснабжение потребителей) в заданном объеме при
определенных условиях функционирования. Уровень надежности может быть
регламентирован или экономически обоснован.
Экономичность - разработка проектов, учитывающий необходимые капитальные
вложения и сопутствующие ежегодные издержки производства и сбыта продукции.
Принимаемый уровень надежности обосновывается сопоставлением затрат с
экономическими последствиями из - за надежности.
Удобство эксплуатации - заключается в наглядности и простоте схемы,
снижающих вероятность ошибочных действий персонала, возможность минимизации
числа коммутаций в первичных и вторичных цепях при изменении режима работы
электроустановки.
Возможность расширения, техническая гибкость и т.д..
Главная схема станции является частью схемы энергосистемы.
Электроэнергия, вырабатываемая генераторами, передается через трансформаторы и
электрические соединения главной схемы и поступает в систему по воздушным и
кабельным линиям.
Выбор главной схемы представляет собой сложную задачу. Однако большой
опыт, накопленный проектными организациями, позволяет при рассмотрении
ограниченного числа вариантов схем принять целесообразные решения, близкие к
оптимальным.
Процесс разработки главной схемы можно разделить на следующие основные
этапы: выбор схемы присоединения электростанции к энергосистеме; выбор
структурной (принципиальной) схемы; выбор целесообразного способа ограничения
токов К. З.; выбор схем электрических соединений РУ на всех основных
напряжениях; расчет токов К. З. и выбор электрических аппаратов.
Задание к
курсовой работе
Предлагается спроектировать схему электрической станции типа КЭС с одним
высшим напряжением, на котором связанна с системой, и потребительским
напряжением, к шинам которого подключены потребители (нагрузки). В процессе
проектирования необходимо решить следующие задачи:
разобрать не менее двух вариантов структурной схемы проектируемой
станции, из которых выбрать один и утвердить выбранные варианты у
преподавателя;
выбрать основное оборудование: генераторы, трансформаторы (авто
трансформаторы) связи, блочные трансформаторы;
рассчитать токи трехфазного и однофазного коротких замыканий (КЗ);
выбрать выключатели и разъединители для всех РУ;
выбрать измерительные трансформаторы тока (ТА) и напряжения (ТV) (без учета вторичной нагрузки);
выбрать проводники для потребительских линий электропередачи;
изобразить главную схему электрических соединений с указанием на ней
основного оборудования и аппаратов, в том числе трансформаторов ТА и TV, заземляющих ножей, ограничителей
перенапряжения.
Поставленные задачи должны решаться с учетом требований ПУЭ,
рекомендаций, типовых решений и других нормативных документов.
Главная схема электростанции должна быть изображена с учетом требования
ГОСТа на листе формата А4.
1.
Глава. Разработка главной электрической схемы КЭС
1.1 Выбор
генераторов
В связи со взрыво - пожароопасностью применение водорода в последние годы
разрабатываются и используются в эксплуатации турбогенераторы с применением
воздушного (серия ТФ) или полного жидкостного охлаждения (серия Т3В).
Турбогенераторы серии Т3В имеют непосредственную водяную систему
охлаждения обмоток ротора и статора и косвенную водяную систему охлаждения
активной стали статора с заполнением внутреннего пространства генератора
воздухом при давлении, близком к атмосферному. Применение системы охлаждения
<< Т3В - три воды >> повышает надежность и упрощает эксплуатацию
этих турбогенераторов. [1, стр. 5]
Основные параметры генераторов серии ТФ и Т3В практически совпадают с
параметрами генераторов той же мощности серии ТВС, ТВФ, ТВВ.
Исходными данными заданы nГУ=8
шт. однотипных генераторов мощностью
РНОМ.Г.=350 МВт, и их продольное сверхпереходное реактивное сопротивление
ХIId= 0.2.
По этим данным выбран генератор Т3В - 350 - 2, со следующими основными
характеристиками [2, стр. 197]:
Таблица 1. - Основные технические характеристики выбранного генератора
|
Тип
|
Р, МВт
|
Cos ц
|
Q, МВар
|
ХIId, %
|
Х2, %
|
|
Т3В - 350 - 2
|
350
|
0,85
|
217
|
0,2
|
0,21
|
1.2
Разработка вариантов структурной схемы станции
Структурные схемы - это схемы, на которых изображены генераторы,
трансформаторы, автотрансформаторы (АТ), распределительные устройства (РУ) и
связи между ними. Варианты структурных схем станций типа КЭС могут отличаться
друг от друга числом блоков, работающих на то или иное РУ, а также исполнение
связи между РУ (наличие или отсутствие генераторов, подключенных к обмотке
низшего напряжения АТ). Число АТ связи принимается, как правило, равное двум.
Желательно, чтобы суммарная мощность блоков, работающих на шины РУ среднего
напряжения (РУ СН), превышала суммарную максимальную мощность потребителей [1,
стр. 6]:

(1)
Где

-
номинальная мощность одного генератора, 
-
мощность собственных нужд генератора (для газомазутной КЭС 
) [1,
стр. 7], 
- число
блоков, работающих на шины РУ СН, 
-
суммарная максимальная мощность всех потребителей в зимний период, определяется
с учетом коэффициента одновременности.
Число
ЛЭП связи станции с системой 
,
определяется по пропускной способности линии данного класса напряжения (500
кВ), и для сечения фазы 3х500мм2 составляет РПРОП.ВЛ.=1064 МВт [2, стр. 70]. А
максимальная мощность которая может быть выдана от станции в систему
определяется как:
Тогда,
Окончательно
принимается 
. И в
дальнейшем применяем его для всех принципиальных схем.
К
дальнейшему сравнению и сопоставлению принимается две структурные схемы.
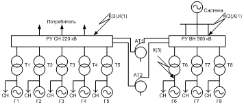
А)
Схема с четырьмя генераторами на шинах РУ СН, четырьмя генераторами на шинах РУ
ВН, двумя АТ связи с отсутствием генераторов , подключенных к обмотке низшего
напряжения.
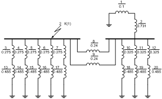
Рис.
1 Принципиальная схема станции по варианту А
Для
этой схемы суммарная мощность от 4 генераторов выдаваемая на шины РУ СН:
А
суммарная максимальная мощность всех потребителей в зимний период, определяется
с учетом коэффициента одновременности определяется как:

(2)
Где

-
мощность потребителей, 
- число
потребителей, 
-
коэффициент одновременности.
Следовательно,
мощности от одних генераторов на шинах будет не достаточно чтобы обеспечить
потребителя и недостающая мощность будет браться от шин ВН и рекомендуемое
условие (1) не выполняется.
Б)
Схема с пятью генераторами на шинах РУ СН, тремя генераторами на шинах РУ ВН,
двумя АТ связи с отсутствием генераторов , подключенных к обмотке низшего
напряжения.
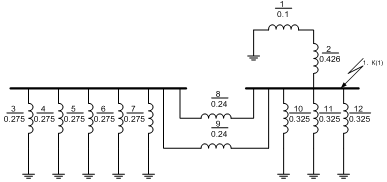
Рис.
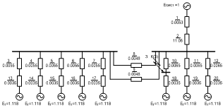
1 Принципиальная схема станции по варианту Б
Для
этой схемы суммарная мощность от 5 генераторов выдаваемая на шины РУ СН:
Следовательно,
мощности от одних генераторов на шинах будет достаточно чтобы обеспечить
потребителя а избыточная мощность будет передаваться через АТ связи на шины РУ
ВН.
Однако
сравнения схем по условию (1) недостаточно, т.к. станция может работать и при
его неудовлетворении. Основную роль в этом условии несут избыточные мощности,
шин РУ СН или РУ ВН, которые будут течь через АТ связи. Следовательно, чем
меньше будут перетоки избыточной мощности, тем АТ меньшей мощности будут
использоваться в схеме станции и тем экономичнее будут вложения на ее создание.
Чтобы
определить избыточные мощности, протекающие через АТ связи необходимо знать максимальные
и минимальные мощности потребителей, определяемые для зимнего и летнего периода
соответственно.
Из
(2) была найдена суммарная максимальная активная мощность всех потребителей в
зимний период, определяется с учетом коэффициента одновременности (
).
В
исходных данных летний минимум задан как 
=0.525
. Тогда,
Таким
образом, полная максимальная мощность потребителя в зимний период 
, и в
летний 
1.3 Выбор
блочных трансформаторов и автотрансформаторов связи
Мощность блочного трансформатора должна соответствовать полной мощности
генератора в нормальном режиме за вычетом мощности собственных нужд [1, стр.
6].
В справочнике [2, стр. 234 - 241], ближайший по мощности блочный
трансформатор, удовлетворяющий условию (3), ТДЦ-400000. Тогда, для блоков РУ СН
принимается: ТДЦ -400000/220. А для блоков РУ ВН: ТДЦ-400000/500.
Характеристики принятых блочных трансформаторов сведены в таблицу 2.
Таблица 2. - Характеристики принятых блочных трансформаторов
|
Тип тр-ра
|
|
|
|
|
|
ТДЦ -400000/220
|
400
|
242
|
20
|
11
|
|
ТДЦ -400000/500
|
400
|
525
|
20
|
13
|
Но, если выбор блочных трансформаторов определяется только мощностью
генератора и собственных нужд, то выбор АТ связи напрямую зависит от вида
схемы, а точнее, от числа генераторов на шинах ВН и СН.
А) Выбор АТ для схемы А.
Как было сказано ранее, мощность АТ связи выбирается по наибольшему
перетоку мощности, определяемой в следующих режимах.
. Работа станции с установленной мощностью в режиме летних минимальных
нагрузок.
В
этом режиме вся избыточная мощность с шин среднего напряжения передается в РУ
высокого напряжения по двум АТ связи. При этом допускаются систематические
перегрузки. Для данной работы коэффициент систематических перегрузок принимаем
равным 
[1, стр.
8]. Расчетная мощность в этом режиме определяется по выражению:
Где

-
максимальная мощность, отдаваемая в систему с шин РУ СН в летний период
(избыточная мощность); 
- число
генераторов, работающих на шины РУ СН.

.
Аварийное отключение одного из АТ связи в режиме летних минимальных нагрузок.
При
аварийном отключении одного из параллельно работающих трансформаторов связи
допустимо снижать переток мощности через оставшейся в работе трансформатор
связи на величину имеющегося аварийного резерва в системе 
, который
можно использовать при авариях на данной станции. В этом режиме трансформатор
допускает аварийную перегрузку. Для данной работы коэффициент аварийных
перегрузок ориентировочно можно принять равным 
[1, стр.
9]. Однако, этот режим не стоит рассматривать, если:
Т.к.
данный режим по условию (6) является расчетным то, расчетная мощность в режиме
2 для АТ связи определяется по выражению:
.
Работа станции с установленной мощностью в режиме максимальных зимних нагрузок
и аварийное отключение одного блока, работающего на шины РУ СН.
Этот
режим имеет смысл рассматривать, если максимальная зимняя мощность потребителей
значительно превышает суммарную мощность оставшихся в работе блоков, работающих
на шины РУ СН.
Расчетная
мощность в этом режиме определяется по выражению:
Б)
Выбор АТ для схемы Б производиться аналогично выбору АТ для схемы А.
Единственное отличие - число генераторов, работающих на шины РУ СН теперь пять,
а не 4.
.
Работа станции с установленной мощностью в режиме летних минимальных нагрузок.

.
Аварийное отключение одного из АТ связи в режиме летних минимальных нагрузок.
3.
Работа станции с установленной мощностью в режиме максимальных зимних нагрузок
и аварийное отключение одного блока, работающего на шины РУ СН.

Окончательный
выбор мощности АТ связи для обоих вариантов структурных схем определяется по
условию:
Таблица
3. - Окончательный выбор мощности АТ связи для обоих вариантов схем
|
Вариант структурной схемы
|
Мощности АТ в различных
режимах
|
Окончательный выбор
мощности АТ связи, МВА
|
|
 , МВА ,МВА ,МВА
|
|
|
|
|
А
|
285
|
154
|
254
|
АТДЦН-500000/500/220
|
|
Б
|
448.5
|
432.7
|
58.1
|
АТДЦН-500000/500/220
|
Т.к
ближайший АТ меньшей мощности только АТДЦТН - 250000 (
) который
не удовлетворяет условию выбора (9), то приходиться принимать АТДЦН-500000 [2,
стр. 243].
1.4 Окончательный
выбор структурной схемы КЭС
Сопоставив два варианта структурных схем определенно, что схема Б обладает
рядом преимуществ перед схемой А:
В схеме Б на шинах РУ ВН на один генераторный блок меньше чем в схеме А.
Что более экономично, т.к. оборудование на 500кВ намного дороже и менее
надежно, чем оборудование на 220кВ. Выбор схемы Б позволяет с меньшими затратами
построить станцию не в убыль надежности, а даже увеличив ее.
Выбор АТ связи одинаковой мощности говорит о том что экономические
вложения в данную область структурной схемы будут так же равны. Но перетоки
избыточной мощности, протекающие через них, довольно сильно различимы. Так
большая из трех режимов выбора АТ мощность для схемы А составила 285 МВА, когда
для схемы Б, 448.5 МВА. Это означает что в схеме А, АТ мощностью 500 МВА будет
работать в недогруженном состоянии, что весьма не целесообразно. С другой
стороны, принять АТ меньшей мощности тоже невозможно, потому что он не
удовлетворяет условию (9). Поэтому, в этом сравнении схема А безусловно
проигрывает схеме Б.
Схему с шестью генераторами, работающими на шины РУ СН рассматривать не
целесообразно из - за больших токов КЗ в сети 220кВ, которые могут возникать
при аварийных ситуациях. Что приведет к применению более мощных и дорогих
коммутационных аппаратов. А так же шесть генераторов РУ СН увеличат избыточную
мощность перетекающую в РУ ВН. Это повлечет за собой применение более мощных АТ
связи, что тоже отразиться в затратах на сооружение станции.
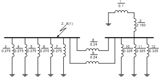
Из всего выше сказанного к дальнейшему расчету принимаем принципиальную
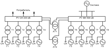
схему варианта Б.
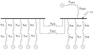
Рис. 3 Окончательно принятая структурная схема
2. Расчет
токов трехфазного короткого замыкания и ударных токов
Расчет токов КЗ выполняют аналитически для начального момента времени
возникающего короткого замыкания, пологая систему неограниченной мощности, а
нагрузку на напряжения 6 и 10 кВ обобщенной. В данной работе нагрузкой на
напряжения 110 кВ и выше допустимо пренебречь ввиду отсутствия необходимых
данных и малого влияния на результаты расчетов токов КЗ. Расчет токов КЗ в
данной работе ведется для точек КЗ, расположенных в распределительных
устройствах всех напряжения и точек, расположенных в цепях генераторов. При
напряжениях 110 кВ и выше кроме трехфазных токов КЗ рассчитываются однофазные
токи КЗ.
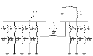
Рис. 4 Схема расчетных точек коротких замыканий
Расчет токов КЗ удобнее вести в относительных базисных единицах в
следующей последовательности:
. Выбираются базисные напряжения и мощность. За базисное
напряжения принимается среднее номинальное напряжение той ступени, где
рассматривается КЗ. За базисную мощность целесообразно принять мощность,
сопоставимую с установленной мощностью станции, или большую.
. Составляются схемы замещения, в которой элементы (генераторы,
трансформаторы, линии и т.д.) вводятся своими индуктивными сопротивлениями.
. Постепенным преобразованием схемы замещения определяется
результирующее сопротивление относительно точки КЗ и находиться начальные
значения для каждой точки КЗ.
4. Определяется
действующее значение периодического тока КЗ 
в i - й
ветви в начальный момент времени t = 0 по выражению:
где

- ЭДС
источника i - й ветви в относительных базисных единицах; 
-
суммарное сопротивление источника i - й ветви относительно точки КЗ
в относительных базисных единицах; 
-
базисный ток, кА, определяемый для той ступени напряжения, на которой
рассматривается КЗ.
При
выполнении курсовой работы среднее значение сверхпереходных ЭДС для генераторов
можно определить по следующей формуле [1, стр. 12]:
. В практических расчетах максимальное мгновенное значение полного тока
КЗ находят при наибольшей апериодической составляющей. Это наибольшее значение
называется ударным током КЗ. Для расчета ударного тока следует дополнительно
составить схему замещения с активными сопротивлениями и определить ее
параметры. ЭДС в этой схеме не указывают, указывают узлы подключения ЭДС. При
отсутствии точных сведений об активных сопротивлениях можно пользоваться
приближенными данными (3,стр137).
Последовательность расчета.
Определяют эквивалентную постоянную времени затухания апериодической
составляющей тока статора при КЗ:
где

Определяют
ударный коэффициент:
Ударный
ток:
2.1 Расчет
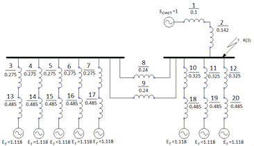
тока трехфазного короткого замыкания и ударных токов на шинах РУ ВН 500 кВ
Рис. 5 Расчетная схема
Исходные данные:
. Генераторы:
|
Тип
|
Р, МВт
|
Cos ц
|
Q, МВар
|
ХIId, %
|
Х2, %
|
X/R
|
|
Т3В - 350 - 2
|
350
|
0,85
|
217
|
0,2
|
0,21
|
140
|
2. Блочные трансформаторы:
|
Тип тр-ра
|
|
|
|
|
X/R
|
|
ТДЦ -400000/220
|
400
|
242
|
20
|
11
|
50
|
|
ТДЦ -400000/500
|
400
|
525
|
20
|
13
|
50
|
. Автотрансформаторы связи:
|
Тип тр-ра
|
|
|
|
|
X/R
|
|
АТДЦН-500000/500/220
|
500
|
500
|
230
|
12
|
50
|
4. ЛЭП
500кВ (3x 500/64 мм2)
|
L, км
|
X1, Ом/км
|
X0
|
X/R
|
|
385
|
0,304
|
3*X1
|
8
|
. Выбор базисных величин:
. Составление схемы замещения и расчет ее сопротивлений.
В дальнейшем, для ведения расчетов будут использоваться только
сопротивления с соответствующим номером, без дополнительных аббревиатур.
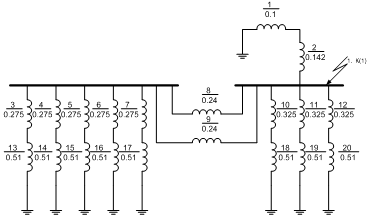
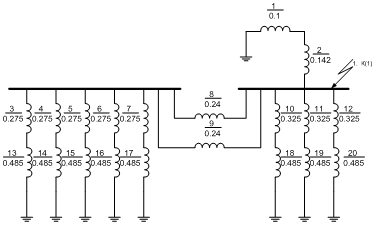
Рис. 6 Эквивалентная схема замещения принципиальной схемы КЭС
Для дальнейшей простоты расчета пронумеруем сопротивления этой схемы:
Рис. 7 Эквивалентная схема замещения с учетом нумерации элементов
Расчет сопротивлений элементов схемы:

Рис. 8 Эквивалентная схема замещения с учетом нумерации элементов
. Преобразуем данную схему рисунка 8 относительно точки КЗ:


Тогда схема примет следующий вид:
Рис. 9 Преобразованная схема рис. 8 относительно точки КЗ
. Теперь, по выражению (10) можно с легкостью определить токи трехфазного
короткого замыкания во всех трех ветвях и суммарный ток на шинах РУ ВН.
Итак, из расчетов видно что, суммарный ток трехфазного КЗ на шинах РУ ВН
равен 13.63 кА.
Перейдем к расчету ударного тока для чего составим схему замещения с активными
сопротивлениями и определим ее параметры. Все номера индуктивных сопротивлений
на рис. 8 полностью совпадают с номерами активных сопротивлений в схеме
замещения рис.10.
Рис. 10 Схема замещения КЭС с активными сопротивлениями
Расчет параметров схемы рис. 10 производиться из заданных соотношения X/R следующим образом:
Для
сопротивления системы 
отношение
X/R не заданно, но заданна постоянная времени затухания 
(4, стр.
19). И если 
, то:
Рис.
11 Эквивалентная схема замещения с учетом нумерации элементов
Аналогично
преобразуем схему рис. 10 относительно точки КЗ.


Тогда схема примет следующий вид:
Рис. 12 Преобразованная схема рис. 11 относительно точки КЗ
Следующим шагом определяются ударные токи во всех трех ветвях:
-
Расчет ударного тока 
.
Расчет
ударного тока 
.
Расчет
ударного тока 
2.2 Расчет
тока однофазного короткого замыкания на шинах РУ ВН 500 кВ
Расчет начинают с составления трех схем замещения: прямой, обратной и
нулевой последовательностей.
Схему прямой последовательности составляют так же, как для расчета тока
трехфазного КЗ.
Рис. 13 Схема прямой последовательности станции КЭС
Определим суммарное сопротивление схемы прямой последовательности
относительно точки КЗ:



Схема
обратной последовательности отличается от схемы прямой сопротивлениями
генераторов (
), а также отсутствием ЭДС (ЭДС закорочены, равны
нулю).
И схема будет выглядеть следующим образом:
Рис. 13 Схема обратной последовательности станции КЭС
Определим суммарное сопротивление схемы обратной последовательности
относительно точки КЗ:



Схема нулевой последовательности существенно отличается от схемы прямой.
Ее структура определяется способом соединения обмоток трансформаторов и режимом
заземления их нейтралей, в этой схеме нет ЭДС.
Так
же меняется сопротивление линии: 
Рис.
14 Схема нулевой последовательности станции КЭС

Для
определения тока в поврежденной фазе 
необходимо
найти величины
и
. Их
значения определяем по таблице (5 стр. 81).
В нашем случае КЗ однофазное на землю, следовательно, основываясь на
данных источники (5 стр. 81) имеем:
В относительных базисных единицах ток однофазного КЗ определяется:
-
где 
-
коэффициент пропорциональности, зависящий от вида КЗ, учитывает участие токов
обратной и нулевой последовательностей в полном токе КЗ;

-
дополнительное индуктивное сопротивление, вводимое в схему прямой
последовательности, величина которой зависит от вида КЗ и определяется
значениями 
и 
соответственно
в именованных или относительных еденицах.
Таким
образом, ток прямой последовательности при любом несимметричном КЗ определяется
как ток некоторого условного трехфазного КЗ, удаленного относительно
фактического КЗ на сопротивление ХДОП=Х2∑+Х0∑=0.0881+0.059=0.147 -
на схеме Х25.
Схема
для расчета несимметричного КЗ будет выглядеть следующим образом:
Рис. 15 Схема для расчета однофазного короткого замыкания
Схему немного упростит объединение двух цепочек с генераторами.
Т.к. ЭДС в этих двух ветвях равны, то и в их эквивалентной цепи оно будет
иметь то же значение. И схема будет иметь следующий вид:
Рис. 16 Схема для расчета однофазного короткого замыкания
Рис. 17 Схема для расчета однофазного короткого замыкания
Теперь, по выражению (15) можно определить ток однофазного короткого
замыкания на шинах РУ ВН.
2.3 Расчет
тока трехфазного короткого замыкания и ударных токов на шинах РУ СН 220 кВ
. Выбор базисных величин:
. Составление схемы замещения и расчет ее сопротивлений.
Расчет сопротивлений элементов схемы:
Рис. 18 Эквивалентная схема замещения принципиальной схемы КЭС
. Преобразуем данную схему рисунка 8 относительно точки КЗ:


Тогда схема примет следующий вид:
Рис. 19 Преобразованная схема рис. 18 относительно точки КЗ
Рис. 20 Преобразованная схема рис. 18 относительно точки КЗ
. Теперь, по выражению (10) можно определить токи трехфазного короткого
замыкания в двух ветвях и суммарный ток на шинах РУ СН.
Итак, из расчетов видно что, суммарный ток трехфазного КЗ на шинах РУ СН
равен 26.792 кА.
Перейдем к расчету ударного тока для чего составим схему замещения с
активными сопротивлениями и определим ее параметры. Все номера индуктивных
сопротивлений на рис. 18 полностью совпадают с номерами активных сопротивлений
в схеме замещения рис.21.
Расчет параметров схемы рис. 21 производиться из заданных соотношения X/R следующим образом:
Рис.
21 Схема замещения КЭС с активными сопротивлениями


Рис.
22 Преобразованная схема рис. 21 относительно точки КЗ
Следующим
шагом определяются ударные токи в двух ветвях:
Расчет
ударного тока 
.
Расчет
ударного тока 
.
2.4
Расчет тока однофазного короткого замыкания на шинах РУ CН 220 кВ
Схему прямой последовательности.
Рис. 22 Схема прямой последовательности станции КЭС
Определим суммарное сопротивление схемы прямой последовательности
относительно точки КЗ:


Схема обратной последовательности.
И схема будет выглядеть следующим образом:
Рис. 23 Схема обратной последовательности станции КЭС
Определим суммарное сопротивление схемы обратной последовательности
относительно точки КЗ:


Схема нулевой последовательности.

Рис.
24 Схема нулевой последовательности станции КЭС
Определим
суммарное сопротивление схемы нулевой последовательности относительно точки КЗ:
Схема для расчета несимметричного КЗ будет выглядеть следующим образом:
Рис. 25 Схема для расчета однофазного короткого замыкания
Теперь, по выражению (15) можно определить ток однофазного короткого
замыкания на шинах РУ ВН.
2.5
Расчет тока трехфазного короткого замыкания и ударных токов в цепи генератора
№6 20 кВ
. Выбор базисных величин:
. Составление схемы замещения и расчет ее сопротивлений.
Расчет сопротивлений элементов схемы:
Рис. 26 Эквивалентная схема замещения принципиальной схемы КЭС
3. Преобразуем данную схему рисунка 26 относительно точки КЗ:

Рис. 27 Эквивалентная схема замещения принципиальной схемы КЭС
Рис. 28 Преобразованная схема рис. 27 относительно точки КЗ
. Теперь, по выражению (10) можно определить токи трехфазного короткого
замыкания в двух ветвях и суммарный ток на в цепи генератора.
Итак, из расчетов видно что, суммарный ток трехфазного КЗ в цепи
генераторного напряжения равен 126.48 кА.
Перейдем к расчету ударного тока для чего составим схему замещения с
активными сопротивлениями и определим ее параметры. Все номера индуктивных
сопротивлений на рис. 26 полностью совпадают с номерами активных сопротивлений
в схеме замещения рис.29.
Расчет параметров схемы рис. 29 производиться из заданных соотношения X/R следующим образом:
Рис. 29 Схема замещения КЭС с активными сопротивлениями

Рис. 30 Схема замещения КЭС с активными сопротивлениями
Окончательно, схема принимает вид:
Рис. 31 Схема замещения КЭС с активными сопротивлениями
Следующим шагом определяются ударные токи в двух ветвях:
-
Расчет ударного тока 
.
Расчет
ударного тока 
.
3.
Выбор коммутационных аппаратов
Условия выбора и проверки электрических аппаратов сформулированы в [6,
табл. 1. 27]. Выбор выключателей производиться в соответствии с ГОСТ
Р52565-2006. Ниже приведены условия выбора, которые являются общими для всех
аппаратов. Отличительные особенности выбора отдельных аппаратов даны
применительно к каждому аппарату.
. По напряжению установки:
где

-
номинальное напряжение выбираемого аппарата; 
-
номинальное напряжение сети или установки. Аппараты допускают повышение
напряжения в сети:
на
20% при напряжениях до 220 кВ включительно;
на
10% при напряжении 330 кВ;
на
5% при напряжении 500 кВ.
.
По току утяжеленного режима (послеаварийного) режима установки (кроме TV):
где

-
номинальный ток выбираемого аппарата; 
- ток
утяжеленного режима сети или установки.
Ток
утяжеленного режима определяется следующим образом:
для
аппаратов, установленных в цепи генератора, по формуле:
для
аппаратов, установленных на высокой стороне блочных трансформаторов, - по
формуле:
где

-
среднее номинальное напряжение на высокой стороне блочных трансформаторов.
для
аппаратов, установленных в цепях трансформаторов (автотрансформаторов) связи, -
по формуле:
Здесь:
а)
при условии 
б)
при условии 
.
для
аппаратов, установленных в цепи отходящей линии к потребителю, - по формуле:
где

- число
ЛЭП, отходящих к отдельному потребителю (как правило, таких ЛЭП две).
для
аппаратов, установленных в цепях ЛЭП связи с системой:
где

-
избыточная мощность, отдаваемая в систему, равна установившейся мощности
станции за вычетом мощности, отдаваемой с шин потребителям (в том числе и
потребителям СН); 
- число
ЛЭП связи с системой.
.
По климатическому исполнению и категории размещения.
По
климатическому исполнению (роду установки):
а)
для районов с умеренным климатом - У (-45≤Т≤40о С);
б)
для районов с умеренным и холодным климатом - УХЛ (-45≤Т≥40о С);
в)
для районов с холодным климатом - ХЛ (-45≥Т≤40о С);
г)
для районов как с сухим, так и с влажным тропическим климатом - Т(Т
40о С).
По
категории размещения:
а)
для работы на открытом воздухе -1;
б)
для работы под навесом, в помещениях или оболочке, если отсутствует прямое
воздействие солнечного излучения и атмосферных осадков -2;
в)
для работы в закрытых помещениях, с естественной вентиляцией -3.
.
По конструкции.
кВ
и выше - элегазовые, воздушные, вакуумные выключатели.
До
220 кВ включительно - элегазовые, маломасляные, воздушные выключатели.
От
35 кВ и ниже - вакуумные, элегазовые, маломасляные, воздушные выключатели.
.
По отключающей способности.
отключение
периодической составляющей тока КЗ:
где

-
каталожное значение номинального тока отключения выключателя; 
- расчетное
значение периодической составляющей тока КЗ на момент начала расхождения
контактов выключателя; 
; 
- минимальное
время срабатывания РЗ, принимается равным 0.01с.;
- собственное время отключения выключателя.
отключение
апериодической составляющей тока КЗ:
здесь

-
номинальное значение апериодической составляющей тока отключения;
- расчетное значение апериодической составляющей тока
КЗ. Если 
значение

следует
считать равным нулю. В другом случае по формуле:
отключение
ассиметричного (полного) тока КЗ:
.
Проверка на включающую способность.
(24)
.
На стойкость к действию токов КЗ.
электродинамическая
стойкость
(25)
-
термическая стойкость.
3.1 Выбор
выключателей для генераторной цепи 20 кВ
Для удобства и наглядности используемые значения ударных токов и токов КЗ
из пункта II.V сведены в таблицу 4.
Таблица 4. - Расчетные данные токов КЗ в точке К3
|
Номер точки КЗ
|
 , кА , кА , кА , кА
|
|
|
|
|
|
|
3
|
63.412
|
63.07
|
177.37
|
174.2
|
0.446
|
0.207
|
. По напряжению установки:
. По току утяжеленного режима (послеаварийного) режима установки:
. По климатическому исполнению и категории размещения.
Предварительно принимается выключатель марки ВВГ-20-160/12500 -У3 [2,
стр.248]
|
Тип
|
|
|
|
|
|
|
|
ВВГ-20
|
20
|
12.5
|
160
|
410
|
0.1
|
0.14
|
4. По конструкции.
Выключатель воздушный генераторный типа ВВГ-20 состоит из трех полюсов и
распределительного шкафа, обеспечивающего электрическую и пневматическую связь
между полюсами. Каждый полюс выключателя состоит из резервуара, дутьевого
клапана, блока управления и сигнализации, привода разъединителя, при вода
отделителя опорных изоляторов дугогасительных камер. В распределительном шкафу
размещены следующие приборы: указатель давления воздуха, счетчик числа
срабатываний выключателя, клеммные сборки для подсоединения внешних цепей. [7]
. По отключающей способности.
Для этой проверки требуется рассмотреть два случая протекания тока КЗ
через проверяемый выключатель:

А) Б)
Рис. 32 Случаи протекания тока КЗ через выключатель: А - при КЗ со
стороны системы; Б - при КЗ со стороны генератора.
отключение периодической составляющей тока КЗ:
Для
определения тока в момент 
необходимо
определить кратность искомого тока по отношению к начальному 
. И с
помощью 
по
типовым кривым определяем коэффициент затухания периодической составляющей б
[4, стр. 21]. (б =0.78) Тогда:
160 кА
49,6 кА
отключение апериодической составляющей тока КЗ:

тогда 
Определим
два значения апериодической составляющей тока КЗ для момента времени ф.
А)
Апериодическая составляющая тока от генератора.
Условие,
не выполняется, так как 0 < 71,2 кА.
Б)
Апериодическая составляющая тока от эквивалентного объединенного источника.
Условие,
не выполняется, так как 0 < 52.43 кА.
отключение
ассиметричного (полного) тока КЗ:
Согласно
ГОСТ Р52565-06, если выбранный выключатель не проходит по условию отключения
апериодического тока, то допускается проверять его по асимметричному току.
Определим
два значения асимметричного (полного) тока КЗ в момент расхождения контактов
выключателя.
А) Значение асимметричного (полного) тока КЗ в момент расхождения
контактов выключателя при КЗ со стороны генератора.
Б) Значение асимметричного (полного) тока КЗ в момент расхождения
контактов выключателя при КЗ со стороны эквивалентного объединенного источника:
В обоих случаях проверка выполняется.
Дальнейшие проверки проводиться только для варианта А.
. Проверка на включающую способность.
- условие выполнено
- условие выполнено
. На стойкость к действию токов КЗ.
электродинамическая стойкость
- условие выполняется
термическая стойкость.
- условие выполняется
Таким образом, окончательно принимается для установки выбранный воздушный
выключатель типа ВВГ-20-160/12500 -У3.
3.2
Выбор выключателей для шин РУ ВН 500 кВ
Для удобства и наглядности используемые значения ударных токов и токов КЗ
из пункта II.I - II.II сведены в таблицу 5.
Таблица 5. - Расчетные данные токов КЗ в точке К1
|
Номер точки КЗ
|
 , кА  , кА
|
|
|
|
|
1
|
13.63
|
15.15
|
36.34
|
0.162
|
. По напряжению установки:
кВ = 500 кВ
. По току утяжеленного режима (послеаварийного) режима установки:
Так
как аппараты находятся в РУ ВН то имеет смысл рассмотреть несколько значений 
.
для
аппаратов, установленных на высокой стороне блочных трансформаторов, - по
формуле:
для
аппаратов, установленных в цепях трансформаторов (автотрансформаторов) связи, -
по формуле:
Здесь:
-
для аппаратов, установленных в цепях ЛЭП связи с системой:
Для
дальнейшего сравнения, из трех токов выбирается наибольший. В данном случае это

. Тогда:
.
По климатическому исполнению и категории размещения.
Предварительно
принимается выключатель марки 550 РМ, компании АББ[2, стр.253]:
|
Тип
|
|
|
|
|
|
|
|
550 РМ
|
550
|
4
|
50
|
125
|
0.04
|
0.06
|
4. По конструкции.
Элегазовый выключатель 550 PM состоит из трех дугогасительных камер,
заключенных в литые алюминиевые и/или стальные баки. Каждый собранный на заводе
комплект полюса выключателя состоит из двух (или трех) последовательно
соединенных компрессионных дугогасительных камер, пружинно-гидравлического
привода, встроенные трансформаторы тока, собранных на заводе и установленных
под крышкой выключателя, и блока зажимов ТТ в шкафу управления. Во время
установки на месте эксплуатации полюса монтируются на отдельных оцинкованных
опорных конструкциях и на каждый бак устанавливаются вводы. Завершает
конструкцию выключателя свободностоящий шкаф управления, изготовленный из стали
с порошковым покрытием, в котором находится все необходимое оборудование для
управления и контроля [8].
. По отключающей способности.
отключение периодической составляющей тока КЗ:
кА
15,15 кА
отключение апериодической составляющей тока КЗ:
0,08 с
, тогда 
Определим
значение апериодической составляющей тока КЗ для момента времени ф.
Условие,
выполняется, так как 23.27 кА 
15,737
кА.
отключение
ассиметричного (полного) тока КЗ:
Согласно
ГОСТ Р52565-06, если выбранный выключатель проходит по условию отключения
апериодического тока, то проверять его на отключение асимметричного тока не
требуется.
.
Проверка на включающую способность.
=2,55*50=127,5
кА
-
условие выполнено
-
условие выполнено
.
На стойкость к действию токов КЗ.
электродинамическая
стойкость
= 127,5
кА
127,5
33,34 - условие выполняется
термическая
стойкость.
=
0,1+0,06=0,16 с
-
условие выполняется
Таким
образом, окончательно принимается для установки выбранный воздушный выключатель
типа 550РМ.
3.3 Выбор
выключателей для шин РУ CН 220
кВ
Для удобства и наглядности используемые значения ударных токов и токов КЗ
из пункта II.III - II.IV сведены в таблицу 6.
Таблица 6. - Расчетные данные токов КЗ в точке К2
|
Номер точки КЗ
|
 , кА , кА , кА , С
|
|
|
|
|
2
|
26.8
|
32.7
|
74.24
|
0.241
|
. По напряжению установки:
кВ=220 кВ
. По току утяжеленного режима (послеаварийного) режима установки:
Так
как аппараты находятся в РУ CН то имеет смысл рассмотреть несколько значений 
.
для
аппаратов, установленных на высокой стороне блочных трансформаторов, - по
формуле:
для
аппаратов, установленных в цепях трансформаторов (автотрансформаторов) связи, -
по формуле:
Здесь:
а)
при условии 
,4
МВА
500+1,4=700МВА
для
аппаратов, установленных в цепи отходящей линии к потребителю, - по формуле:
Для
дальнейшего сравнения, из трех токов выбирается наибольший. В данном случае это

=1,837
кА. Тогда:
кА
1,837 кА
.
По климатическому исполнению и категории размещения.
Предварительно
принимается выключатель марки ВГБУ - 220[2, стр.253]:
|
Тип
|
, кВ
|
кА
|
кА
|
к кА
|
С
|
С
|
|
ВГБУ - 220
|
220
|
2
|
40
|
100
|
0.035
|
0.07
|
. По конструкции.
Выключатель элегазовый баковый ВГБУ-220 служит для коммутации
электрических цепей в нормальных и аварийных режимах, в том числе в циклах АПВ,
в сетях трехфазного переменного тока. Выключатель ВГБУ-220 с пружинным либо
гидравлическим приводом и встроенными трансформаторами тока предназначен для
эксплуатации в открытых и закрытых распределительных устройствах в сетях
переменного тока частотой 50 Гц с номинальным напряжением 220 кВ, в районах с
умеренным и холодным климатом. Масса и габариты элегазовых баковых выключателей
позволяют устанавливать их вместо любых типов выключателей, находящихся в
эксплуатации. Так же имеются встроенные трансформаторы тока в вводах.
. По отключающей способности.
отключение периодической составляющей тока КЗ:
=0,01+0,035=0,045 с
=32,7 кА
кА
32,7 кА
- отключение апериодической составляющей тока КЗ:

тогда 
Определим
значение апериодической составляющей тока КЗ для момента времени ф.
Условие,

не
выполняется, так как 20.81 кА 
38,45
кА.
отключение
ассиметричного (полного) тока КЗ:
Согласно
ГОСТ Р52565-06, если выбранный выключатель не проходит по условию отключения
апериодического тока, то допускается проверять его по асимметричному току.
Условие
не выполняется, т.к. 77.38
84.8.
Предварительно
выбранный выключатель не прошел проверку на отключающую способность. Поэтому
примем другой выключатель марки 242 PMG [2, стр. 252].
.
По напряжению установки:
кВ
220кВ
2.
По току утяжеленного режима (послеаварийного) режима установки:
кА
1,806 кА
.
По климатическому исполнению и категории размещения.
Предварительно
принимается выключатель марки 242 PMG [2, стр.252]:
|
Тип
|
, кВ
|
кА
|
кА
|
к кА
|
С
|
С
|
|
242 PMG
|
242
|
4
|
63
|
158
|
0.055
|
0.065
|
. По конструкции
Элегазовый выключатель 242 PMG состоит из трех литых алюминиевых баков с
одним дугогасительным устройством внутри каждого бака, смонтированных на
стальной опорной раме с порошковым покрытием. Каждый бак имеет два ввода со
встроенными трансформаторами тока. К раме крепится шкаф управления,
изготовленный из стали с порошковым покрытием, внутри которого находится
пружинный или пружинно- гидравлический привод, который перемещает главные
подвижные контакты выключателя.
. По отключающей способности.
отключение периодической составляющей тока КЗ:
=0,01+0,055=0,065 с
=32,7 кА
кА
32,7 кА
отключение апериодической составляющей тока КЗ:

тогда 
Определим
значение апериодической составляющей тока КЗ для момента времени ф.
Условие,
не выполняется, так как 21.016 кА 
35,3 кА.
отключение
ассиметричного (полного) тока КЗ:
Согласно
ГОСТ Р52565-06, если выбранный выключатель не проходит по условию отключения
апериодического тока, то допускается проверять его по асимметричному току.
Условие
выполняется, т.к. 110.1
81.5.
.
Проверка на включающую способность.
-
условие выполнено
-
условие выполнено
.
На стойкость к действию токов КЗ.
электродинамическая
стойкость
-
условие выполняется
термическая
стойкость.
=
0,1+0,065=0,165 с
- условие выполняется
Таким образом, окончательно принимается для установки выбранный
элегазовый выключатель типа 242 PMG.
3.4 Выбор
разъединителей
В отличии от выключателей разъединители выбираются только по напряжению и
току утяжеленного режима и проверяются на термическую и динамическую стойкость
по тем же значениям что и выключатели.
Разъединители, так же как и выключатели, устанавливаются во всех цепях
схемы: в линиях электропередач и секционных реакторов - с обеих сторон
выключателя; в цепях генераторов и трансформаторов - с одной стороны
выключателя; при двойной системе сборных шин предусматривается развилка
разъединителей со стороны сборных шин.
Выбор разъединителей для РУ ВН 500 кВ.
. По напряжению установки:
кВ=500 кВ
. По току утяжеленного режима (послеаварийного) режима установки:
. По климатическому исполнению и категории размещения.
Предварительно принимается разъединитель марки РНД3.2 - 500/3200 У1
(Вертикально - поворотные, заземляющих ножей -2) [6, стр.276]:
|
Тип
|
|
|
|
|
РНД3.2 - 500/3200 У1
|
500
|
3.2
|
160
|
. На стойкость к действию токов КЗ.
электродинамическая стойкость
=2,55*160=408 кА
- условие выполняется
- условие выполняется
термическая стойкость.
- условие выполняется
Таким образом, окончательно принимается для установки выбранный
Вертикально - поворотный разъединитель типа РНД3.2 - 500/3200 У1.
Выбор разъединителей для РУ СН 220 кВ.
. По напряжению установки:
. По току утяжеленного режима (послеаварийного) режима установки:
. По климатическому исполнению и категории размещения.
Предварительно принимается разъединитель марки РНД3.2 - 220/2000 У1
(Горизонтально - поворотные, заземляющих ножей -2) [6, стр.276]:
|
Тип
|
|
|
|
|
РНД3.2 - 220/2000 У1
|
220
|
2
|
100
|
. На стойкость к действию токов КЗ.
электродинамическая стойкость
- условие выполняется
- условие выполняется
термическая стойкость.
- условие выполняется
Таким образом, окончательно принимается для установки выбранный
горизонтально - поворотный разъединитель типа РНД - 220/2000 У1.
Выбор разъединителей для генераторной цепи 20 кВ.
. По напряжению установки:
кВ = 20 кВ
. По току утяжеленного режима (послеаварийного) режима установки:
. По климатическому исполнению и категории размещения.
Предварительно принимается разъединитель марки РВП3 - 2 - 20/12500 У3 [6,
стр.276]:
|
Тип
|
|
|
|
|
РВП3 - 2 - 20/12500 У3
|
20
|
12.5
|
490
|
. На стойкость к действию токов КЗ.
электродинамическая стойкость
= 2,55*490=1250 кА
- условие выполняется
- условие выполняется
термическая стойкость.
= 4+0,14=4,14
- условие выполянется
Таким образом, окончательно принимается для установки выбранный
разъединитель типа РВП - 20/12500 У3.
3.5 Выбор
измерительных трансформаторов
Измерительные трансформаторы тока (ТТ) предусматриваются во всех цепях
схемы, как правило, в паре (рядом) с выключателями в виде отдельных (выносных)
или встроенных в выключатели (ТВ).
Наибольшее количество ТТ (4-8 комплектов) предусматривается в цепях
генераторов. Кроме того, на стороне ВН всех силовых трансформаторов установлены
встроенные трансформаторы тока (ТВТ). У автотрансформаторов встроенные ТТ
предусмотрены со всех трех сторон.
Условия выбора ТТ - те же, что и разъединителей, т.е. по напряжению,
току, динамической и термической стойкости, поскольку они включаются в
электрическую цепь последовательно.
Так как в выбранных выключателях на 500 кВ и 220 кВ имеются встроенные
трансформаторы тока (ТВ), которые успешно прошли все проверки вместе с
выключателем, то остается выбрать ТТ для цепи генератора.
Выбор измерительного трансформатора тока для генераторной цепи 20 кВ.
. По напряжению установки:
кВ = 20 кВ
. По току утяжеленного режима (послеаварийного) режима установки:
. По климатическому исполнению и категории размещения.
Предварительно принимается измерительный трансформатор тока марки ТШЛ20Б
- III[6, стр.300]:
|
Тип
|
|
|
|
ТШЛ20Б - III
|
20
|
18
|
. На стойкость к действию токов КЗ.
Ввиду отсутствия данных о электродинамической и термической стойкости ТА,
проверки на стойкость к действию токов КЗ не выполняются
Таким образом, окончательно принимается для установки выбранный ТТ типа
ТШЛ20Б - III.
Измерительные трас-форма горы напряжения (ТН) устанавливаются в узлах
схемы, т.е. на каждой системе сборных шин и по каждой секции, если они
секционированы. Кроме того, ТН устанавливаются на выводах генераторов и в ЛЭП
330 кВ и выше, а также между генераторным выключателем и трансформатором блока
для контроля напряжения при синхронизации генератора питания трансформатора
собственных нужд при пуске и останове блока.
Условия выбора ТН:
номинальное первичное напряжение.
Для 500 кВ -НКФ - 500 - 78 У1.
Для 220 кВ -НКФ - 220 - 58 У1.
Для 20 кВ - ЗНОЛ .06-20 У3.
3.6 Выбор
токопроводов генератора
Соединение генераторов со сборными шинами или повышающими
трансформаторами выполняются закрытыми пофазно экранированными токопроводами.
Такие токопроводы выбираются по мощности генератора и проверяются на
электродинамическую стойкость к действию токов КЗ.
Предварительно
выберем токопровод марки ТЭКН - Е - 20 - 12500 - 400 [6, стр 539], со
следующими параметрами:

.
По напряжению токопровода:
кВ = 20 кВ
. По току утяжеленного режима (послеаварийного) режима токопровода:
. На стойкость к действию токов КЗ.
электродинамическая стойкость
= 2,55+400=1020 кА
- условие выполняется
- условие выполняется
Таким образом, окончательно принимается для установки токопровод типа
ТЭКН - Е - 20 - 12500 - 400.
3.7 Выбор
электрических схем РУ повышенных напряжений
Для РУ - 110 - 220 кВ с большим числом присоединений применяется, как
правило, схема с двумя рабочими и обходной системами шин с одним выключателем
на присоединение (трансформатор или линия). Обе системы шин находятся в работе,
шиносоединительный выключатель включен, трансформаторы и линии равномерно
распределяются (фиксируются) между системами шин. При числе присоединений 12 и
более секционируются обе системы шин. При этом предусматривается два
шиносоединительных, два обходных и два секционных выключателя.
На шины РУ 220 кВ приходиться: 5 присоединений от генераторов, 2
присоединения от АТ связи, 20 присоединений линий связи потребителей. И того 27
присоединений. Для ТЭЦ с таким числом присоединений рекомендована две системы
сборных шин с обходной системой шин и двумя секционированными выключателями.
РУ - 330 кВ и выше, через которые в систему выдается очень большая
мощность, должны быть выполнены исключительно надежно. При относительно
небольшом числе присоединений применяются схемы многоугольников. При большом
числе присоединений преимущественное распространение получила схема с тремя
выключателями на два присоединения (схема 3/2). Если число линий вдвое меньше
или больше числа трансформаторов, наилучшие показатели имеет схема 4/3.
На шины РУ 500 кВ приходиться: 3 присоединения от генераторов, 2
присоединения от АТ связи, 3 присоединения от линий системы. И того 8
присоединений.
Если использовать схему 3/2 то количество выключателей N = (8/2)*3=12 шт. Схема будет
достаточно надежна, но нет возможности её расширения в будущем.
-
Если использовать схему 4/3 то количество выключателей N = (8/3)*4
11 шт. В
этом случае используется не весь ресурс схемы, однако это не отразиться на
надежности. Одновременно с этим появляется возможность дальнейшего расширения
РУ в будущем. Количество выключателей тоже удалось уменьшить на 1, что
экономически достаточно желательно учитывая высокую стоимость высоковольтного
оборудования.
Исходя
из рекомендаций и вышеуказанных рекомендаций, примем схему присоединения 4/3.
Заключение
В данной курсовой работе путем рассмотрения нескольких вариантов была
выбрана наиболее целесообразная, сточки зрения основных качеств электростанции,
и спроектирована структурная схема КЭС, выбрано основное электрооборудование,
определенны электрические схемы РУ повышенных напряжений. В заключении
приведено все выбранное оборудование для каждого класса напряжений,
существующего на станции.
Таблица 7. - Выбранные аппараты для станции КЭС
|
Сеть напряжения
|
Выключатели, тип
|
Разъединители, тип
|
|
20 кВ
|
ВВГ - 20 - 160/12500 - У3
|
РВПЗ - 2 - 20/12500 - У3
|
|
220 кВ
|
242 РМ
|
РНДЗ.2 - 220/2000 - У1
|
|
500 кВ
|
550 PMG
|
РНДЗ.2 - 500/3200 - У1
|
|
20 кВ
|
ТШЛ20Б - III
|
ЗНОЛ.06 - 20 - У3
|
|
220 кВ
|
ТВ - 220
|
НКФ -220 -58 - У1
|
|
500 кВ
|
ТВ - 500
|
НКФ - 500 - 78 - У1
|
Так же, было выбрано силовое оборудование станции:
Генераторы:8
Т3В -350
-2;
Блочные
трансформаторы: 5
ТДЦ -
400000/220, 3
ТДЦ -
400000/500;
Автотрасформаторы
связи: 2
АТДЦН -
500000/500/220.
Список
литературы
1. №3553 «Электрическая часть электростанций». Методические
указания по выполнению курсовой работы «Электрическая часть станций».
. Справочник по проектированию электрических сетей / под ред.
Д. Л. Файбисовича. - 2 -е изд., перераб. и доп. - М.: ЭНАС, 2007. - 352с.: ил.
3. Ульянов С. А. У 51 Электромагнитные переходные процессы в
электрических системах. Учебник для электротехнических и энергетических вузов и
факультетов. М., «Энергия», 1970.
. № 1982 «Разработка принципиальной схемы ТЭЦ и выбор
электрооборудования». Методические указания к курсовому проектированию по
«Производству электроэнергии» для студентов 4 курса ФЭН.
. Э 455 Электромагнитные переходные процессы в электрических
системах: сб. задач/ Е. П. Гусев, А. П. Долгов, Л. И. Пушкарева, А. В.
Коновалов, В. М. Чебан, Э. М. Чекмазов; под ред. В. М. Чебана - Новосибирск:
Изд - во НГТУ, 2007. - 123 с.
7. Электронный ресурс: www.ea.spb/catalog/5/21/
<http://www.ea.spb/catalog/5/21/>
. Электронный ресурс: www. abb.ru