Проектирование электрооборудования электрической части КЭС-820МВт, Uн = 500/220 кВ

  • Вид работы:
    Курсовая работа (т)
  • Предмет:
    Другое
  • Язык:
    Русский
    ,
    Формат файла:
    MS Word
    1,12 Мб
  • Опубликовано:
    2014-12-16
Вы можете узнать стоимость помощи в написании студенческой работы.
Помощь в написании работы, которую точно примут!

Проектирование электрооборудования электрической части КЭС-820МВт, Uн = 500/220 кВ

Государственное автономное профессиональное образовательное учреждение Саратовской области

«Балаковский политехнический техникум»










КУРСОВОЙ ПРОЕКТ

тема: «Проектирование электрооборудования электрической части КЭС-820МВт, Uн = 500/220 кВ»

Содержание

Введение

. Выбор основного оборудования

.1 Выбор и обоснование двух вариантов структурных схем проектируемой электростанции

.2 Выбор генераторов (турбогенераторов)

.3 Выбор блочных трансформаторов

.4 Выбор автотрансформаторов связи

.5 Выбор трансформаторов собственных нужд

.6 Выбор резервных трансформаторов собственных нужд

. Технико-экономическое сравнение двух вариантов структурных схем

.1 Первый вариант структурной схемы

.2 Второй вариант структурной схемы

. Расчет токов трехфазного короткого замыкания

. Выбор электрических аппаратов и токоведущих частей

.1 Выбор отходящих линий на напряжение 220 кВ

.2 Выбор выключателей и разъединителей на напряжение 220 кВ

.3 Выбор измерительных трансформаторов тока и напряжения

.4 Выбор ограничителей перенапряжения

.5 Выбор высокочастотных заградителей

. Описание конструкции распределительного устройства

Литература

Введение

Конденсационная электростанция (КЭС), тепловая паротурбинная электростанция, назначение которой - производство электрической энергии с использованием конденсационных турбин. На КЭС применяется органическое топливо: твёрдое топливо, преимущественно уголь разных сортов в пылевидном состоянии, газ, мазут и т. п. Тепло, выделяемое при сжигании топлива, передаётся в котельном агрегате (парогенераторе) рабочему телу, обычно - водяному пару. КЭС, работающую на ядерном горючем, называют атомной электростанцией (АЭС) или конденсационной АЭС (АКЭС).

Рисунок 1. - Схема конденсационной электростанции на угольном топливе: 1-градирня <#"810485.files/image002.gif">

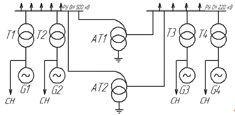
Рисунок 1.1 Первый вариант структурной схемы проектируемой электростанции.

На стороне ОРУ ВН 500 кВ и ОРУ СН 220 кВ используются блоки генератор-трансформатор, связь между РУ ВН и РУ СН осуществляется с помощью автотрансформаторов связи АТ1 и АТ2.

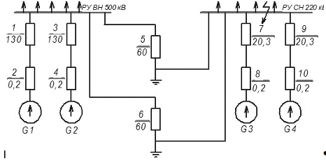
Рисунок 1.2 Второй вариант структурной схемы проектируемой электростанции.

На стороне ОРУ ВН 500 кВ используются блоки генератор-трансформатор, на стороне ОРУ СН 220кВ применяется укрупненный блок, связь между РУ ВН и РУ СН осуществляется с помощью автотрансформаторов связи АТ1 и АТ2. На стороне ВН пять отходящих линий, на стороне СН - четыре.

.2 Выбор генераторов (турбогенераторов)

Генераторы выбираем по заданной в задании мощности.

Принимаем турбогенератор ТГВ-200МТ для мощности 210 МВт и турбогенератор ТГВ-200-2 для мощности 200 МВт.

Таблица 1.1 - Технические данные турбогенератора

Тип генератора

Частота вращения об/мин.

Номинальное значение

Сверхпереходное индуктивное сопротивление, xd”

Система возбуждения

Охлаждение обмоток



Мощность МВА

cos φ

Ток статора, кА

Напряжение статора

КПД, %



Статора

Ротора

ТГВ-200МТ

3000

241

0,8

9,06

15,75

98,6

0,225

ТС (ТН)

Н/водой

НВ

ТГВ-200-2

3000

235,3

0,8

7,55

20

98,6

0,185

ТС (ТН)

Н/водой

НВ


Принимаем генераторы марки ТГВ-200МТ и ТГВ-200-2 [1, табл.2.1]:

Структура условного обозначения

ТГВ-200МТ:

ТГ - турбогенератор;

В - водородно-водяное охлаждение обмоток;

200 - активная мощность, МВт;

МТ - модификация.

Охлаждение обмоток статора турбогенератора ТГВ-200МТ осуществляется непосредственно водой. Данный турбогенератор имеют тиристорную систему возбуждения.

Рассчитаем реактивную мощность


Рассчитаем полную мощность


где  активная мощность генератора;

 реактивная мощность генератора.

Структура условного обозначения

ТГВ-200МТ:

ТГ - турбогенератор;

В - водородно-водяное охлаждение обмоток;

- активная мощность, МВт;

- модификация.

Охлаждение обмоток статора турбогенератора ТГВ-200-2 осуществляется непосредственно водой. Данный турбогенератор имеют тиристорную систему возбуждения.


1.3 Выбор блочных трансформаторов

Блочные силовые трансформаторы выбираем по мощности генератора, в блоке, с которым работает трансформатор, по напряжению статора генератора и по напряжению сборных шин, к которым подключён генератор.


где  - номинальная мощность генератора, МВА;

. номинальная мощность трансформатора, МВА.

Рассчитаем активную мощность трансформатора собственных нужд

,

где Рсн% - активная мощность трансформатора собственных нужд, в процентах от полной мощности установки, принимаем 12% [2, табл.];

 - активная мощность установки;

 - коэффициент спроса для КЭС равен 0,8 [2, табл.].

Рассчитаем реактивную мощность трансформатора собственных нужд

 

где  - активная мощность трансформатора собственных нужд

Рассчитаем полную мощность трансформатора собственных нужд

 

Рассчитаем номинальную мощность блочного трансформатора


Рассчитаем номинальную мощность блочного трансформатора для укрупненного блока

 (2.3.6)


Таблица 1.2. - Технические характеристики трансформаторов для первого варианта структурной схемы, проектируемой электростанции

Позиция

Тип трансформатора

Мощность, МВА

Напряжение, кВ

Потери, кВт

Uk, %

Стоимость, млн. руб




ВН

НН

Рх.х.

Рк.з.



Т1,Т2

ТДЦ - 250000/500

250

525

15,75

205

590

13

13,4

Т3,Т4

ТНЦ - 250000/220

250

242

20

130

660

10,5

11,36


Принимаем трансформаторы марки ТДЦ - 250000/500 [1, табл.3.8].

ТДЦ - 250000/500:

Т - трехфазный;

ДЦ - с принудительной циркуляцией масла и воздуха;

250000 - номинальная мощность трансформатора, МВА;

- класс напряжения стороны ВН, кВ.

Принимаем трансформаторы марки ТНЦ - 250000/220 [1, табл.3.8].

ТНЦ - 250000/220:

Т - трехфазный;

Н - с регулированием напряжения под нагрузкой;

Ц - принудительная циркуляция воды и масла и ненаправленным потоком масла;

 - номинальная мощность трансформатора, МВА;

- класс напряжения стороны ВН, кВ.

Подпись и дата

Таблица 1.3 - Технические характеристики трансформаторов для второго варианта структурной схемы, проектируемой электростанции

Позиция

Тип трансформатора

Мощность, МВА

Напряжение, кВ

Потери, кВт

Uk, %

Стоимость, млн. руб.




ВН

НН

Рх.х.

Рк.з.



Т1,Т2

ТДЦ - 250000/500

250

525

15,75

205

590

13

13,4

Т3

ТНЦ - 630000/220

630

242

20

400

120

12,5

25,83


Принимаем трансформаторы марки ТНЦ - 630000/220 [1, табл.3.8].

ТНЦ - 630000/220:

Т - трехфазный;

Н - с регулированием напряжения под нагрузкой;

Ц - принудительная циркуляция воды и масла и ненаправленным потоком масла;

 - номинальная мощность трансформатора, МВА;

- класс напряжения стороны ВН, кВ.

.4 Выбор автотрансформаторов связи

Рекомендуется устанавливать два автотрансформатора связи, так как проектируемая электростанция является мощной.

Расчетные мощности определяются для трех режимов:

Нагрузка максимальная, в работе все генераторы и трансформаторы.

Нагрузка минимальная, в работе все генераторы и трансформаторы.

Режим отключения 1 энергоблока при максимальной нагрузке потребителя.

Определим мощность в режиме максимальных нагрузок:


где ∑Рг - сумма активной мощности генераторов;

∑Рсн - сумма активной мощности трансформаторов собственных нужд;

Рmax - максимальная нагрузка линий;

∑Qг - сумма реактивных мощностей генераторов;

∑Qсн - сумма реактивных мощностей трансформаторов собственных нужд;

Qmax - максимальная реактивная мощность блочного трансформатора.

Определим мощность в режиме минимальных нагрузок:

где Рmin - минимальная нагрузка линий;

Qmin - минимальная реактивная мощность блочного трансформатора.

Определим мощность в режиме аварийных нагрузок:




где  - максимальная расчетная мощность;

- коэффициент аварийной перегрузки силового трансформатора с учетом 40% нагрузки, принимаем равным 1,4 [4].

В результате расчета выбираем автотрансформатор связи и заносим в таблицу все номинальные параметры.

Таблица 1.4 - Технические данные автотрансформатора связи

Тип АТ

Sн, МВА

Напряжение, кВ

Потери, кВт,

Напряжение КЗ, %

ixx

Стоимость, млн. руб.



ВН

СН

НН

Рк.з

Рх.х.

Uк в-с

Uк в-н

Uк с-н



АТДЦН 50000/500/220

500

500

-

230

1050

220

-

12

-

0,3

26,796


Принимаем автотрансформаторы марки АТДЦН - 500000/500/220 [1, табл.3.8].

АТДЦН - 500000/500/220:

А - автотрансформатор;

Т - трехфазный;

ДЦ - с принудительной циркуляцией масла и воздуха;

Н - с регулированием напряжения под нагрузкой;

500000 - номинальная мощность трансформатора, МВА;

- класс напряжения стороны ВН, кВ.

1.5 Выбор трансформаторов собственных нужд

Трансформаторы собственных нужд выбираются в зависимости от мощностей собственных нужд каждого генератора, при этом должно выполняться условие


Выбранные трансформаторы собственных нужд заносят в таблицу со всеми номинальными параметрами.

Таблица 1.5- Технические данные трансформаторов собственных нужд на генераторное напряжение 15,75 кВ

Тип трансформатора

Sн, МВА

Напряжение, кВ

Потери, кВт,

Напряжение КЗ, %

ixx



ВН

СН

НН

Рк.з

Рх.х.

Uк в-н

Uк нн1-нн2


ТРДНС 25000/35

25

15,75

-

6,3-6,3

115

25

10,5

30

0,65


Принимаем трансформаторы собственных нужд марки ТРДНС - 25000/35 [1, табл. 3.4].

ТРДНС - 250000/35:

Т - трехфазный;

Р - обмотка низшего напряжения расщеплена на две;

Д - масляный с естественной циркуляцией масла и принудительной циркуляцией воздуха;

Н - с регулированием напряжения под нагрузкой;

С - для собственных нужд электростанций;

250000 - номинальная мощность трансформатора, МВА.


Таблица 1.6 - Технические данные трансформаторов собственных нужд на генераторное напряжение 20 кВ

Тип трансформатора

Sн, МВА

Напряжение, кВ

Потери, кВт,

Напряжение КЗ, %

ixx



ВН

СН

НН

Рк.з

Рх.х.

Uк в-н

Uк нн1-нн2


ТРДНС 25000/35

25

20

-

6,3-6,3

115

25

10,5

30

0,65


Принимаем трансформаторы собственных нужд марки ТРДНС - 250000/35

.6 Выбор резервных трансформаторов собственных нужд

Выбор резервных трансформаторов собственных нужд осуществляется по мощности самого мощного трансформатора собственных нужд.

Один резервный трансформатор собственных нужд присоединен к обмотке низкого напряжения автотрансформатора, а второй - к шине среднего напряжения.

Выбранные резервные трансформаторы собственных нужд заносят в таблицу со всеми номинальными параметрами.

Таблица 1.7 - Технические данные резервных трансформаторов собственных нужд на напряжение 220 кВ

Тип трансформатора

Sн, МВА

Напряжение, кВ

Потери, кВт,

Напряжение КЗ, %



ВН

НН

Рх.х.

Uк в-н

Uк нн1-нн2

ТРДНС 32000/35

32

230

6,3-6,3

150

45

11,5

30


Принимаем резервные трансформаторы собственных нужд марки ТРДНС - 320000/35 [1, табл. 3.4].

2. Технико-экономическое сравнение двух вариантов структурных схем

.1 Первый вариант структурной схемы

Определим потери электроэнергии трансформатора подключенного к шинам ВН и СН


где  время эксплуатации, принимаем равным 8760;

 потери холостого хода;

 потери короткого замыкания;

 максимальная мощность нагрузки;

 продолжительность максимальных потерь.

 (3.1.2)

где  установленная продолжительность работы энергоблока

Определим потери электроэнергии в автотрансформаторе связи


где  удельные потери в обмотке ВН;

 удельные потери в обмотке СН;

 наибольшая нагрузка обмотки СН.


где  нагрузка наиболее тяжелого режима, МВА.

Так как автотрансформатор не имеет третичной обмотки, то можно упростить некоторые расчеты


Определим суммарные годовые потери электроэнергии

 (3.1.7)

Определим суммарные годовые потери электроэнергии

 (3.1.8)

Определим годовые эксплуатационные издержки

 (3.1.9)

где  нормативные отчисления на амортизацию, принимаем равным 6,4 [4];

 нормативные отчисления на обслуживание, принимаем равным 2 [4];

 стоимость потерь электроэнергии, принимаем равным 0,5 [4].

Определим общие затраты

, (3.1.10)

  нормативный коэффициент экономической эффективности, принимаем равным 0,12 [4].


.2 Второй вариант структурной схемы

Определим потери электроэнергии трансформатора подключенного к шинам ВН и СН

Определим потери электроэнергии в автотрансформаторе связи

Определим суммарные годовые потери электроэнергии

Определим суммарные годовые потери электроэнергии

Определим годовые эксплуатационные издержки

 

Для сравнения экономических параметров двух вариантов схем составим сравнительную таблицу, в которой указывается все номинальные параметры.

3.  Расчет токов трехфазного короткого замыкания

Расчет токов короткого замыкания проводим для самого экономичного варианта, отвечающего всем нормам электроснабжения.

Рисунок 3.1 Расчетная схема проектируемой электростанции.

Таблица 3.1 - Трансформаторы расчетной схемы

Позиция

Тип трансформатора

Мощность, МВА

Напряжение, кВ

Потери, кВт

Uk, %




ВН

СН

НН

Рх.х.

Рк.з.


Т1,Т2

ТДЦ - 250000/500

250

525

-

15,75

205

590

13

Т3,Т4

ТНЦ - 250000/220

250

242

-

20

130

660

10,5

АТ1, АТ2

АТДЦН 50000/500/220

500

500

-

230

220

1050

12


Таблица 3.2 - Генераторы расчетной схемы

Позиция

Частота вращения об/мин.

Номинальное значение

Сверхпереходное индуктивное сопротивление, xd”



Мощность МВА

cos φ

Ток статора, кА

Напряжение статора


G1,G2

3000

241

0,85

9,06

15,75

0,225

G3,G4

3000

235,3

0,85

7,55

20

0,185


Рассчитаем сопротивление двухобмоточных трансформаторов Т1,Т2

 

где номинальная мощность трансформатора, МВА;

 напряжение высшей обмотки трансформатора, кВ.

Рассчитаем сопротивления генераторов G1, G2

 

где  сверхпереходное сопротивление, о.е.;

напряжение статора, кВ;

номинальная мощность генератора, МВА.

Рассчитаем сопротивление автотрансформаторов АТ1,АТ2.

Так как наш автотрансформатор не имеет третичной обмотки, то его расчет производится как для двухобмоточного трансформатора по формуле (4.1).

Рассчитаем сопротивление двухобмоточных трансформаторов Т3,Т4

по формуле (4.1).

Рассчитаем сопротивления генераторов G3, G4 по формуле (4.2).

Рисунок 3.2 Схема замещения.

Для расчета схемы замещения воспользуемся формулами последовательного и параллельного соединения резисторов.


Рисунок 3.3 Упрощенная схема замещения проектируемой электрической станции.



Рисунок 3.4 Упрощенный вид схемы замещения проектируемой электрической станции.


Рисунок 3.5 Простейший вид схемы замещения.

Определим начальное действующее значение периодической составляющей тока трехфазного короткого замыкания.


Определим ударный ток короткого замыкания

,

где  ударный коэффициент, принимаем равным 1,75 [2, табл. 3.6].

Определим апериодическую составляющую тока короткого замыкания

 

Собственное время отключение () для выключателя ВЭБ-220 составляет 0,025 с [2, табл. 3.6].

 (4.6)

Ta = 0.02;

Определим номинальный ток источника по формуле:

,

 

Определим значение периодической составляющей для момента времени τ

 

 - коэффициент периодической составляющий тока, принимаем равным 1, т.к. отношение  [2, рисунок 3,8].


Таблица 3.3 - Результаты расчётов токов короткого замыкания

Расчётные значения

Е

Значение сверхпереходных Э.Д.С. - , (о.е.)

= 2,26; = 2,26;

Значение периодической составляющей в начальный момент времени , (кА)

Ударный коэффициент -

1,75

Значение ударного тока - , (кА)

Номинальный ток источника питания - , (кА)

Значение коэффициента

1

Значение периодической составляющей в момент времени τ - , (кА)

Значение апериодической составляющей в момент времени τ -, (кА)


4. Выбор электрических аппаратов и токоведущих частей

.1 Выбор отходящих линий на напряжение 220 кВ

Определим нормальный ток (Iнорм)

 

 число отходящих линий;

 число трансформаторов на линии;

 номинальное напряжение линии, кВ;

 номинальная нагрузка цепи линии, МВА.

Определим максимальный ток (Imax).


Гибкие провода применяются для соединения блочных трансформаторов с ОРУ. Провода линий электропередач напряжением более 35 кВ проверяются по экономической плотности тока.


где  экономическая плотность тока, принимается равной 1 А* [4]

Определим марку провода, сечение и Iдоп [4].

Принимаем марку провода 2×АС-120/19, q=117 мм2, d=14 мм, Iдоп =390 А.

Произведем проверку по нагреву:

 

,25<2*390;

,25А < 780А;

Фазы расположены горизонтально, принимаем D=300 см [4],

Проверка на схлестывание.

Проверку на схлестывание не производим, так как  < 20 кА.

 кА < 20 кА;

Проверка на термическую стойкость не производится, так как отходящие линии выполнены голыми проводами на открытом воздухе.

Проверка по условию коронирования.

Определим начальную критическую напряженность.

 

где m-коэффициент, учитывающий шероховатость поверхности провода принимаем равным 0,82;

.

Напряженность электрического поля вокруг расщепленных проводов определяется по формуле


где  коэффициент, учитывающий число проводов n в фазе;

 эквивалентный радиус расщепленных проводов;

 среднегеометрическое расстояние между проводами фаз.

к=1+2

rэкв= (5.1.8) rэкв= см;


к=1+2

Провода не будут коронировать, если будет выполняться условие


,067 < 30,3525.

.2 Выбор выключателей и разъединителей на напряжение 220 кВ

Таблица 4.1 - Технические характеристики выключателей.

Расчетные данные

Каталог

Условие выбора


ВЭБ-220


Uном = 220 кВ

Uном сети = 220 кВ

Uном сети ≤ Uном

 

 3150 А

 

 

 50 кА

 

 

 

 

 

 

 

 

 

 

Вк = кА2

 

Вк


Структура условного обозначения

ВЭБ-220:

В - выключатель;

Э - элегазовый;

Б - баковый;

Вк = , (5.2.1)


Вк = ;

Расчетные данные

РН-СЭЩ 220

Uном = 220 кВ

Uном сети = 220 кВ

Uном сети ≤ Uном

 

 3200 А

 

 

 

 

Вк = кА2

 

Вк

Структура условного обозначения

РН-СЭЩ 220:

РН - разъединитель наружной установки;

СЭЩ - товарный знак;

220 - номинальное напряжение.

.3 Выбор измерительных трансформаторов тока и напряжения

Расчетные данные

ТГФМ-220

Uном = 220 кВ

Uном сети = 220 кВ

Uном сети ≤ Uном

 

 600 А

 

 

 

 

Вк = кА2

 

Вк

 5 А

 

 

Принимаем трансформатор тока ТГФМ-220 [4].

Определим сопротивление прибора (rприб)


где ;

 номинальный ток вторичной обмотки измерительного трансформатора тока.



где  сопротивление самого мощного прибора;

 сопротивление проводов;

сопротивление контактов.


Рассчитаем сечение провода


где расчетная длина провода, выбирается по схеме включения;

 удельное сопротивление проводов, принимаем равным 0,0175 [4].

Схема включения - неполная звезда


длина провода, принимаем равным 100 м [4].

 

 1,76

Полученное значение округляем до 2,5 мм, так как жилы медные.

Выбор трансформатора напряжения для присоединения приборов в цени трансформатора.

Трансформаторы напряжения необходимы для преобразования высокого напряжения в низкое, в измерительных цепях и цепяхРЗиА. Применение трансформатора напряжения позволяет изолировать логические цепи защиты и цепи измерения от цепи высокого напряжения.

,


.4 Выбор ограничителей перенапряжения

Ограничитель перенапряжения выбирается по напряжению. При этом должно выполняться условие:


.5 Выбор высокочастотных заградителей

Выбор высокочастотных заградителей производим в табличной форме

Расчетные данные

ВЗ - 630 - 0,5У1

Uном = 220 кВ

Uном сети = 220 кВ

Uном сети ≤ Uном

 

 630 А

 

 

 

 

Вк = кА2

 

Вк

Все номинальные значения выбираем из каталогов [4].

Определим термическую стойкость по формуле:

.

5. Описание конструкции распределительного устройства

На напряжение 500 кВ принимаем схему 4/3.

Трансформация напряжения осуществляется за счет трансформаторов ТНЦ - 250000/500.

Для связи РУ 500 кВ и РУ 220 кВ используются автотрансформаторы АТДЦН 50000/500/220.

На среднем напряжении 220 кВ принята схема с двумя рабочими системами шин и одной обходной. Рабочие ячейки состоят из выключателей типа ВЭБ-220, разъединителей типа РН-СЭЩ 220 трансформаторов напряжения типа НКФ-220-58 У1 и трансформаторов тока типа ТГФМ-220.

Трансформация напряжения осуществляется за счет трансформаторов ТНЦ - 250000/220.

Для питания собственных нужд используются трансформаторы ТРДНС 25000/35.

Для резервного питания собственных нужд используются трансформаторы ТРДНС 32000/35.

Для защиты шин и обмоток трансформаторов от перенапряжений устанавливаем ограничители перенапряжения типа HS PEXLIM P-T. Для предотвращения потерь ВЧ сигнала на шинах электростанции, блокировки ВЧ сигналов от соседних источников и поддержания определенного значения высокочастотных параметров линии электропередачи на электростанции используются высокочастотные заградители типа ВЗ - 630 - 0,5У1.

электростанция генератор трансформатор перенапряжение

Литература

1.      Неклепаев Б.Н., Крючков И.П. Электрическая часть электростанций и подстанций (Справочные материалы для курсового и дипломного проектирования). - М.: Энергоатомиздат, 1989.

2.      Рожкова Л.Д., Корнеева Л.К., Чиркова Т.В. Электрооборудование электрических станций и подстанций. - М.: Энергоатомиздат, 2005.

3.      Рожкова Л.Д., Козулин В.С. Электрооборудование электрических станций и подстанций. - М.: Энергоатомиздат, 1987.

4.      Морковкина Е.Ю. «Справочные материалы для курсового и дипломного проектирования», 2014.

Похожие работы на - Проектирование электрооборудования электрической части КЭС-820МВт, Uн = 500/220 кВ

 

Не нашли материал для своей работы?
Поможем написать уникальную работу
Без плагиата!
Без нейросетей!