|
Тип
ВЗ
|
Uном, кВ
|
Iном., А
|
Тип
разрядника
|
Номер
диапазона
|
Граница
диапазона, кГц
|
|
ВЗ-1250-0,5У1
|
110-500
|
1250
|
РВО-6
|
2
|
43-57
|
Выбор конденсаторов связи
Принимаем к установке в цепи линий 220 кВ
конденсатор связи типа СМР-166/√3-14
Описание открытого
распределительного устройства
Открытое распределительное устройство 500 кВ
выполнено по схеме: «Схема с двумя системами шин и тремя выключателями на две
цепи». Открытое распределительное устройство 220 кВ выполнено по схеме: «Схема
с двумя рабочими и одной обходной системами шин». На ОРУ 220 кВ установлены:
разъединители серии РНДЗ.1-220/1000 У1;
воздушные выключатели типа ВВБ - 220Б -31,5/2000 У1; трансформаторы тока типа
ТФЗМ-220/3200 У1; трансформаторы напряжения типа ТФЗМ-220Б-I
T1. К измери-тельным
трансформаторам присоединены приборы, с помощью которых осущест-вляется
контроль за электрическими параметрами. Для предотвращения грозовых и
внутренних перенапряжений на ОРУ 220 кВ установлены ограничители
пере-напряжения: ОПН-220ХЛ 1 (IV).
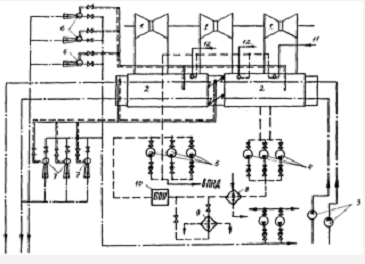
Для обеспечения передачи сигналов противоаварийной автоматики, релейной защиты,
телефонной связи высокой час-тоты по фазному проводу применены высокочастотные
заградители серии ВЗ-1250-0,5У1.
Выбор релейной защиты
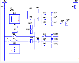
Для одновременного включения и отключения всех
трех фаз выключателя как дистанционно ключом управления, так и от автоматики
обмотки контакторов включения KMA
- KMC и электромагнитов
отключения YATA - YATC
всех трех приводов соединяются в схеме управления параллельно Блок - контакты
каждой фазы выключателя в цепях включения и отключения также соединяются
параллельно.
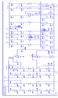
Рисунок 8.1 - Схема управления выключателем с
пофазным приводом.
На рисунке 8.1 показана такая схема управления с
общим релейным контролем цепей и релейной блокировкой от многократных включений
на короткое замыкание и контактором KMF
защиты электромагнитов.
Сети 110 - 220 кВ работают с эффективно
заземленной нейтралью поэтому токи короткого замыкания на землю могут превышать
трех фазный ток короткого замыкания и подлежит отключению с минимально
возможной выдержкой времени.
Воздушные и смешанные линии должны иметь АПВ, в
ряде случаем если применяется выключатель, выполненный с пофазным управлением
применяется пофазное отключение и АПВ, что позволяет отключать только
поврежденную фазу без отключения нагрузки.
Линии высокого напряжения работают с большими
токами нагрузки, поэтому на транзитных линиях, которые могут перегружаться
применяется дистанционная зашита. На тупиковых линиях можно обойтись токовыми
защитами.
В большинстве случаев не допускается чтобы
зашита срабатывала при перегрузках. Согласно ПУЭ зашита от перегрузок должна
применятся в тех случаях если длительное протекание тока составляет более 20
минут зашита от перегрузки должна действовать на разгрузку оборудования разрыв
транзита отключение нагрузки и только в последнюю очередь но отключение.
Линии высокого напряжения имеют значительную
длину что усложняет поиск места повреждения, поэтому линии должны оснащаться
устройством определения расстояния до места повреждения средством ОМП должны
оснащаться линии длинной 20 километров и больше.
Токовые и дистанционные зашиты выполняются
ступенчатыми, количество ступеней не меньше трех. Во многих случаях все зашиты
можно выполнить на базе одного устройства. Выход из строя одного устройства
останавливает оборудование без зашиты. Поэтому линии высокого напряжения
целесообразно выполнять из двух комплектов, второй комплект резервный при
наличие второго комплекта можно не иметь АПВ и ОМП. Устройство зашиты
высоковольтной линии должно иметь УРОВ.
Все высоковольтные линии должны быть снабжены
комплектами зашит и автоматики которые выполняют следующие функции:
защита от межфазных и однофазных коротких
замыканий;
пофазное или трехфазное АПВ;
защита от перегрузки;
УРОВ;
определение места повреждения;
регистрация сигналов зашиты и автоматики.
устройства зашиты должны резервироваться или
дублироваться;
для линий имеющих выключатель с пофазным
управлением необходимо иметь защиту от не полнофазного режима действующее на
отключение своего и смежного выключателя.
Токовая отсечка применяется от межфазных и
трехфазных коротких замыкании, зона действия определяется местом подключения
ГПП, защита не должна действовать за её пределами.
Достоинства: быстродействие, простота в
эксплуатации и высокая надежность.
Недостатки: не полное охватывание зоны действия
всей длины линии, непостоянство зоны защиты из-за изменяющихся режимов работы
системы.
Направленная МТЗ от трехфазных коротких
замыканий. Ток срабатывания необходимо отстраивать от тока нагрузки после
аварийным режимом при отключение короткого замыкания и токов возникших в
неповрежденной фазе при коротком замыкании на землю.
Защита нулевой последовательности от замыканий
на землю.
Защита чаще всего выполняется трехступенчатой. В
схемах все защиты могут быть направленными кроме последней ступени, в качестве
реле направления мощности устанавливается реле типа РБМ которое будет
реагировать на мощность.
В схемах защиты нулевой последовательности все
ступени отстраиваются от тока замыкания на землю в фиксируемой точке, которая
определяется исходя из конфигурации ЛЭП.
АПВ - значительная часть повреждений при
достаточном быстром срабатывании защиты самоустраняется (схлёстывание проводов,
перекрытие изоляции перенапряжение) также повреждения называются неустойчивыми
электрическая дуга, возникшая в месте повреждения быстро гаснет, не успев
вызвать существенное разрушение которое препятствовало бы повторному включению
под напряжение, неустойчивое повреждение составляют 50-90%. Поиск места
повреждения линии осуществляется путём обхода персоналом и требует длительное
время, поэтому при ликвидации аварии оперативный персонал производит
опробование линии путём включения её под напряжение это действие называется
повторным включение. Если линия на которой произошло неустойчивое повреждение
при повторном включении остаётся в работе то такое повторное включение
называется успешным.
Если линия отключилась вновь от релейной защиты
такие повреждения называются устойчивыми.
Повторное не автоматическое включение выполняется
персоналом через 0,5-1 час, поэтому согласно ПУЭ обязательно при АПВ на всех
воздушных линиях и смешенных линиях напряжения больше 1кВ длительность АПВ
0,3-0,5 секунд.
АПВ восстанавливает нормальную схему также в тех
случаях, когда отключение выключателя происходит в следствии ошибки персонала
или ложного срабатывания релейной защиты. Наибольший эффект применения АПВ на
линиях с односторонним питанием. В кольцевых сетях отключения одной линии не
приводит к перерыву питания потребителей, но применение АПВ целесообразно, так
как ускоряется ликвидация аварии.
Расчёт заземляющих устройств
Заземляющее устройство выполняется
общим для ОРУ - 500кВ и ОРУ - 220кВ и состоит из вертикальных заземлителей,
расположенных по периметру ОРУ, продольных и поперечных полос, образующих
заземляющую выравнивающую сетку.
Рисунок 10 - Выравнивающая сетка
для ОРУ-500 кВ (рис. 3): шаг ячейки
- 28 м; длина - 186 м; число ячеек (определяется из схемы по числу
присоединений);
для ОРУ-220 и 110 кВ: шаг ячейки -
12 м; длина - 24 м; число ячеек (определяется из схемы по числу присоединений);
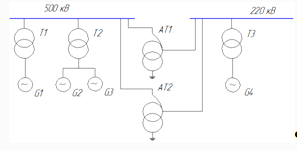
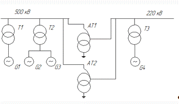
Рисунок 10.1 - Главная схема КЭС
Заземляющая сетка представлена на рисунке 9.
Рисунок 10.2 - План заземляющей сетки ОРУ
500/220 кВ
Заземляющая сетка состоит из:
а) 4 полос, l
= 250 м - продольные полосы;
б) 16 полос, l
= 140 м - продольные полосы;
в) 11 полос, l
= 30 м - поперечные полосы;
г) 15 полос, l=
190 м - поперечные полосы.
Площадь заземляющего устройства:
(10.1)
Общая длина полос сетки:
(10.2)
Периметр сетки:
(10.3)
Число вертикальных заземлителей:
,
(10.4)
где Р - периметр сетки;
а - расстояние между вертикальными
заземлителями.
.
В месте сооружения ОРУ грунт
Суглинок с удельным сопротивлением верхнего слоя
= 110 Ом м, нижнего слоя
= 30 Ом · м.
С учётом промерзания грунта расчетное удельное
сопротивление верхнего слоя находится по формуле:
(10.5)
где Кс = 1,15 - 1,45 - коэффициент
сезонности.
Расчёт заземляющего устройства
производится по допустимому напряжению прикосновения, которое определяется
временем отключения однофазных коротких замыканий на землю на территории ОРУ.
В связи с работой резервных релейных
защит tот = 0,1 сек,
тогда Uпр.доп.=500В.
Ток однофазного короткого замыкания на землю:
(10.6)
где Iпо(3)
- принимается из расчётов токов короткого замыкания.
.
Коэффициент напряжения прикосновения:
, (10.7)
где lв
= 5 м - длина вертикального заземлителя;
S = 29900 м2
- площадь заземляющего устройства;
А = 10 м - расстояние между вертикальными
заземлителями;
М = 0,75 - параметр, зависящий от
;
- коэффициент, определяемый по
сопротивлению тела человека
Rчел = 1000 Ом и
сопротивлению растекания тока от ступней Rc по формуле:
где Rчел=1000
Ом - сопротивление тела человека;
Rс
- сопротивление растекания тока от ступней, Ом.
=
из формулы (7):
Потенциал на заземлителе:
(10.10)
Допустимое сопротивление заземляющего
устройства:
(10.11)
Сторона модели:
(10.12)
Число ячеек сетки на стороне
квадрата:
(10.13)
где Lr
- общая длина полос,м
Принимаем m=20
шт.
Длина полос в расчётной модели:
(10.14)
Длина сторон ячеек модели:
(10.15)
Число вертикальных заземлителей модели:
(10.16)
Общая длина вертикальных заземлителей модели:
(10.17)
Относительная глубина заземлителей:
(10.18)
Так как tотн
=0,033<0,1, то
Определим эквивалентное удельное сопротивление
слоёв:
(10.20)
где
- удельное сопротивление нижнего
слоя
(10.21)
Сопротивление заземляющего устройства:
(10.22)
где А - общее сопротивление сложного
заземлителя, Ом·м
Число вертикальных заземлителей модели:
(10.16)
Общая длина вертикальных заземлителей модели:
(10.17)
Относительная глубина заземлителей:
(10.18)
Так как tотн
=0,033<0,1, то
Определим эквивалентное удельное сопротивление
слоёв:
(10.20)
где
- удельное сопротивление нижнего
слоя
(10.21)
Сопротивление заземляющего устройства:
(10.22)
где А - общее сопротивление сложного
заземлителя, Ом·м
Расчет молниезащиты
Определяем максимальное импульсное
напряжение, возникающее в молниеотводе при прямом попадании на уровне
защищаемого здания:
Uи=
∙(rи+
), ( 11.1)
где Ip.max - максимальный ток молний, равен 150 кА;
hx - высота здания, принимаем 5 м;
rи - импульсное
сопротивление заземлителя, равно 10 Ом.
Uи=
∙(10+
)
=1588,5 кВ.
Определяем расстояние по воздуху
между молниеотводом и защитным зданием:
Uи=
, (11.2)
где EВ - напряженность электрического поля при котором происходит пробой
электрического промежутка, принимаем 500 кВ/м.
Uи=
= 3,2 м.
Определяем приблизительный радиус
защиты:
rз=rвозд+
∙l, (11.3)
где l - длина здания, принимаем 20 м.
rз=3,5+
∙20=10,2 м.
Определяем высоту молниеотвода:
h=
+
,
(11.4)=
+
= 13,7 м.
Определяем зону действия защиты на
уровне здания:
rх.зд =1,6h∙
, (11.5)
rх.зд =1,6∙13,7∙
= 10,2 м.
Берут два молниеотвода, так как
здание не попадает под защиту одного молниеотвода. Определяем коридор защиты:
вх =4∙ rx∙
,
(11.6)
где rx=rз - радиус защиты на уровне высоты защищаемого здания,10,2м;
ha - активная часть молниеотвода;
а - расстояние между молниеотводами;
hx - высота здания, принимаем 7 м.
ha = h- hх =13,7-5=8,7 м,
а=2∙ rвозд+1=2∙3,3+20=26,6 м,
вх=4∙10,2∙
=14,7 м.
На рисунке 11.1 представлена зона
молниезащиты
Рисунок 11.1 - Зона молниезащиты
Строительство объектов продолжается
5 лет. Инвестирование проекта осуществляется за счет собственных и заемных
средств. Разбиваем полученные суммы капитальных вложений по годам
строительства.
Распределение капитальных вложений
по годам следующее:
- первый год - собственные средства
- 30% от общей суммы капитальных затрат;
второй год - собственные средства -
25% от общей суммы капитальных затрат;
третий год - собственные средства -
20% от общей суммы капитальных затрат;
четвертый год - заемные средства -
15% от общей суммы капитальных затрат;
пятый год - заемные средства - 10%
от общей суммы капитальных затрат.
Шаг 0:
Шаг 1:
Шаг 2:
Шаг 3:
Шаг 4:
Полученные результаты расчётов
вносим в первую строку таблицы приложения А.
Плата за кредит составляет 25%
годовых. Погашение кредита начинается на шестой год после начала строительства.
Погашение кредита производится равными долями по 20% в течение пяти лет.
Сумма долга по кредиту составляет:
Определяем сумму ежегодных платежей
в счёт погашения суммы долга по кредиту:
Шаг 5:
Шаг 6:
Шаг 7:
Шаг 8:
Шаг 9:
Результаты расчётов заносим во
вторую строку таблицы приложения А.
Расчёт суммы процентов за кредит
ведётся с учётом того, что первые три года были использованы только собственные
заемные средства, далее сумма процентов за кредит составит:
3 год - 25% от суммы капитальных
вложений сделанных в этом году.
4 и 5 год - 25% от суммы капитальных
вложений сделанных в предыдущем и настоящем году.
- 6 год и до полного погашения
процентные платежи за кредит ежегодно будут снижаться на 20 процентных пунктов,
в результате постепенного погашения основной суммы долга по кредиту.
Определяем сумму процентов за
кредит:
Шаг 2:
Шаг 3:
Шаг 4:
Результаты расчетов оформляем в
третьей строке таблицы приложения А.
Расчёт отчислений на
эксплуатационное обслуживание производится из расчёта 8% от всех капитальных
вложений, сделанных за предыдущие годы.
Шаг 2: (
)∙6,4% = 5388,48 тыс. руб.,
Шаг 3: (
+
+
+
)∙6,4%
= 6466,176 тыс. руб.,
Шаг 4: (
+
+
+
+
)∙6,4% =
=7184,64 тыс. руб.,
Результаты расчётов записываем в
четвёртую строку таблицы приложения А Тариф на производимую электроэнергию для
первого года принимаем 1,96 руб/кВт∙ч, с условием, что в последующие годы
он растет
Шаг 0:1,400 руб./кВтч,
Шаг 1: 1,96+(1,96∙10%)=1,540
руб./кВтч,
Шаг 2: 2,156+(2,156∙10%)=1,694
руб./кВтч,
Шаг 3: 2,371+(2,371∙10%)=1,863
руб./кВтч,
Шаг 4: 2,608+(2,608∙10%)=2,050
руб./кВтч,
Результаты заносим в пятую строку
таблицы приложения А.
Определяем время максимальных потерь
по формуле:
,
(12.3)
где - Тнб - количество
часов работы генератора в году, ч.
Суммарные годовые потери
электроэнергии:
Частичная эксплуатация объекта
начинается через два года после начала строительства, при этом отпуск
электроэнергии потребителям осуществляется по следующей схеме:
Первый год эксплуатации - 40% от
расчетного количества электроэнергии.
Второй год - 60% от расчетного
количества электроэнергии.
Третий год - 85% от расчетного
количества электроэнергии.
Четвертый год и все последующие годы
- 100% от расчетного количества электроэнергии.
Определяем затраты на производимую
электроэнергию по формуле
,
(12.4)
где
- установочная максимальная мощность генератора, МВт;
Тнб - количество часов
работы генератора в году, ч.;
-
суммарные потери электроэнергии, кВт∙ч;
-
себестоимость производимой электроэнергии, руб/кВт∙ч;
-
коэффициент, учитывающий изменение объема производимой электроэнергии по годам.
Результаты расчетов заносим в шестую
строку таблицы приложения А.
Рассчитаем общие затраты (без
капиталовложений) путем суммирования основного долга по кредиту, процентов за
кредит, отчислений на эксплуатационное обслуживание и затрат на производство
электроэнергии.
Тариф на реализуемую электроэнергию
для первого года принимаем 2,28 руб/кВт∙ч, с условием, что в последующие
годы он растет на 10% в год.
Шаг 0:1,66 руб./кВтч,
Шаг 1: 2,28+(2,28∙10%)=1,826
руб./кВтч,
Шаг 2: 2,508+(2,508∙10%)=2,009
руб./кВтч,
Шаг 3: 2,759+(2,759∙10%)=2,209
руб./кВтч,
Шаг 4: 3,035+(3,035∙10%)=2,430
руб./кВтч,
Результаты заносим в восьмую строку
таблицы приложения А.
Выручка от реализации электроэнергии
для проектируемого объекта определяется по формуле:
,
(12.5)
где
- тариф на реализуемую электроэнергию, руб/кВт∙ч;
(12.6)
Результаты расчётов оформляем в
девятой строке таблицы приложения А.
Приведённый эффект на каждом шаге
расчёта определяем путём вычитания общих затрат (без капиталовложений) из
выручки от реализации электроэнергии.
Коэффициент дисконтирования для
проектируемого объекта определяется по формуле:
,
(12.7)
где
- норма дисконта, принимаем равной 0,15;
-
номер шага расчета.
Так как капитальные вложения в
проект осуществляются только на первых шагах его реализации, то чистый
дисконтированный доход определяется по формуле:
(12.8)
где
=0,1,2, ...Т - номер шага расчета;
-
результаты, достигаемые, тыс. руб.;
-
затраты за вычетом капитальных вложений, тыс.руб.;
-
коэффициент дисконтирования;
-
сумма дисконтированных капиталовложений в проект;
где
- капитальные вложения на t-ом шаге расчета.

В результате проведённых расчётов я
выяснил, что капитальные вложения в основное оборудование проектируемой КЭС,
составляют
тыс.
руб.
Первоначальные и другие затраты в
проектируемой КЭС перекрываются суммарными результатами на пятый год после
начала строительства электрической станции, то есть на третий год с начала
частичной эксплуатации с выработкой электроэнергии 85% от расчётного количества.
При этом чистый дисконтированный доход в первый год окупаемости электростанции
составляет
тыс.
руб.
Охрана
труда
Электрооборудование, токоведущие части,
изоляторы, крепления, ограждения, несущие конструкции, изоляционные и другие
расстояния должны быть выбраны и установлены таким образом, чтобы:
вызываемые нормальными условиями работы
электроустановки усилия, нагрев, электрическая дуга или иные сопутствующие ее
работе явления (искрение, выброс газов) не могли причинить вред обслуживающему
персоналу, а также привести к повреждению оборудования и возникновению
короткого замыкания (КЗ) или замыканию на землю;
при нарушении нормальных условий работы
электроустановки была обеспечена необходимая локализация повреждений, обусловленных
действием КЗ;
при снятом напряжении с какой - либо цепи
относящиеся к ней аппараты, токоведущие части и конструкции могли подвергаться
безопасному техническому и ремонту без нарушения нормальной работы соседних
цепей;
была обеспечена возможность удобного
транспортирования оборудования.
Сетчатые и смешанные ограждения
токоведущих частей и электрооборудования должны иметь высоту над уровнем
планировки для ОРУ и открыто установленных трансформаторов 2 или 1,6 м, а над
уровнем пола для ЗРУ и трансформаторов, установленных внутри здания, 1,9 м;
сетки должны иметь отверстия размером не более 25x25 мм, а также приспособления
для запирания их на замок. Нижняя кромка этих ограждений в ОРУ должна
располагаться на высоте 0,1 - 0,2 м, а в ЗРУ - на уровне пола.
Применение барьеров допускается при
входе в камеры выключателей, трансформаторов и других аппаратов для их осмотра
при наличии напряжения на токоведущих частях. Барьеры должны устанавливаться на
высоте 1,2 м и быть съемными. При высоте пола камер над уровнем земли более 0,3
м необходимо оставить между дверью и барьером расстояние не менее 0,5 м или
предусмотреть площадку перед дверью для осмотра.
Применение барьеров в качестве
единственного вида ограждения токоведущих частей недопустимо.
По спланированной территории ОРУ и
подстанций должен быть обеспечен проезд для автомобильного транспорта с
улучшением в случае необходимости грунтовой поверхности твердыми добавками или
засевом трав.
Ширина проезжей части
внутриплощадочных дорог должна быть не менее 3,5м. При определении габаритов
проездов должны быть учтены размеры применяемых приспособлений и механизмов в
соответствии.
Средства индивидуальной защиты в
электроустановках напряжением до 1000В:
к основным средствам индивидуальной защиты
относятся: изолирующие штанги; изолирующие электроизмерительные клещи;
указатели напряжения; диэлектрические перчатки; слесарно - монтажный инструмент
с изолированной рукояткой.
к дополнительным средствам индивидуальной защиты
до 1000В относятся: диэлектрические калоши; ковры; переносные заземления;
изолирующие подставки и накладки; оградительные устройства; плакаты и знаки
безопасности.
Средства индивидуальной защиты в
электроустановках напряжением выше 1000В:
к основным средствам индивидуальной защиты
относятся: изолирующие штанги; клещи диэлектрические; указатели напряжения;
изолирующие устройства и приспособления для работ на воздушной линии;
к дополнительным средствам индивидуальной защиты
относятся: диэлектрические перчатки; боты; ковры; колпаки; индивидуальные и
коронирующие комплекты; переносные заземления; изолирующие подставки и
накладки;
- оградительные устройства; знаки безопасности.
Средства защиты работающих в зависимости от
характера их применения подразделяют на две категории:
коллективной защиты;
индивидуальной защиты.
Электрозащитные средства коллективной защиты в
защиты от назначения подразделяют на классы:
от повышенного уровня электромагнитных и
электрических полей;
от повышенной напряженности магнитных и
электрических полей;
от поражения электрическим током;
от повышенного уровня статического
электричества.
К средствам защиты от повышенного уровня
электромагнитных излучений относятся:
оградительные устройства;
защитные покрытия;
герметизирующие устройства;
устройства автоматического контроля и
сигнализации;
устройства дистанционного управления;
знаки безопасности.
К средствам защиты от повышенной напряженности
магнитных и электрических полей относятся:
оградительные устройства;
защитные заземления;
изолирующие устройства и покрытия;
знаки безопасности.
К средствам защиты от поражения электрическим
током относятся:
оградительные устройства;
устройства автоматического контроля и
сигнализации;
изолирующие устройства и покрытия;
устройства защитного заземления и зануления;
устройства автоматического отключения;
устройства выравнивания потенциалов и понижения
напряжения;
устройства дистанционного управления;
предохранительные устройства;
молниеотводы и разрядники;
знаки безопасности.
К средствам защиты от повышенного уровня
статического электричества относятся:
заземляющие устройства;
нейтрализаторы;
увлажняющие устройства;
антиэлектростатические вещества;
экранирующие устройства.
Средства индивидуальной защиты (СИЗ)
предназначены для защиты головы (защитные каски); глаз и лица (защитные очки и
щитки); органов дыхания (противогазы и респираторы) рук (рукавицы) и от падения
с высоты (предохранительные пояса и страховочные канаты).
Требования к персоналу II
группы по электробезопасности:
элементарные технические знания об
электроустановке и оборудовании;
отчетливое представление об опасности
электрического тока, опасности приближения к токоведущим частям;
знание основных мер предосторожности при работах
в электроустановках;
практические навыки оказания первой медицинской
помощи.
На ряду с применением технических методов и средств
электробезопасности важное значение для снижения электротравматизма имеет
четкая организация эксплуатации электроустановок и электросетей,
профессиональная подготовка работников, сознательная производственная и
трудовая дисциплина
К работам на электроустановках допускаются лица,
достигшие 18 лет, прошедшие инструктаж и обучение безопасным методам труда.
Весь персонал, допущенный к эксплуатации электроустановок, в соответствии с
занимаемой должностью и применительно к выполняемой работе аттестуется присвоением
квалификационной группы по электробезопасности (I
- V).
К организации безопасной работы на
электроустановках относится также документальное оформление работы, допуск к
работе, надзор во время работы. Оформление разрешения на проведение работ в действующих
электроустановках может быть выполнено в виде наряда, распоряжения или перечня
работ.
Требования к персоналу III
группы по электробезопасности:
элементарные познания в общей электротехнике;
знание электроустановки и порядка ее
технического обслуживания;
знание общих правил техники безопасности, правил
допуска к работе, и специальных требований, касающихся выполняемой работы;
умение обеспечить безопасное ведение работы и
вести надзор за работающими в электроустановках;
знание правил освобождения пострадавшего от
действия электрического тока, оказание первой медицинской помощи и умение
практически оказывать ее пострадавшему.
Требования к персоналу IV
группы по электробезопасности:
знание электротехники в объеме
специализированного профессионального училища;
полное представление об опасности при работах в
электроустановках;
знание настоящих правил, правил технической
эксплуатации электрооборудования, устройства электроустановок и пожарной
безопасности в объеме занимаемой должности;
знание схем электроустановок и оборудования
обслуживаемого участка, знание технических мероприятий, обеспечивающих
безопасность работ;
умение проводить инструктаж, организовывать
безопасное проведение работ, осуществлять надзор за членами бригады;
знание правил освобождения пострадавшего от
действия электрического тока, оказания первой медицинской полмощи и умение
практически оказать ее пострадавшему;
умение обучать персонал правилам техники
безопасности, практическим приемам оказания первой медицинской помощи.
Требования к персоналу V
группы по электробезопасности:
знание схем электроустановок, компоновки
оборудования технологических процессов производства;
знание настоящих правил, правил пользования и
испытаний средств защиты, четкое представление о том, чем вызвано то или иное
требование;
знание правил технической эксплуатации, правил
устройства электроустановок и пожарной безопасности в объеме занимаемой
должности;
умение обеспечить безопасное ведение работы и
вести надзор за работающими в электроустановках;
знание правил освобождения пострадавшего от
действия электрического тока, оказание первой медицинской помощи и умение
практически оказывать ее пострадавшему.
Требования к персоналу IV
группы по электробезопасности:
знание электротехники в объеме
специализированного профессионального училища;
полное представление об опасности при работах в
электроустановках;
знание настоящих правил, правил технической
эксплуатации электрооборудования, устройства электроустановок и пожарной
безопасности в объеме занимаемой должности;
знание схем электроустановок и оборудования
обслуживаемого участка, знание технических мероприятий, обеспечивающих
безопасность работ;
умение проводить инструктаж, организовывать
безопасное проведение работ, осуществлять надзор за членами бригады;
знание правил освобождения пострадавшего от
действия электрического тока, оказания первой медицинской полмощи и умение
практически оказать ее пострадавшему;
умение обучать персонал правилам техники
безопасности, практическим приемам оказания первой медицинской помощи.
Требования к персоналу V
группы по электробезопасности:
знание схем электроустановок, компоновки
оборудования технологических процессов производства;
знание настоящих правил, правил пользования и
испытаний средств защиты, четкое представление о том, чем вызвано то или иное
требование;
знание правил технической эксплуатации, правил
устройства электроустановок и пожарной безопасности в объеме занимаемой
должности;
умение четко обозначить и излагать требования о
мерах безопасности при проведении инструктажа работников;
умение организовать безопасное проведение работ
и осуществлять непосредственное руководство работами в электроустановках любого
напряжения;
умение обучать персонал правилам техники
безопасности, практическим приемам оказания первой медицинской помощи.
В ОРУ при работах, проводимых с земли и на
оборудовании, установленном на фундаментах, рабочее место должно быть ограждено
канатом или веревкой с вывешенными на них плакатами: «Стой, напряжение».
На участках конструкций, по которым можно пройти
от рабочего места к граничащим с ним участкам, находящимися под напряжением,
должны быть установлены плакаты: «Стой, напряжение».
На подготовленных рабочих местах должен быть
установлен плакат: «Работать здесь».
На конструкции, по которой не разрешается
подниматься, вывешивается плакат: «Не влезай, убьет».
На ограждениях камер, шкафах, панелях,
граничащих с рабочим местом, должны быть вывешены плакаты: «Стой, напряжение».
электрический конденсационный электростанция замыкание