Исследование зависимости тока ионов аргона от величины ускоряющего напряжения в источнике ионов с полым анодом
Аннотация
В работе были проведены опыты с
источником ионов с полым анодом при разных параметрах проведения эксперимента
(ускоряющее напряжение и расстояние от источника ионов до цилиндра Фарадея). На
основе полученных данных были определены оптимальные параметры для вычисления
коэффициента эффективности ионного тока в пучке - ускоряющее напряжение 3,5-5,0
кВ, ток разряда 0,6-2,0 мА, при этих параметрах зависимость тока в пучке от
тока разряда является линейной. Из полученных значений коэффициентов было выяснено,
что из источника ионов вылетает сфокусированный пучок частиц (ионов).
1. Введение
В обычных условиях любой газ является
диэлектриком и, следовательно, в нём не может протекать электрический ток. Если
же нагреть газ до больших температур, то атомы газа распадаются на ионы и
электроны (например, для водорода этот показатель составляет 6 000° К). В этом
случае в газе возможен ток, так как появились свободные заряды. Но разрывать
атомы газа на электроны и ионы можно не только посредством сообщения ему
тепловой энергии, но, например, с помощью электронного удара.
Цель данной работы заключается в изучении
зависимости тока ионов аргона от величины ускоряющего напряжения и концентрации
аргона. Положительные ионы получаются в процессе ионизации рабочего газа с
помощью источника ионов с полым анодом. Если степень ионизации газа велика, то
имеет место такое понятие как плазма. Так же речь пойдёт и о газовом разряде в
плазме.
2. Теоретическая часть
.1 Плазма
Вещество может изменять свое состояние по мере
возрастания температуры: переходить из твёрдого в жидкое и далее - в
газообразное. Если дальше нагревать газ то его молекулы распадутся на атомы,
затем атомы распадутся на ионы и электроны. То есть газ становится
ионизованным, представляя собой смесь свободных ионов и электронов и
нейтральных частиц. Если степень ионизации газа (отношение количества
ионизованных частиц к полному) достаточно велика, то такой газ обладает
качественно новыми свойствами в сравнении с обычным газом. Обычно эта степень невелика,
например, в тлеющем газовом разряде концентрация свободных электронов примерно
109 см-3, а нейтральных частиц 1014 см-3
(и только в специальных установках и звёздах эта величина близка к единице).
Главная особенность ионизованного газа в том, что он обладает высокой
электропроводностью и, следовательно, сильно взаимодействует с электрическими и
магнитными полями, в отличие от нейтрального газа. Так же заряженные частицы в
таком газе стремятся распределиться так, чтобы установилось равенство концентраций
положительных и отрицательных частиц. Такое состояние ионизованного газа
называют плазмой.
Свечение плазмы является следствием непрерывной
рекомбинации ионов и электронов в нейтральные атомы, сопровождающимся
выделением тепловой энергии и уменьшением концентраций электронов и ионов.
Стационарное состояние (не меняется со временем) плазмы может быть только при
наличии постоянно работающего источника ионизации. Это состояние может быть
равновесным или неравновесным. В первом случае электроны и ионы имеют одинаковую
температуру, во втором разную. При достаточно больших давлениях между
компонентами плазмы может установиться тепловое равновесие (при малых давлениях
равновесие не успевает устанавливаться). В тлеющем разряде, например, имеются
горячие электроны и холодные ионы - электроны быстро ускоряются и почти не
теряют энергии при ударении об тяжёлые ионы, атомы или стенки газоразрядной
области, в то время как ионы быстро отдают полученную энергию нейтральным
атомам (так как массы их близки) и стенкам. То есть ионы характеризуются одной
температурой, а электроны другой более высокой. Под температурой плазмы
принимают температуру частиц, определяющих плазменные среды.
.2 Свойства плазмы
Во всяком сколько-нибудь большом объёме плазмы
заряды ионов и электронов компенсируют или почти компенсируют друг друга
(определяющее свойство). Если это на небольшой промежуток времени не так, то
возникают сильные электрические поля восстанавливающие нейтральность в объёме
плазмы (по другому - квазинейтральность).
Оценим размер области, в которой могут
существовать заметные электрические поля. Ион притягивает к себе электроны,
поле которых противоположено по знаку полю иона. В результате ионы экранируются
электронами, поэтому их поле убывает с увеличением расстояния r не по закону
,
а существенно быстрее. Если бы не было теплового движения, то электроны вообще
бы присоединились к ионам, то есть произошла бы рекомбинация. Тепловое движение
мешает этому, рассчитаем этот эффект.
Из двух известных выражений
и
получаем
.
Поле заряда сферически симметрично, то есть зависит только от радиуса r, и
уравнение Лапласа примет вид:
. (1)
Из того что масса иона много больше чем у
электрона (M >> me) будем далее считать ион бесконечно
тяжёлым, то есть неподвижным. Распределение электронов, а значит и их
пространственных зарядов ρe,
подчиняется распределению Больцмана:
. (2)
Считается, что плотность электронов на большом
расстоянии от заряда равна n, заряд электрона равен
.
Так как плазма квазинейтральна, то плотность ионов равна плотности электронов:
. (3)
Подставляя (3) и (2) в (1) получим:
. (4)
Решение этого уравнения можно найти, если
,
тогда экспоненту можно разложить в ряд и уравнение становится линейным:
,
.
(5)
Решение уравнения (5) имеет вид:
. (6)
Это решение показывает, что вблизи иона (при
малых r) потенциал ведёт себя "правильно"
,
а на бесконечности обращается нуль. Это означает, что из-за экранирующего
действия электронов поле иона убывает экспоненциально с характерной длинной rD
- дебаевский радиус экранирования. Плазму можно считать почти нейтральной
(квазинейтральной) в областях дальше дебаевского радиуса.
Теперь можно дать качественное определение
плазмы. Плазмой называется ионизованный газ дебаевский радиус которого много
меньше характерного размера l объёма, занимаемого газом, то есть
.
Ещё одним важным параметром является количество
частиц в дебаевской сфере. Число частиц ND в дебаевской сфере
оценивается с помощью формулы (5), подставляя туда вместо истинного среднее
значения количества частиц:
, (7)
для плазмы газового разряда это число
оказывается порядка 104.
Таким образом, число частиц в дебаевской сфере
должно быть много больше единицы в дебаевской сфере. Это эквивалентно тому, что
потенциальная энергия взаимодействия двух заряженных частиц в плазме много
меньше их тепловой энергии, то есть плазма является идеальным газом.
2.3 Газовый разряд
Под термином газовый разряд понимают явления и
процессы, связанные с прохождением через газ электрического тока. Само название
разряд произошло из названия медленно протекающего явления потери заряда
заряженными металлическими телами, расположенными на подставке из изолятора.
Газовый разряд - это не только процесс протекания тока через газ, но и любой
процесс возникновения ионизации газа под действием приложенного электрического
поля. Так же есть понятие зажигание плазмы (горение), оно связано с тем, что
при сильной ионизации газ светится.
Разряды в постоянном поле разделяют на
самостоятельные и несамостоятельные. При нормальных условиях газ состоит из
электрически нейтральных атомов и молекул, то есть является диэлектриком, через
него не может пройти сколько-либо заметный ток. Проводниками могут быть только
ионизованные в какой-то мере газы, то есть газы, содержащие свободные заряды
(ионы и электроны) носители тока. Ионы в газах могут возникать под действием
внешних ионизаторов.
Рис.1. ВАХ несамостоятельного газового разряда
Допустим, что ионы в проводнике образуются
только из-за действия внешнего ионизатора - это несамостоятельный разряд. На
Рис.1 показана вольтамперная характеристика (ВАХ) для несамостоятельного
разряда. С повышением напряжения ток сначала возрастает (участок ОА), далее он
достигает насыщения и остаётся практически неизменным (участок АБ), что
соответствует сбору на электроды ровно такого количества зарядов в секунду,
какое образует в пространстве между электродами внешний ионизатор за это время.
Если и дальше повышать напряжение, то ток начинает возрастать (участок БВ). Это
означает, что ионы, и прежде всего электроны, набирают за время между двумя
последовательными столкновениями такую энергию, то возникает столкновительная
ионизация, то есть рождение вторичных ионов. При этом возникают и развиваются
электронные лавины. При каком значении поля это наступит, зависит от давления
газа и энергии, нужной для ионизации данной молекулы (потенциал ионизации). В
этом случае разряд становится самостоятельным. Ток возрастает скачком, причем
если его величина не ограничена внешним сопротивлением в цепи питания, то
разряд переходит в дуговой за счет разогрева и последующего плавления
электродов разрядного промежутка.
Таким образом, в большом электрическом поле
проводимость газа может возрасти скачком - возникает пробой. Соответствующее
напряжение на газовом промежутке называется напряжением пробоя или напряжением
зажигания. Если после пробоя убрать ионизатор, то разряд всё равно будет
продолжаться, то есть он стал самостоятельным, ионизация поддерживается
процессами в самом газе (лавинным процессом).
Введём коэффициент объёмной ионизации α,
равный
числу ионно-электронных пар образованных электроном на единице пути. Ясно, что α
зависит
от давления и от поля
. Рассмотрим
ионизацию газа в промежутке между плоскими катодом и анодом (Рис.2.). На
расстоянии x от катода в слое
один электрон
создаст α
пар ионов. Если от катода в этот слой втекает ток Ie, то он
увеличится на
.
Рис.2. Газоразрядный промежуток.
Проинтегрировав это уравнение получим:
Это и есть режим газового усиления вследствие
электронных лавин. Чтобы разряд не прекращался надо, чтобы ток
поддерживался
разрядом, то есть установилась обратная положительная связь. Она может
возникнуть только через поток частиц, идущих к катоду (положительные ионы).
Полный ток через любое поперечное сечение
разряда один и тот же, складывается из тока, переносимого электронами, и тока,
переносимого ионами, двигающимися им навстречу. То есть полный ток на аноде
равен электронному
, а ионный ток
на
катоде равен:
.
Пусть теперь пришедший на катод ион выбивает в
среднем
вторичных
электронов (коэффициент вторичной ионно-электронной эмиссии,
).
Тогда с катода пойдёт ток вторичных электронов I2:
,
а полный электронный ток с катода будет состоять
из I1, образуемого ионизатором, и тока вторичных электронов I2:
,
таким образом:
.
Значит полный ток
,
равный полному электронному току через анод, будет равен:
.
С повышением напряжения на газовом промежутке
возрастают как α и
,
так и ток. Разряд ещё остаётся несамостоятельным, так как при выключении
ионизатора ток обращается в нуль. Однако при достижении некоторого значения
напряжения (поля) знаменатель обращается в нуль, а ток в бесконечность, при
любом малом
, то есть ионизатор
можно удалить. Это и есть переход к самостоятельному разряду или пробой, его
условие выглядит так:
,
.
Величину µ называют коэффициентом
воспроизводства, поскольку она показывает, сколько электронов воспроизводится
на катоде в результате прохождения через разряд одного электрона, вышедшего с
катода. Зная α(E) и
,
можно определить пробивное поле и потенциал зажигания
.
Рис.3. Зависимость напряжения зажигания Uз от
произведения давления P на длину разрядного промежутка d для воздуха
Эта теория хорошо подтверждается
экспериментально установленным законом Пашена, по которому
зависит
только от произведения давления на длину разрядного промежутка. Эта зависимость
имеет минимум при некотором значении произведения
(Рис.3.).
Таким образом, для данного давления существует такая длинна газоразрядного
промежутка, что потенциал зажигания минимален.
3. Экспериментальная установка и
методика измерений
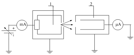
В работе все опыты проводились в вакуумном посте
типа ВУП-4, при давлении в рабочем объёме порядка 10-4 - 10-5
мм.рт.ст. В объёме были размещены источник ионов с полым анодом 1, цилиндром
Фарадея 2 (Рис. 4). Для измерения ионного тока использовался мультиметр типа
AM-1118. Потенциал на анод подавался от источника ЭДС типа MOD 919, так же этим
же прибором измерялся ток утечек в источнике ионов. Рабочим газом использовался
аргон, концентрацию которого можно было менять в процессе измерения.
Рис.4.Общая схема установки
- источник ионов с полым анодом; 2 - система
цилиндров Фарадея.
Рассмотрим Рис.5, на нём представлена схема
строения источника ионов с полым анодом. Источник представляет собой систему из
взаимоизолированных коаксиальных цилиндров. Внутренний цилиндр 2 является
анодом, на него подаётся большой положительный потенциал (порядка киловольт),
внешний 4 - катодом, на нём нулевой потенциал. Газ ионизуется в пространстве
между цилиндрами, далее ионы сильно разгоняются между цилиндрами и вылетают из
отверстия с большой скоростью. Такая система обеспечивает более высокую
ионизацию газа, чем система из плоских катода и анода.

- изоляция; 2 - анод; 3 - анодная полость; 4 -
катод.
Цилиндр Фарадея в нашем случае используется как
прибор для регистрации тока ионного пучка. Цилиндр Фарадея состоит из внешнего
цилиндра (защитного) и внутреннего (регистрирующего). Внешний и внутренний
цилиндры изолированы друг от друга, внешний заземлён. Ток регистрируется
внутренним цилиндром, заземлённым через микроамперметр (см. рис.4).
После достижения в объёме рабочего давления (10-4
- 10-5 мм.рт.ст, как уже говорилось), на источник ионов подаётся
напряжение U (другими словами подаётся потенциал на полый анод). Далее в
источник ионов напускается аргон и зажигается разряд. На расстоянии L от
источника ионов расположен цилиндр Фарадея с диаметром отверстием на внешнем
цилиндре d. Ионный ток пучка измеряется в некотором телесном угле, зависящем от
L и d. Ток разряда обозначим I0, а ток, попадающий в
цилиндр Фарадея - током в пучке Iп.
Анодный ток (ток разряда) прямо пропорционален
концентрации аргона с некоторым коэффициентом. Следовательно, зависимость тока
в пучке от концентрации рабочего газа можно рассматривать как зависимость от
анодного тока (в работе вместо концентрации регистрировался ток разряда).
Зависимость тока в пучке от анодного тока можно рассмотреть при разных
ускоряющих напряжениях U и расстояниях L.
Из анализа зависимостей можно определить
коэффициент эффективности ионного тока
при
различных параметрах системы. В работе измерения проводились при двух разных
расстояниях L между источником ионов и цилиндрам Фарадея, в каждом случае было
семь разных потенциалов U на аноде.
4. Результаты измерений
плазма ион анод ток
В работе диаметр отверстия на внешнем цилиндре
Фарадея был неизменен и имел значение
.
Было проведено две серии измерений при
и
.
Далее приведены результаты, представленные в виде графиков. Численные значения
сведены в две таблицы и представлены в приложении.
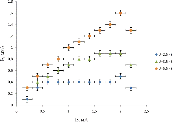
Рис.6. Зависимость тока в пучке от тока разряда
при расстоянии L1=2,11 см
Рис.7. Зависимость тока в пучке от тока
разряда при расстоянии L2=2,42 см.
На рисунках 6-7 приведены результаты только при
минимальном, максимальном и среднем напряжениях, для демонстрации общей картины
зависимостей. Из графиков видно, что при одном и том же токе утечки, но при
увеличении ускоряющего напряжения растёт и ток в пучке. Следует отметить, что
при токах утечки стремящихся к 2,2 мА ток в пучке резко спадает (на графиках
это не изображено). Это связано с тем, что концентрация аргона в газоразрядном
промежутке становится слишком большой для газового разряда.
Так же надо уточнить, что погрешность
микроамперметра (AM-1118) составляет ±0,05 мкА, а миллиамперметра ±0,1 мА.
Рис.8. Зависимость тока в пучке от ускоряющего
напряжения при токе разряда I0 = 0,6 мА.
Рис.9. Зависимость тока в пучке от ускоряющего
напряжения при токе разряда I0 = 0,8 мА.
Рис.10. Зависимость тока в пучке от ускоряющего
напряжения при токе разряда I0 = 1,0 мА.
Рис.11. Зависимость тока в пучке от ускоряющего
напряжения при токе разряда I0 = 1,6 мА.
Рис.12. Зависимость тока в пучке от ускоряющего
напряжения при токе разряда I0 = 1,8 мА.
Рис.13. Зависимость тока в пучке от ускоряющего
напряжения при токе разряда I0 = 2,0 мА.
На рисунках 8-13 приведены зависимости тока в
пучке от ускоряющего напряжения при конкретном токе разряда. Как видно из
графиков токи в пучке при разных расстояниях L совпадают вплоть до напряжения в
5 кВ, после которого токи начинают различаться. Это, скорее всего, связано с
особенностями источника ионов (он рассчитан под рабочее напряжение в 5 кВ).
Возможно, что напряжения больше 5 кВ создают запирающий слой из ионов, который
мешает нормальному выходу электронов из источника.
Как говорилось выше, при токах разряда
приближающихся к 2,2 мА ток в пучке резко начинает падать, то есть в
газоразрядном промежутке источника концентрация аргона достигает такой
величины, что разряд прекращается. Важно, что при малых ускоряющих напряжениях,
увеличивая ток разряда (концентрацию), ток в пучке практически не изменяется.
Так же непонятно как зависит ток в пучке от начальных значений токов разряда (то
есть при небольшой концентрации рабочего газа), в это случае корректно говорить
о коэффициенте
только для
конкретной точки зависимости. То есть для определения
на
участке зависимости следует отсечь участки соответствующие режиму начальных
токов, режиму предельной концентрации аргона для газового разряда, так же
отсечь опыты с малыми и максимальным напряжениями, при которых проводились
опыты.
Из анализа приведённых выше зависимостей следует,
что оптимальнее всего определять коэффициент эффективности при напряжениях в
интервале от 3,5 до 5,0 кВ и при токах разряда от 0,6 до 2,0 мА. При этих
параметрах зависимости тока в пучке от тока разряда можно рассматривать как
линейные, то есть другими словами
-
угол наклона прямой. Далее приведены таблицы с оптимальными параметрами и
построены графики зависимостей по ним для L1 и L2.
Таб.1. Для расстояния L1
|
I0,
мА
|
Iп,
мкА
|
|
U=3,5
кВ
|
U=4
кВ
|
U=4,5
кВ
|
U=5
кВ
|
|
0,6
|
0,5
|
0,6
|
0,7
|
0,8
|
|
0,8
|
0,6
|
0,7
|
0,8
|
0,9
|
|
1,0
|
0,7
|
0,7
|
0,9
|
1,0
|
|
1,2
|
0,8
|
0,9
|
0,9
|
1,1
|
|
1,4
|
0,8
|
0,9
|
1,0
|
1,2
|
|
1,6
|
0,9
|
1,0
|
1,1
|
1,3
|
|
1,8
|
0,9
|
1,0
|
1,2
|
|
2,0
|
0,9
|
1,1
|
1,3
|
1,5
|
Таб.2. Для расстояния L2
|
I0,
мА
|
Iп,
мкА
|
|
U=3,5
кВ
|
U=4
кВ
|
U=4,5
кВ
|
U=5
кВ
|
|
0,6
|
0,5
|
0,6
|
0,7
|
0,6
|
|
0,8
|
0,6
|
0,7
|
0,8
|
0,8
|
|
1
|
0,7
|
0,7
|
0,9
|
0,9
|
|
1,2
|
0,8
|
0,9
|
0,9
|
0,9
|
|
1,4
|
0,8
|
0,9
|
1
|
1,1
|
|
1,6
|
0,9
|
1
|
1,1
|
1,2
|
|
1,8
|
0,9
|
1
|
1,2
|
1,3
|
|
2
|
0,9
|
1,1
|
1,3
|
1,4
|
Рис.14. Зависимость тока в пучке от тока утечки
источника ионов при расстоянии L1.
Рис.15. Зависимость тока в пучке от тока утечки
источника ионов при расстоянии L2.
Далее приведена таблица зависимости коэффициента
эффективности ионного тока от ускоряющего напряжения при расстояниях L1
и L2. Коэффициенты рассчитаны по принципу
.
Таб.3. Зависимость
от
напряжения
|
U,
кВ
|
|
|
|
|
|
3,5
|
0,00029
|
0,00029
|
|
4
|
0,00036
|
0,00036
|
|
4,5
|
0,00043
|
|
5
|
0,0005
|
0,00057
|
Как видно из таблицы,
при
разных расстояниях одно и то же. Это соответствует тому, что при оптимальных
параметрах из ионной пушки вылетает сфокусированный пучок, и ток в нём
возрастает с увеличением тока разряда.
5. Выводы и заключение
В работе были сняты зависимости тока в пучке от
тока разряда (от концентрации аргона) источника ионов при двух разных
расстояниях между источником и цилиндром Фарадея. В результате были определены
оптимальные условия для вычисления коэффициента эффективности ионного тока в
пучке на участке графика зависимости - ускоряющее напряжение 3,5-5,0 кВ, ток
разряда 0,6-2,0 мА, при этих параметрах зависимость является линейной.
Проанализировав результаты измерений при разных расстояниях между источником
ионов и цилиндром Фарадея (разных телесных углах), было выявлено, что
коэффициента эффективности не зависит от расстояния, то есть тем самым было
показано, что из источника ионов вылетает сфокусированный пучок.
6. Список литературы
1. В.Г.
Лейман. Газовый разряд. Плазма. Методическое пособие. МФТИ.
2. Учебно-методическое
пособие: Электрический ток в газах и жидкостях. Выпуск 3. Н.: НГУ, 2008.
3. Д.В.
Сивухин. Общий курс физики. Том III. Электричество. М.: Наука, 1990.
Приложение 1
Таблица зависимости тока в пучке от тока разряда
при расстоянии L1=2,11 см
|
I0,
мА
|
Iп,
мкА
|
|
U=2,5
кВ
|
U=3
кВ
|
U=3,5
кВ
|
U=4
кВ
|
U=4,5
кВ
|
U=5
кВ
|
U=5,5
кВ
|
|
0,2
|
0,2
|
0,3
|
0,3
|
0,4
|
0,3
|
0,4
|
0,4
|
|
0,4
|
0,3
|
0,4
|
0,4
|
0,5
|
0,6
|
0,7
|
0,7
|
|
0,6
|
0,4
|
0,5
|
0,5
|
0,6
|
0,7
|
0,8
|
0,9
|
|
0,8
|
0,4
|
0,5
|
0,6
|
0,7
|
0,8
|
0,9
|
1
|
|
1
|
0,4
|
0,6
|
0,7
|
0,7
|
0,9
|
1
|
1,1
|
|
1,2
|
0,4
|
0,6
|
0,8
|
0,9
|
0,9
|
1,1
|
1,2
|
0,4
|
0,6
|
0,8
|
0,9
|
1
|
1,2
|
1,2
|
|
1,6
|
0,4
|
0,6
|
0,9
|
1
|
1,1
|
1,3
|
1,3
|
|
1,8
|
0,4
|
0,6
|
0,9
|
1
|
1,2
|
1,4
|
1,4
|
|
2
|
0,5
|
0,6
|
0,9
|
1,1
|
1,3
|
1,5
|
1,5
|
|
2,2
|
0,3
|
0,4
|
0,7
|
0,9
|
1,1
|
1,2
|
1,3
|
Приложение 2
Таблица зависимости тока в пучке от тока разряда
при расстоянии L2=2,42 см
|
I0,
мА
|
Iп,
мкА
|
|
U=2,5
кВ
|
U=3
кВ
|
U=3,5
кВ
|
U=4
кВ
|
U=4,5
кВ
|
U=5
кВ
|
U=5,5
кВ
|
|
0,2
|
0,1
|
0,2
|
0,2
|
0,2
|
0,3
|
0,3
|
0,3
|
|
0,4
|
0,2
|
0,4
|
0,3
|
0,5
|
0,5
|
0,4
|
0,5
|
|
0,6
|
0,3
|
0,5
|
0,5
|
0,6
|
0,6
|
0,7
|
|
0,8
|
0,4
|
0,6
|
0,5
|
0,7
|
0,7
|
0,8
|
0,8
|
|
1
|
0,4
|
0,7
|
0,6
|
0,8
|
0,8
|
0,9
|
1,0
|
|
1,2
|
0,4
|
0,7
|
0,7
|
0,9
|
0,9
|
0,9
|
1,1
|
|
1,4
|
0,4
|
0,8
|
0,7
|
1,0
|
1,0
|
1,1
|
1,2
|
|
1,6
|
0,4
|
0,8
|
0,9
|
1,1
|
1,1
|
1,2
|
1,3
|
|
1,8
|
0,4
|
0,8
|
0,9
|
1,1
|
1,2
|
1,3
|
1,4
|
|
2
|
0,5
|
0,8
|
0,9
|
1,2
|
1,3
|
1,4
|
1,6
|
|
2,2
|
0,4
|
0,5
|
0,7
|
0,9
|
1,1
|
1,2
|
1,3
|