|
4.68
Прохождение электрического тока через газы называется газовым разрядом.
Все газы в естественном состоянии не проводят электрического тока, т.е.
являются изоляторами. В чем можно убедиться из следующего опыта.
Возьмем электрометр с присоединенными к нему дисками плоского конденсатора
и зарядим его. При комнатной температуре, если воздух достаточно сухой,
конденсатор заметно не разряжается - положение стрелки электрометра не
изменяется. Чтобы заметить уменьшение угла отклонения стрелки электрометра,
требуется длительное время. Это показывает, что электрический ток в воздухе
между дисками очень мал. Данный опыт показывает, что воздух является плохим
проводником электрического тока.
Изолирующие свойства газов объясняются тем, что атомы и молекулы газов в
естественном состоянии являются нейтральными незаряженными частицами. Отсюда
ясно, что для того, чтобы сделать газ проводящим, нужно тем или иным способом
внести в него или создать в нем свободные носители заряда - заряженные частицы.
При этом возможны два случая: либо эти заряженные частицы создаются действием
какого-нибудь внешнего фактора или вводятся в газ извне - несамостоятельная
проводимость, либо они создаются в газе действием самого электрического поля,
существующего между электродами - самостоятельная проводимость.
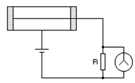
Гальванометр в цепи показывает отсутствие тока несмотря на приложенное
напряжение. Это свидетельствует об отсутствии проводимости газов в обычных
условиях.
Видоизменим опыт: нагреем воздух между дисками пламенем спиртовки. Тогда
угол отклонения стрелки электрометра быстро уменьшается, т.е. уменьшается
разность потенциалов между дисками конденсатора - конденсатор разряжается.
Следовательно, нагретый воздух между дисками стал проводником, и в нем
устанавливается электрический ток.
В данном случае газу сообщили электропроводность, создавая в нем высокую
температуру. Если бы вместо пламени горелки мы поместили вблизи электрометра
подходящий источник света, например ртутную дуговую лампу, дающую много
ультрафиолетовых лучей, мы также наблюдали бы утечку зарядов с электрометра.
Такое же действие на газ оказывают рентгеновские лучи и излучение радиоактивных
препаратов. В этом случае говорят о несамостоятельной проводимости газа.
Пусть
газ, находящийся между электродами (рис. 2.1) подвергается непрерывному
постоянному по интенсивности воздействию какого-либо ионизирующего агента
(например, рентгеновских лучей).
Рис. 2.1
Действие ионизатора приводит к тому, что от некоторых молекул газа
отщепляется один или несколько электронов, в результате чего эти молекулы
превращаются в положительно заряженные ионы. При не очень низких давлениях
отщепившиеся электроны обычно захватываются нейтральными молекулами, которые
таким образом становятся отрицательно заряженными ионами. Число пар ионов,
возникающих под действием ионизатора за секунду в единице объема, обозначим
через Δni. Наряду с процеесом ионизации в газе
происходит рекомбинация ионов, т.е. нейтрализация разноименных ионов при их
встрече или воссоединение положительного иона и электрона в нейтральную
молекулу. Вероятность встречи двух ионов разных знаков пропорциональна как
числу положительных, так и числу отрицательных ионов. Поэтому количество
рекомбинирующих за секунду в единице объема пар ионов Δnr пропорционально квадрату числа
имеющихся в единице объема пар ионов n:
,(2.1)
где r - коэффициент пропорциональности.
В состоянии равновесия число возникающих ионов равно числу
рекомбинирующих, следовательно,
.(2.2)
Отсюда для равновесной концентрации ионов (числа пар ионов в единице
объема) получается следующее выражение:
.(2.3)
Под действием космического излучения и следов радиоактивных веществ,
имеющихся в земной коре, в 1 см3 атмосферного воздуха возникает в
среднем несколько пар ионов в секунду. Коэффициент r для воздуха равен
1.6·10-6 см3/с. Подстановка этих чисел в формулу (2.3)
дает для равновесной концентрации ионов в воздухе значение порядка 103
см-3. Эта концентрация недостаточна для того, чтобы обусловить
заметную проводимость. Чистый сухой воздух является очень хорошим изолятором.
Если подать напряжение на электроды, то убыль ионов будет происходить не только
вследствие рекомбинации, но и за счет отсасывания ионов полем к электродам.
Пусть из единицы объема отсасывается ежесекундно Δni пар ионов. Если заряд каждого иона е´, то нейтрализация на электродах
одной пары ионов сопровождается переносом по цепи заряда е´. Каждую секунду электродов достигает
ΔniSl пар ионов (S - площадь
электродов, l - расстояние между ними; произведение Sl равно
объему межэлектродного пространства). Следовательно, сила тока в цепи равна
.(2.4)
Отсюда
,(2.5)
j
- плотность тока.
Итак, при несамостоятельном разряде в газе будет происходить 3 процесса:
1) ионизация;
2) рекомбинация;
) нейтрализация
При наличии тока условие равновесия выглядит следующим образом:
.(2.6)
Подставив сюд выражения (2.1) и (2.5) для Δnr и Δnj, придем к соотношению
.(2.7)
Плотность
тока определяется выражением
,(2.8)
где
и -
подвижности положительных и отрицательных ионов.
Рассмотрим
два предельных случая - случай слабых и случай сильных полей.
В
случае слабых полей плотность тока будет очень мала, и слагаемым j/е´l в
соотношении (2.7) можно пренебречь по сравнению с rn2 (это
означает, что убыль ионов из межэлектродного пространства происходит в основном
за счет рекомбинации). Тогда (2.7) переходит в (2.2) , и для равновесной
концентрации ионов получается выражение (2.3). Подстановка этого значения n в
формулу (2.8) дает
.(2.9)
Множитель при Е в полученной формуле не зависит от напряженности
поля. Следовательно, в случае слабых полей несамостоятельный газовый разряд
подчиняется закону Ома.
Подвижность ионов в газах имеет значение ~ 10-4 (м·с-1)/(В·м-1)
(1(см·с-1)/(В·см-1)). Следовательно, при равновесной
концентрации n=103 см-3 = =109 м-3
и напряженности поля Е=1 В/м плотность тока составит
j
= 1.6·10-19·109 (10-4+10-4) ·1 ~ 10-14
А/м2 = 10-18 А/см2.
В случае сильных полей слагаемым rn2 в формуле (2.7)
можно пренебречь по сравнению с j/е´l. Это означает, что практически все возникающие ионы
достигают электродов, не успев рекомбинировать. При этом условии соотношение
(2.7) имеет вид
.(2.10)
Отсюда
.(2.11)
Эта плотность тока создается всеми ионами, порождаемыми ионизатором в
заключенном между электродами столбе газа с единичным поперечным сечением. Следовательно,
эта плотность газа является наибольшей при данной интенсивности ионизатора и
заданном расстоянии l между электродами. Ее называют плотностью тока
насыщения jнас.
Вычислим jнас при следующих условиях: Δni=10 см-3·с-1 =
107 м-3·с-1 (примерно такова скорость
образования ионов в атмосферном воздухе при обычных условиях), l=0.1 м.
Подстановка этих данных в формулу (2.11) дает
jнас= 1.6·10-19·107·10-1 ~ 10-13
А/м2 = 10-17 А/см2.
Этот расчет показывает, что проводимость воздуха в обычных условиях очень
мала. При промежуточных значениях Е происходит плавный переход от
линейной зависимости j от Е к насыщению, по достижении которого j
перестает зависеть от Е (сплошная кривая на рис. 2.2).
Рис. 2.2
За областью насыщения лежит область резкого возрастания тока (штриховая
линия на рис. 2.2). Это возрастание объясняется тем, что, начиная с некоторого
значения Е, порождаемые внешним ионизатором электроны успевают за время
свободного пробега приобрести энергию, достаточную для того, чтобы,
столкнувшись с молекулой, вызвать ее ионизацию. Возникшие при ионизации
свободные электроны, разогнавшись, в свою очередь вызывают ионизацию. Таким
образом, происходит лавинообразное размножение первичных ионов, созданных
внешним ионизатором, и усиление разрядного тока. Однако процесс не утрачивает
характер несамостоятельного разряда, так как после прекращения действия
внешнего ионизатора разряд продолжается только до тех пор, пока все электроны
(первичные и вторичные) не достигнут анода (задняя граница пространства, в
котором имеются ионизирующие частицы - электроны, перемещается к аноду). Для
того чтобы разряд стал самостоятельным, необходимо наличие двух встречных лавин
ионов, что возможно только в том случае, если ионизацию ударом способны
вызывать носители обоих знаков. Рассмотрим процессы происходящие при
самостоятельном разряде.
Рассмотрим межэлектродное пространство, выделим в нем столб газа шириной dx,
находящийся на расстоянии х от катода (рис. 2.3). Пусть под действием
внешнего фактора (электрического поля) и внешнего ионизатора образуются путем
электронного удара ионы и электроны. Будем считать, α - число пар ионов и электронов от действия одного
электрона на единицу длины.
Рис. 2.3
Один электрон создает на промежутке dx
αdx пар ионов и электронов. Рассчитаем
возникновение ионов в рассмотренном пространстве с учетом однородности
электрического поля.
.(2.12)
Учитывая граничные условия на катоде (х=0, n=n0, c=n0),
получим число пар электронов обеспечивающих образование электронной лавины
(2.13)
Чем больше разность потенциалов между электродами, тем больше
напряженность электрического поля. Кинетическая энергия электрона перед
очередным столкновением пропорциональна напряженности поля и длине свободного
пробега электрона:
(2.14)
Если кинетическая энергия электрона превосходит работу Ai,
которую нужно совершить, чтобы ионизировать нейтральный атом (или молекулу),
т.е. mv2>Ai, то при столкновении электрона с
атомом (или молекулой) происходит его ионизация. В результате вместо одного
электрона возникают два (налетающий на атом и вырванный из атома). Они, в свою
очередь, получают энергию в поле и ионизуют встречные атомы и т.д. Вследствие
этого число заряженных частиц быстро нарастает, возникает электронная лавина.
Описанный процесс называют ионизацией электронным ударом.
Но одна ионизация электронным ударом не может обеспечить поддержания
самостоятельного заряда. Действительно, ведь все возникающие таким образом
электроны движутся по направлению к аноду и по достижении анода «выбывают из
игры». Для поддержания разряда необходима эмиссия электронов с катода
(«эмиссия» означает «испускание»). Эмиссия электрона может быть обусловлена
несколькими причинами.
Положительные ионы, образовавшиеся при столкновении электронов с
нейтральными атомами, при своем движении к катоду приобретают под действием
поля большую кинетическую энергию. При ударах таких быстрых ионов о катод с
поверхности катода выбиваются электроны.
Кроме того, катод может испускать электроны при нагревании до большой
температуры. Этот процесс называется термоэлектронной эмиссией. Его
можно рассматривать как испарение электронов из металла. Во многих твердых
веществах термоэлектронная эмиссия происходит при температурах, при которых
испарение самого вещества еще мало. Такие вещества и используются для
изготовления катодов.
При самостоятельном разряде нагрев катода может происходить за счет
бомбардировки его положительными ионами. Если энергия ионов не слишком велика,
то выбивания электронов с катода не происходит и электроны испускаются
вследствие термоэлектронной эмиссии.
Глава 3. ВИДЫ САМОСТОЯТЕЛЬНОГО
ГАЗОВОГО РАЗРЯДА
3.1 Тлеющий разряд и его применение
Процессы, рассмотренные выше, играют важную роль в возникновении и
поддерживании так называемого тлеющего разряда (см. приложение 1.1).
Эту форму газового разряда удобно наблюдать при пониженном давлении газа.
Если к электродам, впаянным в стеклянную трубку длиной 30-50 см, приложить
постоянное напряжение в несколько сот вольт и затем постепенно откачивать
воздух из трубки, то наблюдаются следующие явления. При атмосферном давлении
приложенное напряжение недостаточно для пробоя газа и трубка остаётся тёмной.
При уменьшении давления газа (около 5,3-6,7 кПа) в некоторый момент в трубке
возникнет разряд, имеющий вид светящегося шнура, соединяющего анод и катод
трубки. При дальнейшем уменьшении давления (около 1,3 Па) этот шнур расширяется
и заполняет всё сечение трубки, а свечение вблизи катода ослабевает.
При давлениях газа порядка 0,1-0,01 мм. рт. ст. разряд имеет вид на рис.
3.1.1.

Непосредственно к катоду прилегает тонкий светящийся слой 1 (первое
катодное свечение, или катодная плёнка), за которым следует тёмный слой 2,
получивший название катодного тёмного пространства. Это тёмное пространство затем
переходит в светящийся слой 3 (тлеющее свечение), который имеет резкую границу
со стороны катода и постепенно исчезает со стороны анода. Оно возникает из-за
рекомбинации электронов с положительными ионами. За тлеющим свечением
наблюдается опять тёмный промежуток 4, называемый вторым или фарадеевым тёмным
пространством. Указанные части называются катодными частями разряда. За вторым
тёмным пространством лежит светящаяся область 5, простирающаяся до анода, или
положительный столб. В некоторых случаях этот столб распадается на ряд слоёв,
или страт.
Особое значение в тлеющем разряде имеют только две его части - катодное
тёмное пространство и тлеющее свечение, в которых и происходят основные
процессы, поддерживающие разряд. Если в газоразрядной трубке сделать анод
подвижным и постепенно придвигать его к катоду (рис. 3.1.1), то все катодные
части остаются неизменными, а укорачивается только положительный столб. При
дальнейшем уменьшении длины разрядного промежутка начинает укорачиваться второе
катодное тёмное пространство, и когда анод попадает в тлеющее свечение, оно
исчезает вовсе. Однако при этом разряд продолжает существовать. Когда же анод
при дальнейшем уменьшении расстояния подходит к границе между первым катодным
пространством и тлеющим свечением, разряд гаснет.
Характерным для тлеющего разряда является особое распределение потенциала
по длине трубки. Его можно определить, впаивая в трубку ряд дополнительных
электродов - зондов, расположенных в различных местах трубки, и присоединяя
между катодом и соответствующим зондом вольтметр с большим сопротивлением. Всё
падение потенциала в разряде приходится на область катодного тёмного
пространства. Эта разность потенциалов между катодом и границей тлеющего
свечения получила название катодного падения потенциала. Опыт показывает, что
если сила тока в разряде не очень велика, то величина катодного падения
потенциала не зависит от силы тока (нормальное катодное падение потенциала).
Изменение силы тока изменяет лишь величину светящейся поверхности на катоде,
которая увеличивается с увеличением силы тока. Когда же сила тока достигает
такой величины, что катодная плёнка покрывает всю поверхность катода, катодное
падение потенциала начинает возрастать с увеличением силы тока (аномальное
катодное падение потенциала).
Существенным для понимания процессов в тлеющем разряде является то
обстоятельство, что величина нормального катодного падения потенциала зависит
лишь от материала катода и рода газа, причём катодное падение потенциала
оказывается пропорциональным работе выхода электронов из катода.
Рассмотренные свойства тлеющего разряда приводят к следующей картине
процессов, поддерживающих разряд. Положительные ионы, образующиеся в результате
ионизации электронными ударами (в тлеющем свечении и в положительном столбе),
движутся к катоду и, проходя через область катодного падения потенциала,
приобретают значительную энергию. Под действием интенсивной бомбардировки
быстрыми положительными ионами (а также вследствие фотоэффекта, вызванного
излучением разряда) с катодом вылетают электроны, которые движутся к аноду. Эти
электроны в области катодного падения потенциала сильно ускоряются и при
последующих соударениях с атомами газа их ионизируют. В результате опять
появляются положительные ионы, которые, снова устремляясь на катод, производят
новые электроны и т.д. Таким образом, основными процессами, поддерживающими
разряд, являются ионизация электронными ударами в объёме и вторичная
электронная эмиссия на катоде.
Существование катодного темного пространства объясняется тем, что электроны
начинают сталкиваться с атомами газа не сразу, а лишь на некотором расстоянии
от катода. Ширина катодного тёмного пространства приблизительно равна средней
длине свободного пробега электронов: она увеличивается с уменьшением давления
газа. В катодном тёмном пространстве электроны, следовательно, движутся
практически без соударений, образуя электронные, или катодные лучи. Если в
катоде просверлить малые отверстия, то положительные ионы, бомбардирующие
катод, пройдя через отверстия проникают в пространство за катодом и образуют
резко ограниченный пучок, получивший название каналовых (или положительных)
лучей, названных по знаку заряда, который они несут.
Распределение концентраций положительных ионов и электронов в различных
частях разряда весьма неодинаково. Так как положительные ионы движутся гораздо
медленнее, нежели электроны, то у катода концентрация ионов значительно больше,
чем концентрация электронов. Поэтому вблизи катода возникает сильный
пространственный положительный заряд, который и вызывает появление катодного
падения потенциала. Напротив, в области положительного столба концентрации
положительных ионов и электронов почти одинаковы и здесь пространственного
заряда нет. Благодаря большой концентрации электронов положительный столб
обладает хорошей электропроводностью и поэтому падение напряжения на нем весьма
мало.
Так как в положительном столбе имеются и положительные ионы, и электроны,
то здесь происходит интенсивная рекомбинация ионов, чем и объясняется свечение
положительного столба.
Мы видим, что катодное падение потенциалов необходимо для поддержания
тлеющего разряда. Именно благодаря его наличию положительные ионы приобретают
необходимую энергию для образования интенсивной вторичной электронной эмиссии с
катода, без которой тлеющий разряд не мог бы существовать. Поэтому катодное
падение потенциала есть наиболее характерный признак тлеющего разряда,
отличающий эту форму газового разряда от всех других форм.
Тлеющий разряд широко используют в качестве источника света в различных
газосветных трубках. В лампах дневного света излучение тлеющего разряда
поглощается слоем специальных веществ, нанесённых на внутреннюю поверхность
трубки, которые под действием поглощённого излучения в свою очередь начинают
светиться. Подходящим подбором этих веществ (люминофоров)испускаемое ими
излучение можно сделать близким к дневному свету. Такие трубки оказываются
более экономичными, нежели обычные лампы накаливания.
Газосветные трубки применяются также для рекламных и декоративных целей,
для чего им придают очертания различных фигур и букв. Наполняя трубки
различными газами, можно получить свечение различной окраски (красное у неона,
синевато-зеленое у аргона).
Пользуясь тем, что катодное падение потенциала зависит от материала
катода, можно сделать газосветные трубки с малым напряжением зажигания. Так,
например, в неоновой лампе, в которой электродами служат два железных листочка,
покрытых слоем бария, вследствие малости работы выхода электронов у бария,
катодное падение потенциала составляет только около 70 В. Поэтому лампа
зажигается уже при включении в обычную осветительную сеть. Такие лампы
употребляют для целей сигнализации в различной аппаратуре (индикаторные лампы).
В лабораторной практике используют тлеющий разряд для катодного
распыления металлов, так как вещество катода в тлеющем разряде постепенно
переходит в парообразное состояние и оседает в виде металлического налёта на
стенках трубки.
Причина катодного распыления, по всей вероятности, заключается в том, что
каждый положительный ион при соударении с катодом передаёт свою энергию сначала
небольшой группе атомов катода. Это приводит к сильному местному повышению
температуры, возникающему в отдельных микроскопических областях катода, которое
и приводит к испарению металла в этих местах. Помещая в тлеющем разряде против
катода различные предметы, оказывается возможным покрыть их равномерным и
прочным слоем металла. Этим способом, в частности, пользуются для изготовления
металлических зеркал высокого качества.
3.2 Искровой разряд и его применение
Если постепенно увеличивать напряжение между двумя электродами,
находящимися в атмосферном воздухе и имеющими такую форму, что электрическое
поле между ними не слишком сильно отличается от однородного (например, два
плоских электрода с закругленными краями или два достаточно больших шара), то
при некотором напряжении возникает электрическая искра. Она имеет вид ярко
светящегося канала, соединяющего оба электрода, который обычно бывает сложным
образом изогнут и разветвлен (см. приложение 1.2).
Электрическая искра возникает в том случае, если электрическое поле в
газе достигает некоторого определенного значения Ек
(критическая напряженность поля или напряженность пробоя), которая зависит от
рода газа и его состояния. Для воздуха при нормальных условиях Ек
» 3*106 В/м. Чем больше
расстояние между электродами, тем большее напряжение между ними необходимо для
наступления искрового пробоя газа. Это напряжение называется напряжением
пробоя.
Возникновение пробоя объясняется следующим образом: в газе всегда есть
некоторое число ионов и электронов, возникающих от случайных причин. Однако,
число их настолько мало, что газ практически не проводит электричества. При
достаточно большой напряженности поля кинетическая энергия, накопленная ионом в
промежутке между двумя соударениями, может сделаться достаточной, чтобы
ионизировать нейтральную молекулу при соударении. В результате образуется новый
отрицательный электрон и положительно заряженный остаток - ион.
Свободный электрон 1 при соударении с нейтральной молекулой расщепляет ее
на электрон 2 и свободный положительный ион. Электроны 1 и 2 при дальнейшем
соударении с нейтральными молекулами снова расщепляет их на электроны 3 и 4 и
свободные положительные ионы, и т.д (рис. 3.2.1).
Рис. 3.2.1
Такой процесс ионизации называют ударной ионизацией, а ту работу,
которую нужно затратить, чтобы произвести отрывание электрона от атома -
работой ионизации. Работа ионизации зависит от строения атома и поэтому
различна для разных газов.
Образовавшиеся под влиянием ударной ионизации электроны и ионы
увеличивает число зарядов в газе, причем в свою очередь они приходят в движение
под действием электрического поля и могут произвести ударную ионизацию новых
атомов. Таким образом, процесс усиливает сам себя, и ионизация в газе быстро
достигает очень большой величины. Явление аналогично снежной лавине, поэтому
этот процесс был назван ионной лавиной.
Образование ионной лавины и есть процесс искрового пробоя, а то
минимальное напряжение, при котором возникает ионная лавина, есть напряжение
пробоя.
Таким образом, при искровом пробое причина ионизации газа заключается в
разрушении атомов и молекул при соударениях с ионами (ударная ионизация).
Величина Ек увеличивается с увеличением давления. Отношение
критической напряженности поля к давлению газа р для данного газа
остается приблизительно постоянным в широкой области изменения давлений:
.(3.2.1)
Этот
закон позволяет определить Ек при разных давлениях, если
известно его значение при каком-либо одном давлении.
Напряжение
пробоя понижается при воздействии на газ внешнего ионизатора. Если приложить к
газовому промежутку напряжение, несколько меньшее пробойного, и внести в
пространство между электродами зажженную газовую горелку, то возникает искра.
Такое же действие оказывает и освещение отрицательного электрода
ультрафиолетовым светом, а также другие ионизаторы.
Для
объяснения искрового разряда вначале казалось естественным предположить, что
основными процессами в искре являются ионизация электронными ударами в объеме и
ионизация положительными ионами (в объеме или на катоде). Однако впоследствии
выяснилось, что эти процессы не могут объяснить многие особенности образования
искры. Остановимся для примера на скорости развития искрового заряда. Если бы в
искре существенную роль играла ионизация положительными ионами, то время
развития искры было бы по крайней мере того же порядка, что и время перемещения
положительных ионов от анода до катода. Это время легко оценить - оно
оказывается порядка 10-4 - 10-5 с. Между тем, опыт
показывает, что время ее развития на несколько порядков меньше.
Объяснение
большой скорости развития искры, так же как и других особенностей этой формы
разряда, дано так называемой стримерной теорией искры, в настоящее время
обоснованной прямыми экспериментальными данными. Согласно этой теории,
возникновению ярко светящегося канала искры предшествует появление слабо
светящихся скоплений ионизированных частиц (стримеров).
Пронизывая газоразрядный промежуток, стримеры образуют проводящие мостики, по
которым в последующие стадии разряда и устремляются мощные потоки электронов.
Причиной возникновения стримеров является не только образование электронных
лавин посредством ударной ионизации, но еще и ионизация газа излучением, возникающим
в самом разряде (фотоионизация).
Схема
развития стримера изображена на рис. 3.2.2.
Рис. 3.2.2
В виде конусов на этом рисунке показаны электронные лавины, зарождающиеся
в точках вершин конусов и распространяющиеся от катода к аноду. Существенным в
этой схеме является то обстоятельство, что, помимо первоначальной электронной
лавины, зародившейся непосредственно у катода, происходит образование новых
лавин в точках, расположенных далеко впереди от головы первоначальной лавины.
Эти новые лавины возникают вследствие появления электронов в объеме газа в
результате фотоионизации излучением, исходящим из лавин, возникших ранее (на
рисунке это излучение показано схематически в виде волнистых линий). В процессе
своего развития отдельные лавины нагоняют друг друга и сливаются вместе, в
результате чего возникает хорошо проводящий канал стримера. Из приведенной
схемы ясно, что вследствие возникновения многих лавин общий путь CD, проходимый
стримером, намного больше расстояния АВ, проходимого одной первоначальной
лавиной (различие в длинах АВ и CD в действительности намного больше, чем
показано на рис. 3.2.2).
Из-за выделения при рассмотренных процессах большого количества энергии
газ в искровом промежутке нагревается до 10000 °С, что приводит к его свечению. Быстрый нагрев газа
ведёт к повышению давления, достигающему 107¸108 Па, и возникновению
ударных волн, объясняющих звуковые эффекты при искровом разряде - характерное
потрескивание в слабых разрядах и мощные раскаты грома в случае молнии,
являющейся примером мощного искрового разряда между грозовым облаком и и Землёй
или между двумя грозовыми облаками.
Искровой разряд используется для воспламенения горючей смеси в двигателях
внутреннего сгорания. При малой длине разрядного промежутка искровой разряд
вызывает специфическое разрушение анода, называемое эрозией. Это явление было
использовано в электроискровом методе резки, сверления и других видах точной
обработки металла. Его используют в спектральном анализе для регистрации заряженных
частиц (искровые счетчики).
Искровой промежуток применяется в качестве предохранителя от
перенапряжения (искровые разрядники) в электрических линиях передач (например,
в телефонных линиях). Если вблизи линии проходит сильный кратковременный ток,
то в проводах этой линии индуцируются напряжении и токи, которые могут
разрушить электрическую установку, и опасны для жизни людей.
Во избежание этого используются специальные предохранители, состоящие из
двух изогнутых электродов, один из которых присоединен к линии, а другой
заземлен. Если потенциал линии относительно земли сильно возрастает, то между
электродами возникает искровой разряд, который вместе с нагретым им воздухом
поднимается вверх, удлиняется и обрывается.
Наконец, электрическая искра применяется для измерения больших разностей
потенциалов с помощью шарового разрядника, электродами которого служат два
металлических шара, закрепленных на стойках 1 и 2. Вторая стойка с шаром может
приближаться или удаляться от первой при помощи винта. Шары присоединяют к
источнику тока, напряжение которого требуется измерить, и сближают их до
появления искры. Измеряя расстояние при помощи шкалы на подставке, можно дать
грубую оценку напряжению по длине искры (пример: при диаметре шара 5 см и
расстоянии 0,5 см напряжение пробоя равно 17,5 кВ, а при расстоянии 5 см - 100
кВ). Этим методом можно измерять с точностью до нескольких процентов разности
потенциалов порядка десятков тысяч вольт.
3.2.1 Молния - вид искрового разряда
Красивое и небезопасное явление природы - молния - представляет собой
искровой разряд в атмосфере (см. приложение 1.3).
Уже в середине 18-го века обратили внимание на внешнее сходство молнии с
электрической искрой. Высказалось предположение, что грозовые облака несут в
себе большие электрические заряды и что молния есть гигантская искра, ничем,
кроме размеров, не отличающаяся от искры между шарами электрической машины. Это
было доказано на опыте 1752-53 гг. Ломоносовым и американским ученым
Бенджамином Франклином (1706-90), работавшими одновременно и независимо друг от
друга.
Франклин во время грозы пустил на бечевке змея, который был снабжен
железным острием; к концу бечевки был привязан дверной ключ. Когда бечевка
намокла и сделалась проводником электрического тока, Франклин смог извлечь из
ключа электрические искры, зарядить лейденские банки и проделать другие опыты,
производимые с электрической машиной. Следует отметить, что такие опыты
чрезвычайно опасны, так как молния может ударить в змей, и при этом большие
заряды пройдут через тело экспериментатора в Землю. В истории физики были такие
печальные случаи. Так погиб в 1753 г. в Петербурге Г.В. Рихман, работавший
вместе с Ломоносовым.
Ломоносов построил «громовую машину» - конденсатор, находившийся в его
лаборатории и заряжавшийся атмосферным электричеством посредством провода,
конец которого был выведен из помещения и поднят на высоком шесте. Во время
грозы из конденсатора можно было рукой извлекать искры. Наблюдая за показаниями
электроскопа, соединённого с высоким металлическим шестом, Ломоносов обнаружил,
что электрическое поле у поверхности земли существует и в отсутствие грозы,
сильно увеличиваясь в предгрозовые периоды. Он создал первую теорию
возникновения электрических разрядов в атмосфере и этим положил начало науке об
атмосферном электричестве.
Таким образом, было показано, что грозовые облака действительно сильно
заряжены электричеством.
Разные части грозового облака несут заряды различных знаков. Чаще всего
нижняя часть облака (отраженная к Земле) бывает заряжена отрицательно, а верхняя
- положительно. Поэтому, если два облака сближаются разноименно заряженными
частями, то между ними проскакивает молния. Однако грозовой разряд может
произойти и иначе. Проходя над Землей, грозовое облако создает на ее
поверхности большие индуцированные заряды, и поэтому облако и поверхность Земли
образуют две обкладки большого конденсатора. Разность потенциалов между облаком
и Землей достигает огромных значений и в воздухе возникает сильное
электрическое поле. Если напряженность этого поля достаточно большая, то может
произойти пробой, т.е. молния, ударяющая в Землю. При этом молния иногда
поражает людей и вызывает пожары.
Согласно многочисленным исследованиям, произведенным над молнией,
искровой заряд характеризуется следующими примерными числами:
напряжение (U) между облаком и Землей 0,1 ГВ (гигавольт);
сила тока (I) в молнии 0,1 МА (мегаампер);
продолжительность молнии (t) 1 мкс (микросекунда);
диаметр светящегося канала 10-20 см.
Гром, возникающий после молнии, имеет такое же происхождение, как и треск
при проскакивании лабораторной искры. Именно, воздух внутри канала молнии
сильно разогревается и расширяется, отчего и возникают звуковые волны. Эти
волны, отражаясь от облаков, гор, и т.п., часто создают длительное эхо -
громовые раскаты. Очень часто молния представляет собой ряд искровых разрядов,
следующих друг за другом по одному пути (кратные молнии). Число разрядов молнии
может достигать нескольких десятков, а общая длительность молнии - 1 секунду.
Особенно интересные результаты получаются при фотографировании молнии
камерой с вращающимся объективом. Подобные фотографии позволяют проследить за
последовательными стадиями развития молнии. Они показывают, что молнии
предшествует развитие слабо светящегося канала - лидера, распространяющегося
обычно от облака к земле и аналогично стримеру в коротких лабораторных искрах.
Когда лидер достигает земли, по пути, пробитому лидером, устремляются большие
заряды и развивается ярко светящийся главный канал молнии, распространяющийся с
огромной скоростью 107 - 108 м/с от земли к облаку. При
этом происходит сильное разогревание воздуха в главном канале и возникает
ударная звуковая волна - гром.
Хотя основные процессы в молнии, по-видимому, такие же, как в
лабораторных искрах, особенности развития обоих типов разрядов все же несколько
различны. Это видно, например, из следующего факта. Искровой разряд (короткий)
в воздухе при нормальных условиях возникает при напряженности поля Ек≈3000
кВ/м. Многочисленные же измерения напряжённости поля в атмосфере показывают,
что даже во время грозы она значительно меньше и не превышает 200-400 кВ/м.
Такое снижение пробойной напряженности поля наблюдается и в очень длинных
лабораторных искрах (длиной до 10 м). Оно объясняется, по-видимому, тем, что в
очень длинных разрядных промежутках могут возникать случайные большие местные
усиления электрического поля, в которых и зарождаются стримеры искрового
разряда. Кроме обычных молний, наблюдаются, хотя и редко, так называемые
шаровые молнии. Они имеют вид светящихся шаров диаметром 10-20 см, которые либо
медленно движутся, либо прикрепляются к неподвижным предметам. Шаровые молнии
зарождаются обычно при ударе очень сильных молний и через несколько секунд, а
иногда и минут, исчезают с сильным взрывом.
3.3 Коронный разряд и его применение
Разряд, получивший такое название, наблюдается при сравнительно высоких
давлениях газов (например, при атмосферном давлении) в сильно неоднородном поле
вблизи электродов с большой кривизной поверхности (например, около остриев или
проводов линий высокого напряжения). Для получения значительной неоднородности
поля электроды должны иметь очень неодинаковую поверхность, то есть один
электрод - очень большую поверхность, а другой - очень малую. Так, например,
коронный разряд легко получить, располагая тонкую проволоку внутри
металлического цилиндра, радиус которого значительно больше радиуса проволоки
(рис. 3.3.1); следует отметить, что наличие внешнего цилиндра не обязательно и
его роль могут играть окружающие заземленные предметы.
Рис. 3.3.1
Силовые линии электрического поля сгущаются по мере приближения к
проволоке, а следовательно, напряженность поля возле проволоки имеет наибольшее
значение. Когда она достигает приблизительно 3*106 В/м (при атмосферном
давлении и нормальной температуре), между проволокой и цилиндром зажигается
разряд и в цепи появляется ток. При этом возле проволоки возникает свечение,
имеющее вид оболочки или короны, окружающей проволоку, откуда и произошло
название разряда. Коронный разряд возникает как при отрицательном потенциале
на проволоке (отрицательная корона), так и при положительном (положительная
корона), а также при переменном напряжении между проволокой и цилиндром. При
увеличении напряжения между проволокой и цилиндром растет и ток в коронном
разряде. При этом увеличивается толщина светящегося слоя короны.
Процессы внутри короны сводятся к следующему. Если проволока заряжена
отрицательно, то по достижении напряженности пробоя у поверхности проволоки
зарождаются электронные лавины, которые распространяются от проволоки к
цилиндру. Так как напряженность поля уменьшается по мере удаления от проволоки,
то на некотором расстоянии от проволоки электронные лавины обрываются.
Расстояние, на которое распространяются электронные лавины, и есть толщина
короны. Следовательно, в коронно разряде электронные лавины не пронизывают
целиком слой газа, т. е. мы имеем неполный пробой газового промежутка. В случае
отрицательной короны рождение электронов, вызывающих ударную ионизацию молекул
газа, происходит за счёт эмиссии их из катода под действием положительных
ионов. В случае положительной короны электронные лавины зарождаются на внешней
поверхности короны и движутся по направлению к проволоке. В случае
положительной короны рождение электронов, вызывающих ударную ионизацию молекул
газа, происходит вследствие ионизации газа вблизи анода.
Таким образом, внутри короны мы имеем и положительные и отрицательные
ионы. Отрицательные ионы (при отрицательной короне) движутся к аноду и выходят
за пределы короны. Положительные ионы движутся к проволоке. Электроны, вышедшие
за пределы короны, присоединяются к нейтральным атомам газа, отчего возникают
отрицательные ионы. За пределами короны мы имеем только ионы одного знака
(отрицательные при отрицательной короне и положительные при положительной
короне). В этой области разряд имеет несамостоятельный характер.
Коронный разряд может возникнуть не только возле проволок, но и возле
любых проводников с малой поверхностью, каковыми являются всякого рода заострения.
Свойства острий объясняются зажиганием возле них микроскопической короны.
Корона возникает также в природе под влиянием атмосферного электрического поля
и появляется на верхушках деревьев, корабельных мачт (см. приложение 1.4) и
т.п.
С возможностью возникновения коронного разряда приходится всегда
считаться в технике высоких напряжений. При зажигании короны возле проводов
высоковольтных линий электропередачи окружающий воздух сильно ионизуется и
появляются вредные токи утечки. Чтобы коронный разряд не мог возникнуть,
провода высоковольтных линий должны иметь достаточно большой диаметр, тем
больший, чем выше напряжение линий. По этой же причине и в лабораторной
практике все подводки высокого напряжения (к рентгеновским установкам и другим
высоковольтным устройствам) осуществляются обычно с помощью труб достаточно
большого диаметра. Применение коронного разряда:
Электрическая очистка газов (электрофильтры). Сосуд, наполненный дымом,
внезапно делается совершенно прозрачным, если внести в него острые металлические
электроды, соединенные с электрической машиной, а все твердые и жидкие частицы
будут осаждаться на электродах. Объяснение опыта заключается в следующем: как
только и проволоки зажигается корона, воздух внутри трубки сильно ионизируется.
Газовые ионы прилипают к частицам пыли и заряжают их. Так как внутри трубки
действует сильное электрическое поле, заряженные частицы пыли движутся под
действием поля к электродам, где и оседают.
Счетчики элементарных частиц. Счетчик элементарных частиц Гейгера -
Мюллера состоит из небольшого металлического цилиндра, снабженного окошком,
закрытым фольгой, и тонкой металлической проволоки, натянутой по оси цилиндра и
изолированной от него (рис. 3.3.2).
Рис. 3.3.2
Счетчик включают в цепь, содержащую источник тока, напряжение которого
равно нескольким тысячам вольт. Напряжение выбирают необходимым для появления
коронного разряда внутри счетчика.
При попадании в счетчик быстро движущегося электрона последний ионизирует
молекулы газа внутри счетчика, отчего напряжение, необходимое для зажигания
короны, несколько понижается. В счетчике возникает разряд, а в цепи появляется
слабый кратковременный ток. Чтобы обнаружить его, в цепь вводят очень большое
сопротивление (несколько мегаом) и подключают параллельно с ним чувствительный
электрометр. При каждом попадании быстрого электрона внутрь счетчика листка
электрометра будут откланяться.
Подобные счетчики позволяют регистрировать не только быстрые электроны,
но и вообще любые заряженные, быстро движущиеся частицы, способные производить
ионизацию путем соударений. Современные счетчики легко обнаруживают попадание в
них даже одной частицы и позволяют, поэтому с полной достоверностью и очень
большой наглядностью убедиться, что в природе действительно существуют
элементарные заряженные частицы.
Ломоносов и Франклин не только объяснили электрическую природу молнии, но
и указали, как можно построить громоотвод, защищающий от удара молнии.
Громоотвод представляет собой длинную проволоку, верхний конец которой
заостряется и укрепляется выше самой высокой точки защищаемого здания. Нижний
конец проволоки соединяют с металлическим листом, а лист закапывают в Землю на
уровне почвенных вод. Во время грозы на Земле появляются большие индуцированные
заряды, и у поверхности Земли появляется большое электрическое поле.
Напряженность его очень велика около острых проводников, и поэтому на конце
громоотвода зажигается коронный разряд. Вследствие этого индуцированные заряды
не могут накапливаться на здании и молнии не происходит. В тех же случаях, когда
молния все же возникает (а такие случаи очень редки), она ударяет в громоотвод
и заряды уходят в Землю, не причиняя вреда зданию.
В некоторых случаях коронный разряд с громоотвода бывает настолько
сильным, что у острия возникает явно видимое свечение. Такое свечение иногда
появляется и возле других заостренных предметов, например, на концах
корабельных мачт, острых верхушек деревьев, и т.д. Это явление было замечено
еще несколько веков тому назад и вызывало суеверный ужас мореплавателей, не
понимавших истинной его сущности.
3.4 Дуговой разряд и его применение
Если после зажигания искового разряда постепенно уменьшать сопротивление
цепи, то сила тока в искре будет увеличиваться. Когда сопротивление цепи станет
достаточно малым, возникает новая форма газового разряда, называемая дуговым
разрядом (см. приложение 1.5). При этом сила тока резко увеличивается, достигая
десятков и сотен ампер, а напряжение на разрядном промежутке уменьшается до
нескольких десятков вольт. Это показывает, что в разряде возникают новые
процессы, сообщающие газу очень большую проводимость.
Дуговой разряд можно получить от источника низкого напряжения, минуя
стадию искры. Профессор физики Петербургской медико-хирургической академии
В.В.Петров, открывший в 1802 г. эту важную форму газового разряда, получил
электрическую дугу, раздвигая два кусочка древесного угля, предварительно
приведенные в соприкосновение и присоединённые к мощной батарее гальванических
элементов. Он обнаружил, что при этом между концами углей возникает ярко светящийся
столб газа, а сами угли раскаляются до ослепительного свечения.
В настоящее время электрическую дугу, горящую при атмосферном давлении,
чаще всего получают между специальными угольными электродами, изготовленными
прессованием порошкообразного графита и связующих веществ (дуговые угли).
Наиболее горячим местом дуги является углубление, образующееся на положительном
электроде и называемое «кратером дуги». Его температура при атмосферном
давлении равна около 4000 К, а при давлении в 20 атм превышает 7000 К, т.е.
больше температуры внешней поверхности Солнца (около 6000 К).
Что же является основной причиной большой электропроводности газа в
дуговом разряде? Установлено, что хорошая электропроводность дуги
поддерживается за счет высокой температуры отрицательного электрода из-за
интенсивной термоэлектронной эмиссии. Это хорошо подтверждается тем фактом, что
во многих случаях устойчивую дугу можно получить только при условии, что катод
имеет высокую температуру, температура же анода не имеет существенного значения.
Так, например, если одним из электродов дуги сделать угольный стержень, а
другим - массивную, хорошо охлаждающуюся медную пластину и перемещать угольный
стержень возле пластины (чтобы она не могла разогреться), то устойчивая дуга
возникает только при отрицательном угле. Если же отрицательным полюсом служит
пластина, то дуга периодически зажигается и снова гаснет, а получить её
устойчивое горение нельзя. Дуговой разряд возникает во всех случаях, когда
вследствие разогревания катода основной причиной ионизации газа становится
термоэлектронная эмиссия. Например, в тлеющем разряде положительные ионы,
бомбардирующие катод, не только вызывают вторичную эмиссию электронов, но и
нагревают катод. Поэтому, если увеличивать силу тока в тлеющем разряде, то
температура катода увеличивается, и когда она достигает такой величины, что
начинается заметная термоэлектронная эмиссия, тлеющий разряд переходит в
дуговой. При этом исчезает и катодное падение потенциала.
Наряду с рассмотренными выше термоэлектронными дугами наблюдаются и
дуговые разряды при сравнительно низкой температуре катода (например, в ртутной
дуговой лампе).
Электрическая дуга впервые была использована для освещения в 1875 году
русским инженером-изобретателем П.Н. Яблочкиным (1847-1894) и получила название
«русского света» или «северного света». В «свече Яблочкова» угли были
расположены параллельно и разделены изогнутой прослойкой, а их концы соединены
проводящим «запальным мостиком». Когда ток включался, запальный мостик сгорал и
между углями образовывалась электрическая дуга. По мере сгорания углей
изолирующая прослойка испарялась.
Многочисленные исследования электрических дуг с холодными электродами
показывают, что источником мощной электронной эмиссии с катода является
небольшое, ярко светящееся и непрерывно движущееся пятнышко на катоде, всегда
возникающее в подобных дугах (катодное пятно). Плотность тока в катодном пятне
огромна и может достигать 1010-1011 А/м2.
Причина образования катодного пятна заключается в сильном увеличении
концентрации положительных ионов у катода, которое создает очень сильное
местное электрическое поле, вызывающее мощную автоэлектронную эмиссию. Поэтому
электрические дуги с холодными катодами иногда называют автоэлектронными
дугами. Катодное пятно может возникнуть не только у поверхности ртути, но и у
любого металлического твердого электрода.
Вследствие высокой температуры электроды дуги испускают ослепительный
свет (свечение столба дуги слабее, так как излучающая способность газа мала), и
поэтому электрическая дуга является одним из лучших источников света.
Электрическая дуга широко применяется в проекционных, прожекторных и других
установках. Расходуемая ею удельная мощность меньше, чем у ламп накаливания.
Она потребляет всего около 3 Вт на канделу и является значительно более экономичной,
нежели наилучшие лампы накаливания.
В качестве источников света употребляют также дуговые лампы высокого
давления. Большой интерес представляет ртутная дуга, горящая в кварцевой
трубке, так называемая кварцевая лампа. В этой лампе дуговой разряд происходит
не в воздухе, а в атмосфере ртутного пара, для чего в лампу вводят небольшое
количество ртути, а воздух откачивают. Свет ртутной дуги чрезвычайно богат
ультрафиолетовыми лучами, обладающими сильным химическим и физиологическим
действием. Чтобы можно было использовать это излучение, лампу делают не из
стекла, которое сильно поглощает УФО, а из плавленого кварца. Ртутные лампы
широко используют при лечении разнообразных болезней, а также при научных
исследованиях как сильный источник ультрафиолетового излучения.
В 1882 году Н. Н. Бенардосом дуговой разряд впервые был использован для
резки и сварки металла. Разряд между неподвижным угольным электродом и металлом
нагревает место соединения двух металлических листов (или пластин) и сваривает
их. Этот же метод Бенардос применил для резания металлических пластин и
получения в них отверстий. В 1888 году Н. Г. Славянов усовершенствовал этот
метод сварки, заменив угольный электрод металлическим. Высокая температура
дугового разряда позволяет использовать его для устройства дуговой печи. В
настоящее время дуговые печи, питаемые током очень большой силы, применяются в
ряде областей промышленности: для выплавки стали, чугуна, ферросплавов, бронзы,
получения карбида кальция, окиси азота и т.д.
3.5 Плазма и ее применение
Некоторые виды самостоятельного разряда характеризуются очень высокой
степенью ионизации газа. В различных формах газового разряда образуется сильно
ионизированный газ, который при условии, что суммарный заряд электронов и ионов
в каждом элементарном объеме равен (или почти равен) нулю, называется плазмой
(см. приложение 1.6).
Плазму имеется в положительном столбе тлеющего разряда, а также она
образуется в главном канале искрового разряда.
Плазма - это частично или полностью ионизованный газ, в котором плотности
положительных и отрицательных зарядов практически одинаковы. Таким образом,
плазма в целом является электрически нейтральной системой.
Количественной характеристикой плазмы является степень ионизации.
Степенью ионизации плазмы a называют отношение объемной концентрации заряженных частиц к общей
объемной концентрации частиц. В зависимости от степени ионизации плазма
подразделяется на слабо ионизованную (a составляет доли процентов), частично ионизованную (a порядка нескольких процентов) и
полностью ионизованную (a
близка к 100%). Слабо ионизованной плазмой в природных условиях являются
верхние слои атмосферы - ионосфера. Солнце, горячие звезды и некоторые
межзвездные облака - это полностью ионизованная плазма, которая образуется при
высокой температуре. Средние энергии различных типов частиц, составляющих
плазму, могут значительно отличаться одна от другой. Поэтому плазму нельзя
охарактеризовать одним значением температуры Т; различают электронную
температуру Те, ионную температуру Тi (или ионные
температуры, если в плазме имеются ионы нескольких сортов) и температуру
нейтральных атомов Тa (нейтральной компоненты). Подобная плазма называется неизотермической, в
отличие от изотермической плазмы, в которой температуры всех компонентов
одинаковы.
Плазма также разделяется на высокотемпературную (Тi»106-108 К и
более) и низкотемпературную (Тi<=105 К). Это условное
разделение связано с особой влажностью высокотемпературной плазмы в связи с
проблемой осуществления управляемого термоядерного синтеза.
Плазма как сильно ионизированный газ имеет некоторое сходство с обычными
газами и подчиняется многим газовым законам. Однако между плазмой и обычными
газами имеются и радикальные отличия. Они особенно резко проявляются тогда,
когда имеется магнитное поле. В этом случае на частицы плазмы (ионы и
электроны) действуют большие силы (силы Лоренца), не существующие в газе
нейтральных атомов. При движении частиц вдоль магнитного поля эти силы равны
нулю. При движении же поперек магнитного поля они максимальны и препятствуют
этому движению. Второе отличие заключается в том, что ионы и электроны в плазме
сильно взаимодействуют между собой с помощью кулоновских сил. Оба
обстоятельства в сочетании с большой электропроводностью сильно ионизированной
плазмы приводят к тому, что свойства плазмы и уравнения её движения при наличии
электрических и магнитных полей оказываются резко отличающимися от таковых для
обычных газов и жидкостей. Изучение законов движения плазмы, рассматриваемой
как особого рода жидкость с большой электропроводностью, составляет предмет
гидродинамики плазмы и имеет большое значение для понимания многих
астрофизических процессов. Поэтому её специфические свойства позволяют
рассматривать ее как особое четвертое состояние вещества. Проводимость плазмы увеличивается
по мере роста степени ионизации. При высокой температуре полностью ионизованная
плазма по своей проводимости приближается к сверхпроводникам. В лабораторных
условиях плазма получается не только в газовых разрядах. В электропроводящих
твердых телах (металлы, полупроводники) мы имеем подвижные электроны
проводимости и неподвижные положительные ионы с общим объемным зарядом, равным
нулю, т.е. тоже электронно-ионную плазму.
Однако наиболее часто плазма встречается в космических телах. Основная
масса вещества космоса практически полностью ионизирована вследствие высокой
температуры и действия различных излучений и находится в состоянии сильно
ионизированной плазмы. В частности, наше Солнце полностью состоит из плазмы.
Верхние ионизированные слои атмосферы Земли (ионосфера) тоже представляют собой
плазму.
Наиболее широко плазма применяется в светотехнике - в газоразрядных
лампах, освещающих улицы, и лампах дневного света, используемых в помещениях. А
кроме того, в самых разных газоразрядных приборах: выпрямителях электрического
тока, стабилизаторах напряжения, плазменных усилителях и генераторах
сверхвысоких частот (СВЧ), счётчиках космических частиц.
Все так называемые газовые лазеры (гелий-неоновый, криптоновый, на
диоксиде углерода и т. п.) на самом деле плазменные: газовые смеси в них
ионизованы электрическим разрядом.
Созданы также плазменные двигатели, магнитогидродинамические
электростанции. Разрабатываются различные схемы плазменного ускорения
заряженных частиц. Центральной задачей физики плазмы является проблема
управляемого термоядерного синтеза.
Не так уж давно был создан новый прибор - плазмотрон. В плазмотроне
создаются мощные струи плотной низкотемпературной плазмы, широко применяемые в
различных областях техники: для резки и сварки металлов, бурения скважин в
твердых породах и т.д.
ЗАКЛЮЧЕНИЕ
В курсовой работе рассмотрены основные понятия, свойства, явления которые
описывают протекание электрического тока в газах. Рассмотрены такие процессы
как ионизация и рекомбинация, которые являются неотъемлемой частью
возникновения разрядов в газе. Выяснили, что одним из главных способов
возникновения самостоятельного разряда является ионизация электронными ударами.
Подробно рассмотрены такие явления как самостоятельный и
несамостоятельный газовые разряды. Более детально описаны разновидности
самостоятельного разряда, условии их возникновения, основные свойства и границы
их применимости. Исследованы свойства и виды плазмы, а также ее применение.
Прилагаются фотографии, которые позволяют наглядно рассмотреть эти явления.
Таким образом, исследуя данную тему можно прийти к выводу, что изучение
электрического тока в газах, а в частности, исследование газовых разрядов,
нашло применение не только в области физики, но и во многих сферах науки и
техники. Так, например, тот или иной вид разряда применяются в металлургической
промышленности, в научных исследованиях, медицине, при экономии энергетических
ресурсов, в качестве предохранителей от перенапряжения, и т.д.
Итак, подводя итог работы, можно сказать, что актуальность изучения
данной темы очевидна, так как использование этих данных используется как в
науке, так и в быту. Исследуя данную тему, я получила знания, которые, думаю,
понадобятся мне в моей дальнейшей педагогической деятельности.
СПИСОК ИСПОЛЬЗОВАННЫХ ИСТОЧНИКОВ
1. Савельев, И.В. Курс общей физики: Учебное пособие / И.В.
Савельев. В 3-х т. Т. 2. Электричество и магнетизм. Волны. Оптика. - 3-е изд.,
испр. - М.: Наука, 1988. - 496 с.
. Калашников, С.Г. Электричество / С.Г. Калашников. - 4-е
изд., перераб. и доп.. - М.: Наука, 1977. - 592 с.
. Трофимова, Т.И. Курс физики: Учебное пособие для ВУЗов /
Т.И. Трофимова. - 4-е изд., испр. - М.: Высшая школа, 1997. - 542 с.
. Китайгородский, А.И. Физика для всех / А.И. Китайгородский.
- М.: Наука, 1979.
. Кингсеп А.С. Плазма как объект физического исследования //
Соросовский образовательный журнал. - 1996. - №2. С. 98-104.
. Электрический ток в различных средах: Опорный конспект //
Физика: Приложение к газете «1 сентября». - 2000. - №10. С. 1-15.
Похожие работы на - Электрический ток в газах
|