Винтовые механизмы

  • Вид работы:
    Курсовая работа (т)
  • Предмет:
    Физика
  • Язык:
    Русский
    ,
    Формат файла:
    MS Word
    477,92 Кб
  • Опубликовано:
    2013-01-25
Вы можете узнать стоимость помощи в написании студенческой работы.
Помощь в написании работы, которую точно примут!

Винтовые механизмы

Введение

двухстоечный винтовой пресс

Назначение проектируемого механизма и область его применения

Пресс предназначен для создания силы, воздействующей на обрабатываемый объект: спрессовываемое вещество, запрессовываемые части, деформируемый материал и т.д. Подобные устройства служат для прижатия деталей при склейке. Винт в этих устройствах снабжен нажимной деталью, через которую при ввинчивании в гайку он передает нагрузку на обрабатываемый объект.

Составные части механизма и принципы его работы

Рис.1 Пресс винтовой двухстоечный

Двухстоечный винтовой пресс представлен на рис. 1, его основные элементы: станина 1, поперечина 2, связанная со станиной стойками 3, гайка 4, установленая с натягом в поперечину 2, винт 5 ввернутый в гайку, рукоятка 6, нажимная плита 7 соединенная с винтом.

Винт приводится в движение рукояткой, вращаясь в неподвижной гайке, он перемещается поступательно, нажимная плита опускается и оказывает давление на материал или детали. Для обеспечения подъема плиты она соединена с винтом при помощи двух полуколец 8, входящих в кольцевую проточку на винте и прикрепленных к плите винтами.

2. Расчет резьбы

.1 Выбор материалов винтовой пары

Материалы винтов должны обладать высокой износостойкостью, хорошей обрабатываемостью, высокой прочностью. Таким требованиям лучше всего отвечают стали. Для слабо напряженных и тихоходных винтов применяют стали 45, 50 (ГОСТ 1050-88), для более ответственных механизмов - стали, подвергаемые закалке - 40Х, 40ХГ (ГОСТ 4543-71), 65Г (ГОСТ 1050-88), для ходовых винтов станков - азотируемые стали 40ХФА, 18ХГТ (ГОСТ 4543-71).

Поскольку в ходовых винтах присутствует скольжение, для уменьшения трения гайки делают из антифрикционных материалов - оловянных бронз БрО10Ф1, БрО6Ц6С3 (ГОСТ 613-79), безоловянной бронзы БрА9Ж3Л (ГОСТ 493-79), чугунов СЧ 12-28, СЧ 15-32, СЧ 18-36 (ГОСТ 1412-70). В отдельных случаях возможно изготовление гайки из стали. Следует иметь в виду, что антифрикционные свойства у бронзы улучшаются с увеличением содержанием олова, а у чугуна - с уменьшением прочности. Кроме того, следует учитывать, что самый дешевый материал - чугун, а стоимость бронзы тем выше, чем больше содержание олова.

Окончательно выбираем материал винта закаливаемую сталь 40ХГ (ГОСТ 4543-71); материал гайки безоловянную бронзу БрА9Ж3Л (ГОСТ 493-79).

2.2 Выбор типа резьбы

Для винтовых механизмов применяют резьбы с малыми углами профиля для уменьшения потерь на трение. Наиболее распространена трапецеидальная резьба со средними шагами. Для высоконагруженных винтов домкратов и других механизмов с односторонним действием нагрузки целесообразно применять упорную резьбу . Потери на трение в упорной резьбе меньше чем в трапецеидальной, но она сложнее в изготовлении.

Эти резьбы должны обеспечивать минимальный момент трения в резьбе. Это обеспечивается оптимальным углом профиля α, который для ходовой резьбы от 0˚ до 15˚.

Выбираем упорную резьбу

2.3 Определение среднего диаметра резьбы

Расчет диаметра винта и выбор резьбы осуществляется из условия износостойкости, т.к. в винтовых механизмах основной причиной выхода их из строя является износ резьбы гайки. Чтобы ограничить износ, контактное напряжение в витках резьбы q не должно превышать предельно допустимого давления [q]. Иногда это условие износостойкости называют условием невыдавливания смазки.

Экспериментальным путем установлено, что для сочетания материалов для пары закаленная сталь - бронза [q] = 11 МПа. Чем выше антифрикционные свойства материала гайки, тем выше значение [q] можно принимать.

Для подбора резьбы определяется средний диаметр резьбы  по критерию износостойкости:

,

где     - осевое усилие, действующее на винт;

 - коэффициент рабочей высоты профиля резьбы;

= 0,75 - для упорной резьбы;

      - коэффициент высоты гайки ;

      =1,2…1,5.

Таким образом, для подбора резьбы определяется средний диаметр d2:


По рассчитанному среднему диаметру по таблицам приложения подбирают стандартные резьбы. Обычно можно подобрать несколько типоразмеров резьбы с разными шагами (таблица 1).

Таблица 1

Шаг резьбы Р

Диаметры резьбы


Наружный d=D

Средний d2=D2

Внутренний d1=D1

2

26

24,5

22,529

3

28

25,75

22,793

5

28

24,25

19,322


2.4 Определение высоты гайки

 



3.Проверка винта на устойчивость

.1 Определение приведенной длины винта

Расчет длины нарезанной части:


Длина винта, подвергающаяся сжатию:


l С- длина участка винта, работающего на сжатие.

 

 

 

Определим схему закрепления винта:

где Lпр - приведенная длина винта,

 - коэффициент приведения длины, зависящий от способа закрепления концов винта;

Для двухстоечного пресса коэффициент равен 1 (Рис.3).

Lпр=lC µ

Lпр-Б= 364,5 мм

Lпр-С= 361,5 мм

Рис.3

3.2 Определение критических напряжений

Винты, работающие на сжатие, под воздействием рабочей нагрузки могут получить продольный изгиб и выйти из строя, поэтому проверка на устойчивость является обязательной.

При расчете на устойчивость будем рассматривать винт как гладкий стержень, нагруженный сжимающей силой Q, диаметром равным внутреннему диаметру резьбы d1.

ix - радиус инерции поперечного сечения винта:

ix = 0,25×d1 мм.

ix = 0,25×22,529=5,6мм;

ix = 0,25×22,793=5,7мм;

ix = 0,25×19,322=4,8мм;

Гибкость винта  определяется по формуле:

,

Зная все данные, определим гибкость винта:


Поскольку,  входит в промежуток 90≥≥45, из рекомендованных марок сталей, определяется по формуле Ясинского:


3.3 Определение критической нагрузки



Условием устойчивости винта будет соблюдение соотношения:


где     - критическая сила, при которой винт потеряет устойчивость;

/3≥24000Н

/3≥24000Н

/3≥24000Н

Следовательно, винт проходит проверку на устойчивость.

4. Проверка винтовой пары на самоторможение

После определения диаметра резьбы необходимо проверить выбранные резьбы на самоторможение. Под самоторможением понимается обеспечение невозможности самопроизвольного движения винта под действием рабочей нагрузки (самопроизвольное раскручивание).

Для обеспечения самоторможения механизма должно выполняться условие:

,

где     - приведенный угол трения;

 - угол подъема винтовой линии;

 - коэффициент запаса самоторможения:

для самотормозящихся механизмов  ³ 1,3;

для механизмов, к которым не предъявляются жесткие требования в отношении самоторможения  ³ 1,1.

Угол подъема винтовой линии  зависит от геометрии резьбы:

,

где     - шаг резьбы;

 - число заходов резьбы;

 - средний диаметр резьбы.

4.1 Определение приведенного угла трения

Приведенный угол трения :

,

где а=3° для упорной резьбы,       - коэффициент трения, зависящий от шероховатостей рабочих поверхностей витков и материала гайки, выбирается по таблице 2.

Таблица 2

Класс точности

Параметры шероховатости, мкм

Коэффициент трения  при материале гайки


винта

гайки

Бронза оловянная

Бронза безоловянная

Чугун

Сталь

3

Ra = 2,5

Ra = 2,5

0,08

0,09

0,10

0,12


4.2 Определение угла подъема винтовой линии и коэффициента запаса устойчивости

Угол подъема резьбы: Коэффициент запаса самоторможения:

 


4.3 Выбор окончательного варианта размера резьбы

Выбираем окончательно резьбу с наибольшим шагом, так как виток резьбы имеет больший размер следовательно дольше изнашивается S28×5.

Таблица 3

Шаг резьбы Р

Диаметры резьбы


Наружный d=D

Средний d2=D2

Внутренний d1=D1

5

28

24,25

19,322



5. Проверка прочности винта

.1 Расчет момента трения в резьбе

Величина  определяется по формуле:

.

.2 Выбор типа конструкций пяты винта

Сферическая пята (рис. 4) обеспечивает еще меньший момент трения за счет значительно меньшей площади трения. Она обладает наибольшей нагрузочной способностью, но дороже в изготовлении. Кроме того, сферическая пята обеспечивает центральное нагружение винта даже при неперпендикулярности опорной поверхности подпятника относительно оси винта. Сферическую пяту можно рекомендовать для механизмов с сильно нагруженными винтами, где требуется более высокий КПД и для механизмов, при работе которых возможны перекосы опорных деталей (чашек, прижимов и т.д.).

Рис.

Рабочая поверхность пяты и подпятника должны иметь твердость HRC 40…45 - HRC 50…55. Радиус сферы R находится из условия контактной прочности рабочих поверхностей:

,

где     - приведенный модуль продольной упругости; для стальных деталей

= 2,1×105 МПа;

допускаемое контактное напряжение ,

где     - предел контактной выносливости, соответствующий базовому числу циклов;

 - коэффициент долговечности: для рассматриваемых деталей, отличающихся небольшим числом циклов нагружения за весь срок службы  = 2,4;

 - коэффициент запаса контактной прочности.

Величина  зависит от твердости  менее твердой поверхности:

в случае объемной закалки деталей (HRC 40-55):

 (МПа), =1,1;

при поверхностной закалке (HRC 40-55):

 (МПа), =1,2.

Твердость закалки  внутри указанных выше диапазонов задается:

HRC 40…45, HRC 45…50 или HRC 50…56. В формулу подставляется среднее значение диапазона:  = 56.

Диаметр круговой площадки контакта, получающийся в результате деформации сжимаемых тел, определяется по формуле:

.

Рассчитаем основные параметры сферической пяты:

(МПа)

(МПа)

мм

мм

5.3 Расчет момента трения на пяте

Момент трения в сферической пяте:

,

где    - коэффициент трения : = 0,08…0,10.

Диаметр выступа под пяту на торце винта  можно принять Высота выступа .

;

;

;

;


5.4 Определение нормальных, касательных и эквивалентных напряжений

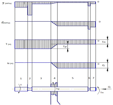
Проверка на прочность винта выполняется по условию прочности на одновременное действие сжатия и кручения. Для этого строятся эпюры сжимающих сил N, крутящих моментов Т, напряжений сжатия и кручения  (рис. 5.).

При построении эпюры моментов следует помнить, что момент трения в резьбе  распределен по высоте гайки, хотя для упрощения на схеме его показывают в виде сосредоточенного момента.

При расчете, отверстие под ручку не учитываем, так как оно не опасное сечение.

Расчеты напряжений:

;            N=Q;         

(МПа)

(МПа)

Касательные напряжения:

(МПа)

(МПа)

(МПа)

(МПа)

(МПа)

(МПа)

Эквивалентные напряжения:

(МПа)

Рис. 5

5.5 Определение допускаемых напряжений

Допускаемое напряжение  выбирают:

,

где    - предел текучести материала винта;

 = 1,3…1,4 - коэффициент учитывает точность определения действующих на винт нагрузок.

 = 1,3…1,5 - коэффициент учитывает однородность материала заготовки из поковок и проката.

 = 1,2 - коэффициент, учитывающий требования безопасности.

т = 900(МПа) - для Стали 40ХГ,

 (МПа)

(МПа)

Все рассчитанные ранее напряжения не превышают допустимого напряжения. А, следовательно, винт проходит проверку на прочность.

Определение длины рукоятки

Длина рукоятки Lp:

усилие, создаваемое одним рабочим; для кратковременной работы пресса можно принять Pp=200 Н.


Диаметр рукоятки dp:

;

где =[80…100]МПа;

;

6.Расчет хвостовика винта

Хвостовиком называется конструктивная часть винта, в которую устанавливается рукоятка к которой прикладывается внешний вращающий момент.- диаметр хвостовика:

;

- высота хвостовика:

;

;

пр - диаметр и b - ширина проточки определяется по таблице для соответствующей резьбы:

=8мм;


7. Расчет гайки

.1 Определение основных размеров

При расчете гайки по критериям прочности ее размеры обычно получаются небольшими, поэтому размеры гайки задают конструктивно по приведенным ниже зависимостям, после чего выполняют проверочный расчет на прочность.

Высота гайки равна:

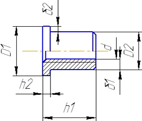
Рис.7 Диаметр гайки D1 назначают в зависимости от толщины стенки гайки

 =(1,2…1,35) =(0,5…0,65)(D1 - d)        

7.2 Расчет прочности гайки

Корпус гайки проверяется по условия прочности на разрыв усилием Q и одновременное скручивание моментом :

 ;

;

;

;

;

В процессе работы буртик гайки подвергается смятию и изгибу:

;

;

Опорная поверхность буртика проверяется по условию прочности на смятие:

;

;

,

т = 300МПа для безоловянной бронзы;

; ;

Условие прочности выполняется.

8. Проверка гайки на непроворачиваемость в корпусе

Гайка устанавливается в корпус с натягом (H7/р6). Такая посадка позволяет не устанавливать установочный винт, если выполняется условие непроворачиваемости. Условие непроворачиваемости гайки имеет следующий вид:


Момент трения на поверхности контакта корпуса и буртика будет:

,

где  - коэффициент трения между буртиком гайки и корпусом;

для безоловянно-бронзовой гайки  = 0,09.


Условие непроворачиваемости гайки выполняется.

9. Определение КПД механизма

КПД винтового механизма, учитывающий суммарные потери в винтовой паре и на пяте, определяется по формуле:


10. Расчет конструктивных размеров корпуса

Корпус настенного пресса для зажима труб представляет собой кронштейн, который крепится к какой-либо плоскости с помощью болтов (в данном случае). Основные детали: стакан под гайку, пластины металла, болты. Соединение пластин между собой производится с помощью ручной дуговой сварки. Материал металлических пластин Ст3, толщина которых составляет 7 мм.

Если максимальное усилие на винте:

) меньше 8кН - корпус изготавливается из пластины

) в промежутке от 8кН до 15кН - изготавливается из тавра

) больше 15кН - изготавливается из двутавра.

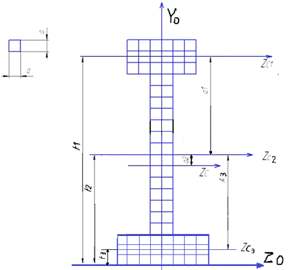
Так как по условию максимальное усилие на винте 24кН, то рассчитываем корпус двухстоечного пресса из двутавра (рис.8).

Рис.8

Определим площадь


Найдем момент инерции:


Определим момент сопротивления сечения:

 


Определим основные размеры двутавра согласно рисунку 9:

=15+15+68=98мм

Рис.9

Заключение

двухстоечный винтовой пресс

Выполняя данную работу, я приобрел навыки самостоятельного проектирования, научился находить рациональные варианты конструктивного исполнения заданной схемы устройства, правильно выбирать материалы, определять размеры и форму деталей, обеспечивающие при минимальной массе и габаритах надежность в работе, прочность, технологичность, удобство монтажа и эксплуатации. Приобрел навыки в правильном назначении допусков и посадок, шероховатости поверхности детали, составлении технической документации.

По схеме задания на расчетно-графическую работу произвел расчет и конструирование винтовой пары, металлоконструкции и соединений, входящих в состав механизма двухстоечный винтовой пресс. Используя знания, приобретенных мною по ряду пройденных дисциплин: детали машин и основы конструирования, теоретическая механика, сопротивление материалов, теория механизмов, технология металлов, инженерная графика.

Список литературы

.А.И. Бабкин, А.С. Морозов, И.А. Дужевский «ПРОЕКТИРОВАНИЕ ВИНТОВЫХ МЕХАНИЗМОВ» Учебно-методическое пособие для курсового проектирования, Северодвинск, 2006;

.Д. Н. Решетов «Детали машин», Москва «Машиностроение», 1989;

.А. Е. Шейнблит «Курсовое проектирование деталей машин», Янтарный сказ, 2003;

.П. Ф. Дунаев, О. П. Леликов « Конструирование узлов и деталей машин», Москва «Academa», 2003

Похожие работы на - Винтовые механизмы

 

Не нашли материал для своей работы?
Поможем написать уникальную работу
Без плагиата!
Без нейросетей!